Abstract
This research delves into the transformative potential of additive manufacturing (AM) within the jewelry industry, focusing on materials such as PLA, PolySmooth, and resin to process a ring. The study encompasses an analysis of the materials, the role of the Scanning Electron Microscope (SEM), the CAD design stage, printers, post-processing techniques, and the Input-Transformation-Output (ITO) process. SEM plays a crucial role in understanding material behavior at a micro-level, offering invaluable insights into its selection. The CAD design stage is foundational, providing a precise digital representation before physical production. Additive manufacturing showcases advantages over traditional methods, including design flexibility and production. Various printers and post-processing methods contribute to enhancing the quality and aesthetics of the final products. The Input-Transformation-Output process emerges as a strategic approach for efficient AM implementation. This study highlights the need for the continued exploration and integration of AM, emphasizing its potential to reshape how jewelry is designed, manufactured, and experienced, thereby providing a foundation for further research and advancements in this transformative field. Additionally, each stage of the Input-Transformation-Output process of Polysmooth, PLA, and resin ring prototypes is studied.
1. Introduction
Additive Manufacturing (AM) is a layer-based technology also known as 3D printing which is developing at a fast pace into automated fabrication processes across different industries and daily human life [1]. This industrial production focuses on the automated processes of the making of 3D objects. These are computer-aided designs (CAD) that precede the production phase, depositing different materials normally in layers from the digital CAD data [2].
As mentioned by Bourell et al. [3], additive manufacturing has opened different doors in manufacturing and assembly-oriented design. Three-dimensional printing has been applied in medical [4], construction [5], engineering [6], aerospace [7], architecture [8], etc. Traditional manufacturing methods are usually limited by component mating, sizes, and geometric complexity. Nevertheless, AM is being developed to overcome such circumstances. It revolves around material use, potential part deformation, and minimum feature sizes [9].
Over the last couple of decades, 3D printing has been utilized in many fields, especially the art and fashion industry, including jewelry [10]. This freedom allows designers, consumers, and manufacturers to step out of their comfort zones [11]. Due to AM, traditional manufacturing methods have been disrupted. Autonomy in the design process is one of the most impactful factors of the AM. It allows designers to examine complex designs that would not be produced under common circumstances. The creative spark is being brought to the table once more and with no limits, pushing the jewelry industry to increase their creative vision, ease, and precision in the designs offered [12].
Customized, personalized and high-quality products are now viable for manufacturers and customers. AM offers a way to meet different standards and requirements in the market [13]. Existing models can be altered or modified in the design stage in collaboration with customers through advanced software. The personalization features aim to enhance customer satisfaction and loyalty to the brand using 3D printing technologies [14].
Furthermore, additive manufacturing techniques employ many material forms [15]. For instance, material jetting (MJT) utilizes liquid materials, whereas vat photopolymerization (VPP) involves the use of photosensitive resin. Directed energy deposition (DED) works with either powder or wire as feedstock material. Nevertheless, large-size adhesives or regular sheets are used in the sheet lamination method (SHM). Material extrusion (MEX) usually processes different materials such as composites, polymers, and biomaterials [16]. According to ASTM/ISO52900-21, the previously mentioned processes along with Binder Jetting (BJT) and Powder Bed Fusion (PBF) are the seven categories of an AM process [17].
There are several types of 3D printing technologies commonly used, including stereolithography, fused deposition modeling, and selective laser sintering [18]. The main difference between these technologies lies in how they layer the materials to create the final product. In this technology, a diverse array of materials can be employed, for instance, aluminum alloys [19], alumide [20], glass [21], gold, silver [22], brass [23], wax, resin [24], polypropylene (pp) [25], polyethylene (pe) [26], ceramics [27], polyamide [28], nickel- and cobalt-based alloys [29], stainless steel [30], etc.
The Input-Transformation-Output (ITO) process is a conceptual framework used to understand and describe various systems and processes. It breaks down a system into three main components, each playing a crucial role. As mentioned above, in AM, the input includes the digital 3D design created on a CAD or using 2D scanning methods. At the same time, in this phase, process parameters such as materials, printer type, print resolution, and some other settings related to the customization requirements of the item need to be set [31]. On the other hand, in the transformation stage, the digital design is converted into a machine-readable document that can be followed by the printer to manufacture the physical object in layers [32]. Lastly, the output phase is a critical step that determines the ultimate quality and attributes of the printed item.
This investigation aims to review and analyze the different changes in the additive process in the jewelry industry production and to delve deeper into the impact of AM, the materials frequently utilized in its production, the different printing methods employed, and the design process. Prospects of a 3D-printed jewelry piece will be considered. The main idea is to analyze the ITO process in the creation of a ring produced as a jewelry piece. Each stage of the process is going to be tested by a Scanning Electron Microscope (SEM) to study the molecular behavior of the material.
2. Literature Review
2.1. Evolution
The evolution of additive manufacturing technologies has been a transformative journey of continuous innovation, and Fused Deposition Modeling and Selective Laser Sintering led to allowing the manufacturing of functional parts and user-friendly rapid prototyping, respectively. Inkjet-based printing explored the use of multiple materials and bio-inks, whereas binder jetting offered cost-effective 3D printing for sand molds and metal pieces [33]. Electron Beam Melting and Direct Metal Laser Sintering use metal materials, providing precision and fully dense metal parts for aerospace and medical applications [4,7]. Recent advancements have introduced Continuous Liquid Interface Production and Digital Light Processing, enabling high-speed and high-resolution printing for jewelry and medical industries [34]. The integration of composite materials into FDM printing further improved material properties
In the initial phases, 3D printing was mainly utilized for rapid prototyping. However, the evolution of this new manufacturing technique has facilitated the creation of many companies operating in the field [8], as well as 3D design software, printers, and equipment. These advancements have enabled the creation of rarely shaped jewelry designs due to the implementation of AM technologies and materials [33]. Nowadays, AM is considered a primordial factor in jewelry production. It offers extraordinary options to the designer and the customer creativity-wise.
At the same time, AM helps to reduce material waste and push boundaries in the production area. This has led to a surge in avant-garde jewelry pieces that challenge conventional aesthetics. For instance, emerging trends where AM showcases potential, such as the creation of intricate patterns for Kandi bracelets and diverse shapes and dimensions for earcuffs, have been studied. It emphasizes a material-specific analysis, highlighting the importance of materials like PLA, PolySmooth, and resin in optimizing AM processes for jewelry manufacturing and enhancing the final product’s quality.
2.2. Additive Manufacturing Techniques
Additive manufacturing incorporates a diverse range of techniques that permit the making of three-dimensional objects layer by layer [27]. These techniques have revolutionized the traditional manufacturing processes, offering exceptional design freedom and material options. The most common AM methods include Fused Deposition Modeling (FDM), stereolithography (SLA), Selective Laser Sintering (SLS), and Direct Metal Laser Sintering (DMLS) [6].
The material extrusion process was later named Fused Deposition Modeling (FMD) [35]. As Yap et al. [13] state, FDM involves extruding or pushing thermoplastic materials through a heated nozzle tip where the material is deposited layer by layer as it solidifies. FDM provides a lot of advantages like high printing speed and low cost, which is why it is widely used in various applications. This approach is commonly employed for rapid prototyping and manufacturing functional products due to its user-friendly nature and its use in the jewelry field. The thermoplasticity of the polymer filament plays a crucial part in the mission of this technique. It permits the filaments to fuse seamlessly at the same time along the printing stage; once it has solidified at room temperature, a stable final product is ensured. Being a straightforward printing process, FDM provides a lot of advantages like high printing speed and low cost, which is why it is widely used in various applications. However, it is necessary to cover some aspects such as mechanical weakness and surface quality.
Additionally, Vat photopolymerization techniques [35] such as stereolithography (SLA) involve liquid resin. In this case, the layers are formed due to the UV laser that selectively cures the resin. On the other hand, Digital Light Processing (DLP) uses a projector to project an entire layer’s image onto the resin, and Liquid Crystal Display (LCD) utilizes an LCD screen to selectively mask light exposure to the resin. As soon as the printing stage is finished, some parts of the product might need additional components to achieve the intended mechanical capabilities [36]. Post-processes like heating or photo-curing might be involved to improve the structural composition and mechanical characteristics of the items that were printed. The goal is to solidify the printed material and enhance its durability. SLA is highly utilized due to its high resolution and ability to provide details to the parts produced, making industries like dentistry, jewelry, and prototyping fond of using it.
There are PBF methods that utilize fine powders and spread them on a platform for them to be fused [35]. SLS [2,37] utilizes powdered materials such as metals, ceramics, or plastics that are fused by a high-powered laser. Selective laser sintering enables the manufacturing of uncommon objects with intricate geometry for various functional purposes. This technology manufactures the final product without the need for support structures. DMLS works similarly [7]. However, it is specifically designed for metals. A high-power laser sinters metal powders in order to create precise and durable metal components. Different industries like automotive, medical, and aerospace use this technique due to its applications.
Sheet lamination, which involves bonding material sheets through pressure or binders, utilizes various materials such as paper, metal foil, or polymers and employs bonding methods like thermal or chemical reactions. In contrast, directed energy deposition, which is another method, feeds metallic powder or wire into an energy beam to create molten pools, facilitating the creation of complex microstructures and multi-material parts using lasers or electron beams. Similarly, material jetting, which resembles inkjet printing, deposits wax or photopolymer droplets onto a substrate, undergoing phase changes via light curing or heating and enabling direct printing of various materials like ceramics, semiconductors, and metals [35].
On the other hand, binder jetting, a cost-effective technique, utilizes liquid adhesives to construct specific parts layer by layer from powdered materials, allowing room-temperature construction of large, colored products with intricate internal structures in metals, ceramics, and polymers. However, it faces challenges including shrinkage in metal machining and difficulties in achieving fully dense parts directly [35]. Sand molding, also known as additive manufacturing or sand printing, is a pivotal technique in jewelry production, primarily employed to craft molds rather than end products. This process involves the selective deposition of a binder onto layers of sand, systematically constructing molds layer by layer. Once formed, these molds are utilized in conventional casting procedures to fabricate metal jewelry pieces [38,39]. Notably, sand molds created through additive manufacturing enable the realization of intricate details and intricate geometries, facilitating the casting of exclusive designs that might pose challenges using conventional mold-making methods.
2.3. Materials
Additive manufacturing has been mainly used for prototyping, research, and applications in the fashion and design industries [13], where jewelry is included. Some of the materials that are used the most are as follows.
2.3.1. Polymers and Composites
Polymers are extensively utilized in the realm of AM due to their adaptability and user-friendly nature [6]. These materials are usually thermoplastics, resins, powders, and reactive monomers, among others. The AM industry relies on photopolymer resins that are polymerized using UV light in stereolithography. Prototyping is one of its main uses, representing almost 50% of the printing market. However, SLS involves polymers such as polyamides, polystyrene, and thermoplastic elastomers. Photopolymer-based systems [40] offer excellent accuracy and fine precision, with recent developments contributing to improved strength and temperature resistance.
In 3D printing, composite filaments often combine a base material with reinforcing fibers, particles, or other additives to enhance specific characteristics like strength or conductivity [34].
The incorporation of 3D printing technology into the jewelry domain has ushered in a transformative era in design and manufacturing. AM has demonstrated its potential and pushed the boundaries of jewelry creation [13]. Moreover, the groundbreaking innovation witnessed in 3D printing extends beyond jewelry [41]. In jewelry design, additive manufacturing techniques have revolutionized the way intricate pieces are crafted, and jewelry items have unprecedented precision and complexity from intricate lattice structures to personalized engravings.
Currently, numerous materials have been created for additive manufacturing using material extrusion [35]. These include acrylonitrile butadiene styrene (ABS), nylon, high-impact polystyrene (HIPS), polyether ether ketone (PEEK), polylactic acid (PLA), polyethylene terephthalate (PET), polyethylene terephthalate glycol (PETG), and thermoplastic polyester (TPC). Typically, support removal and additional processing might be necessary after the manufacturing process.
2.3.2. Metals and Alloys
The usual procedure entails heating metallic feedstock (either in powder or wire form) utilizing energy sources such as lasers or electron beams, systematically creating solid components layer by layer [42]. Notable metal AM techniques include powder bed fusion (PBF) and direct energy deposition (DED), along with other recently developed methods such as cold spraying, binder jetting, direct metal writing, friction stir welding, and diode-based processes, which offer enhanced accuracy or speed [27,43]. Metal AM has enabled the manufacturing of various metallic materials. Using PBF-based techniques [44], several metallic materials, including stainless steels, aluminum alloys, titanium, and its alloys, as well as nickel-based alloys, are processed, whereas only a few aluminum alloys are currently utilized in AM [45].
Metals, including esteemed materials like gold, are effectively manufactured using additive manufacturing techniques in the jewelry industry. Commonly, direct metal printing (DMP) and selective laser melting (SLM) methods are employed to produce metal jewelry items [22,44]. Through these processes, fine metal powder is intricately fused layer by layer using a laser to form the intended object. Challenges within metal printing for jewelry encompass the meticulous control of factors like heat distribution, balancing the attainment of intricate details while preserving structural integrity, and ensuring that the final output aligns with stringent quality benchmarks. Moreover, pivotal post-processing stages such as polishing and finishing play a crucial role in achieving the desired sheen and surface excellence in metal 3D-printed jewelry.
2.3.3. Ceramics
Three-dimensional printing of ceramics has evolved as a crucial manufacturing technique, especially within the biomaterials and tissue engineering domain, where it is used to fabricate advanced ceramics. Despite its accuracy, the layers’ appearance and limited material selection pose significant challenges in ceramic additive manufacturing [46]. To address these issues, the 3D printing of intricate shapes succeeded by sintering has become an interesting option for manufacturing ceramics with complex geometries, offering advantages in terms of efficiency and convenience over traditional casting and sintering methods.
The intersection of art, science, and technology has pioneered the application of new technologies in jewelry design [47]. Porifera constitutes its new collection of jewelry meticulously crafted through 3D printing, utilizing both ceramic and precious metals. The jewelry’s designs emerge through computational generation, forming minimal surface networks across cellular scaffolds adaptable to various volumes and densities [48].
2.3.4. Material Challenges
The challenges surrounding materials in 3D-printed jewelry encompass several aspects [49]. Challenges revolve around initial investment costs, raw material expenses, and the shortage of skilled labor, hindering its extensive use for crafting jewelry. Moreover, issues like poor dimensional accuracy, inconsistent material properties, and subpar surface finishes create doubts among designers and material scientists, thereby eroding confidence in the process. Insufficient mechanical properties and less-refined surface textures further limit the application of 3D-printed jewelry in critical contexts [50,51]. However, these obstacles could be surmounted through comprehensive studies on the process parameters influencing mechanical traits and by gaining deeper insights into refining the process for enhanced efficiency and superior product outcomes. The time-intensive nature of additive manufacturing also stands as a challenge, slowing down the production pace.
In specific 3D printing methods like FDM, it can be quite challenging to attain continuous fiber filaments due to the potential loss of the feed filament’s durability during the FDM process [52].
2.4. Design and Printing
Computer-Aided Design (CAD) software and 3D scanning are very important tools implemented in AM to obtain models that serve as the process’s input. As mentioned by Ligon et al. [6], Additive Manufacturing (AM) fabricates objects layer by layer by digitally slicing CAD models, scans [53], or tomography data. This approach eliminates the necessity for molds or machining. The choice of CAD software depends on the specific requirements of the AM process, the intricacy of the design, and the industry in which it is being used. Some of the most used CAD are AutoCAD [54], SolidWorks [55], Fusion 360, CATIA [56], Siemens [57], Rhino 3D [58], etc. These tools allow the creation of the necessary features, modifying and finishing 3D jewelry designs for them to be printed, which involves the designers and engineers bringing their creativity to life using AM.
The 3D design needs to be sliced into 2D layers using slicing software, generating a G-code, which is a set of instructions that guide the 3D printer on how to build the object. The printer is prepared by loading the G-code and setting up the appropriate materials and parameters [27,59].
2.5. Post Processing and Finishing
To transform into functional and operational devices, the majority of 3D printing structures require post-printing processes [60] The four primary post-processing methods involve the removal of support structures and implementation of secondary curing steps steps [61],coating surfaces for functionalization and protection [55]. polishing and improving surface roughness [56] and modifications to the material properties and structural shapes that are achieved via various treatment methods [57]. This is especially vital when incorporating support materials to construct voids and overhanging structures. Secondary curing steps are utilized to remove unreacted monomers and change material properties [58]. Novel polishing methods and existing techniques have been applied to achieve better surface quality in 3D-printed metal parts and other structures [59]. These post-processing techniques enable the production of high-quality, fully functional 3D-printed objects for a wide range of applications.
Key post-processing methods include support removal for overhanging geometries in Fused Deposition Modeling (FDM) and stereolithography (SLA) prints, cleaning and washing to eliminate excess resin or powder residues in SLA and Selective Laser Sintering (SLS) prints, and sanding and smoothing for a polished surface appearance. Post-curing with UV light strengthens SLA and Digital Light Processing (DLP) prints [60]. Surface treatment techniques, like chemical polishing, reduce layer lines in certain materials [62,63].
3. Materials and Methods
The Input-Transformation-Output process is important for building the research framework because it follows the 3D printing process step by step, describing the movement of goods from the supplier through the transformation process [62] in order to obtain the final product. In this case, the goal is to produce a piece of jewelry, which is a ring, and follow the steps from the designing phase to the postprocessing and obtaining the final product.
The objective of this research is to review and analyze the different changes in the additive process using four different materials and printing methods in the production of a jewelry piece. Prototypes made from the three chosen materials are taken into consideration to highlight the most important features and details. Every step of the process is documented in an ASME Process Flow Diagram [64,65]
Experts can provide context for the evidence or situation being investigated. Their insights into industry practices, standards, or behaviors can offer a broader perspective. Interviewing them would offer valuable firsthand perspectives and expertise on the impact of additive manufacturing (AM) compared to traditional methods within the jewelry sector. The input from these industry experts provides a genuine understanding of the dynamics and advantages that AM brings to modern jewelry design and production.
Previous studies [66] have demonstrated the importance of comparing different additive technologies with traditional production methods. It enables a thorough assessment of material usage, design complexity, and quality control. This analysis not only reveals industry adoption trends but also identifies opportunities for innovation and evolution in manufacturing processes. By comparing these approaches, industries can gain insights into their strengths, weaknesses, and potential for improvement, fostering informed decision-making and driving advancements in production techniques.
3.1. Desing Stage
- Conceptualize the design: ring style, shape, dimensions, details, etc.
- Choose the design preparation method.
- Prepare the 3D Model.
3.2. Printing Preparation
- Material Selection: choose the appropriate material for 3D printing of the ring. Review mechanical properties as well [49,51].
- Select a 3D-Printing Method: Decide on the printing method (e.g., SLA, SLS, or FDM) based on material compatibility and desired resolution.
- Ensure that the model is optimized for printing. Check for any design flaws or areas requiring support structures [67].
3.3. Printing Stage
- Printer preparation: set the printer parameters according to the material and printing method chosen. Take into account settings like temperature and layer height [49,68].
- Upload the 3D model design converted into a printer-readable file to the printer [69].
- Initiate the printing process.
3.4. Post-Processing
The majority of objects produced through 3D printing methods need additional post-printing steps in order to become functional products or devices [44,58,69,70].
- Remove the print from the printer once the process has finished.
- Clean the ring according to the printing method selected.
- Remove support structures, if applicable.
- Finishing touches.
3.5. Testing
As the material goes through the AM production process in the ITO process, it is tested by a Scanning Electron Microscope (SEM) [71]. Using a concentrated beam of high-energy electrons, the SEM produces a spectrum of signals on the surface of solid specimens. These signals resulting from interactions between electrons and the sample unveil valuable information about the sample itself, encompassing its external texture, chemical makeup, and the arrangement of crystalline materials forming the sample. Typically, data are acquired from a defined area on the sample’s surface, producing a 2-dimensional image that illustrates spatial fluctuations in these characteristics. Moreover, the SEM has the capability to analyze specific points on the sample; this method is especially beneficial for qualitative or semi-quantitative analysis of chemical compositions (utilizing EDS), as well as for determining the crystalline structure and crystal orientations (employing EBSD) [72].
4. Results
4.1. Traditional vs. Additive Manufacturing
Traditional jewelry production has long been an industrial standard. It involves intricate processes, such as casting, handcrafting, and assembly. Jewelry design in traditional production is often carried out by skilled artisans or designers using sketches or physical models. The traditional manufacturing process typically involves stages such as material selection, machining, forming, assembly, and finishing, all of which is shown in Figure 1. It follows a subtractive approach, in which the material is subtracted from a larger piece to create the final product. And as has been mentioned throughout this article, the additive manufacturing process involves stages such as 3D design modeling, slicing, 3D printing, post-processing, and inspection. It follows an additive method in which the material is added layer by layer to construct the ultimate product.
Figure 1.
3D Printing Input, Transformation, and Output overview.
Additive manufacturing, especially 3D printing, has a substantial influence on the design stage of traditional jewelry production. The greatest impact of AM on traditional jewelry production is in the design phase, as shown in Figure 2. CAD software and 3D printing technologies allow for highly intricate and customizable jewelry designs that are challenging to achieve through traditional means. AM enables designers to experiment with complex geometries and produce one-of-a-kind pieces quickly.
Figure 2.
The flow diagram of the anufacturing process of a ring using traditional manufacturing.
The incorporated insights were directly gathered from the local jewelry industry. All the information illustrated in Figure 2 was obtained through interviews conducted with professionals from three prominent jewelry companies in the city, which provides invaluable insights that enrich the investigative procedures. These discussions with experts unearth specialized knowledge, which is essential for unraveling the intricate technical aspects often overlooked. Moreover, an exploratory analysis delving into regional micro-jewelry workshops dedicated to traditional methodologies complements this understanding. This contextual examination facilitates a comparative evaluation by contrasting conventional techniques with the integration of additive processes within the regional landscape. These meticulous investigations, derived from expert interviews and contextual analyses, not only ensure a comprehensive exploration but also pave the way for a nuanced understanding of the intersection between traditional craftsmanship and modern additive technologies in the jewelry industry.
All information presented in Figure 3 was compiled based on the researchers’ knowledge and the expertise of the jewelry makers.
Figure 3.
Flow diagram of the anufacturing process of a ring using additive manufacturing.
The additive methods allow jewelers to test different designs and make modifications before committing to the final production. This reduces the risk of errors and costly rework. At the same time, it enables high levels of customization, catering to individual customer preferences. Traditional methods struggle to match the level of personalization and detail that AM can achieve.
Comparison between Traditional and Additive Jewelry Manufacturing
To describe the behavior of traditional processes utilized by Small and Medium-sized Enterprises (SMEs) in the jewelry sector, the conventional method using two different materials for ring manufacturing is presented in Table 1. At the same time, this information is supported by the information compiled from the interviews, which is also presented in Figure 2.
Table 1.
The process of traditional method.
In the comparison of additive methods for ring production detailed in Table 2, the non-castable and castable approaches differ primarily in their material selection and the subsequent steps related to casting.
Table 2.
The additive method.
The non-castable method employs materials like PLA, Polysmooth, and 8k resin for printing the ring directly. The process involves creating a 3D model, preparing the file, configuring the 3D printer, printing the ring in resin, and then proceeding with post-processing steps like demolding, cleaning with isopropyl alcohol, curing, tree preparation, and finishing.
In contrast, the castable method utilizes specialized castable resin for printing the ring. Similarly, the initial steps involving 3D model creation, file preparation, and printer configuration remain consistent. However, this method diverges during the casting phase. Once the ring is printed, it moves through the demolding, cleaning with isopropyl alcohol, curing, tree preparation, and casting steps, in which metal is poured into the printed tree to create the final ring. Both methods converge in the final steps of cooling and solidification of the metal and the finishing touches of the sanding, filing, and polishing of the ring.
The key distinction lies in the material used for printing and the casting process, in which the castable method integrates metal casting after the initial resin printing phase to achieve the final ring product.
A comparison of traditional and additive jewelry manufacturing methods reveals distinct differences as presented in Table 3, regarding machinery utilization, post-processing techniques, and tool-related aspects. Traditional methods rely on an array of machinery, including lathes, carving tools, casting equipment, furnaces, and finishing tools, emphasizing manual craftsmanship. Traditional post-casting methods involve meticulous manual post-processing, such as sanding, filing, and polishing. In contrast, additive methods require fewer distinct machines, primarily centered around 3D printers, along with some casting equipment and finishing tools. Post-processing in additive methods involves steps like cleaning, curing (for resin-based prints), and finishing. Additionally, while traditional methods heavily rely on manual tools like carving instruments and lathes for shaping and finishing, additive manufacturing predominantly utilizes 3D printers for fabrication, supported by digital design software for modeling. The shift in the production landscape showcases a transition from manual craftsmanship to digital precision and streamlined processes, underlining the evolving nature of jewelry manufacturing.
Table 3.
Methods comparative analysis.
This study intends to highlight the impact of AM on the jewelry-making process. Next, the step-by-step results of four additively manufactured rings will be detailed
4.2. Design
Selecting a pre-existing design as the foundation for additive manufacturing (AM) offers a range of compelling advantages. Notably, it significantly reduces both time and cost compared to creating a design from scratch, facilitating rapid prototyping and iterations. Preexisting designs often come with proven functionality, historical data, and compatibility with legacy systems, thereby enhancing confidence in their performance. Additionally, they can be customized, serving as an inspiration for new creations or providing valuable insights into design structures. This approach can also be a resource-efficient solution, freeing up design expertise and reducing risk, especially in safety-critical applications. However, it is vital to consider intellectual property rights when using pre-existing designs. Ultimately, the decision to choose a pre-existing design should align with the project goals and the unique opportunities and challenges of additive manufacturing.
Rings hold a significant and enduring place in the world of jewelry for a variety of cultural, symbolic, and aesthetic reasons [64]. Choosing a ring in a 3D printing design provides a variety of benefits and opportunities, particularly due to the unique characteristics of rings and the potential of 3D printing technology. The ring is printed on three different materials using two different printing methods.
In this case, the design was taken from Cults [73], a marketplace that connects designers with individuals seeking to create real-world objects using 3D printing. Obtaining a ring for Additive Manufacturing (AM) with a weight of 0.7 g and a diameter of 0.24 m (or 24 mm) requires a delicate and precise approach.
Design Overview
The ring is intended to be lightweight and elegant, making it suitable for everyday wear. To achieve a weight of 0.7 g, it should have a thin and minimalist design. The outer diameter of 0.22 m (22 mm) ensures that it is a comfortable and noticeable accessory. The ring dimensions in millimeters are x 22.89, y 22.9, and z 6.79.
A suitable ring design is chosen from the Internet, which is typically available in a 3D CAD format. The chosen design is converted into stereolithography (STL) file format, which captures the precise geometry of the ring, as shown in Figure 4a,b. This design approach should result in a lightweight and stylish ring suitable for a variety of occasions while taking full advantage of the capabilities of Additive Manufacturing.
Figure 4.
Ring overview: (a) CAD design; (b) ring being converted into an STL format.
The ring geometry depicted in Figure 4 is a favorable choice for 3D printing in either PLA, Polysmooth, castable, or non-castable resin because it is a relatively simple shape with no overhangs or undercuts. This makes it easy to print without the risk of support failure or warping. Its smooth, organic shape devoid of overhangs or undercuts eliminates the need for support structures and minimizes the risk of printing defects. Additionally, the ring’s design allows for customization and personalization, enabling the creation of unique pieces without introducing printing complexities. This selection significantly affects the printing results by facilitating support-free printing, ensuring dimensional accuracy, and enabling easy post-processing for achieving the desired surface quality. Various build orientations, including vertical, angled, and flat orientations, have their own advantages and disadvantages in terms of support usage, layer line visibility, and surface finish.
4.3. Materials
PLA is one of the three materials selected for this study. As mentioned by Rodriguez [68], PLA is an environmentally friendly polymer sourced from lactic acid and possesses a notable benefit in its effortless application within 3D printing, yielding favorable outcomes. Its extrusion temperature requirement is minimal, and it maintains structural integrity during the printing process while adhering effectively to the printing platform. In this case, PolyLite™ PLA [74] is purchased due to its high-quality design, reliability, and simplicity of the printing stage.
Furthermore, Polysmooth, a variant of PLA, offers a smoother surface finish and increased strength, making it ideal for intricate and visually appealing jewelry pieces that demand finer aesthetics. PolySmooth™ [75] is chosen because of its uniqueness as a filament designed for effortless printing and streamlined post-processing. The surface can be made smooth and free of layers using alcohol. The filament is compatible with most Fused Deposition Modeling (FDM) 3D printers.
Additionally, Aqua Gray 8K resin, which is utilized in SLA printing, stands out for its exceptional detailed reproduction and surface hardness, enabling the creation of highly detailed and precise jewelry designs. Meanwhile, SirayacTech pruple castable resin mimics the properties of metals after post-processing, catering to jewelry makers aiming to prototype designs resembling gold or silver before traditional casting methods. This selection showcases a thoughtful consideration of materials with properties aligned with the diverse requirements across the spectrum of jewelry making, encompassing prototyping, intricate detailing, and achieving final aesthetics in the realm of 3D printing. On one hand, the Phrozen Aqua Grey 4K [76] is the one selected due to its specially designed resin for high-resolution 3D printing, which is optimized for use with the new Sonic Mini 4K 3D printer. Its formulation ensures that designers can achieve exact replicas of their designs with minimal shrinkage and low odor emissions. Engineered for low shrinkage and high precision, this material minimizes distortion and maintains dimensional stability, making it ideal for printing precise parts. Its low viscosity and odor make printing and post-processing effortless.
On the other hand, The Castable Resin from Formlabs [77] is utilized for crafting highly detailed jewelry using the lost wax casting process. This resin is specifically formulated for this procedure, burning cleanly without leaving ashes or residue. It is an acrylic photopolymer, necessitating a different burnout than that of typical wax. Instead of melting at low temperatures, this resin transforms into gas. The recommended burnout cycle is meticulously designed to facilitate the gradual transition of Castable Resin into gas. This slow transition to a gaseous state minimizes the risk of coating cracking due to the rapid expansion of the printed piece.
Conversely, FDM technology has employed a broader range of polymeric or composite materials to create conceptual prototypes of 3D printed products because of the properties shown in Table 4.
Table 4.
Polymers’ properties.
Resin is engineered specifically to ensure minimal shrinkage and exceptional precision during the printing process. These resins excel in maintaining low warping and dimensional stability, particularly advantageous for creating intricate and accurate parts. Their low viscosity facilitates easy printing and post-processing, while their faint odor avoids any unpleasant scents in the printing environment. Additionally, the printed parts exhibit durability and resilience. Making resin rings is suitable for a wide array of industrial jewelry applications, showcasing their versatility and reliability in this field.
The choice of PLA, Polysmooth, Aqua Gray 8K resin, and castable SirayacTech purple resin for 3D printing in jewelry creation is based on their distinct properties presented in Table 4 and Table 5 tailored to different aspects of jewelry production.
Table 5.
Resin’s properties.
4.4. Manufacturing Process
Despite the printing method selected, the 3D design model is saved in a suitable file format, stereolithography (STL) in this case, which captures the geometry of the object. After a printer-readable file has been obtained, the transformation stage starts, translating the digital 3D model into instructions that the AM printer can understand and execute.
Additive Manufacturing techniques such as Fused Deposition Modeling (FDM) or stereolithography (SLA) have been employed to create this ring design accurately and efficiently. These methods allow for precise control over dimensions and a high level of customization.
Additional processing conditions that influence the printing results include the layer height, infill density, printing temperature, and post-processing techniques. Thinner layer heights produce smoother surfaces but increase printing time; higher infill density provides greater strength but increases material usage; proper printing temperature ensures optimal material flow and adhesion; and sanding, polishing, and other finishing techniques can enhance the ring’s surface quality and appearance.
Printing Process
Considering the material requirements and preferences, PLA and Polysmooth thermoplastics are selected for the FDM process due to their lightweight, affordability, and suitability for jewelry. For liquid resin-based 3D printing, a photopolymer resin, Aqua gray 8K, is selected to produce models with incredible detail. It is compatible with LCD technology and is chosen for its detailed and precise results. Also, SLA suits castable resin, and experimenting with this material, known for its high level of detail, excellent surface finish, and quicker curing cycle, can make jewelry makers interested in it.
Thermoplastics and thermosets have taken a leading role in the field of 3D printing, particularly in the context of accessible and widely used FDM systems [82]. as shown in Table 6 [73] due to the material selection: PLA and Polysmooth. FDM is selected as the printing method for both of them. Also, it has advantages such as printing speed and low cost. Therefore, the printer used is the Ender 3V2 [83]. For this process, the Ender 3V2 loads the selected PLA or Polysmooth material and precisely deposits layers of the material, one atop the other, to build the ring according to the digital model. This process continues until the entire ring is printed.
Table 6.
Parameters of the printing methods.
In the case of liquid resin 3D printing using LCD technology, PHROZEN SONIC MINI 4K uses a photopolymer resin vat. A UV light source selectively cures the resin layer by layer, solidifying it to create the 3D ring structure. This technique has been chosen due to the material behavior. Using LCD technology in resin-based 3D printing provides several benefits for working with photopolymer resins. The printer utilized to process the resin is PHROZEN SONIC MINI 4K, which produces highly detailed resin 3D printed parts, achieving precise 3D printing designs at 4K resolution, tailored to the specific dimensions of the model.
For both printing methods, the layer thickness is 50 ums, which results in finer layers being deposited, leading to smoother surfaces and higher detail resolution in the printed rings. Smaller layer thickness allows for more precise replication of intricate details present in the digital model, resulting in a more accurate representation of the final printed product.
For the SLA printing method, the settings are aligned closely with the recommended parameters for ideal results. With a layer height of 0.05 mm, a bottom layer count set to six layers ensures improved adhesion to the build platform. The exposure time is finely tuned to 1.5 s, which is suitable for LCD resins, while the bottom exposure time of 20 s facilitates adequate curing for the initial layers. Other nuanced settings, like light off delay and bottom light off delay, are both configured at 7 s, contributing to the printing precision. Additionally, the printer utilizes specific lifting distances, with a bottom lift distance of 6 mm and a lifting distance of 5 mm, while maintaining a consistent speed of 100 mm/min for the bottom lift and general lifting movements. The retraction speed stands at 150 mm/min, adhering to the default settings, unless specified otherwise, to ensure optimal printing conditions for various resin types and layer thicknesses.
For both printing scenarios, the average printing time is 1 h, 1 min, and 4 s.
4.5. Rings Postprocessing
In the case of the thermoplastics, the post-processing stage is performed using Polysher [84], a machine that, when combined with PolySmooth and, in this case, also with PLA, achieves the desired finish for every user of a 3D printer without any effort.
To obtain the final resin piece, it is necessary to process it through the ANYCUBIC WASH AND CURE 2.0 [85] for 4 min. This machine provides a dual-purpose solution for individuals using SLA, DLP, or LCD 3D printers. Serving as both a cleaning apparatus and a UV curing device, it enables users to conveniently place their completed models in a supplied container filled with resin cleaner. Subsequently, initiating the washing process becomes a straightforward task.
Photographs of the four printed and post-processed rings are shown in Figure 5, which capture their entirety and hold significant importance in material assessment. These detailed images serve a crucial role as they highlight the visual properties of each material and the imitation of metal appearances (specifically in the one made of castable resin), which are considered fundamental criteria during the selection of the input stage of the project. By showcasing the intricate details and resemblances to metal, these macro photos provide a comprehensive visual understanding of the materials’ aesthetic qualities, contributing significantly to the evaluation and analysis process.
Figure 5.
Printed and postprocessed rings (output).
4.6. Microscope Tests
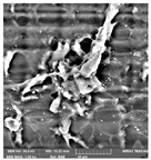
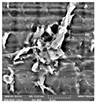
Analyzing the behavior of PLA, Polysmooth, and resin at each stage of the additive manufacturing process for the ring (input, transformation, and output) using a Scanning Electron Microscope (SEM) provides valuable insights into their microstructures and surface characteristics. After cutting a small piece of each material throughout the ITO process to obtain a sample, it is processed using SEM imaging of 200, 500, 1000, and 2000 magnifications to examine the surface morphology and microstructure of the filaments, the ring processed, and the ring after postprocessing.
4.6.1. PLA
As can be seen in Table 7, with regards to the input at 200× magnification, the SEM provides a low to moderate level of detail. The surface of the PLA filament appears relatively smooth, with a glossy texture. Microscopic irregularities such as surface scratches or imperfections become visible. The material’s overall structure, which includes graininess, can be observed. Increasing the magnification to 500× allows for a more detailed examination. Surface imperfections, such as scratches and irregularities, become more pronounced. At 1000× magnification, the SEM provides a high level of detail, revealing that the changes are not quite significant.
Table 7.
PLA SEM Testing.
On the other hand, due to the material behavior in the SEM testing of the processed material, the surface of 100× PLA appears relatively featureless and smooth, lacking clear microstructural details. The material’s behavior under the electron beam is such that it does not reveal significant surface characteristics at this level of magnification. At 500×, the PLA material remains relatively unremarkable, showing a uniform surface texture with a lot of defects. The layer lines or deposition patterns from FDM printing are not even visible. Unfortunately, at 1000× and 2000×, the cloudy patterns persist, obscuring finer details of the ring’s surface.
Surface imperfections and scratches appear prominently in the output or final product, and their depths and dimensions can be measured more precisely. The layered structure of the PLA is now visible, showing the individual filament lines or deposition patterns. Very small features like fine scratches, cracks, or the presence of micro-porosity become evident. Micro-porosity can develop at the interfaces between layers in the PLA structure during the FDM process. SEM can reveal these microscopic voids between layers, showing a more complex surface morphology, with a semi-layered structure and evidence of melt flow. Some defects, such as pores and voids, are visible, but they are relatively small and isolated.
The raw PLA material appears to be highly crystalline, with a well-defined grain structure. This is likely due to the extrusion process used to produce the PLA filament. The printed ring shows evidence of melt flow, with the PLA material aligned in the direction of printing. This is likely due to the shear forces and thermal gradients experienced during the 3D printing process. The post-processed ring shows a more uniform surface morphology, with the layers being less distinct and the pores and voids being significantly reduced. This is likely due to the melting and reflow of the PLA material during the post-processing step.
4.6.2. Polysmooth
At 200× the surface of the PolySmooth filament (input) appears smooth, as shown in Table 8, with a glossy texture. Microscopic irregularities such as surface imperfections are also visible. The SEM images appear cloudy and lack the clarity usually expected due to the material’s behavior. Polysmooth is a PLA-based material with a special coating that allows for vapor smoothing. This coating may interfere with the SEM imaging process, resulting in the observed cloudiness.
Table 8.
Polysmooth SEM Testing.
At 100×, the overall structure of the ring piece (transformation) can be observed. The layer lines or deposition patterns from FDM printing are relatively visible. Macroscopic imperfections, such as surface irregularities or layer bonding issues, can be identified. The overall structure of the filament, which includes visible layers or graininess, can be observed. At 500× magnification, surface imperfections are more pronounced and can be examined in greater detail. Layered structures, often characteristic of 3D-printed objects, become visible, showing the individual filament lines or deposition patterns. At 1000 and 2000× magnification, surface imperfections, scratches, or defects appear prominently, allowing for precise measurement and characterization. If 3D printed, the layered structure is highly visible, showcasing the intricate deposition patterns. SEM may still show some micro-voids between layers but potentially fewer than untreated PLA.
Polysmooth’s output stage shows a potentially smoother surface due to vapor smoothing. SEM analysis can assess the effectiveness of layer bonding in Polysmooth objects. Vapor smoothing can improve layer adhesion and reduce the visibility of seams.
4.6.3. Non-Castable Resin
Scanning Electron Microscopes (SEMs) cannot process liquids directly due to their high-vacuum environment, which causes liquid samples to evaporate, disrupts the vacuum, and leads to charging issues due to poor conductivity. This is why the raw material (liquid) resin could not be processed, as shown in Table 9.
Table 9.
Non-castable resin SEM testing.
Unlike Fused Deposition Modeling (FDM), where layer lines are more pronounced, resin-based 3D printing produces minimal to nearly invisible layer lines. The SEM images during this stage showcase the remarkable smoothness and continuity of each layer.
Resin-printed rings typically exhibit a smooth and continuous surface at the output stage. Layer lines are almost invisible or extremely fine due to the liquid resin curing process. In resin-based 3D printing, the layers are fused seamlessly during the curing process. SEM analysis shows excellent layer adhesion and minimal separation between the layers.
Resin-based printing typically produces objects with minimal inherent porosity between the layers. SEM images may show very few micro-pores within the resin structure.
After manufacturing, it is essential to inspect the ring for any imperfections, ensuring that it meets the specified weight and size requirements.
4.6.4. Castable Resin
The processed castable resin appears to be a continuous material with barely any visible defects. Its surface has a slightly rough texture but is consistent, lacking any visible holes or gaps. The overall structure of the material is uniform. On the other hand, the post-processed castable resin appears to be even smoother and more uniform than the processed castable resin. The surface is highly polished and has a high degree of gloss. The structure of the material is still uniform, but the graininess or crystallinity is less noticeable.
The SEM examinationin (Table 10) indicates a notable enhancement in the surface quality of the castable resin following post-processing. Through polishing, this step effectively eradicates any lingering imperfections on the resin’s surface, resulting in a sleek, glossy finish. Furthermore, post-processing seems to diminish the material’s graininess or crystalline aspects, lending it a more consistent look.
Table 10.
Castable resin SEM testing.
In essence, the SEM findings strongly advocate the significance of post-processing in the castable resin manufacturing process. By refining and polishing the resin surface, post-processing significantly elevates the final product’s appearance and quality.
The processed castable resin demonstrates a robust bond with the underlying material, likely due to the resin’s strong adhesion to the substrate. In contrast, the post-processed sample boasts a lavish appearance due to its pronounced glossiness. Moreover, the post-processed ring displays heightened resistance against scratches and other damage compared to its processed counterpart, largely attributed to its smoother and more uniform surface.
5. Discussion
Traditional jewelry manufacturing relies on manual techniques involving materials like wax or silicone rubber for creating molds and models. Craftsmen carve intricate wax models or prepare silicone molds by hand, followed by a meticulous process of casting, cooling, and manual finishing involving sanding and polishing. This method limits flexibility once the model is cast, and the alterations are challenging. In contrast, additive manufacturing, characterized by 3D printing, uses diverse materials such as resins, polymers, and metals. It employs 3D modeling software for digital design, enabling intricate and customizable designs with virtual inspections prior to printing. This process, known for its efficiency, involves printing, curing, and post-processing steps like cleaning and finishing. At the same time, it reduces waste due to precise material usage, making it increasingly favored for its speed, complexity in design, and personalized approach to jewelry production, which makes AM profitable.
The selection of a technique to acquire a 3D design relies on personal abilities, inclinations, and the intricacy of the intended design. Crafting designs from the ground up grants full artistic authority, whereas online repositories offer an extensive array of pre-made designs. Independent 3D designers excel at managing intricate assignments, whereas the potential of AI-driven tools holds promise for generating 3D models based on basic descriptions. Additionally, transforming 2D designs into 3D models is beneficial for duplicating already-existing items.
Various materials, such as PLA, Polysmooth, resin, and castable resin, were evaluated in the creation of prototypes and trends for final products. However, the use of PLA is less common due to the finishing conditions it generates, as shown in Table 3. Concerning Polysmooth, attempts to improve the surface conditions through post-processing were noted, yet visible layers persisted, as shown in Table 5, when studied with SEM in the different stages of the ITO process, limiting its application in jewelry, where a more refined finish is sought.
On another note, the resin is currently in use in the jewelry industry, serving as a more suitable reference for industrial applications within the jewelry sector, allowing for a more direct melting of the final product. The non-castable variant is employed to create molds in silicone or rubber, particularly for large-scale productions. In contrast, the castable resin generates the mold and additionally offers the advantage of being directly melted, thereby reducing the steps in the production process. It is worth noting that this latter process generates a single highly customized final product.
The implications derived from these results emphasize the significance of AM in pushing the boundaries of creativity, precision, and customization within the jewelry sector. The study’s focus on the Input-Transformation-Output (ITO) process underscores the importance of each stage, corroborating previous findings that highlight the pivotal role of digital design conversion and machine guidance in achieving the desired final product attributes.
Both the traditional and additive methods have their own advantages and disadvantages. Traditional methods require more machinery and tools. Additive methods are more efficient in terms of machinery, post-processing methods, and tools; they are more versatile and can be used to create more complex designs. The Additive Method (castable) is the most efficient method overall, but the Traditional Methods are sometimes more commonly used. Jewelry makers should implement additive manufacturing in their processes to enhance design flexibility, reduce production time and costs, and enable customization. Combining additive and traditional methods offers further advantages, allowing jewelry makers to create complex designs, custom molds, and unique pieces that combine the strengths of both methods. The optimal approach depends on the specific project requirements and the jeweler’s expertise and resources.
Overall, the SEM analysis results provide valuable insights into the impact of the 3D printing process and post-processing on the surface morphology of 3D-printed rings. For instance, a detailed understanding of the surface roughness, texture, and distribution of surface treatments or coatings allows for the evaluation of surface finishing techniques and their impact on the ring’s appearance and functionality. This information can be used to optimize the manufacturing process and produce high-quality products with the desired surface quality.
Furthermore, there might be unexplored areas concerning process optimization, such as identifying more effective methods for material post-processing or seeking new materials that better suit the specific demands of jewelry manufacturing through 3D printing. These gaps in the study could signal opportunities for future research and development in this field, aiming to enhance the quality, efficiency, and versatility of 3D printing in the jewelry industry.
6. Conclusions
This research article significantly contributes to the field by delving into the transformative potential of additive manufacturing (AM) within the jewelry industry, with a specific focus on materials like PLA, PolySmooth, and resin to create intricate rings. It offers a comprehensive exploration of how AM is reshaping the jewelry industry, providing a level of design flexibility and intricate detailing that traditional manufacturing methods often struggle to achieve. This in-depth analysis stands as a valuable contribution, shedding light on the paradigm shift that AM is bringing to jewelry production.
The study encompasses an in-depth analysis of various facets of AM, including material properties like PLA, PolySmooth, and two types of resin, the role of Scanning Electron Microscope (SEM), CAD designs, post-processing techniques, and the implications of the Input-Transformation-Output (ITO) process.
Throughout this exploration, we have delved into the advancements achieved in AM technologies, highlighting the unique attributes of PLA, PolySmooth, and resin, all of which are discussed through the ITO process, emphasizing their relevance in the jewelry-making process. These materials have showcased their prowess in the creation of both prototypes and finalized rings. Furthermore, we examined the crucial role of SEM in understanding material behavior at the micro level, thereby providing invaluable insights for optimizing designs. The CAD design stage has emerged as the foundational step, allowing for a precise digital representation before the physical production process. Additionally, we explored the advantages of AM over traditional manufacturing, including design freedom, reduced waste, and faster production. Different printers and post-processing techniques were analyzed, shedding light on the diverse options available to enhance the quality and aesthetics of the final products.
The significance of this research lies in the comprehensive understanding of additive manufacturing within the jewelry industry. By analyzing the materials, SEM behavior, CAD designs, printers, post-processing, and the ITO process, we have uncovered the transformative power of AM. This technology offers unparalleled design freedom, cost efficiency, and sustainability compared to traditional manufacturing methods. Moreover, SEM provides invaluable insights into material behavior, enabling further optimization. The ITO process presents a strategic approach for the effective implementation of AM, ensuring enhanced efficiency and productivity. These findings hold immense relevance for the industry, emphasizing the need for continued exploration and integration of AM, promising a future where it reshapes how jewelry is designed, manufactured, and experienced.
Overall, this research equips researchers and entrepreneurs with the critical knowledge required to advance AM applications in the jewelry industry. It envisions a potential revolution in how jewelry is conceptualized, manufactured, and experienced, offering a promising future for the integration of AM technologies.
Author Contributions
Conceptualization, J.N.R.; Methodology, C.R. and A.O.B.; Validation, J.N.R. and A.O.B.; Formal analysis, C.R. and J.N.R.; Investigation, J.N.R.; Data curation, J.N.R.; Writing—original draft, C.R. All authors have read and agreed to the published version of the manuscript.
Funding
This research received no external funding.
Data Availability Statement
Data is contained within the article.
Conflicts of Interest
The authors declare no conflict of interest.
References
- Klotz, U.E.; Tiberto, D.; Held, F. Optimization of 18-karat yellow gold alloys for the additive manufacturing of jewelry and watch parts. Gold Bull. 2017, 50, 111–121. [Google Scholar] [CrossRef]
- Cooper, F. Sintering and additive manufacturing: Additive manufacturing and the new paradigm for the jewellery manufacturer. Prog. Addit. Manuf. 2016, 1, 29–43. [Google Scholar] [CrossRef]
- Bourell, D.; Kruth, J.P.; Leu, M.; Levy, G.; Rosen, D.; Beese, A.M.; Clare, A. Materials for additive manufacturing. CIRP Ann. Manuf. Technol. 2017, 66, 659–681. [Google Scholar] [CrossRef]
- Derakhshanfar, S.; Mbeleck, R.; Xu, K.; Zhang, X.; Zhong, W.; Xing, M. 3D bioprinting for biomedical devices and tissue engineering: A review of recent trends and advances. Bioact. Mater. 2018, 3, 144–156. [Google Scholar] [CrossRef]
- Buswell, R.A.; De Silva, W.R.L.; Jones, S.Z.; Dirrenberger, J. 3D printing using concrete extrusion: A roadmap for research. Cem. Concr. Res. 2018, 112, 37–49. [Google Scholar] [CrossRef]
- Ligon, S.C.; Liska, R.; Stampfl, J.; Gurr, M.; Mülhaupt, R. Polymers for 3D Printing and Customized Additive Manufacturing. Chem. Rev. 2017, 117, 10212–10290. [Google Scholar] [CrossRef]
- Strano, G.; Hao, L.; Everson, R.M.; Evans, K.E. Surface roughness analysis, modelling and prediction in selective laser melting. J. Mater. Process. Technol. 2013, 213, 589–597. [Google Scholar] [CrossRef]
- Chua, C.K.; Leong, K.F.; Lim, C.S. Rapid Prototyping: Principles and Applications, 3rd ed.; Emerald Group Publishing Limited: Bingley, UK, 2010; pp. 1–512. Available online: https://www.amazon.co.jp/-/en/Chee-Kai-Chua-ebook/dp/B0058BNMDS (accessed on 26 July 2023).
- Hopkinson, N.; Hague, R.; Dickens, P. Rapid Manufacturing: An Industrial Revolution for the Digital Age; Wiley: Hoboken, NJ, USA, 2005; p. 304. Available online: https://www.wiley.com/en-us/Rapid+Manufacturing%3A+An+Industrial+Revolution+for+the+Digital+Age-p-9780470016138 (accessed on 26 July 2023).
- Legutko, S. Additive techniques of manufacturing functional products from metal materials. IOP Conf. Series Mater. Sci. Eng. 2018, 393, 012003. [Google Scholar] [CrossRef]
- Xiao, Y.-Q.; Kan, C.-W. Review on Development and Application of 3D-Printing Technology in Textile and Fashion Design. Coatings 2022, 12, 267. [Google Scholar] [CrossRef]
- Lang, A.; Segonds, F.; Jean, C.; Gazo, C.; Guegan, J.; Buisine, S.; Mantelet, F. Augmented Design with Additive Manufacturing Methodology: Tangible Object-Based Method to Enhance Creativity in Design for Additive Manufacturing. 3D Print. Addit. Manuf. 2021, 8, 281–292. [Google Scholar] [CrossRef]
- Yap, Y.L.; Yeong, W.Y. Additive manufacture of fashion and jewellery products: A mini review: This paper provides an insight into the future of 3D printing industries for fashion and jewellery products. Virtual Phys. Prototyp. 2014, 9, 195–201. [Google Scholar] [CrossRef]
- Novoa, C.; Flores, A. Proceedings of the 30th Annual International Solid Freeform Fabrication Symposium—An Additive Manufacturing Conference, 12–14 August 2019, the University of Texas at Austin, Austin, Texas, USA; University of Texas at Austin: Austin, TX, USA, 2019. [Google Scholar]
- Liu, Y.; Sing, S.L. A review of advances in additive manufacturing and the integration of high-performance polymers, alloys, and their composites. Mater. Sci. Addit. Manuf. 2023, 2, 1587. [Google Scholar] [CrossRef]
- Wong, K.V.; Hernandez, A. A Review of Additive Manufacturing. ISRN Mech. Eng. 2012, 2012, 208760. [Google Scholar] [CrossRef]
- Mallikarjuna, B.; Bhargav, P.; Hiremath, S.; Jayachristiyan, K.G.; Jayanth, N. A review on the melt extrusion-based fused deposition modeling (FDM): Background, materials, process parameters and military applications. Int. J. Interact. Des. Manuf. 2023, 1–15. [Google Scholar] [CrossRef]
- Sahasrabudhe, H.; Bose, S.; Bandyopadhyay, A. Laser-Based Additive Manufacturing Processes. In Advances in Laser Materials Processing: Technology, Research and Applications; Elsevier: Amsterdam, The Netherlands, 2017; pp. 507–539. [Google Scholar] [CrossRef]
- Martin, J.H.; Yahata, B.D.; Hundley, J.M.; Mayer, J.A.; Schaedler, T.A.; Pollock, T.M. 3D printing of high-strength aluminium alloys. Nature 2017, 549, 365–369. [Google Scholar] [CrossRef]
- Minetola, P.; Iuliano, L. The reverse guillotine tribometer for evaluation of sliding wear of additive manufactured fixtures. Rapid Prototyp. J. 2014, 20, 105–114. [Google Scholar] [CrossRef]
- Dickson, A.N.; Barry, J.N.; McDonnell, K.A.; Dowling, D.P. Fabrication of continuous carbon, glass and Kevlar fibre reinforced polymer composites using additive manufacturing. Addit. Manuf. 2017, 16, 146–152. [Google Scholar] [CrossRef]
- Visser, C.W.; Pohl, R.; Sun, C.; Römer, G.; Veld, B.H.I.; Lohse, D. Toward 3D Printing of Pure Metals by Laser-Induced Forward Transfer. Adv. Mater. 2015, 27, 4087–4092. [Google Scholar] [CrossRef]
- Wu, S.-Y.; Yang, C.; Hsu, W.; Lin, L. 3D-printed microelectronics for integrated circuitry and passive wireless sensors. Microsyst. Nanoeng. 2015, 1, 15013. [Google Scholar] [CrossRef]
- Zhu, Y.; Zou, J.; Chen, X.; Yang, H. Tribology of selective laser melting processed parts: Stainless steel 316 L under lubricated conditions. Wear 2016, 350–351, 46–55. [Google Scholar] [CrossRef]
- Sulaiman, T.A. Materials in digital dentistry—A review. J. Esthet. Restor. Dent. 2020, 32, 171–181. [Google Scholar] [CrossRef] [PubMed]
- Moon, S.K.; Tan, Y.E.; Hwang, J.; Yoon, Y.-J. Application of 3D printing technology for designing light-weight unmanned aerial vehicle wing structures. Int. J. Precis. Eng. Manuf. Green Technol. 2014, 1, 223–228. [Google Scholar] [CrossRef]
- Ngo, T.D.; Kashani, A.; Imbalzano, G.; Nguyen, K.T.Q.; Hui, D. Additive Manufacturing (3D Printing): A Review of Materials, Methods, Applications and Challenges. Compos. Part B Eng. 2018, 143, 172–196. [Google Scholar] [CrossRef]
- Chowdhury, M.R.; Steffes, J.; Huey, B.D.; McCutcheon, J.R. 3D printed polyamide membranes for desalination. Science 2018, 361, 682–686. [Google Scholar] [CrossRef] [PubMed]
- Harun, W.S.W.; Kamariah, M.S.I.N.; Muhamad, N.; Ghani, S.A.C.; Ahmad, F.; Mohamed, Z. A review of powder additive manufacturing processes for metallic biomaterials. Powder Technol. 2018, 327, 128–151. [Google Scholar] [CrossRef]
- Khairallah, S.A.; Anderson, A.T.; Rubenchik, A.; King, W.E. Laser powder-bed fusion additive manufacturing: Physics of complex melt flow and formation mechanisms of pores, spatter, and denudation zones. Acta Mater. 2016, 108, 36–45. [Google Scholar] [CrossRef]
- Zhang, Y.; Jarosinski, W.; Jung, Y.G.; Zhang, J. Additive manufacturing processes and equipment. In Additive Manufacturing: Materials, Processes, Quantifications and Applications; Elsevier Science & Technology: Saint Louis, MO, USA, 2018; pp. 39–51. [Google Scholar] [CrossRef]
- DebRoy, T.; Wei, H.L.; Zuback, J.S.; Mukherjee, T.; Elmer, J.W.; Milewski, J.O.; Beese, A.M.; Wilson-Heid, A.; De, A.; Zhang, W. Additive manufacturing of metallic components–Process, structure and properties. Prog. Mater. Sci. 2018, 92, 112–224. [Google Scholar] [CrossRef]
- Gibson, I.; Rosen, D.; Stucker, B. Additive Manufacturing Technologies: 3D Printing, Rapid Prototyping, and Direct Digital Manufacturing, 2nd ed.; Springer: New York, NY, USA, 2015; pp. 1–498. [Google Scholar] [CrossRef]
- Parandoush, P.; Lin, D. A review on additive manufacturing of polymer-fiber composites. Compos. Struct. 2017, 182, 36–53. [Google Scholar] [CrossRef]
- Zhai, X.; Jin, L.; Jiang, J. A survey of additive manufacturing reviews. Mater. Sci. Addit. Manuf. 2022, 1, 21. [Google Scholar] [CrossRef]
- Bhushan, B.; Caspers, M. An overview of additive manufacturing (3D printing) for microfabrication. Microsyst. Technol. 2017, 23, 1117–1124. [Google Scholar] [CrossRef]
- Chua, C.; Feng, C.; Lee, C.; Ang, G. Rapid investment casting: Direct and indirect approaches via model maker II. Int. J. Adv. Manuf. Technol. 2005, 25, 26–32. [Google Scholar] [CrossRef]
- Hassan, H. Evaluation of Sand Casting Patterns and Tooling Produced by Fused Deposition Modeling. 2023. Available online: https://aaltodoc.aalto.fi:443/handle/123456789/123158 (accessed on 18 November 2023).
- Golani, A. Technological Observations on Two-Part Stone Jewelry-Casting Molds of the Late Bronze Age in the Near East. J. East. Mediterr. Archaeol. Herit. Stud. 2019, 7, 44–62. [Google Scholar] [CrossRef]
- Wang, X.; Jiang, M.; Zhou, Z.; Gou, J.; Hui, D. 3D printing of polymer matrix composites: A review and prospective. Compos. B Eng. 2017, 110, 442–458. [Google Scholar] [CrossRef]
- Fraile Narvaez, M. El diseño computacional. An. Investig. Arquit. 2022, 12. [Google Scholar] [CrossRef]
- Wohlers, T.W.A. Wohlers report 2017: 3D Printing and Additive Manufacturing State of the Industry: Annual Worldwide Progress Report. Available online: https://cir.nii.ac.jp/crid/1130282269773835776 (accessed on 6 August 2023).
- Bai, Y.; Williams, C.B. An exploration of binder jetting of copper. Rapid Prototyp. J. 2015, 21, 177–185. [Google Scholar] [CrossRef]
- Herzog, D.; Seyda, V.; Wycisk, E.; Emmelmann, C. Additive manufacturing of metals. Acta Mater. 2016, 117, 371–392. [Google Scholar] [CrossRef]
- Brice, C.; Shenoy, R.; Kral, M.; Buchannan, K. Precipitation behavior of aluminum alloy 2139 fabricated using additive manufacturing. Mater. Sci. Eng. A 2015, 648, 9–14. [Google Scholar] [CrossRef]
- Travitzky, N.; Bonet, A.; Dermeik, B.; Fey, T.; Filbert-Demut, I.; Schlier, L.; Schlordt, T.; Greil, P. Additive Manufacturing of Ceramic-Based Materials. Adv. Eng. Mater. 2014, 16, 729–754. [Google Scholar] [CrossRef]
- Nervous System Design Studio. Porifera—3D Printed Ceramic Jewelry.|Formlabs. Available online: https://formlabs.com/blog/nervous-system-developing-3d-printed-ceramic-jewelry/ (accessed on 7 November 2023).
- Inside Nervous System’s 3D Printed Ceramic Jewelry|Formlabs. Available online: https://formlabs.com/blog/nervous-system-developing-3d-printed-ceramic-jewelry/ (accessed on 11 August 2023).
- Rouf, S.; Raina, A.; Haq, M.I.U.; Naveed, N.; Jeganmohan, S.; Kichloo, A.F. 3D printed parts and mechanical properties: Influencing parameters, sustainability aspects, global market scenario, challenges and applications. Adv. Ind. Eng. Polym. Res. 2022, 5, 143–158. [Google Scholar] [CrossRef]
- Abisuga, O.A.; Doran, K.; de Beer, D. Study of Investment Casting Process For 3D Printed Jewellery Design. MATEC Web Conf. 2022, 370, 04002. [Google Scholar] [CrossRef]
- Fang, E.H.C.; Kumar, S. The Trends and Challenges of 3D Printing. In Advanced Methodologies and Technologies in Engineering and Environmental Science; IGI Global: Hershey, PA, USA, 2019; pp. 415–423. [Google Scholar] [CrossRef]
- Isaac, C.W.; Duddeck, F. Current trends in additively manufactured (3D printed) energy absorbing structures for crashworthiness application—A review. Virtual Phys. Prototyp. 2022, 17, 1058–1101. [Google Scholar] [CrossRef]
- Shahrubudin, N.; Lee, T.; Ramlan, R. An Overview on 3D Printing Technology: Technological, Materials, and Applications. Procedia Manuf. 2019, 35, 1286–1296. [Google Scholar] [CrossRef]
- Albu, S.C. Development on the production of a new type of extruder used in additive manufacturing, FDM technology. Procedia Manuf. 2018, 22, 141–146. [Google Scholar] [CrossRef]
- George, M.; Aroom, K.R.; Hawes, H.G.; Gill, B.S.; Love, J. 3D Printed Surgical Instruments: The Design and Fabrication Process. World J. Surg. 2017, 41, 314–319. [Google Scholar] [CrossRef]
- Sugavaneswaran, M.; Arumaikkannu, G. Modelling for randomly oriented multi material additive manufacturing component and its fabrication. Mater. Des. 2014, 54, 779–785. [Google Scholar] [CrossRef]
- Walachowicz, F.; Bernsdorf, I.; Papenfuss, U.; Zeller, C.; Graichen, A.; Navrotsky, V.; Rajvanshi, N.; Kiener, C. Comparative Energy, Resource and Recycling Lifecycle Analysis of the Industrial Repair Process of Gas Turbine Burners Using Conventional Machining and Additive Manufacturing. J. Ind. Ecol. 2017, 21, S203–S215. [Google Scholar] [CrossRef]
- Bertacchini, F.; Bilotta, E.; Demarco, F.; Pantano, P.; Scuro, C. Multi-objective optimization and rapid prototyping for jewelry industry: Methodologies and case studies. Int. J. Adv. Manuf. Technol. 2021, 112, 2943–2959. [Google Scholar] [CrossRef]
- Piedra-Cascón, W.; Krishnamurthy, V.R.; Att, W.; Revilla-León, M. 3D printing parameters, supporting structures, slicing, and post-processing procedures of vat-polymerization additive manufacturing technologies: A narrative review. J. Dent. 2021, 109, 103630. [Google Scholar] [CrossRef]
- Yang, C.-J.; Wu, S.-S. Sustainable Manufacturing Decisions through the Optimization of Printing Parameters in 3D Printing. Appl. Sci. 2022, 12, 10060. [Google Scholar] [CrossRef]
- Ionita, C.N.; Mokin, M.; Varble, N.; Bednarek, D.R.; Xiang, J.; Snyder, K.V.; Siddiqui, A.H.; Levy, E.I.; Meng, H.; Rudin, S. Challenges and limitations of patient-specific vascular phantom fabrication using 3D Polyjet printing. In Medical Imaging 2014: Biomedical Applications in Molecular, Structural, and Functional Imaging; International Society for Optics and Photonics: Bellingham, WA, USA, 2014; Volume 9038, pp. 164–175. [Google Scholar] [CrossRef]
- Parteli, E.J.; Pöschel, T. Particle-based simulation of powder application in additive manufacturing. Powder Technol. 2016, 288, 96–102. [Google Scholar] [CrossRef]
- Lakkala, P.; Munnangi, S.R.; Bandari, S.; Repka, M. Additive manufacturing technologies with emphasis on stereolithography 3D printing in pharmaceutical and medical applications: A review. Int. J. Pharm. X 2023, 5, 100159. [Google Scholar] [CrossRef] [PubMed]
- ASME. #3—A.S.M.E. Standard Operation and Flow Process Charts, … 1947 c.2.—Full View|HathiTrust Digital Library. Available online: https://babel.hathitrust.org/cgi/pt?id=mdp.39015039876274&seq=3 (accessed on 15 August 2023).
- Achillas, C.; Tzetzis, D.; Raimondo, M.O. Alternative production strategies based on the comparison of additive and traditional manufacturing technologies. Int. J. Prod. Res. 2017, 55, 3497–3509. [Google Scholar] [CrossRef]
- Lee, L.; Burnett, A.M.; Panos, J.G.; Paudel, P.; Keys, D.; Ansari, H.M.; Yu, M. 3-D printed spectacles: Potential, challenges and the future. Clin. Exp. Optom. 2020, 103, 590–596. [Google Scholar] [CrossRef] [PubMed]
- Rodríguez-Panes, A.; Claver, J.; Camacho, A.M. The Influence of Manufacturing Parameters on the Mechanical Behaviour of PLA and ABS Pieces Manufactured by FDM: A Comparative Analysis. Materials 2018, 11, 1333. [Google Scholar] [CrossRef]
- Chaudhary, R.P.; Parameswaran, C.; Idrees, M.; Rasaki, A.S.; Liu, C.; Chen, Z.; Colombo, P. Additive manufacturing of polymer-derived ceramics: Materials, technologies, properties and potential applications. Prog. Mater. Sci. 2022, 128, 100969. [Google Scholar] [CrossRef]
- ELEGOO. 3D Printed Jewelry: An Overview—ELEGOO Official. Available online: https://www.elegoo.com/en-fr/blogs/3d-printing-projects/jewelry (accessed on 11 August 2023).
- Susan Swapp. Scanning Electron Microscopy (SEM). Available online: https://serc.carleton.edu/research_education/geochemsheets/techniques/SEM.html (accessed on 14 August 2023).
- Goldstein, J.I.; Newbury, D.E.; Echlin, P.; Joy, D.C.; Lyman, C.E.; Lifshin, E.; Sawyer, L.; Michael, J.R. Quantitative X-ray Analysis: The Basics. In Scanning Electron Microscopy and X-ray Microanalysis; Springer: Berlin/Heidelberg, Germany, 2003; pp. 391–451. [Google Scholar] [CrossRef]
- Ring-Terms, Materials y Jewelry Techniques. Available online: https://www.711grados.com/en/ring/ (accessed on 14 August 2023).
- Archivo STL Gratis Anillo—Hexágonos·Diseño por Impresión en 3D para Descargar·Cults. Available online: https://cults3d.com/es/modelo-3d/joyas/ring-hexagons (accessed on 20 September 2023).
- Polymaker. PolyLiteTM PLA. Available online: https://us.polymaker.com/products/polylite-pla (accessed on 14 August 2023).
- Polymaker. PolySmoothTM. Available online: https://us.polymaker.com/products/polysmooth (accessed on 14 August 2023).
- Phrozen. Phrozen Pro Series Model Resin Aqua Gray 1KG: Buy or Lease at Top3DShop. Available online: https://top3dshop.com/product/phrozen-pro-series-model-resin-aqua-gray-1kg (accessed on 14 August 2023).
- Uso de la Castable Resin. Available online: https://support.formlabs.com/s/article/Using-Castable-Resin?language=es (accessed on 18 November 2023).
- PolyMaxTM PLA—Polymaker. Available online: https://polymaker.com/product/polymax-pla/ (accessed on 18 November 2023).
- PolySmoothTM—Polymaker. Available online: https://polymaker.com/product/polysmooth/ (accessed on 18 November 2023).
- Phrozen Aqua 8K 3D Printer Resin|Phrozen Technology: Resin 3D Printer Manufacturer. Available online: https://phrozen3d.com/products/aqua-8k-resin#specs (accessed on 18 November 2023).
- Castable Dental & Jewelry Resin|Phrozen|Phrozen Technology: Resin 3D Printer Manufacturer. Available online: https://phrozen3d.com/products/castable-resin#specs (accessed on 18 November 2023).
- Karakurt, I.; Lin, L. 3D printing technologies: Techniques, materials, and post-processing. Curr. Opin. Chem. Eng. 2020, 28, 134–143. [Google Scholar] [CrossRef]
- Creality. Ender-3 V2 3D Printer. Available online: https://www.creality.com/products/ender-3-v2-3d-printer-csco (accessed on 15 August 2023).
- Polymaker. PolySher|Filament2Print. Available online: https://filament2print.com/es/post-procesado/835-polysher.html (accessed on 15 August 2023).
- Anycubic. Anycubic Wash & Cure Machine 2.0—ANYCUBIC-US. Available online: https://www.anycubic.com/products/wash-cure-machine-2-0 (accessed on 15 August 2023).
Disclaimer/Publisher’s Note: The statements, opinions and data contained in all publications are solely those of the individual author(s) and contributor(s) and not of MDPI and/or the editor(s). MDPI and/or the editor(s) disclaim responsibility for any injury to people or property resulting from any ideas, methods, instructions or products referred to in the content. |
© 2023 by the authors. Licensee MDPI, Basel, Switzerland. This article is an open access article distributed under the terms and conditions of the Creative Commons Attribution (CC BY) license (https://creativecommons.org/licenses/by/4.0/).





































