Next Article in Journal
Synthesis and Crystal Structure of Chlorido-Bridged Binuclear Copper(I) Complexes with Carbodithioate-Type Ligands
Next Article in Special Issue
Temperature Modeling of AZ31B Alloy Plate during open-Roller Conveying Process Considering Air-Cooling Characteristics
Previous Article in Journal
Ginzburg–Landau Analysis on the Physical Properties of the Kagome Superconductor CsV3Sb5
Previous Article in Special Issue
Towards Binder Jetting and Sintering of AZ91 Magnesium Powder
 
 
Font Type:
Arial Georgia Verdana
Font Size:
Aa Aa Aa
Line Spacing:
Column Width:
Background:
Article

Mechanism of Plastic Deformation of As-Extruded AZ31 Mg Alloy during Uniaxial Compression

1
School of Applied Science, Taiyuan University of Science and Technology, Taiyuan 030024, China
2
School of Materials Science and Engineering, Taiyuan University of Science and Technology, Taiyuan 030024, China
*
Author to whom correspondence should be addressed.
Crystals 2023, 13(2), 320; https://doi.org/10.3390/cryst13020320
Submission received: 13 January 2023 / Revised: 5 February 2023 / Accepted: 6 February 2023 / Published: 15 February 2023
(This article belongs to the Special Issue State-of-the-Art Magnesium Alloys)

Abstract

The deformation mechanism and texture evolution of AZ31 Mg alloy compressed in three different directions at room temperature were studied, and the relationship between the two was compared through experiments and viscoplastic self-consistent (VPSC) modeling. Setting up only one specific deformation mode was the predominant mechanism by changing the CRSS ratio for the different deformation modes. The following conclusions were drawn: (1) It was demonstrated that basal slip causes a slow and continuous deflection of the grain toward the transverse direction (TD). When the sample is compressed in the extruded direction (ED), prismatic slip leads to grains being deflected toward the ED in the initial stages of compression, and when the sample is compressed 45° to the extrusion direction (45ED) and perpendicular to the extrusion direction (PED), prismatic <a> slip contributes little to the texture evolution. (2) When the sample is compressed along three different directions, pyramidal <c+a> slip leads to the grain being deflected toward the normal direction (ND), and the {10-12} extension twin deflects the grain at a large angle. (3) When only the {10-11} compression twin is activated, the grain will be deflected in the ND while the sample is compressed along the ED and 45ED, but when the sample is compressed in the PED, the grains are concentrated from both sides of the ED to the center.

1. Introduction

Magnesium alloys are widely used, due to their low density and high strength, in transportation, electronic industry, military, and other fields [1,2,3,4]. Especially in aerospace, rail transit, electronic products, biomedical, architectural decoration and other fields, they have broad application prospects and have become one of the future new material development directions. Since magnesium is hexagonal close-packed (HCP), the symmetry is low, and its independent slip system is lessened at room temperature [5]. It is necessary to coordinate the plastic deformation of the magnesium alloy in the c-axis direction, so the magnesium alloy deformation process is more complicated. At the same time, different deformation mechanisms lead to different texture evolution and strain-hardening behavior [6]. Therefore, studying the relationship between the deformation mechanism, texture evolution, and mechanical properties of magnesium alloy under uniaxial compression is conducive to the wide application of magnesium alloy.
The dense hexagonal structure of magnesium alloy leads to less independent slip system, structural symmetry is low, and twins are polar; as a result, the texture of the base surface is strong, and the ductility and formability are poor. Therefore, its deformation has strong anisotropy and tensile–compression asymmetry [7,8,9,10,11,12,13,14].
The VPSC proposed by Lebensohn and Tomé [15] was successfully applied to the large deformation and texture evolution of large-deformation polycrystalline magnesium under different deformation conditions [16]. Later, a large number of scholars used VPSC to simulate the deformation mechanism and texture evolution of HCP structures. Li et al. [17] investigated the effects of predeformation on the microstructure and plastic deformation mechanism of AZ31 magnesium alloy, studied using the VPSC model, indicating that the weakening of basal texture may play a more important role in improving the mechanical properties of AZ31 magnesium alloy than the reduction of grain size. Kocks and Mecking [18] observed that strain-hardening rates are different for different deformation modes. Wang et al. [19] proved the relationship between texture and deformation mode in AZ31 magnesium alloy during uniaxial tension through experiments and VPSC simulation. The results showed that the general characteristics of flow curves and texture evolutions of AZ31 alloy during tension can be well explained by the relative activities of deformation modes. Due to crystallography, orientation has a significant effect on the activation of twinning and slip systems; therefore, texture can affect the mechanical properties, and the activated twinning and slip systems are determined by the deformation conditions [20]. A large number of scholars have studied the relationship between the main deformation mechanism and texture evolution of each deformation stage. However, the contribution of each deformation mode to the as-extruded AZ31 alloy during compression along three different directions has not been studied.
This paper mainly studies the extruded AZ31 magnesium alloy by performing three-way compression experiments on magnesium alloy specimens taken from different initials. VPSC model simulation is used to predict the micromechanical anisotropy and microstructure evolution of magnesium alloy under different loading behaviors. The plastic deformation mechanism of magnesium alloy is analyzed from the perspective of microscopic deformation mechanism, and the microstructure of the sample is characterized by XRD technology. The influence of different loading directions on the plastic mechanical behavior and texture evolution of magnesium alloy is demonstrated. Moreover, we highlight the contribution of each deformation mode to the as-extruded AZ31 alloy during compression along the ED, 45ED, and PED.

2. Experimental and Constitutive Model

2.1. Experimental Material and Procedures

A commercial hot-extruded AZ31 (Mg–3Al–1Zn–0.3Mn in wt.%) alloy bar with a diameter of 30 mm was applied to this study. Figure 1 shows a sampling schematic diagram, cutting an 8 × 8 × 12 mm cuboid from a magnesium alloy extruded bar along the direction of 0°, 45°, and 90° from the axis, and compressing the cuboid. The compression test was performed at room temperature using a WDW-E100D electronic universal testing machine with a strain rate of 10-3s-1. A Philips PW1820 X-ray diffractometer (XRD) was employed in macroscopic texture testing with an operating voltage of 40 and 40 mA, respectively. A LEICA DM 2700 M optical microscope was selected for metallographic observations. The microstructures of samples were studied using a LEICA DM 2700 M optical microscope (OM).

2.2. VPSC Model

The viscoplastic self-consistent (VPSC) model takes into account the interaction between grains in polycrystals, and supposes that the grains are ellipsoids entrained in an infinitely large homogeneous medium [20]. The model uses the following rate-dependent continuous constitutive model [21,22] equation:
ε i j ( x ¯ ) = s m i j s γ s ( x ¯ ) = γ 0 s m i j s { m k l s σ k l ( x ¯ ) τ s } n = M i j k l σ k l ( x ¯ )  
In the equation, ε i j ( x ¯ ) and σ k l ( x ¯ ) represent the strain tensor and stress tensor, respectively, and   s represents the various deformation mechanisms.   m i j s = 1 2 ( n i s b j s + n j s b i s ) is a Schmid symmetric tensor. n ¯ s is the standard for slip or twin systems, while b ¯ s is the Burges vector.
This paper uses the Voce hardening parameter model, and τ ˙ c α is the CRSS value of the slip or twin system [23]. Specifically, it is expressed as
τ ˙ c α = d τ ^ α d Γ β h α β γ ˙ β
The Γ is the accumulated shear strain in the grain and h α β is a potential hardening coupling factor, explaining the blocking effect of slip or twin β during the α activity of the slip or twin system. The critical stress τ ^ α is [22,23]:
τ ^ α = τ 0 α + ( τ 1 α + h 1 α Γ ) [ 1 e x p ( h 0 α τ 1 α ) ]
τ ˙ c α = d τ 0 α + ( τ 1 α + h 1 α Γ ) [ 1 e x p ( h 0 α τ 1 α ) ] d Γ β h α β γ ˙ β
where τ 0 α and τ 1 α are the initial CRSS value and steady-state CRSS value force of the slip system α , respectively.   h 0 α and h 1 α represent the initial hardening rate and progressive hardening rate of the slip system α , respectively.
The VPSC model can consider both slip and twin deformation mechanisms [24]. In this study, the influence of twins on grain orientation changes during plastic deformation is analyzed by predominant twinning reorientation (PRT). The twin fraction V t , g of the twin system t in grain g can be calculated using the following equation [20,22,24,25]:
V t , g = γ t , g S t
where V t , g and S t are the critical shear strain and characteristic shear strain of twin t, respectively. Then, we superimpose the twin scores of all twin systems to obtain the total twin score, V a c c , m o d e :
V t h , m o d e = A t h 1 + A t h 2 V e f f , m o d e V a c c , m o d e
After each incremental step, the twin with the highest cumulative volume fraction is selected from any of the selected grains. We compare the values of V a c c , m o d e and V t h , m o d e . If V a c c , m o d e is greater than V t h , m o d e , the entire grain orientation changes [23]. We repeat this process until all grains are selected or the finite twin volume fraction is greater than the cumulative twin volume fraction.

3. Results and Discussion

3.1. Flow Curves

In this paper, VPSC was used to simulate the plastic deformation process of magnesium alloy, considering four slips and two twins, combined with the experimental data of a three-way compressive stress–strain curve of AZ31 magnesium alloy at room temperature. The optimal hardening parameters of the material are obtained by fitting the true stress–strain curve, as shown in Table 1. Figure 2 shows the result of fitting the real stress–strain curve of the plastic deformation of extruded AZ31 magnesium alloy at room temperature using the parameters of Table 1. As shown in the figure, the prediction curve can accurately reflect the mechanical response characteristics during the three-way compression plastic deformation of AZ31 magnesium alloy in the extruded state. Among them, the hardening characteristics of ED compressive stress–strain are presented as obvious S shapes. In the compression process, when the plastic deformation is less than 3%, the stress–strain curve rises at a lower hardening rate, while when the deformation exceeds 3%, the strain hardening rate rises rapidly.

3.2. Texture Evolution

To further comprehend the mechanical behavior of AZ31 Mg alloy, the texture evolution during uniaxial compression was analyzed in detail. Figure 3 demonstrates the microstructure and initial pole figure of the as-extruded AZ31 alloy. The microstructure of the AZ31 alloy is investigated in cross-section, which illustrates the components of the equiaxed crystals with an average grain size of 6 µm (Figure 3a). Meanwhile, some elongated grains can also be found in the AZ31 alloy (Figure 3a). Figure 3b shows the measured initial pole figure. Figure 3c shows the initial pole figure received by the MTEX texture analysis toolbox of MATLAB. In MTEX, the grain number was used as the control variable, and the orientation distribution function (ODF) was discretized to output the grain orientation data of 2000 grain numbers as the initial grain orientation for the VPSC model. As shown in Figure 3b,c, the initial texture in the AZ31 alloy presents a typical fiber texture, i.e., with the basal plane aligned parallel to the ED [26].
The experimental and simulated polar figures along the ED, 45ED, and PED compression process are shown in Figure 4. It can be seen that the simulated polar figures are in good agreement with the test results, which also shows the reliability of the simulation results of this study.
Figure 5 demonstrates the evolution of the (0002) and (10-10) simulated pole figures of AZ31 alloys during compression along the ED, 45ED, and PED. Figure 5a–d show the simulated pole figures during compression along the ED. It can be observed that with the increase of plastic strain, the c-axis of the grain gradually deflects at a large angle in a direction almost parallel to the compression axis, and when the plastic deformation reaches 6%, the {0002} base surface of almost all grains is approximately perpendicular to the compression direction. Figure 5e–h are pole figures of different deformation amounts compressed along the 45ED; the normal direction of the {0002} plane of the grain rotates slowly and continuously in a direction almost parallel to the direction of force application during the compression process. Moreover, with the increase of the strain variable, the orientations of some grains have undergone a large-angle mutation, which is reflected in the polar diagram, in that the central pole density disappears. Figure 5i–l show the evolution of the polar figures of magnesium alloy compression along the PED; from the distribution of polar figures concentration, most of the grains rotate in a continuous gradient, with the {0002} plane perpendicular to the direction of force application, and the extreme density in the center decreases the fastest.

3.3. Effect of Deformation Mechanism on the Flow Behavior

As shown in Figure 6, the relative activities of the deformation mechanisms during compression in various directions were researched using the VPSC model. As shown in Figure 6a, in the early stage of axial compression, most of the grain c-axis is in a tensile state, and the {10-12} tensile twin critical shear stress (CRSS) is small at room temperature, resulting in a large number of {10-12} tensile twins being activated. With the gradual increase of stress, the activity of the base <a> slip begins to increase, and the pyramidal <c+a> and prismatic <a> slip mechanism are turned on. The {10-12} extension twin rotation is approximately 86.3°, resulting in the c-axis of most grains being parallel to the compression direction, which is conducive to the active of the {10-11} compression twin. Therefore, in the later stage of compression, the stress accumulated by the plastic deformation is released and the hardening rate is reduced. Figure 7 shows the longitudinal microstructures of the as-extruded AZ31 Mg alloy during the uniaxial compression along the ED. After a strain of 0.02, the presence of convex lens lamellas can be observed clearly (see Figure 7b), indicating that significant {10-12} extension twinning gradually takes place [27,28]. Significant thin line lamellas appear when the samples fail under uniaxial compression (see Figure 7c), which are generally expected to be {10-11} compression twins or {1011}–{1012} double twins [28,29].
In the 45ED and PED compression process, due to the preferential orientation of the grains, the base <a> slip is the dominant deformation mechanism (see Figure 6b,c). However, for the part of the grain where the c-axis of the grain is almost perpendicular to the compression direction, the slip system is in a hard orientation and is difficult to activate, while the c-axis of this part of the grain is in a state of tensile stress, which is conducive to the activation of the {10-12} extension twin. Under the action of the {10-12} extension twin mechanism, this part of the grain undergoes a large angle mutation, and the mutated grain can activate very few deformation mechanisms, resulting in an increase in strain-hardening rate. At this time, the base <a> slip and {10-12} extension twin form a confrontation in the rise and fall of the strain-hardening rate in the early stage of compression, resulting in a relatively flat stress–strain curve (see Figure 1). In addition, a small part of the grain c-axis is nearly parallel to the compression direction, which is conducive to the activation of the {10-11} contraction twins, but the CRSS of the {10-11} compression twins is very high, and the slitting stress has not yet reached its critical value, so it is difficult to active the compression twin in the early stage of compression. It can be seen in Figure 8 that the intensity of these convex lens lamellas in the 45ED and PED is lower than those in the ED sample. The evolutions of longitudinal microstructures of the as-extruded AZ31 alloy during compression in different directions are consistent with the deformation mechanisms.
Although the simulation provides the dominant deformation modes at each deformation stage, it does not obviously reveal the contribution of each deformation mode to the as-extruded AZ31 alloy during compression along three different directions. Therefore, three groups of simulations (Figure 9) were additionally carried out. In the simulations of Figure 9a–e, only one specific deformation mode was the predominant mechanism. This was realized by changing the CRSS ratio for the different deformation modes [30]. In Figure 9f, basal, prismatic slip, and {10-12} twinning were enhanced to a high level to compare the effect of {10-11} compression twins. The assigned CRSS ratios are listed in Table 2.
Figure 9 shows the simulated texture with ED compression. In Figure 9a, the basal slip was the dominant mode. Compared to the simulations in Figure 5, the activation of basal slip produced a relatively extensive gathering of the polar density toward the ED from the TD. As the strain increased to 16%, the polar density continued to expand uninterruptedly in the direction of ED. Therefore, the main function of basal slip is prompting the polar density to rotate continuously and slowly toward the ED, and when the plastic deformation was dominated by prismatic slip, as presented in Figure 9b, at the beginning of the deformation, compared with Figure 5, the polar density was deflected to the ED, but as the strain increased, there was hardly any deflection in the polar density. This suggests that prismatic slip contributes little to the rotation of the grain. In Figure 9c, the activation of pyramidal <c+a> slip deflects the grain toward the ED. With the increase of strain, some grains are deflected toward the ND.
As shown in Figure 6a, a high activity of the {10-12} extension twin was observed in the simulation, and when the plastic deformation was dominated by {10-12} extension twin, as presented in Figure 9d, the grain underwent a large angle deflection and shifted from TD to ED. With the increase of strain, other deformation mechanisms were also turned on, and the density center of the polar figure disappeared and was distributed at both ends of the polar figure. This indicates that {10-12} twinning causes large angles deflection of the grains. Although a relatively low CRSS for the {10-12} twinning was used in the simulation, the basal, prismatic slip, and {10-12} extension twinning were activated at the initial stage. This is because the c-axes of most grains are perpendicular to the compression direction along ED compression, which facilitates the activation of {10-12} extension twins in the early stages of deformation. Only a small number of c-axis grains nearly parallel to the compression direction benefit turn on the {10-11} compression twin. When the deformation reaches 16%, the grain rotates to the ED, generating a double pole, and a part of the grain rotates towards the ND. Rotation of the grain towards the ED is the effect of the basal, prismatic slips, and {10-12} extension twins. This was verified in the simulation of Figure 9f, in which high activities of basal, prismatic slips, and {10-12} extension twinning was observed; when the deformation was 0.4, most of the grains were deflected to the3 ED at a large angle. When the deformation was greater than 0.4, the {10-11} compression twin was turned on and the grain was deflected toward the ND.
In Figure 10, the relative activities of slips and twinning and the simulated texture evolution along 45ED compression were showed. Figure 10a,b show basal slip and prismatic slip, respectively, which are the dominant deformation mechanisms, where basal slip causes the grain to rotate slowly toward the ED while prismatic slip contributes relatively little to the texture evolution. Figure 10c shows that pyramidal <c+a> slip is the dominant deformation mechanism, and it can be seen from the figure that the polar density hardly changes; however, with an increase in strain, some of the grains are slowly deflected toward the ND. The {10-12} extension twinning as the dominant deformation mechanism was observed in Figure 10d; compared to Figure 5, most of the grains are deflected at large angles. As the strain increases, other deformation mechanisms turn on, and the polar figure center density disappears. This suggests that the role of {10-12} extension twinning is to deflect the grain at a large angle. In Figure 10e, the {10-11} compression twin causes the grain to tilt from TD to ND, and, as the strain increases, to the ED to produce double peaks of poles.
Figure 11 shows the simulated texture with PED compression. In Figure 11a, the basal slip was the dominant mode; compared to the simulations in Figure 5, the activation of basal slip produced a relatively extensive gathering of the polar density toward the ED from the TD. The grain is deflected towards both ends of the ED. The dominant deformation mechanism in Figure 11b is prismatic slip, which has little effect on the evolution of the texture compared to the base slip. In Figure 9c, the pyramidal <c+a> slip is the dominant mode; when the compression amount reaches 14%, most of the grains are deflected toward the ND. Figure 10c shows that {10-12} extension twinning is the dominant deformation mechanism; at the beginning of the deformation, the grain hardly undergoes any deflection. As the amount of deformation increases, other deformation mechanisms turn on, most of the grains rotate towards both ends of the ED, and the density of the central pole drops sharply. This is because when compressed in the PED, the amount of {10-12} extension twinning turned on is small due to the preferred orientation of the grains. The dominant deformation mechanism is {10-11} compression twin in Figure 11e; compared to Figure 5, the grains are concentrated from both sides of the ED to the center.

4. Conclusions

In the present paper, we studied the effect of relative activity of different deformation modes on the mechanical behavior and texture evolution of the as-extruded AZ31 alloy when compressed along different directions. The following conclusions are drawn:
(1) It was demonstrated that basal slip causes a slow and continuous deflection of the grain toward the transverse direction. When the sample is compressed in the extruded direction, prismatic slip leads to grains being deflected toward the extruded direction in the initial stages of compression, and when the sample is compressed in the 45° to the extrusion direction and perpendicular to the extrusion direction, prismatic slip contributes little to the texture evolution.
(2) When the sample is compressed along three different directions, pyramidal <c+a> slip leads to the grains being deflected toward the normal direction, and the {10-12} extension twin deflects the grains at a large angle.
(3) When only the {10-11} compression twin is activated, the grains will be deflected in the normal direction while the sample is compressed along the extruded direction, 45° to the extrusion direction, but when the sample is compressed in the perpendicular to the extrusion direction, the grains are concentrated from both sides of the extruded direction to the center.

Author Contributions

Conceptualization, X.F. and C.Z.; methodology, X.F.; software, X.F.; validation, X.F.; formal analysis, W.L.; investigation, X.F.; resources, X.F.; data curation, X.F.; writing—original draft preparation, X.F.; writing—review and editing, X.F.; visualization, J.L.; supervision, J.L.; project administration, J.L.; funding acquisition, All authors have read and agreed to the published version of the manuscript.

Funding

This work was supported by The National Nature Science Foundation of China (52275356), The Graduate Education Innovation Project in Shanxi (2021Y707), and The Graduate Education Innovation Project in Shanxi (2021Y668).

Conflicts of Interest

There are no conflicts to declare.

References

  1. Zhou, X.; Liu, Q.; Liu, R.; Zhou, H. Characterization of Microstructure and Mechanical Properties of Mg-8Li-3Al-1Y Alloy Subjected to Different Rolling Processes. Met. Mater. Int. 2018, 24, 1359–1368. [Google Scholar] [CrossRef]
  2. Pan, H.; Kang, R.; Li, J. Mechanistic Investigation of a Low-Alloy Mg-Ca-Based Extrusion Alloy with High Strength–Ductility Synergy. Acta Mater. 2020, 186, 278–290. [Google Scholar] [CrossRef]
  3. Chai, Y.; Song, Y.; Jiang, B.; Fu, J. Comparison of Microstructures and Mechanical Properties of Composite Extruded AZ31 Sheets. J. Magnes Alloy. 2019, 7, 545–554. [Google Scholar] [CrossRef]
  4. Selvarajou, B.; Joshi, S.; Benzerga, A. Three Dimensional Simulations of Texture and Triaxiality Effects on the Plasticity of Magnesium Alloys. Acta Mater. 2017, 127, 54–72. [Google Scholar] [CrossRef]
  5. Zhou, X.; Liu, R.; Liu, Q.; Zhou, H. Effect of Asymmetric Rolling on the Microstructure, Mechanical Properties and Texture Evolution of Mg-8Li-3Al-1Y Alloy. Met. Mater. Int. 2019, 25, 1301–1311. [Google Scholar] [CrossRef]
  6. Lin, J.; Wang, Q.; Peng, L.; Peng, T. Effect of the Cyclic Extrusion and Compression Processing on Microstructure and Mechanical Properties of As-extruded ZK60 Magnesium Alloy. Mater. Trans. 2008, 49, 1021–1024. [Google Scholar] [CrossRef]
  7. Agnew, S.; Mehrotra, P.; Lillo, T.; Stoica, G.; Liaw, P. Texture Evolution of five Wrought Magnesium Alloys during Route A Equal Channel Angular Extrusion: Experiments and Simulations. Acta Mater. 2005, 53, 3135–3146. [Google Scholar] [CrossRef]
  8. Yi, S.; Bholen, J.; Heinemann, F.; Letzig, D. Mechanical Anisotropy and Deep Drawing Behaviour of AZ31 and ZE10 Magnesium Alloy Sheets. Acta Mater. 2010, 58, 592–605. [Google Scholar] [CrossRef]
  9. Zeng, Z.; Bian, M.; Xu, S.; Davies, C.; Birbilis, N.; Nie, J.F. Texture Evolution during Cold Rolling of Dilute Mg Alloys. Scr. Mater. 2015, 108, 6–10. [Google Scholar] [CrossRef]
  10. Lin, J.; Ren, W.; Wang, X. Tension–Compression Asymmetry in Yield Strength and Hardening Behaviour of as-Extruded AZ31 Alloy. Mater. Sci. Technol. Lond 2016, 32, 1855–1860. [Google Scholar] [CrossRef]
  11. Jain, J.; Poole, W.; Sinclair, C. Reducing the Tension–Compression Yield Asymmetry in a Mg-8Al-05 Zn Alloy Via Precipitation. Scr. Mater. 2010, 62, 301–304. [Google Scholar] [CrossRef]
  12. Kurukuri, S.; Worswick, M. Rate Sensitivity and Tension–Compression Asymmetry in AZ31B Magnesium Alloy Sheet. Philos. Trans. Royal Soc. A 2015, 372, 20130216. [Google Scholar] [CrossRef] [PubMed]
  13. Sun, J.; Yang, Z.; Liu, H. Tension-Compression Asymmetry of the AZ91 Magnesium Alloy with Multi-Heterogenous Microstructure. Mater. Sci. Eng. A 2019, 759, 703–707. [Google Scholar] [CrossRef]
  14. Steglich, D.; Jeong, Y.; Andar, M.O.; Kuwabara, T. Biaxial Deformation Behavior of AZ31 Magnesium Alloy: Crystal-Plasticity-Based Prediction and Experimental Validation. Int. J. Solids Struct. 2012, 49, 3551–3561. [Google Scholar] [CrossRef]
  15. Lebensohn, R.A.; Tomé, C.N. A self-consistent anisotropic approach for the simulation of plastic-deformation and texture development of polycrystals-application to zirconium alloys. Acta Metall. Mater. 1993, 41, 2611–2624. [Google Scholar] [CrossRef]
  16. Agnew, S.R.; Duygulu, O. Plastic anisotropy and the role of non-basal slip in magnesium alloy AZ31B. Int. J. Plast. 2005, 21, 1161–1193. [Google Scholar] [CrossRef]
  17. Li, Y.; Yang, B.; Han, T.; Chu, Z.; Tuo, L.; Xue, C.; Gao, H. Effect of pre-deformation on microstructure characteristics, texture evolution and deformation mechanism of AZ31 magnesium alloy. Mater. Sci. Eng. A. 2022, 845, P7–P12. [Google Scholar] [CrossRef]
  18. Kocks, U.F.; Mecking, H. Physics and phenomenology of strain hardening: The FCC case. Prog. Mater. Sci. 2003, 48, 171–273. [Google Scholar]
  19. Wang, B.; Deng, L.; Adrien, C.; Guo, N.; Xu, Z.; Li, Q. Relationship between textures and deformation modes in Mg–3Al–1Zn alloy during uniaxial tension. Mater. Charact. 2015, 108, 42–50. [Google Scholar] [CrossRef]
  20. Kroner, E. On the plastic deformation of polycrystals. Acta Metall. 1961, 9, 155–161. [Google Scholar]
  21. Kabirian, F.; Khan, A. Visco-Plastic Modeling of Mechanical Responses and Texture Evolution in Extruded AZ31 Magnesium Alloy for Various Loading Conditions. Int. J. Plast. 2015, 68, 1–20. [Google Scholar] [CrossRef]
  22. Hutchinson, J. Bounds and Self-Consistent Estimates for Creep of Polycrystalline Materials. Proc. Roryal Soc. A Math. Phy. Sci. 1976, 348, 101–127. [Google Scholar]
  23. Chen, Q.; Hu, L.; Shi, L. Assessment in Predictability of Visco-Plastic Self-Consistent Model with a Minimum Parameter Approach:Numerical Investigation of Plastic Deformation Behavior of AZ31Magnesium Alloy for Various Loading Conditions. Mater. Sci. Eng. A 2020, 774, 138–912. [Google Scholar] [CrossRef]
  24. Lebensohn, R.; Turner, A.; Signorelli, J.; Canova, G.; Tome, C.N. Calculation of Intergranular Stresses based on a Large Strain Visco-Plastic Selfconsistent Model, Modelling. Simul. Mater. Sci. Eng.A 1998, 39, 447–465. [Google Scholar] [CrossRef]
  25. Tome, C.; Lebensohn, R.; Kocks, U. A Model for Texture Development Dominated by Deformation Twinning: Application to Zirconium Alloys. Acta Metull. Muter. 1991, 39, 2667–2680. [Google Scholar] [CrossRef]
  26. Lin, J.; Wang, Q.; Peng, L.; Roven, H. Study on Deformation Behavior and Strain Homogeneity during Cyclic Extrusion and Compression. J. Mater. Sci. 2008, 43, 6920–6924. [Google Scholar] [CrossRef]
  27. Fernández, A.; Jérusalem, A.; Gutiérrez-Urrutia, I.; Pérez-Prado, M.T. Three-Dimensional Investigation of Grain Boundary–Twin Interactions in a Mg AZ31 alloy by Electron Backscatter Diffraction and Continuum Modeling. Acta Mater. 2013, 61, 7679–7692. [Google Scholar] [CrossRef]
  28. Christian, J.; Mahajan, S. Deformation Twinning. Prog. Mater. Sci. 1995, 39, 1–157. [Google Scholar] [CrossRef]
  29. Li, X.; Yang, P.; Wang, L.N.; Meng, L.; Cui, F. Orientational Analysis of Static Recrystallization at Compression Twins in a Mg Alloy AZ31. Mater. Sci. Eng. A 2009, 517, 160–169. [Google Scholar] [CrossRef]
  30. Huang, X.; Xin, Y.; Cao, Y.; Li, W.; Huang, G.; Zhao, X.; Wu, P. Understanding the mechanisms of texture evolution in an Mg-2Zn-1Ca alloy during cold rolling and annealing. Int. J. Plast. 2022, 158, 103412. [Google Scholar] [CrossRef]
Figure 1. Extruded magnesium alloy material: three sample orientations drawing (left), specimen size drawing (right).
Figure 1. Extruded magnesium alloy material: three sample orientations drawing (left), specimen size drawing (right).
Crystals 13 00320 g001
Figure 2. Experimental (symbols) and simulated (lines) true stress–strain curves of various AZ31 alloys samples under uniaxial compression.
Figure 2. Experimental (symbols) and simulated (lines) true stress–strain curves of various AZ31 alloys samples under uniaxial compression.
Crystals 13 00320 g002
Figure 3. Initial state of AZ31 Mg extruded bar: (a) initial microstructure; (b,c): initial texture.
Figure 3. Initial state of AZ31 Mg extruded bar: (a) initial microstructure; (b,c): initial texture.
Crystals 13 00320 g003
Figure 4. Measured (left) and simulated (right) pole figures of various AZ31 alloys samples under uniaxial compression.
Figure 4. Measured (left) and simulated (right) pole figures of various AZ31 alloys samples under uniaxial compression.
Crystals 13 00320 g004
Figure 5. Predicted texture evolutions of various AZ31 alloys samples during compression along different directions at a strain of 0.02, 0.08, 0.12, and 0.16.
Figure 5. Predicted texture evolutions of various AZ31 alloys samples during compression along different directions at a strain of 0.02, 0.08, 0.12, and 0.16.
Crystals 13 00320 g005
Figure 6. Predicted relative activity of different deformation modes under uniaxial compression along the (a) ED, (b) 45ED, and (c) PED.
Figure 6. Predicted relative activity of different deformation modes under uniaxial compression along the (a) ED, (b) 45ED, and (c) PED.
Crystals 13 00320 g006
Figure 7. Optical microscope images of compression along the ED: (a) 0.01, (b) 0.04, and (c) failure.
Figure 7. Optical microscope images of compression along the ED: (a) 0.01, (b) 0.04, and (c) failure.
Crystals 13 00320 g007
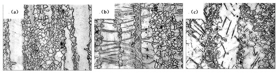
Figure 8. Optical microscope images of compression along the 45ED: (a) 0.01, (b) 0.05, and (c) 0.15; and the PED: (d) 0.01, (e) 0.05, and (f) 0.11.
Figure 8. Optical microscope images of compression along the 45ED: (a) 0.01, (b) 0.05, and (c) 0.15; and the PED: (d) 0.01, (e) 0.05, and (f) 0.11.
Crystals 13 00320 g008
Figure 9. The relative activities of slips and twinning and the simulated texture evolution compression in the ED with (a) basal slip, (b) prismatic slip, (c) pyramidal slip, (d) {1012} twinning, and (e) {1012} twinning as the predominant deformation mode; (f) basal, prismatic slips, and {10-12} extension twinning as the predominant deformation mode.
Figure 9. The relative activities of slips and twinning and the simulated texture evolution compression in the ED with (a) basal slip, (b) prismatic slip, (c) pyramidal slip, (d) {1012} twinning, and (e) {1012} twinning as the predominant deformation mode; (f) basal, prismatic slips, and {10-12} extension twinning as the predominant deformation mode.
Crystals 13 00320 g009
Figure 10. The relative activities of slips and twinning and the simulated texture evolution compression in the ED with (a) basal slip, (b) prismatic slip, (c) pyramidal slip, (d) {1012} twinning, and (e) {1012} twinning as the predominant deformation mode.
Figure 10. The relative activities of slips and twinning and the simulated texture evolution compression in the ED with (a) basal slip, (b) prismatic slip, (c) pyramidal slip, (d) {1012} twinning, and (e) {1012} twinning as the predominant deformation mode.
Crystals 13 00320 g010
Figure 11. The relative activities of slips and twinning and the simulated texture evolution compression in the ED with (a) basal slip, (b) prismatic slip, (c) pyramidal slip, (d) {10-12} twinning, and (e) {1012} twinning as the predominant deformation mode.
Figure 11. The relative activities of slips and twinning and the simulated texture evolution compression in the ED with (a) basal slip, (b) prismatic slip, (c) pyramidal slip, (d) {10-12} twinning, and (e) {1012} twinning as the predominant deformation mode.
Crystals 13 00320 g011
Table 1. Voce hardening parameters inputs for the VPSC modeling (unit: MPa).
Table 1. Voce hardening parameters inputs for the VPSC modeling (unit: MPa).
Deformation Mode τ 0 τ 1 θ 0 θ 1 A t h 1 A t h 2
Basal <a>211878085--
Prismatic <a>50251000--
Pyramidal <c+a>1702905000--
Extension twin260000.150.8
Contraction twin20500500.10.15
Notes: τ 0 initial critical resolved shear stresses; τ 1 , back-extrapolated critical resolved shear stresses; θ 0 , initial hardening rates; θ 1 , asymptotic hardening rates.
Table 2. CRSS ratio B: Pr: Py: ET: CT input in the simulations with only one slip or twinning as the predominant mode.
Table 2. CRSS ratio B: Pr: Py: ET: CT input in the simulations with only one slip or twinning as the predominant mode.
Predominant ModeCRSS Ratio
aBasal <a>1:52.5:85:50:102.5
bPrismatic <a>1:0.11:1.60:1.04:2.05
cPyramidal <c+a>1:52.5:8.5:52:102.5
dExtension twin1:1.05:1.6:0.03:2.05
eContraction twin1:1.05:1.6:1.03:0.21
fBasal prismatic extension twin1:5:80:1.25:10.25
Disclaimer/Publisher’s Note: The statements, opinions and data contained in all publications are solely those of the individual author(s) and contributor(s) and not of MDPI and/or the editor(s). MDPI and/or the editor(s) disclaim responsibility for any injury to people or property resulting from any ideas, methods, instructions or products referred to in the content.

Share and Cite

MDPI and ACS Style

Fang, X.; Zhou, C.; Lin, J.; Li, W. Mechanism of Plastic Deformation of As-Extruded AZ31 Mg Alloy during Uniaxial Compression. Crystals 2023, 13, 320. https://doi.org/10.3390/cryst13020320

AMA Style

Fang X, Zhou C, Lin J, Li W. Mechanism of Plastic Deformation of As-Extruded AZ31 Mg Alloy during Uniaxial Compression. Crystals. 2023; 13(2):320. https://doi.org/10.3390/cryst13020320

Chicago/Turabian Style

Fang, Xiaoyan, Chen Zhou, Jinbao Lin, and Wenwen Li. 2023. "Mechanism of Plastic Deformation of As-Extruded AZ31 Mg Alloy during Uniaxial Compression" Crystals 13, no. 2: 320. https://doi.org/10.3390/cryst13020320

APA Style

Fang, X., Zhou, C., Lin, J., & Li, W. (2023). Mechanism of Plastic Deformation of As-Extruded AZ31 Mg Alloy during Uniaxial Compression. Crystals, 13(2), 320. https://doi.org/10.3390/cryst13020320

Note that from the first issue of 2016, this journal uses article numbers instead of page numbers. See further details here.

Article Metrics

Back to TopTop