Abstract
This study investigated the effect of the initial grain size on the laser beam weldability of CoCrFeMnNi high-entropy alloys (HEAs). Cold-rolled, annealed, and cast HEAs with different initial grain sizes exhibited clear differences in weldability. The cold-rolled, annealed, and cast HEAs exhibited grain sizes of 1.5, 8.1, and 1.1 mm, respectively. The grain size of the weld metal (WM) in cold-rolled/annealed HEAs was coarser than that of the base metal (BM), whereas the grain size of the WM in the cast HEA was finer than that of the BM. Shrinkage voids were present in the central region of all laser WMs. The cold-rolled and annealed HEA exhibited a tensile strength greater than 600 MPa owing to the grain size of the coarse WM and the presence of shrinkage voids; however, tensile fracture occurred in the central region of the WM. However, because the grain size of the cast HEA BM was finer than that of the WM, the tensile fracture occurred in the BM, and it had the same tensile properties as the BM. Therefore, the laser weldability of the HEA depended on the initial grain size, and the grain refinement of the WM was essential for improving the weldability.
1. Introduction
Recently, with the development of shale gas to satisfy environmental regulations worldwide, the demand for liquefied natural gas carriers and cryogenic equipment has increased [1]. In particular, the demand for cryogenic strength and toughness has expanded with the active development of natural gas in the deep sea and polar regions [2,3]. The 9% Ni steel and austenitic stainless steel used in the existing cryogenic equipment may cause welding defects, such as high/low-temperature cracks, pores, and a lack of penetration during welding [4,5]. In addition, it has been reported that the residual stress of the weld is larger than that of the base metal (BM), and the impact toughness of the weld decreases with temperature [6,7,8]. Therefore, it can be said that the physical properties of the cryogenic welds of the existing steel have reached the limit. Recently, as alloys with excellent room- and low-temperature characteristics have been actively developed, the need for high-entropy alloy (HEA) development has been highlighted [9]. The structural steel materials used so far contain Fe as the main component, and an alloy system is formed by adding a small amount of other alloying elements. However, HEAs are multi-component alloys produced by mixing various alloying elements in a ratio of 5 to 35 at %, and intermetallic compounds are not formed owing to the high mixing entropy at high temperatures [10,11]. Recently, there has been considerable interest in three- and four-element intermediate entropy alloys (MEAs) rather than HEAs with five or more elements [12,13,14,15,16]. Studies have been conducted on the enhancement of mechanical properties according to twinning-induced plasticity and transformation-induced plasticity phenomena by controlling the content of the Co component [12,13,14]. There are many studies on improving the mechanical properties according to the precipitate and phase transformation behavior of HEAs and MEAs that contain Ti and N components [15,16]. Such HEAs and MEAs possess excellent strength and toughness, room and cryogenic temperature characteristics, and can exhibit excellent specific physical properties such as corrosion resistance and abrasion resistance according to the type of alloy element and change in its composition; hence, they can be replaced as structural materials [17,18,19,20]. Securing welding technology must be prioritized for commercializing new materials, such as HEAs. The weldability of HEA is as follows: (1) the weld zone exists as a single-phase solid solution without intermetallic compounds owing to high mixing entropy; (2) solidification segregation is lowered owing to the sluggish diffusion of atoms; and (3) high lattice strain increases the residual stress and weld cracking rate of the weld, and (4) can cause vaporization of low-melting alloy elements according to the welding temperature by the cocktail effect. Therefore, the above four key factors should be considered when welding HEAs.
Based on the welding characteristics of HEA, studies have mainly been conducted to evaluate their weldability by applying low-heat input welding instead of high-heat input welding. In the case of low-heat input welding, weldability evaluation results using laser beam welding (LBW) and friction stir welding have been reported [20,21,22,23,24,25,26,27,28]. However, there are few studies that evaluated laser weldability according to the grain size of the initial base metals (BMs).
2. Materials and Methods
The Co0.2Cr0.2Fe0.2Mn0.2Ni0.2 HEA ingots used in this study were produced via vacuum induction melting. HEA ingots were prepared by homogenizing the ingot at 1373 K for 24 h, and the defect-free part of the HEA ingot was thinly sliced (1.5 mm) to prepare cast HEA plates. The manufacturing steps for the cold-rolled HEA plates were as follows: homogenization of the slab at 1373 K for 24 h, hot rolling at 773 K from 16 to 2 mm with air cooling, and cold rolling at 273 K from 2 to 1.5 mm. Furthermore, the annealed HEA plate was fabricated via heat treatment at 1073 K for 1 h after the manufacturing steps for the cold-rolled HEA were performed. All the HEA plates were prepared with dimensions of 55 mm (W) × 100 mm (L) × 1.5 mm (T) for butt welding.
LBW of butt welding was performed using an Nd: YAG laser under the following conditions: laser power of 3.5 kW, beam diameter of 300 μm, focal length of 304 mm, welding velocity of 8 m/min, and no shielding. The welding conditions were optimized to achieve full penetration of the butt welds of cold-rolled/annealed/cast HEAs.
The weld pool shape and microstructure of the transverse welds were observed using scanning electron microscopy (SEM) in the backscattered electron mode. The crystal structures of the BM and welds were characterized by X-ray diffraction (XRD). XRD analysis was performed under the following conditions: scan speed of 2° min−1, range of 20°–90°, voltage of 40 kV, current of 30 mA, and Cu Kα radiation. To observe the peaks of the formed precipitates and oxides in the weld metal (WM) during the XRD analysis, the specimens were prepared so that only the WM region could be analyzed through masking. In addition, electron backscattered diffraction (EBSD) was used to observe the microstructural properties, such as the grain size and grain growth behavior in each BM and WM. Electron probe microanalysis (EPMA) was performed to quantitatively analyze the alloy composition in each region (BM and WM) of the welds. Grain size measurement through EBSD provided the average size of the designated area and was obtained by measuring and averaging three areas for each BM and WM.
Vickers hardness measurements were performed with a load of 0.3 kgf (2.942 N) and a dwell time of 10 s. The hardness was measured 0.7 mm below the weld surface at an interval of 250 μm to observe the hardness distribution in each weld. Because the laser welds had a narrow bead width, tensile tests were performed with a miniature-sized ASTM E8. Tensile tests were performed at room temperature (273 K) at a strain rate of 1.0 × 10−3 s−1.
3. Results and Discussion
3.1. Microstructure and Mechanical Properties of the Cold-Rolled/Annealed/Cast HEA BMs
Figure 1a shows the representative inverse pole figure (IPF) maps obtained by EBSD of the cold-rolled, annealed, and cast HEA BMs. The microstructure of the cold-rolled HEA BM exhibits fine grains of approximately 1.2 ± 0.2 μm and high dislocation density as evidence of the rolling during cold rolling. In the rolled BM, fine equiaxed grains of approximately 8.1 ± 0.3 μm and twins owing to recrystallization are observed by cold rolling and annealing. The microstructure of the cast BM possesses coarse grains of approximately 1.0 ± 0.2 mm from the homogenization treatment, as shown in Figure 1a. Figure 1b shows the crystal structure obtained by XRD for the cold-rolled, annealed, and cast HEA BMs. Regardless, the XRD patterns of each BM indicate a simple face-centered cubic (FCC) solid solution phase with diffraction peaks at 2θ = 43.4°, 51.6°, and 74.7°, as observed in 304 stainless steel [29]. Therefore, coarse precipitates or oxides as observed by XRD analysis were not generated. Figure 1c shows the tensile properties of the cold-rolled, annealed, and cast HEA BMs. For cold-rolled BM, the tensile strength (TS) and elongation (EL) were approximately 1130 ± 5 MPa and 8.6%, respectively. The TS of the annealed BM decreased by 40% compared with that of the cold-rolled BM to approximately 689 ± 1 MPa, but the EL increased by approximately 40%. Additionally, cast BM had the lowest TS (361 MPa), but exhibited the highest EL (60%) owing to the coarsest grain size. In general, the high dislocation density in structural steel as well as HEA contributes to strength improvement, but also reduces EL [30,31]. Therefore, the cold-rolled BM with a small grain size and high dislocation density had high TS; however, the EL exhibited deteriorated results. However, because the tangled dislocations were released and the grain size coarsened during annealing, the TS decreased, but the EL tended to increase compared to the cold-rolled BM. Finally, the cast BM with the coarsest grain size possessed the lowest TS and the highest EL. These results demonstrate that the grain size and dislocation density are closely related to the tensile properties.
Figure 1.
Microstructure and hardness distribution of the cold-rolled, annealed, and cast HEA BMs: (a) IPF maps, (b) XRD pattern, and (c) stress–strain curve.
3.2. Laser Weldability of the Cold-Rolled/Annealed/Cast HEAs
Figure 2 shows the weld pool shapes of the cold-rolled, annealed, and cast HEA welds. All welds exhibit a typical fully penetrated shape, and sound welds without macro defects, such as internal pores and cracks, are obtained. However, because the central region of the WM of all welds is magnified, shrinkage voids are observed in the inter-dendritic region of each WM. As mentioned above, the grain sizes of the rolled and cast BM are different, and the fusion line (FL) between the WM and BM is divided in the rolled HEA weld. However, the fusion line of the cast HEA weld is not distinguished, probably because the dendrite growth behavior formed at the fusion line varies depending on the initial grain size of the BM.
Figure 2.
Weld pool shapes and shrinkage voids of various laser welds: (a) cold-rolled, (b) annealed, and (c) cast HEA.
3.3. Microstructural and Compositional Behavior of the Cold-Rolled/Annealed/Cast HEAs
Figure 3 shows the quantitative compositional behavior of the cold-rolled, annealed, and cast HEA welds. In general, the vaporization of Mn (which has a low melting temperature) in laser welds of stainless steel and high-Mn steel has been reported [32]. Therefore, to confirm the vaporization of Mn in each weld, quantitative EPMA was performed from the BM to the WM through the contralateral BM along the solid blue line shown in Figure 2. The various components, such as Co, Cr, Fe, Mn, and Ni, showed a constant compositional behavior between the BM and WM in all the welds, as shown in Figure 3. Furthermore, it provides reasonable evidence for the negligible vaporization of Mn with a low melting temperature during laser welding. Because the vaporization of Mn, an austenite-stabilizing element, can cause martensitic transformations, its vaporization must be considered.
Figure 3.
Compositional behaviors of various laser welds: (a) cold−rolled, (b) annealed, and (c) cast HEA.
To confirm the presence of phase transformation according to the compositional behavior, we performed a phase analysis using an XRD pattern. Figure 4 shows the crystal structure obtained by XRD in the cold-rolled, annealed, and cast HEA welds. Regardless of the weld type, the observed face-centered cubic (FCC) solid solution phase with diffraction peaks (2θ = 43.4°, 51.6°, and 74.7°) is the same as that of each BM. If a phase transformation is induced or a precipitate is formed owing to vaporization and dilution of the component, a peak other than the FCC peak is expected to be observed. However, no such peak occurs. Therefore, it is believed that each weld consists of an FCC single phase, similar to the BM.
Figure 4.
XRD patterns of various laser welds: cold−rolled, annealed, and cast HEA.
Figure 5 shows the microstructural behavior of the annealed and cast HEA welds. Because the cold-rolled HEA weld shows the same dendrite growth behavior as the annealed HEA weld, the details are omitted. The microstructure of the annealed BM indicated fine equiaxed grains with no rolling textures, and the equiaxed grain size is approximately 8.1 ± 0.3 μm (Figure 1a). Equiaxed grains and twins owing to recrystallization during annealing are observed in the BM. Owing to the low heat input during laser welding, the grain size of the heat-affected zone (HAZ) was almost the same as that of the BM, and the width was narrow. The microstructure near the FL of the annealed HEA weld exhibited unidirectional growth of columnar dendrites after the formation of fine cellular dendrites, and columnar dendrites that grew epitaxially in the partially equiaxed grains of the HAZ were observed. Columnar dendrites and dendrite packets were unidirectionally grown in the central region of the WM, and their width was as narrow as approximately 10 μm.
Figure 5.
Microstructural behavior in each region (BM, FL, and WM) of various laser welds: (a) annealed and (b) cast HEA welds.
The microstructure of the cast BM exhibited coarse grain size owing to the homogenization treatment, and the grain size was approximately 1.2 ± 0.2 mm. The coarse grain size of cast BM makes it difficult to distinguish between BM and HAZ. The microstructure near the FL of the cast HEA weld exhibited a trend that was different from the dendrite growth behavior of the annealed HEA weld. Two cases were observed in the columnar dendrites formed in the cast BM with coarse grains growing epitaxially after the formation of a planar dendritic structure, a solidification structure, or unidirectional growth after the formation of the cellular dendrites from the fusion line between the WM and HAZ. The widths of the columnar dendrites and dendrite packets in the central region of the cast WM were wider than those of the annealed WM. The dendrite growth behavior depended on the initial grain size of the BM.
Figure 6 shows the microstructures of the central regions of the cold-rolled, annealed, and cast HEA WMs. The primary dendrite arm spacings (DASs) of the central region of the cold-rolled, annealed, and cast HEA WMs were 2.9 ± 0.1, 3.5 ± 0.1, and 4.5 ± 0.2 μm, respectively. The DASs of the cast WM were slightly larger than those of the cold-rolled and rolled WMs, although the grain size of the cast BM was significantly larger than those of the cold-rolled and rolled BM. The columnar dendrites with the same grain orientation consisted of one dendrite packet. These dendrite packets exhibited high-angle boundaries, as observed in the microstructure near the central region of the WM, as shown in Figure 6. Therefore, the sizes of the DASs and dendrite packets of the WM increased with the initial grain size of the BM. The dendrite packet sizes of the cold-rolled, annealed, and cast HEA WMs were 27.1, 30.5, and 41.6 μm, respectively. These results suggest that the size of the DASs and dendrite packets depends on the initial grain size of the BM. In particular, DASs and dendrite packets in the WM need to be refined because they affect mechanical properties, such as hardness and tensile properties.
Figure 6.
Primary DASs and dendrite packet sizes for various laser welds: (a) cold-rolled, (b) annealed, and (c) cast HEA.
3.4. Mechanical properties of the Cold-Rolled/Annealed/Cast HEAs
Figure 7 shows the hardness distribution in the cold-rolled, annealed, and cast HEA transverse welds. The average hardness values of the cold-rolled, annealed, and cast HEA BMs were 321 ± 1, 177 ± 1, and 129 ± 1, respectively. The difference in the average hardness of each BM was caused by the difference in the grain size according to the manufacturing process. Because the grain size of the WM was coarser than that of the BM in the cold-rolled weld, the average hardness of the WM (approximately 190 Hv0.5) was approximately 130 Hv0.5 lower than that of the BM and showed significant hardness variation. However, because the grain sizes of the BM and DASs of the WM in the annealed HEA weld were almost the same, the average hardness of the WM was 186 Hv0.5, which was almost similar to that of the BM. In the cast HEA weld, because the grain size of the WM was finer than that of the BM, the average hardness of the WM (approximately 173 Hv0.5) was approximately 34 Hv0.5 higher than that of the BM. The main reason for the difference in the average hardness between the BM and WM of each weld was the difference in grain size. In addition, the hardness distribution may vary slightly owing to primary DASs.
Figure 7.
Hardness behavior of various laser welds: cold−rolled, annealed, and cast HEA.
Figure 8a,b show the tensile stress–strain curves and fracture positions for each BM and transverse welds of the cold-rolled, annealed, and cast HEA, respectively. As mentioned earlier, the cold-rolled HEA BM possessed the highest TS of all welds but the lowest EL. The TS of the annealed HEA BM was higher than that of the cast HEA BM, but the EL was lower. The cast HEA BM exhibited the lowest TS and highest EL. Because the tensile properties of the cold-rolled and annealed HEA welds were inferior to those of each BM, the tensile fracture occurred in the central region of the WMs, as shown in Figure 8b. The TS and EL of the cold-rolled HEA weld were decreased by approximately 492 MPa and 6% compared to that of the BM. The TS and EL of the annealed HEA weld were also reduced by approximately 94 MPa and 27% compared to the BM. However, in the case of the cast HEA weld, the tensile properties of the weld were almost similar to that of the BM, and the tensile fracture occurred near the cast BM, as shown in Figure 8b.
Figure 8.
Tensile properties of the cold-rolled, annealed and cast HEA welds: (a) stress–strain curves and (b) fracture positions.
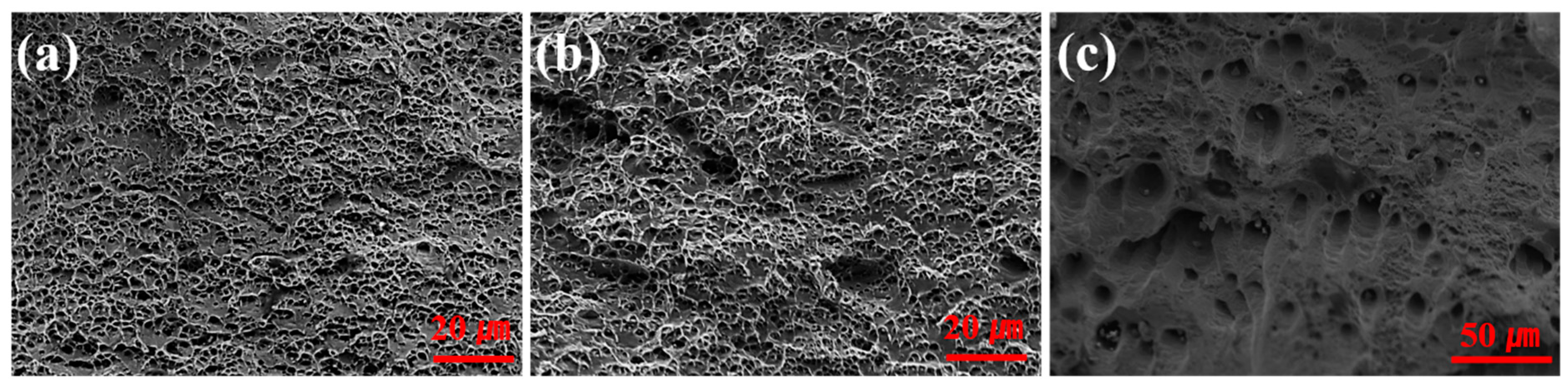
Figure 9 shows the typical fracture surfaces of the transverse welds in cold-rolled, annealed, and cast HEA. In the cold-rolled and annealed HEA welds, because tensile fracture occurred in the central region of the WM, all fracture surfaces consisted of fine dimples, a typical form of ductile fracture, as shown in Figure 9a,b. However, as the tensile fracture of the cast HEA weld occurred in the BM, the shape of a dimple with a coarse fracture surface was observed. The tensile properties of each weld depended on the correlation between WM and BM, which is related to the grain size.
Figure 9.
Fracture surface morphologies of various laser welds: (a) cold-rolled, (b) annealed, and (c) cast HEA.
Consequently, if the grain size of the WM is coarser than that of the BM, a tensile fracture will occur in the central region of the WM, whereas if the grain size of the WM is finer than that of the BM, a tensile fracture will occur in the BM. In cold-rolled and annealed HEA welds, the mechanical properties such as hardness distribution and tensile properties of the welds seemed to deteriorate because WM with a coarse grain size is formed in the BM with a fine grain size during welding. However, in the cast HEA weld, because the WM with a fine grain size was formed in the BM with a coarse grain size, the weld was strengthened and the tensile fracture occurred in the BM. The initial grain size of the cold-rolled, annealed, and cast HEA BMs was closely related to the mechanical properties of each weld. In particular, it is necessary to improve the weldability of cold-rolled and annealed materials because rolled materials are mainly used as structural steels. Therefore, to improve weldability, it is necessary to refine the grain size of the cold-rolled and annealed WMs.
4. Conclusions
In this study, the effect of initial grain size on the laser beam weldability of cold-rolled, annealed, and cast HEA BMs was investigated. Cold-rolled, annealed, and cast HEA welds produced at 3.5 kW and 8 m/min were studied for their microstructural behavior and mechanical properties.
(1) Laser welds of the cold-rolled, annealed, and cast HEAs were obtained with no macro defects such as internal pores and cracks under the same welding conditions.
(2) Regardless of the BM type, all welds were composed of FCC, and the size of the dendrite packets of DAS and WM increased with the initial grain size of each BM.
(3) The hardness distribution of the BM and WM showed a drastic change in the cold-rolled and cast HEA welds owing to the extreme difference in grain size between the WM and BM. However, the hardness variations of the BM and WM in the annealed HEA welds were insignificant because they possessed similar DASs.
(4) The grain sizes of the cold-rolled and annealed WMs were coarser than those of the BM, and the tensile fracture occurred in the central region of the cold-rolled and annealed HEA welds. However, the grain size of the cast WM was finer than that of the BM, and the tensile fracture of the cast HEA welds occurred in the cast BM. The mechanical properties of each laser weld depended on the initial grain size.
(5) Because the rolled materials are mainly used as structural steel, it is necessary to improve the weldability of the cold-rolled and annealed HEA BMs, and grain refinement of WM is essential for improving weldability.
Author Contributions
C.P., Investigation, data curation, funding acquisition and writing—original draft. T.H., Investigation and formal analysis. G.-D.K., Investigation and resources. H.N., Investigation, methodology, and writing—review and editing. N.K., Conceptualization, supervision, writing—review and editing. All authors have read and agreed to the published version of the manuscript.
Funding
This study was supported by a research fund from the Chosun University in 2020.
Institutional Review Board Statement
Not applicable.
Informed Consent Statement
Not applicable.
Data Availability Statement
The data presented in this study are available upon request from the corresponding author.
Conflicts of Interest
The authors declare no conflict of interest.
References
- Sarıca, K.; Tyner, W.E. Economic Impacts of Increased U.S. Exports of Natural Gas: An Energy System Perspective. Energies 2016, 9, 401. [Google Scholar] [CrossRef]
- Hinojos, A.; Mireles, J.; Reichardt, A.; Frigola, P.; Hosemann, P.; Murr, L.E.; Wicker, R.B. Joining of Inconel 718 and 316 Stainless Steel using electron beam melting additive manufacturing technology. Mater. Des. 2016, 94, 17–27. [Google Scholar] [CrossRef]
- Michiuchi, M.; Kokawa, H.; Wang, Z.J.; Sato, Y.S.; Sakai, K.J.A.M. Twin-induced grain boundary engineering for 316 austenitic stainless steel. Acta. Mater. 2006, 54, 5179–5184. [Google Scholar] [CrossRef]
- Chandra, K.; Kain, V.; Bhutani, V.; Raja, V.S.; Tewari, R.; Dey, G.K.; Chakravartty, J.K. Low temperature thermal aging of austenitic stainless steel welds: Kinetics and effects on mechanical properties. Mater. Sci. Eng. A 2012, 534, 163–175. [Google Scholar] [CrossRef]
- Shin, H.S.; Lee, H.M.; Kim, M.S. Impact tensile behaviors of 9% nickel steel at low temperature. Int. J. Impact Eng. 2000, 24, 571–581. [Google Scholar] [CrossRef]
- Saucedo-Munoz, M.L.; Watanabe, Y.; Sholi, T.; Takahashi, H. Effect of microstructure evolution on fracture toughness in isothermally aged austenitic stainless steels for cryogenic applications. Cryogenics 2000, 40, 693–700. [Google Scholar] [CrossRef]
- Seong, D.; An, G.; Park, J. Evaluation of Welding Residual Stress Characteristics of High-Strength Steel for Offshore Structures Based on Constraint Effect. J. Weld. Join. 2022, 40, 16–21. [Google Scholar] [CrossRef]
- Yi, M.S.; Seo, J.K. Residual Stress Study of High Manganese Steel Riser Pipe Manufactured by Longitudinal Butt Welding (1): Residual Stress Measurement and FE Analysis. J. Weld. Join. 2021, 39, 135–143. [Google Scholar] [CrossRef]
- Ye, Y.; Wang, Q.; Lu, J.; Liu, C.; Yang, Y. High-entropy alloy: Challenges and prospects. Mater. Today 2016, 19, 349–362. [Google Scholar] [CrossRef]
- Zhang, Y.; Zhou, Y.J.; Lin, J.P.; Chen, G.L.; Liaw, P.K. Solid-solution phase formation rules for multi-component alloys. Adv. Eng. Mater. 2008, 10, 534–538. [Google Scholar] [CrossRef]
- Otto, F.; Yang, Y.; Bei, H.; George, E. Relative effects of enthalpy and entropy on the phase stability of equiatomic high-entropy alloys. Acta Mater. 2013, 61, 2628–2638. [Google Scholar] [CrossRef]
- Wei, D.; Li, X.; Jiang, J.; Heng, W.; Koizumi, Y.; Choi, W.M.; Lee, B.J.; Kim, H.S.; Kato, H.; Chiba, A. Novel Co-rich high performance twinning-induced plasticity (TWIP) and transformation-induced plasticity (TRIP) high-entropy alloys. Scr. Mater. 2019, 165, 39–43. [Google Scholar] [CrossRef]
- Wei, D.; Li, X.; Schönecker, S.; Jiang, J.; Choi, W.M.; Lee, B.J.; Kim, H.S.; Chiba, A.; Kato, H. Development of strong and ductile metastable face-centered cubic single-phase high-entropy alloys. Acta Mater. 2019, 181, 318–330. [Google Scholar] [CrossRef]
- Wei, D.; Li, X.; Heng, W.; Heng, W.; Koizumi, Y.; He, F.; Choi, W.M.; Lee, B.J.; Kim, H.S.; Kato, H. Novel Co-rich high entropy alloys with superior tensile properties. Mater. Res. Lett. 2019, 7, 82–88. [Google Scholar] [CrossRef]
- Son, S.; Lee, D.; Kwon, H.; Moon, J.; Park, K.B.; Kim, A.; Choi, J.; Jeong, J.H.; Cho, S.; Kim, H.S. Microstructure and mechanical properties of equiatomic Ti-containing medium-entropy alloys. J. Alloy. Compd. 2023, 935, 168089. [Google Scholar] [CrossRef]
- Shim, S.H.; Moon, J.; Pouraliakbar, H.; Lee, B.J.; Hong, S.I.; Kim, H.S. Toward excellent tensile properties of nitrogen-doped CoCrFeMnNi high-entropy alloy at room and cryogenic temperatures. J. Alloy. Compd. 2022, 897, 163217. [Google Scholar] [CrossRef]
- Miracle, D.B.; Miller, J.D.; Senkov, O.; Woodward, C.; Uchic, M.D.; Tiley, J. Exploration and Development of High Entropy Alloys for Structural Applications. Entropy 2014, 16, 494–525. [Google Scholar] [CrossRef]
- Haftlang, F.; Kwon, J.; Moon, J.; Asghari-Rad, P.; Kim, H.S. Excellent combination of cryogenic strength and ductility of a metastable Fe65Ni15Co8Mn8Ti3Si medium entropy alloy through the exceptional deformation-induced martensitic transformation. J. Mater. Sci. 2022, 57, 18062–18074. [Google Scholar] [CrossRef]
- Moon, J.; Tabachnikova, E.; Shumilin, S.; Hryhorova, T.; Estrin, Y.; Brechtl, J.; Liaw, P.K.; Wang, W.; Dahmen, K.A.; Zargaran, A.; et al. Deformation behavior of a Co-Cr-Fe-Ni-Mo medium-entropy alloy at extremely low temperatures. Mater. Today 2021, 50, 55–68. [Google Scholar] [CrossRef]
- Kwon, H.; Moon, J.; Bae, J.W.; Park, J.M.; Son, S.; Do, H.S.; Lee, B.J.; Kim, H.S. Precipitation-driven metastability engineering of carbon-doped CoCrFeNiMo medium-entropy alloys at cryogenic temperature. Scr. Mater. 2020, 188, 140–145. [Google Scholar] [CrossRef]
- Nam, H.; Park, C.; Kim, C.; Kim, H.S.; Kang, N.H. Effect of post weld heat treatment on weldability of high entropy alloy welds. Sci. Technol. Weld. Join. 2017, 23, 420–427. [Google Scholar] [CrossRef]
- Nam, H.; Park, C.; Moon, J.; Na, Y.; Kim, H.; Kang, N.H. Laser weldability of cast and rolled high-entropy alloys for cryogenic applications. Mater. Sci. Eng. A 2019, 742, 224–230. [Google Scholar] [CrossRef]
- Nam, H.; Park, S.; Chun, E.-J.; Kim, H.S.; Na, Y.; Kang, N. Laser dissimilar weldability of cast and rolled CoCrFeMnNi high-entropy alloys for cryogenic applications. Sci. Technol. Weld. Join. 2019, 25, 127–134. [Google Scholar] [CrossRef]
- Park, S.; Park, C.; Na, Y.; Kim, H.S.; Kang, N. Effects of (W, Cr) carbide on grain refinement and mechanical properties for CoCrFeMnNi high entropy alloys. J. Alloy. Compd. 2019, 770, 222–228. [Google Scholar] [CrossRef]
- Park, S.; Nam, H.; Na, Y.; Kim, H.; Moon, Y.; Kang, N. Effect of Initial Grain Size on Friction Stir Weldability for Rolled and Cast CoCrFeMnNi High-Entropy Alloys. Met. Mater. Int. 2019, 26, 641–649. [Google Scholar] [CrossRef]
- Oliveira, J.P.; Shen, J.; Zeng, Z.; Park, J.M.; Choi, Y.T.; Schell, N.; Maawad, E.; Zhou, N.; Kim, H.S. Dissimilar laser welding of a CoCrFeMnNi high entropy alloy to 316 stainless steel. Scr. Mater. 2022, 206, 114219. [Google Scholar] [CrossRef]
- Adomako, N.; Kim, J.H. Microstructure and mechanical properties of dissimilar laser lap joint between CoCrFeMnNi-high entropy alloy and duplex stainless steel. Mater. Lett. 2021, 288, 129354. [Google Scholar] [CrossRef]
- Adomako, N.K.; Shin, G.; Park, N.; Park, K.; Kim, J. Laser dissimilar welding of CoCrFeMnNi-high entropy alloy and duplex stainless steel. J. Mater. Sci. Technol. 2021, 85, 95–105. [Google Scholar] [CrossRef]
- Yang, W.; Kil, W.; Moon, B.; Nam, H.; Kang, N. Tensile and Microstructural Behaviors of Austenitic Stainless Steel GTA Welds for Cryogenic Application. J. Weld. Join. 2020, 38, 400–408. [Google Scholar] [CrossRef]
- Wei, D.; Gong, W.; Wang, L.; Tang, B.; Kawasaki, T.; Harjo, S.; Kato, H. Strengthening of high-entropy alloys via modulation of cry-pre-straining-induced defects. J. Mater. Sci. Technol. 2022, 129, 251–260. [Google Scholar] [CrossRef]
- Wei, D.; Gong, W.; Tsuru, T.; Kawasaki, T.; Harjo, S.; Cai, B.; Liaw, P.K.; Kato, H. Mechanical behaviors of equiatomic and near-equiatomic face-centered-cubic phase high-entropy alloys probed using in situ neutron diffraction. Int. J. Plast. 2022, 158, 103417. [Google Scholar] [CrossRef]
- Choi, M.; Lee, J.; Nam, H.; Kang, N.; Kim, M.; Cho, D. Tensile and Microstructural Characteristics of Fe-24Mn Steel Welds for Cryogenic Applications. Met. Mater. Int. 2020, 26, 240–247. [Google Scholar] [CrossRef]
Disclaimer/Publisher’s Note: The statements, opinions and data contained in all publications are solely those of the individual author(s) and contributor(s) and not of MDPI and/or the editor(s). MDPI and/or the editor(s) disclaim responsibility for any injury to people or property resulting from any ideas, methods, instructions or products referred to in the content. |
© 2022 by the authors. Licensee MDPI, Basel, Switzerland. This article is an open access article distributed under the terms and conditions of the Creative Commons Attribution (CC BY) license (https://creativecommons.org/licenses/by/4.0/).








