Distribution of Relaxation Times and Equivalent Circuits Analysis of Ba0.5Sr0.5Co0.8Fe0.2O3−δ
Abstract
1. Introduction
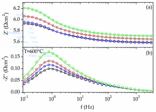
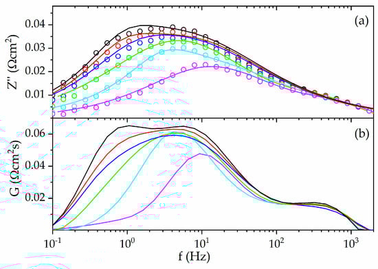
2. Results
3. Discussion
- Oxygen surface exchange is the limiting step in pristine BSCF when T < 700 °C;
- At 700 °C, the surface exchange kinetics, expressed by Rs, are much faster so that most of losses are due to ionic conduction inside the bulk of the electrode and at the electrode–electrolyte interface.
4. Materials and Methods
5. Conclusions
Author Contributions
Funding
Conflicts of Interest
References
- Ramadhani, F.; Hussain, M.A.; Mokhlis, H.; Hajimolana, S. Optimization strategies for Solid Oxide Fuel Cell (SOFC) application: A literature survey. Renew. Sustain. Energy Rev. 2017, 76, 460–484. [Google Scholar] [CrossRef]
- Götz, M.; Lefebvre, J.; Mörs, F.; McDaniel Koch, A.; Graf, F.; Bajohr, S.; Reimert, R.; Kolb, T. Renewable Power-to-Gas: A technological and economic review. Renew. Energy 2016, 85, 1371–1390. [Google Scholar] [CrossRef]
- Marrony, M.; Dailly, J. Advanced Proton Conducting Ceramic Cell as Energy Storage Device. J. Electrochem. Soc. 2017, 164, F988–F994. [Google Scholar] [CrossRef]
- Presto, S.; Barbucci, A.; Carpanese, M.; Han, F.; Costa, R.; Viviani, M. Application of La-Doped SrTiO3 in Advanced Metal-Supported Solid Oxide Fuel Cells. Crystals 2018, 8, 134. [Google Scholar] [CrossRef]
- Mahadik, P.S.; Shirsat, A.N.; Saha, B.; Sitapure, N.; Tyagi, D.; Varma, S.; Wani, B.N.; Bharadwaj, S.R. Chemical compatibility study of BSCF cathode materials with proton-conducting BCY/BCZY/BZY electrolytes. J. Therm. Anal. Calorim. 2019, 2. [Google Scholar] [CrossRef]
- Presto, S.; Barbucci, A.; Viviani, M.; Ilhan, Z.; Ansar, A.; Soysal, D.; Thorel, A.S.; Abreu, J.; Chesnaud, A.; Politova, T.; et al. IDEAL-Cell, Innovative Dual mEmbrAne fueL-Cell: Fabrication and Electrochemical Testing of First Prototypes. ECS Trans. 2009, 25, 773–782. [Google Scholar]
- Thorel, A.S.; Abreu, J.; Ansar, S.A.; Barbucci, A.; Brylewski, T.; Chesnaud, A.; Ilhan, Z.; Piccardo, P.; Prazuch, J.; Presto, S.; et al. Proof of Concept for the Dual Membrane Cell: I. Fabrication and Electrochemical Testing of First Prototypes. J. Electrochem. Soc. 2013, 160, F360–F366. [Google Scholar] [CrossRef]
- Fleig, J. Solid Oxide Fuel Cell Cathodes: Polarization Mechanisms and Modeling of the Electrochemical Performance. Annu. Rev. Mater. Res. 2003, 33, 361–382. [Google Scholar] [CrossRef]
- Nicolella, C.; Bertei, A.; Viviani, M.; Barbucci, A. Morphology and electrochemical activity of SOFC composite cathodes: II. Mathematical modelling. J. Appl. Electrochem. 2009, 39, 503–511. [Google Scholar] [CrossRef]
- Barbucci, A.; Viviani, M.; Panizza, M.; Delucchi, M.; Cerisola, G. Analysis of the oxygen reduction process on SOFC composite electrodes. J. Appl. Electrochem. 2005, 35, 399–403. [Google Scholar] [CrossRef]
- da Silva, F.S.; de Souza, T.M. Novel materials for solid oxide fuel cell technologies: A literature review. Int. J. Hydrogen Energy 2017, 42, 26020–26036. [Google Scholar] [CrossRef]
- Giuliano, A.; Carpanese, M.P.; Panizza, M.; Cerisola, G.; Clematis, D.; Barbucci, A. Characterisation of La0.6Sr0.4Co0.2Fe0.8O3−δ–Ba0.5Sr0.5Co0.8Fe0.2O3−δ composite as cathode for solid oxide fuel cells. Electrochim. Acta 2017, 240, 258–266. [Google Scholar] [CrossRef]
- Bertei, A.; Barbucci, A.; Carpanese, M.P.; Viviani, M.; Nicolella, C. Morphological and electrochemical modeling of SOFC composite cathodes with distributed porosity. Chem. Eng. J. 2012, 207–208, 167–174. [Google Scholar] [CrossRef]
- Yamada, I.; Odake, T.; Asai, K.; Oka, K.; Kawaguchi, S.; Wada, K.; Yagi, S. High-pressure synthesis of highly oxidized Ba0.5Sr0.5Co0.8Fe0.2O3−δ cubic perovskite. Mater. Chem. Front. [CrossRef]
- Brisotto, M.; Cernuschi, F.; Drago, F.; Lenardi, C.; Rosa, P.; Meneghini, C.; Merlini, M.; Rinaldi, C. High temperature stability of Ba0.5Sr0.5Co0.8Fe0.2O3−δ and La0.6Sr0.4Co1−yFeyO3−δ oxygen separation perovskite membranes. J. Eur. Ceram. Soc. 2016, 36, 1679–1690. [Google Scholar] [CrossRef]
- Yaremchenko, A.A.; Patrakeev, M.V.; Naumovich, E.N.; Khalyavin, D.D. The p (O2)–T stability domain of cubic perovskite Ba0.5Sr0.5Co0.8Fe0.2O3−δ. Phys. Chem. Chem. Phys. 2018, 20, 4442–4454. [Google Scholar] [CrossRef] [PubMed]
- Svarcova, S.; Wiik, K.; Tolchard, J.; Bouwmeester, H.J.M.; Grande, T. Structural instability of cubic perovskite BaxSr1−xCo1−yFeyO3−δ. Solid State Ionics 2008, 178, 1787–1791. [Google Scholar] [CrossRef]
- Unger, L.-S.; Niedrig, C.; Wagner, S.F.; Menesklou, W.; Baumann, S.; Meulenberg, W.A.; Ivers-Tiffée, E. Yttrium doping of Ba0.5Sr0.5Co0.8Fe0.2O3−δ part I: Influence on oxygen permeation, electrical properties, reductive stability, and lattice parameters. J. Eur. Ceram. Soc. 2018, 38, 2378–2387. [Google Scholar] [CrossRef]
- Unger, L.-S.; Ruhl, R.; Meffert, M.; Niedrig, C.; Menesklou, W.; Wagner, S.F.; Gerthsen, D.; Bouwmeester, H.J.M.; Ivers-Tiffée, E. Yttrium doping of Ba0.5Sr0.5Co0.8Fe0.2O3−δ part II: Influence on oxygen transport and phase stability. J. Eur. Ceram. Soc. 2018, 38, 2388–2395. [Google Scholar] [CrossRef]
- Müller, P.; Störmer, H.; Dieterle, L.; Niedrig, C.; Ivers-Tiffée, E.; Gerthsen, D. Decomposition pathway of cubic Ba0.5Sr0.5Co0.8Fe0.2O3−δ between 700 °C and 1000 °C analyzed by electron microscopic techniques. Solid State Ionics 2012, 206, 57–66. [Google Scholar] [CrossRef]
- Müller, P.; Störmer, H.; Meffert, M.; Dieterle, L.; Niedrig, C.; Wagner, S.F.; Ivers-Tiffée, E.; Gerthsen, D. Secondary Phase Formation in Ba0.5Sr0.5Co0.8Fe0.2O3–d Studied by Electron Microscopy. Chem. Mater. 2013, 25, 564–573. [Google Scholar] [CrossRef]
- Merkle, R.; Mastrikov, Y.A.; Kotomin, E.A.; Kuklja, M.M.; Maier, J. First Principles Calculations of Oxygen Vacancy Formation and Migration in Ba1−xSrxCo1−yFeyO3−δ Perovskites. J. Electrochem. Soc. 2011, 159, B219–B226. [Google Scholar] [CrossRef]
- Meffert, M.; Unger, L.-S.; Störmer, H.; Sigloch, F.; Wagner, S.F.; Ivers-Tiffée, E.; Gerthsen, D. The effect of B-site Y substitution on cubic phase stabilization in (Ba0.5Sr0.5)(Co0.8Fe0.2)O3−δ. J. Am. Ceram. Soc. 2019, 1–14. [Google Scholar]
- Yan, A.; Maragou, V.; Aricò, A.; Cheng, M.; Tsiakaras, P. Investigation of a Ba0.5Sr0.5Co0.8Fe0.2O3−δ based cathode SOFC. Appl. Catal. B Environ. 2007, 76, 320–327. [Google Scholar] [CrossRef]
- Barsoukov, E.; Macdonald, J.R. Impedance Spectroscopy. Theory, Experiment, and Applications, 2nd ed.; Barsukov, E., Macdonald, J.R., Eds.; Wiley-Interscience: Hoboken, NJ, USA, 2005; ISBN 0-471-64749-7. [Google Scholar]
- Boukamp, B.A.; Rolle, A. Use of a distribution function of relaxation times (DFRT) in impedance analysis of SOFC electrodes. Solid State Ionics 2018, 314, 103–111. [Google Scholar] [CrossRef]
- Schichlein, H.; Müller, A.C.; Voigts, M.; Krügel, A.; Ivers-Tiffée, E. Deconvolution of electrochemical impedance spectra for the identification of electrode reaction mechanisms in solid oxide fuel cells. J. Appl. Electrochem. 2002, 32, 875–882. [Google Scholar] [CrossRef]
- Giuliano, A.; Carpanese, M.P.; Clematis, D.; Boaro, M.; Pappacena, A.; Deganello, F.; Liotta, L.F.; Barbucci, A. Infiltration, Overpotential and Ageing Effects on Cathodes for Solid Oxide Fuel Cells: La0.6Sr0.4Co0.2Fe0.8O3−δ versus Ba0.5Sr0.5Co0.8Fe0.2O3−δ. J. Electrochem. Soc. 2017, 164, F3114–F3122. [Google Scholar] [CrossRef]
- Carpanese, M.P.; Clematis, D.; Viviani, M.; Presto, S.; Panizza, M.; Cerisola, G.; Barbucci, A. Characterisation of La0.6Sr0.4Co0.2Fe0.8O3−δ-Ba0.5Sr0.5Co0.8Fe0.2O3−δ composite as cathode for solid oxide fuel cells. Bulg. Chem. Commun. 2018, 50, 95–101. [Google Scholar]
- Deganello, F.; Liotta, L.F.; Marcì, G.; Fabbri, E.; Traversa, E. Strontium and iron-doped barium cobaltite prepared by solution combustion synthesis: Exploring a mixed-fuel approach for tailored intermediate temperature solid oxide fuel cell cathode materials. Mater. Renew. Sustain. Energy 2013, 2, 8. [Google Scholar] [CrossRef][Green Version]
- Efimov, K.; Xu, Q.; Feldhoff, A. Transmission Electron Microscopy Study of Ba0.5Sr0.5Co0.8Fe0.2O3−δ Perovskite Decomposition at Intermediate Temperatures. Chem. Mater. 2010, 22, 5866–5875. [Google Scholar] [CrossRef]
- Zhang, Y.; Chen, Y.; Yan, M.; Chen, F. Reconstruction of relaxation time distribution from linear electrochemical impedance spectroscopy. J. Power Sources 2015, 283, 464–477. [Google Scholar] [CrossRef]
- Jamnik, J.; Maier, J. Generalised equivalent circuits for mass and charge transport: Chemical capacitance and its implications. Phys. Chem. Chem. Phys. 2001, 3, 1668–1678. [Google Scholar] [CrossRef]
- Raikova, G.; Carpanese, P.; Stoynov, Z.; Vladikova, D.; Viviani, M.; Barbucci, A. Inductance correction in impedance studies of solid oxide fuel cells. Bulg. Chem. Commun. 2009, 41, 199–206. [Google Scholar]
- Wan, T.H.; Saccoccio, M.; Chen, C.; Ciucci, F. Influence of the Discretization Methods on the Distribution of Relaxation Times Deconvolution: Implementing Radial Basis Functions with DRTtools. Electrochim. Acta 2015, 184, 483–499. [Google Scholar] [CrossRef]







© 2019 by the authors. Licensee MDPI, Basel, Switzerland. This article is an open access article distributed under the terms and conditions of the Creative Commons Attribution (CC BY) license (http://creativecommons.org/licenses/by/4.0/).
Share and Cite
Clematis, D.; Presto, S.; Carpanese, M.P.; Barbucci, A.; Deganello, F.; Liotta, L.F.; Aliotta, C.; Viviani, M. Distribution of Relaxation Times and Equivalent Circuits Analysis of Ba0.5Sr0.5Co0.8Fe0.2O3−δ. Catalysts 2019, 9, 441. https://doi.org/10.3390/catal9050441
Clematis D, Presto S, Carpanese MP, Barbucci A, Deganello F, Liotta LF, Aliotta C, Viviani M. Distribution of Relaxation Times and Equivalent Circuits Analysis of Ba0.5Sr0.5Co0.8Fe0.2O3−δ. Catalysts. 2019; 9(5):441. https://doi.org/10.3390/catal9050441
Chicago/Turabian StyleClematis, Davide, Sabrina Presto, Maria Paola Carpanese, Antonio Barbucci, Francesca Deganello, Leonarda Francesca Liotta, Chiara Aliotta, and Massimo Viviani. 2019. "Distribution of Relaxation Times and Equivalent Circuits Analysis of Ba0.5Sr0.5Co0.8Fe0.2O3−δ" Catalysts 9, no. 5: 441. https://doi.org/10.3390/catal9050441
APA StyleClematis, D., Presto, S., Carpanese, M. P., Barbucci, A., Deganello, F., Liotta, L. F., Aliotta, C., & Viviani, M. (2019). Distribution of Relaxation Times and Equivalent Circuits Analysis of Ba0.5Sr0.5Co0.8Fe0.2O3−δ. Catalysts, 9(5), 441. https://doi.org/10.3390/catal9050441

