Carbon-Coated Ni-Fe Nanocatalysts: Bridging the Gap in Cinnamaldehyde Hydrogenation Performance and Durability
Abstract
:1. Introduction
2. Results and Discussion
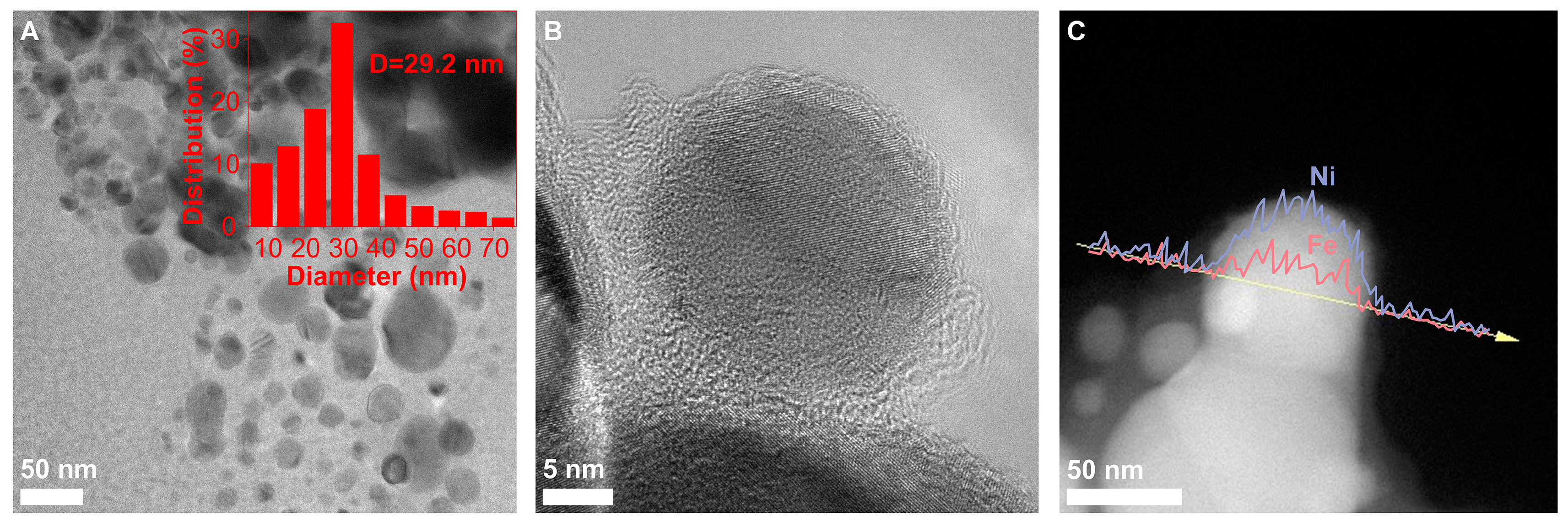
2.1. Characterizations of the Catalysts
2.2. Catalytic Performance of the Catalysts
2.3. Cycle Stability of the Catalyst
3. Experimental Section
3.1. Materials
3.2. Catalyst Preparation
3.3. Catalyst Characterization
3.4. Catalyst Activity Evaluation
4. Conclusions
Supplementary Materials
Author Contributions
Funding
Data Availability Statement
Conflicts of Interest
References
- Hao, C.H.; Guo, X.N.; Pan, Y.T.; Chen, S.; Jiao, Z.F.; Yang, H.; Guo, X.Y. Visible-light-driven selective photocatalytic hydrogenation of cinnamaldehyde over Au/SiC catalysts. J. Am. Chem. Soc. 2016, 138, 9361–9364. [Google Scholar] [CrossRef] [PubMed]
- Zhang, L.; Zhou, M.; Wang, A.; Zhang, T. Selective hydrogenation over supported metal catalysts: From nanoparticles to single atoms. Chem. Rev. 2019, 120, 683–733. [Google Scholar] [CrossRef] [PubMed]
- Wang, X.; Liang, X.; Geng, P.; Li, Q. Recent advances in selective hydrogenation of cinnamaldehyde over supported metal-based catalysts. ACS Catal. 2020, 10, 2395–2412. [Google Scholar] [CrossRef]
- Gallezot, P.; Richard, D. Selective hydrogenation of α, β-unsaturated aldehydes. Catal. Rev. 1998, 40, 81–126. [Google Scholar] [CrossRef]
- Lan, X.; Wang, T. Highly selective catalysts for the hydrogenation of unsaturated aldehydes: A review. ACS Catal. 2020, 10, 2764–2790. [Google Scholar] [CrossRef]
- Patil, K.N.; Prasad, D.; Bhanushali, J.T.; Kakade, B.; Jadhav, A.H.; Nagaraja, B.M. Chemoselective hydrogenation of cinnamaldehyde over a tailored oxygen-vacancy-rich Pd@ZrO2 catalyst. New J. Chem. 2021, 45, 5659–5681. [Google Scholar] [CrossRef]
- Yang, Y.; Rao, D.; Chen, Y.; Dong, S.; Wang, B.; Zhang, X.; Wei, M. Selective Hydrogenation of Cinnamaldehyde over Co-Based Intermetallic Compounds Derived from Layered Double Hydroxides. ACS Catal. 2018, 8, 11749–11760. [Google Scholar] [CrossRef]
- Johar, P.; McElroy, C.R.; Rylott, E.L.; Matharu, A.S.; Clark, J.H. Biologically bound nickel as a sustainable catalyst for the selective hydrogenation of cinnamaldehyde. Appl. Catal. B Environ. 2022, 306, 121105. [Google Scholar] [CrossRef]
- Zhang, Y.; Liao, S.; Xu, Y.; Yu, D. Catalytic selective hydrogenation of cinnamaldehyde to hydrocinnamaldehyde. Appl. Catal. A Gen. 2000, 192, 247–251. [Google Scholar] [CrossRef]
- Zhao, J.; Yuan, H.; Gui, Y.; Li, X.; Qin, X.; Wei, C.; Liu, Y.; Wang, G.; Zhou, L.; Fang, S. Engineering the interface of Au nanocatalysts with FeOx for enhanced selective hydrogenation of cinnamaldehyde. J. Mater. Sci. 2021, 56, 5760–5771. [Google Scholar] [CrossRef]
- Giroir-Fendler, A.; Richard, D.; Gallezot, P. Selectivity in cinnamaldehyde hydrogenation of group-VIII metals supported on graphite and carbon. In Studies in Surface Science and Catalysis; Elsevier: Amsterdam, The Netherlands, 1988; Volume 41, pp. 171–178. [Google Scholar]
- Li, R.; Yao, W.; Jin, Y.; Jia, W.; Chen, X.; Chen, J.; Zheng, J.; Hu, Y.; Han, D.; Zhao, J. Selective hydrogenation of the C=C bond in cinnamaldehyde over an ultra-small Pd-Ag alloy catalyst. Chem. Eng. J. 2018, 351, 995–1005. [Google Scholar] [CrossRef]
- Konuspayeva, Z.; Berhault, G.; Afanasiev, P.; Nguyen, T.S.; Giorgio, S.; Piccolo, L. Monitoring in situ the colloidal synthesis of AuRh/TiO2 selective-hydrogenation nanocatalysts. J. Mater. Chem. A 2017, 5, 17360–17367. [Google Scholar] [CrossRef]
- Xu, X.; Li, G.; Zhang, F.; Jiang, G.; Hao, Z. High temperature H2S selective oxidation on a copper-substituted hexaaluminate catalyst: A facile process for treating low concentration acid gas. Chin. Chem. Lett. 2022, 33, 1279–1282. [Google Scholar] [CrossRef]
- Luneau, M.; Lim, J.S.; Patel, D.A.; Sykes, E.C.H.; Friend, C.M.; Sautet, P. Guidelines to achieving high selectivity for the hydrogenation of α, β-unsaturated aldehydes with bimetallic and dilute alloy catalysts: A review. Chem. Rev. 2020, 120, 12834–12872. [Google Scholar] [CrossRef] [PubMed]
- Zhao, J.; Malgras, V.; Na, J.; Liang, R.; Cai, Y.; Kang, Y.; Alshehri, A.A.; Alzahrani, K.A.; Alghamdi, Y.G.; Asahi, T.; et al. Magnetically induced synthesis of mesoporous amorphous CoB nanochains for efficient selective hydrogenation of cinnamaldehyde to cinnamyl alcohol. Chem. Eng. J. 2020, 398, 125564. [Google Scholar] [CrossRef]
- Mohire, S.S.; Yadav, G.D. Selective synthesis of hydrocinnamaldehyde over bimetallic Ni–Cu nanocatalyst supported on graphene oxide. Ind. Eng. Chem. Res. 2018, 57, 9083–9093. [Google Scholar]
- Dragoi, B.; Mazilu, I.; Chirieac, A.; Ciotonea, C.; Ungureanu, A.; Marceau, E.; Dumitriu, E.; Royer, S. Highly dispersed copper (oxide) nanoparticles prepared on SBA-15 partially occluded with the P123 surfactant: Toward the design of active hydrogenation catalysts. Catal. Sci. Technol. 2017, 7, 5376–5385. [Google Scholar] [CrossRef]
- Patil, K.N.; Manikanta, P.; Srinivasappa PK, M.; Jadhav, A.H.; Nagaraja, B.M. State-of-the-art and perspectives in transition metal-based heterogeneous catalysis for selective hydrogenation of cinnamaldehyde. J. Environ. Chem. Eng. 2022, 11, 109168. [Google Scholar] [CrossRef]
- Li, Y.J.; Dong, K.; Ma, X.K.; Shi, J.; Fu, J.W.; Chu, G.W.; Zou, H.K.; Sun, B.C. Synthesis of highly efficient Nano-Ni-Pt catalyst in a rotating packed bed for cinnamaldehyde hydrogenation. Sep. Purif. Technol. 2023, 315, 123631. [Google Scholar] [CrossRef]
- Mäki-Arvela, P.; Hájek, J.; Salmi, T.; Murzin, D.Y. Chemoselective hydrogenation of carbonyl compounds over heterogeneous catalysts. Appl. Catal. A Gen. 2005, 292, 1–49. [Google Scholar] [CrossRef]
- Hou, Q.; Cai, J.; Zuo, L.; Chen, H.; Fu, Y.; Shen, J. Selective hydrogenation of furfural over supported nickel and nickel phosphide catalysts. Appl. Surf. Sci. 2023, 619, 156738. [Google Scholar] [CrossRef]
- Tian, F.; Zhang, M.; Zhang, X.; Chen, X.; Wang, J.; Zhang, Y.; Meng, C.; Liang, C. Porous carbon-encapsulated Ni nanocatalysts for selective catalytic hydrogenation of cinnamaldehyde to hydrocinnamaldehyde. J. Mater. Sci. 2022, 57, 3168–3182. [Google Scholar] [CrossRef]
- Jiang, G.; Yang, Z.; Zhang, F.; Li, G.; Wei, Z.; Niu, B.; Zhao, M.; Zhang, Z.; Hao, Z. Thermal Decomposition of H2S at Low Temperature on Mo-Containing Catalysts Derived from MAlO (M = Mg, Co, and Ni) Layered Double Hydroxides. Ind. Eng. Chem. Res. 2023, 62, 7224–7234. [Google Scholar] [CrossRef]
- Bonita, Y.; Jain, V.; Geng, F.; O’Connell, T.P.; Ramos, N.X.; Rai, N.; Hicks, J.C. Hydrogenation of cinnamaldehyde to cinnamyl alcohol with metal phosphides: Catalytic consequences of product and pyridine doping. Appl. Catal. B Environ. 2020, 277, 119272. [Google Scholar] [CrossRef]
- Besson, M.; Gallezot, P.; Pinel, C. Conversion of biomass into chemicals over metal catalysts. Chem. Rev. 2014, 114, 1827–1870. [Google Scholar] [CrossRef]
- Yang, X.; Chen, D.; Liao, S.; Song, H.; Li, Y.; Fu, Z.; Su, Y. High-performance Pd–Au bimetallic catalyst with mesoporous silica nanoparticles as support and its catalysis of cinnamaldehyde hydrogenation. J. Catal. 2012, 291, 36–43. [Google Scholar] [CrossRef]
- Putro, W.S.; Kojima, T.; Hara, T.; Ichikuni, N.; Shimazu, S. Selective hydrogenation of unsaturated carbonyls by Ni–Fe-based alloy catalysts. Catal. Sci. Technol. 2017, 7, 3637–3646. [Google Scholar] [CrossRef]
- Vilar, M.; Oliveira, J.L.; Navarro, M. Investigation of the hydrogenation reactivity of some organic substrates using an electrocatalytic method. Appl. Catal. A Gen. 2010, 372, 1–7. [Google Scholar] [CrossRef]
- Xin, H.; Li, M.; Chen, L.; Zhao, C.; Wu, P.; Li, X. Lanthanide oxide supported Ni nanoparticles for the selective hydrogenation of cinnamaldehyde. Catal. Sci. Technol. 2023, 13, 1488–1500. [Google Scholar] [CrossRef]
- Lv, Y.; Batool, A.; Wei, Y.; Xin, Q.; Boddula, R.; Jan, S.U.; Akram, M.Z.; Tian, L.; Guo, B.; Gong, J.R. Homogeneously distributed NiFe alloy nanoparticles on 3D carbon fiber network as a bifunctional electrocatalyst for overall water splitting. ChemElectroChem 2019, 6, 2497–2502. [Google Scholar] [CrossRef]
- Yoo, J.M.; Shin, H.; Chung, D.Y.; Sung, Y.E. Carbon shell on active nanocatalyst for stable electrocatalysis. Acc. Chem. Res. 2022, 55, 1278–1289. [Google Scholar] [CrossRef] [PubMed]
- Qi, C.; Li, S.; Yang, Z.; Xiao, Z.; Zhao, L.; Yang, F.; Ning, G.; Ma, X.; Wang, C.; Xu, J.; et al. Suitable thickness of carbon coating layers for silicon anode. Carbon 2022, 186, 530–538. [Google Scholar] [CrossRef]
- Zhang, P.; Soomro, R.A.; Guan, Z.; Sun, N.; Xu, B. 3D carbon-coated MXene architectures with high and ultrafast lithium/sodium-ion storage. Energy Storage Mater. 2020, 29, 163–171. [Google Scholar] [CrossRef]
- Liu, H.; Chen, L.; Hou, C.C.; Wei, Y.S.; Xu, Q. Soluble porous carbon cage-encapsulated highly active metal nanoparticle catalysts. J. Mater. Chem. A 2021, 9, 13670–13677. [Google Scholar] [CrossRef]
- Zhang, H.; Liu, J.; Tian, Z.; Ye, Y.; Cai, Y.; Liang, C.; Terabe, K. A general strategy toward transition metal carbide/carbon core/shell nanospheres and their application for supercapacitor electrode. Carbon 2016, 100, 590–599. [Google Scholar] [CrossRef]
- Wang, L.; Wang, L.; Meng, X.; Xiao, F.S. New strategies for the preparation of sinter-resistant metal-nanoparticle-based catalysts. Adv. Mater. 2019, 31, 1901905. [Google Scholar] [CrossRef]
- Zhou, S.; Fang, C.; Song, X.; Liu, G. The influence of compact and ordered carbon coating on solid-state behaviors of silicon during electrochemical processes. Carbon Energy 2020, 2, 143–150. [Google Scholar] [CrossRef]
- Qi, W.H.; Wang, M.P. Size and shape dependent lattice parameters of metallic nanoparticles. J. Nanoparticle Res. 2005, 7, 51–57. [Google Scholar] [CrossRef]
- Xu, X.; Li, L.; Huang, J.; Jin, H.; Fang, X.; Liu, W.; Zhang, N.; Wang, H.; Wang, X. Engineering Ni3+ cations in NiO lattice at the atomic level by Li+ doping: The roles of Ni3+ and oxygen species for CO oxidation. ACS Catal. 2018, 8, 8033–8045. [Google Scholar] [CrossRef]
- Ponnusamy, P.M.; Agilan, S.; Muthukumarasamy, N.; Senthil, T.S.; Rajesh, G.; Venkatraman, M.R.; Velauthapillai, D. Structural, optical and magnetic properties of undoped NiO and Fe-doped NiO nanoparticles synthesized by wet-chemical process. Mater. Charact. 2016, 114, 166–171. [Google Scholar] [CrossRef]
- Fang, H.; Zheng, J.; Luo, X.; Du, J.; Roldan, A.; Leoni, S.; Yuan, Y. Product tunable behavior of carbon nanotubes-supported Ni–Fe catalysts for guaiacol hydrodeoxygenation. Appl. Catal. A Gen. 2017, 529, 20–31. [Google Scholar] [CrossRef]
- Yu, X.; Chen, J.; Ren, T. Promotional effect of Fe on performance of Ni/SiO2 for deoxygenation of methyl laurate as a model compound to hydrocarbons. RSC Adv. 2014, 4, 46427–46436. [Google Scholar] [CrossRef]
- Alonso, D.M.; Wettstein, S.G.; Dumesic, J.A. Bimetallic catalysts for upgrading of biomass to fuels and chemicals. Chem. Soc. Rev. 2012, 41, 8075–8098. [Google Scholar] [CrossRef] [PubMed]
- Zhang, W.; Wu, W.; Long, Y.; Wang, F.; Ma, J. Co-Ag alloy protected by nitrogen doped carbon as highly efficient and chemoselective catalysts for the hydrogenation of halogenated nitrobenzenes. J. Colloid Interface Sci. 2018, 522, 217–227. [Google Scholar] [CrossRef] [PubMed]
- Qin, Y.; Bai, X. Hydrogenation of N-ethylcarbazole over Ni-Ru alloy nanoparticles loaded on graphitized carbon prepared by carbothermal reduction. Fuel 2022, 307, 121921. [Google Scholar] [CrossRef]
- Shi, D.; Sadier, A.; Girardon, J.S.; Mamede, A.S.; Ciotonea, C.; Marinova, M.; Stievano, L.; Sougrati, M.T.; La Fontaine, C.; Paul, S.; et al. Probing the core and surface composition of nanoalloy to rationalize its selectivity: Study of Ni-Fe/SiO2 catalysts for liquid-phase hydrogenation. Chem Catal. 2022, 2, 1686–1708. [Google Scholar] [CrossRef]
- Ashok, J.; Kawi, S. Nickel–iron alloy supported over iron–alumina catalysts for steam reforming of biomass tar model compound. ACS Catal. 2014, 4, 289–301. [Google Scholar] [CrossRef]
- Pan, H.; Peng, Y.; Lu, X.; He, J.; He, L.; Wang, C.; Yue, F.; Zhang, H.; Zhou, D.; Xia, Q. Well-constructed Ni@CN material derived from di-ligands Ni-MOF to catalyze mild hydrogenation of nitroarenes. Mol. Catal. 2020, 485, 110838. [Google Scholar] [CrossRef]
- Tang, F.; Wang, L.; Walle, M.D.; Mustapha, A.; Liu, Y.N. An alloy chemistry strategy to tailoring the d-band center of Ni by Cu for efficient and selective catalytic hydrogenation of furfural. J. Catal. 2020, 383, 172–180. [Google Scholar] [CrossRef]
- Tang, F.; Wang, L.; Liu, Y.N. Biomass-derived N-doped porous carbon: An efficient metal-free catalyst for methylation of amines with CO2. Green Chem. 2019, 21, 6252–6257. [Google Scholar] [CrossRef]
- Erokhin, A.V.; Lokteva, E.S.; Yermakov, A.Y.; Boukhvalov, D.W.; Maslakov, K.I.; Golubina, E.V.; Uimin, M.A. Phenylacetylene hydrogenation on Fe@C and Ni@C core–shell nanoparticles: About intrinsic activity of graphene-like carbon layer in H2 activation. Carbon 2014, 74, 291–301. [Google Scholar] [CrossRef]
- Xie, R.; Fan, G.; Ma, Q.; Yang, L.; Li, F. Facile synthesis and enhanced catalytic performance of graphene-supported Ni nanocatalyst from a layered double hydroxide-based composite precursor. J. Mater. Chem. A 2014, 2, 7880–7889. [Google Scholar] [CrossRef]
- Xu, C.; Zondlo, J.W.; Gong, M.; Liu, X. Effect of PH3 poisoning on a Ni-YSZ anode-supported solid oxide fuel cell under various operating conditions. J. Power Sources 2011, 196, 116–125. [Google Scholar] [CrossRef]
- Singh, S.K.; Xu, Q. Bimetallic nickel-iridium nanocatalysts for hydrogen generation by decomposition of hydrous hydrazine. Chem. Commun. 2010, 46, 6545–6547. [Google Scholar] [CrossRef] [PubMed]
- Peck, M.A.; Langell, M.A. Comparison of nanoscaled and bulk NiO structural and environmental characteristics by XRD, XAFS, and XPS. Chem. Mater. 2012, 24, 4483–4490. [Google Scholar] [CrossRef]
- Zhang, L.; Chen, X.; Peng, Z.; Liang, C. Chemoselective hydrogenation of cinnamaldehyde over MOFs-derived M2Si@C (M= Fe, Co, Ni) silicides catalysts. Mol. Catal. 2018, 449, 14–24. [Google Scholar] [CrossRef]
- Guan, J.; Chen, X.; Yang, K.; Rykov, A.; Wang, J.; Liang, C. Preparation and size-dependent magnetism of highly dispersed iron silicide nanoparticles on silica. J. Mater. Chem. C 2014, 2, 5292–5298. [Google Scholar] [CrossRef]
- Li, C.; Xu, G.; Zhai, Y.; Liu, X.; Ma, Y.; Zhang, Y. Hydrogenation of biomass-derived ethyl levulinate into γ-valerolactone by activated carbon supported bimetallic Ni and Fe catalysts. Fuel 2017, 203, 23–31. [Google Scholar] [CrossRef]
- Prakash, M.G.; Mahalakshmy, R.; Krishnamurthy, K.R.; Viswanathan, B. Studies on Ni–M (M=Cu, Ag, Au) bimetallic catalysts for selective hydrogenation of cinnamaldehyde. Catal. Today 2016, 263, 105–111. [Google Scholar] [CrossRef]
- Shao, Y.; Wang, J.; Sun, K.; Gao, G.; Li, C.; Zhang, L.; Zhang, S.; Xu, L.; Hu, G.; Hu, X. Selective hydrogenation of furfural and its derivative over bimetallic NiFe-based catalysts: Understanding the synergy between Ni sites and Ni–Fe alloy. Renew. Energy 2021, 170, 1114–1128. [Google Scholar] [CrossRef]
- Chieffi, G.; Giordano, C.; Antonietti, M.; Esposito, D. FeNi nanoparticles with carbon armor as sustainable hydrogenation catalysts: Towards biorefineries. J. Mater. Chem. A 2014, 2, 11591–11596. [Google Scholar] [CrossRef]
- Zhong, J.; Deng, Q.; Cai, T.; Li, X.; Gao, R.; Wang, J.; Zeng, Z.; Dai, G.; Deng, S. Graphitic carbon embedded FeNi nanoparticles for efficient deoxygenation of stearic acid without using hydrogen and solvent. Fuel 2021, 292, 120248. [Google Scholar] [CrossRef]




Disclaimer/Publisher’s Note: The statements, opinions and data contained in all publications are solely those of the individual author(s) and contributor(s) and not of MDPI and/or the editor(s). MDPI and/or the editor(s) disclaim responsibility for any injury to people or property resulting from any ideas, methods, instructions or products referred to in the content. |
© 2023 by the authors. Licensee MDPI, Basel, Switzerland. This article is an open access article distributed under the terms and conditions of the Creative Commons Attribution (CC BY) license (https://creativecommons.org/licenses/by/4.0/).
Share and Cite
Cai, Y.; Yin, A.; Zhang, J.; Wang, J.; Qin, X.; Yang, Y.; Qin, G.; Sun, X.; He, P.; Yang, Y. Carbon-Coated Ni-Fe Nanocatalysts: Bridging the Gap in Cinnamaldehyde Hydrogenation Performance and Durability. Catalysts 2023, 13, 1474. https://doi.org/10.3390/catal13121474
Cai Y, Yin A, Zhang J, Wang J, Qin X, Yang Y, Qin G, Sun X, He P, Yang Y. Carbon-Coated Ni-Fe Nanocatalysts: Bridging the Gap in Cinnamaldehyde Hydrogenation Performance and Durability. Catalysts. 2023; 13(12):1474. https://doi.org/10.3390/catal13121474
Chicago/Turabian StyleCai, Yuhang, Anping Yin, Jianxiang Zhang, Jiatai Wang, Xiaofei Qin, Yibo Yang, Gaolei Qin, Xiaodong Sun, Peng He, and Yong Yang. 2023. "Carbon-Coated Ni-Fe Nanocatalysts: Bridging the Gap in Cinnamaldehyde Hydrogenation Performance and Durability" Catalysts 13, no. 12: 1474. https://doi.org/10.3390/catal13121474
APA StyleCai, Y., Yin, A., Zhang, J., Wang, J., Qin, X., Yang, Y., Qin, G., Sun, X., He, P., & Yang, Y. (2023). Carbon-Coated Ni-Fe Nanocatalysts: Bridging the Gap in Cinnamaldehyde Hydrogenation Performance and Durability. Catalysts, 13(12), 1474. https://doi.org/10.3390/catal13121474
