Investigating the Effects of Organonitrogen Types on Hydrodearomatization Reactions over Commercial NiMoS Catalyst
Abstract
:1. Introduction
2. Results and Discussion
2.1. Phenanthrene Hydrogenation
2.2. Addition of Organic Nitrogen
2.3. Hydrodenitrogenation of Carbazole and Acridine
2.4. Co-Feeding Organic Nitrogen and Phenanthrene
3. Materials and Methods
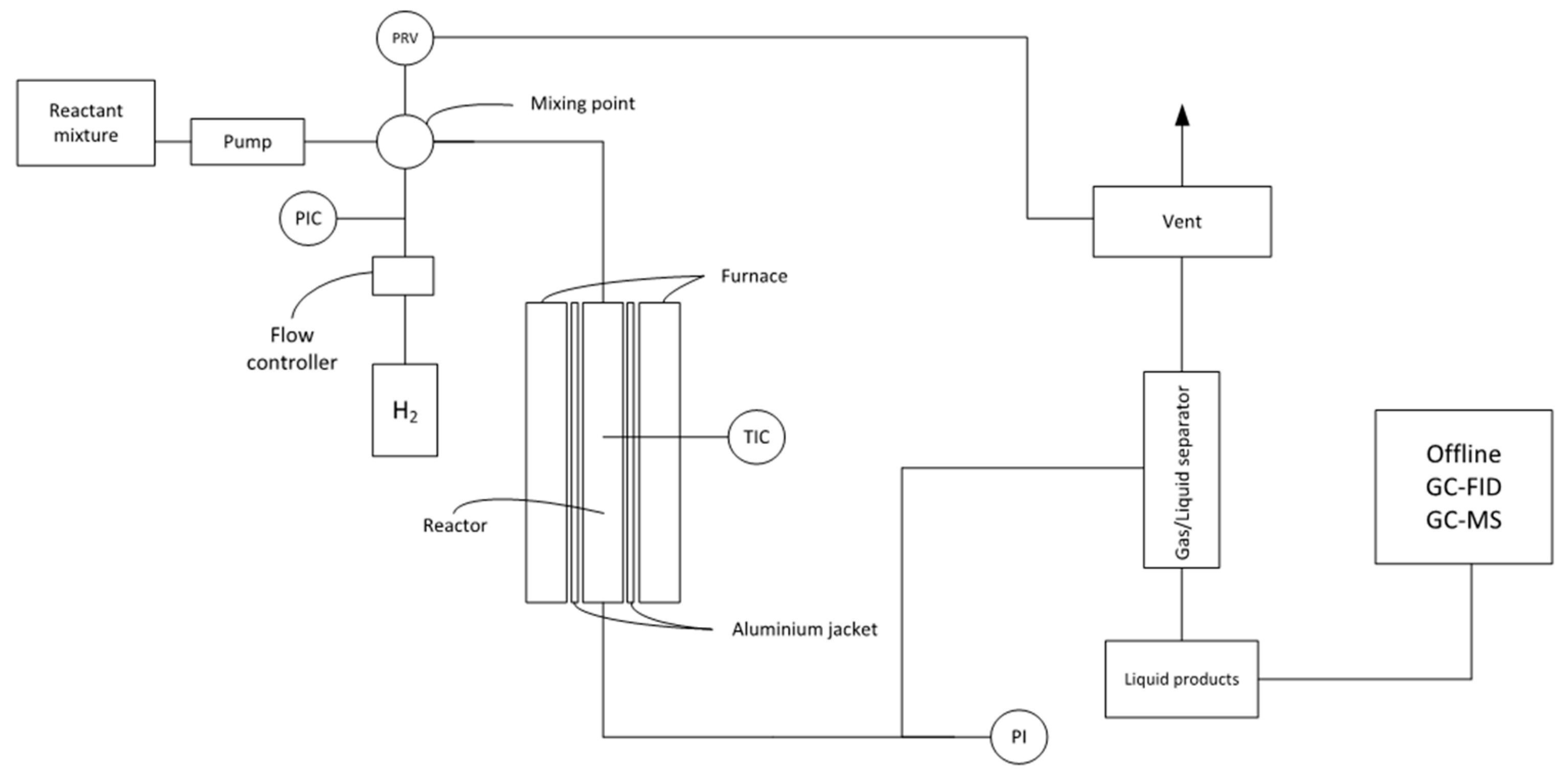
3.1. Experimental Setup
3.2. Sulfidation Protocol
3.3. Hydrogenation Experiments
3.4. Analytical Methods
4. Conclusions
Supplementary Materials
Author Contributions
Funding
Data Availability Statement
Conflicts of Interest
References
- Furimsky, E.; Massoth, F.E. Deactivation of hydroprocessing catalysts. Catal. Today 1999, 52, 381–495. [Google Scholar]
- Sau, M.; Basak, K.; Manna, U.; Santra, M.; Verma, R.P. Effects of organic nitrogen compounds on hydrotreating and hydrocracking reactions. Catal. Today 2005, 109, 112–119. [Google Scholar]
- Zeuthen, P.; Knudsen, K.G.; Whitehurst, D.D. Organic nitrogen compounds in gas oil blends, their hydrotreated products and the importance to hydrotreatment. Catal. Today 2001, 65, 307–314. [Google Scholar]
- Yang, H.; Wang, Y.; Jiang, H.; Weng, H.; Liu, F.; Li, M. Kinetics of phenanthrene hydrogenation system over CoMo/Al2O3 catalyst. Ind. Eng. Chem. Res. 2014, 53, 12264–12269. [Google Scholar]
- Zhang, D.; Zhao, J.; Zhang, Y.; Lu, X. Catalytic hydrogenation of phenanthrene over NiMo/Al2O3 catalysts as hydrogen storage intermediate. Int. J. Hydrog. Energy 2016, 41, 11675–11681. [Google Scholar]
- Wang, K.; Guan, J.; He, D.M.; Zhang, Q.M. The influences of reaction conditions on phenanthrene hydrogenation over NiW/Al2O3 catalyst. Adv. Mater. Res. 2012, 512–515, 2200–2206. [Google Scholar]
- Schachtl, E.; Yoo, J.S.; Gutiérrez, O.Y.; Studt, F.; Lercher, J.A. Impact of ni promotion on the hydrogenation pathways of phenanthrene on MoS2/γ-Al2O3. J. Catal. 2017, 352, 171–181. [Google Scholar]
- Celis-Cornejo, C.M.; Pérez-Martínez, D.J.; Orrego-Ruiz, J.A.; Baldovino-Medrano, V.G. Identification of refractory weakly basic nitrogen compounds in a deeply hydrotreated vacuum gas oil and assessment of the effect of some representative species over the performance of a Ni–MoS2/y-zeolite–alumina catalyst in phenanthrene hydrocracking. Energy Fuels 2018, 32, 8715–8726. [Google Scholar]
- Morales-Valencia, E.M.; Castillo-Araiza, C.O.; Giraldo, S.A.; Baldovino-Medrano, V.G. Kinetic assessment of the simultaneous hydrodesulfurization of dibenzothiophene and the hydrogenation of diverse polyaromatic structures. ACS Catal. 2018, 8, 3926–3942. [Google Scholar]
- Vogelgsang, F.; Shi, H.; Lercher, J.A. Toward quantification of active sites and site-specific activity for polyaromatics hydrogenation on transition metal sulfides. J. Catal. 2021, 403, 98–110. [Google Scholar]
- Schachtl, E.; Zhong, L.; Kondratieva, E.; Hein, J.; Gutiérrez, O.Y.; Jentys, A.; Lercher, J.A. Understanding Ni promotion of MoS2/γ-Al2O3 and its implications for the hydrogenation of phenanthrene. ChemCatChem 2015, 7, 4118–4130. [Google Scholar]
- Ishihara, A.; Lee, J.; Dumeignil, F.; Takashi, M.; Qian, E.W.; Kabe, T. Elucidation of retarding effects of sulfur and nitrogen compounds on aromatic compounds hydrogenation. Energy Fuels 2003, 17, 1338–1345. [Google Scholar]
- Koltai, T.; Macaud, M.; Guevara, A.; Schulz, E.; Lemaire, M.; Bacaud, R.; Vrinat, M. Comparative inhibiting effect of polycondensed aromatics and nitrogen compounds on the hydrodesulfurization of alkyldibenzothiophenes. Appl. Catal. A Gen. 2002, 231, 253–261. [Google Scholar]
- Ho, T. Inhibiting effects in hydrodesulfurization of 4,6-diethyldibenzothiophene. J. Catal. 2003, 219, 442–451. [Google Scholar]
- Ho, T. Poisoning effect of ethylcarbazole on hydrodesulfurization of 4,6-diethyldibenzothiophene. J. Catal. 2004, 222, 450–460. [Google Scholar]
- Beltramone, A.R.; Crossley, S.; Resasco, D.E.; Alvarez, W.E.; Choudhary, T.V. Inhibition of the hydrogenation and hydrodesulfurization reactions by nitrogen compounds over NiMo/Al2O3. Catal. Lett. 2008, 123, 181–185. [Google Scholar]
- Korre, S.C.; Klein, M.T.; Quann, R.J. Polynuclear aromatic hydrocarbons hydrogenation. 1. Experimental reaction pathways and kinetics. Ind. Eng. Chem. Res. 1995, 34, 101–117. [Google Scholar]
- Frye, C.G. Equilibria in the hydrogenation of polycyclic aromatics. J. Chem. Eng. Data 1962, 7, 592–595. [Google Scholar]
- Korre, S.C.; Neurock, M.; Klein, M.T.; Quann, R.J. Hydrogenation of polynuclear aromatic hydrocarbons. 2. Quantitative structure/reactivity correlations. Chem. Eng. Sci. 1994, 49, 4191–4210. [Google Scholar]
- Bachrach, M.; Marks, T.J.; Notestein, J.M. Understanding the hydrodenitrogenation of heteroaromatics on a molecular level. ACS Catal. 2016, 6, 1455–1476. [Google Scholar]
- Prins, R. Catalytic hydrodenitrogenation. In Advances in Catalysis; Academic Press: Cambridge, MA, USA, 2001; Volume 46, pp. 399–464. [Google Scholar]
- Bello, S.S.; Wang, C.; Zhang, M.; Gao, H.; Han, Z.; Shi, L.; Su, F.; Xu, G. A review on the reaction mechanism of hydrodesulfurization and hydrodenitrogenation in heavy oil upgrading. Energy Fuels 2021, 35, 10998–11016. [Google Scholar]
- Furimsky, E.; Massoth, F.E. Hydrodenitrogenation of petroleum. Catal. Rev. 2005, 47, 297–489. [Google Scholar]
- Bowker, R.H.; Ilic, B.; Carrillo, B.A.; Reynolds, M.A.; Murray, B.D.; Bussell, M.E. Carbazole hydrodenitrogenation over nickel phosphide and Ni-rich bimetallic phosphide catalysts. Appl. Catal. A Gen. 2014, 482, 221–230. [Google Scholar]
- Steele, W.V.; Chirico, R.D. Thermodynamics of the Hydrodenitrogenation of Carbazole; National Institute for Petroleum and Energy Research: Bartlesville, OK, USA; 43p, p. 43.
- Rabarihoela-Rakotovao, V.; Brunet, S.; Berhault, G.; Perot, G.; Diehl, F. Effect of acridine and of octahydroacridine on the HDS of 4,6-dimethyldibenzothiophene catalyzed by sulfided NiMop/Al2O3. Appl. Catal. A Gen. 2004, 267, 17–25. [Google Scholar]
- Rabarihoela-Rakotovao, V.; Diehl, F.; Brunet, S. Deep HDS of diesel fuel: Inhibiting effect of nitrogen compounds on the transformation of the refractory 4,6-dimethyldibenzothiophene over a NiMoP/Al2O3 catalyst. Catal. Lett. 2008, 129, 50–60. [Google Scholar]
- Egorova, M.; Prins, R. Competitive hydrodesulfurization of 4,6-dimethyldibenzothiophene, hydrodenitrogenation of 2-methylpyridine, and hydrogenation of naphthalene over sulfided NiMo/γ-Al2O3. J. Catal. 2004, 224, 278–287. [Google Scholar]
- Liu, X.; Fan, X.; Wang, L.; Sun, J.; Wei, Q.; Zhou, Y.; Huang, W. Competitive adsorption between sulfur- and nitrogen-containing compounds over nimos nanocluster: The correlations of electronegativity, morphology and molecular orbital with adsorption strength. Chem. Eng. Sci. 2021, 231, 116313. [Google Scholar]
- Miki, Y.; Sugimoto, Y. Hydrodenitrogenation of isoquinoline. Appl. Catal. A Gen. 1999, 180, 133–140. [Google Scholar]
- Gott, T.; Oyama, S.T. A general method for determining the role of spectroscopically observed species in reaction mechanisms: Analysis of coverage transients (act). J. Catal. 2009, 263, 359–371. [Google Scholar]
- Temel, B.; Tuxen, A.K.; Kibsgaard, J.; Topsøe, N.-Y.; Hinnemann, B.; Knudsen, K.G.; Topsøe, H.; Lauritsen, J.V.; Besenbacher, F. Atomic-scale insight into the origin of pyridine inhibition of MoS2-based hydrotreating catalysts. J. Catal. 2010, 271, 280–289. [Google Scholar]
- Humbert, S.; Izzet, G.; Raybaud, P. Competitive adsorption of nitrogen and sulphur compounds on a multisite model of NiMoS catalyst: A theoretical study. J. Catal. 2016, 333, 78–93. [Google Scholar]
- Boesen, R.R. Investigation and Modelling of Diesel Hydrotreating Reactions; Technical University of Denmark: Kgs. Lyngby, Denmark, 2011. [Google Scholar]
- Ferdous, D.; Dalai, A.K.; Adjaye, J. Comparison of hydrodenitrogenation of model basic and nonbasic nitrogen species in a trickle bed reactor using commercial NiMo/Al2O3 catalyst. Energy Fuels 2003, 17, 164–171. [Google Scholar]
- Nguyen, M.-T.; Pirngruber, G.D.; Chainet, F.; Tayakout-Fayolle, M.; Geantet, C. Indole hydrodenitrogenation over alumina and silica–alumina-supported sulfide catalysts—Comparison with quinoline. Ind. Eng. Chem. Res. 2017, 56, 11088–11099. [Google Scholar]
- Liu, X.; Ding, S.; Wei, Q.; Zhou, Y.; Zhang, P.; Xu, Z. DFT insights in to the hydrodenitrogenation behavior differences between indole and quinoline. Fuel 2021, 285, 119039. [Google Scholar]
- Sun, M.; Nelson, A.E.; Adjaye, J. Adsorption thermodynamics of sulfur- and nitrogen-containing molecules on NiMoS: A dft study. Catal. Lett. 2006, 109, 133–138. [Google Scholar]
- Sie, S.T.; Krishna, R. Process development and scale up: III. Scale-up and scale-down of trickle bed processes. Rev. Chem. Eng. 1998, 14, 203–252. [Google Scholar]
- Bartholomew, C.H.; Farrauto, R.J. Petroleum refining and processing. In Fundamentals of Industrial Catalytic Processes; John Wiley & Sons, Inc.: Hoboken, NJ, USA, 2005; pp. 635–704. [Google Scholar]
- Eijsbouts, S.; van den Oetelaar, L.C.A.; Rayner, M.; Govaers, H.; Boonen, T. Combined HR TEM and STEM-EDX evaluation—The key to better understanding of the Co-Mo sulfide active phase in real-life Co-Mo-P/Al2O3 catalysts. J. Catal. 2021, 403, 56–73. [Google Scholar]
- Machida, M.; Sakao, Y.; Ono, S. Influence of hydrogen partial pressure on hydrodenitrogenation of pyridine, aniline and quinoline. Appl. Catal. A Gen. 1999, 187, L73–L78. [Google Scholar]












| Carbazole Content [mmol/dm3] (mg N/dm3) | Extent of HDN [%] |
|---|---|
| 1.2 (15) | 51 |
| 2.4 (30) | 36 |
| Nitrogen Compounds | Extent of HDN [%] |
|---|---|
| Acridine | 0 |
| Carbazole | 36 |
| Carbazole and Acridine | 3.5 |
| Parameter | |
|---|---|
| Reactor temperature [°C] | 280–320 |
| LHSV [h−1] | 60–120 |
| Pressure [barg] | 120 |
| Hydrogen flow rate [Ncm3/min] | 30 |
| Liquid flow rate [cm3/min] | 0.1 |
| Acridine content [mmol/dm3] (mg N/dm3) | 0–2.4 (0–30) |
| Carbazole content [mmol/dm3] (mg N/dm3) | 0–2.4 (0–30) |
Publisher’s Note: MDPI stays neutral with regard to jurisdictional claims in published maps and institutional affiliations. |
© 2022 by the authors. Licensee MDPI, Basel, Switzerland. This article is an open access article distributed under the terms and conditions of the Creative Commons Attribution (CC BY) license (https://creativecommons.org/licenses/by/4.0/).
Share and Cite
Venuti Björkman, J.; Hruby, S.L.; Pettersson, L.J.; Kantarelis, E. Investigating the Effects of Organonitrogen Types on Hydrodearomatization Reactions over Commercial NiMoS Catalyst. Catalysts 2022, 12, 736. https://doi.org/10.3390/catal12070736
Venuti Björkman J, Hruby SL, Pettersson LJ, Kantarelis E. Investigating the Effects of Organonitrogen Types on Hydrodearomatization Reactions over Commercial NiMoS Catalyst. Catalysts. 2022; 12(7):736. https://doi.org/10.3390/catal12070736
Chicago/Turabian StyleVenuti Björkman, Jacob, Sarah L. Hruby, Lars J. Pettersson, and Efthymios Kantarelis. 2022. "Investigating the Effects of Organonitrogen Types on Hydrodearomatization Reactions over Commercial NiMoS Catalyst" Catalysts 12, no. 7: 736. https://doi.org/10.3390/catal12070736
APA StyleVenuti Björkman, J., Hruby, S. L., Pettersson, L. J., & Kantarelis, E. (2022). Investigating the Effects of Organonitrogen Types on Hydrodearomatization Reactions over Commercial NiMoS Catalyst. Catalysts, 12(7), 736. https://doi.org/10.3390/catal12070736
