Abstract
While modern industry has contributed to the prosperity of an increasingly urbanized society, it has also led to serious pollution problems, with discharged wastewater and exhaust gases causing significant environmental harm. Titanium dioxide (TiO2), which is an excellent photocatalyst, has received extensive attention because it is inexpensive and able to photocatalytically degrade pollutants in an environmentally friendly manner. TiO2 has many advantages, including high chemical stability, low toxicity, low operating costs, and environmental friendliness. TiO2 is an N-order semiconductor material with a bandgap of 3.2 eV. Only when the wavelength of ultraviolet light is less than or equal to 387.5 nm, the valence band electrons can obtain the energy of the photon and pass through the conduction band to form photoelectrons, meanwhile the valence band forms a photogenerated hole. And light in other wavelength regions does not excite this photogenerated electrons. The most common methods used to improve the photocatalytic efficiency of TiO2 involve increasing its photoresponse range and reducing photogenerated-carrier coupling. The morphology, size, and structure of a heterojunction can be altered through element doping, leading to improved photocatalytic efficiency. Mainstream methods for preparing TiO2 are reviewed in this paper, with several excellent preparation schemes for improving the photocatalytic efficiency of TiO2 introduced. TiO2 is mainly prepared using sol-gel, solvothermal, hydrothermal, anodic oxidation, microwave-assisted, CVD and PVD methods, and TiO2 nanoparticles with excellent photocatalytic properties can also be prepared. Ti-containing materials are widely used to purify harmful gases, as well as contaminants from building materials, coatings, and daily necessities. Therefore, the preparation and applications of titanium materials have become globally popular research topics.
1. Introduction
Several environmental pollution problems have become increasingly prominent since the beginning of the 21st century, a result of the rapid development of industry and technology, with air pollution attracting considerable attention as a societal problem [1]. Increasing quality-of-life demands have focused attention on the control and remediation of air pollution as urgent problems that need to be solved. Statistical surveys show that people spend more than 80% of their time in indoor spaces, such as office buildings, shopping malls, and residential buildings. Modern upholstery, adhesives, paints, and other building materials, as well as furniture, continuously release a variety of pollutants, especially volatile organic compounds (VOCs), including alkanes, aromatic hydrocarbons (such as toluene), esters, olefins, and aldehydes (such as formaldehyde) [2]. Humans can experience chest tightness, nausea, dry mouths, coughing, fatigue, dizziness, various cardiopulmonary diseases (in severe cases), and even cancer when exposed to polluted air for prolong times [3,4,5].
In 1972, Fujishima and Honda first proposed that TiO2 can be irradiated with light to split water and generate hydrogen [6]. TiO2 photocatalysis has been extensively researched over the ensuing decades, which has promoted the progress of TiO2 photocatalysis technology. At the same time, this technology has been used to treat sewage and purify air [7], with photocatalytic oxidation technology used to degrade various pollutants and thoroughly mineralize organic matter, thereby avoiding secondary pollution; in addition, TiO2 inhibits airborne bacteria. Continuous scientific exploration has led to photocatalysts that exhibit high pollutant-degradation efficiencies, are simple to maintain, are relatively cost-effective, and are widely applicable, which makes this technology promising as a purification method.
Photocatalysis effectively uses solar energy to degrade pollutants and reduce carbon dioxide, and it is a potential means of solving environmental problems, including the greenhouse effect [8,9,10,11,12]. Although many semiconductor materials are photocatalytically active, some semiconductor catalysts are poorly reactive, photocorrode, and exhibit other factors that limit their wide applicability; such semiconductor materials include TiO2, WO3, FexOy, V2O5, MnO2, ZnO, CdS, and PbS, among others [13,14,15,16,17,18,19,20]. Among the many photocatalytic semiconductor materials, TiO2 materials have been widely studied and used to photocatalytically produce hydrogen and in photodegradation applications, which is ascribable to their excellent properties, including wide availability, chemical stability, high catalytic activity, resistance to photocorrosion, and lack of toxicity [21]. TiO2 is considered to be one of the most promising materials in the photocatalysis field and has attracted significant attention [22,23,24,25].
Despite the outstanding advantages of TiO2, some disadvantages limit its air-purification applications. For example, TiO2 has a wide bandgap and can only be excited by UV light, which results in a low visible light utilization rate. Secondly, the electrons and holes generated by the excitation of TiO2 easily recombine, which results in a low quantum efficiency. The photocatalysis reaction is slow in practical applications, which leads to a low pollutant degradation efficiency. Many reports aimed at improving the photoresponse range and quantum efficiency of TiO2 by compounding with non-metallic [26,27,28,29] and noble metal [30,31,32,33,34,35,36] dopants, or by modifying the morphology of TiO2 [37,38,39], have appeared in the literature, along with other methods for improving the adsorption performance of the photocatalyst.
This paper mainly reviews research progress on titanium dioxide, in terms of its preparation and applications (as shown in Figure 1). Titanium dioxide photodegradation catalysts with specific electronic structures are prepared by doping, isomerization, particle-size control, and other means, and they are used to purify air by removing harmful gases, as well as contaminants from building material, medicines, and other daily necessities. Problems and challenges that face titanium dioxide research into air-pollution and water remediation are analyzed and discussed.
Figure 1.
TiO2 preparation methods and applications.
2. Photocatalysis Mechanism for TiO2
A photocatalysis reaction refers to a process in which the photocatalyst itself does not change when irradiated with light; rather, it converts light energy into chemical energy to promote the production or decomposition of compounds. While photosynthesis is the most representative example of photocatalysis in nature [40], the most widely studied and applied photocatalysts are semiconductor-based. A semiconductor is a material whose conductivity lies between that of a conductor and an insulator. The lowest energy level occupied by valence electrons in the electronic energy band structure of a semiconductor is referred to as the “valence band”, and the lowest unoccupied energy level is referred to as the “conduction band”. The energy region between the conduction and valence bands is referred to as the “forbidden band”, which is a discontinuous region whose width depends on crystal structure and interatomic relationships and is a characteristic parameter of a semiconductor material [41]. The energy band structure of a semiconductor affects light absorption and the photocatalytic performance of the material. When a photocatalyst is irradiated with photons with energies greater than the forbidden band width of the semiconductor, the electrons (e−) in the valence band are excited and transition to the conduction band, with holes (h+) simultaneously created in the valence band. Photogenerated electrons are reductive, and photogenerated holes are oxidative; these photogenerated carriers migrate to the catalyst surface to participate in catalytic redox reactions, as shown in the schematic diagram in Figure 2 [42]. The photocatalytic reaction initiates from the generation of electron−hole pairs upon light irradiation. When a semiconductor photocatalyst absorbs photons with energy equal to or greater than its Eg, the electrons in VB will be excited to CB, leaving the holes in VB. In contrast, photogenerated electrons and holes are trapped by defect sites in the bulk or surface of the catalyst, where they recombine to release photons or heat [43]. Carrier lifetime depends on the rate of photogenerated-carrier recombination; fast recombination leads to short lifetimes, which, in turn, limits the photochemical energy conversion efficiency of the catalyst.
Figure 2.
Proposed mechanism for a photocatalytic reaction on a semiconductor photocatalyst. Reprinted/adapted with permission from Ref. [42]. 2014, ACS publications.
As TiO2 is a good semiconductor photocatalyst, its photocatalytic advantages, deficiencies, and preparation methods have been reviewed on many occasions [13,44,45,46,47,48,49,50,51,52,53,54,55,56,57,58]. Anatase TiO2 has a forbidden bandwidth of 3.2 eV; therefore, energies greater than this bandwidth will excite electrons (e−) to the conduction band (CB), while leaving h+ in the top of the valence band (VB) to form electron–hole pairs. The photogenerated electrons and holes are effectively separated by the space-charge layer, with holes transferred to the TiO2 surface. The photogenerated holes are the main photon energy-derived components that react with the H2O or OH− adsorbed on the surface to form ●OH through strong oxidation [59,60,61,62], as shown in the following equation:


The photogenerated electrons can react with O2 on the surface to form superoxide radicals (●O2−) that are strongly oxidizing. The ●OH on the surface is also formed in a similar manner:


This reaction generates active free radicals (●OH, ●O2−, and HOO●) and strong oxidizing properties. These radicals can directly mineralize pollutants (mainly organic pollutants) into small inorganic molecules, such as CO2 and H2O, by exploiting their strong oxidizing properties, which completes the water treatment process [63,64,65,66,67,68,69,70].
The diagram in Figure 3 shows a typical photocatalytic mechanism for the TiO2 semiconductor that includes several important processes, including the generation of electron–hole pairs, charge transfer, electron–hole-pair recombination on the body or surface, and chemical reactions promoted by electrons and holes on the surface. After electron–hole pair separation, only the separated electrons or holes that migrate to the surface successfully have opportunities to drive the reduction or oxidation reactions, respectively (processes 1 and 3 in Figure 3). However, most of the electrons and holes recombine on the surface or in the bulk, and the energy of the charge carriers is converted to vibrational energy of lattice atoms (phonons) or photons (processes 2 and 4 in Figure 3). Specifically, the entire process involves three steps: (I) the absorption of photons with energies greater than the bandgap energy to generate electron–hole pairs, (II) charge separation and migration to the surface, and (III) redox reactions involving charges and reactants adsorbed on the surface [71,72,73,74,75,76,77].
Figure 3.
Photocatalytic mechanism associated with TiO2.
3. Methods for Preparing TiO2
The low photocatalytic degradation efficiency of TiO2 is somewhat limiting. The main factors that determine efficiency include light-absorption capacity, electron–hole separation efficiency, the surface catalytic reaction rate, adsorption capacity for the target reactants, and photochemical stability, and various methods for modifying TiO2 have been studied with these factors in mind [78,79,80,81]. For example, highly crystalline TiO2 can be prepared using hydrothermal or high-temperature calcination methods to improve the separation efficiency of photogenerated carriers [82,83]. Reducing the number of crystal defects and the photogenerated-carrier-recombination probability, or preparing one-dimensionally structured TiO2 (i.e., TiO2 nanobelts or nanowires), can improve the electron–hole separation efficiency.
Nanomaterials with various sizes, morphologies, and properties have been increasingly studied and used in various applications, due to the rapid development of nanomaterial preparation technologies [84,85,86,87,88]. TiO2 photocatalysis mainly depends on the photocatalytic material and light source, based on the TiO2 photocatalysis principles introduced above. Because the light source is an external condition, semiconductor TiO2 photocatalysis research has focused on the photocatalytic material [89,90,91]. In this paper, the current methods used to prepare TiO2 are briefly classified and reviewed to provide the reader with an understanding of how TiO2 is prepared and how new high-performance photocatalytic materials are developed. TiO2-preparation processes are divided into three types, according to the medium used, namely solid-phase, gas-phase, and liquid-phase.
3.1. Solid Phase
Solid-phase methods involve the preparation of raw materials, intermediates, and solid products and have been traditionally used to manufacture TiO2 nanomaterials, with solid-phase synthesis and comminution techniques commonly used. Solid-phase methods are simple and suitable for mass production on the industrial scale. Although such methods are associated with disadvantages that include high energy consumption, the formation of large particles, and the introduction of impurities, they are still commonly used to prepare TiO2 nanomaterials [92,93,94].
Abbas et al. used solid-state reaction technology to prepare Cu-doped TiO2 by mixing various concentrations of Cu and TiO2 nanoparticles, followed by calcination, and investigated the surface morphology, size, hardness, roughness, thermal conductivity, and other mechanical properties of each prepared pellet. The prepared Cu-doped TiO2 contained particles that were approximately 20–30 nm in size [95]. A solid-state reaction method was used to synthesize G-C3N4/TiO2 using graphite, carbon nitride, and titanic acid as raw materials. The G-C3N4/TiO2 catalyst delivered a 59% methylene blue (MB) degradation rate when irradiated with a 300-W mercury lamp for 5 h [96].
3.2. Gas Phase
Gas-phase methods use gaseous raw materials or convert raw materials into their gaseous states in various ways, after which solid nanoparticles are formed through condensation and deposition by physical or chemical methods. Gas-phase methods are divided into two types: physical and chemical. Gas-phase-prepared nano-TiO2 is highly pure, contains small particles, and is well-dispersed [97,98,99,100,101,102].
Wang et al. used a gas-phase oxidation method to prepare TiO2 nanoparticles by placing TiCl4 in an oxidation reactor and the studied reaction conditions, such as the reaction temperature, residence time, and toluene flow rate. Larger TiO2 particles were formed at higher toluene flow rates, higher reaction temperatures, and longer residence times. In addition, the TiO2 particle size was effectively controlled by the addition of KCl during the reaction [103]. Yuan et al. prepared Ag/TiO2 thin films using two different magnetron sputtering methods and by taking advantage of the characteristics of nano-TiO2 films that are easily oxidized in air. The surface microstructure of the Ag/TiO2 composite film deposited on a fabric surface was observed to be uniform, compact, and smoother than that of the TiO2/Ag composite film. The Ag/TiO2 composite film also exhibited higher photocatalytic activity than the TiO2/Ag composite film [104].
3.3. Liquid Phase
Liquid-phase methods are advantageous because they use simple equipment, are easy to operate, involve low reaction temperatures, and consume less energy than other methods. These methods can be further subdivided into sol-gel, liquid-phase precipitation, hydrothermal-synthesis, microemulsion, and other operational technologies.
3.3.1. Sol-Gel Method
The sol-gel method mainly uses organic titanates to control hydrolysis, the conditions of which are controlled by stirring and the addition of an acid inhibitor to form TiO2 sols with various crystal forms and morphologies. The sol is converted into a gel upon aging, from which TiO2 powder is obtained upon heat treatment. TiO2 samples prepared by the sol-gel method are highly pure, require simple processing equipment, contain small particles, and are highly crystalline, which are clear advantages [105,106,107]. The organic titanate is hydrolyzed in a step-by-step manner, with particle size and crystalline form regulated by controlling the reaction conditions. The following reactions are involved in this process:


Ahmad et al. used the sol-gel method to prepare a metal-oxide-doped TiO2 composite; the formed nanoparticles were determined to have the anatase structure by XRD and were spherical, 18.3 nm in size, and exhibited an 80.9% photodegradation efficiency for MB [108].
3.3.2. Precipitation Method
The precipitation method mainly involves an inorganic titanium salt solution that reacts with a precipitant to form a precipitate, which is then calcined at high temperature to produce TiO2 powder. Inexpensive and readily available inorganic salts, such as TiCl4, TiOSO4, and Ti(SO4)2, are generally used as raw materials. Insoluble Ti(OH)4 is formed upon the addition of the precipitant to the reaction system; the precipitate is collected by filtration and washed to remove the anions from the original solution. TiO2 powders with various crystal forms can be obtained by calcination at various high temperatures [109,110,111,112,113].
3.3.3. Hydrothermal Synthesis
The hydrothermal synthesis method involves creating a high-temperature and high-pressure reaction environment by heating a reaction autoclave containing an aqueous solution as the reaction medium, which promotes the dissolution and recrystallization of ordinarily insoluble materials. The hydrothermal method is cost-efficient, requires simple equipment, and produces particles with narrow size distributions, which are advantages. However, the high reaction temperatures and pressures of the hydrothermal method require strict equipment safety protocols. The crystal structure and size of the TiO2 particles are controlled by varying the reaction conditions. TiO2 powder or a newly prepared titanate hydrolysis gel is often used as a precursor. On the one hand, crystal structure and performance can be further controlled by adjusting the hydrothermal conditions; on the other hand, the recrystallization step in the hydrothermal synthesis protocol produces highly pure products using relatively simple reaction processes and equipment. Yugan et al. studied the morphologies of TiO2 particles formed at various hydrothermal reaction times, the results of which are shown in Figure 4 [114,115]. Xiao et al. prepared Ce2+-doped mesoporous TiO2 nanomaterials with high specific surface areas using a hydrothermal method. Doping with Ce2+ ions was found to not only increase the specific surface area of the mesoporous TiO2 nanoparticles, but also effectively inhibit the mesoporous collapse and transformation of the anatase phase into the rutile phase [116]. Zhiru et al. prepared a graphene-TiO2 photocatalytic material using a hydrothermal method, which delivered degradation rates of 89% and 91% for MB and rhodamine B (RhB) under xenon lamp light source (Xe300UV) within 60 min, respectively, which are higher than those of pure TiO2 nanoparticles. Graphene, as a carrier, effectively improves the photodegradation performance of TiO2 toward pollutants [117].
Figure 4.
SEM images of products obtained in various reaction stages (1 h,3 h,5 h,7 h,15 h, 20 h) [114].
3.3.4. Microemulsion Method
The microemulsion method mainly uses emulsifiers, such as surfactants, weakly polar organics, and alcohols, to generate an immiscible emulsion that forms a homogeneous latex that then reacts to produce amorphous TiO2; subsequent calcination produces nano-TiO2 particles. The microemulsion method can be divided into water-in-oil (O/W) and oil-in-water (W/O) micro-latex techniques [118,119]. The microemulsion method does not require heat, uses simple equipment, and produces controllable particles (etc.), which are advantages; however, the stability of the microemulsion is hard to control, and the post-treatment procedure requires washing with an organic solvent, which results in higher costs. Nanoparticles prepared by the microemulsion method are generally spherical or quasi-spherical in shape. Because surfactants and co-surfactants are adsorbed on the surfaces of the TiO2 particles, they find it difficult agglomerate during high-temperature heat treatment, which is conducive to producing well-dispersed TiO2 nanomaterials. This method produces small particles, is simple to operate, consumes little energy, and is stable, which are advantages; however, removing the organic substances from the surfaces of the particles is difficult because large amounts of surfactants are used. At present, the structures and properties of the microlotions used in this method need further study, low-cost and easily recycled surfactants need to be sourced, and a production system suitable for industrialization needs to be established [120,121]. Karbasi et al. used the microemulsion method to prepare a series of uniformly shaped Si-TiO2 particles with narrow particle-size distributions and high photocatalytic activities. Reducing the water content of the system was found to improve the photocatalytic activity of TiO2. Higher calcination temperatures led to higher crystallinities, larger particles, and higher MB degradation rates [122].
With the rapid development of scientific research, a variety of physical and chemical methods can be used to prepare TiO2 particles. Table 1 summarizes the advantages and disadvantages of the common preparation methods of TiO2, and the corresponding synthesis methods can be adopted according to the use requirements.
Table 1.
The advantages and disadvantages of preparation methods of TiO2.
4. Methods for Modifying TiO2 Materials
Despite being a green and environmentally friendly photocatalytic material, TiO2 has some limitations when used to photocatalytically degrade organic pollutants. Sunlight energy is essentially inexhaustible and can provide continuous light energy for oxidative photocatalytic degradation reactions; it is, therefore, an ideal and economical source of light. The energy in the solar spectrum is mainly concentrated in the visible light region, with the infrared region (wavelength: 400–700 nm) accounting for 50% of the total solar light, and the ultraviolet region accounting for approximately only 5%. Unfortunately, the bandgap width of TiO2 means that it can only absorb ultraviolet photons; consequently, its photocatalytic activity is limited to the ultraviolet region, which leads to a very low solar energy utilization rate. Therefore, improving the responses of TiO2 materials to visible light and stimulating high photocatalytic activity in the visible region have become research hotspots in the TiO2 photocatalysis field.
Doping is a powerful method for improving the performance of TiO2; it can change the crystal and electronic structure of the metal, as well as the bandgap of the semiconductor, as a consequence. Generally speaking, doping is considered to be an effective strategy for promoting the absorption performance of visible light, as is mainly reflected in the following three points: (1) the bandgap redshifts to the visible region, (2) the band-edge absorption widens to include the visible region, and (3) a new visible-region absorption process is introduced. While doping typically enhances the abilities of metal oxides to absorb visible light, doping may promote aggregation of the photocatalyst, which reduces light absorption and increases charge recombination, thereby inhibiting catalytic performance. Excessive doping can lead to structural changes and Moss–Burstein transfer that widens the bandgap [123]. Therefore, optimizing the amount of dopant is very important. The energy band structure of TiO2 can be adjusted by regulating defects, non-metal-ion doping, and transition-metal-ion doping, among others. Surface dye sensitization, noble-metal deposition, semiconductor recombination, and other means can also promote the absorption of light and the separation of photogenerated carriers by TiO2. In addition, the photogenerated carrier recombination efficiency can be improved by controlling the TiO2 crystal structure, crystallinity, surface morphology, and grain size. Doping can increase the number of defects in the TiO2 lattice, which changes the structure and properties of the TiO2 photocatalyst surface, narrows the TiO2 bandgap, and enhances the photocatalytic efficiency of TiO2. The methods used to modify TiO2 can roughly be divided into categories that include excessive metal doping, noble-metal and rare-earth doping, non-metal doping, semiconductor recombination, organic dye photosensitization, and catalysis [124,125,126,127,128].
4.1. Metal Doping
Metal doping can be categorized into transition-metal, noble-metal, and rare-earth-metal doping, according to the mechanism used by the metal-ion dopant to influence the photocatalytic activity of TiO2. An intermediate state energy level is typically introduced into the TiO2 bandgap by metal doping, which changes the motional states of the carriers; consequently, the energy band structure of TiO2 can be controlled by adjusting the distributed states of electrons and holes, in order to change the photocatalytic activity of TiO2. On the one hand, appropriate metal ions are selected to replace Ti4+ in the TiO2 lattice, and impurity energy levels are introduced near the conduction band. Hence, valence band electrons can be excited by photons with energies less than the original forbidden band width (3.2 eV) to impurity energy levels, and the photogenerated electrons in the conduction band can also transition to impurity energy levels, which promotes photogenerated electron–hole pair separation [129]. On the other hand, some transition metal ions act as electron traps and form intermediate valence ions after capturing electrons, which also realizes photogenerated electron–hole separation [113]. The energy levels of most dopant ions lie between the valence and conduction bands of TiO2; consequently, the introduction of dopant ions not only increases the electron–hole-pair capture rate in the crystal, but also prevents electron–hole recombination, thereby improving the photocatalytic ability of TiO2 [130]. The introduction of metal dopants into the TiO2 lattice leads to the formation of new energy states below the conduction band and above the valence band, and these new energy states act as charge-trapping sites that improve the charge-separation efficiency (Figure 5) [131]. However, the TiO2 lattice becomes seriously distorted when the amount of dopant exceeds a certain level, which hinders further improvements in photocatalytic performance. Therefore, determining the optimal position and amount of the dopant element remains challenging.
Figure 5.
Schematic representation of the electronic band structure of (a) undoped anatase TiO2 and (b) Fe-doped anatase TiO2. Reprinted/adapted with permission from Ref. [131]. 2018, Elsevier.
4.1.1. Excessive Metal Doping
Metal doping helps to produce doped nanoparticles with fewer defects, and more recombination centers when the metal dopant is chemically similar to the metal in the metal oxide; therefore, the great potential of transition metals for modifying TiO2 cannot be overlooked [44,45,46,47,48,49,50]. The addition of a transition metal can result in a shift in the TiO2 absorption window to the visible region, with the transition metal creating a new energy level between the valence and conduction bands of TiO2. Doping with Mn [132], Cr [133], Fe [134,135,136,137,138,139,140], Cu [141,142,143], or V [112] effectively reduces the bandgap of TiO2, such that it responses to visible light. The type and amount of dopant ion are important factors that affect the photocatalytic oxidation activity of TiO2. While an appropriate amount of dopant ion can promote the separation of photogenerated electrons and holes, thereby enhancing visible light absorption, TiO2 crystallinity is destroyed when excessively doped, and impurity ions become recombination centers for electrons and holes that reduce catalytic activity [144]. Mohammed et al. elucidated the photocatalytic mechanism of a 10% NiO/TiO2 catalyst through the photodegradation of brilliant green (BG) and phenol; p−n heterojunctions are formed between the two oxides that effectively separate the photoinduced electrons and holes, thereby improving the light utilization efficiency. Figure 6 shows a photodegradation diagram for NiO/TiO2 composite nanoparticles [145]. In a similar manner, Nadia et al. synthesized a bimetallically modified Cu−Ni/TiO2 photodegradation catalyst and studied its photodegradation efficiency toward Orange II under various preparation conditions [146].
Figure 6.
Postulated mechanism for electron transfer in NiO/TiO2 nanoparticles [145]. Reprinted/adapted with permission from Ref. [131]. 2021, ACS Publications.
A small amount of Fe effectively reduces the TiO2 bandgap width and promotes visible light absorption by TiO2. Doping with Fe3+ effectively improves the catalytic activity of TiO2, which is mainly attributable to the fact that Fe3+ is capable of capturing photogenerated electrons and holes to form intermediate Fe2+, as shown in Figure 7, thereby promoting photogenerated carrier separation [147]. In addition, Fe3+ has an ionic radius of 0.63 Å, which is close to that of Ti4+ (0.64 Å). Therefore, Fe3+ becomes uniformly doped into the TiO2 lattice without creating excessive distortion, thereby reducing the number of photogenerated electron–hole recombination centers [135]. The manner in which Fe3+ traps electrons can be expressed as:


Figure 7.
Schematic diagram showing the energy levels of TiO2 doped with Fe (transition metal). Reprinted/adapted with permission from Ref. [147]. 2018, Elsevier.
Yang et al. prepared an Fe-doped TiO2 composite on glass fiber using the sol-gel method and studied the photodegradation performance of the composite toward benzene, toluene, ethylbenzene, and o-xylene. The GF-Fe-TiO2 composite doped with 0.01 at% Fe exhibited better photocatalytic oxidation activity under visible light than the undoped GF-TiO2 material [134]. Tieng et al. prepared an Fe3+-doped TiO2 nanocoating and studied its photodegradation behavior toward ethylene gas. These authors believed that both photogenerated electrons and holes are captured by Fe3+ and proposed an optimal size of approximately 8 nm for the TiO2 nanocoating, based on the localization range of photogenerated electrons in the CB [148].
Lu et al. synthesized a green Fe-doped TiO2 photocatalyst on a Ti net by chemical impregnation and anodic oxidation and studied, in detail, the influence of the Fe content in the synthesized material on photocatalytic performance [149]. Compared with TiO2, the green Fe-doped TiO2 photocatalyst absorbed more light, with a redshifted absorption peak and a narrower bandgap observed. Details of the charge-transfer and photocatalysis mechanisms are shown in Figure 8. Fe-doped TiO2 exhibited a higher visible light response, with an improved photodegradation rate of 87.9% for MB observed in a photocatalysis experiment with Fe-doped TiO2 (0.6 wt%) under simulated sunlight irradiation for 2.5 h.
Figure 8.
Simulated charge-transfer and photocatalysis mechanism for the Fe-doped TiO2 photocatalyst. Reprinted/adapted with permission from Ref. [149]. 2021, Elsevier.
4.1.2. Noble- and Rare-Earth-Metal Doping
The reported noble metals mainly include Pt [150], Ag [151,152,153,154,155,156,157], Ru [158,159], Ir [160], Pd [161,162,163,164,165], Au [166,167,168,169,170,171,172], and W [173], which are most commonly used and are strongly corrosion- and oxidation-resistant. Doping not only improves the photocatalytic activity of TiO2, but also increases its photochemical stability; consequently, noble-metal ions are ideal dopants. The Schottky barrier formed at the interface between the noble metal and TiO2 promotes photogenerated electron transfer and reduces photogenerated carrier recombination [174]. Noble metal deposition on a semiconductor surface is considered to be an effective modification method for capturing excited electrons; it effectively reduces oxygen and improves photocatalytic activity. Noble metal deposition methods mainly include immersion reduction and photoreduction. The noble metal on the surface of a catalyst effectively forms a short-circuit microcell, with TiO2 as the semiconductor and the metal as the electrode on the TiO2 surface. The h+ is generated by the TiO2 electrode oxidizes organic matter in the liquid phase, whereas the e− flows to the metal electrode and reduces oxidized components in the liquid phase, thereby lowering the e−/h+ ratio in the composite. Consequently, more ●OH and ●O2− are produced on the TiO2 surface, which improves catalytic activity [175,176].
Rare-earth metals, including Sc, Y, and the 15 lanthanide metals, have incomplete 4f and empty 5d orbitals. This electronic structure enables metal ions to act as intermediates that capture and transfer photogenerated electrons, which reduces photogenerated electron–hole recombination and improves photocatalytic activity [177,178]. Rare-earth metal-ion doping can also affect the activity of the catalyst by altering the phase structure, specific surface area, and surface morphology of TiO2 during synthesis. The introduction of a rare-earth element into a TiO2 crystal not only promotes crystal formation and lattice distortion, but also affects the crystal form, energy band structure, grain size, movement state, and photogenerated electron–hole-pair lifetimes in TiO2 [179]. Doping with rare-earth elements also improves many properties of TiO2, including adsorption performance toward visible light and interfacial charge-transfer efficiency, with TiO2 exhibiting an improved photocatalytic ability following this series of changes. Meng et al. prepared a Gd-La co-doped TiO2 composite catalyst by simultaneously doping La2O3 and Gd2O3 into the TiO2 lattice to generate abundant O vacancies and surface defects, which increased the absorption wavelength and improved the light-conversion efficiency of TiO2 [180]. Wang et al. co-doped Fe and La into TiO2; the composite showed excellent photocatalytic performance, compared to single-element-doped TiO2 [181]. Li et al. simultaneously doped five elements, namely Co, Ce, La, Eu, and Sn, into the TiO2 lattice to form a transition and rare earth element co-doped photodegradation catalyst [182]. Jiang et al. hydrothermally prepared anatase-TiO2 photocatalysts co-doped with Pr, N, and P without post-sintering treatment; the material exhibited an improved UV-light-absorbing ability, owing to the high hydroxyl content on the surface, which also reduced photogenerated electron–hole recombination [183]. Eskandarloo et al. prepared a mixed catalyst by physically mixing and reheating TiO2 and CeO2 powders and studied the photodegradation performance of the catalyst for phenazopyridine [184]. Thiruppathi et al. doped Ce metal into a TiO2 lattice to prepare Ce@TiO2 nanocomposites and studied the photodegradation of diclofenac sodium [185]. Xu et al. synthesized TiO2 catalysts co-doped with Y, Yb, and Tm and extended the light-sensitive range to the near-infrared region [186]. A (Yb3+, Er3+) co-doped TiO2/Ag3PO4 hybrid composite that exhibited enhanced visible light photocatalytic activity was prepared; this composite degraded phenol when irradiated with visible or near-infrared (NIR) light. Possible intermediate products generated during the photodegradation of phenol were also investigated, and a plausible photodegradation pathway for phenol and a mechanism for the observed enhanced photocatalytic activity were proposed [187].
Doping the TiO2 lattice with a rare-earth metal can also enhance the adsorption of organics on the catalyst surface, thereby improving the photocatalytic activity of TiO2 [188]. Trujillo-Navarrete et al. prepared Nd3+-doped TiO2 nanoparticles using the Stöber method and studied the effect of doping on the crystal structure and micromorphology of anatase TiO2. The addition of Nd3+ was found to affect the Ti-O bond length and reduce octahedral distortion, with the TiO2 structure found to be more stable after doping and more conducive to charge transfer [189]. Zhao et al. studied the degradation of phenolic compounds using Nd-TiO2 photocatalysts [190], while Feng et al. synthesized a Gd-SiO2-TiO2 catalyst using the sol-gel method; this catalyst exhibited a degradation efficiency of approximately 90% for MB under sunlight [191] for 150 min.
4.2. Nonmetallic Doping
A non-metallic dopant can be substituted into an O site or a parent-metal-atom site, or it may exist as a gap dopant. The 2p orbital of a non-metallic dopant reduces the bandgap width and enhances visible light absorption [192,193,194], which is mainly ascribable to the generation of more mixing or local states near the edge of the valence or conduction band of the semiconductor. Therefore, doping with non-metallic elements has always been a TiO2 modification research hotspot. Doping with N [195,196,197,198,199], C [200,201,202,203,204,205], S [206,207,208], B [209], F [75,114,115], I [210,211,212], and other elements has been shown to successfully expand the light-response range of TiO2 to include the visible region. When doping non-metallic ions, the TiO2 lattice is generally believed to change the energy-level structure of TiO2 to form new doping levels near the valence band edge, which narrows the bandgap. S and N, as dopant examples, replace the lattice O in TiO2 to form new energy bands through the hybrid mixing of the p and O 2p orbitals, which reduces the bandgap. Zhou et al. doped S into TiO2 to narrow its bandgap and provided an effective method for improving the photocatalytic efficiency and expanding the absorption window of TiO2 from ultraviolet to the visible region; they also showed that disulfide macro-rings (DSMs) are ideal candidates for highly doped TiO2. A series of characterization studies showed that S exists in its S6+ form when it replaces Ti4+ on the surface of the TiO2 lattice to form SO42−. S-TiO2 has a bandgap of 2.3 eV, which is less than that of the original TiO2 (3.2 eV); hence, it absorbs in the visible region [213].
In addition, the doped state does not act as a charge carrier in a non-metallic-doped system; consequently, it does not become a photogenerated electron–hole recombination center in the lattice, unlike metal ions [214]. Therefore, non-metal-element doping is considered to be more effective than metal-element doping for improving the photocatalytic performance of TiO2. Research has favored non-metal-doped TiO2, especially using N, C, S, F, and other elements [215].
4.2.1. N Doping
N doping endows TiO2 with catalytic properties when irradiated with visible light and is, therefore, an important non-metal-doping subject. N has a low ionization potential and an ionic radius close to that of O; hence, N easily replaces O in the TiO2 lattice [216]. N doping not only reduces the TiO2 bandgap width, leading to a material that responds to visible light, but also changes the physical properties of TiO2, including its hardness, refractive index, conductivity, and elastic modulus [217]. Albrbar et al. proposed that the N in N-doped TiO2 enters gaps in the TiO2 lattice (gap type) or replaces lattice oxygens to become incorporated into the lattice (displacement type) [218]. Pandian et al. prepared three kinds of N-doped TiO2 films (chemisorption, gap, and displacement) using DC magnetron sputtering technology at various oxygen partial pressures and studied their electronic energy band structures. They observed that displacement-type N has an acceptor level of 0.14 eV, which is above the valence band of TiO2, while that of gap-type N is 0.73 eV [216]. The N 2p orbitals of displacement-type N and the O 2p orbitals of the lattice oxygen are generally believed mix to form a localized N 2p state that lies above the valence band; visible light catalysis occurs because this localized state has a low electron-transition energy. In addition, the N 2p orbital of N and the S 2p orbitals of S can also mix. For example, N enters the lattice more easily when Ti4+ is replaced by S4+ or S6+ to form (N, S)-co-doped anatase TiO2 that exhibits photocatalytic activity under visible light [206]. Yang et al. prepared N-doped TiO2, loaded it onto carbon foam, and studied the photodegradation performance of the prepared catalyst toward phenol [219].
4.2.2. C Doping
C-doping is also an effective method for modifying TiO2. C has been reported to not only reduce the bandgap by forming intermediate energy levels in the TiO2 bandgap, but also promote the adsorption of organic substances and transport of photogenerated carriers within TiO2 [220]. Valentin et al. studied the structure of C-doped TiO2 using density function theory. A low C content and a lack of oxygen in the reaction is believed to facilitate the entry of C into the TiO2 lattice by replacing lattice O. C is more likely to enter the lattice in the form of interstitial atoms or by substituting Ti atoms when insufficient O is present [221]. Chen et al. experimentally compared C-doped and N-doped TiO2, with the former exhibiting better photocatalytic activity for the degradation of MB under visible light. These researchers proposed that doping TiO2 with C inhibits the growth of TiO2 crystals, with active carbon materials or other carbides deposited on the surface of the catalyst, which help to adsorb organic pollutants [216]. Kavitha et al. prepared C-doped TiO2 using anhydrous D-glucose as the carbon source and confirmed that the C atoms were mainly incorporated into the lattice gaps of TiO2 through Ti-O-C bond and O-Ti-C bonds. The valence band edge was observed to move in the negative direction and increased the photogenerated-hole oxidation potential when the amount of the carbon concentration was increased [222]. Photodegradation performance toward 4-chlorophenol under ultraviolet and visible light revealed that that C-doped TiO2 exhibited better catalytic activity under visible light because the carbon-containing compounds on the surface of the catalyst were removed under ultraviolet light, which weakened the catalytic synergy between the carbon-containing substances on the surface of the catalyst and the crystalline carbon. The selection of an appropriate amount of dopant can effectively improve the catalytic activity of TiO2. On the one hand, too much dopant leads to a large number of defects in the TiO2 lattice, which inhibits the photogenerated carrier separation; on the other hand, too many carbides are formed on the TiO2 surface, which affects light absorption, hides active sites, and reduces photocatalytic activity.
Depositing a C-point on the surface of the catalyst is equivalent to forming a short-circuit microcell with a semiconductor heterojunction and a carbon layer as the electrode. For example, Figure 9 shows the photodegradation catalysis mechanism that operates after doping a C-point with ZnO/TiO2. The h+ generated by the TiO2 electrode oxidizes the organic matter in the liquid phase, while the e− flows to the metal electrode and reduces the oxidized components in the liquid phase, thereby lessening the e−/h+ recombination rate and improving the activity of the catalyst [223].
Figure 9.
Schematic diagram showing the photocatalytic degradation mechanism associated with Zn/Ti-2%-MOF-600. Reprinted/adapted with permission from Ref. [223]. 2021, Elsevier.
4.3. Co-Doping
Modifying TiO2 by elemental co-doping can compensate for the shortcomings of single-element doping and has attracted significant attention in recent years as a consequence. Elemental co-doping can be divided into non-metal, metal/non-metal, and metal co-doping, among which, metal co-doping has been somewhat less studied.
4.3.1. Nonmetallic Co-Doping
Non-metallic co-doping methods for modifying TiO2 have been widely studied to date. Mesoporous carbon nitride and titanium dioxide (C3N4–TiO2) nanocomposites were prepared using urea as the C3N4 precursor and titanium tetraisopropoxide as the titanium source. The prepared nanocomposites were yellow, in contrast to the white TiO2 and C3N4 nanomaterials. Tauc plots derived by UV–Vis absorption spectroscopy revealed that the C3N4–TiO2 nanocomposite has a significantly narrower bandgap energy, compared to that of the individual TiO2 (B3.2 eV) and C3N4 (B2.8 eV) samples, leading to a high visible light response [224]. Using thiourea as a dopant, Lei et al. prepared NSC–TiO2 co-doped with N, S, and C using the sol-gel method, followed by calcination. XPS revealed that the N in the product is mainly doped as Ti–O–N and Ti–N bonds, while S is mainly doped as Ti-O-S bonds, and C is mainly doped as Ti–O–C bonds. Elemental co-doping and the calcination temperature were found to significantly influence the TiO2 microstructure and size, with the catalytic activity of TiO2 under visible light improved, owing to N, S, and C doping synergy [225].
Li et al. used ammonium fluoride (NH4F) as a dopant and TiCl4 as the titanium source to prepare N and F co-doped TiO2 powder by spray pyrolysis and studied its photodegradation performance for gaseous acetaldehyde and trichloroethylene under visible light. Compared with samples doped with N or F alone, the co-doped TiO2 sample exhibited higher catalytic activity [226]. These researchers proposed that N doping promotes visible light absorption and that the formed oxygen vacancies promote the formation of ●O2−, while F doping affords more active ●OH sites. Therefore, catalysis through N and F co-doping synergy improves material performance. Pan et al. prepared N, N&S and N&F doped hierarchical macro-/mesoporous TiO2 with tetrabutyl titanate, urea, thiourea, and ammonium fluoride as raw materials. Morphological changes and RhB degradation were also studied [227]. Zeng et al. synthesized N-doped and B/N-co-doped TiO2 photocatalysts and TiO2 using a liquid-phase precipitation method combined with a solid-phase thermal-decomposition method. XPS revealed that B occupies the TiO2 gap position. In addition, the specific surface area of the TiO2 NPs was significantly higher, and their photocatalytic activity was enhanced by B/N co-doping [228]. He et al. synthesized F-doped TiO2 using HF as the raw material. The morphologies of TiO2 particles doped with various amounts of F were observed to completely different, as shown in Figure 10. However, TiO2 prepared at different hydrothermal reaction temperatures exhibited different morphologies when the same addition amount of F was added, as shown in Figure 11.
Figure 10.
SEM images of TiO2 samples prepared with different amounts of HF: (a) pure-TiO2, (b) T-1F, (c) T-3F, (d) T-5F, (e) T-7F, and a high magnification image of (f) T-7F [114].
Figure 11.
SEM images of T-7F hydrothermally prepared at various temperatures: (a) 150, (b) 170, and (c) 200 °C [114].
4.3.2. Metal/Nonmetal Co-Doping
Table 2 can be controlled by metal/non-metal co-doping. Metal ion doping is believed to mainly replace Ti atoms to form an impurity level below the conduction band, whereas non-metal doping forms an impurity level near to, but above, the valence band. Therefore, co-doping with a metal and a non-metal can effectively reduce the TiO2 bandgap width and improve its responsiveness to visible light. Fang et al. prepared Mo and C co-doped TiO2 materials using a hydrothermal method involving pre-calcination. C was found to mainly exist on the surfaces of the TiO2 particles, in the form of carbides, whereas the Mo was mainly present in the lattice in the form of Mo6+ (replacing Ti4+). The Mo6+-formed impurity level was determined to lie at 0.4 eV, which is below the TiO2 conduction band. This impurity level captures photogenerated electrons (Mo6+/Mo5+) and promotes carrier separation [229]. In addition, metal-ion/non-metal-element synergy promotes photogenerated carrier separation to a certain extent. Fan et al. prepared N and Fe co-doped TiO2 using a two-step method, with Ti and N as precursors. Fe was found to mainly exist on the TiO2 surface in the Fe3+/Fe2+ form; the presence of Fe also enhanced the photochemical stability of the N dopant in the TiO2. Fe-N-TiO2 was observed to be more stable and more catalytically active than N-TiO2 toward the photodegradation of gas-phase toluene, with EPR and PL experiments showing that Fe3+/Fe2+ is capable of effectively promoting photogenerated carrier separation [230].
Table 2.
Summary of TiO2 modification methods.
Carbon and iron doping were found to modify the absorption edge of the TiO2 photocatalyst, which shifted toward the visible region. Fe3+ can be doped into the TiO2 matrix, which hinders the recombination of excited electrons/holes. The carbon- and iron-modified TiO2 was observed to exhibit superior photocatalytic activity for the decomposition of Acid Orange 7 under visible light [231]. The cobalt and carbon co-dopants in TiO2 act in synergy to lower the bandgap energy level to 2.81 eV, which encompasses the visible light region. At the same time, it stimulates electron–hole-pair separation to produce more ●OH, thereby improving the light-conversion efficiency, as shown in Figure 12 [232]. Similarly, iron and carbon co doped TiO2 photocatalysts have obtained similar conclusions [233]. The cobalt and sulphur doped TiO2 photocatalysts shows stronger photocatalytic degradation ability than the pure TiO2 [234].
Figure 12.
Schematic representation of the proposed photocatalytic degradation mechanism of TiO2 co-doped with Co and C under visible light [233]. Reprinted/adapted with permission from Ref. [233]. 2021, Elsevier.
4.4. Semiconductor Recombination
Two semiconductor structures can be coupled to form a semiconductor heterojunction. Photogenerated electrons and holes are separated at the heterojunction interface, owing to the different energy band structures of the two semiconductors. Photogenerated electrons transfer from the semiconductor with the higher conduction band to the semiconductor with the lower conduction band, while photogenerated holes transfer from the semiconductor with a lower valence band to the semiconductor with the higher valence band [235]. Heterogeneous photocatalysts mostly use TiO2, ZnO, ZnS, CdS, and Fe2O3, with two semiconductors with matched energy band structures combined to reduce electron–hole recombination, improve the light-absorption range, and promote photogenerated carrier migration [236]. Many types of heterojunctions have been studied, with the aim of effectively improving the photoactivity of the material. The mechanism associated with heterojunction photocatalysis can be divided into three steps: (1) photons absorption on the surface to generate electron–hole pairs, (2) the separation and transfer of photogenerated electron–hole pairs, and (3) redox chemistry involving adsorbed reactants and the carriers [237].
Figure 13 show a plausible visible light-driven reaction mechanism for the photodegradation of bisphenol A(BPA) by the p–n heterojunction of the ZnFe2O4–TiO2 nanocomposite when irradiated with 465 nm (visible) light. Electrons in the VB of ZnFe2O4 are photoexcited to the CB to produce electron–hole pairs when exposed to visible light (pathway 1). The excited electrons in ZnFe2O4 easily transfer across the nanocomposite interface to the CB of anatase TiO2 because the redox potential of the CB of ZnFe2O4 (1.54 eV) is higher than that of anatase TiO2 (0.29 eV), leaving holes in the ZnFe2O4 VB (pathway 2). Therefore, p-type ZnFe2O4 and n-type TiO2 coupling effectively reduces the electron–hole recombination rate, which lowers the internal resistance and enhances interfacial charge-transfer efficiency as a consequence. Therefore, the photogenerated holes (h+) in the VB of ZnFe2O4 directly photodegrade BPA when irradiated with 465 nm (visible light) (pathway 3) [238].
Figure 13.
Schematic illustrating the visible light-driven photodegradation of BPA by a ZnFe2O4–TiO2 photocatalyst under visible light [238].
Photogenerated electron–hole recombination is another important factor that affects photocatalytic activity because electron–hole pairs generated by photoexcitation very easily recombine; hence, reducing the photogenerated carrier recombination rate also improves photocatalytic efficiency. Other types of semiconductor material can also improve photogenerated carrier separation efficiency and the light-absorption rate when combined with TiO2, thereby improving photocatalytic efficiency. The semiconductor composite is essentially TiO2 modified by another particle. Studies have shown that composite semiconductors have many advantages, including: (1) the bandgap and spectral-absorption range of the semiconductor are easily controlled by adjusting the particle size, (2) the light absorption of semiconductor particles is a banded edge, which benefits effective sunlight collection, and (3) photostability is improved by surface-modifying the particles [239]. Further studies have shown that the energy bands of the two semiconductors bend at the heterojunction interface, which creates a strong internal electric field between the interfaces and separates photogenerated carriers. Hu et al. built a heterojunction that expanded the response range of the material to include the visible region (>450 nm) by combining TiO2 with a small amount of BiVO4, which increased the degradation efficiency for gaseous benzene by a factor of three. The high degradation efficiencies of heterojunction materials can be maintained for more than 50 h [240]. Using molybdenum disulfide as a raw material, Hunge et al. prepared a composite MoS2/TiO2 catalyst with various MoS2 contents using a hydrothermal method; one of the catalysts exhibited a photodegradation rate of 84% for 10 mg/L tetracycline within 100 min under 400 W metal halide lamp used as the UV–Vis light source [241]. Lu et al. prepared a Bi2Mo6/GQDs/TiO2 double-heterojunction-structured material with an expanded absorption-wavelength range and limited photogenerated electron–hole recombination, thereby improving the solar-energy conversion efficiency [242]. Yang et al. showed that TiO2-ZnO composite particles attached to diatomite surfaces exhibit a higher absorption wavelength than pure ZnO/diatomite [243]. Modification with ZnO was shown to move the absorption window of TiO2 to the visible region, with improved light conversion efficiency also observed [244,245]. Similar behavior was also reported for CdS/TiO2 [246], CoSe/TiO2 [247], SnO2/TiO2 [248,249], ZrO2/TiO2 [250,251,252,253], Ag2S/TiO2 [254], Fe3O4/TiO2 [255,256], Co3O4/TiO2 [257], WO3/TiO2 [258,259], TiO2/Bi2O3/TiO2 [260], BiOXs/TiO2 [261], TiO2-WO3-Bi2O3/SiO2 [262], SiO2/TiO2 [263,264,265,266], and Al2O3/TiO2 [267], among others, with the formed heterojunction also observed to improve the absorption wavelength and light-conversion efficiency of each composite material.
4.5. Photosensitizing Organic Dyes
TiO2 only absorbs approximately 4% of the solar spectrum; consequently, extending the excitation wavelength of the catalyst material is an important photocatalysis research topic. Colored organic or inorganic compounds can be chemically or physically adsorbed by a TiO2 semiconductor material with a high specific surface area to sensitize the wide-energy-gap semiconductor surface. On the one hand, the surface of a TiO2 thin film adsorbs a single layer of sensitizer molecules, while the interior of the sponge-like film adsorbs additional sensitizer molecules; consequently, sunlight that is reflected many times on the rough surface is repeatedly absorbed by the sensitizer molecules, which improves the sunlight utilization rate [268]. On the other hand, sensitization increases the efficiency of the light-excitation process and expands the excitation wavelength window to the visible region, thereby improving the photoelectric energy-conversion efficiency, which is the purpose of the sensitizer. In this sense, dye molecules act as semiconductors. The ground state is equivalent to the valence band of the semiconductor, while the excited state is equivalent to the conduction band, with the following specific process adhered to: dye molecules are excited when the photon energy is less than that of the forbidden bandwidth of the semiconductor. Dye-excited electrons are injected into and transported by the semiconductor, which is a long-distance electron-transport system. The electron-trapping agent finally captures the electrons on the surface of the semiconductor to realize electron–hole separation; the carriers then become involved in photocatalysis chemistry. Photosensitizing a catalytic semiconductor material involves the physical or chemical adsorption of active compounds on the semiconductor surface. Sensitizing materials can be divided into pure-organic and metal-organic dyes; the former does not contain central metal ions and includes polymethyl chuan, oxazolium, and some natural dyes, such as anthocyanins, red sandalwood pigments, and carotenoids. These substances have large excitation factors toward visible light, which results in the excited state exhibiting a more negative potential than that of the conduction band of the semiconductor; consequently, the excitation factor is injected into the conduction band of the semiconductor material, thereby expanding the excitation wavelength range of the semiconductor and improving sunlight utilization [269,270]. Porphyrins [271,272], tetracarboxyphthalocyanines [273], squaraine dyes [274], and other organic dyes are especially chemically stable and have outstanding redox properties, good excited-state reaction activities, long emission lifetimes, exhibit good luminescence performance, and strongly affect energy and electron transport through photosensitization. Maximizing dye loading on the semiconductor surface does not always lead to improved performance; consequently, the influence of dye concentration on the photocatalytic performance of a semiconductor needs to be screened [275,276,277]. The tris(2,2’-bipyridyl)dichloruthenium composite with titanium-pillared saponite increases the specific surface area and pore size of TiO2, with photocatalytic activity extending to the visible region as a consequence [159]. Samuel et al. sensitized TiO2 using a dye sensitization method and a variety of natural dyes. The use of chlorophyll was shown to lead to the best degradation effect, with a degradation rate of 60% for MB recorded [278]. Koodali et al. used an iron(III)-phthalocyanine-modified TiO2 catalyst to study the photodegradation of p-aminobenzoic acid, p-nitrobenzoic acid, p-chlorophenoxyacetic acid, salicylic acid, and aniline and found that synergy between iron(III) phthalocyanine and TiO2 contributes to the production of ●OH [279]. The optical bandgap energy of TiO2 surface-modified with polyaniline (PANI) was observed to decrease with increasing amounts of PANI. TiO2-PANI loaded onto polystyrene (TiO2-PANI-PS) exhibited an appreciably accelerated photodegradation rate, compared to the PS-TiO2 composite and pristine PS, when irradiated with UV light [280].
The doping can change the crystal and electronic structure of TiO2, inhibit the recombination rate of photogenerated electron-hole pairs to improve its quantum efficiency, and broaden the response range of light wavelength, which is a powerful factor for improving the photocatalytic performance of TiO2. The summary of different TiO2 modifications is shown in Table 2.
5. Applications
Emissions generated by economic development and human activity have greatly polluted the air that we all rely on. Processes used to fabricate products, tail gases from vehicles, emissions from indoor decorations, and oil smoke from catering activities, among others, have all contributed to a decline in air quality. In addition, water is arguably the most valuable resource offered to life by nature; it plays an integral role in the lives of all living organisms and is an essential material for life itself. However, economic development and population increases have seriously polluted water resources through the massive use of pesticides, the discharge of pharmaceuticals and their metabolites, and the seemingly unlimited use of dyes. Consequently, organic pollutants in water are a problem that needs to be urgently addressed, with TiO2 photocatalysts widely studied and used in water-treatment applications.
TiO2 photocatalysis is an energy-saving and environmentally friendly technology for the highly efficient catalytic oxidation of organic pollutants. It uses the energy of solar radiation to excite photoelectron–hole pairs on the TiO2 surface, which results in the generation of highly reactive radicals, such as superoxide (●O2−) and hydroxyl (●OH), and the oxidation of organic gases, liquids, and other pollutants into carbon dioxide and water. The selective photocatalysis field has undergone rapid development in recent years and now extends to include several new applications. This review focuses on the overall strategies that improve photocatalysis selectivity and encompasses a wide variety of photocatalysts and their modifications, as well as the vital related processes of industrial significance, such as the reduction and oxidation of organics and inorganics and transformation of CO2. After optimizing various procedures, the ultimate challenge of this field involves the use of natural sunlight to remediate real wastewater [281,282,283,284].
5.1. Volatile Organic Compounds (VOCs)
VOCs are common outdoor and indoor air pollutants, and their levels determine air quality. People in developed countries spend more than 90% of their lives indoors; however, the construction and assembly of synthetic materials has resulted in serious VOC pollution problems that directly affect human health. Therefore, indoor air treatment is receiving increasing levels of attention. Formaldehyde is a prominent air pollutant in a newly decorated room; it ranks second in the list of controlled toxic chemical, with only dioxin (strong carcinogen) above it in the list. Formaldehyde is referred to the “first killer” of the indoor environment. Long-term exposure to formaldehyde (even small amounts) can greatly harm the human body. Various measures have been taken to remove formaldehyde from indoor air, mainly through the use of the ventilation, filtration, adsorption, and catalytic purification methods [285,286]. However, these methods are associated with disadvantages that include ease of saturation during adsorption, regular adsorbent replacement, harsh conditions, high costs, and very limited formaldehyde-removal abilities. Recent studies have shown that photocatalytic methods can effectively degrade formaldehyde to harmless CO2 and H2O in indoor air. Such methods use little energy, are simple to operate, use mild reaction conditions, and produce no secondary pollution. Pure semiconductor TiO2 only generates electron–hole pairs when excited by ultraviolet light, with low light-conversion efficiency. Narrow-bandgap TiO2 (after modification) can be excited by visible light, with delayed charge carrier recombination improving the light-utilization rate, thereby improving photocatalytic activity and the formaldehyde-degradation rate [287,288,289].
Song et al. prepared a composite photodegradation catalyst by loading Au-Pt alloy nanoparticles onto TiO2 and examining indoor formaldehyde degradation [290]. Lama et al. prepared a Cr/TiO2 photocatalyst and investigated its performance for the photocatalytic degradation of formaldehyde gas using singly polluted air flowing through Cr/TiO2 [85]. Lan et al. studied the photodegradation of formaldehyde at 65 °C using TiO2-M (M = Cu, In, Pd, and Pt) catalysts and proposed the degradation mechanism shown in Figure 14 [291]. Korologos et al. studied the photocatalytic oxidation performance of 0.25% (w/w) Pt-, Fe-, and Ce-doped TiO2 materials toward gas-phase benzene, toluene, ethylbenzene, and m-xylene under various UV-irradiation conditions. Ce-doped TiO2 was shown to exhibit the best degradation activity for benzene and ethylbenzene [292]. The erbium in an Er-doped TiO2 material occupies the Ti sites in the crystal lattice, which leads to the formation of oxygen vacancies (VO) and Ti3+ that significantly enhance the photocatalytic performance of the catalyst. The presence of Er2O3 also increases the specific surface area, which also improves the VOC-adsorption capacity of the catalyst. Moreover, ●O2− was found to play a dominant role in the degradation of acetaldehyde and ethylene, with ●OH being the dominant species responsible for the degradation of xylene [293].
Figure 14.
Schematic diagram depicting the thermal catalysis mechanism of a TiO2-M (M = Cu, In, Pd, and Pt) catalyst. Reprinted/adapted with permission from Ref. [291]. 2021, Elsevier.
Rao et al. used the sol-gel method to prepare Tm3+-modified TiO2 nanoparticles that exhibited improved photoinduced electron–hole separation efficiency, higher hydrophilicity, increased adsorption capacities for acetaldehyde and o-xylene, and better photocatalytic activities than pure TiO2 for the gas-phase degradation of acetaldehyde, o-xylene, and their mixtures [294]. The 0.5 mol% Tm-TiO2 sample showed the highest photodegradation efficiency (>90.0%) for the abovementioned vapors, thereby providing an effective method for the degradation of VOCs using a TiO2-based catalyst, and it has important guiding significance for the future design of photocatalysts that degrade mixed VOCs. Ji et al. prepared mesoporous TiO2 using a one-step hydrolysis method and various calcination temperatures and used it to photocatalytically degrade gaseous benzene. Mesoporous TiO2 is more catalytically active and degradation stable toward benzene [67]; the use of mesoporous TiO2 in a VUV environment is a promising and efficient benzene-removal method that reliably and conveniently degrades indoor organic pollutants. Mahmood et al. prepared carbon-quantum-dot-decorated TiO2 (CQDs/TiO2) nanocomposites and proposed the photodegradation mechanism shown in Figure 15 [295]. The CQDs adsorbed on the TiO2 facilitates strong hybridization between the TiO2 CB, and the π electrons of the aromatic rings present in the CQD framework, which increases the light-absorption capacity. In addition, the C 2p states of the CQDs incorporate new energy states within the lower CB that shrink the bandgap; therefore, the CQDs/TiO2 bandgap is narrower than that of pure TiO2. The new states within the CB act as reservoirs for the photoinduced electrons in the nanocomposite, which improves the charge-separation process. The CQDs improve the charge-separation and light-harvesting properties of TiO2. CQDs/TiO2 showed significantly different photodegradation efficiencies toward benzene, xylene, and toluene in photodegradation experiments.
Figure 15.
Schematic illustration depicting the surface interactions between CQDs and TiO2 NPs. Illumination with light excites charges in TiO2 that transfer to the CQDs. Reprinted/adapted with permission from Ref. [295]. 2021, Elsevier.
5.2. Dyes and Coatings
Ceramic matrices have become preferred substrates for TiO2 thin-film coatings because they are resistant to high temperatures, very chemically stable, and corrosion resistant, and self-cleaning ceramic films are becoming increasingly researched. The Toto Company in Japan began plating metallic (Ag and Cu) layers on ceramic surfaces loaded with TiO2 in the 1980s; the products exhibited good antibacterial properties when irradiated with visible light or in the dark and were commercially produced from 1994 onwards. The United States, South Korea, and other countries are also following the lead of Japan by investing in self-cleaning ceramics. China is a large country, in terms of ceramic production and use, and the pollution of ceramic products and their cleaning have also received extensive attention. A TiO2 film-layer coating on a ceramic surface can decompose VOCs; such coatings are mainly used for air purification (nitrogen oxide, sulfur oxide, alcohols, aldehydes, etc.), anti-fogging, self-cleaning, decontamination, sterilization, and disinfection purposes [296].
Antibiotic residues and toxic organic molecules from the chemical, textile, and pharmaceutical industries are extremely toxic to aquatic ecosystems and human health. Semiconductor-based photocatalysts have been shown to provide significant advantages, owing to the simple methods used to prepare them, their cost-effectiveness, and lack of toxicity, etc., which improves their yields and utilization rates in practical applications [125]. Dyes may be carcinogenic and/or mutagenic and can impact humans, water-balance systems, and animals in the long-term [60]. Therefore, methods for degrading organic dyes are of paramount importance. Although membrane separation technology has been widely used in water treatment [297], photocatalytic treatment is among the best methods for reducing water pollution from colored dyes used in the textile industry [120,298,299,300]. Anila et al. reviewed dye pollution, dye classification, and dye decolorization/degradation strategies and introduced the degradation mechanism associated with the well-known TiO2 photocatalyst, while concurrently discussing the latest research into metal-, non-metal-, transition-metal-, noble-metal-, and lanthanide-ion-doped TiO2 aimed at improving photocatalytic efficiency. Structurally modified TiO2 photocatalysts have become a flexible, economical, and effective commercial dye-treatment technology and represent the best catalytic materials for the degradation of various pollutants and sustainable environmental remediation. Such catalysts are expected to be widely used in dye photodegradation research [9], with dyes such as methyl orange [301,302,303,304,305], MB [306,307,308,309,310,311,312,313,314,315], and RhB [316,317,318,319,320,321,322,323,324,325,326] having already been studied. Mohamed et al. compared the degradation efficiencies of mesoporous TiO2 nanoparticles and commercially available P25 TiO2 for the photodegradation of organic pollutants [327]. Perfluorooctanoic acid was photodegraded by 99.5% (100 mg/L) using spherical BiOBr-modified TiO2, which maintained a high h+ content on the photocatalyst surface [328].
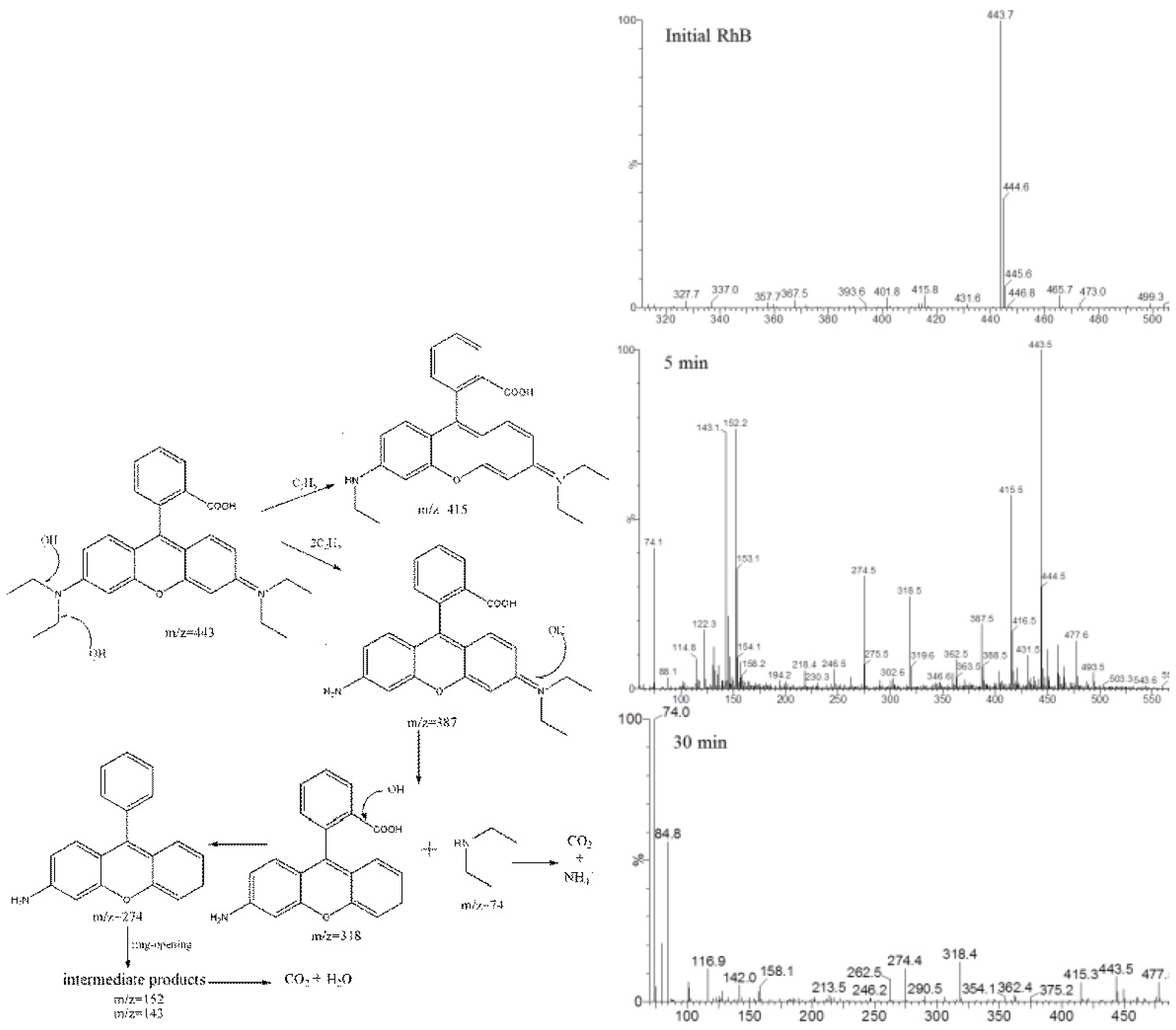
A heterojunction structure is formed when TiO2 is grown on a diatomite carrier, which generates Si-O-Ti active sites in the boundary space between TiO2 and the diatomite, thereby improving the charge-transfer process, as well as the photocatalytic degradation activity for dyes as a consequence [94,329]. Yang et al. grafted TiO2 onto the inner wall of a quartz capillary, followed RhB-degradation products by mass spectrometry, and studied the mechanism responsible for the photocatalytic degradation of RhB (see Figure 16) [330]. Singh et al. prepared zinc oxide nanosheets (ZNFs) functionalized with TiO2 nanoparticles (TNPs) and studied their abilities to detoxify molecular solutions of MB, rhodamine 6G, and oxytetracycline. The ZnO-TiO2 nano-hybrid material exhibited excellent 3D photodegradation performance, which is ascribable to charge separation and TNP/ZNF synergy that increases the electron density in the conductive band. This study provided a simple method for preparing a ZnO-TiO2 heterojunction photocatalyst capable of significantly photodegrading organic azo dyes and medical waste [125].
Figure 16.
Investigating the mechanism responsible for the degradation of RhB by subjecting an initial RhB solution and solutions containing degradation products formed after 5 and 30 min to mass spectrometry [330].
5.3. Drugs and Daily Necessities
The production and use of medical drugs and their metabolites, psychotropic drugs, other abusive drugs, and agricultural drugs are continually increasing. These compounds greatly impact the aquatic ecosystem, with significant toxic side effects exhibited by microorganisms, algae, invertebrates, and vertebrates in the environment. Among these drugs, sulfamethoxazole [331,332,333,334,335,336,337], metronidazole [338,339,340,341,342,343], carbamazepine [344], ciprofloxacin [242,345], and tetracycline [346,347,348], etc., and hormones such as 17α-methyltestosterone [349], have been most researched from a photodegradation perspective. Awfa et al. reviewed the use of carbon–TiO2 composites as catalysts that photodegrade drugs and personal care products in aqueous media [350].
Mouele et al. used mass spectrometry to study the mechanism associated with the degradation of sulfamethoxazole drugs by a Ti/C-N-TiO2 catalyst [351], while Hoi et al. used mass spectrometry to study the intermediates formed by the degradation of sulfamethoxazole drugs using a TiO2 ceramic catalyst [330]. Eskandarian et al. studied the decomposition of acetaminophen, diclofenac, ibuprofen, sulfamethoxazole, and other model drugs by direct photolysis and TiO2 photocatalysis and investigated the effect of the UV–LED wavelength on their decomposition [22]. The UV wavelength was found to be a more important parameter in the decomposition process than the light intensity. The decomposition effect of shorter-wavelength UV light followed the order: UVC > UVB > UVA. Photocatalytic decomposition was observed to be much more significant than direct photolysis. The results of this study are expected to promote the use of UV–LEDs for the treatment of water polluted by toxic chemicals that are difficult to degrade. Akter et al. optimized UV/TiO2 photodegradation processes for metronidazole, ciprofloxacin, and sulfamethoxazole in aqueous solutions and determined their kinetics. The UV/TiO2 photodegradation process was found to be applicable to the treatment of wastewater contaminated with pharmaceuticals [334].
Several issues associated with the photocatalytic degradation of antibiotics need to be resolved. Firstly, many antibiotics are not completely degraded into nontoxic substances. More effort needs to be directed toward evaluating eco-toxicity and designing photocatalysts with higher redox activities for antibiotic photodegradation. Secondly, more attention needs to be paid to recycling and regenerating photocatalysts, particularly for practical applications. Thirdly, previous studies into antibiotic photodegradation were mainly laboratory-based; therefore, larger-scale systems need to be evaluated to increase their applicability to real wastewater treatment projects [352].
6. Conclusions
Photocatalysis is a green and safe technology that converts light into chemical energy and has broad prospects for solving two global problems, namely environmental pollution and the energy crisis. TiO2-based photocatalysts show significant developmental potential and have many advantages, including high chemical stabilities, low costs, low toxicities, abundance, and high catalytic activities. Such catalysts have been widely used to photocatalytically degrade pollutants and purify harmful gases, coatings, and other daily necessities.
This paper reviewed TiO2-preparation methods and discussed the advantages and disadvantages of various methods, and several methods for modifying TiO2 were also introduced. Finally, the use of these materials to degrade harmful gases, coatings, dyes, drugs, and daily necessities were summarized. To conclude, TiO2, as a typical representative photocatalytic semiconductor, has many advantages and shows great potential for further development and modification. Future scientific research is expected to result in further major solar photocatalytic technology breakthroughs that will benefit mankind, while also realizing a low-carbon economy.
Author Contributions
Conceptualization, H.Y. and J.Y.; methodology, H.Y; software, B.Y.; validation, B.Y. and W.C; formal analysis, W.C.; investigation, W.C.; resources, B.Y.; data curation, B.Y.; writing—original draft preparation, H.Y.; writing—review and editing, J.Y.; visualization, HY.; supervision, J.Y.; project administration, J.Y.; funding acquisition, J.Y. All authors have read and agreed to the published version of the manuscript.
Funding
This research received no external funding.
Conflicts of Interest
The authors declare no conflict of interest.
References
- Chow, J.C. Introduction to the A&WMA 2006 Critical Review—Health effects of fine particulate air pollution: Lines that connect. J. Air Waste Manag. Assoc. 2006, 56, 707–708. [Google Scholar] [PubMed]
- Zhang, J.J.; Smith, K.R. Household air pollution from coal and biomass fuels in China: Measurements, health impacts, and interventions. Env. Health Perspect. 2007, 115, 848–855. [Google Scholar] [CrossRef] [PubMed]
- Jones, A.P. Indoor air quality and health. Atmos. Environ. 1999, 33, 4535–4564. [Google Scholar] [CrossRef]
- Mumford, J.L.; He, X.Z.; Chapman R, S.; Cao, S.R.; Harris, D.B.; Li, X.M.; Xian, Y.L.; Jiang, W.Z.; Xu, C.W.; Chuang, J.C.; et al. Lung-cancer and indoor air-pollution in Xuan Wei, China. Science 1987, 235, 217–220. [Google Scholar] [CrossRef] [PubMed]
- Pope, C.A.; Burnett, R.T.; Thun, M.J.; Calle, E.E.; Krewski, D.; Ito, K.; Thurston, G.D. Lung cancer, cardiopulmonary mortality, and long-term exposure to fine particulate air pollution. JAMA 2002, 287, 1132–1141. [Google Scholar] [CrossRef] [PubMed]
- Fujishima, A.; Honda, K. Electrochemical photolysis of water at a semiconductor electrode. Nature 1972, 238, 37–38. [Google Scholar] [CrossRef] [PubMed]
- Gaya, U.I.; Abdullah, A.H. Heterogeneous photocatalytic degradation of organic contaminants over titanium dioxide: A review of fundamentals, progress and problems. J. Photochem. Photobiol. C 2008, 9, 1–12. [Google Scholar] [CrossRef]
- Liu, S.; Yu, J.; Jaroniec, M. Tunable Photocatalytic Selectivity of Hollow TiO2 Microspheres Composed of Anatase Polyhedra with Exposed{001} Facets. J. Am. Chem. Soc. 2010, 132, 11914–11916. [Google Scholar] [CrossRef]
- Ajmal, A.; Majeed, I.; Malik, R.N.; Idriss, H.; Nadeem, M.A. Principles and mechanisms of photocatalytic dye degradation on TiO2 based photocatalysts: A comparative overview. RSC Adv. 2014, 4, 37003–37026. [Google Scholar] [CrossRef]
- Akhtar, J.; Tahir, M.B.; Sagir, M.; Bamufleh, H.S. Improved photocatalytic performance of Gd and Nd co-doped ZnO nanorods for the degradation of methylene blue. Ceram Int. 2020, 46, 11955–11961. [Google Scholar] [CrossRef]
- Ani, I.J.; Akpan, U.G.; Olutoye, M.A.; Hameed, B.H. Photocatalytic degradation of pollutants in petroleum refinery wastewater by TiO2- and ZnO-based photocatalysts: Recent development. J. Clean. Prod. 2018, 205, 930–954. [Google Scholar] [CrossRef]
- Azarang, M.; Shuhaimi, A.; Yousefi, R.; Golsheikh, A.M.; Sookhakian, M. Synthesis and characterization of ZnO NPs/reduced graphene oxide nanocomposite prepared in gelatin medium as highly efficient photo-degradation of MB. Ceram. Int. 2014, 40, 10217–10221. [Google Scholar] [CrossRef]
- Linsebigler, A.L.; Lu, G.; Yates, J.T. Photocatalysis on TiO2 Surfaces: Principles, Mechanisms, and Selected Results. Chem. Rev. 1995, 95, 735–758. [Google Scholar] [CrossRef]
- Azzouz, I.; Habba, Y.G.; Capochichi-Gnambodoe, M.; Marty, F.; Vial, J.; Leprince-Wang, Y.; Bourouina, T. Zinc oxide nano-enabled microfluidic reactor for water purification and its applicability to volatile organic compounds. Microsyst. Nanoeng. 2018, 4, 17093. [Google Scholar] [CrossRef]
- Chen, Y.; Liu, K. RETRACTED: Preparation of granulated N-doped TiO2/diatomite composite and its applications of visible light degradation and disinfection. Powder Technol. 2016, 303, 176–191. [Google Scholar] [CrossRef]
- Chen, Y.; Zhang, C.; Huang, W.; Huang, W.; Situ, Y.; Huang, H. Multimorphologies nano-ZnO preparing through a simple solvothermal method for photocatalytic application. Mater. Lett. 2015, 141, 294–297. [Google Scholar] [CrossRef]
- Kondamareddy, K.K.; Bin, H.; Lu, D.; Kumar, P.; Dwivedi, R.K.; Pelenovich, V.O.; Zhao, X.Z.; Gao, W.; Fu, D. Enhanced visible light photodegradation activity of RhB/MB from aqueous solution using nanosized novel Fe-Cd co-modified ZnO. Sci. Rep. 2018, 8, 10691. [Google Scholar]
- Deng, X.Q.; Zhu, X.; Sun, Z.G.; Li, X.S.; Liu, J.L.; Shi, C.; Zhu, A.M. Exceptional activity for photocatalytic mineralization of formaldehyde over amorphous titania nanofilms. Chem. Eng. J. 2016, 306, 1001–1009. [Google Scholar] [CrossRef]
- Dong, H.; Zeng, G.; Tang, L.; Fan, C.; Zhang, C.; He, X.; He, Y. An overview on limitations of TiO2-based particles for photocatalytic degradation of organic pollutants and the corresponding countermeasures. Water Res. 2015, 79, 128–146. [Google Scholar] [CrossRef]
- Wenderich, K.; Mul, G. Methods, Mechanism, and Applications of Photodeposition in Photocatalysis: A Review. Chem. Rev. 2016, 116, 14587–14619. [Google Scholar] [CrossRef]
- Hoffmann, M.R.; Martin, S.T.; Choi, W.; Bahnemann, D.W. Environmental applications of semiconductor photocatalysis. Chem. Rev. 1995, 95, 69–96. [Google Scholar] [CrossRef]
- Eskandarian, M.R.; Choi, H.; Fazli, M.; Rasoulifard, M.H. Effect of UV-LED wavelengths on direct photolytic and TiO2 photocatalytic degradation of emerging contaminants in water. Chem. Eng. J. 2016, 300, 414–422. [Google Scholar] [CrossRef]
- Firdaus, C.M.; Rizam, M.S.; Rusop, M.; Hidayah, S.R. Characterization of ZnO and ZnO: TiO2 Thin Films Prepared by Sol-Gel Spray-Spin Coating Technique. Procedia Eng. 2012, 41, 1367–1373. [Google Scholar] [CrossRef]
- Fu, P.; Zhang, P. Characterization of Pt-TiO2 film used in three formaldehyde photocatalytic degradation systems: UV254 nm, O3+UV254 nm and UV254+185 nm via X-ray photoelectron spectroscopy. Chin. J. Catal. 2014, 35, 210–218. [Google Scholar] [CrossRef]
- Gandhi, V.G.; Mishra, M.K.; Joshi, P.A. A study on deactivation and regeneration of titanium dioxide during photocatalytic degradation of phthalic acid. J. Ind. Eng. Chem. 2012, 18, 1902–1907. [Google Scholar] [CrossRef]
- Asahi, R.; Morikawa, T.; Ohwaki, T.; Aoki, K.; Taga, Y. Visible-light photocatalysis in nitrogen-doped titanium oxides. Science 2001, 293, 269–271. [Google Scholar] [CrossRef]
- Choi, W.Y.; Termin, A.; Hoffmann, M.R. The role of metal-ion dopants in quantum-sized TiO2-correlation between photoreactivity and charge-carrier recombination dynamics. J. Phys. Chem. 1994, 98, 13669–13679. [Google Scholar] [CrossRef]
- Serpone, N. Is the band gap of pristine TiO2 narrowed by anion and cation-doping of titanium dioxide in second-generation photocatalysts. J. Phys. Chem.B 2006, 110, 24287–24293. [Google Scholar] [CrossRef]
- Zhou, W.J.; Yin, Z.Y.; Du, Y.P.; Huang, X.; Zeng, Z.; Fan, Z.; Liu, H.; Wang, J.; Zhang, H. Synthesis of few-layer MoS2 nanosheet-coated TiO2 nanobelt heterostructures for enhanced photocatalytic activities. Small 2013, 9, 140–147. [Google Scholar] [CrossRef]
- Dvoranova, D.; Brezova, V.; Mazur, M.; Malati, M.A. Investigations of metal-doped titanium dioxide photocatalysts. Appl. Catal. B 2002, 37, 91–105. [Google Scholar] [CrossRef]
- Enache, D.I.; Edwards, J.K.; Landon, P.; Solsona-Espriu, B.; Carley, A.F.; Herzing, A.A.; Watanabe, M.; Kiely, C.J.; Knight, D.W.; Hutchings, G.J. Solvent-free oxidation of primary alcohols to aldehydes using Au-Pd/TiO2 catalysts. Science 2006, 311, 362–365. [Google Scholar] [CrossRef] [PubMed]
- Chen, M.S.; Goodman, D.W. The structure of catalytically active gold on titania. Science 2004, 306, 252–255. [Google Scholar] [CrossRef] [PubMed]
- Siripala, W.; Ivanovskaya, A.; Jaramillo, T.F.; Baeck, S.H.; McFarland, E.W. A Cu2O/TiO2 heterojunction thin film cathode for photoelectrocatalysis. Sol. Energy Mater. Sol. Cells 2003, 77, 229–237. [Google Scholar] [CrossRef]
- Yao, W.F.; Zhang, B.; Huang, C.P.; Ma, C.; Song, X.; Xu, Q. Synthesis and characterization of high efficiency and stable Ag3PO4/TiO2 visible light photocatalyst for the degradation of methylene blue and rhodamine B solutions. J. Mater. Chem. A 2012, 22, 4050–4055. [Google Scholar] [CrossRef]
- Zhou, W.J.; Liu, H.; Wang, J.Y.; Liu, D.; Du, G.; Cui, J. Ag2O/TiO2 Nanobelts Heterostructure with enhanced ultraviolet and visible photocatalytic activity. ACS Appl. Mater. Interfaces 2010, 2, 2385–2392. [Google Scholar] [CrossRef] [PubMed]
- Anpo, M.; Takeuchi, M. The design and development of highly reactive titanium oxide photocatalysts operating under visible light irradiation. J. Catal. 2003, 216, 505–516. [Google Scholar] [CrossRef]
- Wang, G.M.; Wang, H.Y.; Ling, Y.C.; Tang, Y.; Yang, X. Hydrogen-treated TiO2 nanowire arrays for photoelectrochemical water splitting. Nano Lett. 2011, 11, 3026–3033. [Google Scholar] [CrossRef]
- Ye, J.F.; Liu, W.; Cai, J.G.; Chen, S.; Zhao, X.; Zhou, H.; Qi, L. Nanoporous anatase TiO2 mesocrystals: Additive-free synthesis, remarkable crystalline-phase stability, and improved lithium insertion behavior. J. ACS 2011, 133, 933–940. [Google Scholar] [CrossRef]
- Kasuga, T.; Hiramatsu, M.; Hoson, A.; Sekino, T.; Niihara, K. Formation of titanium oxide nanotube. Langmuir 1998, 14, 3160–3163. [Google Scholar] [CrossRef]
- Fox, M.A.; Dulay, M.T. Heterogeneous photocatalysis. Chem. Rev. 1993, 93, 341–357. [Google Scholar] [CrossRef]
- Bartkowski, S.; Neumann, M.; Kurmaev, E.Z.; Fedorenko, V.V.; Shamin, S.N.; Cherkashenko, V.M.; Nemnonov, S.N.; Winiarski, A.; Rubie, D.C. Electronic structure of titanium monoxide. Phys. Rev. B 1997, 56, 10656–10667. [Google Scholar] [CrossRef]
- Ma, Y.; Wang, X.L.; Jia, Y.S.; Chen, X.; Han, H.; Li, C. Titanium dioxide-based nanomaterials for photocatalytic fuel generations. Chem. Rev. 2014, 114, 9987–10043. [Google Scholar] [CrossRef]
- Carp, O.; Huisman, C.L.; Reller, A. Photoinduced reactivity of titanium dioxide. Prog. Solid State Chem. 2004, 32, 33–177. [Google Scholar] [CrossRef]
- Liu, G.; Yang, H.G.; Pan, J.; Yang, Y.Q.; Lu, G.Q.; Cheng, H.M. Titanium Dioxide Crystals with Tailored Facets. Chem. Rev. 2014, 114, 9559–9612. [Google Scholar] [CrossRef]
- Chen, X.; Mao, S.S. Titanium Dioxide Nanomaterials: Synthesis, Properties, Modifications, and Applications. Chem. Rev. 2007, 107, 2891–2959. [Google Scholar] [CrossRef]
- Noman, M.T.; Ashraf, M.A.; Ali, A. Synthesis and applications of nano-TiO2: A review. Environ. Sci. Pollut. Res. 2019, 26, 3262–3291. [Google Scholar] [CrossRef] [PubMed]
- Li, Z.; Li, Z.; Zuo, C.; Fang, X. Application of Nanostructured TiO2 in UV Photodetectors: A Review. Adv. Mater. 2022, 34, 2109083. [Google Scholar] [CrossRef]
- Park, H.; Park, Y.; Kim, W.; Choi, W. Surface modification of TiO2 photocatalyst for environmental applications. J. Photochem. Photobiol. C 2013, 15, 1–20. [Google Scholar] [CrossRef]
- Kumar, S.G.; Devi, L.G. Review on Modified TiO2 Photocatalysis under UV/Visible Light: Selected Results and Related Mechanisms on Interfacial Charge Carrier Transfer Dynamics. J. Phys. Chem. A 2011, 115, 13211–13241. [Google Scholar] [CrossRef]
- Arora, I.; Chawla, H.; Chandra, A.; Sagadevan, S.; Garg, S. Advances in the strategies for enhancing the photocatalytic activity of TiO2:Conversion from UV-light active to visible-light active photocatalyst. Inorg. Chem. Commun. 2022, 143, 109700. [Google Scholar] [CrossRef]
- Xia, C.; Nguyen, T.C.; Nguyen, X.C.; Nguyen, C.X.; Kim, S.Y.; Nguyen, D.; Le, T.; Raizada, P.; Singh, R.; Nguyen, V.-H.; et al. Emerging cocatalysts in TiO2-based photocatalysts for light-driven catalytic hydrogen evolution: Progress and perspectives. Fuel 2022, 307, 121745. [Google Scholar] [CrossRef]
- Daghrir, R.; Drogui, P.; Robert, D. Modified TiO2 For Environmental Photocatalytic Applications: A Review. Ind. Eng. Chem. Res. 2013, 52, 3581–3599. [Google Scholar] [CrossRef]
- Nakata, K.; Fujishima, A. TiO2 photocatalysis: Design and applications. J. Photochem. Photobiol. C 2012, 13, 169–189. [Google Scholar] [CrossRef]
- Sang, L.; Zhao, Y.; Burda, C. TiO2 Nanoparticles as Functional Building Blocks. Chem. Rev. 2014, 114, 9283–9318. [Google Scholar] [CrossRef]
- Schneider, J.; Matsuoka, M.; Takeuchi, M.; Zhang, J.; Horiuchi, Y.; Anpo, M.; Bahnemann, D.W. Understanding TiO2 Photocatalysis: Mechanisms and Materials. Chem. Rev. 2014, 114, 9919–9986. [Google Scholar] [CrossRef]
- Henderson, M.A.; Lyubinetsky, I. Molecular-Level Insights into Photocatalysis from Scanning Probe Microscopy Studies on TiO2. Chem. Rev. 2013, 113, 4428–4455. [Google Scholar] [CrossRef]
- Kapilashrami, M.; Zhang, Y.; Liu, Y.-S.; Hagfeldt, A.; Guo, J. Probing the Optical Property and Electronic Structure of TiO2 Nanomaterials for Renewable Energy Applications. Chem. Rev. 2014, 114, 9662–9707. [Google Scholar] [CrossRef]
- Humayun, M.; Raziq, F.; Khan, A.; Luo, W. Modification strategies of TiO2 for potential applications in photocatalysis: A critical review. Green Chem. Lett. Rev. 2018, 11, 86–102. [Google Scholar] [CrossRef]
- Gao, R.-Q.; Sun, Q.; Fang, Z.; Li, G.-T.; Jia, M.-Z.; Hou, X.-M. Preparation of nano-TiO2/diatomite-based porous ceramics and their photocatalytic kinetics for formaldehyde degradation. Int. J. Min. Met. Mater. 2018, 25, 73–79. [Google Scholar] [CrossRef]
- Gnanaprakasam, A.; Sivakumar, V.M.; Sivayogavalli, P.L.; Thirumarimurugan, M. Characterization of TiO2 and ZnO nanoparticles and their applications in photocatalytic degradation of azodyes. Ecotoxicol. Environ. Saf. 2015, 121, 121–125. [Google Scholar] [CrossRef]
- Guo, Q.; Zhou, C.; Ma, Z.; Yang, X. Fundamentals of TiO2 Photocatalysis: Concepts, Mechanisms, and Challenges. Adv. Mater. 2019, 31, e1901997. [Google Scholar] [CrossRef]
- He, H.; Luo, Z.; Yu, C. Diatomite-anchored g-C3N4 nanosheets for selective removal of organic dyes. J. Alloys Compd. 2020, 816, 152652. [Google Scholar] [CrossRef]
- Hua, C.; Liu, X.; Ren, S.; Zhang, G.; Liu, W. Preparation of visible light-responsive photocatalytic paper containing BiVO4@diatomite/MCC/PVBCFs for degradation of organic pollutants. Ecotoxicol. Environ. Saf. 2020, 202, 110897. [Google Scholar] [CrossRef] [PubMed]
- Jatav, N.; Kuntail, J.; Khan, D.; Kumar De, A.; Sinha, I. AgI/CuWO4 Z-scheme photocatalyst for the degradation of organic pollutants: Experimental and molecular dynamics studies. J. Colloid Interface Sci. 2021, 599, 717–729. [Google Scholar] [CrossRef] [PubMed]
- Jeong, J.; Sekiguchi, K.; Sakamoto, K. Photochemical and photocatalytic degradation of gaseous toluene using short-wavelength UV irradiation with TiO2 catalyst: Comparison of three UV sources. Chemosphere 2004, 57, 663–671. [Google Scholar] [CrossRef] [PubMed]
- Jeong, K.; Deshmukh, P.R.; Park, J.; Sohn, Y.; Shin, W.G. ZnO-TiO2 Core–Shell Nanowires: A Sustainable Photoanode for Enhanced Photoelectrochemical Water Splitting. ACS Sustain. Chem. Eng. 2018, 6, 6518–6526. [Google Scholar] [CrossRef]
- Ji, J.; Xu, Y.; Huang, H.; He, M.; Liu, S.; Liu, G.; Xie, R.; Feng, Q.; Shu, Y.; Zhan, Y.; et al. Mesoporous TiO2 under VUV irradiation: Enhanced photocatalytic oxidation for VOCs degradation at room temperature. Chem. Eng. J. 2017, 327, 490–499. [Google Scholar] [CrossRef]
- Chen, C.; Ma, W.; Zhao, J. Semiconductor-mediated photodegradation of pollutants under visible-light irradiation. Chem. Soc. Rev. 2010, 39, 4206–4219. [Google Scholar] [CrossRef]
- Florez, F.L.E.; Hiers, R.D.; Larson, P.; Johnson, M.; ORear, E.; Rondinone, A.J.; Khajotia, S.S. Antibacterial dental adhesive resins containing nitrogen-doped titanium dioxide nanoparticles. Mater. Sci. Eng. C 2018, 93, 931–943. [Google Scholar] [CrossRef]
- Nosaka, Y.; Nosaka, A.Y. Generation and Detection of Reactive Oxygen Species in Photocatalysis. Chem. Rev. 2017, 117, 11302–11336. [Google Scholar] [CrossRef] [PubMed]
- Kang, Y.; Yang, Y.; Yin, L.-C.; Kang, X.; Wang, L.; Liu, G.; Cheng, H.-M. Selective Breaking of Hydrogen Bonds of Layered Carbon Nitride for Visible Light Photocatalysis. Adv. Mater. 2016, 28, 6471–6477. [Google Scholar] [CrossRef] [PubMed]
- Kanjwal, M.A.; Leung, W.W.-F. Titanium based composite-graphene nanofibers as high-performance photocatalyst for formaldehyde gas purification. Ceram. Int. 2019, 45, 5617–5626. [Google Scholar] [CrossRef]
- Kaur, J.; Singhal, S. Facile synthesis of ZnO and transition metal doped ZnO nanoparticles for the photocatalytic degradation of Methyl Orange. Ceram. Int. 2014, 40, 7417–7424. [Google Scholar] [CrossRef]
- Khalid, N.R.; Hammad, A.; Tahir, M.B.; Rafique, M.; Iqbal, T.; Nabi, G.; Hussain, M.K. Enhanced photocatalytic activity of Al and Fe co-doped ZnO nanorods for methylene blue degradation. Ceram. Int. 2019, 45, 21430–21435. [Google Scholar] [CrossRef]
- Khalilzadeh, A.; Fatemi, S. Spouted bed reactor for VOC removal by modified nano-TiO2 photocatalytic particles. Chem. Eng. Res. Des. 2016, 115, 241–250. [Google Scholar] [CrossRef]
- Kim, J.; Zhang, P.; Li, J.; Wang, J.; Fu, P. Photocatalytic degradation of gaseous toluene and ozone under UV254+185 nm irradiation using a Pd-deposited TiO2 film. Chem. Eng. J. 2014, 252, 337–345. [Google Scholar] [CrossRef]
- Krichevskaya, M.; Preis, S.; Moiseev, A.; Pronina, N.; Deubener, J. Gas-phase photocatalytic oxidation of refractory VOCs mixtures: Through the net of process limitations. Catal. Today 2017, 280, 93–98. [Google Scholar] [CrossRef]
- Dahl, M.; Liu, Y.; Yin, Y. Composite Titanium Dioxide Nanomaterials. Chem. Rev. 2014, 114, 9853–9889. [Google Scholar] [CrossRef] [PubMed]
- Lv, C.; Lan, X.; Wang, L.; Yu, Q.; Zhang, M.; Sun, H.; Shi, J. Alkaline-earth-metal-doped TiO2 for enhanced photodegradation and H2 evolution: Insights into the mechanisms. Catal. Sci. Technol. 2019, 9, 6124–6135. [Google Scholar] [CrossRef]
- Jia, J.; Zhang, J.; Wang, F.; Han, L.; Zhou, J.-Z.; Mao, B.-W.; Zhan, D. Synergetic effect enhanced photoelectrocatalysis. Chem. Commun. 2015, 51, 17700–17703. [Google Scholar] [CrossRef]
- Gao, M.; Zhu, L.; Ong, W.L.; Wang, J.; Ho, G.W. Structural design of TiO2-based photocatalyst for H2 production and degradation applications. Catal. Sci. Technol. 2015, 5, 4703–4726. [Google Scholar] [CrossRef]
- Kim, D.S.; Kwak, S.Y. The hydrothermal synthesis of mesoporous TiO2 with high crystallinity, thermal stability, large surface area and enhanced photocatalytic activity. Appl. Catal. A Gen. 2007, 323, 110–118. [Google Scholar] [CrossRef]
- Tian, G.H.; Fu, H.G.; Jing, L.Q.; Xin, B.F.; Pan, K. Preparation and characterization of stable biphase TiO2 photocatalyst with high crystallinity, large surface area, and enhanced photoactivity. J. Phys. Chem. C 2008, 112, 3083–3089. [Google Scholar] [CrossRef]
- Kumar, S.; Kaushik, R.D.; Purohit, L.P. Novel ZnO tetrapod-reduced graphene oxide nanocomposites for enhanced photocatalytic degradation of phenolic compounds and MB dye. J. Mol. Liq. 2021, 327, 114814. [Google Scholar] [CrossRef]
- Lam, R.C.W.; Leung, M.K.H.; Leung, D.Y.C.; Vrijmoed, L.L.P.; Yam, W.C.; Ng, S.P. Visible-light-assisted photocatalytic degradation of gaseous formaldehyde by parallel-plate reactor coated with Cr ion-implanted TiO2 thin film. Sol. Energy Mater. Sol. Cells 2007, 91, 54–61. [Google Scholar] [CrossRef]
- Wang, J.; Wang, Z.; Wang, W.; Wang, Y.; Hu, X.; Liu, J.; Gong, X.; Miao, W.; Ding, L.; Li, X.; et al. Synthesis, modification and application of titanium dioxide nanoparticles: A review. Nanoscale 2022, 14, 6709–6734. [Google Scholar] [CrossRef]
- Ismail Adel, A.; Bahnemann Detlef, W. Mesoporous titania photocatalysts: Preparation, characterization and reaction mechanisms. J. Mater. Chem. 2011, 21, 11686–11707. [Google Scholar] [CrossRef]
- Bianchi, C.L.; Pirola, C.; Galli, F.; Stucchi, M.; Morandi, S.; Cerrato, G.; Capucci, V. Nano and micro-TiO2 for the photodegradation of ethanol: Experimental data and kinetic modelling. RSC Adv. 2015, 5, 53419–53425. [Google Scholar] [CrossRef]
- Lee, S.Y.; Kang, D.; Jeong, S.; Do, T.H.; Kin, J.H. Photocatalytic Degradation of Rhodamine B Dye by TiO2 and Gold Nanoparticles Supported on a Floating Porous Polydimethylsiloxane Sponge under Ultraviolet and Visible Light Irradiation. ACS Omega 2020, 5, 4233–4241. [Google Scholar] [CrossRef]
- Li, B.; Huang, H.; Guo, Y.; Zhang, Y. Diatomite-immobilized BiOI hybrid photocatalyst: Facile deposition synthesis and enhanced photocatalytic activity. Appl. Surf. Sci. 2015, 353, 1179–1185. [Google Scholar] [CrossRef]
- Li, M.; Lu, B.; Ke, Q.F.; Guo, Y.-J.; Guo, Y.-P. Synergetic effect between adsorption and photodegradation on nanostructured TiO2/activated carbon fiber felt porous composites for toluene removal. J. Hazard. Mater. 2017, 333, 88–98. [Google Scholar] [CrossRef] [PubMed]
- Liang, L.; Meng, Y.; Shi, L.; Ma, J.; Sun, J. Enhanced photocatalytic performance of novel visible light-driven Ag–TiO2/SBA-15 photocatalyst. Superlattices Microstruct. 2014, 73, 60–70. [Google Scholar] [CrossRef]
- Liao, Q.; Pan, W.; Zou, D.; Shen, R.; Sheng, G.; Li, X.; Zhu, Y.; Dong, L.; Asiri, A.M.; Alamry, K.A.; et al. Using of g-C3 N4 nanosheets for the highly efficient scavenging of heavy metals at environmental relevant concentrations. J. Mol. Liq. 2018, 261, 32–40. [Google Scholar] [CrossRef]
- Liu, X.; He, Y.; Yang, B.; Yan, Q.; Yang, J. Highly Efficient Photo-Degradation of Gaseous Organic Pollutants Catalyzed by Diatomite-Supported Titanium Dioxide. Catalysts 2020, 10, 380. [Google Scholar] [CrossRef]
- Abbas, M.M.; Rasheed, M. Solid State Reaction Synthesis and Characterization of Cu doped TiO2 Nanomaterials. J. Phys. Conf. Ser. 2021, 1795, 012059. [Google Scholar]
- Xin, G.; Pan, H.; Chen, D.; Zhang, Z.; Wen, B. Synthesis and photocatalytic activity of N-doped TiO2 produced in a solid phase reaction. J. Phys. Chem. Solids 2013, 74, 286–290. [Google Scholar] [CrossRef]
- Liu, Z.S.; Liu, Z.L.; Liu, J.L.; Zhang, J.W.; Zhou, T.F.; Ji, X. Enhanced photocatalytic performance of Er-doped Bi24O31Br10: Facile synthesis and photocatalytic mechanism. Mater. Res. Bull. 2016, 76, 256–263. [Google Scholar] [CrossRef]
- Lopes, F.V.S.; Monteiro, R.A.R.; Silva, A.M.T.; Silva, G.V.; Faria, J.L.; Mendes, A.M.; Vilar, V.J.P.; Boaventura, R.A.R. Insights into UV-TiO2 photocatalytic degradation of PCE for air decontamination systems. Chem. Eng. J. 2012, 204–206, 244–257. [Google Scholar] [CrossRef]
- Mendoza, J.A.; Lee, D.H.; Kang, J.H. Photocatalytic removal of gaseous nitrogen oxides using WO3/TiO2 particles under visible light irradiation: Effect of surface modification. Chemosphere 2017, 182, 539–546. [Google Scholar] [CrossRef]
- Mo, J.; Zhang, Y.; Xu, Q. Effect of water vapor on the by-products and decomposition rate of ppb-level toluene by photocatalytic oxidation. Appl. Catal. B 2013, 132–133, 212–218. [Google Scholar] [CrossRef]
- Mosleh, S.; Rahimi, M.R.; Ghaedi, M.; Dashtian, K. Sonophotocatalytic degradation of trypan blue and vesuvine dyes in the presence of blue light active photocatalyst of Ag3PO4/Bi2S3-HKUST-1-MOF: Central composite optimization and synergistic effect study. Ultrason. Sonochem. 2016, 32, 387–397. [Google Scholar] [CrossRef] [PubMed]
- Nasr, M.; Balme, S.; Eid, C.; Habchi, R.; Miele, P.; Bechelany, M. Enhanced Visible-Light Photocatalytic Performance of Electrospun rGO/TiO2 Composite Nanofibers. J. Phys. Chem. C 2016, 121, 261–269. [Google Scholar] [CrossRef]
- Wang, Y.; Li, J.; Zhang, B. Study on particle size control of TiO2 particles prepared by gas phase oxidation of TiCl4. Henan Sci. 2016, 34, 662–666. [Google Scholar]
- Yuan, X.; Liang, S.; Ke, H.; Wei, Q.; Huang, Z.; Chen, D. Photocatalytic property of polyester fabrics coated with Ag/TiO2 composite films by magnetron sputtering. Vacuum 2020, 172, 109103. [Google Scholar] [CrossRef]
- Wang, Y.; Li, X.; Liu, Y. Preparation of TiO2 Sol by Sol-gel Method. Chin. Syn Chem. 2008, 16, 705–708. [Google Scholar]
- Liu, S. Synthesis of TiO2-gel by Sol-gel Method. Shandong Chem. Ind. 2015, 20, 3–5. [Google Scholar]
- Shi, J.-W.; Cui, H.-J.; Chen, J.-W.; Fu, M.-L.; Xu, B.; Luo, H.-Y.; Ye, Z.-L. TiO2/activated carbon fibers photocatalyst: Effects of coating procedures on the microstructure, adhesion property, and photocatalytic ability. J. Colloid Interface Sci. 2012, 388, 201–208. [Google Scholar] [CrossRef]
- Ahmad, M.M.; Mushtaq, S.; Qahtani, S.; Al, H.; Sedky, A.; Alam, M.W. Investigation of TiO2 Nanoparticles Synthesized by Sol-Gel Method for Effectual Photodegradation, Oxidation and Reduction Reaction. Crystals 2021, 11, 1456. [Google Scholar] [CrossRef]
- Ni, Q.; Cheng, H.; Ma, J.; Kong, Y.; Komarneni, S. Efficient degradation of orange II by ZnMn2O4 in a novel photo-chemical catalysis system. Front. Chem. Sci. Eng. 2020, 14, 956–966. [Google Scholar] [CrossRef]
- Pant, B.; Park, M.; Park, S. Recent Advances in TiO2 Films Prepared by Sol-gel Methods for Photocatalytic Degradation of Organic Pollutants and Antibacterial Activities. Coatings 2019, 9, 613. [Google Scholar] [CrossRef]
- Pant, B.; Ojha, G.P.; Kuk, Y.S.; Kwon, O.H.; Park, Y.W.; Park, M. Synthesis and Characterization of ZnO-TiO2/Carbon Fiber Composite with Enhanced Photocatalytic Properties. Nanomaterials 2020, 10, 1960. [Google Scholar] [CrossRef] [PubMed]
- Pham, T.D.; Lee, B.K. Novel adsorption and photocatalytic oxidation for removal of gaseous toluene by V-doped TiO2/PU under visible light. J. Hazard. Mater. 2015, 300, 493–503. [Google Scholar] [CrossRef] [PubMed]
- Pham, T.-D.; Lee, B.-K. Selective removal of polar VOCs by novel photocatalytic activity of metals co-doped TiO2/PU under visible light. Chem. Eng. J. 2017, 307, 63–73. [Google Scholar] [CrossRef]
- He, Y.G.; Yan, Q.; Chang, X.Y.; Zhu, M.; Wang, W.; Dong, M.; Song, L.; Yang, J.; Huang, Y. Solvothermal Synthesis of Novel 3D Peony-Like TiO2 Microstructures an its Enhanced Photocatalytic Activity. NANO Brief Rep. Rev. 2018, 13, 18500576. [Google Scholar] [CrossRef]
- He, Y.; Yan, Q.; Liu, X.; Dong, M.; Yang, J.J. Effect of annealing on the structure, morphology and photocatalytic activityof surface-fluorinated TiO2 with dominant {001} facets. J. Photoch. Photobio. A 2020, 393, 112400. [Google Scholar] [CrossRef]
- Xiao, J.R.; Peng, T.Y.; Li, R.; Peng, Z.; Yan, C. Preparation, phase transformation and photocatalytic activities of cerium-doped mesoporous titania nanoparticles. J. Solid State Chem. 2006, 179, 1161–1170. [Google Scholar] [CrossRef]
- Yang, Z.; He, Z.; Wu, W.; Zhou, Y. Preparation of graphene-TiO2 photocatalysis materials by laser-induced hydrothermal method. Colloids Interface Sci. Commun. 2021, 42, 100408. [Google Scholar] [CrossRef]
- Yamashita, H.; Harada, M.; Tanii, A. Preparation of efficient titanium oxide photocatalysts by an ionized cluster beam (ICB) method and their photocatalytic reactivities for the purification of water. Catal. Today 2000, 63, 3–69. [Google Scholar] [CrossRef]
- Pizem, H.; Sukenik, C.N.; Sampathkumaran, U.; McIlwain, A.K.; De Cuire, M.R. Effects of substrate surface unctionality on solution-deposited titania films. Chem. Mater. 2002, 14, 76–2485. [Google Scholar] [CrossRef]
- Saravanan, R.; Gupta, V.K.; Narayanan, V.; Stephen, A. Comparative study on photocatalytic activity of ZnO prepared by different methods. J. Mol. Liq. 2013, 181, 133–141. [Google Scholar] [CrossRef]
- Senthilraja, A.; Subash, B.; Krishnakumar, B.; Rajamanickam, D.; Swaminathan, M.; Shanthi, M. Synthesis, characterization and catalytic activity of co-doped Ag–Au–ZnO for MB dye degradation under UV-A light. Mater. Sci. Semicond. Process. 2014, 22, 83–91. [Google Scholar] [CrossRef]
- Karbassi, M.; Zarrintaj, P.; Ghafarinazari, A.; Saeb, M.R.; Mohammadi, M.R.; Yazdanpanah, A.; Rajadas, J.; Mozafari, M. Microemulsion-based synthesis of a visible-light-responsive Si-doped TiO2 photocatalyst and its photodegradation efficiency potential. Mater. Chem. Phys. 2018, 220, 374–382. [Google Scholar] [CrossRef]
- Medhi, R.; Marquez, M.D.; Lee, T.R. Visible-Light-Active Doped Metal Oxide Nanoparticles: Review of their Synthesis, Properties, and Applications. ACS Appl. Nano Mater. 2020, 3, 6156–6185. [Google Scholar] [CrossRef]
- Singh, J.; Arora, A.; Basu, S. Synthesis of coral like WO3/g-C3N4 nanocomposites for the removal of hazardous dyes under visible light. J. Alloys Compd. 2019, 808, 151734. [Google Scholar] [CrossRef]
- Singh, J.; Kumar, S.; Rishikesh; Manna, A.K.; Soni, R.K. Fabrication of ZnO–TiO2 nanohybrids for rapid sunlight driven photodegradation of textile dyes and antibiotic residue molecules. Opt. Mater. 2020, 107, 110138. [Google Scholar] [CrossRef]
- Son, H.K.; Sivakumar, S.; Rood, M.J.; Kim, B.J. Electrothermal adsorption and desorption of volatile organic compounds on activated carbon fiber cloth. J. Hazard. Mater. 2016, 301, 27–34. [Google Scholar] [CrossRef]
- Takeuchi, M.; Hidaka, M.; Anpo, M. Efficient removal of toluene and benzene in gas phase by the TiO2/Y-zeolite hybrid photocatalyst. J. Hazard. Mater. 2012, 237–238, 133–139. [Google Scholar] [CrossRef]
- Kochuveedu, S.T.; Jang, Y.H.; Kim, D.H. A study on the mechanism for the interaction of light with noble metal-metal oxide semiconductor nanostructures for various photophysical applications. Chem. Soc. Rev. 2013, 42, 8467–8493. [Google Scholar] [CrossRef]
- Hernandez, J.V.; Coste, S.; Murillo, A.G.; Romo, F.C.; Kassiba, A. Effects of metal doping (Cu, Ag, Eu) on the electronic and optical behavior of nanostructured TiO2. J. Alloys Compd. 2017, 710, 355–363. [Google Scholar] [CrossRef]
- Tejasvi, R.; Sharma, M.; Upadhyay, K. Passive photo-catalytic destruction of air-borne VOCs in high traffic areas using TiO2-coated flexible PVC sheet. Chem. Eng. J. 2015, 262, 875–881. [Google Scholar] [CrossRef]
- Crişan, M.; Mardare, D.; Ianculescu, A.; Dragan, N.; Nitoi, I.; Grisn, D.; Voicescu, M.; Todan, L.; Oancea, P.; Adomnitei, G. Iron doped TiO2 films and their photoactivity in nitrobenzene removal from water. Appl. Surf. Sci. 2018, 45, 201–215. [Google Scholar] [CrossRef]
- Tseng, H.-H.; Wei, M.-C.; Hsiung, S.-F.; Chiou, C.-W. Degradation of xylene vapor over Ni-doped TiO2 photocatalysts prepared by polyol-mediated synthesis. Chem. Eng. J. 2009, 150, 160–167. [Google Scholar] [CrossRef]
- Koh, P.W.; Hatta MH, M.; Ong, S.T.; Yuliati, L.; Lee, S.L. Photocatalytic degradation of photosensitizing and non-photosensitizing dyes over chromium doped titania photocatalysts under visible light. J. Photoch. Photobiol. A 2017, 332, 215–223. [Google Scholar] [CrossRef]
- Yang, S.B.; Chun, H.H.; Tayade, R.J.; Jo, W.-K. Iron-functionalized titanium dioxide on flexible glass fibers for photocatalysis of benzene, toluene, ethylbenzene, and o-xylene(BTEX) under visible- or ultraviolet-light irradiation. J. Air Waste Manag. A 2015, 65, 365–373. [Google Scholar] [CrossRef] [PubMed]
- Hung, W.C.; Chen, Y.C.; Chu, H.; Tseng, T.-K. Synthesis and characterization of TiO2 and Fe/TiO2 nanoparticles and their performance for photocatalytic degradation of 1,2-dichloroethane. Appl. Surf. Sci. 2008, 255, 2205–2213. [Google Scholar] [CrossRef]
- Saroj, S.; Singh, L.; Singh, S.V. Photodegradation of Direct Blue-199 in carpet industry wastewater using iron-doped TiO2 nanoparticles and regenerated photocatalyst. Int. J. Chem. Kinet. 2019, 51, 189–205. [Google Scholar] [CrossRef]
- Wang, J.; Liu, Z.; Cai, R. A New Role for Fe3+ in TiO2 Hydrosol: Accelerated Photodegradation of Dyes under Visible Light, Environ. Sci. Technol. 2008, 42, 5759–5764. [Google Scholar] [CrossRef]
- Yu, H.; Irie, H.; Shimodaira, Y.; Hosogi, Y.; Kuroda, Y.; Mlyauchi, M.; Hashimoto, K. An Efficient Visible-Light-Sensitive Fe(III)-Grafted TiO2 Photocatalyst. J. Phys. Chem. C 2010, 114, 16481–16487. [Google Scholar] [CrossRef]
- Sun, H.; Dong, B.; Song, L.; Du, J.; Gao, R.; Su, G.; Gao, L. High photodegradation ability of dyes by Fe(III)-tartrate/TiO2 nanotubular photocatalyst supported via photo-Fenton reaction. J. Photoch. Photobio. A 2017, 334, 20–25. [Google Scholar] [CrossRef]
- Kapridaki, C.; Xynidis, N.; Vazgiouraki, E.; Kallithrakas-Kontos, N.; Maravelaki-Kalaitzaki, P. Characterization of Photoactive Fe-TiO2 Lime Coatings for Building Protection: The Role of Iron Content. Materials 2019, 12, 1847. [Google Scholar] [CrossRef]
- Pham, T.D.; Lee, B.K.; Lee, C.H. The advanced removal of benzene from aerosols by photocatalytic oxidation and adsorption of Cu-TiO2/PU under visible light irradiation. Appl. Catal. B 2016, 182, 172–183. [Google Scholar] [CrossRef]
- Reddy, N.L.; Emin, S.; Kumari, V.D.; Muthukonda Venkatakrishnan, S. CuO Quantum Dots Decorated TiO2 Nanocomposite Photocatalyst for Stable Hydrogen Generation. Ind. Eng. Chem. Res. 2018, 57, 568–577. [Google Scholar] [CrossRef]
- Mertah, O.; El Hajjaji, K.; El Amrani, S.; Tanji, K.; Goncharova, I.; Kherbeche, A. Visible-light Cu/TiO2@Ag3PO4 heterostructure photocatalyst for selective nitrate reduction and antimicrobial activity. Opt. Mater. 2022, 129, 112549. [Google Scholar] [CrossRef]
- Tseng, T.K.; Lin, Y.S.; Chen, Y.J.; Chu, H. A review of photocatalysts prepared by sol-gel method for VOCs removal. Int. J. Mol. Sci. 2010, 11, 2336–2361. [Google Scholar] [CrossRef] [PubMed]
- Mohammed, A.M.; Khaled, F.Q.; Fares, T.A.; Salah, M.E.; Reda, S.S. Role of NiO Nanoparticles in Enhancing Structure Properties of TiO2 and Its Applications in Photodegradation and Hydrogen Evolution. ACS Omega 2021, 6, 30386–30400. [Google Scholar]
- Riaz, N.; Chong, F.K.; Man, Z.B.; Khan, M.S.; Dutta, B.K. Photodegradation of Orange II under Visible Light Using Cu−Ni/TiO2: Influence of Cu: Ni Mass Composition, Preparation, and Calcination Temperature. Ind. Eng. Chem. Res. 2013, 52, 4491–4503. [Google Scholar] [CrossRef]
- Shayegan, Z.; Lee, C.S.; Haghighat, F. TiO2 photocatalyst for removal of volatile organic compounds in gas phase—A review. Chem. Eng. J. 2018, 334, 2408–2439. [Google Scholar] [CrossRef]
- Tieng, S.T.; Kanaev, A.; Chhor, K. New homogeneously doped Fe(III)-TiO2 photocatalyst for gaseous pollutant degradation. Appl. Catal A Gen. 2011, 399, 191–197. [Google Scholar] [CrossRef]
- Lu, Y.; Huang, B.; Xu, X.; Liu, Y.; Cheng, A.; Hou, J. Construction and characteristics of a novel green photocatalyst:iron (III) doped titania nanomesh. Chem. Eng. J. 2021, 47, 23497–23506. [Google Scholar] [CrossRef]
- Murcia, J.J.; Hidalgo, M.C.; Navio, J.A.; Vaiano, V.; Sannino, D.; Ciambelli, P. Cyclohexane photocatalytic oxidation on Pt/TiO2 catalysts. Catal. Today 2013, 209, 164–169. [Google Scholar] [CrossRef]
- Li, X.Y.; Zou, X.J.; Qu, Z.P.; Zhao, Q.; Wang, L. Photocatalytic degradation of gaseous toluene over Ag-doping TiO2 nanotube powder prepared by anodization coupled with impregnation method. Chemosphere 2011, 83, 674–679. [Google Scholar] [CrossRef]
- Lima, K.V.; Emídio, E.S.; Pupo Nogueira, R.F.; Vasconcelos, N.D.S.L.; Araújo, A.B. Application of a stable Ag/TiO2 film in thesimultaneous photodegradation of hormones. J. Chem. Technol. Biotechnol. 2020, 95, 2656–2663. [Google Scholar]
- Lopes, F.C.S.M.R.; da Rocha, M.G.C.; Bargiel, P.; Ferreira, H.S.; Pires, C.A.M. Ag/TiO2 photocatalyst immobilized onto modified natural fibers for photodegradation of anthracene. Chem. Eng. Sci. 2020, 227, 115939. [Google Scholar] [CrossRef]
- Nguyen, T.H.; Hoang, N.H.; Tran, C.V.; Nguyen, P.T.M.; Dang, T.-D.; Chung, W.J.; Chang, S.W.; Nguyen, D.D.; Kumar, P.S.; La, D.D. Green synthesis of a photocatalyst Ag/TiO2 nanocomposite using Cleistocalyx operculatus leaf extract for degradation of organic dye. Chemosphere 2022, 306, 135474. [Google Scholar] [CrossRef]
- Gang, R.; Xia, Y.; Xu, L.; Zhang, L.; Ju, S.; Wang, Z.; Koppala, S. Size controlled Ag decorated TiO2 plasmonic photocatalysts for tetracycline degradation under visible light. Surf. Interfaces 2022, 31, 102018. [Google Scholar] [CrossRef]
- Wang, Y.; Zhao, S.; Yang, Y.; Rodriguez, R.D.; Lipovka, A.; Lu, Y.; Huang, H.; Chen, J. Ag nanoparticle-decorated Bi2O3-TiO2 heterogeneous nanotubular photocatalysts for enhanced degradation of organic contaminants. Colloids Surf. A Physicochem. Eng. Asp. 2022, 648, 129233. [Google Scholar] [CrossRef]
- Zhou, Y.; Zhao, D.; Cao, F.; Luo, Q.; Xiang, Y.; Deng, Y. Highly photoactive Ag-based urchin-like E-g-C3N4/TiO2 ternary composite photocatalyst. Micro Nano Lett. 2019, 14, 154–157. [Google Scholar] [CrossRef]
- Houskova, V.; Stengl, V.; Bakardjieva, S.; Murafa, N.; Tyrpekl, V. Efficient gas phase photodecomposition of acetone by Ru-doped Titania. Appl. Catal. B 2009, 89, 613–619. [Google Scholar] [CrossRef]
- Fatimah, I.; Nurillahi, R.; Sahroni, I.; Muraza, O. TiO2-pillared saponite and photosensitization using a ruthenium complex for photocatalytic enhancement of the photodegradation of bromophenol blue. Appl. Clay Sci. 2019, 183, 105302. [Google Scholar] [CrossRef]
- Menendez-Flores, V.M.; Ohno, T. High visible-light active Ir-doped-TiO2 brookite photocatalyst synthesized by hydrothermal microwave-assisted process. Catal. Today 2014, 230, 214–220. [Google Scholar] [CrossRef]
- Wu, Q.; Ye, J.; Qiao, W.; Li, Y.; Niemantsverdriet, J.W.; Richards, E.; Pan, F.; Su, R. Inhibit the formation of toxic methylphenolic by-products in photo-decomposition of formaldehyde–toluene/xylene mixtures by Pd cocatalyst on TiO2. Appl. Catal. B 2021, 291, 120118. [Google Scholar] [CrossRef]
- Michael, B.; Andrew, M. Photonic efficiency and selectivity study of M (M=Pt, Pd, Au and Ag)/TiO2 photocatalysts for methanol reforming in the gas phase. J. Photochem. Photobiol. A Chem. 2020, 389, 112257. [Google Scholar]
- Sharma, S.; Mittal, A.; Chauhan, N.S.; Saini, S.; Yadav, J.; Kushwaha, M.; Chakraborty, R.; Sengupta, S.; Kumari, K.; Kumar, N. Mechanistic investigation of RhB photodegradation under low power visible LEDs using a Pd-modified TiO2/Bi2O3 photocatalyst: Experimental and DFT studies. J. Phys. Chem. Solids 2022, 162, 110510. [Google Scholar] [CrossRef]
- Cristina, L.; Pietro, A.; Teresa, F.M.; Pirri, G.; Poerio, T.; Molinari, R. Pd/TiO2 doped faujasite photocatalysts for acetophenone transfer hydrogenation in a photocatalytic membrane reactor. J. Catal. 2017, 353, 152–161. [Google Scholar]
- Al-Azri, Z.H.N.; Chen, W.-T.; Chan, A.; Jovic, V.; Ina, T.; Idriss, H.; Waerhouse, G.I.N. The roles of metal co-catalysts and reaction media in photocatalytic hydrogen production: Performance evaluation of M/TiO2 photocatalysts (M = Pd, Pt, Au) in different alcohol–water mixtures. J. Catal. 2015, 329, 355–367. [Google Scholar] [CrossRef]
- Jin, K.; Qin, M.; Li, X.; Wang, R.; Zhao, Y.; Wang, H. Z-scheme Au@TiO2/Bi2WO6 heterojunction as efficient visible-light photocatalyst for degradation of antibiotics. J. Mol. Liq. 2022, 364, 120017. [Google Scholar] [CrossRef]
- Pradeepta, B.; Soumya, R.D.; Kulamani, P. Mechanistic insight the visible light driven hydrogen generation by plasmonic Au-Cu alloy mounted on TiO2 @B-doped g-C3N4 heterojunction photocatalyst. J. Alloys Compd. 2022, 909, 164754. [Google Scholar]
- Al-Hajji, L.A.; Ismail, A.A.; Bumajdad, A.; Alsaidi, M.; Ahmed, S.A.; Al-Hazza, A.; Ahmed, N. Photodegradation of powerful five estrogens collected from waste water treatment plant over visible-light-driven Au/TiO2 photocatalyst. Environ. Technol. Innov. 2021, 24, 101958. [Google Scholar] [CrossRef]
- Yu, X.; Qiu, H.; Wang, B.; Meng, Q.; Sun, S.; Tang, Y.; Zhao, K. A ternary photocatalyst of all-solid-state Z-scheme TiO2–Au–BiOBr for efficiently degrading various dyes. J. Alloys Compd. 2020, 839, 155597. [Google Scholar] [CrossRef]
- Luna, M.; Gatica, J.M.; Vidal, H.; Mosquera, M.J. One-pot synthesis of Au/N-TiO2 photocatalysts for environmental applications: Enhancement of dyes and NOx photodegradation. Powder Technol. 2019, 355, 793–807. [Google Scholar] [CrossRef]
- Alsaidi, M.; Azeez, F.A.; Al-Hajji, L.A.; Ismail, A.A. Impact of reaction parameters for photodegradation pharmaceuticals in wastewater over gold/titania photocatalyst synthesized by pyrolysis of NH2-MIL-125(Ti). J. Environ. Manag. 2022, 314, 115047. [Google Scholar] [CrossRef] [PubMed]
- Wu, Y.; Liu, H.; Zhang, J.; Chen, F. Enhanced Photocatalytic Activity of Nitrogen-Doped Titania by Deposited with Gold. J. Phys. Chem. C 2009, 113, 14689–14695. [Google Scholar] [CrossRef]
- Mayoufi, A.; Nsib, M.F.; Houas, A. Doping level effect on visible-light irradiation W-doped TiO2–anatase photocatalysts for Congo red photodegradation. Comptes Rendus Chim. 2014, 17, 818–823. [Google Scholar] [CrossRef]
- Mogal, S.I.; Gandhi, V.G.; Mishra, M.; Ttipathi, S.; Shripathi, T.; Joshi, P.A.; Shah, D.O. Single-step synthesis of silver-doped titanium dioxide: Influence of silver on structural, textural, and photocatalytic properties. Ind. Eng. Chem. Res. 2014, 53, 5749–5758. [Google Scholar] [CrossRef]
- Ellouzi, I.; Bouddouch, A.; Bakiz, B.; Benlhachemi, A.; Oualid, H.A. Glucose-assisted ball milling preparation of silver-doped biphasic TiO2 for efficient photodegradation of Rhodamine B: Effect of silver-dopant loading. Chem. Phys. Lett. 2021, 770, 138456. [Google Scholar] [CrossRef]
- Alamelu, K.; Jaffar Ali, B.M. TiO2-Pt composite photocatalyst for photodegradation and chemical reduction of recalcitrant organic pollutants. J. Environ. Chem. Eng. 2018, 6, 5720–5731. [Google Scholar]
- Wu, Y.; Gong, Y.; Liu, J.; Zhang, Z.; Xu, Y.; Ren, H.; Li, C.; Niu, L. B and Y co-doped TiO2 photocatalyst with enhanced photodegradation efficiency. J. Alloys Compd. 2017, 695, 1462–1469. [Google Scholar] [CrossRef]
- Erik, C.; Elisa, G.; Paola, C.; Cristina, P.M. The role of Cerium, Europium and Erbium doped TiO2 photocatalysts in water treatment: A mini-review. Chem. Eng. J. Adv. 2022, 10, 100268. [Google Scholar]
- Thi, V.H.T.; Lee, B.K. Effective photocatalytic degradation of paracetamol using La-doped ZnO photocatalyst under visible light irradiation. Mater. Res. Bull. 2017, 96, 171–182. [Google Scholar] [CrossRef]
- Wang, M.; Xu, X.; Lin, L.; He, D. Gd–La codoped TiO2 nanoparticles as solar photocatalysts. Mater. Int. 2015, l25, 6–11. [Google Scholar] [CrossRef]
- Wang, Q.; Xu, S.; Shen, F. Preparation and Characterization of TiO2 photocatalysts co-doped with iron(III) and lanthanum for the degradation of organic pollutants. App. Sur. Sci. 2011, 257, 7671–7677. [Google Scholar] [CrossRef]
- Li, S.; Yang, Y.; Su, Q.; Liu, X.; Zhao, H.; Zhao, Z.; Li, J.; Jin, C. Synthesis and photocatalytic activity of transition metal and rare earth element co-doped TiO2 nano particles. Mater. Lett. 2019, 252, 123–125. [Google Scholar] [CrossRef]
- Jiang, H.; Wang, Q.; Zang, S.; Li, J.; Wang, X. Hydrothermal synthesis of high-efficiency Pr, N, P-tridoped TiO2 from TiCl4 hydrolysis and mechanism of its enhanced photoactivity. J. Alloys Compd. 2014, 600, 34–42. [Google Scholar] [CrossRef]
- Eskandarloo, H.; Badiei, A.; Behnajady, M.A. TiO2/CeO2 Hybrid Photocatalyst with Enhanced Photocatalytic Activity: Optimization of Synthesis Variables. Ind. Eng. Chem. Res. 2014, 53, 7847–7855. [Google Scholar] [CrossRef]
- Thiruppathi, M.; Kumar, P.S.; Devendran, P.; Ramalingan, C.; Swaminathan, M.; Nagarajan, E.R. Ce@TiO2 nanocomposites: An efficient, stable and affordable photocatalyst for the photodegradation of diclofenac sodium. J. Alloys Compd. 2018, 735, 728–734. [Google Scholar] [CrossRef]
- Xu, D.-X.; Lian, Z.-W.; Fu, M.-L.; Yuan, B.; Shi, J.-W.; Cui, H.-J. Advanced near-infrared-driven photocatalyst: Fabrication, characterization, and photocatalytic performance of-NaYF4:Yb3+, Tm3+@TiO2 core@shell microcrystals. Appl. Catal. B 2013, 142–143, 377–386. [Google Scholar] [CrossRef]
- Liu, Y.; Wang, W.; Si, M.; Yu, Y.; Zhang, H. (Yb3+,Er3+) co-doped TiO2/Ag3PO4 hybrid photocatalyst with enhanced activity for photodegradation of phenol. Appl. Surf. Sci. 2019, 463, 159–168. [Google Scholar] [CrossRef]
- Cheng, Z.W.; Gu, Z.Q.; Chen, J.M.; Yu, J.; Zhou, L. Synthesis, characterization, and photocatalytic activity of porous La-N-co-doped TiO2 nanotubes for gaseous chlorobenzene oxidation. J. Environ. Sci. 2016, 46, 203–213. [Google Scholar] [CrossRef]
- Trujillo-Navarrete, B.; Haro-Vazquez, M.P.; Felix-Navarro, R.M.; Paraguay-Delgado, F.; Alvarez-Huerta, H.; Perez-Sicairos, S.; Reynoso-Soto, E.A. Effect of Nd3+ doping on structure, microstructure, lattice distortion and electronic properties of TiO2 nanoparticles. J. Rare Earths 2017, 35, 259–270. [Google Scholar] [CrossRef]
- Zhao, Z.; Liu, J.; Sa, G.; Xu, A. Electronic properties and photodegradation ability of Nd-TiO2 for Phenol. J. Rare Earths 2022, 40, 1063–1072. [Google Scholar] [CrossRef]
- Feng, H.; Xu, H.; Feng, H.; Gao, Y.; Jin, X. The sol-gel synthesis and photocatalytic activity of Gd-SiO2-TiO2 photocatalyst. Chem. Phys. Lett. 2019, 733, 136676. [Google Scholar] [CrossRef]
- Marschall, R.; Wang, L. Non-metal doping of transition metal oxides for visible-light photocatalysis. Catal. Today 2014, 22, 111–135. [Google Scholar] [CrossRef]
- Yu, L.; Li, J.; Lin, Y. Research progress in photocatalytic performance of non-metallic doped nano-TiO2. Appl. Chem. Ind. 2019, 48, 1945–1948. [Google Scholar]
- Piątkowska, A.; Janus, M.; Szymański, K.; Mozia, S. C, N and S-doped TiO2 photocatalysts: A Review. Catalysts 2021, 11, 144. [Google Scholar] [CrossRef]
- Asahi, R.; Morikawa, T.; Irie, H.; Ohwaki, T. Nitrogen-Doped Titanium Dioxide as Visible-Light-Sensitive Photocatalyst: Designs, Developments, and Prospects. Chem. Rev. 2014, 114, 9824–9852. [Google Scholar] [CrossRef] [PubMed]
- Zeng, L.; Lu, Z.; Li, M.H.; Yang, J.; Song, W.; Zeng, D.; Xie, C. A modular calcination method to prepare modified N-doped TiO2 nanoparticle with high photocatalytic activity. Appl. Catal. B 2016, 183, 308–316. [Google Scholar] [CrossRef]
- Bianchi, C.L.; Cappelletti, G.; Ardizzone, S.; Gialanella, S.; Naldoni, A.; Oliva, C.; Pirola, C. N-doped TiO2 from TiCl3 for photodegradation of air pollutants. Catal. Today 2009, 144, 31–36. [Google Scholar] [CrossRef]
- Lin, Y.-M.; Tseng, Y.-H.; Huang, J.-H.; Chao, C.C.; Chen, C.-C.; Wang, A.I. Photocatalytic Activity for Degradation of Nitrogen Oxides over Visible Light Responsive Titania-Based Photocatalysts. Environ. Sci. Technol. 2006, 40, 1616–1621. [Google Scholar] [CrossRef]
- Khan, T.T.; Bari, G.A.M.R.; Kang, H.-J.; Lee, T.-G.; Park, J.-W.; Hwang, H.J.; Hossain, S.M.; Mun, J.S.; Suzuki, N.; Fujishima, A.; et al. Synthesis of N-Doped TiO2 for Efficient Photocatalytic Degradation of Atmospheric NOx. Catalysts 2021, 11, 109. [Google Scholar] [CrossRef]
- Dong, F.; Wang, H.Q.; Wu, Z.B. One-step “green” synthetic approach for mesoporous C-doped titanium dioxide with efficient visible light photocatalytic activity. J. Phys. Chem. C 2009, 113, 16717–16723. [Google Scholar] [CrossRef]
- Bilge, S.; Sinağ, A. TiO2/core-shell structured carbon support materials derived from hydrothermal carbonization of waste masks biomass: A green photocatalyst. Inorg. Chem. Commun. 2022, 144, 109911. [Google Scholar] [CrossRef]
- Nu, T.T.V.; Tran, N.H.T.; Truong, P.L.; Truong, P.L.; Phan, B.T.; Dinh, M.T.N.; Dinh, V.-P.; Phan, T.S.; Go, S.; Chang, M.C.; et al. Green synthesis of microalgae-based carbon dots for decoration of TiO2 nanoparticles in enhancement of organic dye photodegradation. Environ. Res. 2022, 206, 112631. [Google Scholar] [CrossRef] [PubMed]
- Takeda, N.; Iwata, N.; Torimoto, T.; Yoneyama, H. Influence of Carbon Black as an Adsorbent Used in TiO2 Photocatalyst Films on Photodegradation Behaviors of Propyzamide. J. Catal. 1998, 177, 240–246. [Google Scholar] [CrossRef]
- Farjadfar, S.; Ghiaci, M.; Kulinch, S.A.; Wunderlich, W. Efficient photocatalyst for the degradation of cationic and anionic dyes prepared via modification of carbonized mesoporous TiO2 by encapsulation of carbon dots. Mater. Res. Bull. 2022, 155, 111963. [Google Scholar] [CrossRef]
- Tetteh, E.K.; Rathilal, S. Adsorption and Photocatalytic Mineralization of Bromophenol Blue Dye with TiO2 Modified with Clinoptilolite/Activated Carbon. Catalysts 2021, 11, 7–23. [Google Scholar] [CrossRef]
- Jo, W.K.; Kim, J.T. Decomposition of gas-phase aromatic hydrocarbons by applying an annular-type reactor coated with sulfur-doped photocatalyst under visible-light irradiation. J. Chem. Technol. Biotechnol. 2010, 85, 485–492. [Google Scholar] [CrossRef]
- Jo, W.K.; Kang, H.J. Aluminum sheet-based S-doped TiO2 for photocatalytic decomposition of toxic organic vapors. Chin. J. Catal. 2014, 35, 1189–1195. [Google Scholar] [CrossRef]
- Wang, Y.; Li, J.; Peng, P.; Lu, T.; Wang, L. Preparation of S-TiO2 photocatalyst and photodegradation of L-acid under visible light. Appl. Surf. Sci. 2008, 254, 5276–5280. [Google Scholar] [CrossRef]
- Khan, R.; Kim, S.W.; Kim, T.-J.; Nam, C.-M. Comparative study of the photocatalytic performance of boron-iron Co-doped and boron-doped TiO2 nanoparticles. Mater. Chem. Phys. 2008, 112, 167–172. [Google Scholar] [CrossRef]
- Yun, E.-T.; Yoo, H.-Y.; Kim, W.; Kim, H.-E.; Kang, G.; Lee, H.; Lee, S.; Park, T.; Lee, C.; Kim, J.-H.; et al. Visible-light-induced activation of periodate that mimics dye-sensitization of TiO2: Simultaneous decolorization of dyes and production of oxidizing radicals. Appl. Catal. B Environ. 2017, 203, 475–484. [Google Scholar] [CrossRef]
- Tian, L.; Xing, L.; Shen, X.; Li, Q.; Ge, S.; Liu, B.; Jie, L. Visible light enhanced Fe–I–TiO2 photocatalysts for the degradation of gaseous benzene. Atmos. Pollut. Res. 2020, 11, 179–185. [Google Scholar] [CrossRef]
- Wang, J.-C.; Lou, H.-H.; Xu, Z.-H.; Gui, C.-X.; Li, Z.-J.; Jiang, K.; Zhang, Y.-P.; Qu, L.-B.; Shi, W. Natural sunlight driven highly efficient photocatalysis for simultaneous degradation of rhodamine B and methyl orange using I/C codoped TiO2 photocatalyst. J. Hazard. Mater. 2018, 360, 356–363. [Google Scholar] [CrossRef] [PubMed]
- Zhou, M.; Zhong, X.; Wei, D.; Yang, K.; Chen, Y.; Jia, C.; Li, J. Highly efficient doping of titanium dioxide with sulfur using disulfide-linked macrocycles for hydrogen production under visible light. Green Chem. 2022, 24, 2557–2566. [Google Scholar] [CrossRef]
- Chen, D.M.; Jiang, Z.Y.; Geng, J.Q.; Wang, Q.; Yang, D. Carbon and nitrogen co-doped TiO2 with enhanced visible-light photocatalytic activity. Ind. Eng. Chem. Res. 2007, 46, 2741–2746. [Google Scholar] [CrossRef]
- Wang, J.; Wang, J.; Wu, X.; Zhang, G. Pt-TiO2 microspheres with exposed {001} facets for degradation of formaldehyde in air: Formation mechanism and enhanced visible light photocatalytic activity. Mater. Res. Bull. 2017, 96, 262–269. [Google Scholar] [CrossRef]
- Pandian, R.; Natarajan, G.; Dhaipule, N.G.K.; Prasad, A.K.; Kamruddin, M.; Tyagi, A.K. Types of nitrogen incorporation in reactively sputtered titania thin films: Influence on UV-visible, photocatalytic and photoconduction properties. Thin Solid Film. 2016, 616, 466–476. [Google Scholar] [CrossRef]
- Lee, J.Y.; Jo, W.K. Heterojunction-based two-dimensional N-doped TiO2/WO3 composite architectures for photocatalytic treatment of hazardous organic vapor. J. Hazard. Mater. 2016, 314, 22–31. [Google Scholar] [CrossRef] [PubMed]
- Albrbar, A.J.; Djokic, V.; Bjelajac, A.; Kovac, J.; Cirkovic, J.; Mitric, M.; Janackovic, D.; Petrovic, R. Visible-light active mesoporous, nanocrystalline N,S-doped and co-doped titania photocatalysts synthesized by non-hydrolytic sol-gel route. Ceram. Int. 2016, 42, 16718–16728. [Google Scholar] [CrossRef]
- Yang, X.; Qiong, J.; Pang, J.; Yang, Y.; Zheng, S.; Jia, J.; Qin, Z. Hierarchical porous N-TiO2/carbon foam composite for enhancement of photodegradation activity under simulated sunlight. Diam. Relat. Mater. 2022, 128, 109234. [Google Scholar]
- Dong, F.; Guo, S.; Wang, H.; Li, X.; Wu, Z. Enhancement of the visible light photocatalytic activity of C-doped TiO2 nanomaterials prepared by a green synthetic approach. J. Phys. Chem. C 2011, 115, 13285–13292. [Google Scholar] [CrossRef]
- Di Valentin, C.; Pacchioni, G.; Selloni, A. Theory of carbon doping of titanium dioxide. Chem. Mater. 2005, 17, 6656–6665. [Google Scholar] [CrossRef]
- Kavitha, R.; Devi, L.G. Synergistic effect between carbon dopant in titania lattice and surface carbonaceous species for enhancing the visible light photocatalysis. J. Environ. Chem. Eng. 2014, 2, 857–867. [Google Scholar] [CrossRef]
- Wang, Y.; Liu, X.; Guo, L.; Shang, L.; Ge, S.; Song, G.; Naik, N.; Shao, Q.; Lin, J.; Guo, Z. Metal organic framework-derived C-doped ZnO/TiO2 nanocomposite catalysts for enhanced photodegradation of Rhodamine, B. J. Colloid Interface Sci. 2021, 599, 566–576. [Google Scholar] [CrossRef]
- Thind, S.S.; Mustapic, C.C.; Wen, J.; Goodwin, C.D.; Chen, A. Facile synthesis of mesoporous carbon nitride and titanium dioxide nanocomposites with enhanced visible light photocatalytic activity. New J. Chem. 2017, 41, 10542–10549. [Google Scholar] [CrossRef]
- Lei, X.F.; Xue, X.X.; Yang, H.; Chen, C.; Li, X.; Niu, M.C.; Gao, X.Y.; Yang, Y.T. Effect of calcination temperature on the structure and visible-light photocatalytic activities of (N, S and C) co-doped TiO2 nano-materials. Appl. Surf. Sci. 2015, 332, 172–180. [Google Scholar] [CrossRef]
- Li, D.; Haneda, H.; Hishita, S.; Ohashi, N. Visible-light-driven nitrogen-doped TiO2 photocatalysts: Effect of nitrogen precursors on their photocatalysis for decomposition of gas-phase organicpollutants. Mater. Sci. Eng. B 2005, 117, 67–75. [Google Scholar] [CrossRef]
- Pan, L.; Zou, J.-J.; Wang, S.; Huang, Z.-F.; Zhang, X.; Wang, L. Enhancement of visible-light-induced photodegradation over hierarchical porous TiO2 by nonmetal doping and water-mediated dye sensitization. Appl. Surf. Sci. 2013, 268, 252–258. [Google Scholar] [CrossRef]
- Zeng, X.; Sun, X.; Yu, Y.; Wang, H.; Wang, Y. Photocatalytic degradation of flumequine with B/N codoped TiO2 catalyst: Kinetics, main active species, intermediates and pathways. Chem. Eng. J. 2019, 378, 122226. [Google Scholar] [CrossRef]
- Li, Y.-F.; Xu, D.; Oh, J.I.; Shen, W.; Li, X.; Yu, Y. Mechanistic study of codoped titania with nonmetal and metal ions: A case of C plus Mo codoped TiO2. ACS Catal. 2012, 2, 391–398. [Google Scholar] [CrossRef]
- Dong, F.; Wang, H.-; Wu, Z.-; Qiu, J. Marked enhancement of photocatalytic activity and photochemical stability of N-doped TiO2 nanocrystals by Fe3+/Fe2+ surface modification. J. Colloid Interface Sci. 2010, 343, 200–208. [Google Scholar] [CrossRef] [PubMed]
- Wu, Y.; Zhang, J.; Xiao, L.; Chen, F. Properties of carbon and iron modified TiO2 photocatalyst synthesized at low temperature and photodegradation of acid orange 7 under visible light. Appl. Surf. Sci. 2010, 256, 4260–4268. [Google Scholar] [CrossRef]
- Venkatesan, A.; Al-onazi, W.A.; Elshikh, M.S. Study of synergistic effect of cobalt and carbon codoped with TiO2 photocatalyst for visible light induced degradation of phenol. Chemosphere 2022, 305, 135333. [Google Scholar] [CrossRef] [PubMed]
- Khan, M.S.; Riaz, N.; Shaikh, A.J.; Shah, J.A.; Hussain, J.; Irshad, M.; Awan, S.; Syed, A.; Kallerhoff, J.; Arshad, M. Graphene quantum dot and iron co-doped TiO2 photocatalysts: Synthesis, performance evaluation and phytotoxicity studies. Ecotoxicol Environ. Saf. 2021, 226, 112855. [Google Scholar] [CrossRef]
- Hafeez, M.; Afyaz, S.; Khalid, A.; Ahmad, P.; Khandaker, M.U.; Sahibzada, M.U.K.; Ahmad, I.; Khan, J.; Alhumaydhi, F.A.; Emran, B.; et al. Synthesis of cobalt and sulphur doped titanium dioxide photocatalysts for environmental applications. J. King Saud Univ. Sci. 2022, 34, 102028. [Google Scholar] [CrossRef]
- Wang, H.; Zhang, L.; Chen, Z.; Hu, J.; Li, S.; Wang, Z.; Liu, J.; Wang, X. Semiconductor heterojunction photocatalysts: Design, construction, and photocatalytic performances. Chem. Soc. Rev. 2014, 43, 5234–5244. [Google Scholar] [CrossRef] [PubMed]
- Lettieri, S.; Pavone, M.; Fioravanti, A.; Amato, L.S.; Maddalena, P. Charge Carrier Processes and Optical Properties in TiO2 and TiO2-Based Heterojunction Photocatalysts: A Review. Materials 2021, 14, 1645. [Google Scholar] [CrossRef] [PubMed]
- Barrocas, B.T.; Ambrozova, N.; Koci, K. Photocatalytic Reduction of Carbon Dioxide on TiO2 Heterojunction Photocatalysts-A Review. Materials 2022, 15, 967. [Google Scholar] [CrossRef] [PubMed]
- Nguyen, T.B.; Doong, R. Heterostructured ZnFe2O4/TiO2 nanocomposites with a highly recyclable visible-light-response for bisphenol A degradation. RSC Adv. 2017, 7, 50006–50016. [Google Scholar] [CrossRef]
- Wang, Y.; Sunarso, J.; Zhao, B.; Ge, C.; Chen, G. One-dimensional BiOBr nanosheets/TiO2 nanofibers composite: Controllable synthesis and enhanced visible photocatalytic activity. Ceram. Int. 2017, 43, 15769–15776. [Google Scholar] [CrossRef]
- Hu, Y.; Li, D.; Zheng, Y.; Chen, W.; He, Y.; Shao, Y.; Fu, X.; Xiao, G. BiVO4/TiO2 nanocrystalline heterostructure: A wide spectrum responsive photocatalyst towards the highly efficient decomposition of gaseous benzene. Appl. Catal. B 2011, 104, 30–36. [Google Scholar] [CrossRef]
- Hunge, Y.M.; Yadav, A.A.; Kang, S.-W.; Kin, H. Photocatalytic degradation of tetracycline antibiotics using hydrothermally synthesized two-dimensional molybdenum disulfide/titanium dioxide composites. J. Colloid Interface Sci. 2022, 606, 454–463. [Google Scholar] [CrossRef]
- Lu, Y.; Ding, C.; Guo, J.; Gan, W.; Chen, P.; Zhang, M.; Sun, Z. Highly efficient photodegradation of ciprofloxacin by dual Z-scheme Bi2MoO6/GQDs/TiO2 heterojunction photocatalysts: Mechanism analysis and pathway exploration. J. Alloys Compd. 2022, 924, 166533. [Google Scholar] [CrossRef]
- Yang BMa, Z.; Wang, Q.; Yang, J.J. Synthesis and Photoelectrocatalytic Applications of TiO2/ZnO/Diatomite Composites. Catalysts 2022, 12, 268. [Google Scholar] [CrossRef]
- Li, Y.; Xie, W.; Hu, X. Comparison of Dye Photodegradation and its Coupling with Light-to-Electricity Conversion over TiO2 and ZnO. Langmuir 2010, 26, 591–597. [Google Scholar] [CrossRef]
- Guo, J.; Li, J.; Yin, A.; Fan, K.; Dai, W. Photodegradation of Rhodamine B on Sulfur Doped ZnO/TiO2 Nanocomposite Photocatalyst under Visible-light Irradiation. Chin. J. Chem. 2010, 28, 2144–2150. [Google Scholar] [CrossRef]
- Xu, X.; Li, D. Ligand-Decomposition assistant formation of CdS/TiO2 hybrid nanostructure with enhanced photocatalytic activity. J. Alloys Compd. 2022, 914, 165393. [Google Scholar]
- Warkhade, S.K.; Zodape, S.P.; Pratap, U.R.; Wankhade, A.V. Wankhade, Rutile TiO2/CoSe nanocomposite: An efficient photocatalyst for photodegradation of model organic dyes under visible light irradiation. J. Mol. Liq. 2019, 279, 434–443. [Google Scholar] [CrossRef]
- Costa, L.N.; Nobre, F.X.; Lobo, A.O.; de Matos, J.M.E. Photodegradation of ciprofloxacin using Z-scheme TiO2/SnO2 nanostructures as photocatalyst, Environmental Nanotechnology. Environ. Nanotech. Monit. Manag. 2021, 16, 100466. [Google Scholar]
- Rajput, R.B.; Jamble, S.N.; Kale, R.B. A review on TiO2/SnO2 heterostructures as a photocatalyst for the degradation of dyes and organic pollutants. J. Environ. Manag. 2022, 307, 114533. [Google Scholar] [CrossRef]
- Yaacob, N.; Sean, G.P.; Nazri, N.A.M.; Ismail, A.F.; Abidin, M.N.Z.; Subramaniam, M.N. Simultaneous oily wastewater adsorption and photodegradation by ZrO2–TiO2 heterojunction photocatalysts. J. Water Process. Eng. 2021, 39, 101644. [Google Scholar] [CrossRef]
- Kim, C.-S.; Shin, J.-W.; An, S.-H.; Jang, H.-D.; Kim, T.-O. Photodegradation of volatile organic compounds using zirconium-doped TiO2/SiO2 visible light photocatalysts. Chem. Eng. J. 2012, 204–206, 40–47. [Google Scholar] [CrossRef]
- Tian, J.; Chen, L.; Yin, Y.; Wang, X.; Dai, J.; Zhu, Z.; Liu, X.; Wu, P. Photocatalyst of TiO2/ZnO nano composite film: Preparation, characterization, and photodegradation activity of methyl orange. Surf. Coat. Technol. 2009, 204, 205–214. [Google Scholar] [CrossRef]
- Jing, H.; Gao, Y.; Li, L.; Wang, X.; Pei, W. A new double Z-scheme TiO2/ZnO-g-C3N4 nanocomposite with enhanced photodegradation efficiency for Rhodamine B under sunlight. Environ. Prog. Sustain. Energy 2022, e13968-12. [Google Scholar]
- Neves, M.C.; Nogueira, J.M.F.; Trindade, T.; Mendonca, M.H.; Monteiro, O.C. Photosensitization of TiO2 by Ag2S and its catalytic activity on phenol photodegradation. J. Photochem. Photobiol. A 2009, 204, 168–173. [Google Scholar] [CrossRef]
- Chen, P.; Cai, Y.; Wang, J.; Wang, K.; Tao, Y.; Xue, J.; Wang, H. Preparation of protonized titanate nanotubes/Fe3O4/TiO2 ternary composites and dye self-sensitization for visible-light-driven photodegradation of Rhodamine B. Powder Technol. 2018, 326, 272–280. [Google Scholar] [CrossRef]
- Jing, J.; Li, J.; Feng, J.; Li, W.; Yu, W.W. Photodegradation of quinoline in water over magnetically separable Fe3O4/TiO2 composite photocatalysts. Chem. Eng. J. 2013, 219, 355–360. [Google Scholar] [CrossRef]
- Alhaddad, M.; Ismail, A.A.; Alghamdi, Y.G.; Al-Khathami, N.D.; Mohamed, R.M. Co3O4 Nanoparticles Accommodated Mesoporous TiO2 framework as an Excellent Photocatalyst with Enhanced Photocatalytic Properties. Opt. Mater. 2022, 131, 112643. [Google Scholar] [CrossRef]
- Sun, J.; Wang, Y.; Sun, R.; Dong, S. Photodegradation of azo dye Congo Red from aqueous solution by the WO3–TiO2/activated carbon (AC) photocatalyst under the UV irradiation. Mater. Chem. Phys. 2009, 115, 303–308. [Google Scholar] [CrossRef]
- Moghni, N.; Boutoumi, H.; Khalaf, H.; Makaoui, N.; Colon, G. Enhanced photocatalytic activity of TiO2/WO3 nanocomposite from sonochemical-microwave assisted synthesis for the photodegradation of ciprofloxacin and oxytetracycline antibiotics under UV and sunlight. J. Photoch. Photobio. A 2022, 428, 113848. [Google Scholar] [CrossRef]
- Zhang, X.X.; Xiao, Y.G.; Cao, S.S.; Yin, Z.L.; Liu, Z.Q. Ternary TiO2@Bi2O3@TiO2 hollow photocatalyst drives robust visible-light photocatalytic performance and excellent recyclability. J. Clean. Prod. 2022, 352, 131560. [Google Scholar] [CrossRef]
- Li, L.; Song, J.; Wang, B.; Duan, C.; Wang, R.; Zhang, B. New BiOXs/TiO2 heterojunction photocatalyst towards efficient degradation of organic pollutants under visible-light irradiation. Micro Nano Lett. 2019, 14, 911–914. [Google Scholar]
- Haghighi, P.; Alijani, S.; Bazyari, A.; Thompson, L.T. Visible light dye degradation over fluorinated mesoporous TiO2-WO3-Bi2O3/SiO2 nanocomposite photocatalyst-adsorbent using immersion well reactor, Journal of Photochemistry & Photobiology, A. Chemistry 2022, 426, 113790. [Google Scholar]
- Zhou, Y.; Shen, F.; Zhang, S.; Zhao, Q.; Xu, Z.; Chen, H. Synthesis of Methyl-Capped TiO2−SiO2 Janus Pickering Emulsifiers for Selective Photodegradation of Water-Soluble Dyes. ACS Appl. Mater. Interfaces 2020, 12, 29876–29882. [Google Scholar] [CrossRef] [PubMed]
- Yaparatne, S.; Tripp, C.P.; Amirbahman, A. Photodegradation of taste and odor compounds in water in the presence of immobilized TiO2-SiO2 photocatalysts. J. Hazard. Mat. 2018, 346, 208–217. [Google Scholar] [CrossRef] [PubMed]
- Qourzal, S.; Barka, N.; Tamimi, M.; Assabbane, A.; Nounah, A.; Ihlal, A.; Ait-Ichou, Y. Sol–gel synthesis of TiO2–SiO2 photocatalyst for β-naphthol photodegradation. Mater. Sci. Eng. C 2009, 29, 1616–1620. [Google Scholar] [CrossRef]
- Kuwahara, Y.; Yamashita, H. Efficient photocatalytic degradation of organics diluted in water and air using TiO2 designed with zeolites and mesoporous silica materials. J. Mater. Chem. 2011, 21, 2407–2416. [Google Scholar] [CrossRef]
- Gómez, C.M.; Angel, G.D.; Ramos-Ramírez, E.; Rangel-Vazquez, I.; Gonzalez, F.; Arrieta, A.; Vazquez-Zavala, A.; BonillaSanchez, A.; Cantu, M.S. Alumina coating with TiO2 and its effect on catalytic photodegradation of phenol and p-cresol. J. Chem. Technol. Biotechnol. 2016, 91, 2211–2220. [Google Scholar] [CrossRef]
- Toumazatou, A.; Arfanis, M.K.; Pantazopoulos, P.-A.; Kontos, A.G.; Falaras, P.; Stefanou, N.; Likodimos, V. Slow-photon enhancement of dye sensitized TiO2 photocatalysis. Mater. Lett. 2017, 197, 123–126. [Google Scholar] [CrossRef]
- Diaz-Angulo, J.; Gomez-Bonilla, I.; Jimenez-Tohapanta, C.; Mueses, M.; Pinzon, M.; Machuca-Martinez, F. Visible-light activation of TiO2 by dye-sensitization for degradation of pharmaceutical compounds. Photochem. Photobiol. Sci. 2019, 18, 897–904. [Google Scholar] [CrossRef]
- Sengupta, D.; Das, P.; Mondal, B.; Mukherjee, K. Effects of doping, morphology and film-thickness of photo-anode materials for dye sensitized solar cell application—A review. Renew. Sust. Energ. Rev. 2017, 60, 356–376. [Google Scholar] [CrossRef]
- Lü, X.F.; Sun, W.J.; Li, J.; Xu, W.; Zhang, F. Spectroscopic investigations on the simulated solar light induced photodegradation of 4-nitrophenol by using three novel copper(II) porphyrin–TiO2 photocatalysts. Spectrochim. Acta A Mol. Biomol. Spectrosc. 2013, 111, 161–168. [Google Scholar] [CrossRef] [PubMed]
- Ramasubbu, V.; Ram Kumar, P.; Chellapandi, T.; Madhumitha, G.; Mothi, E.A.; Sahaya, X.S. Zn(II) porphyrin sensitized (TiO2@Cd-MOF) nanocomposite aerogel as novel photocatalyst for the effective degradation of methyl orange (MO) dye. Opt. Mater. 2022, 132, 112558. [Google Scholar] [CrossRef]
- Hısır, A.; Karaoglan, G.K.; Avcıata, O. Synthesis of tetracarboxy phthalocyanines modified TiO2 nanocomposite photocatalysts and investigation of photocatalytic decomposition of organic pollutant methylene blue under visible light. J. Mol. Struct. 2022, 1266, 133498. [Google Scholar] [CrossRef]
- Yamazaki, S.; Sonoda, K.; Maruoka, K.; Yamazaki, Y.; Naragino, H.; Honda, K.; Murafuji, T.; Sumimoto, M. Porous TiO2 adsorbed with squaraine dye as visible-light-responsive photocatalyst. J. Photoch. Photobio. A 2021, 421, 113543. [Google Scholar] [CrossRef]
- Narayanaswamy, K.; Tiwari, A.; Mondal, I.; Pal, U.; Niveditha, S.; Bhanurakash, K.; Singh, S.P. Dithiafulvalene functionalized diketopyrrolopyrrole based sensitizers for efficient hydrogen production. Phys. Chem. Chem. Phys. 2015, 17, 13710–13718. [Google Scholar] [CrossRef]
- Tiwari, A.; Mondal, I.; Pal, U. Visible light induced hydrogen production over thiophenothiazine-based dye sensitized TiO2 photocatalyst in neutral water. Rsc Adv. 2015, 5, 31415–31421. [Google Scholar] [CrossRef]
- Tiwari, A.; Pal, U. Effect of donor-donor-π-acceptor architecture of triphenylamine-based organic sensitizers over TiO2 photocatalysts for visible-light-driven hydrogen production. Int. J. Hydrogen Energy 2015, 40, 9069–9079. [Google Scholar] [CrossRef]
- Samuel, J.J.; Yam, F.K. Photocatalytic degradation of methylene blue under visible light by dye sensitized titania. Mater. Res. Express 2020, 7, 015051. [Google Scholar] [CrossRef]
- Ranjit, K.T.; Willner, I. Iron(III) Phthalocyanine-Modified Titanium Dioxide: A Novel Photocatalyst for the Enhanced Photodegradation of Organic Pollutants. J. Phys. Chem. B 1998, 102, 9397–9403. [Google Scholar] [CrossRef]
- Dinoop lal, S.; Jose, T.S.; Rajesh, C.; Puthukkara, P.A.R.; Unnikrishnan, K.S.; Arun, K.J. Accelerated photodegradation of polystyrene by TiO2-polyaniline photocatalyst under UV radiation. Eur. Polym. J. 2021, 153, 110493. [Google Scholar] [CrossRef]
- Das, A.; Adak, M.K.; Mahata, N.; Biswas, B. Wastewater treatment with the advent of TiO2 endowed photocatalysts and their reaction kinetics with scavenger effect. J. Mol. Liq. 2021, 338, 116479. [Google Scholar] [CrossRef]
- Marin, M.L.; Santos-Juanes, L.; Arques, A.; Amat, A.M.; Miranda, M.A. Organic Photocatalysts for the Oxidation of Pollutants and Model Compounds. Chem. Rev. 2012, 112, 1710–1750. [Google Scholar] [CrossRef] [PubMed]
- Dong, S.; Feng, J.; Fan, M.; Pi, Y.; Hu, L.; Han., X.; Liu, M.; Sun, J.; Sun, J. Recent developments in heterogeneous photocatalytic water treatment using visible light-responsive photocatalysts: A review. RSC Adv. 2015, 5, 14610–14630. [Google Scholar] [CrossRef]
- Rancaño, L.; Rivero, M.J.; Mueses M, Á.; Ortiz, I. Comprehensive Kinetics of the Photocatalytic Degradation of Emerging Pollutants in a LED-Assisted Photoreactor. S-Metolachlor as Case Study. Catalysts 2021, 11, 48. [Google Scholar] [CrossRef]
- Zhao, W.; Dai, J.; Liu, F.; Bao, J.; Wang, Y.; Yang, Y.; Yang, Y.; Zhao, D. Photocatalytic oxidation of indoor toluene: Process risk analysis and influence of relative humidity, photocatalysts, and VUV irradiation. Sci. Total Environ. 2012, 438, 201–209. [Google Scholar] [CrossRef]
- Zhong, L.; Haghighat, F.; Lee, C.-S.; Lakdawala, N. Performance of ultraviolet photocatalytic oxidation for indoor air applications: Systematic experimental evaluation. J. Hazard. Mater. 2013, 261, 130–138. [Google Scholar] [CrossRef]
- Zhang, G.; Sun, Z.; Duan, Y.; Ma, R.; Zhang, S. Synthesis of nano-TiO2 /diatomite composite and its photocatalytic degradation of gaseous formaldehyde. Appl. Surf. Sci. 2017, 412, 105–112. [Google Scholar] [CrossRef]
- Ao, C.H.; Lee, S.C.; Yu, J.Z.; Xu, J.H. Photodegradation of formaldehyde by photocatalyst TiO2: Effects on the presences of NO, SO2 and VOCs. Appl. Catal. B 2004, 54, 41–50. [Google Scholar] [CrossRef]
- Li, Q.; Zhang, S.; Xia, W.; Jiang, X.; Huang, Z.; Wu, X.; Zhao, H.; Yuan, C.; Shen, H.; Jing, G. Surface design of g-C3N4 quantum dot-decorated TiO2(001) to enhance the photodegradation of indoor formaldehyde by experimental and theoretical investigation. Ecotoxicol. Environ. Saf. 2022, 234, 113411. [Google Scholar] [CrossRef]
- Song, Y.; Du, H.; Wu, H.; Shi, L.; Yu, D.; Jia, R.; Chitpakdee, C.; Namuangruk, S.; Huang, L. Photodeposition of alloyed Au-Pt nanoparticles on TiO2 for the enhanced catalytic oxidation of HCHO at room temperature. J. Alloys Compd. 2022, 896, 163140. [Google Scholar] [CrossRef]
- Lan, Z.; Yu, Y.; Li, H.; Zhang, L.; Gao, Y. Thermal catalytic mechanism for the metal ions(Cu, in, Pd and Pt) modified TiO2 on degradation of HCHO. Mater. Sci. Semicond. Process. 2021, 123, 105547. [Google Scholar] [CrossRef]
- Korologos, C.A.; Nikolaki, M.D.; Zerva, C.N.; Philippopoulos, C.L.; Poulopoulos, S.G. Photocatalytic oxidation of benzene, toluene, ethylbenzene and m-xylene in the gas-phase over TiO2-based catalysts. J. Photoch. Photobio. A 2012, 244, 24–31. [Google Scholar] [CrossRef]
- Rao, Z.; Xie, X.; Wang, X.; Mahmood, A.; Tong, S.; Ge, M.; Sun, J. Defect Chemistry of Er3+-Doped TiO2 and Its Photocatalytic Activity for the Degradation of Flowing Gas-Phase VOCs. J. Phys. Chem. C 2019, 123, 12321–12334. [Google Scholar] [CrossRef]
- Rao, Z.; Shi, G.; Wang, Z.; Mahmood, A.; Xie, X.; Sun, J. Photocatalytic degradation of gaseous VOCs over Tm3+-TiO2: Revealing the activity enhancement mechanism and different reaction paths. Chem. Eng. J. 2020, 395, 125078. [Google Scholar] [CrossRef]
- Mahmood, A.; Shi, G.; Wang, Z.; Rao, Z.; Xiao, W.; Xie, X.; Sun, J. Carbon quantum dots-TiO2 nanocomposite as an efficient photocatalyst for the photodegradation of aromatic ring-containing mixed VOCs: An experimental and DFT studies of adsorption and electronic structure of the interface. J. Hazard. Mater. 2021, 401, 123402. [Google Scholar] [CrossRef] [PubMed]
- Gohin, M.; Allain, E.; Chemin, N.; Maurin, I. Sol–gel nanoparticulate mesoporous films with enhanced self-cleaning properties. J. Photoch. Photobiol. A 2010, 216, 142–148. [Google Scholar] [CrossRef]
- Stefano, C.; Mirko, F.; Francesca, M.; Enrico, D. A review on membrane distillation in process engineering: Design and exergy equations, materials and wetting problems. Front. Chem. Sci. Eng. 2022, 16, 592–613. [Google Scholar]
- Thambiliyagodage, C. Activity enhanced TiO2 nanomaterials for photodegradation of dyes—A review. Environ. Nanotechnol. Monit. Manag. 2021, 16, 100592. [Google Scholar] [CrossRef]
- Nur Alam, S.M.; Sultana, M.; Atol, M. A review on the development of elemental and codoped TiO2 photocatalysts for enhanced dye degradation under UV–vis irradiation. J. Water Process. Eng. 2022, 47, 102728. [Google Scholar]
- Zangeneh, H.; Zinatizadeh AA, L.; Habibi, M.; Akia, M.; Isa, M.H. Photocatalytic oxidation of organic dyes and pollutants in wastewater using different modified titanium dioxides: A comparative review. J. Ind. Eng. Chem. 2015, 26, 1–36. [Google Scholar] [CrossRef]
- Kite, S.V.; Kadam, A.N.; Sathe, D.J.; Patil, S.; Mali, S.S.; Hong, C.K.; Lee, S.-W.; Garadkar, K.M. Nanostructured TiO2 Sensitized with MoS2 Nanoflowers for Enhanced Photodegradation Efficiency toward Methyl Orange. ACS Omega. 2021, 6, 17071–17085. [Google Scholar] [CrossRef]
- Boczar, D.; Łęcki, T.; Skompska, M. Visible-light driven FexOy/TiO2/Au photocatalyst—Synthesis, characterization and application for methyl orange photodegradation. J. Electronal. Chem. 2020, 859, 113829. [Google Scholar] [CrossRef]
- Kader, S.; Al-Mamun, M.R.; Suhan, M.B.K.; Shuchi, S.B.; Islam, M.S. Enhanced photodegradation of methyl orange dye under UV irradiation using MoO3 and Ag doped TiO2 photocatalysts. Environ. Technol. Inno. 2022, 27, 102476. [Google Scholar] [CrossRef]
- Wang, S.; Zhou, S. Photodegradation of methyl orange by photocatalyst of CNTs/P-TiO2 under UV and visible-light irradiation. J. Hazard. Mater. 2011, 185, 77–85. [Google Scholar] [CrossRef] [PubMed]
- Zainal, Z.; Hui, L.K.; Hussein, M.Z.; Abdullah, A.H.; Hamadneh, I.R. Characterization of TiO2–Chitosan/Glass photocatalyst for the removal of a monoazo dye via photodegradation–adsorption process. J. Hazard. Mater. 2009, 164, 138–145. [Google Scholar] [CrossRef]
- Zhang, Q.; Yu, L.; Yang, B.; Xu, C.; Diao, G.; Xu, C.; Zhang, W.; Xu, Q.; Diao, G. Magnetic Fe3O4@Ru-doped TiO2 nanocomposite as a recyclable photocatalyst for advanced photodegradation of methylene blue in simulated sunlight. Chem. Phys. Lett. 2021, 774, 138609. [Google Scholar] [CrossRef]
- Samsudin MF, R.; Sufian, S.; Bashiri, R.; Mohmed, N.M.; Siang, L.T.; Ramli, R.M. Optimization of photodegradation of methylene blue over modified TiO2/BiVO4 photocatalysts: Effects of total TiO2 loading and different type of co-catalyst. Mater. Today Proc. 2018, 5, 21710–22171. [Google Scholar] [CrossRef]
- Dassanayake, R.S.; Rajakaruna, E.; Abidi, N. Preparation of aerochitin-TiO2 composite for efficient photocatalytic degradation of methylene blue. J. Appl. Polym. Sci. 2018, 135, 45908. [Google Scholar] [CrossRef]
- Li, C.; Sun, Z.; Xue, Y.; Yao, G.; Zheng, S. A facile synthesis of g-C3N4/TiO2 hybrid photocatalysts by sol–gel method and its enhanced photodegradation towards methylene blue under visible light. Adv. Powder Technol. 2016, 27, 330–337. [Google Scholar] [CrossRef]
- Ge, Y.; Luo, H.; Huang, J.; Zhang, Z. Visible-light-active TiO2 photocatalyst for efficient photodegradation of organic dyes. Opt. Mater. 2021, 115, 111058. [Google Scholar] [CrossRef]
- Wafi, M.A.E.; Ahmed, M.A.; Abdel-Samad, H.S.; Medien, H.A.A. Exceptional removal of methylene blue and p-aminophenol dye over novel TiO2/RGO nanocomposites by tandem adsorption-photocatalytic processes. Mater. Sci. Energy Technol. 2022, 5, 217–231. [Google Scholar] [CrossRef]
- Chandhini, M.; Saad, A.; Eldhose, I. Statistical analysis of photodegradation of methylene blue dye under natural sunlight. Opt. Mater. 2021, 122, 111809. [Google Scholar]
- Liu, J.; Zuo, S.; Yu, L.; Yu, Y.; Li, B.; Chen., P. Visible light photodegradation of methylene blue by AgBr–TiO2/SiO2@Fe3O4 magnetic photocatalysts. Particuology 2013, 11, 728–731. [Google Scholar] [CrossRef]
- Fu, P.; Luan, Y.; Dai, X. Preparation of TiO2 photocatalyst anchored on activated carbon fibers and its photodegradation of methylene blue. China Part. 2004, 2, 76–80. [Google Scholar] [CrossRef]
- Wang, H.; Zhou, D.; Shen, S.; Wan, J.; Zheng, X.; Yu, L.; Phillips, D.L. The photocatalytic activity and degradation mechanism of methylene blue over copper(ii) tetra(4-carboxyphenyl) porphyrin sensitized TiO2 under visible light irradiation. RSC Adv. 2014, 4, 28978–28986. [Google Scholar] [CrossRef]
- Sun, Q.; Xu, Y. Evaluating Intrinsic Photocatalytic Activities of Anatase and Rutile TiO2 for Organic Degradation in Water. J. Phys. Chem. C 2010, 114, 18911–18918. [Google Scholar] [CrossRef]
- Bai, Y.; Mora-Seró, I.; Angelis, F.D.; Bisquert, J.; Wang, P. Titanium Dioxide Nanomaterials for Photovoltaic Applications. Chem. Rev. 2014, 114, 10095–10130. [Google Scholar] [CrossRef]
- Mousavi, M.; GhasemiNovel, J.B. Novel visible-light-responsive Black-TiO2/CoTiO3 Z-scheme heterojunction photocatalyst with efficient photocatalytic performance for the degradation of different organic dyes and tetracycline. J. Taiwan Inst. Chem. E 2021, 121, 168–183. [Google Scholar] [CrossRef]
- Ruzimuradova, O.; Sharipova, K.; Yarbekova, A.; Saidov, K.; Hojamberdiev, M.; Prasad, R.M.; Cherkashinin, G.; Riedel, R. A facile preparation of dual-phase nitrogen-doped TiO2–SrTiO3 macroporous monolithic photocatalyst for organic dye photodegradation under visible light. J. Eur. Ceram. Soc. 2015, 35, 1815–1821. [Google Scholar] [CrossRef]
- Zhu, Y.; Yang, S.; Cai, J.; Meng, M.; Li, X. A facile synthesis of AgxAu1−x/TiO2 photocatalysts with tunable surface plasmon resonance (SPR) frequency used for RhB photodegradation. Mater. Lett. 2015, 154, 163–166. [Google Scholar] [CrossRef]
- Mousavi, M.; Soleimani, M.; Hamzehloo, M.; Badiei, A.; Ghasemi, J.B. Photocatalytic degradation of different pollutants by the novel gCN-NS/Black-TiO2 heterojunction photocatalyst under visible light: Introducing a photodegradation model and optimization by response surface methodology (RSM). Mater. Chem. Phys. 2021, 258, 123912. [Google Scholar] [CrossRef]
- Mourão, H.A.J.L.; Malagutti, A.R.; Ribeiro, C. Synthesis of TiO2-coated CoFe2O4 photocatalysts applied to the photodegradation of atrazine and rhodamine B in water. Appl. Catal. A Gen. 2010, 382, 284–292. [Google Scholar] [CrossRef]
- Asiltürk, M.; Sener, S.; Sener, E. Preparation, Characterization and Photocatalytic Activities of TiO2-coated Activated Carbon Catalysts for Rhodamine B Photodegradation. Bull. Korean Chem. Soc. 2015, 36, 455–463. [Google Scholar]
- Liu, K.; Zhu, L.; Li, N.; Sun, Y.; Li, H.; Zhu, X. Solvothermal synthesis of mesoporous slabstone-like TiO2 and its photodegradation preference in a methyl orange-rhodamine B mixture solution. Cryst. Res. Technol. 2012, 47, 1088–1094. [Google Scholar] [CrossRef]
- Guo, J.; Yuan, S.; Jiang, W.; Yue, H.; Cui, Z.; Liang, B. Adsorption and photocatalytic degradation behaviors of rhodamine dyes on surface-fluorinated TiO2 under visible irradiation. RSC Adv. 2016, 6, 4090–4100. [Google Scholar] [CrossRef]
- Lian, Z.; Wei, C.; Gao, B.; Yang, X.; Chan, Y.; Wang, J.; Chen, G.Z.; Koh, K.S.; Shi, Y.; Yan, Y.; et al. Synergetic treatment of dye contaminated wastewater using microparticles functionalized with carbon nanotubes/titanium dioxide nanocomposites. RSC Adv. 2020, 10, 9210–9225. [Google Scholar] [CrossRef] [PubMed]
- Mohamed Reda, M.; Ismail Adel, A.; Kadi Mohammad, W.; Bahnemann Detlef, W. A comparative study on mesoporous and commercial TiO2 photocatalysts for photodegradation of organic pollutants. J. Photochem. Photobiol. A 2018, 367, 66–73. [Google Scholar] [CrossRef]
- Chen, F.; He, A.; Wang, Y.; Yu, W.; Chen, H.; Geng, F.; Li, Z.; Zhou, Z.; Liang, Y.; Fu, J.; et al. Efficient photodegradation of PFOA using spherical BiOBr modified TiO2 via hole-remained oxidation mechanism. Chemosphere 2022, 298, 134176. [Google Scholar] [CrossRef] [PubMed]
- Xia, Y.; Li, F.; Jiang, Y.; Xia, M.; Xue, B.; Li, Y. Interface actions between TiO2 and porous diatomite on the structure and photocatalytic activity of TiO2-diatomite. Appl. Surf. Sci. 2014, 303, 290–296. [Google Scholar] [CrossRef]
- Yang, H.; Yang, J. Photocatalytic degradation of rhodamine B catalyzed by TiO2 films on a capillary column. RSC Adv. 2018, 8, 11921–11929. [Google Scholar] [CrossRef] [PubMed]
- Bui, V.H.; Vu, T.K.; To, H.T.; Negishi, N. Application of TiO2-ceramic/UVA photocatalyst for the photodegradation of sulfamethoxazole. Sustain. Chem. Pharm. 2022, 26, 100617. [Google Scholar] [CrossRef]
- Ke, T.; Shen, S.; Yang, K.; Lin, D. In situ fabrication of Bi2O3/C3N4/TiO2@C photocatalysts for visible-light photodegradation of sulfamethoxazole in water. Appl. Surf. Sci. 2022, 580, 152302. [Google Scholar] [CrossRef]
- Gong, H.; Chu, W. Photodegradation of Sulfamethoxazole with a Recyclable Catalyst. Ind. Eng. Chem. Res. 2015, 54, 12763–12769. [Google Scholar] [CrossRef]
- Akter, S.; Islam Md, S.; Kabir Md, H. UV/TiO2 photodegradation of metronidazole, ciprofloxacin and sulfamethoxazole in aqueous solution: An optimization and kinetic study. Arab. J. Chem. 2022, 15, 103900. [Google Scholar] [CrossRef]
- Urda, A.; Radu, T.; Socaci, C. Evaluation of N-doped graphene role in the visible-light driven photodegradation of sulfamethoxazole by a TiO2-silver-graphene composite. J. Photoch. Photobio. A 2022, 425, 113701. [Google Scholar] [CrossRef]
- Yuan, R.; Zhu, Y.; Zhou, B.; Hu, J. Photocatalytic oxidation of sulfamethoxazole in the presence of TiO2: Effect of matrix in aqueous solution on decomposition mechanisms. Chem. Eng. J. 2019, 359, 1527–1536. [Google Scholar] [CrossRef]
- Mertah, O.; Gómez-Avilés, A.; Kherbeche, A.; Belver, C.; Bedia, J. Peroxymonosulfate enhanced photodegradation of sulfamethoxazole with TiO2@CuCo2O4 catalysts under simulated solar light. J. Environ. Chem. Eng. 2022, 10, 108438. [Google Scholar] [CrossRef]
- Amouhadi, E.; Aliyan, H.; Aghaei, H.; Fazaeli, R.; Richeson, D. Photodegradation and mineralization of metronidazole by a novel quadripartite SnO2@TiO2/ZrTiO4/ZrO2 photocatalyst: Comprehensive photocatalyst characterization and kinetic study. Mater. Sci. Semicond. Process. 2022, 143, 106560. [Google Scholar] [CrossRef]
- Abbasi-Asl, H.; Sabzehmeidani, M.M.; Ghaedi, M. Efficient degradation of metronidazole antibiotic by TiO2/Ag3PO4/g–C3N4 ternary composite photocatalyst in a continuous flow-loop photoreactor. J. Environ. Chem. Eng. 2021, 9, 105963. [Google Scholar] [CrossRef]
- Zhang, Y.; Chu, W. Enhanced degradation of metronidazole by cobalt doped TiO2/sulfite process under visible light. Sep. Purif. Technol. 2022, 291, 120900. [Google Scholar] [CrossRef]
- Tran, M.L.; Fu, C.-C.; Juang, R.-S. Effects of water matrix components on degradation efficiency and pathways of antibiotic metronidazole by UV/TiO2 photocatalysis. J. Mol. Liq. 2019, 276, 32–38. [Google Scholar] [CrossRef]
- Wang, D.; Luo, H.; Liu, L.; Wei, W.; Li, L. Adsorption characteristics and degradation mechanism of metronidazole on the surface of photocatalyst TiO2: A theoretical study. Appl. Surf. Sci. 2019, 478, 896–905. [Google Scholar] [CrossRef]
- Evgenidou, E.; Chatzisalata, Z.; Tsevis, A. Photocatalytic degradation of a mixture of eight antibiotics using Cu-modified TiO2 photocatalysts: Kinetics, mineralization, antimicrobial activity elimination and disinfection. J. Environ. Chem. Eng. 2021, 9, 105295. [Google Scholar] [CrossRef]
- Dudziak, S.; Bielan, Z.; Kubica, P.; Zielinska-Jurek, A. Optimization of carbamazepine photodegradation on defective TiO2-based magnetic photocatalyst. J. Environ. Chem. Eng. 2021, 9, 105782. [Google Scholar] [CrossRef]
- Tashkandi, N.Y.; Albukhari, S.M.; Ismail, A.A. Mesoporous TiO2 enhanced by anchoring Mn3O4 for highly efficient photocatalyst toward photo-oxidation of ciprofloxacin. Opt. Mater. 2022, 127, 112274. [Google Scholar] [CrossRef]
- Zhang, X.; Chen, H.; Liu, S.; Zhang, B.; Zhu, H.; Chen, H.; Chen, B.; Chen, L. Preparation of TiO2-graphitized carbon composite photocatalyst and their degradation properties for tetracycline antibiotics. J. Mol. Struct. 2022, 1270, 133897. [Google Scholar] [CrossRef]
- Guo, J.; Gan, W.; Ding, C.; Lu, Y.; Li, J.; Qi, S.; Zhang, M.; Sun, Z. Black phosphorus quantum dots and Ag nanoparticles co-modified TiO2 nanorod arrays as powerful photocatalyst for tetracycline hydrochloride degradation: Pathways, toxicity assessment, and mechanism insight. Sep. Purif. Technol. 2022, 297, 121454. [Google Scholar] [CrossRef]
- Bui, H.T.; Thuan, D.V.; Huong, P.T.; Nguyen, K.D.; Nguyen, M.V.; Chu, T.T.H.; Le, Q.V.; Jitae, K.; Devanesan, S.; AlSalhi, M.S.; et al. Enhanced photocatalytic H2 evolution and photodegradation of antibiotic tetracycline in wastewater by TiO2@Ti3C2. Int. J. Hydrogen Energy 2022. [Google Scholar] [CrossRef]
- Arevalo-Perez, J.C.; Cruz-Romero, D.; Cordero-García, A.; Lobato-García, C.E.; Aguilar-Elguezabal, A.; Torres-Torres, J.G. Photodegradation of 17 α-methyltestosterone using TiO2-Gd3+ and TiO2-Sm3+ photocatalysts and simulated solar radiation as an activation source. Chemosphere 2020, 249, 126497. [Google Scholar] [CrossRef]
- Awfa, D.; Ateia, M.; Fujii, M.; Johnson, M.S.; Yoshimura, C. Photodegradation of pharmaceuticals and personal care products in water treatment using carbonaceous-TiO2 composites: A critical review of recent literature. Water Res. 2018, 142, 26–45. [Google Scholar] [CrossRef]
- Mouele, E.S.M.; Myo, T.Z.M.; Kyaw, H.H.; Tijani, J.O.; Dinu, M.; Pana, I.; Ouardi, Y.E.; Al-Sabahi, J.; Al-Belushi, M.; Sosnin, E.; et al. Degradation of Sulfamethoxazole by Double Cylindrical Dielectric Barrier Discharge System combined with Ti/C-N-TiO2 supported Nanocatalyst. J. Hazard. Mater. Adv. 2022, 5, 100051. [Google Scholar] [CrossRef]
- Wu, S.; Lin, Y.; Hu, Y.H. Strategies of tuning catalysts for efficient photodegradation of antibiotics in water environments: A review. J. Mater. Chem. A 2021, 9, 2592–2611. [Google Scholar] [CrossRef]
Publisher’s Note: MDPI stays neutral with regard to jurisdictional claims in published maps and institutional affiliations. |
© 2022 by the authors. Licensee MDPI, Basel, Switzerland. This article is an open access article distributed under the terms and conditions of the Creative Commons Attribution (CC BY) license (https://creativecommons.org/licenses/by/4.0/).















