Next Article in Journal
Thermochemical Properties of High Entropy Oxides Used as Redox-Active Materials in Two-Step Solar Fuel Production Cycles
Previous Article in Journal
Microwave-Sample-Preparation-System-Assisted Biogenic Synthesis of Copper Oxide Nanoplates Using Saussurea costus Root Aqueous Extract and Its Environmental Catalytic Activity
Previous Article in Special Issue
Development of Pilot-Scale CO2 Methanation Using Pellet-Type Catalysts for CO2 Recycling in Sewage Treatment Plants and Its Validation through Computational Fluid Dynamics (CFD) Modeling
 
 
Font Type:
Arial Georgia Verdana
Font Size:
Aa Aa Aa
Line Spacing:
Column Width:
Background:
Article

Implementation of Formic Acid as a Liquid Organic Hydrogen Carrier (LOHC): Techno-Economic Analysis and Life Cycle Assessment of Formic Acid Produced via CO2 Utilization

1
Clean Energy Research Center, Korea Institute of Science and Technology, Seoul 02792, Korea
2
System Research Center, Yullin Technologies Co., Ltd., Seoul 06245, Korea
3
Division of Energy and Environmental Technology, KIST School, Korea University of Science and Technology (UST), Seoul 02792, Korea
4
Green School, Korea University, 145 Anam-ro, Seongbuk-gu, Seoul 02841, Korea
*
Authors to whom correspondence should be addressed.
Catalysts 2022, 12(10), 1113; https://doi.org/10.3390/catal12101113
Submission received: 30 August 2022 / Revised: 18 September 2022 / Accepted: 20 September 2022 / Published: 26 September 2022

Abstract

To meet the global climate goals agreed upon regarding the Paris Agreement, governments and institutions around the world are investigating various technologies to reduce carbon emissions and achieve a net-negative energy system. To this end, integrated solutions that incorporate carbon utilization processes, as well as promote the transition of the fossil fuel-based energy system to carbon-free systems, such as the hydrogen economy, are required. One of the possible pathways is to utilize CO2 as the base chemical for producing a liquid organic hydrogen carrier (LOHC), using CO2 as a mediating chemical for delivering H2 to the site of usage since gaseous and liquid H2 retain transportation and storage problems. Formic acid is a probable candidate considering its high volumetric H2 capacity and low toxicity. While previous studies have shown that formic acid is less competitive as an LOHC candidate compared to other chemicals, such as methanol or toluene, the results were based on out-of-date process schemes. Recently, advances have been made in the formic acid production and dehydrogenation processes, and an analysis regarding the recent process configurations could deem formic acid as a feasible option for LOHC. In this study, the potential for using formic acid as an LOHC is evaluated, with respect to the state-of-the-art formic acid production schemes, including the use of heterogeneous catalysts during thermocatalytic and electrochemical formic acid production from CO2. Assuming a hydrogen distribution system using formic acid as the LOHC, each of the production, transportation, dehydrogenation, and CO2 recycle sections are separately modeled and evaluated by means of techno-economic analysis (TEA) and life cycle assessment (LCA). Realistic scenarios for hydrogen distribution are established considering the different transportation and CO2 recovery options; then, the separate scenarios are compared to the results of a liquefied hydrogen distribution scenario. TEA results showed that, while the LOHC system incorporating the thermocatalytic CO2 hydrogenation to formic acid is more expensive than liquefied H2 distribution, the electrochemical CO2 reduction to formic acid system reduces the H2 distribution cost by 12%. Breakdown of the cost compositions revealed that reduction of steam usage for thermocatalytic processes in the future can make the LOHC system based on thermocatalytic CO2 hydrogenation to formic acid to be competitive with liquefied H2 distribution if the production cost could be reduced by 23% and 32%, according to the dehydrogenation mode selected. Using formic acid as a LOHC was shown to be less competitive compared to liquefied H2 delivery in terms of LCA, but producing formic acid via electrochemical CO2 reduction was shown to retain the lowest global warming potential among the considered options.

1. Introduction

Climate change is a global issue, and various institutions and governments around the world are working together to find a viable solution to the crisis. To promote the participation of countries around the globe, the Paris Agreement was held by the United Nations Framework Convention on Climate Change (UNFCCC) in 2015 [1]. According to the agreement, participating countries have to devise strategies for mitigating greenhouse gases to maintain the temperature increase to below 2.0 °C, with respect to preindustrial levels. A technical report published later on by the Intergovernmental Panel on Climate Change states the consequences of temperature rise of 1.5 °C compared to preindustrial levels, and thus governmental policies and protocols are being enacted to find methods for effectively achieving this goal. Given the complexity of the objective, various methods are being investigated to reduce greenhouse gas emissions and renovate the economy to be less dependent on fossil fuels.
Carbon capture, utilization, and storage (CCUS) is deemed one of the most probable short-to-mid-term solutions for mitigating carbon emissions. The idea is to capture CO2 from emission sources, such as flue gas, then purify it for utilization as a raw material for sequential chemical production, or store it underground for permanent fixation. While the overall concept is clear, and various research efforts have been made to find a viable pathway, many hurdles still need to be overcome for the large-scale application of these technologies. The biggest concern related to the implementation of the different CCUS technologies is the economical feasibility. CO2 contains carbon, which means that with an effective pathway, it can be converted into many forms of valuable material. However, since CO2 itself is a very stable chemical, most pathways require an excessive amount of energy input to accelerate the conversion process [2]. Thus, many research groups are working on the development of appropriate catalysts in coordination with process systems development to acquire profitable pathways applicable on a commercial scale [3].
One of the promising candidates for CCU-based chemical production is formic acid (FA) [4]. Previous studies have shown the large potential for CO2 mitigation when incorporating CCU-based FA production [5,6,7]. However, CCU-based FA production suffers from the limitations of low profitability due to large amounts of energy required and small market availability. CCU-based FA production is mainly studied based on two processes, namely the thermocatalytic hydrogenation of CO2 to FA (tcFA), and the production of formate via electrochemical CO2 reduction (ecFA). After the initial conceptualization by BP Chemicals [8,9] and BASF [10,11], the tcFA production process has been studied and developed with the goal of commercialization. Pérez-Fortes et al. [12] presented the techno-economic, environmental evaluation, and market potential of tcFA production. The results of the study showed that, while a net amount of CO2 consumption is possible with the integration of renewable electricity for the electrolyzers and steam generators, the overall process is not economically competitive with the conventional FA production process, mainly due to the use of a homogeneous catalyst and large amounts of steam usage within distillation columns. A recent study by Kim and Han [13] provided promising results for tcFA production incorporating the AuTiO2 catalyst, which is a heterogeneous catalyst developed by Preti et al. [14]. The proposed catalyst showed high CO2 conversion of 84% under 180 bar and 40 °C, with minimal production of side products (0.5 mol% of CO). While the high conversion of 84% and heterogeneous property of the catalyst allowed profitability as well as sustainability of the tcFA process, the performance of the catalyst was only tested in batch conditions and cannot represent the actual tcFA performance of a continuous process. Production of FA via the ecFA pathway is another intensely studied field [15]. The technology of producing formate from CO2 reduction has shown good progress over recent years, and ecFA production is deemed to retain a technology readiness level (TRL) of 4–6 [4]. However, the key hurdle for commercializing FA production via ecFA lies in the fact that the product concentration has to be increased, and that the produced formate has to be further distilled from other electrolytes to obtain purified FA [16]. The previous studies regarding the tcFA and ecFA pathways show that, while technological improvements are being made, practical hurdles need to be overcome to enhance the profitability of the pathways, and that an additional market for increasing the demand for CCU-based FA is required.
Apart from studying CCU as the short-to-mid-term solution for tackling climate change, research efforts to fundamentally reduce fossil fuel usage have been made in recent years. A highly noted option is the use of H2 as the main source of energy, a core idea of constructing the alleged “hydrogen economy” [17]. While using H2 as the main source of energy may seem to be an ideal solution to solve climate issues, regarding the large heat of combustion per unit mass (141.8 MJ/kg), the possibility of carbon-free production via electrolysis of water using renewable electricity, and the clean byproducts upon combustion free of NOx, SOx, and CO2, the main issues that need to be dealt with are the transportation and storage problems. H2 has a boiling point of −253 °C, which means that it has to be either compressed to high pressures of 200–500 bar for gas-phase transport or refrigerated to −253 °C for liquid-phase transport. The compression and liquefaction processes require an extensive amount of energy, and are prone to operational problems such as boil-off gas generation, and system safety [18]. To overcome these limitations, liquid hydrogen organic carriers (LOHCs), which are organic chemicals existing as a liquid phase in ambient conditions, are being considered as alternative options for H2 distribution. An LOHC consists of a base chemical, which can be hydrogenated, delivered to usage sites in ambient conditions, dehydrogenated to supply H2, then returned to the original site of production to be reused as a carrier. An ideal LOHC can efficiently supply H2 to the site of usage, relieving the burden of high-pressure or low-temperature operation when dealing directly with H2. Among the several options of LOHCs considered, FA is a highly probable option for H2 distribution, owing to its high volumetric H2 capacity and relatively low toxicity and flammability [19]. While few studies have studied the potential of using FA as an LOHC [20,21,22], and presented FA to be less competitive as a LOHC compared to other chemicals such as toluene or methanol, these studies are limited in that they do not fully consider the techno-economic and environmental potential of the full LOHC cycle in detail, where the base chemical is returned to its original site of production. Furthermore, the economic and environmental results need updates and have to take in the progress of catalysts and process configuration development provided by recent studies. Both for tcFA and ecFA pathways, the process systems considered in the LOHC studies are based on unprofitable configurations, which can greatly underestimate the potential of using FA as an LOHC. Considering the fact that FA is a highly probable CCU application, which has been gaining attention in recent years, the implementation of FA as an LOHC could allow synergistic effects for CCU and hydrogen distribution, where the overall CCU market is expanded and the H2 distribution network promoted.
In this study, the potential for using FA as an LOHC (the FA-LOHC system) to promote the hydrogen economy was comprehensively analyzed regarding state-of-the-art FA production technologies and realistic scenarios. CO2 hydrogenation-based FA production has high potential for implementation as an LOHC, due to the integration of CO2 utilization and H2 distribution. Unlike previously studied LOHCs, FA is capable of permanently fixing CO2 from the atmosphere, which can further contribute to the CO2 mitigation while serving as an efficient H2 distribution vector. For extensive analysis, recently developed tcFA and ecFA pathways are combined with two different CO2 recovery pathways to be reused as the base chemical. Each section of the FA-LOHC system, namely the production of FA, transportation, dehydrogenation of FA and CO2 recovery, H2 compression, and return of CO2, is modeled using a process simulation software Aspen Plus, then the separate models are integrated into various scenarios to conduct techno-economic analysis (TEA) and life cycle assessment (LCA). The results are compared with liquid H2 transport, and the technical improvements that are required to improve the FA-LOHC system are identified. The following sections of this study are organized as follows: The results of the TEA, sensitivity analysis, and LCA are analyzed and compared in Section 2. In Section 3, the FA-LOHC system is defined, and the related process models are explained in detail. In Section 4, information on the methodologies implemented throughout the study, including TEA and LCA, is provided, and specific assumptions and incorporated parameters are reviewed. The conclusions of the study are presented in Section 5.

2. Results and Discussion

2.1. TEA Results

As the base case analysis, an FA production plant producing 100 kt/y is considered, which corresponds to approximately 12 t/d H2 production. The hydrogen refueling station (HRS) sites are assumed to be located 400 km away from the production site, and at each site, the HRS has a capacity of 850 kg/d. For the base-case parameters regarding the values provided in Table 1, the economic potential of the four different scenarios presented in Table 2, are provided in Figure 1. Compared to scenario 1, where liquefied H2 is distributed, scenario 3 shows better profitability, whereas scenarios 2 and 4 show higher costs. Scenario 3, which incorporates the ecFA production and LCO2 transportation, retains the lowest levelized cost of hydrogen (LCOH) value of 23.16 $/kgH2, which is 12% smaller compared to scenario 1. Comparing scenarios 2 and 4, the low cost of scenario 2 is attributed to the low production and transportation costs of FA. The tcFA process uses extensive amounts of steam, resulting in high operating costs and, consequently, high production costs for FA. Scenario 4 retains lower dehydrogenation and compression costs compared to scenarios 2 and 3 due to the use of an amine absorber for CO2 recovery rather than an energy extensive pressure swing adsorption (PSA) unit. However, the transportation cost is greatly increased since additional trailers are required for delivering the triethylamine (TREA) required for the CO2 capture process. Since the cost of the transportation section increases linearly with the increase of freight mass without additional advantages of the economy of scale, it serves as a bigger disadvantage compared to other scenarios.
The cost compositions of the LCOHs with regard to the components of the operational expenditure (OPEX), including electricity, refrigeration, steam, and transportation fuel, are presented in Figure 2. Since OPEX shows larger contributions to cost compared to capital expenditure (CAPEX), analysis of the OPEX compositions can provide insight into the sections that need improvement for further cost reduction. For all of the scenarios, fuel usage for the transportation process is the largest cost factor that cannot be easily reduced. For scenarios 2–4, the FA production process retains the largest costs, where steam usage is dominant for tcFA, and electricity usage is dominant for ecFA. The tcFA process requires excessive amounts of steam to operate the three distillation columns, especially when evaporating water and TREA. Thus, to reduce costs regarding scenarios 2 and 4, reduction of steam usage via energy optimization or discovering new amines with higher solubility to water is required. It can be deduced from Figure 1 and Figure 2 that scenarios 2 and 4 may become competitive with scenario 1 if production costs could be lowered by 23% and 32%, respectively. The ecFA process requires large amounts of electricity for operating the electrolyzer. Thus, future developments of catalysts or system configurations, which can enhance the FE or reduce the working potential, should be the focus of research. Furthermore, the supply of cheap electricity in the future may allow further cost reduction for scenario 3.

2.2. Sensitivity Analysis Results

In this section, the sensitivity analysis results for the selected parameters are presented. The overall contribution of the different parameters are first analyzed using global sensitivity analysis (GSA), then individual parameters of interest, namely H2 production capacity and transportation distance, are further analyzed.
Regarding GSA, the selected parameters and the boundaries of the analyzed values are presented in Table 3. For most of the parameters, the values are varied from −20% of the nominal value to +20%, to allow a fair basis for contribution calculation. As for parameters such as CO2 capture rate and FE of ecFA, the minimum and maximum values are set to a wider range to take into consideration their large uncertainties.
GSA results of the eight different parameters are presented in Figure 3. The relative contributions of the parameters to the LCOH of the four scenarios, and the differences among scenarios can be deduced from this figure.
For scenario 1, the H2 production cost and the boil-off ratio during liquid H2 transport are the only parameters affecting the LCOH value. Due to the low-energy consumption, electricity cost barely induces any change in the economic performance. Since the Sobol index values represent the relative contribution of each factor to the cost, the high correlation of H2 production cost reflects the fact that the CAPEX and OPEX of the liquefied H2 transportation system is relatively low, and the input material cost is the dominant factor that determines the overall cost. Smaller contributions are observed for the boil-off ratio because the changes in these values affect the overall costs on a much smaller scale due to the economy of scale effects and small values of boil-off ratios.
Regarding scenario 2, H2 production cost is the dominant contributor as in the case of scenario 1, with additional contributions observed from steam cost and TREA cost, showing Sobol index values of 0.20 and 0.17, respectively. Since the tcFA process incorporates large amounts of steam, and some of the TREA used as input are lost during the operation of the process, changes made in the costs of the two factors largely affect the overall cost.
The GSA results of scenario 3 also show that H2 production cost is the dominant factor for economic feasibility, showing a Sobol index value of 0.62. However, unlike the previous cases, the cost of electricity greatly affects economic performance, showing a Sobol index value of 0.38. This is induced by the large amounts of electricity incorporated in operating the electrolyzer, and since the electrolyzer is less affected by the economy of scale compared to conventional process equipment, its relative contribution is amplified. This shows potential for the ecFA process to further improve economic performance in the future if electricity costs could be lowered due to the extended use of renewable electricity.
The LCOH of scenario 4, unlike the previous scenarios, is predominantly affected by the amine loss ratio, which considers the loss of TREA during the CO2 process after the dehydrogenation step. Although the absolute value of TREA loss is small, due to the expensive cost of TREA and the large amounts incorporated during the tcFA production process, the contribution to cost is large, showing a Sobol index value of 0.67. Accordingly, the TEA cost is the next largest contributor, with a Sobol index value of 0.14, emphasizing the effect of TREA-related costs on the overall cost. Considering the GSA results of scenarios 2 and 4, it can be deduced that TREA management is a critical factor in the economic performance of the tcFA process, and for further improvement, future research should be directed to the development of amine liquefying sequences to prevent evaporation, or to find new amines with low volatility.
For an intuitive comparison of the LCOH for the four scenarios, local sensitivity analysis results with regards to the H2 production capacity and transportation distance are provided in Figure 4. The H2 production capacity, is varied from 10 t/d to 50 t/d, and transportation distance is varied from 100 km to 1000 km. Regarding the H2 production capacity, scenario 4 shows a steep increase rate with respect to the increase of the production capacity, compared to other scenarios. This is mainly due to the larger increase in transportation cost for scenario 4, since additional costs are required for the increased amount of water and TREA corresponding to the increased amount of FA. Interestingly, the relative cost difference of scenarios 1–3 is altered with respect to the increase of H2 production capacity, since the transportation costs increase in a discrete manner, according to the number of trailers required. Thus scenarios 2 and 3 show a larger increase in costs according to the increasing H2 production capacity, and the cost of scenario 3 exceeds that of scenario 1 when H2 is produced at 30 t/d. This trend is not observed for transportation distance change, since the cost is increased continuously.

2.3. LCA Results

The LCAs of the different scenarios were conducted using the commerical software SimaPro. The LCA results for each of the scenarios are presented in Figure 5. Since the main components of concern during the LCA of a CCU process are the global warming potential (GWP) and fossil resource scarcity (FRS), results for the two values are presented only [23].
In accordance with the previous studies regarding the LCA of LOHCs compared to H2 transportation, both the GWP and FRS values are higher when utilizing LOHCs for H2 distribution. While liquefied H2 processes require the use of refrigerants such as R134a, refrigerants are recycled within the system for the entire process life cycle (assuming no leakage), contributing negligibly to the environmental impact factors. However, LOHC systems tend to require a continuous input of energy for steam or electricity generation and thus show higher values of GWP and FRS compared to the liquefied H2 process. For both GWP and FRS values, the liquefaction process is the largest contributor considering scenario 1, due to large requirements of electricity for liquefaction system. This is in accordance with the OPEX breakdown results shown in Figure 2a. Comparing scenarios 2–4, the largest difference in GWP and FRS values is attributed to the FA production process. Due to the large amounts of steam usage in the tcFA process, scenarios 2 and 4 are observed to emit more than two times the amount of GWP and FRS compared to scenario 3. Furthermore, scenario 4 shows higher GWP and FRS costs compared to scenarios 2 and 3 due to the larger contribution of the transportation section. Due to the additional transportation requirements for TREA, which is to be used during the CO2 capture process, the GWP and FRS values are increased by a factor of 3.76 compared to values for scenarios 2 and 3. From these results, while the direct hydrogenation of TREA-captured CO2 might seem to be a better solution for FA-LOHC distribution at first glance, the additional costs and environmental impacts induced by the large volume of additional freight drives the scenario to show poor performance compared to liquefied CO2 transport.

3. System Definition and Process Modeling

For a fair comparison of the various combinations of FA-LOHC distribution technologies, a systematic approach for formulating the different cases should be applied. In this study, a hydrogen distribution cycle where mass amounts of FA are produced at a central site, and the produced FA is transported to usage sites using tank lorries, is assumed. It is assumed that H2 produced using renewable energy, namely “green H2”, is delivered from outside sources for conversion into FA, then the produced FA is delivered to the site of usage and distributed with regards to the required H2 purity and pressure. The delivery of H2 to an HRS is considered in this study, where 99.99% of H2 is required at 900 bar. The hydrogen distribution cycle can be divided into four different sections, namely the process of FA production, transportation of FA to the HRS site, dehydrogenation of FA for H2 extraction, and return of CO2 to the central site for re-conversion into FA. A schematic overview of the defined FA-LOHC distribution cycle is shown in Figure 6. The overall cycle of FA production, transportation, dehydrogenation, and CO2 recycle is presented, and the different options available for each section of the cycle are provided within the system box. For FA production, the tcFA and ecFA pathways, are considered. The difference of the two pathways lies not only in the form of energy used and system configuration, but also in the possible form of CO2 usable as an input. The tcFA process can utilize the amine-captured CO2 state as well as pure CO2 as the process input, meaning that CO2 does not necessarily have to be purified with the use of additional energy for operating the tcFA process. This aspect leads to two different options for CO2 recovery and transportation, which are the PSA and CO2 absorption, and the liquefied CO2 and amine-captured CO2 delivery, respectively. The ecFA process can only incorporate pure CO2 as the input, and thus only the CO2 recovery using PSA and the liquefied CO2 transportation option can be integrated. A summary of the considered H2 distribution scenarios are provided in Table 2.

3.1. Process Modeling

To obtain reliable TEA and LCA results, each step of every scenario is modeled using the commercial process simulator Aspen Plus. For each option of the process designed, the operational parameters and performance indicators are obtained mainly from related studies showing state-of-the-art performance. It should be noted that since the information required for rigorous modeling of the reactors, such as packing, pressure drop, and kinetic models, are unavailable at the current stage of development, equilibrium models are used assuming the performances are preserved after scale-up of the process. Afterwards process configurations are further analyzed using pinch analysis to integrate hot and cold streams and maximize energy efficiency.

3.1.1. Thermocatalytic CO2 Hydrogenation to FA

The reaction of CO2 and H2 to produce FA is a nonspontaneous reaction, retaining a standard Gibbs free energy change of 32.9 kJ/mol [19]. Thus, to enable this reaction, tcFA processes incorporate the use of reaction amines and appropriate catalysts.
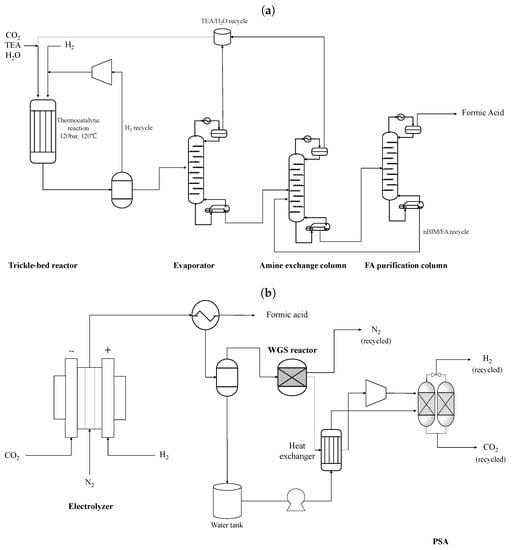
The tcFA process is modeled based on the process design presented in Park et al. [24]. Park et al. proposed the use of a Ru molecular catalyst supported on bpyTN-30-CTF, to be used as a heterogeneous catalyst for CO2 hydrogenation in a trickle-bed reactor [24]. The results of the study showed that by using the Ru-based catalyst in a continuous-flow reactor at 120 bar and 120 °C, 48% conversion of CO2 to formate was achieved, with stable performances for over 30 days and minimal amounts of side product production (300–600 ppm of CO, <5 ppm of CH4). While various studies exist for modeling the tcFA process [13,25], the Ru-based catalyst developed by Park et al. is the only process that has been validated with respect to a continuous process, which is an essential aspect for obtaining realistic results. Process operating conditions and parameters required for the process model are provided in Table S1.
As shown in the simplified tcFA process flow diagram in Figure 7a, the main units of the tcFA process are the trickle-bed reactor, and three distillation columns. In this process, TREA is used as the reaction amine and n-butylimidazole (nBIM) is used as the auxiliary amine. The trickle-bed reactor is filled with Ru-based catalysts, and operates at 120 °C and 120 bar to convert bicarbonate ions into formate with a conversion value of 48%. The first distillation column, called the evaporator, uses steam to evaporate the water and TREA within the product of the reactor. This step is required to increase the acid-to-amine ratio of the reactor product and to allow efficient operation of the latter columns. Water and TREA obtained from the top product are recycled and stored in storage tanks, either to be reused in reactors or to be transported to FA dehydrogenation sites to be used for CO2 capture. The concentrated TREA-formate adduct obtained from the bottoms of the evaporator is sent to the amine exchange column, where the formate is transferred from TREA to nBIM. The switching of amines is necessary since the low boiling point of TREA prohibits efficient separation of FA from TREA. The separated TREA is evaporated and obtained as the top product, and the nBIM-formate product is sent to the FA purification column as the bottoms product. Owing to the large boiling temperature difference of nBIM (248 °C) and FA (100.8 °C), FA is efficiently separated as a top product of the purification column.
It should be noted that the original process design presented in the work by Park et al. separately inject CO2 and the reaction amine, TREA, into the trickle-bed reactor, assuming that the CO2 input is obtained as a purified form. However, since the FA-LOHC distribution process analyzed in this study includes options for directly incorporating CO2-captured amine, the input stream to the tcFA process is assumed to be available in both forms.

3.1.2. Electrochemical CO2 Hydrogenation to FA

Compared to the tcFA process, the ecFA process is at an early stage of development. The electrochemical reduction of CO2 to FA is a two-electron process, with a relatively low equilibrium potential of −0.199 V vs. NHE, compared to other CO2 reduction products [15]. The recently proposed system by Fan et al. suggests the use of a PSE system for directly obtaining purified FA via electrochemical CO2 reduction [26]. The proposed system produces formate at the cathode via CO2 reduction and protons at the anode via the hydrogen oxidation reaction. The produced ions are then driven into the PSE layer by the electric field, then recombined within the PSE to form FA. The produced FA is extruded using N2 gas, which allows easy separation of pure FA. While electrochemical reduction processes have to be validated on a larger scale to consider the possibility of commercialization, the contents of these studies show promising results for ecFA production, with stable operations of over 100 h. Previous studies have suggested the production of formate via electrochemical CO2 reduction within liquid electrolytes, requiring complex distillation processes and extensive energy input for further purification of FA. The PSE-based FA production process may enable early commercialization of the ecFA process due to efficient and economical purification of FA. Thus, the PSE system is incorporated as the ecFA option to be analyzed. The electrolyzer performance options are obtained from the Supplementary Information of Fan et al. [26], and the overall process is formulated into a continuous form by recycling the water input used for obtaining protons, and the water produced by the side reaction, the reverse water-gas shift reaction. The operating parameters of the ecFA system are shown in Table S2.
The ecFA process consists of three core units, the electrochemical reactor, the water-gas shift (WGS) reactor, and the PSA unit. These three unit operations comprise the largest portion of the process with respect to operational costs and CO2 emissions, and thus the performance of these three sections greatly affect the overall performance of the ecFA option. Thus, among the various options available for each unit, the most suitable option is selected regarding performance and energy efficiency.
For designing the WGS reactor, the CuO-ZnO-Al2O3 catalyst is selected to maximize CO conversion. As presented in Pal et al. [27], the CuO-ZnO-Al2O3 operates at low temperatures of 200–250 °C, shifting the equilibrium towards more H2 production. Since even trace amounts of CO existing within the product stream may be critical for the application of H2 such as in fuel cells [27], it is important to select the WGS system with the highest conversion of CO.
For the PSA system, the concept of integrating WGS catalysts into the PSA unit proposed by Zhu et al. [28] was implemented. In the proposed system, high-temperature WGS catalysts composed of Fe2O3 and Cr2O3 are implemented along with zeolite adsorbents, to maximize the amount of H2 recovery and minimize CO output. The type of catalysts used, the operating conditions, and the references for the incorporated WGS and PSA systems are presented in Table S2.
Considering the operating conditions and unit performance of the electrolyzer, WGS reactor, and PSA unit, the ecFA process is designed as shown in Figure 7b. The FA produced from the electrolyzer is retrieved by liquefaction, and the remaining stream of water, CO, and unreacted CO2 and H2 are sent to the WGS reactor. The production stream of the WGS reactor is sent to the PSA unit to separate H2 and CO2, which are recycled into the electrolyzer for continuous operation. Prior to the PSA unit, a heat exchanger is installed to recover the heat from the outlet stream of the WGS reactor, to enhance the energy efficiency of the process. Note that the N2, H2, and CO2 recycle stream are represented in simplified forms for better readability.

3.1.3. FA Dehydrogenation Integrated with CO2 Recovery

After being delivered to the site of usage, FA is dehydrogenated via a thermocatalytic reaction to obtain H2 and CO2. Since the emitted CO2 has to be returned to the FA production site for reuse as an LOHC, the FA dehydrogenation process and the CO2 recovery process are modeled in an integrated form.
As for the dehydrogenation section, a recently proposed heterogeneous catalyst system is considered. This is due to the fact that since it is not possible to selectively decompose FA into CO2 and H2 with 100% selectivity, certain amounts of CO and H2O are generated during the dehydrogenation process, and the use of homogeneous catalysts during this process requires additional catalyst regeneration for continuous operation. Since the addition of distillation towers consequently consumes more energy, and because the column-included process has not been studied or operated in previous studies or reports, using a homogeneous catalyst system would hinder the realistic analysis of the FA-LOHC distribution system. Thus, to consider a process that is more likely to be realizable in the future, performance indicators of state-of-the-art heterogeneous catalysts were incorporated into the simulation model. As explained in the review by Xu et al. [29], recent research focus is being made for the development of heterogeneous catalysts for liquid-phase FA dehydrogenation. Of the various types of catalysts being developed, bimetallic catalysts, which show enhanced FA dehydrogenation performance compared to the monometallic catalysts due to the ensemble effect have recently gained spotlight and show high selectivity toward H2 and CO2 production. In this study, the PdAu nanoparticle (NP) catalyst supported on MSC-30 carbon, as presented in the study by Hong et al. [30], is assumed to be installed in a continuous flow reactor of the dehydrogenation system. The proposed PdAu NP catalyst dehydrogenates FA to H2 with near 100% selectivity at mild conditions of 60 °C, which are important aspects required for designing an energy-efficient dehydrogenation process. Since the performance of the PdAu NP catalyst in the long term is not presented within the study by Hong et al. [30], a conservative value of 95% is used for FA to H2 selectivity. Various parameters implemented for the dehydrogenation process design is provided in Table S2.
Sequential to the dehydrogenation reactor, a WGS reactor is added to ensure a CO concentration of less than 10 ppm. The catalysts used, the operating conditions, and the performance indicators of the WGS reactor are identical to the WGS reactor used for ecFA production, as explained in Section 3.1.2.
After the dehydrogenation step, two different options for CO2 recovery are considered with regard to the transportation method of returning CO2 to the FA production site. One is the separation of pure CO2 in liquid form using a PSA unit, and the other is the use of an amine absorber to strip CO2 from the rest of the gases via amine-based CO2 capture.
In the option for using PSA to obtain liquefied CO2, the incorporated catalysts and operating conditions are identical to the specifications provided in Section 3.1.2. While the output stream of H2 is sent to the compression unit for distribution, the CO2 stream is integrated into heat exchangers for preheating other streams within the process. After heat integration, CO2 is depressurized to 17 bar to meet the conditions for transport, and further cooled down to −30 °C for liquefaction.
For the amine-based CO2 capture process, a conventional absorber column is considered, with a performance of 90% CO2 recovery. To directly incorporate the CO2 capture process with the FA production process, a process using TREA as the capture amine is proposed. Since no studies exist regarding the CO2 capture performance of TREA in an absorber column, we performed CO2 capture experiments using an absorber column, using 3M TREA as the capture solvent. Images of the absorber column used for the experiment are presented in Figure S1. According to the test results, CO2 absorption performance was shown to be in the range of 87.1% to 95.1%, with respect to the different liquid-to-gas (L/G) ratios tested. Detailed experimental results are provided in Table S4. Since the CO2 capture performance of TREA was shown to be similar to that of monoethanolamine (MEA), the capture rate of the TREA system is assumed to be 90%, in accordance with the usual operational specification of MEA-based CO2 capture systems [31,32,33]. While the concentration of CO2 is higher for the process streams compared to the experiment results, the same capture performance can be achieved by using sufficient amounts of TREA. To this end, the required amount of TREA is calculated according to the amount of CO2 emitted. Since the TREA-captured CO2 can be transported at ambient conditions, no additional operations for changing the temperature or pressure are required.
The process flow diagrams of the individual CO2 recovery processes integrated with the FA dehydrogenation process are presented in Figure 8. To maximize the energy efficiency of the processes, heat exchangers are added to integrate streams capable of energy exchange. The outlet stream of the PSA unit in Figure 8a retains high temperature and pressure, allowing effective preheating of process input streams. As for the TREA-based CO2 capture system shown in Figure 8b, the outlet stream of the WGS reactor is 60 °C at ambient pressure, and is used to preheat the input stream to the WGS reactor.

3.1.4. Transportation Process

In the proposed FA-LOHC distribution system, it is assumed that the produced FA and liquefied H2 are delivered to application sites in tank trailers driven by trucks. As shown in Table 4, the transportation conditions for liquefied H2, FA, and CO2 are different, and thus different cost models are required for evaluating each option. For an accurate evaluation of the costs considering the number of trucks required and the transportation schedule with regard to the transportation capacity, the H2A Delivery Scenario Analysis Model (HDSAM) is used. The relevant parameters referenced from the HDSAM 3.0 User’s Manual [34] are provided in Table S3 of the Supplementary Materials (SM).
With regard to the four different scenarios presented in Table 2, the number of trailers required is different due to the difference in H2 compositions. As FA contains 4.4 wt% of H2, FA-LOHC systems require a greater number of trailers to deliver an equivalent amount of H2 to the site of usage. Furthermore, since the recycled CO2 has to be delivered from the site of usage, additional trailers for CO2 transportation have to be prepared. Thus, costs for CO2 transportation trailers are added for scenarios 2–4. Moreover, for scenario 4, additional transportation costs for TREA delivery are taken into consideration. During delivery of FA, trailers containing TREA are driven to the usage site; after capturing CO2 using the delivered TREA, the TREA-captured CO2 solution is recycled back to the production site.

3.1.5. H2 Liquefaction Process

Regarding the H2 liquefaction process, the parameters related to CAPEX, OPEX, and environmental impacts are gathered from various reports and studies, rather than designing a new process model. The overall cost parameters obtained from Chen [35] are used. Details of the liquefaction process and the related parameters are presented in Table S3. The incorporated cost model includes factors specific to the H2 liquefaction process, such as cryogenic pump installation, and conversion process of ortho-hydrogen to para-hydrogen, which is essential for minimizing H2 boil-off during transportation.
The CAPEX and OPEX of the liquefaction process are evaluated based on the results by Connelly et al. [36]. The CAPEX of the installed liquefier is calculated as shown in Equation (1), where N is the number of liquefiers required assuming 200,000 kg/d capacity for a single liquefier, C 1 is the liquefier design capacity in Mt/d, and CEPCI is the Chemical Engineering Plant Cost Index for a specified year, used to reference the cost calculations to a certain year.
L i q u e f i e r C A P E X   ( $ ) = N × 1,000,000 × 5.6 × C 1 0.8 × C E P C I
Regarding the OPEX of a liquefier, a regression model with respect to the capacity is developed based on the data points provided in Connelly et al. [36], and used to calculate energy requirements. The regressed equation is shown in the equation below:
L i q u e f i e r O P E X   ( kWh / kg ) = 13.382 · ( C 2 1000 ) 0.1
where C 2 represents the liquefier capacity in units of kg/d.
In addition to the energy costs, additional costs for storage tanks, and liquefied H2 compression costs required during H2 distribution at the usage site, are considered with parameters from Wulf and Zapp [37].

4. Methodologies

To evaluate the different scenarios of the FA-LOHC distribution options with regard to profitability and sustainability, TEA and LCA are conducted. To obtain reliable results, Aspen Plus simulation models developed for each step of every scenario are integrated with Matlab to calculate the economical values, and the SimaPro software is used to evaluate the environmental indices.

4.1. Techno-Economic Analysis (TEA)

4.1.1. Levelized Cost of Hydrogen

To evaluate the profitability of the different FA-LOHC distribution options, techno-economic analysis is conducted for the individual options. Based on the developed Aspen Plus simulation model for the FA production, transportation, dehydrogenation, and recycle processes, a large-scale FA-LOHC distribution was designed by integrating the separate sections according to the different scenarios. Assuming a plant life of 15 years and interest rate of 15%, the net present values (NPVs), which represent the plant evaluation value at the current period considering the CAPEX, OPEX, and sales cost, are evaluated. Equations related to the calculation of NPV are provided in Equations (3)–(5), and parameters related to the NPV calculations are presented in Table 1. While NPV values are appropriate for analyzing the profitability of a given process, comparisons between different process options can be better achieved by calculating the levelized cost of the product chemical. Levelized cost refers to the cost of the product, which allows zero profit of the overall plant, and is used as an indicator when evaluating newly developed CCU plants [38]. In this study, the LCOH, which is the cost of the H2 provided to the HRS site, is calculated. As shown in Equation (6), the LCOH is calculated by finding the H2 cost that drives the overall NPV to zero.
N E = ( 1 t i n c o m e ) · ( S C E x c l . D e p . C D )
C F = ( N E + C D ) C T P I
N P V = C F n ( 1 + i ) n
N P V ( L C O H ) = 0
In the above equations, NE stands for the net earnings, and CF represents the annual cash flow. t i n c o m e represents the income tax, S is the sales profit, C E x c l . D e p . is the production cost exclusive of depreciation, C D is the cost depreciation, and C T P I is the total permanent investment cost, which includes the total depreciable capital and non-depreciable capital such as the cost of land and start-up operations.
For CAPEX and OPEX calculations, the process unit costs and utility values are obtained from Seider et al. [39], and values for specific units such as WGS reactors and PSA columns, are obtained from the related studies [27,28,40,41]. Note that for modeling and cost evaluation of the reactors, equilibrium models were used, assuming that the reactor performance is maintained after scale-up, and the increased dimensions, catalyst, and packing usage, were calculated within the cost model. Regarding the cost calculation of the electrolyzer used in ecFA, the method used in Na et al. [38] is implemented, where a proton exchange membrane (PEM) electrolyzer is assumed and the cost of catalysts and electrodes are changed proportionally to the cost of the metals. Details on the electrolyzer cost calculation are provided in the Supplementary Materials. It should be noted that since the cost evaluations from different studies are based on different periods, it is necessary to adjust the values so that the costs are calculated on a common basis. Thus, the CEPCI of 2020 is used to convert the values from different periods to values with reference to 2020 US dollars.

4.1.2. Global Sensitivity Analysis

Since the developed FA-LOHC distribution system is subject to many uncertainties, including utility or material costs, transportation distance, production capacity, or practical difficulties, which may occur during actual construction of the plant, it is essential to conduct sensitivity analyses of the relevant parameters on the overall profitability of the system. While local sensitivity can provide the overall range of the profitability with respect to a single parameter, it fails to apportion the individual contributions of the various parameters to the cost of the overall system, especially when the parameters are highly correlated [38,42]. Thus, in this study, the variance-based GSA is applied to evaluate the effects of parameter variation on the economic performance of each scenario. Variance-based GSA calculates the variance change inferred from the parameter changes, and evaluates the relative contribution of each parameter to the cost. In this study, to alleviate the computational burden of evaluating the GSA indices for all combinations of the parameter set, the first-order GSA index for each of the parameters are calculated first, then parameters which require further evaluation of complex order indices are considered. The first order GSA index (Sobol index) is calculated using the FAST method suggested by Cannavo [42], as shown in Equation (7):
S i = v a r [ E ( y | x i ) ] v a r ( y )
where v a r ( y ) represents the variance of the output, and v a r [ E ( y | x i ) ] represents the variance of the expectation of y given that a set of variables x i is fixed.

4.2. Life Cycle Assessment

LCA evaluates the environmental impact of a given process, regarding various impact factors such as GWP, FRS, etc. Based on the international standards ISO 14040 [43] and 14044 [44], LCA analyzes the environmental impact of a defined functional unit within a specified system boundary. Since the main objective of LCA conducted in this study is to compare the different hydrogen distribution options, a cradle-to-gate analysis is conducted where the system boundary is defined from the raw material supply for producing FA, to the final delivery of H2 to the place of application, which is the HRS site. This is a reasonable assumption since the downstream application of the delivered H2 is exactly the same for the different scenarios, and these types of simplifications are made in various CCU studies [23,45,46].
A schematic overview of the system boundary is presented in Figure 9. It is worth noting that for an accurate evaluation the source of CO2 is included within the system boundary via the system expansion approach, which is assumed as an ammonia production plant. This is in accordance with the guidelines provided in the literature for LCA of CCU processes, where the inclusion of CO2 sources are recommended to allow a fair comparison between different pathways [23,45,46]. Thus, the final functional unit is the production of 1 kg of H2 and 0.45 kg of ammonia for all of the cases considered. As presented in Figure 9, the ammonia plant is included within the system boundary of the liquefied H2 distribution system, to compensate for the amount of CO2 utilized in the FA-LOHC distribution system. Life cycle inventories, including utility and materials are mostly obtained from the Ecoinvent v3 database [47,48]. For the items that are missing from the database, impact factors are obtained from other references or approximated from materials that have similar properties compared to the material of interest. After collecting all of the inventories, the environmental impact factors are evaluated using the ReCiPe 2016 Midpoint Hierarchical method [49].

5. Conclusions

In this study, the potential of using FA as an LOHC to promote the hydrogen economy was comprehensively analyzed regarding state-of-the-art FA production technologies and realistic scenarios. The overall FA-LOHC integration cycle was divided into four sections, namely the FA production, transportation, dehydrogenation of FA, and recycle of the base chemical CO2, and each of the processes were designed using the simulation software Aspen Plus, then their economic and environmental potential were evaluated with respect to the liquefied H2 distribution system. Considering the economical aspect, the tcFA-based scenarios were shown to be in an earlier stage to surpass the performance of liquefied H2 due to the large amounts of energy consumption during FA production. Further investigation of process optimization and new amines with better solubility with water could allow the tcFA-based process to be developed as a feasible FA-LOHC component. The ecFA-based scenario showed better performance economically compared to the liquefied H2 distribution, owing to the small amounts of steam usage and simple separation processes as compared to the tcFA process. However, the electrolyzer system is not affected by the economy of scale, and showed a sharper increase in cost compared to the tcFA process with regard to an increase in the H2 distribution capacity. To improve the economical performance of the ecFA system, improvements for catalysts or electrolyzer systems are necessary, to increase the FE and decrease the relative contribution of the electrolyzer costs. Considering LCA, all FA-LOHC scenarios showed poor performance compared to the liquefied H2 distribution system due to the large impacts incurred by the FA production process. As FA contains H2 at a weight ratio of 4.4%, the larger use of energy, and accordingly high environmental impact, is inevitable. This could be overcome in the future with the growth of the FA-LOHC market, where extensive amounts of CO2 can be fixed within the FA-LOHC cycle, while being used for H2 distribution. Thus, further studies regarding the efficient production of FA and dehydrogenation processes are required to incorporate the FA-LOHC system into the real world.

Supplementary Materials

The following are available online at https://www.mdpi.com/article/10.3390/catal12101113/s1, [9,10,11,24,26,27,28,30,34,37,38,39,50,51]. Supplementary data related to this work are provided in a separate document. Figure S1. CO2 absorber tower used for TREA CO2 capture experiments. Table S1. Process operating conditions and parameters used for designing the tcFA process [1]. Table S2. Process operating conditions and parameters used for designing the ecFA process [2,3,4,5]. Table S3. Process operating conditions and parameters used for designing the liquefied H2 distribution system [6,7,8]. Table S4. CO2 absorption experiment results using TREA as the capture amine.

Author Contributions

Conceptualization, C.K. and K.K.; methodology, C.K.; software, C.K., K.K. and Y.L.; writing—original draft preparation, C.K.; writing—review and editing, C.K., K.K., Y.L. and U.L.; supervision, U.L.; funding acquisition, U.L. All authors have read and agreed to the published version of the manuscript.

Funding

This work was supported by the National Research Foundation of Korea (NRF) grant funded by the Korean government (MSIT) (no. NRF-2020M3H7A1098259).

Data Availability Statement

The data presented in this study are available in the Supplementary Materials.

Conflicts of Interest

The authors declare no conflict of interest.

Abbreviations

The following abbreviations are used in this manuscript:
CCUSCarbon Capture, Utilization, and Storage
LOHCLiquid Organic Hydrogen Carrier
FAFormic Acid
FA-LOHCFA-based Liquid Organic Hydrogen Carrier system
HRSHydrogen Refueling Station
PSEPorous Solid Electrolyte
NPNanoparticle
L/GLiquid-to-Gas
LCOHLevelized Cost of Hydrogen
TEATechno-Economic Analysis
GSAGlobal Sensitivity Analysis
CAPEX     Capital Expenditure
OPEXOperational Expenditure
HDSAMH2A Delivery Scenario Analysis Model
LCALife Cycle Assessment
GWPGlobal Warming Potential
FRSFossil Resource Scarcity
TREATriethylamine
MEAMonoethanolamine
ecFAelectrochemical FA production
tcFAthermocatalytic FA production
NPVNet Present Value
CEPCIChemical Engineering Plant Cost Index
WGSWater-Gas Shift
PSAPressure Swing Adsorption

References

  1. UNFCCC. Paris Agreement. 2015. Available online: https://unfccc.int/sites/default/files/english_paris_agreement.pdf (accessed on 24 September 2022).
  2. Hepburn, C.; Adlen, E.; Beddington, J.; Carter, E.A.; Fuss, S.; Mac Dowell, N.; Minx, J.C.; Smith, P.; Williams, C.K. The technological and economic prospects for CO2 utilization and removal. Nature 2019, 575, 87–97. [Google Scholar] [CrossRef] [PubMed]
  3. Ye, R.P.; Ding, J.; Gong, W.; Argyle, M.D.; Zhong, Q.; Wang, Y.; Russell, C.K.; Xu, Z.; Russell, A.G.; Li, Q.; et al. CO2 hydrogenation to high-value products via heterogeneous catalysis. Nat. Commun. 2019, 10, 1–15. [Google Scholar] [CrossRef] [PubMed]
  4. Chauvy, R.; Meunier, N.; Thomas, D.; De Weireld, G. Selecting emerging CO2 utilization products for short-to mid-term deployment. Appl. Energy 2019, 236, 662–680. [Google Scholar] [CrossRef]
  5. Sternberg, A.; Jens, C.M.; Bardow, A. Life cycle assessment of CO2-based C1-chemicals. Green Chem. 2017, 19, 2244–2259. [Google Scholar] [CrossRef]
  6. Ahn, Y.; Byun, J.; Kim, D.; Kim, B.S.; Lee, C.S.; Han, J. System-level analysis and life cycle assessment of CO2 and fossil-based formic acid strategies. Green Chem. 2019, 21, 3442–3455. [Google Scholar] [CrossRef]
  7. Thonemann, N.; Pizzol, M. Consequential life cycle assessment of carbon capture and utilization technologies within the chemical industry. Energy Environ. Sci. 2019, 12, 2253–2263. [Google Scholar] [CrossRef]
  8. Drury, D.J.; Hamlin, J.E. Production of Formate Salts from Carbon Dioxide, Hydrogen and Amines. U.S. Patent 4474959, 2 October 1984. [Google Scholar]
  9. Anderson, J.J.; Drury, D.J.; Hamlin, J.E.; Kent, A.G. Process for the Preparation of Formic Acid. U.S. Patent 4855496, 8 August 1989. [Google Scholar]
  10. Schaub, T.; Fries, D.M.; Paciello, R.; Mohl, K.D.; Schäfer, M.; Rittinger, S.; Schneider, D. Process for Preparing Formic Acid by Reaction of Carbon Dioxide with Hydrogen. U.S. Patent 8791297B2, 29 July 2014. [Google Scholar]
  11. Schaub, T.; Paciello, R.A. A process for the synthesis of formic acid by CO2 hydrogenation: Thermodynamic aspects and the role of CO. Angew. Chem. Int. Ed. 2011, 50, 7278–7282. [Google Scholar] [CrossRef]
  12. Pérez-Fortes, M.; Schöneberger, J.C.; Boulamanti, A.; Harrison, G.; Tzimas, E. Formic acid synthesis using CO2 as raw material: Techno-economic and environmental evaluation and market potential. Int. J. Hydrogen Energy 2016, 41, 16444–16462. [Google Scholar] [CrossRef]
  13. Kim, D.; Han, J. Comprehensive analysis of two catalytic processes to produce formic acid from carbon dioxide. Appl. Energy 2020, 264, 114711. [Google Scholar] [CrossRef]
  14. Preti, D.; Resta, C.; Squarcialupi, S.; Fachinetti, G. Carbon dioxide hydrogenation to formic acid by using a heterogeneous gold catalyst. Angew. Chem. 2011, 123, 12759–12762. [Google Scholar] [CrossRef]
  15. Lu, X.; Leung, D.Y.; Wang, H.; Leung, M.K.; Xuan, J. Electrochemical reduction of carbon dioxide to formic acid. ChemElectroChem 2014, 1, 836–849. [Google Scholar] [CrossRef]
  16. Rumayor, M.; Dominguez-Ramos, A.; Irabien, A. Formic Acid manufacture: Carbon dioxide utilization alternatives. Appl. Sci. 2018, 8, 914. [Google Scholar] [CrossRef]
  17. Bockris, J.O.M. The hydrogen economy: Its history. Int. J. Hydrogen Energy 2013, 38, 2579–2588. [Google Scholar] [CrossRef]
  18. Lee, Y.; Lee, U.; Kim, K. A comparative techno-economic and quantitative risk analysis of hydrogen delivery infrastructure options. Int. J. Hydrogen Energy 2021, 46, 14857–14870. [Google Scholar] [CrossRef]
  19. Eppinger, J.; Huang, K.W. Formic acid as a hydrogen energy carrier. ACS Energy Lett. 2017, 2, 188–195. [Google Scholar] [CrossRef]
  20. Niermann, M.; Drünert, S.; Kaltschmitt, M.; Bonhoff, K. Liquid organic hydrogen carriers (LOHCs)–techno-economic analysis of LOHCs in a defined process chain. Energy Environ. Sci. 2019, 12, 290–307. [Google Scholar] [CrossRef]
  21. Niermann, M.; Beckendorff, A.; Kaltschmitt, M.; Bonhoff, K. Liquid Organic Hydrogen Carrier (LOHC)–Assessment based on chemical and economic properties. Int. J. Hydrogen Energy 2019, 44, 6631–6654. [Google Scholar] [CrossRef]
  22. van Putten, R.; Wissink, T.; Swinkels, T.; Pidko, E.A. Fuelling the hydrogen economy: Scale-up of an integrated formic acid-to-power system. Int. J. Hydrogen Energy 2019, 44, 28533–28541. [Google Scholar] [CrossRef]
  23. von der Assen, N.; Voll, P.; Peters, M.; Bardow, A. Life cycle assessment of CO2 capture and utilization: A tutorial review. Chem. Soc. Rev. 2014, 43, 7982–7994. [Google Scholar] [CrossRef]
  24. Park, K.; Gunasekar, G.H.; Kim, S.H.; Park, H.; Kim, S.; Park, K.; Jung, K.D.; Yoon, S. CO2 hydrogenation to formic acid over heterogenized ruthenium catalysts using a fixed bed reactor with separation units. Green Chem. 2020, 22, 1639–1649. [Google Scholar] [CrossRef]
  25. Kang, D.; Byun, J.; Han, J. Evaluating the environmental impacts of formic acid production from CO2: Catalytic hydrogenation vs. electrocatalytic reduction. Green Chem. 2021, 23, 9470–9478. [Google Scholar] [CrossRef]
  26. Fan, L.; Xia, C.; Zhu, P.; Lu, Y.; Wang, H. Electrochemical CO2 reduction to high-concentration pure formic acid solutions in an all-solid-state reactor. Nat. Commun. 2020, 11, 1–9. [Google Scholar] [CrossRef]
  27. Pal, D.; Chand, R.; Upadhyay, S.; Mishra, P. Performance of water gas shift reaction catalysts: A review. Renew. Sustain. Energy Rev. 2018, 93, 549–565. [Google Scholar] [CrossRef]
  28. Zhu, X.; Shi, Y.; Li, S.; Cai, N. Elevated temperature pressure swing adsorption process for reactive separation of CO/CO2 in H2-rich gas. Int. J. Hydrogen Energy 2018, 43, 13305–13317. [Google Scholar] [CrossRef]
  29. Xu, R.; Lu, W.; Toan, S.; Zhou, Z.; Russell, C.K.; Sun, Z.; Sun, Z. Thermocatalytic formic acid dehydrogenation: Recent advances and emerging trends. J. Mater. Chem. A 2021, 9, 24241–24260. [Google Scholar] [CrossRef]
  30. Hong, W.; Kitta, M.; Tsumori, N.; Himeda, Y.; Autrey, T.; Xu, Q. Immobilization of highly active bimetallic PdAu nanoparticles onto nanocarbons for dehydrogenation of formic acid. J. Mater. Chem. A 2019, 7, 18835–18839. [Google Scholar] [CrossRef]
  31. Zhang, Q.; Turton, R.; Bhattacharyya, D. Development of model and model-predictive control of an MEA-based postcombustion CO2 capture process. Ind. Eng. Chem. Res. 2016, 55, 1292–1308. [Google Scholar] [CrossRef]
  32. Pascu, A.; Stoica, L.; Dinca, C.; Badea, A. The package type influence on the performance of the CO2 capture process by chemical absorption. UPB Sci. Bull. Ser. C 2016, 78, 259–270. [Google Scholar]
  33. Xue, B.; Yu, Y.; Chen, J.; Luo, X.; Wang, M. A comparative study of MEA and DEA for post-combustion CO2 capture with different process configurations. Int. J. Coal Sci. Technol. 2017, 4, 15–24. [Google Scholar] [CrossRef]
  34. Elgowainy, A.; Reddi, K.; Mintz, M.; Brown, D. H2A Delivery Scenario Analysis Model Version 3.0 (HDSAM 3.0) User’s Manual; Technical Report; Argonne National Laboratory: Lemont, IL, USA, 2015. [Google Scholar]
  35. Chen, T.P. Hydrogen Delivey Infrastructure Option Analysis; Technical Report; Nexant, Inc.: San Fancisco, CA, USA, 2010. [Google Scholar]
  36. Connelly, E.; Penev, M.; Elgowainy, A.; Hunter, C. Current Status of Hydrogen Liquefaction Costs. In DOE Hydrogen and Fuel Cells Program Record; Department of Energy: Washington, DC, USA, 2019; pp. 1–10. [Google Scholar]
  37. Wulf, C.; Zapp, P. Assessment of system variations for hydrogen transport by liquid organic hydrogen carriers. Int. J. Hydrogen Energy 2018, 43, 11884–11895. [Google Scholar] [CrossRef]
  38. Na, J.; Seo, B.; Kim, J.; Lee, C.W.; Lee, H.; Hwang, Y.J.; Min, B.K.; Lee, D.K.; Oh, H.S.; Lee, U. General technoeconomic analysis for electrochemical coproduction coupling carbon dioxide reduction with organic oxidation. Nat. Commun. 2019, 10, 1–13. [Google Scholar] [CrossRef] [PubMed]
  39. Seider, W.D.; Seader, J.D.; Lewin, D.R. Product & Process Design Principles: Synthesis, Analysis and Evaluation, (with CD); John Wiley & Sons: Hoboken, NJ, USA, 2009. [Google Scholar]
  40. Rase, H.F.; Holmes, J.R. Chemical Reactor Design for Process Plants; Wiley: New York, NY, USA, 1977; Volume 2. [Google Scholar]
  41. RJ, B.S.; Loganathan, M.; Shantha, M.S. A review of the water gas shift reaction kinetics. Int. J. Chem. React. Eng. 2010, 8. [Google Scholar] [CrossRef]
  42. Cannavó, F. Sensitivity analysis for volcanic source modeling quality assessment and model selection. Comput. Geosci. 2012, 44, 52–59. [Google Scholar] [CrossRef]
  43. International Organization for Standardization. Environmental Management: Life Cycle Assessment; Principles and Framework; ISO: Geneva, Switzerland, 2006. [Google Scholar]
  44. International Organization for Standardization. Environmental Management: Life Cycle Assessment; Requirements and Guidelines; ISO: Geneva, Switzerland, 2006. [Google Scholar]
  45. Langhorst, T.; McCord, S.; Zimmermann, A.; Müller, L.; Cremonese, L.; Strunge, T.; Wang, Y.; Zaragoza, A.V.; Wunderlich, J.; Marxen, A.; et al. Techno-Economic Assessment & Life Cycle Assessment Guidelines for CO2 Utilization (Version 2.0); Technical Report; Global CO₂ Initiative: Ann Arbor, MI, USA, 2022. [Google Scholar]
  46. Müller, L.J.; Kätelhön, A.; Bachmann, M.; Zimmermann, A.; Sternberg, A.; Bardow, A. A guideline for life cycle assessment of carbon capture and utilization. Front. Energy Res. 2020, 8, 15. [Google Scholar] [CrossRef]
  47. Wernet, G.; Bauer, C.; Steubing, B.; Reinhard, J.; Moreno-Ruiz, E.; Weidema, B. The ecoinvent database version 3 (part I): Overview and methodology. Int. J. Life Cycle Assess. 2016, 21, 1218–1230. [Google Scholar] [CrossRef]
  48. Steubing, B.; Wernet, G.; Reinhard, J.; Bauer, C.; Moreno-Ruiz, E. The ecoinvent database version 3 (part II): Analyzing LCA results and comparison to version 2. Int. J. Life Cycle Assess. 2016, 21, 1269–1281. [Google Scholar] [CrossRef]
  49. Huijbregts, M.A.; Steinmann, Z.J.; Elshout, P.M.; Stam, G.; Verones, F.; Vieira, M.; Hollander, A.; Zijp, M.; van Zelm, R. ReCiPe2016: A harmonised life cycle impact assessment method at midpoint and endpoint level. Int. J. Life Cycle Assess. 2017, 22, 138–147. [Google Scholar] [CrossRef]
  50. Berstad, D.; Walnum, H.; Neksa, P.; Decker, L.; Elliott, A.; Quack, H. Schedule for Demonstration Plant including Options for Location; Fuel Cells and Hydrogen Joint Untertaking: Brussel, Belgium, 2013. [Google Scholar]
  51. Colella, W.G.; James, B.; Moton, J.M. Hydrogen Pathways Analysis for Polymer Electrolyte Membrane (PEM) Electrolysis; Strategic Analysis Inc.: Arlington, VA, USA, 2014. [Google Scholar]
Figure 1. LCOH of the four scenarios and breakdown of the costs into each section of the process.
Figure 1. LCOH of the four scenarios and breakdown of the costs into each section of the process.
Catalysts 12 01113 g001
Figure 2. OPEX broken-down into utilities used in specific sections. (ad) correspond to the OPEX evaluation results of scenarios 1–4 listed in Table 2, where the relative contribution of each cost factor is shown. Individual legends are used for the figures.
Figure 2. OPEX broken-down into utilities used in specific sections. (ad) correspond to the OPEX evaluation results of scenarios 1–4 listed in Table 2, where the relative contribution of each cost factor is shown. Individual legends are used for the figures.
Catalysts 12 01113 g002
Figure 3. GSA result of the eight different parameters simultaneously analyzed within a defined variable space.
Figure 3. GSA result of the eight different parameters simultaneously analyzed within a defined variable space.
Catalysts 12 01113 g003
Figure 4. Local sensitivity analysis showing LCOH change of the scenarios according to changes made in (a) H2 production capacity and (b) transportation distance.
Figure 4. Local sensitivity analysis showing LCOH change of the scenarios according to changes made in (a) H2 production capacity and (b) transportation distance.
Catalysts 12 01113 g004
Figure 5. The LCA results of the four scenarios, regarding (a) GWP values and (b) FRS values.
Figure 5. The LCA results of the four scenarios, regarding (a) GWP values and (b) FRS values.
Catalysts 12 01113 g005
Figure 6. Overview of the H2 distribution cycle using FA as an LOHC. Different options for each step of the process are listed.
Figure 6. Overview of the H2 distribution cycle using FA as an LOHC. Different options for each step of the process are listed.
Catalysts 12 01113 g006
Figure 7. The tcFA and ecFA production pathways via CO2 conversion. (a) Process flow diagram for thermocatalytic CO2 hydrogenation to FA, and (b) process flow diagram for electrochemical reduction of CO2 to FA.
Figure 7. The tcFA and ecFA production pathways via CO2 conversion. (a) Process flow diagram for thermocatalytic CO2 hydrogenation to FA, and (b) process flow diagram for electrochemical reduction of CO2 to FA.
Catalysts 12 01113 g007
Figure 8. Dehydrogenation of FA integrated with the two options available for processing CO2–CO2 liquefaction and TREA-based CO2 capture. (a) Process flow diagram for dehydrogenation of FA to produce H2 and liquefaction process of the produced CO2 stream. (b) Process flow diagram for dehydrogenation of FA to produce H2 and use of TREA-based absorber column to retrieve CO2 from the product stream.
Figure 8. Dehydrogenation of FA integrated with the two options available for processing CO2–CO2 liquefaction and TREA-based CO2 capture. (a) Process flow diagram for dehydrogenation of FA to produce H2 and liquefaction process of the produced CO2 stream. (b) Process flow diagram for dehydrogenation of FA to produce H2 and use of TREA-based absorber column to retrieve CO2 from the product stream.
Catalysts 12 01113 g008
Figure 9. System boundaries for the two different H2 distribution systems. (a) System boundary for the liquefied H2 distribution system. An ammonia plant is included by the procedure of system expansion to compensate for the CO2 production source, and (b) system boundary for the FA-LOHC distribution system. An ammonia plant is included as the source for CO2.
Figure 9. System boundaries for the two different H2 distribution systems. (a) System boundary for the liquefied H2 distribution system. An ammonia plant is included by the procedure of system expansion to compensate for the CO2 production source, and (b) system boundary for the FA-LOHC distribution system. An ammonia plant is included as the source for CO2.
Catalysts 12 01113 g009
Table 1. Base parameters used for TEA of processes.
Table 1. Base parameters used for TEA of processes.
Parameter NameUnitValue
Process life spanYear15
Operation timeh·y−18000
Construction periodYear2
Interest rate%15
Income tax rate%38.92
MACRS7-year class
Reference year2020
CEPCI (2020)596.2
H2 distribution capacityt/d12
Transportation distancekm400
Capacity of HRSkg/d850
Table 2. Details of the analyzed H2 supply scenarios.
Table 2. Details of the analyzed H2 supply scenarios.
Scenario NameFA ProductionFA TransportationFA DehydrogenationCO2 Return
Scenario 1Liquid H2Green H2LH2Direct useNot required
Scenario 2Thermocatalytic + LCO2Green H2, LCO2, AminesFADehydrogenation + PSALCO2
Scenario 3Electrochemical + LCO2Green H2, LCO2, AminesFADehydrogenation + PSALCO2
Scenario 4Thermocatalytic + LCO2Green H2, AmineCO2FA, TEA/H2ODehydrogenation + CO2 captureAmineCO2
Table 3. Names and value ranges of the parameters subject to change during GSA.
Table 3. Names and value ranges of the parameters subject to change during GSA.
ParametersNominal ValueMinimum ValueMaximum Value
Cost of electricity ($/kWh)0.070.0560.084
CO2 capture rate (%)9080100
TREA loss (%)105
H2 production cost ($/kgH2)43.24.8
FE of ecFA0.90.71
Steam cost (ratio)10.81.2
Cost of TREA ($/kg)1.561.2481.872
Boil-off ratio0.060.0480.072
Table 4. Trailer conditions for the different chemicals delivered.
Table 4. Trailer conditions for the different chemicals delivered.
Chemical NameTemperaturePressure
Liquefied H2−253 °C1 bar
FA25 °C1 bar
Liquefied CO2−30 °C17 bar
Publisher’s Note: MDPI stays neutral with regard to jurisdictional claims in published maps and institutional affiliations.

Share and Cite

MDPI and ACS Style

Kim, C.; Lee, Y.; Kim, K.; Lee, U. Implementation of Formic Acid as a Liquid Organic Hydrogen Carrier (LOHC): Techno-Economic Analysis and Life Cycle Assessment of Formic Acid Produced via CO2 Utilization. Catalysts 2022, 12, 1113. https://doi.org/10.3390/catal12101113

AMA Style

Kim C, Lee Y, Kim K, Lee U. Implementation of Formic Acid as a Liquid Organic Hydrogen Carrier (LOHC): Techno-Economic Analysis and Life Cycle Assessment of Formic Acid Produced via CO2 Utilization. Catalysts. 2022; 12(10):1113. https://doi.org/10.3390/catal12101113

Chicago/Turabian Style

Kim, Changsoo, Younggeun Lee, Kyeongsu Kim, and Ung Lee. 2022. "Implementation of Formic Acid as a Liquid Organic Hydrogen Carrier (LOHC): Techno-Economic Analysis and Life Cycle Assessment of Formic Acid Produced via CO2 Utilization" Catalysts 12, no. 10: 1113. https://doi.org/10.3390/catal12101113

APA Style

Kim, C., Lee, Y., Kim, K., & Lee, U. (2022). Implementation of Formic Acid as a Liquid Organic Hydrogen Carrier (LOHC): Techno-Economic Analysis and Life Cycle Assessment of Formic Acid Produced via CO2 Utilization. Catalysts, 12(10), 1113. https://doi.org/10.3390/catal12101113

Note that from the first issue of 2016, this journal uses article numbers instead of page numbers. See further details here.

Article Metrics

Back to TopTop