Effect of Temperature, Syngas Space Velocity and Catalyst Stability of Co-Mn/CNT Bimetallic Catalyst on Fischer Tropsch Synthesis Performance
Abstract
:1. Introduction
2. Process Result Dissection
2.1. Influence of Reaction Temperature on Catalyst Efficiency
2.2. Influence of Space Velocity on Catalyst Efficiency
3. Catalyst Stability and Used Catalyst TEM
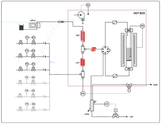
4. Experimental
4.1. Functionalization of CNT Substrate
4.2. Point of Zero Charges (PZC), Co Adsorption on CNT, and Catalyst Preparation
4.3. Catalyst Characterization
4.4. Reactor Setup, Product Sampling, and Analysis
5. Conclusions
Author Contributions
Funding
Data Availability Statement
Acknowledgments
Conflicts of Interest
References
- Iglesia, E. Design, synthesis, and use of cobalt-based Fischer-Tropsch synthesis catalysts. Appl. Catal. A Gen. 1997, 161, 59–78. [Google Scholar] [CrossRef]
- Cho, K.M.; Park, S.; Gil Seo, J.; Youn, M.H.; Nam, I.; Baeck, S.-H.; Chung, J.S.; Jun, K.-W.; Song, I.K. Effect of calcination temperature of alumina supports on the wax hydrocracking performance of Pd-loaded mesoporous alumina xerogel catalysts for the production of middle distillate. Chem. Eng. J. 2009, 146, 307–314. [Google Scholar] [CrossRef]
- Tavasoli, A.; Mortazavi, Y.; Khodadadi, A.A.; Mousavian, M.A.; Sadagiani, K.; Karimi, A. Effects of differen loadings of Ru and Re on physico-chemical properties and performance of 15% Co/Al2O3 FTS catalysts. Iran. J. Chem. Eng. 2005, 24, 9–17. [Google Scholar]
- Pivehzhani, O.A.; Kordijazi, A.; Sagadevan, S.; Moosavi, S.; Babadi, A.A.; Wahab, Y.A.; Hamizi, N.A.; Chowdhury, Z.Z. Syngas to Green Fuel Conversion: Nanocatalysis Approach. In Advanced Heterogeneous Catalysts Volume 1 Applications at the Nano-Scale; American Chemical Society: Washington, DC, USA, 2020; pp. 545–579. [Google Scholar] [CrossRef]
- Khodakov, A.Y.; Chu, W.; Fongarland, P. Advances in the Development of Novel Cobalt Fischer−Tropsch Catalysts for Synthesis of Long-Chain Hydrocarbons and Clean Fuels. Chem. Rev. 2007, 107, 1692–1744. [Google Scholar] [CrossRef]
- Berge, P.; Loosdrecht, J.; Barradas, S.; Kraan, A. Oxidation of cobalt based Fischer–Tropsch catalysts as a deactivation mechanism. Catal. Today 2000, 58, 321–334. [Google Scholar] [CrossRef]
- Jacobs, G.; Das, T.K.; Zhang, Y.; Li, J.; Racoillet, G.; Davis, B.H. Fischer–Tropsch synthesis: Support, loading, and promoter effects on the reducibility of cobalt catalysts. Appl. Catal. A Gen. 2002, 233, 263–281. [Google Scholar] [CrossRef]
- Breejen, J.P.D.; Radstake, P.B.; Bezemer, G.L.; Bitter, J.H.; Frøseth, V.; Holmen, A.; De Jong, K.P. On the Origin of the Cobalt Particle Size Effects in Fischer−Tropsch Catalysis. J. Am. Chem. Soc. 2009, 131, 7197–7203. [Google Scholar] [CrossRef] [PubMed]
- Sun, X.; Li, Y. Ga2O3 and GaN Semiconductor Hollow Spheres. Angew. Chem. Int. Ed. 2004, 43, 3827–3831. [Google Scholar] [CrossRef] [PubMed]
- Xing, C.; Yang, G.; Wang, D.; Zeng, C.; Jin, Y.; Yang, R.; Suehiro, Y.; Tsubaki, N. Controllable encapsulation of cobalt clusters inside carbon nanotubes as effective catalysts for Fischer-Tropsch synthesis. Catal. Today 2013, 215, 24–28. [Google Scholar] [CrossRef]
- Mirzaei, A.A.; Shirzadi, B.; Atashi, H.; Mansouri, M. Modeling and operating conditions optimization of Fischer–Tropsch synthesis in a fixed-bed reactor. J. Ind. Eng. Chem. 2012, 18, 1515–1521. [Google Scholar] [CrossRef]
- Feyzi, M.; Irandoust, M.; Mirzaei, A.A. Effects of promoters and calcination conditions on the catalytic performance of iron–manganese catalysts for Fischer–Tropsch synthesis. Fuel Process. Technol. 2011, 92, 1136–1143. [Google Scholar] [CrossRef]
- A Mirzaei, A.; Babaei, A.B.; Galavy, M.; Youssefi, A. A silica supported Fe–Co bimetallic catalyst prepared by the sol/gel technique: Operating conditions, catalytic properties and characterization. Fuel Process. Technol. 2010, 91, 335–347. [Google Scholar] [CrossRef]
- Atashi, H.; Siami, F.; Mirzaei, A.; Sarkari, M. Kinetic study of Fischer–Tropsch process on titania-supported cobalt–manganese catalyst. J. Ind. Eng. Chem. 2010, 16, 952–961. [Google Scholar] [CrossRef]
- Júnior, L.C.P.F.; Miguel, S.D.; Fierro, J.L.G.; Rangel, M.D.C. Evaluation of Pd/La2O3 catalysts for dry reforming of methane. Stud. Surf. Sci. Catal. 2007, 167, 499–504. [Google Scholar]
- Pendyala, V.R.R.; Jacobs, G.; Mohandas, J.C.; Luo, M.; Hamdeh, H.H.; Ji, Y.; Ribeiro, M.C.; Davis, B.H. Fischer–Tropsch Synthesis: Effect of Water Over Iron-Based Catalysts. Catal. Lett. 2010, 140, 98–105. [Google Scholar] [CrossRef]
- Gheitanchi, R.; Khodadadi, A.A.; Taghizadeh, M.; Mortazavi, A.Y. Effects of ceria addition and pre-calcination temperature on performance of cobalt catalysts for Fischer-Tropsch synthesis. React. Kinet. Catal. Lett. 2006, 88, 225–232. [Google Scholar] [CrossRef]
- Concepción, P.; López, C.; Martínez, A.; Puntes, V. Characterization and catalytic properties of cobalt supported on delaminated ITQ-6 and ITQ-2 zeolites for the Fischer–Tropsch synthesis reaction. J. Catal. 2004, 228, 321–332. [Google Scholar] [CrossRef]
- Arsalanfar, M.; Mirzaei, A.; Bozorgzadeh, H.; Atashi, H. Effect of process conditions on the surface reaction rates and catalytic performance of MgO supported Fe–Co–Mn catalyst for CO hydrogenation. J. Ind. Eng. Chem. 2012, 18, 2092–2102. [Google Scholar] [CrossRef]
- Liu, Y.; Teng, B.-T.; Guo, X.-H.; Chang, J.; Tian, L.; Hao, X.; Wang, Y.; Xiang, H.-W.; Xu, Y.-Y.; Li, Y.-W. Effect of reaction conditions on the catalytic performance of Fe-Mn catalyst for Fischer-Tropsch synthesis. J. Mol. Catal. A Chem. 2007, 272, 182–190. [Google Scholar] [CrossRef]
- Kim, S.-M.; Bae, J.W.; Lee, Y.-J.; Jun, K.-W. Effect of CO2 in the feed stream on the deactivation of Co/γ-Al2O3 Fischer–Tropsch catalyst. Catal. Commun. 2008, 9, 2269–2273. [Google Scholar] [CrossRef]
- Li, H.; Wang, S.; Ling, F.; Li, J. Studies on MCM-48 supported cobalt catalyst for Fischer–Tropsch synthesis. J. Mol. Catal. A Chem. 2006, 244, 33–40. [Google Scholar] [CrossRef]
- Li, T.; Yang, Y.; Tao, Z.; Zhang, C.; Xiang, H.; Li, Y. Study on an iron–manganese Fischer–Tropsch synthesis catalyst prepared from ferrous sulfate. Fuel Process. Technol. 2009, 90, 1247–1251. [Google Scholar] [CrossRef]
- Morales, F.; De Smit, E.; De Groot, F.M.F.; Visser, T.; Weckhuysen, B.M. Effects of manganese oxide promoter on the CO and H2 adsorption properties of titania-supported cobalt Fischer–Tropsch catalysts. J. Catal. 2007, 246, 91–99. [Google Scholar] [CrossRef] [Green Version]
- Zhang, C.-H.; Yang, Y.; Teng, B.-T.; Li, T.-Z.; Zheng, H.-Y.; Xiang, H.-W.; Li, Y.-W. Study of an iron-manganese Fischer–Tropsch synthesis catalyst promoted with copper. J. Catal. 2006, 237, 405–415. [Google Scholar] [CrossRef]
- Akbarzadeh, O.; Zabidi, N.A.M.; Wahab, Y.A.; Hamizi, N.A.; Chowdhury, Z.Z.; Merican, Z.M.A.; Ab Rahman, M.; Akhter, S.; Rasouli, E.; Johan, M.R. Effect of Cobalt Catalyst Confinement in Carbon Nanotubes Support on Fischer-Tropsch Synthesis Performance. Symmetry 2018, 10, 572. [Google Scholar] [CrossRef] [Green Version]
- Akbarzadeh, O.; Zabidi, N.A.M.; Hamizi, N.A.; Wahab, Y.A.; Merican, Z.M.A.; Yehya, W.A.; Akhter, S.; Shalauddin, M.; Rasouli, E.; Johan, M.R. Effect of pH, Acid and Thermal Treatment Conditions on Co/CNT Catalyst Performance in Fischer–Tropsch Reaction. Symmetry 2019, 11, 50. [Google Scholar] [CrossRef] [Green Version]
- Akbarzadeh, O.; Zabidi, N.A.M.; Wahab, Y.A.; Hamizi, N.A.; Chowdhury, Z.Z.; Merican, Z.M.A.; Ab Rahman, M.; Akhter, S.; Shalauddin, M.; Johan, M.R. Effects of Cobalt Loading, Particle Size, and Calcination Condition on Co/CNT Catalyst Performance in Fischer–Tropsch Reactions. Symmetry 2018, 11, 7. [Google Scholar] [CrossRef] [Green Version]
- Akbarzadeh, O.; Zabidi, N.A.M.; Merican, Z.M.A.; Sagadevan, S.; Kordijazi, A.; Das, S.; Babadi, A.A.; Ab Rahman, M.; Hamizi, N.A.; Wahab, Y.A.; et al. Effect of Manganese on Co–Mn/CNT Bimetallic Catalyst Performance in Fischer–Tropsch Reaction. Symmetry 2019, 11, 1328. [Google Scholar] [CrossRef] [Green Version]
- Akbarzadeh, O.; Zabidi, N.A.M.; Wang, G.; Kordijazi, A.; SadAbadi, H.; Moosavi, S.; Babadi, A.A.; Hamizi, N.A.; Wahab, Y.A.; Ab Rahman, M.; et al. Effect of Pressure, H2/CO Ratio and Reduction Conditions on Co–Mn/CNT Bimetallic Catalyst Performance in Fischer–Tropsch Reaction. Symmetry 2020, 12, 698. [Google Scholar] [CrossRef]
- Tavasoli, A.; Sadaghiani, K.; Khodadadi, A.A.; Mortazavi, Y. Raising distillate selectivity and catalyst life time in Fischer-Tropsch synthesis by using a novel dual-bed reactor. Iran. J. Chem. Eng. 2007, 26, 109–117. [Google Scholar]
- Gavrilović, L.; Jørgensen, E.A.; Pandey, U.; Putta, K.R.; Rout, K.R.; Rytter, E.; Hillestad, M.; Blekkan, E.A. Fischer-Tropsch synthesis over an alumina-supported cobalt catalyst in a fixed bed reactor–Effect of process parameters. Catal. Today 2021, 369, 150–157. [Google Scholar] [CrossRef]
- Graham, U.M.; Dozier, A.; Khatri, R.A.; Bahome, M.C.; Jewell, L.L.; Mhlanga, S.D.; Coville, N.J.; Davis, B.H. Carbon Nanotube Docking Stations: A New Concept in Catalysis. Catal. Lett. 2009, 129, 39–45. [Google Scholar] [CrossRef]
- Abbaslou, R.M.M.; Tavassoli, A.; Soltan, J.; Dalai, A.K. Iron catalysts supported on carbon nanotubes for Fischer–Tropsch synthesis: Effect of catalytic site position. Appl. Catal. A Gen. 2009, 367, 47–52. [Google Scholar] [CrossRef]
- Bahome, M.C.; Jewell, L.L.; Hildebrandt, D.; Glasser, D.; Coville, N.J. Fischer–Tropsch synthesis over iron catalysts sup-ported on carbon nanotubes. Appl. Catal. A. Gen. 2005, 287, 60–67. [Google Scholar] [CrossRef]
- Vannice, M. The catalytic synthesis of hydrocarbons from H2/CO mixtures over the group VIII metals II. The kinetics of the methanation reaction over supported metals. J. Catal. 1975, 37, 462–473. [Google Scholar] [CrossRef]
- O’Shea, V.A.D.L.P.; Alvarez-Galvan, M.C.; Campos-Martin, J.M.; Fierro, J.L.G. Fischer–Tropsch synthesis on mono- and bimetallic Co and Fe catalysts in fixed-bed and slurry reactors. Appl. Catal. A Gen. 2007, 326, 65–73. [Google Scholar] [CrossRef]
- Komaya, T.; Bell, A. Estimates of rate coefficients for elementary processes occurring during Fischer-Tropsch synthesis over RuTiO2. J. Catal. 1994, 146, 237–248. [Google Scholar] [CrossRef]
- Vogel, B.; Feck, T.; Grooß, J.-U. Impact of stratospheric water vapor enhancements caused by CH4and H2O increase on polar ozone loss. J. Geophys. Res. Space Phys. 2011, 116. [Google Scholar] [CrossRef] [Green Version]
- Wojciechowski, B.W. The Kinetics of the Fischer-Tropsch Synthesis. Catal. Rev. 1988, 30, 629–702. [Google Scholar] [CrossRef]
- Tian, Z.; Wang, C.; Si, Z.; Ma, L.; Chen, L.; Liu, Q.; Zhang, Q. Huang, H. Fischer-Tropsch synthesis to light olefins over iron-based catalysts supported on KMnO4 modified activated carbon by a facile method. Appl. Catal. A Gen. 2017, 541, 50–59. [Google Scholar] [CrossRef]
- Bukur, D.B.; Sivaraj, C. Supported iron catalysts for slurry phase Fischer–Tropsch synthesis. Appl. Catal. A Gen. 2002, 231, 201–214. [Google Scholar] [CrossRef]
- Yu, K.; Gu, Z.; Ji, R.; Lou, L.-L.; Ding, F.; Zhang, C.; Liu, S. Effect of pore size on the performance of mesoporous material supported chiral Mn(III) salen complex for the epoxidation of unfunctionalized olefins. J. Catal. 2007, 252, 312–320. [Google Scholar] [CrossRef]
- Raje, A.P.; O’Brien, R.J.; Davis, B.H. Effect of potassium promotion on iron-based catalysts for Fischer–Tropsch synthe-sis. J. Catal. 1998, 180, 36–43. [Google Scholar] [CrossRef]
- Tavasoli, A.; Trépanier, M.; Dalai, A.K.; Abatzoglou, N. Effects of confinement in carbon nanotubes on the activity, selectivity, and lifetime of Fischer−Tropsch Co/carbon nanotube catalysts. J. Chem. Eng. Data 2021, 55, 2757–2763. [Google Scholar] [CrossRef]
- Bezemer, G.L.; Bitter, J.H.; Kuipers, H.P.C.E.; Oosterbeek, H.; Holewijn, J.E.; Xu, X.; Kapteijn, F.; Van Dillen, A.A.J.; De Jong, K.P. Cobalt Particle Size Effects in the Fischer−Tropsch Reaction Studied with Carbon Nanofiber Supported Catalysts. J. Am. Chem. Soc. 2006, 128, 3956–3964. [Google Scholar] [CrossRef] [Green Version]
- Nguyen, T.T.; Serp, P. Confinement of Metal Nanoparticles in Carbon Nanotubes. ChemCatChem 2013, 5, 3595–3603. [Google Scholar] [CrossRef]
- Rehman, W.U.; Merican, Z.M.A.; Bhat, A.H.; Hoe, B.G.; Sulaimon, A.A.; Akbarzadeh, O.; Khan, M.S.; Mukhtar, A.; Saqib, S.; Hameed, A.; et al. Synthesis, characterization, stability and thermal conductivity of multi-walled carbon nanotubes (MWCNTs) and eco-friendly jatropha seed oil based nanofluid: An experimental investigation and modeling approach. J. Mol. Liq. 2019, 293, 111534. [Google Scholar] [CrossRef]
- Wang, D.; Yang, G.; Ma, Q.; Wu, M.; Tan, Y.; Yoneyama, Y.; Tsubaki, N. Confinement Effect of Carbon Nanotubes: Copper Nanoparticles Filled Carbon Nanotubes for Hydrogenation of Methyl Acetate. ACS Catal. 2012, 2, 1958–1966. [Google Scholar] [CrossRef]
- Pan, X.; Bao, X. The Effects of Confinement inside Carbon Nanotubes on Catalysis. Acc. Chem. Res. 2011, 44, 553–562. [Google Scholar] [CrossRef]
- Xiao, J.; Pan, X.; Guo, S.; Ren, P.; Bao, X. Toward Fundamentals of Confined Catalysis in Carbon Nanotubes. J. Am. Chem. Soc. 2015, 137, 477–482. [Google Scholar] [CrossRef]
- Akbarzadeh, O.; Zabidi, N.A.M.; Abdullah, B.; Subbarao, D.; Bawadi, A. Synthesis and Characterization of Co/CNTs Catalysts Prepared by Strong Electrostatic Adsorption (SEA) Method. Appl. Mech. Mater. 2014, 625, 328–332. [Google Scholar] [CrossRef]
- Akbarzadeh, O.; Zabidi, N.A.M.; Abdullah, B.; Subbarao, D. Dispersion of Co/CNTs via strong electrostatic adsorption method: Thermal treatment effect. AIP Conf. Proc. 2015, 1669, 020052. [Google Scholar]
- Akbarzadeh, O.; Zabidi, N.A.M.; Abdullah, B.; Subbarao, D. Synthesis of Co/CNTs Catalyst via Strong Electrostatic Adsorption: Effect of Calcination Condition. Adv. Mater. Res. 2015, 1109, 1–5. [Google Scholar] [CrossRef]
- Akbarzadeh, O.; Zabidi, N.A.M.; Abdullah, B.; Subbarao, D.; Bawadi, A. Synthesis of Co/CNTs via Strong Electrostatic Adsorption: Effect of Metal Loading. Adv. Mater. Res. 2014, 1043, 101–104. [Google Scholar] [CrossRef]
- Akbarzadeh, O.; Zabidi, N.A.M.; Abdullah, B.; Subbarao, D.; Bawadi, A. Influence of Acid and Thermal Treatments on Properties of Carbon Nanotubes. Adv. Mater. Res. 2013, 832, 394–398. [Google Scholar] [CrossRef]
- Elbashir, N.O.; Roberts, C.B. Enhanced Incorporation of α-Olefins in the Fischer−Tropsch Synthesis Chain-Growth Process over an Alumina-Supported Cobalt Catalyst in Near-Critical and Supercritical Hexane Media. Ind. Eng. Chem. Res. 2005, 44, 505–521. [Google Scholar] [CrossRef]
- Maitlis, P.M.; Zanotti, V. The role of electrophilic species in the Fischer–Tropsch reaction. Chem. Commun. 2009, 1619–1634. [Google Scholar] [CrossRef] [PubMed]
- Dry, M. Chemical concepts used for engineering purposes. Adv. Pharmacol. 2004, 152, 196–257. [Google Scholar] [CrossRef]
- Zhou, W.-G.; Liu, J.-Y.; Wu, X.; Chen, J.-F.; Zhang, Y. An effective Co/MnOx catalyst for forming light olefins via Fischer–Tropsch synthesis. Catal. Commun. 2015, 60, 76–81. [Google Scholar] [CrossRef]
- Park, J.; Regalbuto, J.R. A Simple, Accurate Determination of Oxide PZC and the Strong Buffering Effect of Oxide Surfaces at Incipient Wetness. J. Colloid Interface Sci. 1995, 175, 239–252. [Google Scholar] [CrossRef]
- Bartholomew, C.H.; Rahmati, M.; Reynolds, M.A. Optimizing preparations of Co Fischer-Tropsch catalysts for stability against sintering. Appl. Catal. A Gen. 2020, 602, 117609. [Google Scholar] [CrossRef]
- Jiang, F.; Wang, S.; Zheng, J.; Liu, B.; Xu, Y.; Liu, X. Fischer-Tropsch synthesis to lower α-olefins over cobalt-based catalysts: Dependence of the promotional effect of promoter on supports. Catal. Today 2021, 369, 158–166. [Google Scholar] [CrossRef]
- Macheli, L.; Carleschi, E.; Doyle, B.P.; Leteba, G.; Steen, E. Tuning catalytic performance in Fischer-Tropsch synthesis by metal-support interactions. J. Catal. 2021, 395, 70–79. [Google Scholar] [CrossRef]
- Bitter, J.H.; De Jong, K.P. ChemInform Abstract: Preparation of Carbon-Supported Metal Catalysts. ChemInform 2009, 40, 157–176. [Google Scholar] [CrossRef]
- Yahya, N. Carbon and Oxide Nanostructures; Springer Science and Business Media LLC: Berlin/Heidelberg, Germany, 2011. [Google Scholar]
- Zhang, D.; Fu, H.; Shi, L.; Fang, J.; Li, Q. Carbon nanotube assisted synthesis of CeO2 nanotubes. J. Solid State Chem. 2007, 180, 654–660. [Google Scholar] [CrossRef]
- Hazemann, P.; Decottignies, D.; Maury, S.; Humbert, S.; Meunier, F.C.; Schuurman, Y. Selectivity loss in Fischer-Tropsch synthesis: The effect of cobalt carbide formation. J. Catal. 2021, 397, 1–12. [Google Scholar] [CrossRef]
- Zolfaghari, Z.S.; Tavasoli, A.; Tabyar, S.; Pour, A.N. Enhancement of bimetallic Fe-Mn/CNTs nano catalyst activity and product selectivity using microemulsion technique. J. Energy Chem. 2014, 23, 57–65. [Google Scholar] [CrossRef]
- Jacobs, G.; Patterson, P.M.; Das, T.K.; Luo, M.; Davis, B.H. Fischer–Tropsch synthesis: Effect of water on Co/Al2O3 catalysts and XAFS characterization of reoxidation phenomena. Appl. Catal. A Gen. 2004, 270, 65–76. [Google Scholar] [CrossRef]
- Li, Z.; Si, M.; Xin, L.; Liu, R.; Liu, R.; Lü, J. Cobalt catalysts for Fischer–Tropsch synthesis: The effect of support, precipitant and pH value. Chin. J. Chem. Eng. 2018, 26, 747–752. [Google Scholar] [CrossRef]
- Tavasoli, A.; Sadagiani, K.; Khorashe, F.; Seifkordi, A.; Rohani, A.; Nakhaeipour, A. Cobalt supported on carbon nanotubes—A promising novel Fischer–Tropsch synthesis catalyst. Fuel Process. Technol. 2008, 89, 491–498. [Google Scholar] [CrossRef]
- Jothimurugesan, K.; Goodwin, J.G.; Gangwal, S.K.; Spivey, J.J. Development of Fe Fischer–Tropsch catalysts for slurry bubble column reactors. Catal. Today 2000, 58, 335–344. [Google Scholar] [CrossRef]
- Bezemer, G.; van Laak, A.; van Dillen, A.; de Jong, K. Cobalt supported on carbon nanofibers- a promising novel Fischer-Tropsch catalyst. Adv. Pharmacol. 2004, 147, 259–264. [Google Scholar] [CrossRef]
- Bechara, R.; Balloy, D.; Vanhove, D. Catalytic properties of Co/Al2O3 system for hydrocarbon synthesis. Appl. Catal. A Gen. 2001, 207, 343–353. [Google Scholar] [CrossRef]










| CO Conversion% | 200 | 220 | 240 | 260 | 280 |
|---|---|---|---|---|---|
| Co/CNT | 48.3 | 54.3 | 58.2 | 59.6 | 59.5 |
| 95Co5Mn/CNT | 59.5 | 78.2 | 86.6 | 87.5 | 88.2 |
| 90Co10Mn/CNT | 57.1 | 73.1 | 79.8 | 80.3 | 81.5 |
| 85Co15Mn/CNT | 55.2 | 67.1 | 73.2 | 74.1 | 74.5 |
| 80Co20Mn/CNT | 50.2 | 61.8 | 66.3 | 67.6 | 67.5 |
| C1 selectivity% | |||||
| Co/CNT | 15.5 | 16.9 | 16.5 | 18.6 | 19.5 |
| 95Co5Mn/CNT | 10.8 | 11.3 | 11.8 | 13.5 | 15.2 |
| 90Co10Mn/CNT | 12.3 | 12.8 | 13.3 | 14.9 | 16.5 |
| 85Co15Mn/CNT | 13.1 | 13.6 | 14.1 | 15.5 | 17.1 |
| 80Co20Mn/CNT | 14.2 | 14.5 | 15.8 | 16.5 | 18.5 |
| C2–C4 selectivity% | |||||
| Co/CNT | 12.6 | 13 | 13.4 | 17.3 | 19.6 |
| 95Co5Mn/CNT | 5.5 | 6.1 | 6.7 | 9.6 | 11.3 |
| 90Co10Mn/CNT | 7.7 | 8.2 | 8.7 | 11.8 | 13.7 |
| 85Co15Mn/CNT | 8.5 | 9.8 | 9.4 | 13.6 | 15.6 |
| 80Co20Mn/CNT | 9.6 | 10.6 | 10.5 | 14.2 | 16.5 |
| C5+ selectivity% | |||||
| Co/CNT | 72.1 | 71.1 | 69.1 | 56.7 | 50.6 |
| 95Co5Mn/CNT | 83.2 | 82.4 | 85.8 | 68.2 | 61.7 |
| 90Co10Mn/CNT | 82.5 | 81.6 | 78.7 | 67.3 | 60.6 |
| 85Co15Mn/CNT | 80.5 | 79.5 | 76.5 | 64.4 | 58.4 |
| 80Co20Mn/CNT | 78.5 | 77.5 | 74.5 | 63.5 | 55.2 |
| Olefinity | |||||
| Co/CNT | 0.92 | 0.71 | 0.63 | 0.72 | 0.84 |
| 95Co5Mn/CNT | 0.54 | 0.19 | 0.15 | 0.22 | 0.38 |
| 90Co10Mn/CNT | 0.63 | 0.34 | 0.27 | 0.37 | 0.55 |
| 85Co15Mn/CNT | 0.78 | 0.42 | 0.34 | 0.5 | 0.65 |
| 80Co20Mn/CNT | 0.87 | 0.57 | 0.45 | 0.58 | 0.75 |
| WGS selectivity | |||||
| Co/CNT | 0.24 | 0.33 | 0.36 | 0.45 | 0.53 |
| 95Co5Mn/CNT | 0.55 | 0.58 | 0.65 | 0.76 | 0.80 |
| 90Co10Mn/CNT | 0.48 | 0.51 | 0.58 | 0.68 | 0.74 |
| 85Co15Mn/CNT | 0.43 | 0.45 | 0.51 | 0.61 | 0.69 |
| 80Co20Mn/CNT | 0.38 | 0.43 | 0.45 | 0.56 | 0.64 |
| CO Conversion% | 0.5 | 1.5 | 2.5 | 3.5 | 4.5 |
|---|---|---|---|---|---|
| Co/CNT | 72.2 | 71.3 | 69.7 | 65.8 | 50.7 |
| 95Co5Mn/CNT | 89.7 | 88.9 | 86.6 | 82.0 | 67.4 |
| 90Co10Mn/CNT | 82.4 | 81.6 | 78.4 | 72.7 | 60.4 |
| 85Co15Mn/CNT | 80.9 | 79.7 | 76.6 | 71.6 | 58.6 |
| 80Co20Mn/CNT | 78.3 | 77.5 | 74.8 | 70.3 | 55.8 |
| C1 Selectivity% | |||||
| Co/CNT | 12.6 | 13.5 | 13.4 | 16.3 | 19.4 |
| 95Co5Mn/CNT | 5.5 | 6.1 | 6.7 | 9.7 | 11.8 |
| 90Co10Mn/CNT | 7.7 | 8.2 | 8.7 | 11.9 | 13.6 |
| 85Co15Mn/CNT | 8.5 | 9.7 | 9.4 | 12.5 | 15.7 |
| 80Co20Mn/CNT | 9.6 | 10.6 | 10.5 | 14.4 | 16.5 |
| C5+ Selectivity% | |||||
| Co/CNT | 72.1 | 71.1 | 69.1 | 63.5 | 50.6 |
| 95Co5Mn/CNT | 88.5 | 87.7 | 85.8 | 72.3 | 61.7 |
| 90Co10Mn/CNT | 82.9 | 81.6 | 78.5 | 70.5 | 60.6 |
| 85Co15Mn/CNT | 80.5 | 79.5 | 76.5 | 68.4 | 58.4 |
| 80Co20Mn/CNT | 78.5 | 77.5 | 74.5 | 66.7 | 55.7 |
| Samples | BET Surface Area (m2/g) | Total Pore Volume (m3/g) |
|---|---|---|
| Pristine CNT | 138.2 | 1.58 |
| CNT.A | 223.2 | 0.88 |
| CNT.A.T | 266.4 | 0.54 |
| Co/CNTs.A | 198.5 | 0.55 |
| 95Co5Mn/CNT.A.T | 217.5 | 0.36 |
| 90Co10Mn/CNT.A.T | 220.8 | 0.48 |
| 85Co15Mn/CNT.A.T | 223.4 | 0.55 |
| 80Co20Mn/CNT.A.T | 225.3 | 0.58 |
Publisher’s Note: MDPI stays neutral with regard to jurisdictional claims in published maps and institutional affiliations. |
© 2021 by the authors. Licensee MDPI, Basel, Switzerland. This article is an open access article distributed under the terms and conditions of the Creative Commons Attribution (CC BY) license (https://creativecommons.org/licenses/by/4.0/).
Share and Cite
Akbarzadeh, O.; Alshahateet, S.F.; Mohd Zabidi, N.A.; Moosavi, S.; Kordijazi, A.; Babadi, A.A.; Hamizi, N.A.; Wahab, Y.A.; Chowdhury, Z.Z.; Sagadevan, S. Effect of Temperature, Syngas Space Velocity and Catalyst Stability of Co-Mn/CNT Bimetallic Catalyst on Fischer Tropsch Synthesis Performance. Catalysts 2021, 11, 846. https://doi.org/10.3390/catal11070846
Akbarzadeh O, Alshahateet SF, Mohd Zabidi NA, Moosavi S, Kordijazi A, Babadi AA, Hamizi NA, Wahab YA, Chowdhury ZZ, Sagadevan S. Effect of Temperature, Syngas Space Velocity and Catalyst Stability of Co-Mn/CNT Bimetallic Catalyst on Fischer Tropsch Synthesis Performance. Catalysts. 2021; 11(7):846. https://doi.org/10.3390/catal11070846
Chicago/Turabian StyleAkbarzadeh, Omid, Solhe F. Alshahateet, Noor Asmawati Mohd Zabidi, Seyedehmaryam Moosavi, Amir Kordijazi, Arman Amani Babadi, Nor Aliya Hamizi, Yasmin Abdul Wahab, Zaira Zaman Chowdhury, and Suresh Sagadevan. 2021. "Effect of Temperature, Syngas Space Velocity and Catalyst Stability of Co-Mn/CNT Bimetallic Catalyst on Fischer Tropsch Synthesis Performance" Catalysts 11, no. 7: 846. https://doi.org/10.3390/catal11070846
APA StyleAkbarzadeh, O., Alshahateet, S. F., Mohd Zabidi, N. A., Moosavi, S., Kordijazi, A., Babadi, A. A., Hamizi, N. A., Wahab, Y. A., Chowdhury, Z. Z., & Sagadevan, S. (2021). Effect of Temperature, Syngas Space Velocity and Catalyst Stability of Co-Mn/CNT Bimetallic Catalyst on Fischer Tropsch Synthesis Performance. Catalysts, 11(7), 846. https://doi.org/10.3390/catal11070846

