Adsorption Followed by Plasma Assisted Catalytic Conversion of Toluene into CO2 on Hopcalite in an Air Stream
Abstract
:1. Introduction
2. Results and Discussion
2.1. Effect of Toluene Exposure Time on APC Process Performances
2.2. Effect of Discharge Power on APC Process Performances
2.3. Stability and Repeatability of Hopcalite in Adsorption-Plasma Catalysis
2.4. Characterization of Catalyst
3. Materials and Methods
3.1. Shaping and Activation of Hopcalite
3.2. Material Characterization
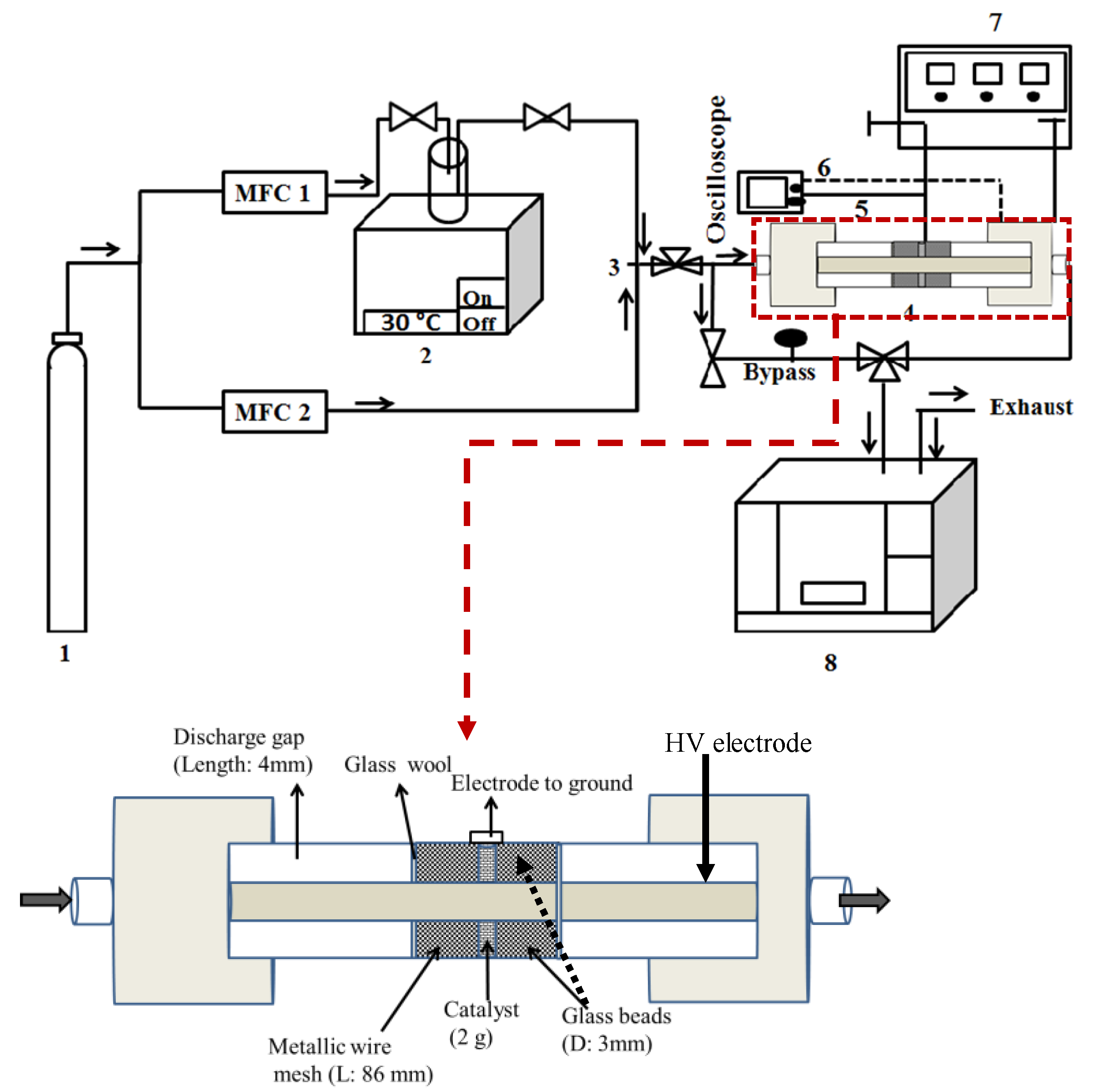
3.3. Experimental Adsorption-Plasma Catalysis (APC) Set-Up
3.4. Toluene Abatement through APC
4. Conclusions
Author Contributions
Funding
Acknowledgments
Conflicts of Interest
References
- He, C.; Cheng, J.; Zhang, X.; Douthwaite, M.; Pattisson, S.; Hao, Z. Recent Advances in the Catalytic Oxidation of Volatile Organic Compounds: A Review Based on Pollutant Sorts and Sources. Chem. Rev. 2019, 119, 4471–4568. [Google Scholar] [CrossRef]
- Dong, C.; Qu, Z.; Qin, Y.; Fu, Q.; Sun, H.; Duan, X. Revealing the Highly Catalytic Performance of Spinel CoMn2O4 for Toluene Oxidation: Involvement and Replenishment of Oxygen Species Using in Situ Designed-TP Techniques. ACS Catal. 2019, 9, 6698–6710. [Google Scholar] [CrossRef]
- Weng, X.; Sun, P.; Long, Y.; Meng, Q.; Wu, Z. Catalytic Oxidation of Chlorobenzene over MnxCe1-xO2/HZSM-5 Catalysts: A Study with Practical Implications. Environ. Sci. Technol. 2017, 51, 8057–8066. [Google Scholar] [CrossRef]
- Palacio, L.; Silva, J.; Ribeiro, F.; Ribeiro, M. Catalytic oxidation of volatile organic compounds with a new precursor type copper vanadate. Catal. Today 2008, 133–135, 502–508. [Google Scholar] [CrossRef]
- Yang, C.; Miao, G.; Pi, Y.; Xia, Q.; Wu, J.; Li, Z.; Xiao, J. Abatement of various types of VOCs by adsorption/catalytic oxidation: A review. Chem. Eng. J. 2019, 370, 1128–1153. [Google Scholar] [CrossRef]
- Chen, B.; Wu, L.; Wu, B.; Wang, Z.; Yu, L.; Crocker, M.; Zhu, A.; Shi, C. Catalytic Materials for Low Concentration VOCs Removal through “Storage-Regeneration” Cycling. ChemCatChem 2019, 11, 3646–3661. [Google Scholar] [CrossRef]
- Everaert, K.; Baeyens, J. Catalytic combustion of volatile organic compounds. J. Hazard. Mater. 2004, 109, 113–139. [Google Scholar] [CrossRef]
- Feng, X.; Liu, H.; He, C.; Shen, Z.; Wang, T. Synergistic effect and mechanism of non-thermal plasma catalysis system in volatile organic compounds removal: A review. Catal. Sci. Technol. 2018, 8, 936–954. [Google Scholar] [CrossRef]
- Mok, Y.; Kim, D. Treatment of toluene by using adsorption and nonthermal plasma oxidation process. Curr. Appl. Phys. 2011, 11, S58–S62. [Google Scholar] [CrossRef]
- Kim, H.; Ogata, A.; Futamura, S. Oxygen partial pressure-dependent behavior of various catalysts for the total oxidation of VOCs using cycled system of adsorption and oxygen plasma. Appl. Catal. B Environ. 2008, 79, 356–367. [Google Scholar] [CrossRef]
- Sivachandiran, L.; Thevenet, F.; Rousseau, A. Non-thermal plasma assisted regeneration of acetone adsorbed TiO2 surface. Plasma Chem. Plasma Process. 2013, 33, 855–871. [Google Scholar] [CrossRef]
- Sivachandiran, L.; Thevenet, F.; Rousseau, A. Isopropanol removal using MnXOY packed bed non-thermal plasma reactor: Comparison between continuous treatment and sequential sorption/regeneration. Chem. Eng. J. 2015, 270, 327–335. [Google Scholar] [CrossRef]
- Thevenet, F.; Sivachandiran, L.; Guaitella, O.; Barakat, C.; Rousseau, A. Plasma-catalyst coupling for volatile organic compound removal and indoor air treatment: A review. J. Phys. D Appl. Phys. 2014, 47, 224011. [Google Scholar] [CrossRef]
- Sultana, S.; Vandenbroucke, A.; Leys, C.; De Geyter, N.; Morent, R. Abatement of VOCs with alternate adsorption and plasma-assisted regeneration: A review. Catalysts 2015, 5, 718–746. [Google Scholar] [CrossRef]
- Xu, W.; Chen, B.; Jiang, X.; Xu, F.; Chen, X.; Chen, L.; Wu, J.; Fu, M.; Ye, D. Effect of calcium addition in plasma catalysis for toluene removal by Ni/ZSM-5: Acidity/basicity, catalytic activity and reaction mechanism. J. Hazard. Mater. 2020, 387, 122004. [Google Scholar] [CrossRef]
- Bahri, M.; Haghighat, F.; Rohani, S.; Kazemian, H. Metal organic frameworks for gas-phase VOCs removal in a NTP-catalytic reactor. Chem. Eng. J. 2017, 320, 308–318. [Google Scholar] [CrossRef]
- Zhu, B.; Zhang, L.-Y.; Li, M.; Yan, Y.; Zhang, X.-M.; Zhu, Y.-M. High-performance of plasma-catalysis hybrid system for toluene removal in air using supported Au nanocatalysts. Chem. Eng. J. 2020, 381, 122599. [Google Scholar] [CrossRef]
- Qin, C.; Huang, X.; Dang, X.; Huang, J.; Teng, J.; Kang, Z. Toluene removal by sequential adsorption-plasma catalytic process: Effects of Ag and Mn impregnation sequence on Ag-Mn/γ-Al2O3. Chemosphere 2016, 162, 125–130. [Google Scholar] [CrossRef]
- Wang, W.; Wang, H.; Zhu, T.; Fan, X. Removal of gas phase low-concentration toluene over Mn, Ag and Ce modified HZSM-5 catalysts by periodical operation of adsorption and non-thermal plasma regeneration. J. Hazard. Mater. 2015, 292, 70–78. [Google Scholar] [CrossRef]
- Dey, S.; Chandra, G. A Review of Synthesis, Structure and Applications in Hopcalite Catalysts for Carbon Monoxide Oxidation. Aerosol Sci. Eng. 2019, 3, 97–131. [Google Scholar] [CrossRef]
- Dey, S.; Dhal, G. Deactivation and regeneration of hopcalite catalyst for carbon monoxide oxidation: A review. Mater. Today Chem. 2019, 14, 100180. [Google Scholar] [CrossRef]
- Pei, J.; Han, X.; Lu, Y. Performance and kinetics of catalytic oxidation of formaldehyde over copper manganese oxide catalyst. Build. Environ. 2015, 84, 134–141. [Google Scholar] [CrossRef]
- Veerapandian, S.K.P.; Giraudon, J.-M.; De Geyter, N.; Onyshchenko, Y.; Krishnaraj, C.; Sonar, S.; Löfberg, A.; Leus, K.; Van Der Voort, P.; Lamonier, J.-F.; et al. Regeneration of Hopcalite used for the adsorption plasma catalytic removal of toluene by non-thermal plasma. J. Hazard. Mater. 2020, 402, 123877. [Google Scholar] [CrossRef]
- Sonar, S.; Giraudon, J.-M.; Veerapandian, S.K.P.; Bitar, R.; Leus, K.; Van Der Voort, P.; Lamonier, J.-F.; Morent, R.; DeGeyter, N.; Löfberg, A. Abatement of Toluene Using a Sequential Adsorption-Catalytic Oxidation Process: Comparative Study of Potential. Catalysts 2020, 10, 761. [Google Scholar] [CrossRef]
- Liu, Y.; Li, X.-S.; Liu, J.-L.; Wu, J.; Ye, D.; Zhu, A.-M. Cycled storage-discharge (CSD) plasma catalytic removal of benzene over AgMn/HZSM-5 using air as discharge gas. Catal. Sci. Technol. 2016, 6, 3788–3796. [Google Scholar] [CrossRef]
- Kim, H.-H.; Ogata, A.; Futamura, S. Atmospheric plasma-driven catalysis for the low temperature decomposition of dilute aromatic compounds. J. Phys. D Appl. Phys. 2005, 38, 1292–1300. [Google Scholar] [CrossRef]
- Huang, H.; Ye, D.; Leung, D.; Feng, F.; Guan, X. Byproducts and pathways of toluene destruction via plasma-catalysis. J. Mol. Catal. A Chem. 2011, 336, 87–93. [Google Scholar] [CrossRef]
- Reddy, A.; Gopinath, C.; Chilukuri, S. Selective ortho-methylation of phenol with methanol over copper manganese mixed-oxide spinal catalysts. J. Catal. 2006, 243, 278–291. [Google Scholar] [CrossRef]
- Xu, C.; Li, B.; Du, H.; Kang, F.; Zeng, Y. Supercapacitive studies on amorphous MnO2 in mild solutions. J. Power Sources 2008, 184, 691–694. [Google Scholar] [CrossRef]
- Njagi, E.; Chen, C.-H.; Genuino, H.; Galindo, H.; Huang, H.; Suib, S. Total oxidation of CO at ambient temperature using copper manganese oxide catalysts prepared by a redox method. Appl. Catal. B Environ. 2010, 99, 103–110. [Google Scholar] [CrossRef]
- Yang, M.; He, J. A copper-manganese composite oxide as QCM sensing layers for detection of formaldehyde gas. RSC Adv. 2018, 8, 22–27. [Google Scholar] [CrossRef] [Green Version]
- Ye, Z.; Giraudon, J.-M.; Nuns, N.; Simon, P.; De Geyter, N.; Morent, R.; Lamonier, J.-F. Influence of the preparation method on the activity of copper-manganese oxides for toluene total oxidation. Appl. Catal. B Environ. 2018, 223, 154–166. [Google Scholar] [CrossRef]
- Fierro, G.; Morpurgo, S.; Lo Jacono, M.; Inversi, M.; Pettiti, I. Preparation, characterisation and catalytic activity of Cu-Zn-based manganites obtained from carbonate precursors. Appl. Catal. A Gen. 1998, 166, 407–417. [Google Scholar] [CrossRef]
- Biesinger, M.; Payne, B.; Grosvenor, A.; Lau, L.; Gerson, A.; Smart, R. Resolving surface chemical states in XPS analysis of first row transition metals, oxides and hydroxides: Cr, Mn, Fe, Co and Ni. Appl. Surf. Sci. 2011, 257, 2717–2730. [Google Scholar] [CrossRef]
- Santos, V.; Pereira, M.; Órfão, J.-J.; Figueiredo, J. Catalytic oxidation of ethyl acetate over a cesium modified cryptomelane catalyst. Appl. Catal. B Environ. 2009, 88, 550–556. [Google Scholar] [CrossRef]
- Wang, F.; Dai, H.; Deng, J.; Bai, G.; Ji, K.; Liu, Y. Manganese Oxides with Rod-, Wire-, Tube-, and Flower-Like Morphologies: Highly Effective Catalysts for the Removal of Toluene. Environ. Sci. Technol. 2012, 46, 4034–4041. [Google Scholar] [CrossRef] [PubMed]
- Ye, Z.; Veerapandian, S.K.P.; Onyshchenko, I.; Nikiforov, A.; De Geyter, N.; Giraudon, J.-M.; Lamonier, J.-F.; Morent, R. An in-Depth Investigation of Toluene Decomposition with a Glass Beads-Packed Bed Dielectric Barrier Discharge Reactor. Ind. Eng. Chem. Res. 2017, 56, 10215–10226. [Google Scholar] [CrossRef]









| Time t1 (min) | qtoluene adsorbed (µmol·g−1) | qtoluene unconverted (µmol·g−1) | qtoluene converted (µmol·g−1) | qCO2 Formation (µmol·g−1) | SCO2 (%) | YCO2 (%) | C Mass Balance (%) |
|---|---|---|---|---|---|---|---|
| 5 | 16.7 | 0.2 | 16.5 | 127.4 | 110 | 109 | 110 |
| 10 | 26.0 | 1.7 | 24.3 | 165.7 | 97 | 91 | 98 |
| 20 | 43.8 | 7.0 | 36.9 | 230.2 | 89 | 75 | 91 |
| 30 | 60.6 | 12.5 | 48.1 | 260.2 | 77 | 61 | 82 |
| 40 | 70.6 | 15.1 | 55.5 | 315.3 | 81 | 64 | 85 |
| Time t1 (min) | EC (kWh·m−3) | EY(Tol) (gTolads·kWh−1) | EY(CO2) (gCO2·kWh−1) |
|---|---|---|---|
| 5 | 46.5 | 0.07 | 0.24 |
| 10 | 23.2 | 0.10 | 0.31 |
| 20 | 11.6 | 0.17 | 0.44 |
| 30 | 7.7 | 0.24 | 0.49 |
| 40 | 5.8 | 0.28 | 0.60 |
| Power (W) | qtoluene adsorbed (µmol·g−1) | qtoluene unconverted (µmol·g−1) | qtoluene converted (µmol·g−1) | qCO2 Formation (µmol·g−1) | SCO2 (%) | YCO2 (%) | EC (kWh·m−3) | EY(Tol) (gTolads·kW·h−1) | EY(CO2) (gCO2·kWh−1) |
|---|---|---|---|---|---|---|---|---|---|
| 40 | 45.4 | 7.2 | 38.1 | 203.2 | 76 | 64 | 10.0 | 0.21 | 0.45 |
| 46 | 43.8 | 7.0 | 36.9 | 230.2 | 89 | 75 | 11.6 | 0.17 | 0.44 |
| 52 | 44.2 | 6.1 | 38.2 | 214.7 | 80 | 69 | 13.0 | 0.16 | 0.36 |
| 72 | 44.7 | 4.3 | 40.4 | 204.3 | 72 | 65 | 18.0 | 0.11 | 0.25 |
| Sequences | qtoluene adsorbed (µmol·g−1) | qtoluene unconverted (µmol·g−1) | qtoluene converted (µmol·g−1) | qCO2 Formation (µmol·g−1) | SCO2 (%) | YCO2 (%) | C Mass Balance (%) |
|---|---|---|---|---|---|---|---|
| Sequence-1 | 43.9 | 3.2 | 40.7 | 294.9 | 103 | 96 | 103 |
| Sequence-2 | 47.7 | 5.3 | 42.4 | 257.2 | 86 | 77 | 88 |
| Sequence-3 | 45.7 | 7.3 | 38.4 | 246.1 | 91 | 76 | 92 |
| Sequence-4 | 44.8 | 5.3 | 39.5 | 223.7 | 80 | 71 | 83 |
| Materials | SBET a (m2·g−1) | Vp b (cm3·g−1) | Dp c (nm) | H2 Consumption (mmol·g−1) |
|---|---|---|---|---|
| Hopcalite | 232 | 0.45 | 7.8 | 11.1 |
| Hopcalite-AR | 195 | 0.45 | 8.0 | 10.8 |
| Catalyst | Cu 2p3/2 | Mn 2p3/2 | OI | OII | OIII | K 2p3/2 (FHWM) | Na 1s |
|---|---|---|---|---|---|---|---|
| Hopcalite | 933.3 | 641 | 529.6 | 531.0 | 533.4 | 292.5 (1.5) | 1070.4 |
| Hopcalite-AR | 933.5 | 641 | 529.6 | 531.5 | - | 292.5 (1.6) | 1071.1 |
| Catalyst | Cu/Mn | K/Mn | O/Mn | Na/Mn | Olatt/Oads | ΔE Mn3s/eV (Mn AOS) |
|---|---|---|---|---|---|---|
| Hopcalite | 0.26 | 0.11 | 3.1 | 0.06 | 1.17 | 5.14 (3.1) |
| Hopcalite-AR | 0.29 | 0.12 | 3.5 | 0.07 | 1.27 | 5.20 (3.1) |
Publisher’s Note: MDPI stays neutral with regard to jurisdictional claims in published maps and institutional affiliations. |
© 2021 by the authors. Licensee MDPI, Basel, Switzerland. This article is an open access article distributed under the terms and conditions of the Creative Commons Attribution (CC BY) license (https://creativecommons.org/licenses/by/4.0/).
Share and Cite
Sonar, S.; Giraudon, J.-M.; Veerapandian, S.K.P.; Lamonier, J.-F.; Morent, R.; Löfberg, A.; De Geyter, N. Adsorption Followed by Plasma Assisted Catalytic Conversion of Toluene into CO2 on Hopcalite in an Air Stream. Catalysts 2021, 11, 845. https://doi.org/10.3390/catal11070845
Sonar S, Giraudon J-M, Veerapandian SKP, Lamonier J-F, Morent R, Löfberg A, De Geyter N. Adsorption Followed by Plasma Assisted Catalytic Conversion of Toluene into CO2 on Hopcalite in an Air Stream. Catalysts. 2021; 11(7):845. https://doi.org/10.3390/catal11070845
Chicago/Turabian StyleSonar, Shilpa, Jean-Marc Giraudon, Savita Kaliya Perumal Veerapandian, Jean-François Lamonier, Rino Morent, Axel Löfberg, and Nathalie De Geyter. 2021. "Adsorption Followed by Plasma Assisted Catalytic Conversion of Toluene into CO2 on Hopcalite in an Air Stream" Catalysts 11, no. 7: 845. https://doi.org/10.3390/catal11070845
APA StyleSonar, S., Giraudon, J.-M., Veerapandian, S. K. P., Lamonier, J.-F., Morent, R., Löfberg, A., & De Geyter, N. (2021). Adsorption Followed by Plasma Assisted Catalytic Conversion of Toluene into CO2 on Hopcalite in an Air Stream. Catalysts, 11(7), 845. https://doi.org/10.3390/catal11070845

