A Novel High-Precision Digital Tunneling Magnetic Resistance-Type Sensor for the Nanosatellites’ Space Application
Abstract
1. Introduction
2. Materials and Methods
2.1. Materials
2.2. Tunneling Magnetic Resistance-Type Sensor Element
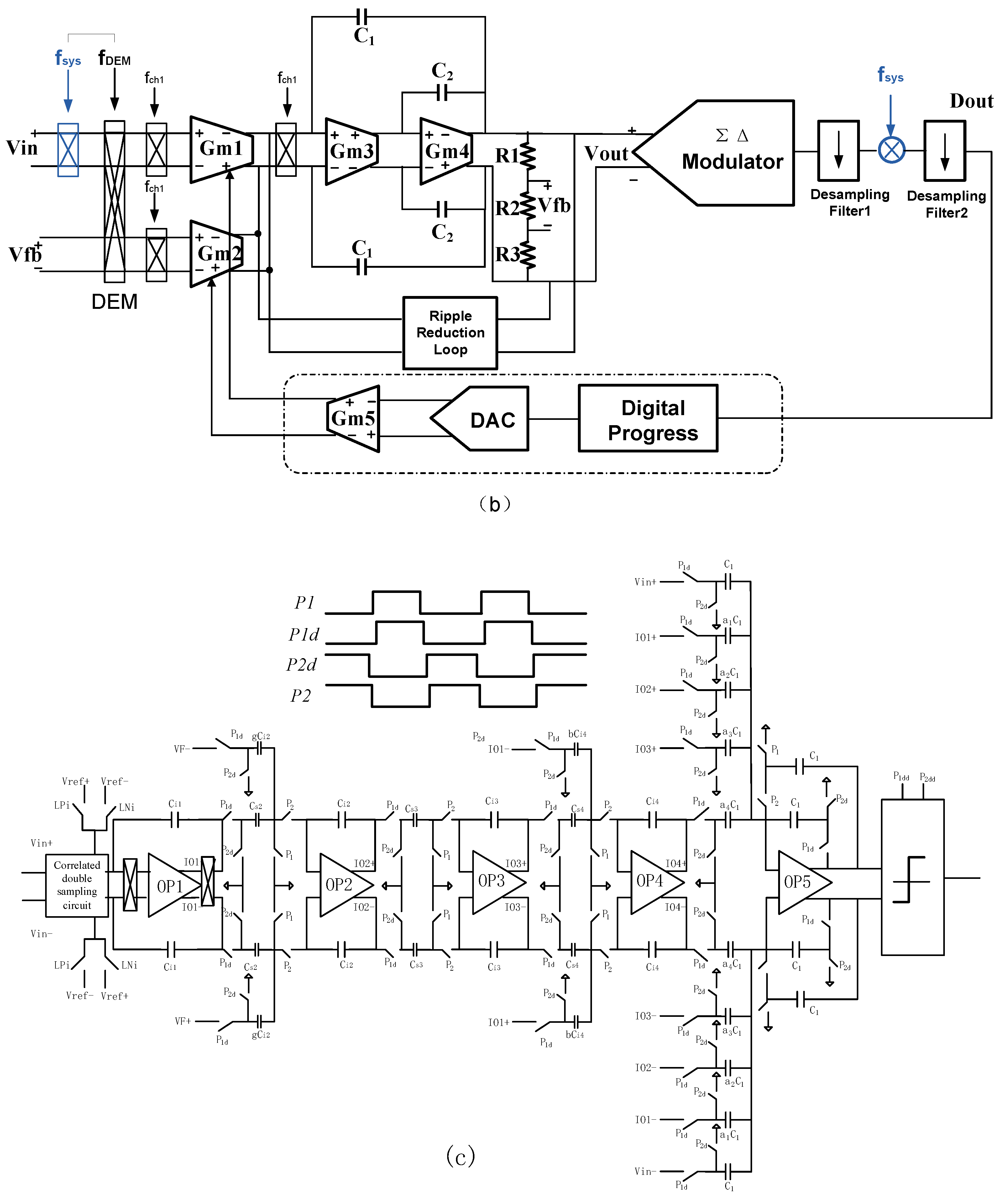
2.3. Instrumentation Amplifier with Chopper Technique
- Amplify the weak differential voltage (Vin);
- Low offset, low noise and low corner frequency (<5 mHz);
- High common-mode rejection ratio (>120 dB); and,
- High input impedance for TMR sensor.
2.4. Sigma-Delta Modulator and Digital Decimation Filter
3. Result and Discussion
3.1. Noise Matching
3.2. Noise Characteristics of CFIA with TMR Sensor Element
3.3. Noise Characteristics of CFIA with Chopper Technique
3.4. Noise Characteristics of Sigma-Delta Modulator
3.5. Design of Digital Decimation Filter
3.6. The Test of Three-Axis Digital TMR Magnetometer
4. Conclusions
Acknowledgments
Author Contributions
Conflicts of Interest
References
- Ripka, P.; Janosek, M. Advances in Magnetic Sensors. IEEE Sens. J. 2010, 10, 1108–1116. [Google Scholar] [CrossRef]
- Magnes, W.; Diaz-Michelena, M. Future Directions for Magnetic Sensors for Space Applications. IEEE Trans. Magn. 2009, 45, 4493–4498. [Google Scholar] [CrossRef]
- Edelstein, A.S.; Nowak, E.R. Advances in magnetometry. J. Phys. Condens. Matter 2008, 19, 165217. [Google Scholar] [CrossRef][Green Version]
- Lenz, J.; Edelstein, S. Magnetic sensors and their applications. IEEE Sens. J. 2006, 6, 631–649. [Google Scholar] [CrossRef]
- Freitas, P.P.; Ferreira, R.; Cardoso, S. Magnetoresistive sensors. IEEE Transl. J. Magn. 2007, 19, 165221. [Google Scholar] [CrossRef]
- Pannetier, M.; Fermon, C.; le Goff, G. Femtotesla Magnetic Field Measurement with Magnetoresistive Sensors. Science 2004, 304, 1648–1650. [Google Scholar] [CrossRef] [PubMed]
- Michelena, M.D.; Cerdán, M.F.; Arruego, I. NANOSAT-01: Three Years of Mission. Magnetic Scientific Results. Sens. Lett. 2009, 7, 412–415. [Google Scholar] [CrossRef]
- Brown, P.; Beek, T.; Carr, C. Magnetoresistive magnetometer for space science applications. Meas. Sci. Technol. 2012, 23, 025902. [Google Scholar] [CrossRef]
- Soliman, E.; Hofmann, K.; Reeg, H. Noise study of open-loop direct current-current transformer using magneto-resistance sensors. In Proceedings of the 2016 IEEE Sensors Applications Symposium (SAS), Catania, Italy, 20–22 April 2016; pp. 1–5. [Google Scholar]
- Chinenkov, M.; Djuzhev, N.; Bespalov, V. Magnetoresistive sensor with high sensitivity: Self-aligned magnetic structures. In Proceedings of the 2017 IEEE International Magnetics Conference (INTERMAG), Dublin, Ireland, 24–28 April 2017; p. 1. [Google Scholar]
- Lu, Y.; Deranlot, C.; Vaurès, A. Effects of a Thin Mg Layer on the Structural and Magnetoresistance Properties of CoFeB/MgO/CoFeB Magnetic Tunnel Junctions. Appl. Phys. Lett. 2007, 91, 222504. [Google Scholar] [CrossRef]
- Lei, Z.Q.; Li, G.J.; Egelhoff, W.F. Review of noise sources in magnetic tunnel junction sensors. IEEE Trans. Magn. 2011, 47, 602–612. [Google Scholar] [CrossRef]
- Guo, Y.; Wang, J.; White, R.M. Reduction of magnetic 1/f noise in miniature anisotropic magnetoresistive sensors. Appl. Phys. Lett. 2015, 106, 296. [Google Scholar] [CrossRef]
- Pannetier-Lecoeur, M.; Fermon, C.; Vismes, A.D. Low noise magnetoresistive sensors for current measurement and compasses. J. Magn. Magn. Mater. 2007, 316, e246–e248. [Google Scholar] [CrossRef]
- Stutzke, N.A.; Russek, S.E.; Pappas, D.P.; Tondra, M. Low-frequency noise measurements on commercial magnetoresistive magnetic field sensors. J. Appl. Phys. 2005, 97, 10Q107. [Google Scholar] [CrossRef]
- Hu, J.; Chen, D.; Pan, M. Magnetic flux modulation with a piezoelectric silicon bridge for 1/f noise reduction in magnetoresistive sensors. In Proceedings of the 2013 IEEE SENSORS, Baltimore, MD, USA, 3–6 November 2013; pp. 1–4. [Google Scholar]
- Butti, F.; Bruschi, P.; Dei, M. A compact instrumentation amplifier for MEMS thermal sensor interfacing. Analog Integr. Circuits Signal Process. 2012, 72, 585–594. [Google Scholar] [CrossRef]
- Mohamed, A.N.; Ahmed, H.N. A low noise CMOS readout front end for MEMS BioPotential sensor applications. In Proceedings of the IEEE International Midwest Symposium on Circuits and Systems 2014, College Station, TX, USA, 3–6 August 2014; pp. 868–871. [Google Scholar]
- Ong, G.T.; Chan, P.K. A Power-Aware Chopper-Stabilized Instrumentation Amplifier for Resistive Wheatstone Bridge Sensors. IEEE Trans. Instrum. Meas. 2014, 63, 2253–2263. [Google Scholar] [CrossRef]
- Shen, W.; Liu, X.; Mazumdar, D. In situ detection of single micron-sized magnetic beads using magnetic tunnel junction sensors. Appl. Phys. Lett. 2005, 86, 253901. [Google Scholar] [CrossRef]
- Hu, J.; Pan, M.; Tian, W. Integrating magnetoresistive sensors with microelectromechanical systems for noise reduction. Appl. Phys. Lett. 2012, 101, 631. [Google Scholar] [CrossRef]
- Edelstein, A.S.; Fischer, G.A.; Pedersen, M.; Nowak, E.R.; Cheng, S.F.; Nordman, C.A. Progress toward a thousandfold reduction in 1/f noise in magnetic sensors using an AC microelectromechanical system flux concentrator (invited). J. Appl. Phys. 2006, 99, 08B317. [Google Scholar] [CrossRef]
- Almeida, J.M.; Ferreira, R.; Freitas, P.P.; Langer, J.; Ocker, B.; Maass, W. 1/f noise in linearized low resistance MgO magnetic tunnel junctions. J. Appl. Phys. 2006, 99, 1–3. [Google Scholar] [CrossRef]
- Fan, Q.; Huijsing, J.H.; Makinwa, K.A.A. A 21 nV/Hz1/2 Chopper-Stabilized Multi-Path Current-Feedback Instrumentation Amplifier with 2V Offset. IEEE Solid-State Circuits 2010, 47, 464–475. [Google Scholar]
- Li, X.; Chen, W.; Yin, L. A closed-loop Sigma-Delta modulator for a tunneling magneto-resistance sensor. IEICE Electron. Express 2017, 15, 1–6. [Google Scholar] [CrossRef]
- Gharbiya, A.; Johns, D.A. On the Implementation of Input-Feedforward Delta–Sigma Modulators. IEEE Trans. Circuits Syst. II Express Briefs 2006, 53, 453–457. [Google Scholar] [CrossRef]
- Michel, F.; Steyaert, M.S.J. A 250 mV 7.5 μW 61 dB SNDR SC ΔΣ modulator using near-threshold-voltage-biased inverter amplifiers in 130 nm CMOS. IEEE J. Solid-State Circuits 2012, 47, 709–721. [Google Scholar] [CrossRef]
- Zhu, H.; Wu, X.; Yan, X. Low-Power and Hardware Efficient Decimation Filters in Sigma-Delta A/D Converters. In Proceedings of the IEEE, Conference on Electron Devices and Solid-State Circuits, Hong Kong, China, 19–21 December 2005; pp. 665–668. [Google Scholar]
- Yu, J.; Maloberti, F. A low-power multi-bit ΣΔ modulator in 90-nm digital CMOS without DEM. IEEE J. Solid-State Circuits 2005, 40, 2428–2436. [Google Scholar]
- Hurrah, N.N.; Jan, Z.; Bhardwaj, A. Oversampled Sigma Delta ADC decimation filter. In Proceedings of the IEEE, Design techniques, challenges, tradeoffs and optimization International Conference on Recent Advances in Engineering & Computational Sciences, Chandigarh, India, 21–22 December 2015; pp. 1–6. [Google Scholar]
- Zhao, L.; Deng, C.; Chen, H. A 1-V 23-μW 88-dB DR Sigma-Delta ADC for high-accuracy and low-power applications. In Proceedings of the 2015 IEEE 11th International Conference on ASIC (ASICON), Chengdu, China, 3–6 November 2015. [Google Scholar]
- Nam, K.Y.; Lee, S.M.; Su, D.K. A low-voltage low-power sigma-delta modulator for broadband analog-to-digital conversion. IEEE J. Solid-State Circuits 2005, 40, 1855–1864. [Google Scholar]
- Zhao, Y.S.; Tang, S.K.; Ko, C.T. A chopper-stabilized high-pass Delta–Sigma Modulator with reduced chopper charge injection. Microelectron. J. 2011, 42, 733–739. [Google Scholar] [CrossRef]
- Zhao, G.; Hu, J.; Ouyang, Y. A Novel Method for Magnetic Field Vector Measurement Based on Dual-Axial Tunneling Magnetoresistive Sensors. IEEE Trans. Magn. 2017, 99, 1–6. [Google Scholar] [CrossRef]
- Luong, V.S.; Su, Y.H.; Lu, C.C. Planarization, Fabrication and Characterization of Three-dimensional Magnetic Field Sensors. IEEE Trans. Nanotechnol. 2017, 99, 11–25. [Google Scholar] [CrossRef]
- Ouyang, Y.; He, J.L.; Hu, J. Prediction and Optimization of Linearity of MTJ Magnetic Sensors Based on Single-Domain Model. IEEE Trans. Nanotechnol. 2015, 51, 1–4. [Google Scholar]
- Butti, F.; Piotto, M.; Bruschi, P. A Chopper Instrumentation Amplifier with Input Resistance Boosting by Means of Synchronous Dynamic Element Matching. IEEE Trans. Circuits Syst. 2017, 64, 753–764. [Google Scholar] [CrossRef]
- Kusuda, Y. Auto Correction Feedback for Ripple Suppression in a Chopper Amplifier. IEEE J. Solid-State Circuits 2010, 45, 1436–1445. [Google Scholar] [CrossRef]















| Miniaturized Magnetometer | Digital Output | Power/Range (V/Guass) | Consumption (mW) | Noliearity (%FS) | Noise Level (nT/Hz1/2) | Sensitivity Axis |
|---|---|---|---|---|---|---|
| HMR2300 | Yes | 12 V/±1–2 G | 400 | 0.1–0.5 | 6.67 | 3 |
| GMR50 | Yes | 5 V/±1–4.5 G | 200 | 0.5 | 10–50 | 1 |
| G93 | Yes | 5 V/±1 G | 380 | 0.5 | 10 | 3 |
| This work | Yes | 5 V/±1 G | 120 | 0.11 | 0.25 | 3 |
© 2018 by the authors. Licensee MDPI, Basel, Switzerland. This article is an open access article distributed under the terms and conditions of the Creative Commons Attribution (CC BY) license (http://creativecommons.org/licenses/by/4.0/).
Share and Cite
Li, X.; Hu, J.; Chen, W.; Yin, L.; Liu, X. A Novel High-Precision Digital Tunneling Magnetic Resistance-Type Sensor for the Nanosatellites’ Space Application. Micromachines 2018, 9, 121. https://doi.org/10.3390/mi9030121
Li X, Hu J, Chen W, Yin L, Liu X. A Novel High-Precision Digital Tunneling Magnetic Resistance-Type Sensor for the Nanosatellites’ Space Application. Micromachines. 2018; 9(3):121. https://doi.org/10.3390/mi9030121
Chicago/Turabian StyleLi, Xiangyu, Jianping Hu, Weiping Chen, Liang Yin, and Xiaowei Liu. 2018. "A Novel High-Precision Digital Tunneling Magnetic Resistance-Type Sensor for the Nanosatellites’ Space Application" Micromachines 9, no. 3: 121. https://doi.org/10.3390/mi9030121
APA StyleLi, X., Hu, J., Chen, W., Yin, L., & Liu, X. (2018). A Novel High-Precision Digital Tunneling Magnetic Resistance-Type Sensor for the Nanosatellites’ Space Application. Micromachines, 9(3), 121. https://doi.org/10.3390/mi9030121
