Design of Interface ASIC with Power-Saving Switches for Capacitive Accelerometers
Abstract
1. Introduction
1.1. Motivation
1.2. Related Work
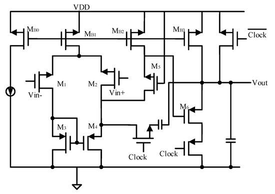
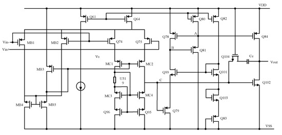
2. Interface Circuit
Pre-Stage Low-Noise Charge Amplifier
3. Test Results and Analysis
3.1. Micro Accelerometer System Testing
3.2. Micro Accelerometer Performance Comparison
4. Conclusions
Author Contributions
Funding
Data Availability Statement
Conflicts of Interest
References
- Gao, P.; Li, K.; Song, T.; Liu, Z. An Accelerometers-Size-Effect Self-Calibration Method for Triaxis Rotational Inertial Navigation System. IEEE Trans. Ind. Electron. 2018, 62, 1655–1664. [Google Scholar] [CrossRef]
- Li, X.; Wang, P.; Li, G.; Zhang, Y. Design of Interface Circuits and Lightweight PUF for TMR Sensors. IEEE Sens. J. 2023, 23, 11754–11761. [Google Scholar] [CrossRef]
- Chang, H.-T.; Chang, J.-Y. Sensor Glove Based on Novel Inertial Sensor Fusion Control Algorithm for 3-D Real-Time Hand Gestures Measurements. IEEE Trans. Ind. Electron. 2020, 67, 658–666. [Google Scholar] [CrossRef]
- Zhang, J.-H.; Li, P.; Jin, C.-C.; Zhang, W.-A.; Liu, S. A Novel Adaptive Kalman Filtering Approach to Human Motion Tracking With Magnetic-Inertial Sensors. IEEE Trans. Ind. Electron. 2020, 67, 8659–8669. [Google Scholar] [CrossRef]
- Li, X.; Wang, P.; Li, G.; Zhang, Y. Design of a Novel Self-Test-on-Chip Interface ASIC for Capacitive Accelerometers. IEEE Trans. Circuits Syst. I Regul. Pap. 2023, 70, 2834–2843. [Google Scholar] [CrossRef]
- Zhong, L.; Liu, S.; Xu, D.; Zhu, Z. A 63 μg/√Hz Noise Floor and 14 pJ Power Efficiency Open-Loop MEMS Capacitive Accelerometer Using Closed-Loop Hybrid Dynamic Amplifier. IEEE Trans. Circuits Syst. I Regul. Pap. 2023, 70, 1531–1541. [Google Scholar] [CrossRef]
- Akita, I.; Okazawa, T.; Kurui, Y.; Fujimoto, A.; Asano, T. A Feedforward Noise Reduction Technique in Capacitive MEMS Accelerometer Analog Front-End for Ultra-Low-Power IoT Applications. IEEE J. Solid-State Circuits 2020, 55, 1599–1609. [Google Scholar] [CrossRef]
- Shin, S.; Daruwalla, A.; Liu, Z.; Ayazi, F. A Sub-Micro-G Resolution Frequency-Modulated Piezoelectric In-Plane Accelerometer. In Proceedings of the 2021 IEEE International Symposium on Inertial Sensors and Systems, Kailua-Kona, HI, USA, 22–25 March 2021. [Google Scholar] [CrossRef]
- Zhang, M.; Yan, S.; Deng, Z.; Chen, P.; Li, Z.; Fan, J.; Liu, H.; Liu, J.; Tu, L. Cross-Coupling Coefficient Estimation of a Nano-gAccelerometer by Continuous Rotation Modulation on a Tilted Rate Table. IEEE Trans. Instrum. Meas. 2021, 70, 1006712. [Google Scholar] [CrossRef]
- Wang, Y.M.; Chan, P.K.; Li, H.K.H.; Ong, S.-E. A Low-Power Highly Sensitive Capacitive Accelerometer IC Using Auto-Zero Time-Multiplexed Differential Technique. IEEE Sens. J. 2015, 15, 6179–6191. [Google Scholar] [CrossRef]
- Chen, D.; Yin, L.; Fu, Q.; Zhang, Y.; Liu, X. Measuring and calibrating of the parasitic mismatch in MEMS accelerometer based on harmonic distortion self-test. Sens. Actuators A Phys. 2020, 313, 112159. [Google Scholar] [CrossRef]
- Kar, S.K.; Chatterjee, P.; Mukherjee, B.; Swamy, K.B.M.M.; Sen, S. A Differential Output Interfacing ASIC for Integrated Capacitive Sensors. IEEE Trans. Instrum. Meas. 2018, 67, 196–203. [Google Scholar] [CrossRef]
- Zhong, L.; Yang, J.; Xu, D.; Lai, X. Bandwidth-Enhanced Oversampling Successive Approximation Readout Technique for Low-Noise Power-Efficient MEMS Capacitive Accelerometer. IEEE J. Solid-State Circuits 2020, 55, 2529–2538. [Google Scholar] [CrossRef]
- Li, X.; Hu, J.; Liu, X. A High-Performance Digital Interface Circuit for a High-Q Micro-Electromechanical System Accelerometer. Micromachines 2018, 9, 675. [Google Scholar] [CrossRef]
- Park, S.; Lee, G.; Cho, S. A 2.92-μW Capacitance-to-Digital Converter With Differential Bondwire Accelerometer, On-Chip Air Pressure, and Humidity Sensor in 0.18-μm CMOS. IEEE J. Solid-State Circuits 2019, 54, 2845–2856. [Google Scholar] [CrossRef]
- Pandit, M.; Zhao, C.; Sobreviela, G.; Zou, X.; Seshia, A. A High Resolution Differential Mode-Localized MEMS Accelerometer. J. Microelectromech. Syst. 2019, 28, 782–789. [Google Scholar] [CrossRef]
- Dong, Y.; Kraft, M.; Redman-White, W. Higher order noise-shaping filters for high-performance micromachined accelerometers. IEEE Trans. Instrum. Meas. 2007, 56, 1666–1674. [Google Scholar] [CrossRef]
- Aaltonen, L.; Rahikkala, P.; Saukoski, M.; Halonen, K. Continuous time interface for ±1.5 g closed-loop accelerometer. In Proceedings of the 2007 IEEE International Conference on Integrated Circuit Design and Technology, Austin, TX, USA, 30 May–1 June 2007; pp. 187–190. [Google Scholar] [CrossRef]
- Aguirre, P.; Klimach, V.C.; Susin, A.; Prior, C. Behavioral modeling of continuous-time ΣΔ modulators in matlab/Simulink. In Proceedings of the 2013 IEEE 4th Latin American Symposium on Circuits and Systems, Cusco, Peru, 27 February–1 March 2013. [Google Scholar] [CrossRef]
- Yucetas, M.; Pulkkinen, M.; Kalanti, A.; Salomaa, J.; Aaltonen, L.; Halonen, K. A High-resolution accelerometer with electrostatic damping and improved supply sensitivity. IEEE J. Solid-State Circuits 2012, 47, 1721–1730. [Google Scholar] [CrossRef]
- Aaltonen, L.; Halonen, K. Continuous-time interface for a micromachined capacitive accelerometer with NEA of 4g and bandwidth of 300Hz. Sens. Actuators A Phys. 2009, 154, 46–56. [Google Scholar] [CrossRef]
- Amini, B.V.; Abdolvand, R.; Ayazi, F. A 4.5-mW closed-loop micro-gravity CMOS SOI accelerometer. IEEE J. Solid-State Circuits 2006, 41, 2983–2991. [Google Scholar] [CrossRef]
- Li, X.; Zheng, Y.; Kong, X.; Liu, Y.; Tang, D. Research on High-Resolution Miniaturized MEMS Accelerometer Interface ASIC. Sensors 2020, 20, 7280. [Google Scholar] [CrossRef] [PubMed]











| Parameters | Value |
|---|---|
| Sensitivity | 200 ± 2 mV/g |
| Full scale range | ±10 g |
| Bandwidth (−3 dB) | 0 to ≥2.4 kHz |
| Resonant frequency (ω0) | 2 kHz |
| Nonlinearity | <1% FS |
| Noise spectral density in band | 25 μV/√Hz |
| Process | Supply/Range | Power | Bandwidth | Noise Floor | FOM | |
|---|---|---|---|---|---|---|
| [20] | 0.35 μm | 3.6 V/±1.15 g | 3.6 mW | 200 Hz | 2 μg/√Hz | 0.51 |
| [21] | 0.7 μm | 5 V/12 V/±1.5 g | 85.8 mW | 300 Hz | 0.3 μg/√Hz | 1.49 |
| [22] | 0.5 μm | 3 V/NA | 4.5 mW | 500 Hz | 4 μg/√Hz | 0.80 |
| [23] | 0.35 μm | 5 V/±1.2 g | 7.7 mW | 200 Hz | 0.5 μg/√Hz | 0.27 |
| This work | 0.35 μm | 3.3 V/±1 g | 3.3 mW | 300 Hz | 1 μg/√Hz | 0.19 |
Disclaimer/Publisher’s Note: The statements, opinions and data contained in all publications are solely those of the individual author(s) and contributor(s) and not of MDPI and/or the editor(s). MDPI and/or the editor(s) disclaim responsibility for any injury to people or property resulting from any ideas, methods, instructions or products referred to in the content. |
© 2025 by the authors. Licensee MDPI, Basel, Switzerland. This article is an open access article distributed under the terms and conditions of the Creative Commons Attribution (CC BY) license (https://creativecommons.org/licenses/by/4.0/).
Share and Cite
Cai, J.; Cai, Y.; Li, X.; Wang, S.; Zhang, X.; Di, X.; Wang, P. Design of Interface ASIC with Power-Saving Switches for Capacitive Accelerometers. Micromachines 2025, 16, 96. https://doi.org/10.3390/mi16010096
Cai J, Cai Y, Li X, Wang S, Zhang X, Di X, Wang P. Design of Interface ASIC with Power-Saving Switches for Capacitive Accelerometers. Micromachines. 2025; 16(1):96. https://doi.org/10.3390/mi16010096
Chicago/Turabian StyleCai, Juncheng, Yongbin Cai, Xiangyu Li, Shanshan Wang, Xiaowei Zhang, Xinpeng Di, and Pengjun Wang. 2025. "Design of Interface ASIC with Power-Saving Switches for Capacitive Accelerometers" Micromachines 16, no. 1: 96. https://doi.org/10.3390/mi16010096
APA StyleCai, J., Cai, Y., Li, X., Wang, S., Zhang, X., Di, X., & Wang, P. (2025). Design of Interface ASIC with Power-Saving Switches for Capacitive Accelerometers. Micromachines, 16(1), 96. https://doi.org/10.3390/mi16010096

