An Ultra-Low-Voltage Transconductance Stable and Enhanced OTA for ECG Signal Processing
Abstract
:1. Introduction
2. The Transconductance-Optimization Technology
2.1. Unstable Transconductance of BDPD in the Subthreshold Region
2.2. Counteraction of Transconductance Variation in nMOS and pMOS BDPD Pairs
2.3. Current-Reused Bulk-Driven Pseudo-Differential Pairs
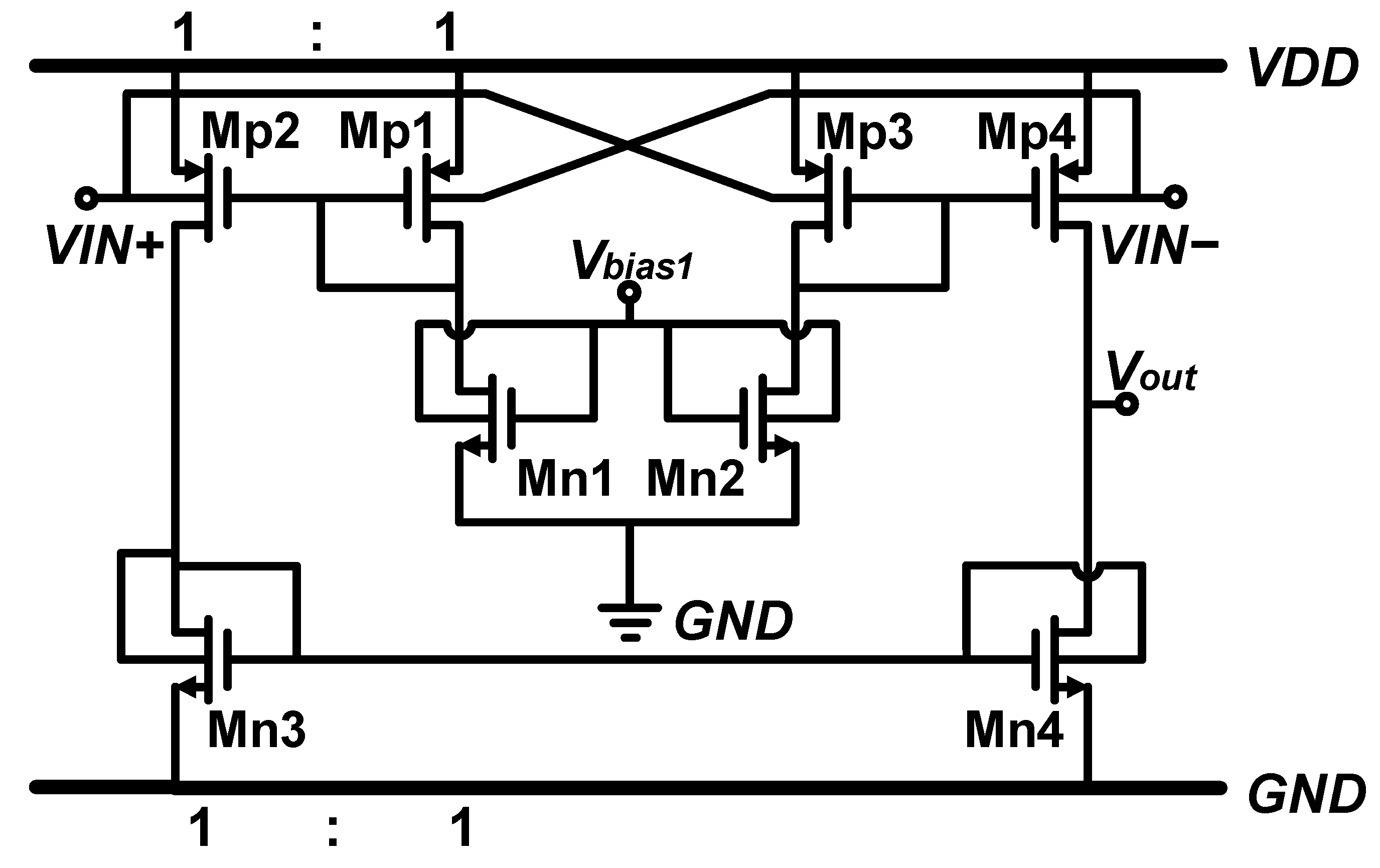
3. The Proposed Transconductance Stable and Enhanced OTA and the ECG LPF
3.1. Design and Performance of the Proposed OTA and LPF
3.2. The ECG Filter with the Proposed OTA
3.3. Simulation Results and Comparison
4. Conclusions
Author Contributions
Funding
Data Availability Statement
Conflicts of Interest
References
- Gresham, G.; Hendifar, A.E.; Spiegel, B.; Neeman, E.; Tuli, R.; Rimel, B.J.; Figlin, R.A.; Meinert, C.L.; Piantadosi, S.; Shinde, A.M. Wearable activity monitors to assess performance status and predict clinical outcomes in advanced cancer patients. npj Digit. Med. 2018, 1, 27. [Google Scholar] [CrossRef] [PubMed]
- Guo, H.; Bai, W.; Ouyang, W.; Liu, Y.; Wu, C.; Xu, Y.; Weng, Y.; Zang, H.; Liu, Y.; Jacobson, L.; et al. Wireless implantable optical probe for continuous monitoring of oxygen saturation in flaps and organ grafts. Nat. Commun. 2022, 13, 3009. [Google Scholar] [CrossRef] [PubMed]
- Chamberland, F.; Buteau, E.; Tam, S.; Campbell, E.; Mortazavi, A.; Scheme, E.; Fortier, P.; Boukadoum, M.; Campeau-Lecours, A.; Gosselin, B. Novel Wearable HD-EMG Sensor With Shift-Robust Gesture Recognition Using Deep Learning. IEEE Trans. Biomed. Circuits Syst. 2023, 17, 968–984. [Google Scholar] [CrossRef] [PubMed]
- Xu, C.; Solomon, S.A.; Gao, W. Artificial Intelligence-Powered Electronic Skin. Nat. Mach. Intell. 2023, 5, 1344–1355. [Google Scholar] [CrossRef]
- Kumngern, M.; Kulej, T.; Khateb, F.; Stopjakova, V.; Ranjan, R.K. Nanopower multiple-input DTMOS OTA and its applications to high-order filters for biomedical systems. AEU-Int. J. Electron. Commun. 2021, 130, 153576. [Google Scholar] [CrossRef]
- Kumngern, M.; Kulej, T.; Khateb, F. 31.3 nW, 0.5 V Bulk-Driven OTA for Biosignal Processing. IEEE Access 2023, 11, 56516–56525. [Google Scholar] [CrossRef]
- Khateb, F.; Kulej, T.; Kumngern, M.; Arbet, D.; Jaikla, W. A 0.5-V 95-dB rail-to-rail DDA for biosignal processing. AEU-Int. J. Electron. Commun. 2022, 145, 154098. [Google Scholar] [CrossRef]
- Nagy, L.; Potocny, M.; Ondica, R.; Hudec, A.; Stopjakova, V. A novel ultra low-voltage/low-power rail-to-rail comparator topology in nanoscale CMOS technology. AEU-Int. J. Electron. Commun. 2023, 166, 154651. [Google Scholar] [CrossRef]
- Dong, S.; Wang, W.; Tong, X. A 0.25-V 90 dB PVT-stabilized four-stage OTA with linear Q-factor modulation and fast slew-rate enhancement for ultra-low supply ADCs. AEU-Int. J. Electron. Commun. 2022, 144, 154651. [Google Scholar] [CrossRef]
- AbuShawish, I.Y.; Mahmoud, S.A. A programmable gain and bandwidth amplifier based on tunable UGBW rail-to-rail CMOS op-amps suitable for different bio-medical signal detection systems. AEU-Int. J. Electron. Commun. 2021, 141, 153952. [Google Scholar] [CrossRef]
- Nagy, L.; Stopjakova, V.; Arbet, D.; Potocny, M.; Kovac, M. An ultra low-voltage rail-to-rail comparator for on-chip energy harvesters. AEU-Int. J. Electron. Commun. 2019, 108, 10–18. [Google Scholar] [CrossRef]
- Dong, S.; Wang, Y.; Tong, X.; Liu, C.; Wang, Y. A 0.3-V 10-n W Rail-To-Rail OTA with Bulk-Driven Low-Impedance Compensation for Energy-Scavenging IoT Sensors. In Proceedings of the 2020 IEEE 15th International Conference on Solid-State & Integrated Circuit Technology (ICSICT), Kunming, China, 3–6 November 2020; pp. 1–3.
- Qin, Z.; Tanaka, A.; Takaya, N.; Yoshizawa, H. 0.5-V 70-nW Rail-to-Rail Operational Amplifier Using a Cross-Coupled Output Stage. IEEE Trans. Circuits Syst. II Express Briefs 2016, 63, 1009–1013. [Google Scholar] [CrossRef]
- Berg, Y.; Lande, T.S.; Naess, O.; Gundersen, H. Ultra-low-voltage floating-gate transconductance amplifiers. IEEE Trans. Circuits Syst. II Analog Digit. Signal Process. 2001, 48, 37–44. [Google Scholar] [CrossRef]
- Le-ning, R.; Zhang-ming, Z.; Yin-tang, Y. Design of ultra-low voltage op amp based on quasi-floating gate transistors. In Proceedings of the 7th International Conference on Solid-State and Integrated Circuits Technology, Beijing, China, 18–21 October 2004; Volume 1462, pp. 1465–1468. [Google Scholar]
- Baez-Villegas, D.; Silva-Martinez, J. Quasi Rail-to-Rail Very Low-Voltage OPAMP with a Single pMOS Input Differential Pair. IEEE Trans. Circuits Syst. II Express Briefs 2006, 53, 1175–1179. [Google Scholar] [CrossRef]
- Cabrera-Bernal, E.; Pennisi, S.; Grasso, A.D.; Torralba, A.; Carvajal, R.G. 0.7-V Three-Stage Class-AB CMOS Operational Transconductance Amplifier. IEEE Trans. Circuits Syst. I Regul. Pap. 2016, 63, 1807–1815. [Google Scholar] [CrossRef]
- Sala, R.D.; Centurelli, F.; Monsurrò, P.; Scotti, G.; Trifiletti, A. A 0.3V Rail-to-Rail Three-Stage OTA With High DC Gain and Improved Robustness to PVT Variations. IEEE Access 2023, 11, 19635–19644. [Google Scholar] [CrossRef]
- Deo, N.; Sharan, T.; Dubey, T. Subthreshold biased enhanced bulk-driven double recycling current mirror OTA. Analog Integr. Circ. S 2020, 105, 229–242. [Google Scholar] [CrossRef]
- Ballo, A.; Grasso, A.D.D.; Pennisi, S.; Susinni, G. A 0.3-V 8.5-μA Bulk-Driven OTA. IEEE Trans. Very Large Scale Integr. (VLSI) Syst. 2023, 31, 1444–1448. [Google Scholar] [CrossRef]
- Kulej, T.; Khateb, F. Design and implementation of sub 0.5-V OTAs in 0.18-μm CMOS. Int. J. Circuit Theory Appl. 2018, 46, 1129–1143. [Google Scholar] [CrossRef]
- Akbari, M.; Hussein, S.M.; Hashim, Y.; Tang, K.-T. 0.4-V Tail-Less Quasi-Two-Stage OTA Using a Novel Self-Biasing Transconductance Cell. IEEE Trans. Circuits Syst. I Regul. Pap. 2022, 69, 2805–2818. [Google Scholar] [CrossRef]
- Woo, K.-C.; Yang, B.-D. A 0.25-V Rail-to-Rail Three-Stage OTA With an Enhanced DC Gain. IEEE Trans. Circuits Syst. II Express Briefs 2020, 67, 1179–1183. [Google Scholar] [CrossRef]
- Tang, N.; Hong, W.; Kim, J.-H.; Yang, Y.; Heo, D. A Sub-1-V Bulk-Driven Opamp With an Effective Transconductance-Stabilizing Technique. IEEE Trans. Circuits Syst. II Express Briefs 2015, 62, 1018–1022. [Google Scholar] [CrossRef]
- Vittoz, E.; Fellrath, J. CMOS analog integrated circuits based on weak inversion operations. IEEE J. Solid-State Circuits 1977, 12, 224–231. [Google Scholar] [CrossRef]
- Cheng, Y.; Hu, C.C. MOSFET Modeling & BSIM3 User’s Guide; Springer: Berlin/Heidelberg, Germany, 1999. [Google Scholar]
- Cunha, A.I.A.; Schneider, M.C.; Galup-Montoro, C. An MOS transistor model for analog circuit design. IEEE J. Solid-State Circuits 1998, 33, 1510–1519. [Google Scholar] [CrossRef]
- Webster, J.G. Medical Instrumentation: Application and Design; John Wiley & Sons: Hoboken, NJ, USA, 2009. [Google Scholar]
- Kulej, T.; Khateb, F.; Arbet, D.; Stopjakova, V. A 0.3-V High Linear Rail-to-Rail Bulk-Driven OTA in 0.13 μm CMOS. IEEE Trans. Circuits Syst. II Express Briefs 2022, 69, 2046–2050. [Google Scholar] [CrossRef]
- Akbari, M.; Hussein, S.M.; Hashim, Y.; Tang, K.-T. An Enhanced Input Differential Pair for Low-Voltage Bulk-Driven Amplifiers. IEEE Trans. Very Large Scale Integr. (VLSI) Syst. 2021, 29, 1601–1611. [Google Scholar] [CrossRef]
- Wang, Y.; Zhang, Q.; Zhao, X.; Dong, L. An enhanced bulk-driven OTA with high transconductance against CMOS scaling. AEU-Int. J. Electron. Commun. 2021, 130, 153581. [Google Scholar] [CrossRef]
- Zhang, Q.; Wang, Y.; Zhao, X.; Dong, L. Single-stage multipath class-AB bulk-driven OTA with enhanced power efficiency. AEU-Int. J. Electron. Commun. 2019, 107, 39–48. [Google Scholar] [CrossRef]
- Kulej, T.; Khateb, F. A Compact 0.3-V Class AB Bulk-Driven OTA. IEEE Trans. Very Large Scale Integr. (VLSI) Syst. 2020, 28, 224–232. [Google Scholar] [CrossRef]
- Zhao, X.; Zhang, Q.; Dong, L.; Wang, Y. A hybrid-mode bulk-driven folded cascode OTA with enhanced unity-gain bandwidth and slew rate. AEU-Int. J. Electron. Commun. 2018, 94, 226–233. [Google Scholar] [CrossRef]
- Liu, Z.; Tan, Y.; Li, H.; Jiang, H.; Liu, J.; Liao, H. A 0.5-V 3.69-nW Complementary Source-Follower-C Based Low-Pass Filter for Wearable Biomedical Applications. IEEE Trans. Circuits Syst. I Regul. Pap. 2020, 67, 4370–4381. [Google Scholar] [CrossRef]
- Sharma, P.; Sharma, K.; Jatana, H.S.; Madan, J.; Pandey, R.; Sharma, R. A 1.1 μW biopotential amplifier based on bulk-driven quasi-floating gate technique with extremely low-value of offset voltage. Analog Integr. Circuits Signal Process. 2020, 103, 303–313. [Google Scholar] [CrossRef]
- Lee, S.Y.; Wang, C.P.; Chu, Y.S. Low-Voltage OTA-C Filter With an Area- and Power-Efficient OTA for Biosignal Sensor Applications. IEEE Trans. Biomed. Circuits Syst. 2019, 13, 56–67. [Google Scholar] [CrossRef] [PubMed]
- Zhang, T.T.; Mak, P.I.; Vai, M.I.; Mak, P.U.; Law, M.K.; Pun, S.H.; Wan, F.; Martins, R.P. 15-nW Biopotential LPFs in 0.35- μm CMOS using subthreshold-source-follower Biquads with and without gain compensation. IEEE Trans. Biomed. Circuits Syst. 2013, 7, 690–702. [Google Scholar] [CrossRef]





| Parameter | This Work (a) 2024 | [30] (a) 2021 | [31] (a) 2020 | [32] (a) 2019 | [33] (a) 2019 | [34] (a) 2018 |
|---|---|---|---|---|---|---|
| Technology [nm] | 180 | 180 | 180 | 180 | 180 | 180 |
| Operation mode | BD | BD | BDandGD | BD | BD | BD |
| Supply [V] | 0.4 | 0.5 | ±0.3 | 0.6 | 0.3 | ±0.5 |
| Power [nW] | 29.15 | 45.5 | 252 | 180 | 12.6 | 62,000 |
| DC gain [dB] | 54.4 | 83.7 | 53.81 | 75.39 | 68.9 | 61.7 |
| GBW [kHz] | 13.7 | 8.7 | 56.62 | 74.27 | 2.94 | 1510 |
| CL [pF] | 15 | 15 | 30 | 20 | 30 | 35 |
| IRN [nV/√Hz] | 700@ 10 kHz | 650@ 1 kHz | 265@ 5 kHz | 209@ 40 kHz | 1600 | 69@ 1 MHz |
| Phase margin [°] | 73.2 | 59 | 73.8 | 78.9 | 54.7 | 83.2 |
| FoMS,1* [kHz•pF/μA] | 2820 | 1434 | 4044 | 4951 | 2100 | 852 |
| FoMS,2** [kHz•pF/μW] | 7050 | 2868 | 6740 | 8252 | 7000 | 852 |
| Gm(GBW) variation | 1.35% | / | >5% | >9.5% | >40% | 41.2% |
| FoMS,3 [kHz•pF/μA] | 2089 | / | <809 | <522 | <53 | 20.7 |
| Parameter | This Work (a) 2024 | [7] (a) 2022 | [35] 2020 | [36] (a) 2020 | [37] 2019 |
|---|---|---|---|---|---|
| Technology [nm] | 180 | 180 | 180 | 180 | 180 |
| Structure | BD-OTA-C | BD-DDA-C | SF-C | BD-QFG-OTA-C | GD-OTA-C |
| Order | 2 | 2 | 4 | 2 | 5 |
| Supply [V] | 0.4 | 0.5 | 0.5 | 1 | 1 |
| Power [nW] | 20.5 | 62.6 | 3.69 | 1100 | 41 |
| Gain [dB] | 33 | 39.6 | −5.6 | 39.9 | −7 |
| Bandwidth [Hz] | 250 | 0.1–150 | 200 | 0.266–2.8k | 250 |
| IRN [μVrms] | 19.9 | 59 | 91.9 | 3.15 | 134 |
| DR [dB] | 41.5 | / | 48.5 | / | 61.2 |
| FOM [J] | 3.45 × 10−13 | / | 0.17 × 10−13 | / | 5.36 × 10−13 |
Disclaimer/Publisher’s Note: The statements, opinions and data contained in all publications are solely those of the individual author(s) and contributor(s) and not of MDPI and/or the editor(s). MDPI and/or the editor(s) disclaim responsibility for any injury to people or property resulting from any ideas, methods, instructions or products referred to in the content. |
© 2024 by the authors. Licensee MDPI, Basel, Switzerland. This article is an open access article distributed under the terms and conditions of the Creative Commons Attribution (CC BY) license (https://creativecommons.org/licenses/by/4.0/).
Share and Cite
Yin, Y.; Zhang, X.; Feng, Z.; Qi, H.; Lu, H.; He, J.; Jin, C.; Luo, Y. An Ultra-Low-Voltage Transconductance Stable and Enhanced OTA for ECG Signal Processing. Micromachines 2024, 15, 1108. https://doi.org/10.3390/mi15091108
Yin Y, Zhang X, Feng Z, Qi H, Lu H, He J, Jin C, Luo Y. An Ultra-Low-Voltage Transconductance Stable and Enhanced OTA for ECG Signal Processing. Micromachines. 2024; 15(9):1108. https://doi.org/10.3390/mi15091108
Chicago/Turabian StyleYin, Yue, Xinbing Zhang, Ziting Feng, Haobo Qi, Haodong Lu, Jiayu He, Chaoqi Jin, and Yihao Luo. 2024. "An Ultra-Low-Voltage Transconductance Stable and Enhanced OTA for ECG Signal Processing" Micromachines 15, no. 9: 1108. https://doi.org/10.3390/mi15091108
APA StyleYin, Y., Zhang, X., Feng, Z., Qi, H., Lu, H., He, J., Jin, C., & Luo, Y. (2024). An Ultra-Low-Voltage Transconductance Stable and Enhanced OTA for ECG Signal Processing. Micromachines, 15(9), 1108. https://doi.org/10.3390/mi15091108

