A Low Mismatch Current Charge Pump Applied to Phase-Locked Loops
Abstract
1. Introduction
2. Conventional Charge Pump Circuits and Non-Ideality Analysis
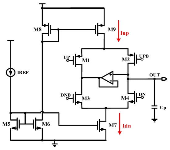
2.1. A Conventional Op-Amp Charge Pump
2.2. A Conventional Source-Switching Charge Pump
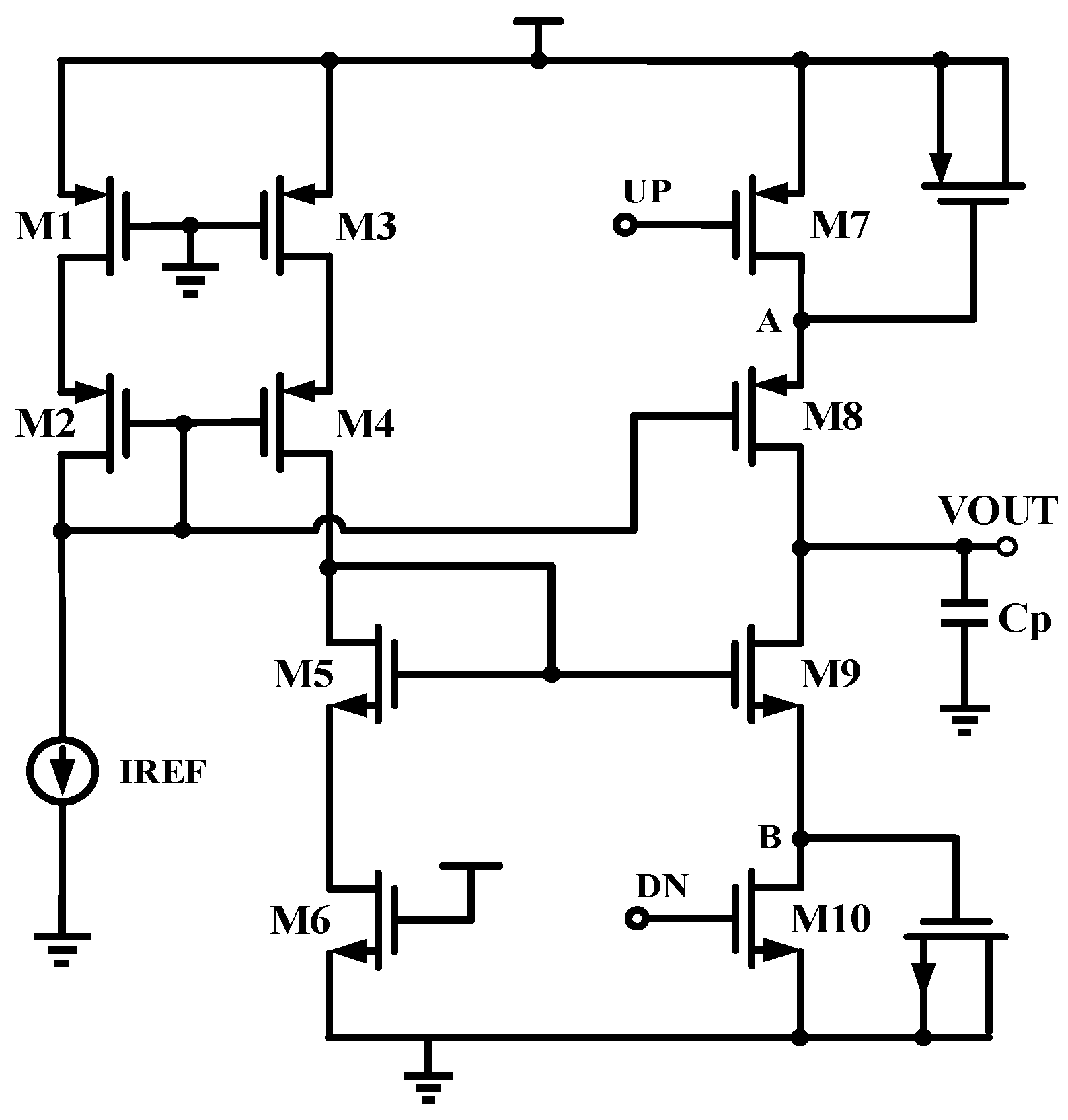
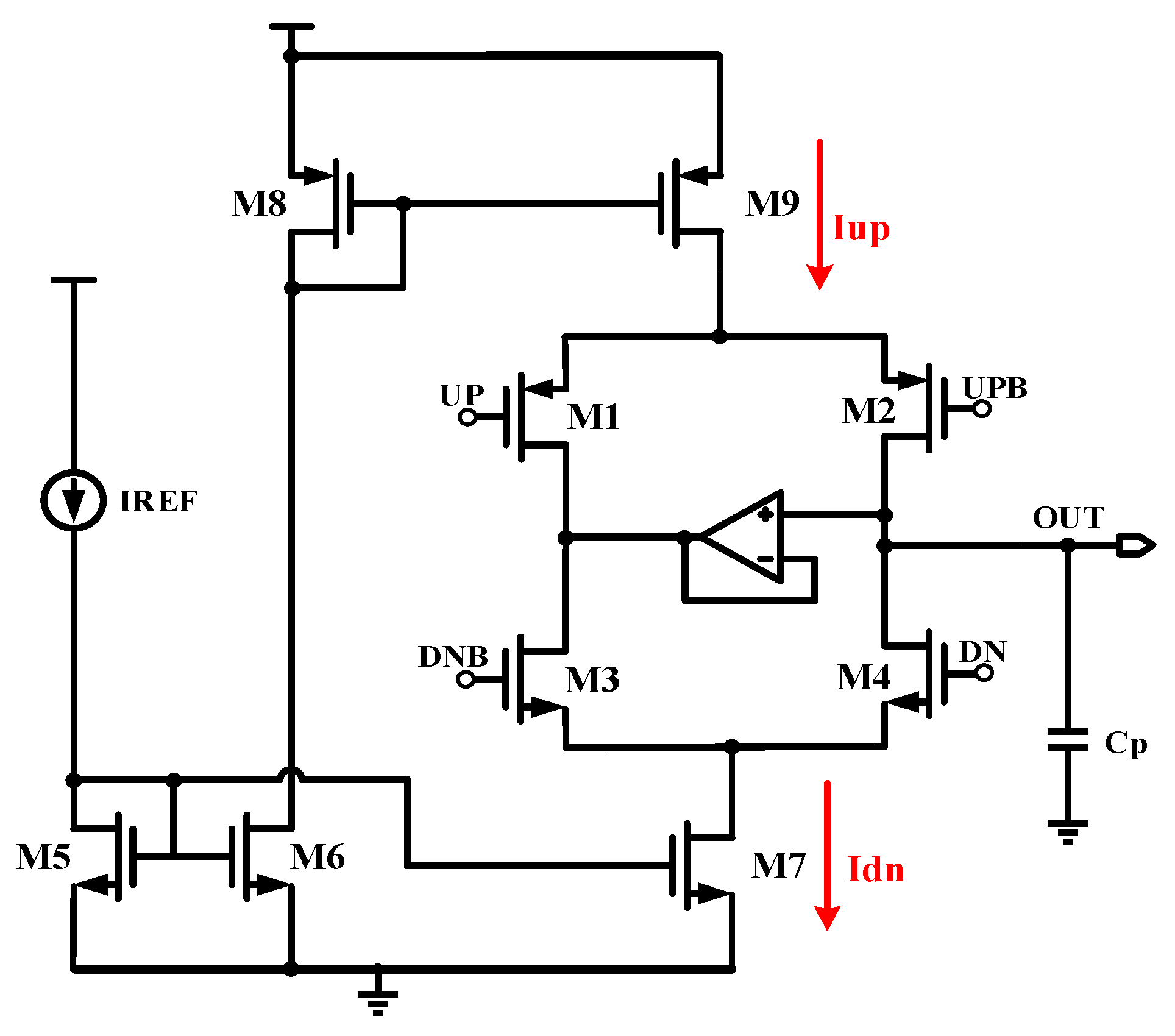
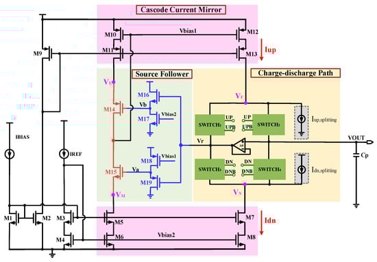
3. Proposed Charge Pump Circuits
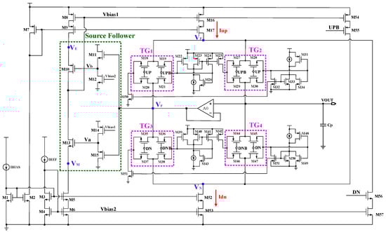
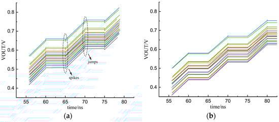
3.1. T-Shaped Analog Switches
3.2. Source Follower
3.3. The High-Gain Rail-to-Rail Input Amplifier
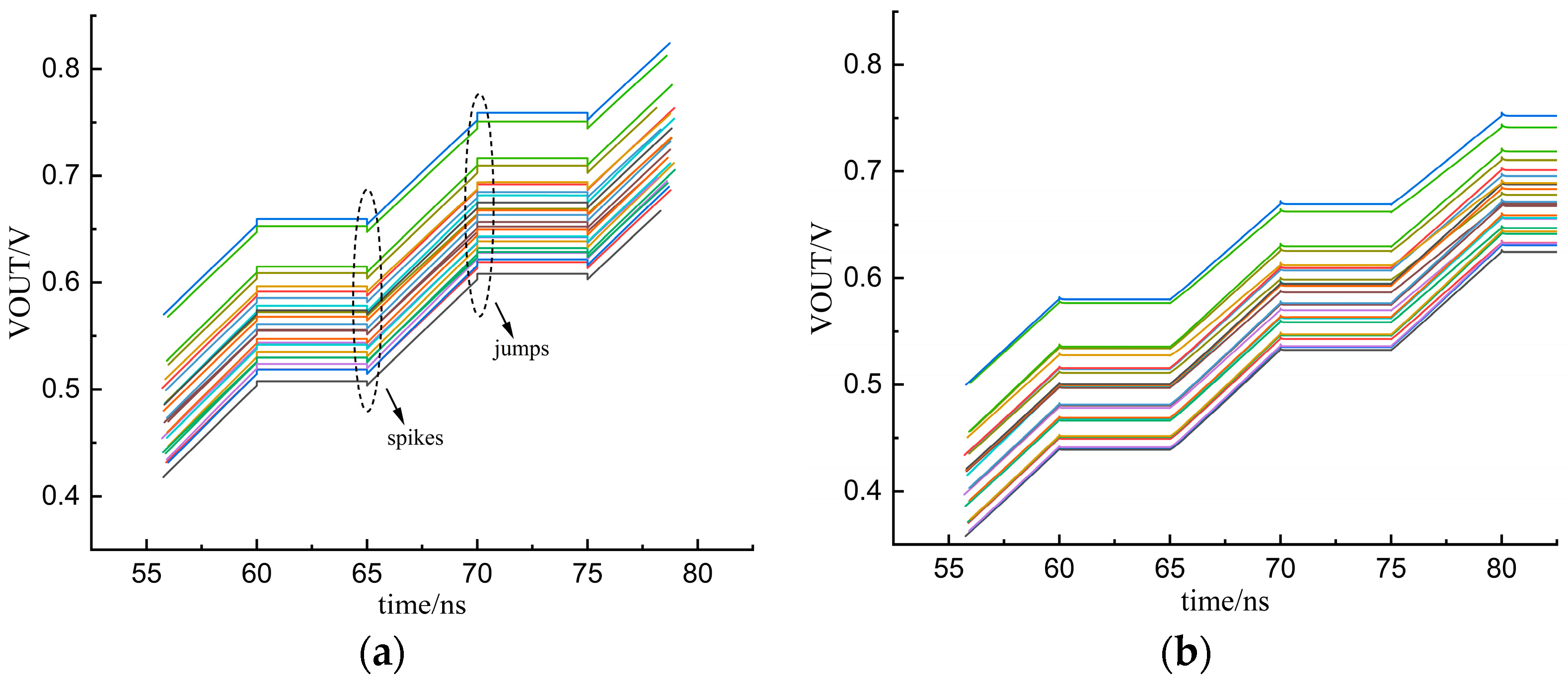
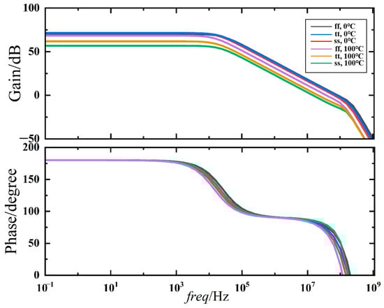
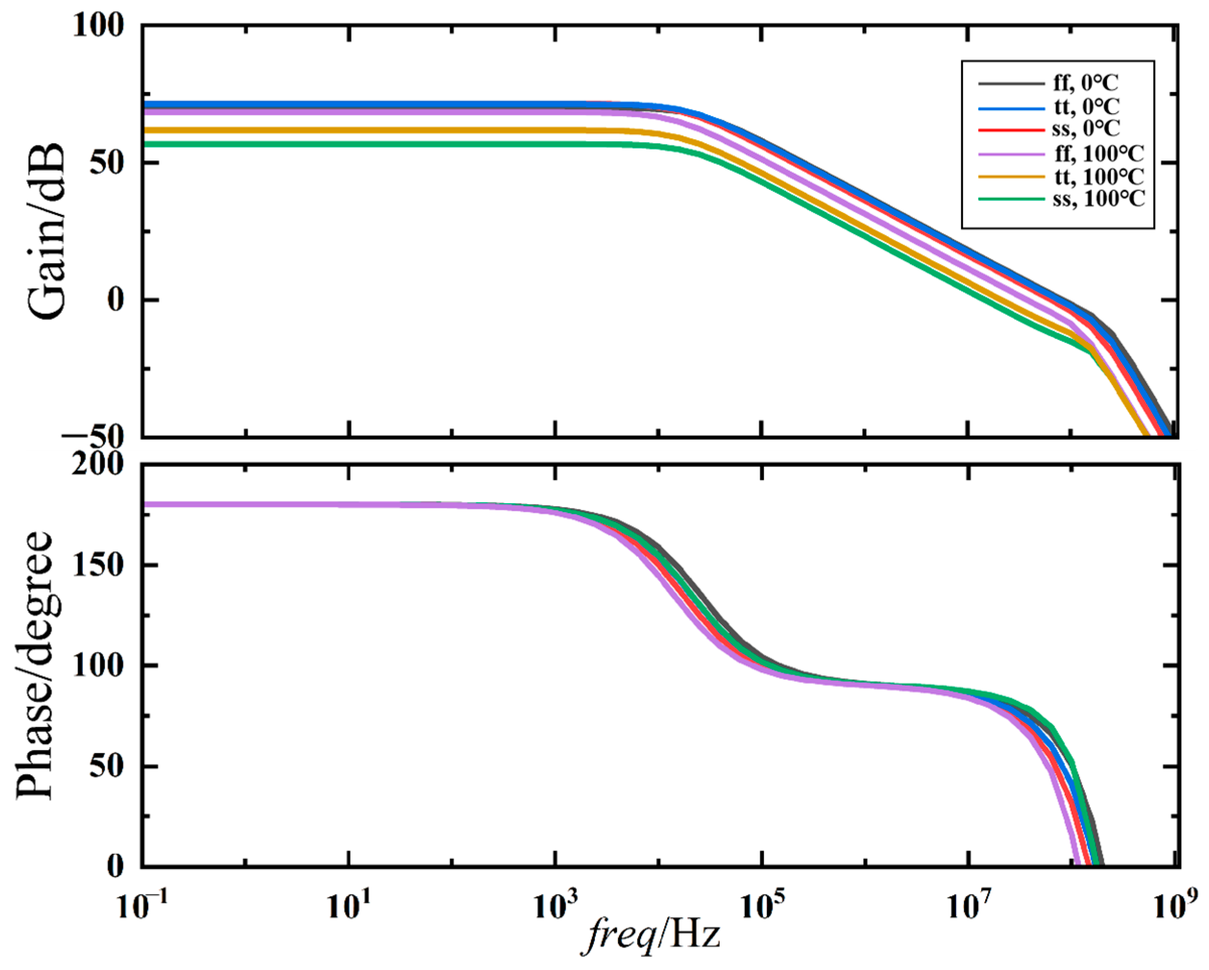
4. Simulation Results
5. Conclusions
Author Contributions
Funding
Data Availability Statement
Acknowledgments
Conflicts of Interest
References
- Sutar, R.K.; Jsamin, M.; Hemalatha, S.B. Implementation of Low Power All Digital Phase Locked Loop. Int. J. Innov. Res. Comput. Commun. Eng. 2015, 4, 3733–3739. [Google Scholar]
- Vo, T.M.; Tri, N.M. A Fast-Lock Technique for Digital Sub-Sampling Fractional-N Phase-Locked-Loops. In Proceedings of the 2022 IEEE Ninth International Conference on Communications and Electronics, Nha Trang, Vietnam, 27–29 July 2022; pp. 185–189. [Google Scholar]
- Ryu, H.G.; Lee, H. Analysis of switching characteristics of the digital hybrid PLL frequency synthesizer. IEEE Trans. Veh. Technol. 2003, 52, 1044–1048. [Google Scholar]
- Dhiman, A.; Sharma, T.; Kaur, B. Design and performance analysis of phase frequency detector for high speed application. In Proceedings of the 2018 2nd International Conference on Inventive Systems and Control (ICISC), Coimbatore, India, 19–20 January 2018; pp. 161–168. [Google Scholar]
- Kailuke, A.C.; Agrawal, P.; Kshirsagar, R.V. Design of Phase Frequency Detector and Charge Pump for Low Voltage High Frequency PLL. In Proceedings of the 2014 International Conference on Electronic System, Signal Processing and Computing Technologies, Nagpur, India, 9–11 January 2014; pp. 74–78. [Google Scholar]
- Ge, G.; Jihai, D.; Zhijie, Q. Design of a High-performance CMOS Charge Pump. Electron. Sci. Technol. 2009, 22, 4. [Google Scholar]
- Abedi, M.; Hasani, J.Y. A Fast Locking Phase-Locked Loop with Low Reference Spur. In Proceedings of the Electrical Engineering (ICEE), Iranian Conference on, Mashhad, Iran, 8–10 May 2018; pp. 92–97. [Google Scholar]
- Kim, M.Y.; Lee, K.Y. A design of charge pump for low noise Phase-Locked Loops using clock quadrature. In Proceedings of the 2020 International SoC Design Conference (ISOCC), Yeosu, Republic of Korea, 21–24 October 2020; pp. 262–263. [Google Scholar]
- Bidaj, K.; Begueret, J.B.; Houdali, N.; Deroo, J.; Rieubon, S. Time-domain PLL modeling and RJ/DJ jitter decomposition. In Proceedings of the 2016 IEEE International Symposium on Circuits and Systems (ISCAS), Montreal, QC, Canada, 22–25 May 2016; pp. 185–188. [Google Scholar]
- Fu, X.M.; Kamal, E.S.; Yin, Y.D. Pulse injection background calibration technique for charge pump PLLs. In Proceedings of the 2020 18th IEEE International New Circuits and Systems Conference (NEWCAS), Montreal, QC, Canada, 16–19 June 2020; pp. 98–101. [Google Scholar]
- Abdul, A.M.; Nelakuditi, U.R. A Linearized Charge Pump for Power and Phase Noise Efficient Fractional-N PLL Design. In Proceedings of the 2021 5th International Conference on Trends in Electronics and Informatics (ICOEI), Tirunelveli, India, 3–5 June 2021; pp. 1162–1165. [Google Scholar]
- Rhee, W. Design of high-performance CMOS charge pumps in phase-locked loops. In Proceedings of the 1999 IEEE International Symposium on Circuits and Systems (ISCAS), Orlando, FL, USA, 30 May–2 June 1999; pp. 545–548. [Google Scholar]
- Shi, Z.; Zhao, Y.; Yang, B.; Yin, F.; Wang, B.; Liu, W. A High-performance Charge Pump for 40 nm Delay Locked Loops. In Proceedings of the 2021 IEEE 4th Advanced Information Management, Communicates, Electronic and Automation Control Conference (IMCEC), Chongqing, China, 18–20 June 2021; pp. 243–247. [Google Scholar]
- Amer, A.G.; Ibrahim, S.A.; Ragai, H.F. A novel current steering charge pump with low current mismatch and variation. In Proceedings of the 2016 IEEE International Symposium on Circuits and Systems (ISCAS), Montreal, QC, Canada, 22–25 May 2016; pp. 1666–1669. [Google Scholar]
- Koithyar, A.; Ramesh, T.K. Integer-N charge pump phase locked loop for 2.4 GHz application with a novel design of phase frequency detector. IET Circuits Devices Syst. 2020, 14, 60–65. [Google Scholar] [CrossRef]
- Biswas, D.; Bhattacharyya, T.K. Charge pump with reduced current mismatch for reference spur minimization in PLLs. Analog. Integr. Circuits Signal Process. 2018, 95, 209–221. [Google Scholar] [CrossRef]
- Li, A.; Chao, Y.; Chen, X.; Wu, L.; Luong, H.C. A Spur-and-Phase-Noise-Filtering Technique for Inductor-Less Fractional-N Injection-Locked PLLs. IEEE J. Solid-State Circuits 2017, 52, 2128–2140. [Google Scholar] [CrossRef]
- Zhang, Z.; Liu, L.; Feng, P.; Wu, N. A 2.4-3.6-GHz Wideband Subharmonically Injection-Locked PLL With Adaptive Injection Timing Alignment Technique. IEEE Trans. Very Large Scale Integr. (VLSI) Syst. 2017, 25, 929–941. [Google Scholar] [CrossRef]
- Liao, F.R.; Lu, S.S. A Programmable Edge-Combining DLL With a Current-Splitting Charge Pump for Spur Suppression. IEEE Trans. Circuits Syst. II Express Briefs 2010, 57, 946–950. [Google Scholar] [CrossRef]
- Dubey, R.; Kumar, A.; Pattanaik, M. Design of low noise low power two stage CMOS operational amplifier using Equivalent Transistor Replacement Technique for health monitoring applications. In Proceedings of the Fifth International Conference on Computing, Communications and Networking Technologies (ICCCNT), Hefei, China, 11–13 July 2014; pp. 1–6. [Google Scholar]
- Binjie, G.E.; Yan, L.I.; Hang, Y.U.; Feng, X. A 0.18μm CMOS Charge Pump Phase-Locked Loop. Microelectronics 2018, 48, 211–215. [Google Scholar]
- Lozada, O.; Espinosa, G. A charge pump with a 0.32% of current mismatch for a high speed PLL. Analog. Integr. Circuits Signal Process. 2016, 86, 321–326. [Google Scholar] [CrossRef]
- Cuizon, E.C.; Yuson, M.A.; Caberos, A.B.; Mapula, N.M.; Villaruz, H.M. Design of Charge Pump for Low Power, Wide Range PLL in 65 nm CMOS Technology. In Proceedings of the 2023 22nd International Symposium on Communications and Information Technologies (ISCIT), Sydney, Australia, 16–18 October 2023; pp. 1–5. [Google Scholar]
- Zhou, J.; Wang, Z. A high-performance CMOS charge-pump for phase-locked loops. In Proceedings of the 2008 International Conference on Microwave and Millimeter Wave Technology, Nanjing, China, 21–24 April 2008; pp. 839–842. [Google Scholar]

















| Parameter | This Work | [11] | [21] | [22] | [23] | [24] |
|---|---|---|---|---|---|---|
| Year | 2024 | 2021 | 2018 | 2016 | 2023 | 2008 |
| Tech. (nm) | 65 | 45 | 180 | 180 | 65 | 180 |
| Supply (V) | 1.2 | 1.8 | 1.8 | 1.8 | 1.2 | 1.8 |
| Icp (μA) | 100 | 10 | 10 | 100 | 80 | 200 |
| Compliance range (V) | 0.2–1 | 0.13–1.63 V | 0.25–1.25 | 0.3–1.5 | 0.24–0.9 | 0.25–1.62 |
| I-Mismatch (%) | 0.21 | <2 | 0.57 | 0.32 | 1.75 | 0.0105 |
| I-Variation (%) | 1.4 | 1.2 | 1 | <3.5 | NA | 16.8 |
Disclaimer/Publisher’s Note: The statements, opinions and data contained in all publications are solely those of the individual author(s) and contributor(s) and not of MDPI and/or the editor(s). MDPI and/or the editor(s) disclaim responsibility for any injury to people or property resulting from any ideas, methods, instructions or products referred to in the content. |
© 2024 by the authors. Licensee MDPI, Basel, Switzerland. This article is an open access article distributed under the terms and conditions of the Creative Commons Attribution (CC BY) license (https://creativecommons.org/licenses/by/4.0/).
Share and Cite
Guo, M.; Wang, L.; Wang, S.; Lu, J.; Cui, M. A Low Mismatch Current Charge Pump Applied to Phase-Locked Loops. Micromachines 2024, 15, 913. https://doi.org/10.3390/mi15070913
Guo M, Wang L, Wang S, Lu J, Cui M. A Low Mismatch Current Charge Pump Applied to Phase-Locked Loops. Micromachines. 2024; 15(7):913. https://doi.org/10.3390/mi15070913
Chicago/Turabian StyleGuo, Min, Lixin Wang, Shixin Wang, Jiacheng Lu, and Mengyao Cui. 2024. "A Low Mismatch Current Charge Pump Applied to Phase-Locked Loops" Micromachines 15, no. 7: 913. https://doi.org/10.3390/mi15070913
APA StyleGuo, M., Wang, L., Wang, S., Lu, J., & Cui, M. (2024). A Low Mismatch Current Charge Pump Applied to Phase-Locked Loops. Micromachines, 15(7), 913. https://doi.org/10.3390/mi15070913

