Design of a Novel Compact Bandpass Filter Based on Low-Cost Through-Silicon-Via Technology
Abstract
1. Introduction
2. TSV Based Coaxial-like Capacitor
3. TSV Based Solenoid Inductor
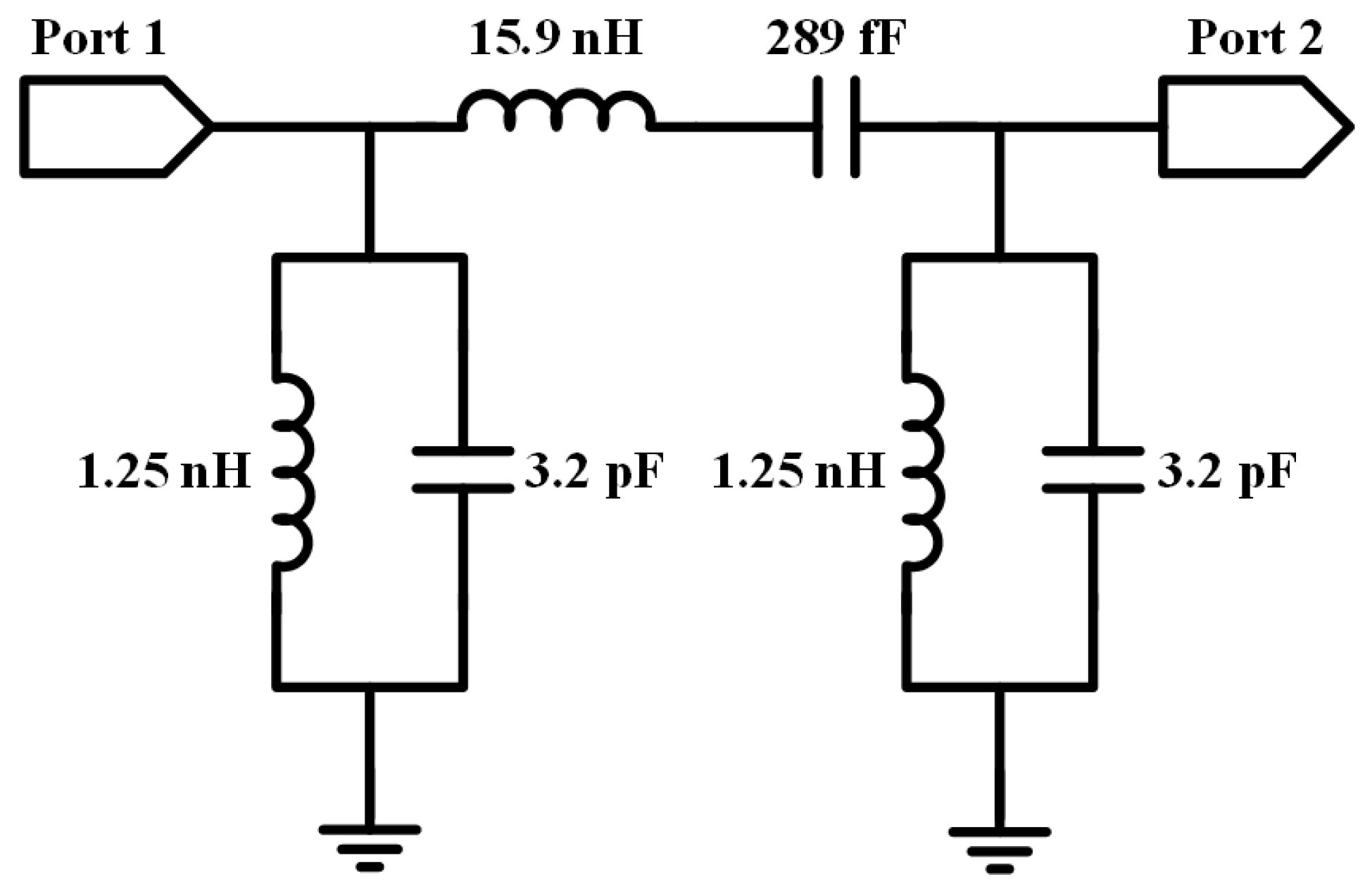
4. TSV Based Bandpass Filter
5. Conclusions
Author Contributions
Funding
Data Availability Statement
Conflicts of Interest
References
- Pourzadi, A.; Isapour, A.; Kouki, A. Design of Compact Dual-Band LTCC Second-Order Chebyshev Bandpass Filters Using a Direct Synthesis Approach. IEEE Trans. Microw. Theory Techn. 2019, 67, 1441–1451. [Google Scholar] [CrossRef]
- Feng, W.; Gao, X.; Che, W.; Yang, W.; Xue, Q. LTCC Wideband Bandpass Filters with High Performance Using Coupled Lines with Open/Shorted Stubs. IEEE Trans. Compon. Packag. Manuf. Technol. 2017, 7, 602–609. [Google Scholar] [CrossRef]
- Xiao, J.-K.; Zhu, M.; Li, Y.; Tian, L.; Ma, J.-G. High Selective Microstrip Bandpass Filter and Diplexer with Mixed Electromagnetic Coupling. IEEE Microw. Wirless Compon. Lett. 2015, 25, 781–783. [Google Scholar] [CrossRef]
- Zhu, L.; Bu, H.; Wu, K. Aperture Compensation Technique for Innovative Design of Ultra-Broadband Microstrip Bandpass Filter. In Proceedings of the IEEE MTT-S International Microwave Symposium (IMS2000), Boston, MA, USA, 11–16 June 2000; pp. 315–318. [Google Scholar]
- Mul, M.; Jasinski, M.; Lamecki, A.; Gómez-García, R.; Mrozowski, M. Inline Microwave Filters with N+1 Transmission Zeros Generated by Frequency-Variant Couplings: Coupling-Matrix-Based Synthesis and Design. IEEE Trans. Circuits Syst. II Exp. Briefs 2022, 69, 824–828. [Google Scholar] [CrossRef]
- Zhang, W.; Gu, J.; Xu, G.; Luo, L.; Li, X. Copper/Benzocyclotene Thin Film Technique Based Microstrip Bandpass Filter Featured by Thick Dielectric Layer for Low Insertion Loss. Microw. Opt. Technol. Lett. 2020, 62, 3695–3701. [Google Scholar] [CrossRef]
- Huang, Y.; Shao, Z.; Liu, L. A Substrate Integrated Waveguide Bandpass Filter Using Novel Defected Ground Structure Shape. Progr. Electroman. Res. 2013, 135, 201–213. [Google Scholar] [CrossRef]
- Sánchez, J.R.; Bachiller, C.; Nova, V.; Boria, V.E. Controlled Out-of-Band Rejection of Filters based on SIW with Alternating Dielectric Line Sections. IEEE Microw. Wirless Compon. Lett. 2015, 29, 258–260. [Google Scholar] [CrossRef]
- Shen, W.; Yin, W.-Y.; Sun, X.-W.; Wu, L.-S. Substrate-Integrated Waveguide Bandpass Filters with Planar Resonators for System-on-Package. IEEE Trans. Compon. Packag. Manuf. Technol. 2013, 3, 253–261. [Google Scholar] [CrossRef]
- Dey, S.; Koul, S.K. Reliable, Compact, and Tunable MEMS Bandpass Filter Using Arrays of Series and Shunt Bridges for 28-GHz 5G Applications. IEEE Trans. Microw. Theory Techn. 2021, 69, 75–88. [Google Scholar] [CrossRef]
- Shim, Y.; Wu, Z.; Rais-Zadeh, M. A High-Performance Continuously Tunable MEMS Bandpass Filter at 1 GHz. IEEE Trans. Microw. Theory Techn. 2012, 60, 2439–2447. [Google Scholar] [CrossRef]
- Mahon, S. The 5G Effect on RF Filter Technologies. IEEE Trans. Semicond. Manuf. 2017, 30, 494–499. [Google Scholar] [CrossRef]
- Lin, W.; Ziolkowski, R.W.; Huang, J. Electrically Small, Low-Profile, Highly Efficient, Huygens Dipole Rectennas for Wirelessly Powering Internet-of-Things Devices. IEEE Trans. Antennas Propag. 2019, 67, 3670–3679. [Google Scholar] [CrossRef]
- Hunter, C.; Billonet, L.; Jarry, B.; Guillon, P. Microwave Filters—Applications and Technology. IEEE Trans. Microw. Theory Techn. 2002, 50, 794–805. [Google Scholar] [CrossRef]
- Liu, L.; Bai, T.-L.; Deng, J.-Y.; Sun, D.; Zhang, Y.; Yong, T.; Zhou, S.-G.; Guo, L.-Z. Substrate Integrated Waveguide Filtering Horn Antenna Facilitated by Embedded Via-Hole Arrays. IEEE Antennas Wirel. Propag. Lett. 2020, 19, 1187–1191. [Google Scholar] [CrossRef]
- Zheng, Y.; Sheng, W. Compact Lumped-Element LTCC Bandpass Filter for Low-Loss VHF-Band Applications. IEEE Microw. Wirless Compon. Lett. 2017, 27, 1074–1076. [Google Scholar] [CrossRef]
- Zhang, X.Y.; Dai, X.; Kao, H.-L.; Wei, B.-H.; Cai, Z.Y.; Xue, Q. Compact LTCC Bandpass Filter with Wide Stopband Using Discriminating Coupling. IEEE Trans. Compon. Packag. Manuf. Technol. 2014, 4, 656–663. [Google Scholar] [CrossRef]
- Xu, J.-X.; Zhang, X.Y.; Zhao, X.-L.; Xue, Q. Synthesis and Implementation of LTCC Bandpass Filter with Harmonic Suppression. IEEE Trans. Compon. Packag. Manuf. Technol. 2016, 6, 596–604. [Google Scholar] [CrossRef]
- Lai, Q.; Fumeaux, C.; Hong, W.; Vahldieck, R. Characterization of the Propagation Properties of the Half-Mode Substrate Integrated Waveguide. IEEE Trans. Microw. Theory Techn. 2009, 57, 1996–2004. [Google Scholar]
- Huang, L.; Cha, H. Compact ridged half-mode substrate integrated waveguide bandpass filter. IEEE Microw. Wirel. Compon. Lett. 2015, 25, 223–225. [Google Scholar] [CrossRef]
- Huang, L.; Cha, H.; Li, Y. Compact Wideband Ridge Half-Mode Substrate Integrated Waveguide Filters. IEEE Trans. Microw. Theory Techn. 2016, 64, 3568–3579. [Google Scholar] [CrossRef]
- Zhao, L.; Zhang, X.; Wang, J.; Yu, W.; Li, J.; Su, H.; Shen, X. A Novel Broadband Band-pass Filter Based on Spoof Surface Plasmon Polaritons. Sci. Rep. 2016, 6, 36069. [Google Scholar] [CrossRef]
- Wang, M.; Sun, S.; Ma, H.F.; Cui, T.J. Supercompact and Ultrawideband Surface Plasmonic Bandpass Filter. IEEE Trans. Microw. Theory Techn. 2020, 68, 732–740. [Google Scholar] [CrossRef]
- Guan, D.-F.; You, P.; Zhang, Q.; Yang, Z.-B.; Liu, H.; Yong, S.-W. Slow-Wave Half-Mode Substrate Integrated Waveguide Using Spoof Surface Plasmon Polariton Structure. IEEE Trans. Microw. Theory Techn. 2018, 66, 2946–2952. [Google Scholar] [CrossRef]
- Guan, D.-F.; You, P.; Zhang, Q.; Xiao, K.; Yong, S.-W. Hybrid Spoof Surface Plasmon Polariton and Substrate Integrated Waveguide Transmission Line and Its Application in Filter. IEEE Trans. Microw. Theory Techn. 2017, 65, 4925–4932. [Google Scholar] [CrossRef]
- Lin, T.-W.; Low, K.K.W.; Gaddi, R.; Rebeiz, G.M. High-Linearity 5.3–7.0 GHz 3-Pole Tunable Bandpass Filter Using Commercial RF MEMS Capacitors. In Proceedings of the 2018 48th European Microwave Conference (EuMC), Madrid, Spain, 25–27 September 2018; pp. 555–558. [Google Scholar]
- Hikmat, F.; Ali, M.S.M. RF MEMS Inductors and Their Applications—A Review. J. Microelectromech. Syst. 2017, 26, 17–44. [Google Scholar] [CrossRef]
- Liu, X.; Katehi, L.P.B.; Chappell, W.J.; Peroulis, D. A 3.4–6.2 GHz Continuously Tunable Electrostatic MEMS Resonator with Quality Factor of 460–530. In Proceedings of the 2009 IEEE MTT-S International Microwave Symposium Digest, Boston, MA, USA, 7–12 June 2009; pp. 1149–1152. [Google Scholar]
- Hafiz, M.A.A.; Kosuru, L.; Hajjaj, A.Z.; Younis, M.I. Highly Tunable Narrow Bandpass MEMS Filter. IEEE Trans. Electron. Devices. 2017, 64, 3392–3398. [Google Scholar] [CrossRef]
- Koyanagi, M. Heterogeneous 3D Integration—Technology Enabler Toward Future Super-Chip. In Proceedings of the 2013 IEEE International Electron Devices Meeting, Washington, DC, USA, 9–11 December 2013; pp. 1.2.1–1.2.8. [Google Scholar]
- Beica, R. 3D Integration: Applications and Market Trends. In Proceedings of the 2015 International 3D Systems Integration Conference (3DIC), Sendai, Japan, 31 August–2 September 2015; pp. TS5.1.1–TS5.1.7. [Google Scholar]
- Beyne, E. The Rise of the 3rd Dimension for System Integration. In Proceedings of the 2006 International Interconnect Technology Conference, Burlingame, CA, USA, 5–7 June 2006; pp. 1–5. [Google Scholar]
- Wang, Z. 3-D integration and through-silicon vias in MEMS and microsensors. J. Microelectromech. Syst. 2015, 24, 1211–1244. [Google Scholar] [CrossRef]
- Lau, J.H. Through-Silicon Vias for 3D Integration; McGraw-Hill: New York, NY, USA, 2012. [Google Scholar]
- Motoyoshi, M. Through-Silicon Via (TSV). Proc. IEEE 2009, 97, 43–48. [Google Scholar] [CrossRef]
- Chang, Y.-Y.; Ko, C.-T.; Yu, T.-H.; Hsieh, Y.-S.; Chen, K.-N. Modeling and Characterization of TSV Capacitor and Stable Low-Capacitance Implementation for Wide-I/O Application. IEEE Trans. Device Mater. Rel. 2015, 15, 129–135. [Google Scholar] [CrossRef]
- Tian, U.R.; Yang, R.; Zhuo, C.; Shi, Y. On the Efficacy of Through-Silicon-via Inductors. IEEE Trans. Very Large Scale Integr. (VLSI) Syst. 2015, 23, 1322–1334. [Google Scholar]
- Li, H.; Liu, J.; Xu, T.; Xia, J.; Tan, X.; Tao, Z. Fabrication and Optimization of High Aspect Ratio Through-Silicon-Vias Electroplating for 3D Inductor. Micromachines 2018, 9, 528. [Google Scholar] [CrossRef] [PubMed]
- Kim, J.; Shenoy, R.; Lai, K.-Y.; Kim, J. High-Q 3D RF Solenoid Inductors in Glass. In Proceedings of the 2014 IEEE Radio Frequency Integrated Circuits Symposium, Tampa, FL, USA, 1–3 June 2014; pp. 199–200. [Google Scholar]
- Kim, M.S.; Pulugurtha, M.R.; Sundaram, V.; Tummala, R.R.; Yun, H. Ultrathin High-Q 2-D and 3-D RF Inductors in Glass Packages. IEEE Trans. Compon. Packag. Manuf. Technol. 2018, 8, 643–652. [Google Scholar] [CrossRef]
- Yook, J.-M.; Kim, D.; Kim, J.C. High-Q Trenched Spiral Inductors and Low-loss Low Pass Filters Using through Silicon via Processes. Jpn. J. Appl. Phys. 2014, 53, 04EE11. [Google Scholar] [CrossRef]
- Wang, F.; Yu, N. An Ultracompact Butterworth Low-Pass Filter Based on Coaxial Through-Silicon Vias. IEEE Trans. Very Large Scale Integr. (VLSI) Syst. 2017, 25, 1164–1167. [Google Scholar] [CrossRef]
- Sitaraman, S.; Sukumaran, V.; Pulugurtha, M.R.; Wu, Z.; Suzuki, Y.; Kim, Y.; Sundaram, V.; Kim, J.; Tummala, R.R. Miniaturized Bandpass Filters as Ultrathin 3-D IPDs and Embedded Thinfilms in 3-D Glass Modules. IEEE Trans. Compon. Packag. Manuf. Technol. 2017, 7, 1410–1418. [Google Scholar] [CrossRef]
- Qian, L.; Sang, J.; Xia, Y.; Wang, J.; Zhao, P. Investigating on Through Glass via Based RF Passives for 3-D Integration. IEEE J. Electron. Devices Soc. 2018, 6, 755–759. [Google Scholar] [CrossRef]
- Zhang, Z.; Ding, Y.; Chen, Z.; Zhou, M.; Xiao, L.; Cai, Z.; Xiong, M.; Gong, X. Design and Evaluation of a Novel and Ultra-Compact Fully-TGV-Based Self-Shielding Bandpass Filter for 5G Applications. In Proceedings of the 2019 International 3D Systems Integration Conference (3DIC), Sendai, Japan, 8–10 October 2019; pp. 1–4. [Google Scholar]
- Mariappan, M.; Fukushima, T.; Beatrix, J.; Hashimoto, H.; Sato, Y.; Lee, K.; Tanaka, T.; Koyanagi, M. Replacing the PECVD-SiO2 in the Through-Silicon Via of High-Density 3D LSIs with Highly Scalable Low Cost Organic Liner: Merits and Demerits. In Proceedings of the 2014 IEEE 64th Electronic Components and Technology Conference (ECTC), Orlando, FL, USA, 27–30 May 2014; pp. 636–640. [Google Scholar]
- Chen, Q.; Cui, H.; Tan, Z.; Wang, Z. Low Capacitance Through-Silicon-Vias with Uniform Benzocyclobutene Insulation Layers. IEEE Trans. Compon. Packag. Manuf. Technol. 2013, 3, 724–731. [Google Scholar] [CrossRef]
- Liu, B.; Yan, Y.; Zhang, Z.; Chen, Z.; Ding, Y. Electrical Characteristics and Thermal Reliability of Blind Through-Silicon-Vias with Polyimide Liners. In Proceedings of the 2016 17th International Conference on Electronic Packaging Technology (ICEPT), Wuhan, China, 16–19 August 2016; pp. 1360–1364. [Google Scholar]
- Yan, Y.; Ding, Y.; Chen, Q.; Lee, K.; Fukushima, T.; Koyanagi, M. Vacuum-Assisted-Spin-Coating of Polyimide Liner for High-Aspect-Ratio TSVs Applications. In Proceedings of the 2015 International 3D Systems Integration Conference (3DIC), Sendai, Japan, 31 August–2 September 2015; pp. TS5.2.1–TS5.2.5. [Google Scholar]
- Yan, Y.; Zhang, Z.; Cheng, Z.; Zhou, L.; Chen, Z.; Ding, Y. Low Cost Polyimide Liner Formation with Vacuum-Assisted Spin Coating for Through-Silicon-Vias. In Proceedings of the 2016 IEEE International 3D Systems Integration Conference (3DIC), San Francisco, CA, USA, 8–11 November 2016; pp. 1–5. [Google Scholar]
- Xiong, M.; Chen, Z.; Ding, Y.; Kino, H.; Fukushima, T.; Tanaka, T. Development of Eccentric Spin Coating of Polymer Liner for Low-Temperature TSV Technology with Ultra-Fine Diameter. IEEE Electron. Device Lett. 2019, 40, 95–98. [Google Scholar] [CrossRef]
- Guiller, O.; Joblot, S.; Lamy, Y.; Farcy, A.; Carpentier, J.F.; Defay, E. Through Silicon Capacitor Co-Integrated with TSVs on Silicon Interposer. Microelectron. Eng. 2014, 20, 121–126. [Google Scholar] [CrossRef]
- Li, J.; Ma, S.; Liu, H.; Guan, Y.; Chen, J.; Jin, Y.; Wang, W.; Hu, L.; He, S. Design, Fabrication and Characterization of TSV Interposer Integrated 3D Capacitor for SIP Applications. In Proceedings of the 2018 IEEE 68th Electronic Components and Technology Conference (ECTC), San Diego, CA, USA, 29 May–1 June 2018; pp. 1974–1980. [Google Scholar]
- Lin, Y.; Li, H.Y.; Tan, C.S. Structural Integrity of 3-D Metal-Insulator-Metal Capacitor Embedded in Fully Filled Cu Through-Silicon Via. IEEE Trans. Compon. Packag. Manuf. Technol. 2021, 11, 918–921. [Google Scholar] [CrossRef]
- Lu, K.-C.; Horng, T.-S.; Li, H.-H.; Fan, K.C.; Huang, T.-Y.; Lin, C.-H. Scalable Modeling and Wideband Measurement Techniques for a Signal TSV Surrounded by Multiple Ground TSVs for RF/High-Speed Applications. In Proceedings of the 2012 IEEE 62nd Electronic Components and Technology Conference, San Diego, CA, USA, 29 May–1 June 2012; pp. 1023–1026. [Google Scholar]
- Hawatmeh, D.; Weller, T. 2.4 GHz Band Pass Filter Architecture for Direct Print Additive Manufacturing. In Proceedings of the 2018 IEEE/MTT-S International Microwave Symposium—IMS, Philadelphia, PA, USA, 10–15 June 2018; pp. 67–70. [Google Scholar]
- Xu, J. Compact Quasi-Elliptic Response Wideband Bandpass Filter with Four Transmission Zeros. IEEE Microw. Wirless Compon. Lett. 2015, 25, 169–171. [Google Scholar] [CrossRef]
- Belmajdoub, A.; El Alami, A.; Das, S.; Madhav, B.T.P.; Bennani, S.D.; Jorio, M. Design, Optimization and Realization of Compact Bandpass Filter Using Two Identical Square Open-Loop Resonators for Wireless Communications Systems. Int. J. Instrum. (JINST) 2019, 14, 09012. [Google Scholar] [CrossRef]
- Afzali, B.; Abbasi, H.; Shama, F.; Dehdasht-Heydari, R. A Microstrip Bandpass Filter with Deep Rejection and Low Insertion Loss for Application at 2.4 GHz Useful Wireless Frequency. Int. J. Electron. Commun. 2021, 138, 153811. [Google Scholar] [CrossRef]








| References | f0 (GHz) | FBW (%) | Insertion Loss (dB) | Return Loss (dB) | Size (mm × mm) | Technology |
|---|---|---|---|---|---|---|
| [17] | 2.4 | 12.5 | 2.4 | 15 | 2.63 × 2.61 | LTCC |
| [18] | 2.6 | 10.2 | 2.47 | 20 | 2 × 1.7 | LTCC |
| [23] | 2.4 | 174 | 1.1 | 11 | 87.5 × 12.8 | SSPP |
| [43] | 2.65 | 62.9 | 0.6 | 30 | 1 × 0.5 | TGV and IC |
| [44] | 2.45 | 31.5 | 2.4 | 15 | 0.44 × 0.33 | TGV and IC |
| [56] | 2.7 | 2 | 3.8 | 14 | 44.8 × 16 | DPAM * |
| [57] | 2.33 | 39.8 | 0.65 | 15 | 18.5 × 18.5 | Micro-strip |
| [58] | 2.4 | 10.4 | 0.87 | 15 | 9.4 × 23.1 | Micro-strip |
| [59] | 2.4 | 12.1 | 1.2 | 15 | 19.1 × 11.2 | Micro-strip |
| This work | 2.4 | 17 | 2.63 | 11.4 | 0.81 × 0.44 | PI-TSV |
Disclaimer/Publisher’s Note: The statements, opinions and data contained in all publications are solely those of the individual author(s) and contributor(s) and not of MDPI and/or the editor(s). MDPI and/or the editor(s) disclaim responsibility for any injury to people or property resulting from any ideas, methods, instructions or products referred to in the content. |
© 2023 by the authors. Licensee MDPI, Basel, Switzerland. This article is an open access article distributed under the terms and conditions of the Creative Commons Attribution (CC BY) license (https://creativecommons.org/licenses/by/4.0/).
Share and Cite
Dong, H.; Ding, Y.; Wang, H.; Pan, X.; Zhou, M.; Zhang, Z. Design of a Novel Compact Bandpass Filter Based on Low-Cost Through-Silicon-Via Technology. Micromachines 2023, 14, 1251. https://doi.org/10.3390/mi14061251
Dong H, Ding Y, Wang H, Pan X, Zhou M, Zhang Z. Design of a Novel Compact Bandpass Filter Based on Low-Cost Through-Silicon-Via Technology. Micromachines. 2023; 14(6):1251. https://doi.org/10.3390/mi14061251
Chicago/Turabian StyleDong, Hai, Yingtao Ding, Han Wang, Xingling Pan, Mingrui Zhou, and Ziyue Zhang. 2023. "Design of a Novel Compact Bandpass Filter Based on Low-Cost Through-Silicon-Via Technology" Micromachines 14, no. 6: 1251. https://doi.org/10.3390/mi14061251
APA StyleDong, H., Ding, Y., Wang, H., Pan, X., Zhou, M., & Zhang, Z. (2023). Design of a Novel Compact Bandpass Filter Based on Low-Cost Through-Silicon-Via Technology. Micromachines, 14(6), 1251. https://doi.org/10.3390/mi14061251

