Ka Band Low Channel Mutual Coupling Integrated Packaged Phased Array Receiver Front-End for Passive Millimeter-Wave Imaging
Abstract
1. Introduction
2. Analysis of Channel Mutual Coupling on a Linear Phased Array
2.1. Receiver Front End Array Architecture in the System
2.2. Influence Analysis of Channel Mutual Coupling on the Phased Array Pattern
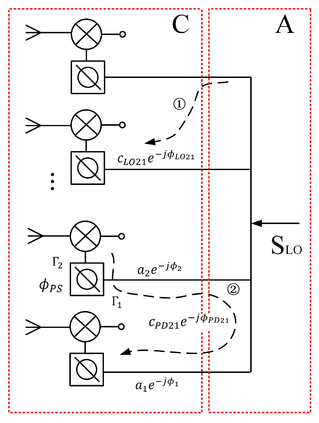
2.3. Influence Analysis of Channel Mutual Coupling on LO Amplitude and Phase Error
3. Phased Array Receiver Front End and Suppression Design of Channel Mutual Coupling
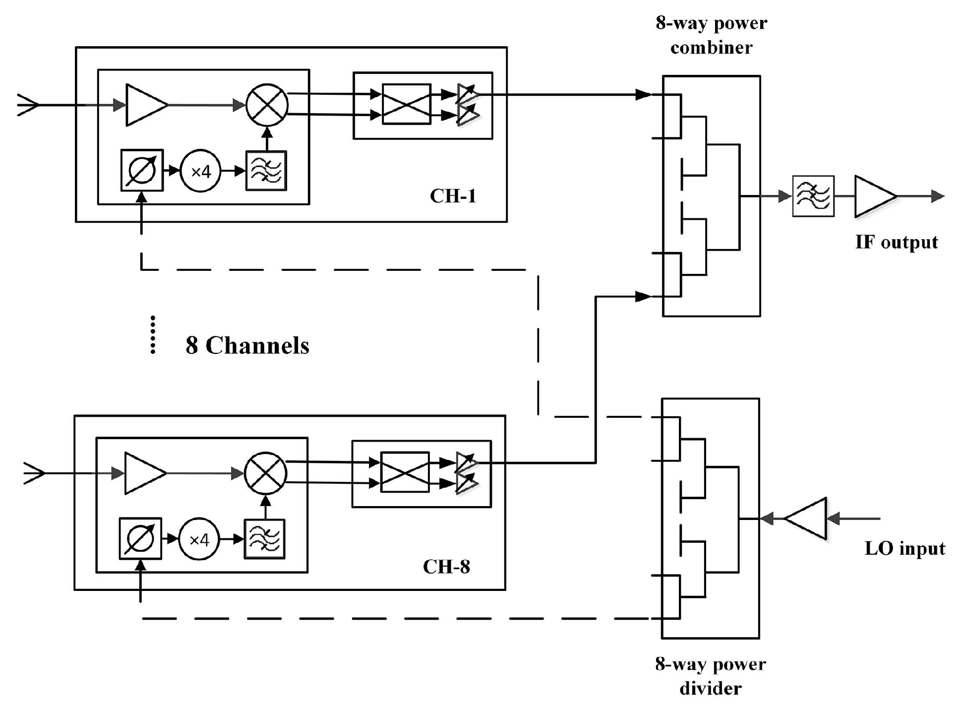
3.1. Phased Array Receiver Front End
3.2. Influence Analysis and Suppression Design of Channel Mutual Coupling in RF and IF Paths
3.3. Influence Analysis and Suppression Design of Channel Mutual Coupling in LO Path
4. Measurement of the Receiver Front End and Array
4.1. Channel Mutual Coupling Measurement Method of Multi-Channel Integrated Package
4.2. Basic Performance of the Receiver Front End
4.3. System Integration and Imaging Experiment
5. Conclusions
Author Contributions
Funding
Data Availability Statement
Conflicts of Interest
References
- Salmon, N. Outdoor Passive Millimeter-Wave Imaging: Phenomenology and Scene Simulation. IEEE Trans. Antennas Propag. 2018, 66, 897–908. [Google Scholar] [CrossRef]
- Peichl, M.; Still, H.; Dill, S.; Greiner, M.; Jirousek, M. Imaging technologies and applications of microwave radiometry. In Proceedings of the First European Radar Conference, Amsterdam, The Netherlands, 11–15 October 2004. [Google Scholar]
- Kapilevich, B.; Litvak, B.; Shulzinger, A.; Einat, M. Portable Passive Millimeter-Wave Sensor for Detecting Concealed Weapons and Explosives Hidden on a Human Body. IEEE Sens. J. 2013, 13, 4224–4228. [Google Scholar] [CrossRef]
- Ahmed, S. Microwave Imaging in Security—Two Decades of Innovation. IEEE J. Microw. 2021, 1, 191–201. [Google Scholar] [CrossRef]
- Guo, X.; Asif, M.; Hu, A.; Li, Z.; Miao, J. A 1-GHz 64-Channel Cross-Correlation System for Real-Time Interferometric Aperture Synthesis Imaging. Sensors 2019, 19, 1739. [Google Scholar] [CrossRef] [PubMed]
- Zhao, Y.; Hu, A.; Si, W.; Guo, X.; Miao, J. Calibration of Visibility Samples for Real-Time Passive Millimeter Wave Imaging. IEEE Access 2021, 9, 106441–106450. [Google Scholar] [CrossRef]
- Yu, T.; Rebeiz, G. A 22–24 GHz 4-Element CMOS Phased Array with On-Chip Coupling Characterization. IEEE J. Solid State Circuits 2008, 43, 2134–2143. [Google Scholar] [CrossRef]
- Shin, D.; Rebeiz, G. A High-Linearity X-Band Four-Element Phased-Array Receiver: CMOS Chip and Packaging. IEEE Trans. Microw. Theory Tech. 2011, 59, 2064–2072. [Google Scholar] [CrossRef]
- Koh, K.; Rebeiz, G. An X- and Ku-Band 8-Element Phased-Array Receiver in 0.18-μm SiGe BiCMOS Technology. IEEE J. Solid State Circuits 2008, 43, 1360–1371. [Google Scholar] [CrossRef]
- Wu, L.; Leung, H.; Li, A.; Luong, H. A 4-Element 60-GHz CMOS Phased-Array Receiver with Beamforming Calibration. IEEE Trans. Circuits Syst. I Regul. Pap. 2016, 64, 642–652. [Google Scholar] [CrossRef]
- Chen, C.-N.; Lin, Y.-H.; Hung, L.-C.; Tang, T.-C.; Chao, W.-P.; Chen, C.-Y.; Chuang, P.-H.; Lin, G.-Y.; Liao, W.-J.; Nien, Y.-H.; et al. 38-GHz Phased Array Transmitter and Receiver Based on Scalable Phased Array Modules with Endfire Antenna Arrays for 5G MMW Data Links. IEEE Trans. Microw. Theory Tech. 2020, 69, 980–999. [Google Scholar] [CrossRef]
- Schreiber, E.; Anger, S.; Peichl, M. Design of an integrated Ka band receiver module for passive microwave imaging systems. In Proceedings of the 2011 Semiconductor Conference Dresden, Dresden, Germany, 27–28 September 2011. [Google Scholar]
- Shi, H.; Zhang, L.; Fan, Z.; Xue, X.; Zhang, T.; Zhou, D. Design of a Ka Band High Integration Receiver Module. In Proceedings of the 2018 IEEE 18th International Conference on Communication Technology (ICCT), Chongqing, China, 8–11 October 2018. [Google Scholar]
- Guan, F.; Yang, M.; Sun, S.; Rong, Q.; Sun, X. A Ka-band high sensibility wideband millimeter wave receiver used for imaging application. In Proceedings of the 2010 International Conference on Microwave and Millimeter Wave Technology, Chengdu, China, 8–11 May 2010. [Google Scholar]
- Curran, B.; Reyes, J.; Tschoban, C.; Höfer, J.; Grams, A.; Wüst, F.; Hutter, M.; Leiß, J. Development and Validation of a Chip Integration Concept for Multi-Die GaAs Front Ends for Phased Arrays up to 60 GHz. IEEE Trans. Compon. Packag. Manuf. Technol. 2018, 8, 1231–1240. [Google Scholar] [CrossRef]
- Patterson, E.; Khan, W.; Ponchak, G.; May, G.; Papapolymerou, J. A 60-GHz Active Receiving Switched-Beam Antenna Array with Integrated Butler Matrix and GaAs Amplifiers. IEEE Trans. Microw. Theory Tech. 2012, 60, 3599–3607. [Google Scholar] [CrossRef]
- Mailloux, R. Phased array theory and technology. Proc. IEEE 1982, 70, 246–291. [Google Scholar] [CrossRef]
- Hashemi, H.; Guan, X.; Komijani, A.; Hajimiri, A. A 24-GHz SiGe phased-array receiver-LO phase-shifting approach. IEEE Trans. Microw. Theory Tech. 2005, 53, 614–626. [Google Scholar] [CrossRef]
- Lim, J.; Kwon, D.; Rieh, J.; Kim, S.; Hwang, S. RF characterization and modeling of various wire bond transitions. IEEE Trans. Adv. Packag. 2005, 28, 772–778. [Google Scholar]
- Kizilbey, Q.; Bozdemir, S.; Yarman, B. 2–10 GHz multisection 2-way Wilkinson power divider with enhanced port match and isolation. In Proceedings of the 2017 IEEE 18th Wireless and Microwave Technology Conference (WAMICON), Cocoa Beach, FL, USA, 24–25 April 2017. [Google Scholar]
- Wang, B.; Li, Y.; Tian, B. Rotating-element electric-field vector (REV) calibration method based on power measurement for phased array antenna. In Proceedings of the 2017 International Applied Computational Electromagnetics Society Symposium (ACES), Suzhou, China, 1–4 August 2017. [Google Scholar]
- Yang, H.; Zhang, D.; Hu, A.; Liu, C.; Cui, T.; Miao, J. Transformer-Based Anchor-Free Detection of Concealed Objects in Passive Millimeter Wave Images. IEEE Trans. Instrum. Meas. 2022, 71, 5012216. [Google Scholar] [CrossRef]
- Tian, Y.; Fu, Y.; Zhang, J. Transformer-Based Under-Sampled Single-Pixel Imaging. Chin. J. Electron. 2023, 32, 1–9. [Google Scholar]
- Koh, K.; May, J.; Rebeiz, G. A Millimeter-Wave (40–45 GHz) 16-Element Phased-Array Transmitter in 0.18-μm SiGe BiCMOS Technology. IEEE J. Solid-State Circuits 2009, 44, 1498–1509. [Google Scholar] [CrossRef]
- Peng, N.; Gu, P.; You, X.; Zhao, D. A Ka-Band CMOS 4-Beam Phased-Array Receiver With Symmetrical Beam-Distribution Network. IEEE Solid-State Circuits Lett. 2020, 3, 410–413. [Google Scholar] [CrossRef]
- Yang, F.; Zhang, B.; Song, L. A Ku-Band Miniaturized System-in-Package Using HTCC for Radar Transceiver Module Application. Micromachines 2022, 13, 1817. [Google Scholar] [CrossRef] [PubMed]
- Alhamed, A.; Kazan, O.; Gültepe, G.; Rebeiz, G. A Multiband/Multistandard 15–57 GHz Receive Phased-Array Module Based on 4 × 1 Beamformer IC and Supporting 5G NR FR2 Operation. IEEE Trans. Microw. Theory Tech. 2022, 70, 1732–1744. [Google Scholar] [CrossRef]




























| Channel Number | 1 | 2 | 3 | 4 | 5 | 6 | 7 | 8 |
|---|---|---|---|---|---|---|---|---|
| 1 | - | −48.9 | −67.9 | −62.0 | −77.2 | −62.3 | −69.0 | −71.7 |
| 2 | −64.3 | - | −47.4 | −70.6 | −61.3 | −76.1 | −67.9 | −68.3 |
| 3 | −62.6 | −59.9 | - | −48.7 | −68.3 | −69.9 | −66.8 | −74.4 |
| 4 | −67.2 | −75.9 | −65.2 | - | −58.3 | −66.4 | −70.3 | −65.4 |
| 5 | −69.6 | −61.0 | −64.5 | −74.5 | - | −52.1 | −68.1 | −64.5 |
| 6 | −65.6 | −73.4 | −74.2 | −68.8 | −59.7 | - | −55.0 | −67.0 |
| 7 | −65.1 | −66.4 | −63.4 | −67.7 | −58.0 | −56.4 | - | −52.8 |
| 8 | −68.2 | −70.0 | −68.9 | −69.4 | −61.3 | −68.6 | −49.9 | - |
| Detection Distance | Imaging Resolution | |
|---|---|---|
| (m) | (cm) | (°) |
| 1 | 1.9 | 1.09 |
| 2 | 3.72 | 1.07 |
| 3 | 5.33 | 1.02 |
| 4 | 7.16 | 1.03 |
| 5 | 8.82 | 1.01 |
| Ref. | Integration Level | Technology | RF (GHz) | Channel Number | Channel /CG (dB) | NF (dB) | IRR (dB) | Isolation (dB) | Channel /PDC (mW) | Phase Control (°) |
|---|---|---|---|---|---|---|---|---|---|---|
| [7] 2008 | Single-chip | 0.13 µm CMOS | 22~34 | 4 | 9~12 | 7.5~8 | - | 27 | 30 | 360 (continuous) |
| [24] 2009 | Single-chip | 0.18 µm SiGe | 40~45 | 16 | 12.5 | - | - | 30 | 225 | 360 (4 bit) |
| [25] 2020 | Single-chip | 65 nm CMOS | 27~31 | 8 | 0~3 | 4 | - | 32 | 5 | 360 (6 bit) |
| [26] 2022 | SIP | 0.25 µm GaAs | 14.5~16.5 | 4 | 22.5 | 3.4 | - | 25 | - | 360 (6 bit) |
| [15] 2018 | MCM | 0.15 µm GaAs | 60 | 1 | 0 | - | 30 | - | 800 | 360 (5 bit) |
| [11] 2020 | MCM | 65 nm CMOS | 37~40 | 16 | 37 | 5 | 28 | - | 6040 | 360(4 bit) |
| [27] 2022 | MCM | 0.18 µm SiGe | 15~57 | 8 | 25 | 4.7~6.2 | - | - | 242 | 360 (5 bit) |
| This work | MCM | 0.15 µm GaAs | 32~36 | 8 | 28~31 | 3.6 | 35 | 47 | 550 | 360 (continuous) |
Disclaimer/Publisher’s Note: The statements, opinions and data contained in all publications are solely those of the individual author(s) and contributor(s) and not of MDPI and/or the editor(s). MDPI and/or the editor(s) disclaim responsibility for any injury to people or property resulting from any ideas, methods, instructions or products referred to in the content. |
© 2023 by the authors. Licensee MDPI, Basel, Switzerland. This article is an open access article distributed under the terms and conditions of the Creative Commons Attribution (CC BY) license (https://creativecommons.org/licenses/by/4.0/).
Share and Cite
Chen, X.; Hu, A.; Gong, J.; Miao, J. Ka Band Low Channel Mutual Coupling Integrated Packaged Phased Array Receiver Front-End for Passive Millimeter-Wave Imaging. Micromachines 2023, 14, 859. https://doi.org/10.3390/mi14040859
Chen X, Hu A, Gong J, Miao J. Ka Band Low Channel Mutual Coupling Integrated Packaged Phased Array Receiver Front-End for Passive Millimeter-Wave Imaging. Micromachines. 2023; 14(4):859. https://doi.org/10.3390/mi14040859
Chicago/Turabian StyleChen, Xi, Anyong Hu, Jianhao Gong, and Jungang Miao. 2023. "Ka Band Low Channel Mutual Coupling Integrated Packaged Phased Array Receiver Front-End for Passive Millimeter-Wave Imaging" Micromachines 14, no. 4: 859. https://doi.org/10.3390/mi14040859
APA StyleChen, X., Hu, A., Gong, J., & Miao, J. (2023). Ka Band Low Channel Mutual Coupling Integrated Packaged Phased Array Receiver Front-End for Passive Millimeter-Wave Imaging. Micromachines, 14(4), 859. https://doi.org/10.3390/mi14040859

