A Novel Low-Power and Soft Error Recovery 10T SRAM Cell
Abstract
1. Introduction
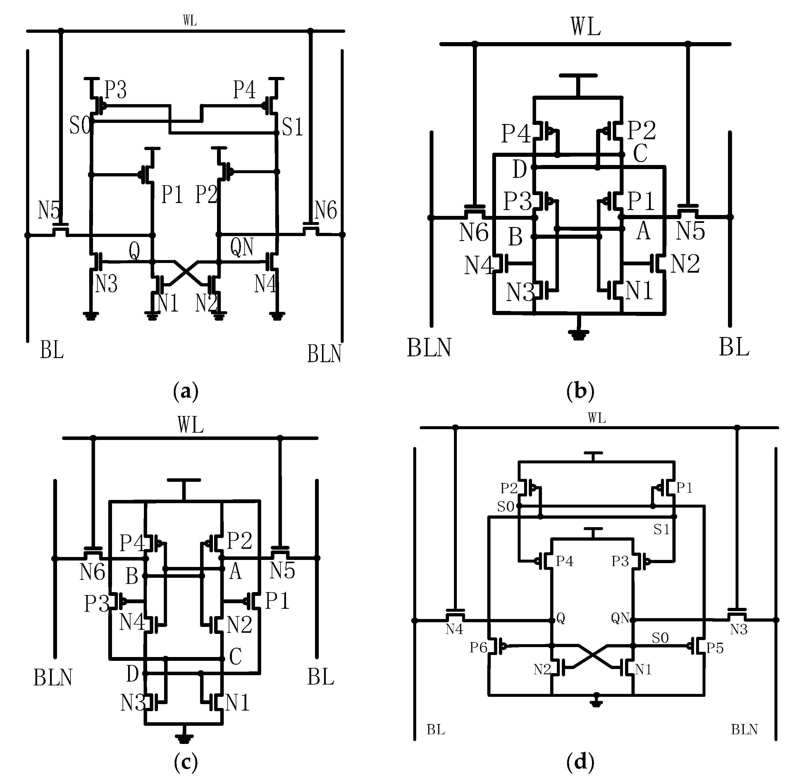
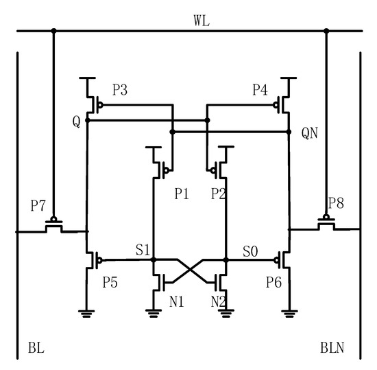
2. Proposed PP10T Unit
2.1. Reading and Writing of PP10T
2.2. SEE Analysis of PP10T
3. Analysis of Simulation Results
3.1. Verification of PP10T Read/Write Function
3.2. Write/Read Access Time Comparison
3.3. Static Noise Margin Comparison
3.4. Hold Power Comparison
3.5. SEU Recovery Verification
4. Conclusions
Author Contributions
Funding
Data Availability Statement
Conflicts of Interest
References
- Mersten, G.S. Microprocessors in aerospace applications. In Proceedings of the Compcon Fall 79, Washington, DC, USA, 4–7 September 1979; IEEE: New York, NY, USA, 1979; pp. 264–269. [Google Scholar]
- Prasad, G.; Mandi, B.C.; Ali, M. Power optimized SRAM cell with high radiation hardened for aerospace applications. Microelectron. J. 2020, 103, 104843. [Google Scholar] [CrossRef]
- Pavón-Carrasco, F.J.; De Santis, A. The South Atlantic anomaly: The key for a possible geomagnetic reversal. Front. Earth Sci. 2016, 4, 40. [Google Scholar] [CrossRef]
- Ibe, E.; Taniguchi, H.; Yahagi, Y.; Shimbo, K.I.; Toba, T. Impact of scaling on neutron-induced soft error in SRAMs from a 250 nm to a 22 nm design rule. IEEE Trans. Electron Devices 2010, 57, 1527–1538. [Google Scholar] [CrossRef]
- Dodd, P.E.; Massengill, L.W. Basic mechanisms and modeling of single-event upset in digital microelectronics. IEEE Trans. Nucl. Sci. 2003, 50, 583–602. [Google Scholar] [CrossRef]
- Guo, J.; Xiao, L.; Mao, Z. Novel low-power and highly reliable radiation hardened memory cell for 65 nm CMOS technology. IEEE Trans. Circuits Syst. I Regul. Pap. 2014, 61, 1994–2001. [Google Scholar] [CrossRef]
- Liu, S.F.; Reviriego, P.; Maestro, J.A. Efficient majority logic fault detection with difference-set codes for memory applications. IEEE Trans. Very Large Scale Integr. (VLSI) Syst. 2010, 20, 148–156. [Google Scholar] [CrossRef]
- Gracia-Moran, J.; Saiz-Adalid, L.J.; Gil-Tomas, D.; Gil-Vicente, P.J. Improving error correction codes for multiple-cell upsets in space applications. IEEE Trans. Very Large Scale Integr. (VLSI) Syst. 2018, 26, 2132–2142. [Google Scholar]
- Calin, T.; Nicolaidis, M.; Velazco, R. Upset hardened memory design for submicron CMOS technology. IEEE Trans. Nucl. Sci. 1996, 43, 2874–2878. [Google Scholar] [CrossRef]
- Jahinuzzaman, S.M.; Rennie, D.J.; Sachdev, M.A. Soft Error Tolerant 10T SRAM Bit-Cell With Differential Read Capability. IEEE Trans. Nucl. Sci. 2009, 56, 3768–3773. [Google Scholar] [CrossRef]
- Jung, I.S.; Kim, Y.B.; Lombardi, F. A novel sort error hardened 10T SRAM cells for low voltage operation. In Proceedings of the 2012 IEEE 55th International Midwest Symposium on Circuits and Systems (MWSCAS), Boise, ID, USA, 5–8 August 2012; IEEE: New York, NY, USA, 2012; pp. 714–717. [Google Scholar]
- Guo, J.; Zhu, L.; Sun, Y.; Cao, H.; Huang, H.; Wang Mao, Z. Design of Area-Efficient and Highly Reliable RHBD 10T Memory Cell for Aerospace Applications. IEEE Trans. Very Large Scale Integr. (VLSI) Syst. 2018, 26, 991–994. [Google Scholar] [CrossRef]
- Pal, S.; Ki, W.-H.; Tsui, C.-Y. Soft-Error-Aware Read-Stability-Enhanced Low-Power 12T SRAM with Multi-Node Upset Recoverability for Aerospace Applications. IEEE Trans. Circuits Syst. I Regul. Pap. 2022, 69, 1560–1570. [Google Scholar] [CrossRef]
- Lee, H.H.K.; Klas, L.; Mounaim, B.; Prasanthi, R.; Linscott, I.R.; Inan, U.S.; Subhasish, M. LEAP: Layout design through error-aware transistor positioning for soft-error resilient sequential cell design. In Proceedings of the 2010 IEEE International Reliability Physics Symposium, Garden Grove, CA, USA, 2–6 May 2010; IEEE: New York, NY, USA, 2010; pp. 203–212. [Google Scholar]
- Hsieh, C.-Y.; Fan, M.L.; Hu, V.P.H.; Su, P.; Chuang, C.T. Independently-controlled-gate finFET Schmitt trigger sub-threshold SRAMS. IEEE Trans. VLSI Syst. 2012, 20, 1201–1209. [Google Scholar] [CrossRef]
- Wang, J.; Nalam, S.; Calhoun, B.H. Analyzing static and dynamic write margin for nanometer SRAMs. In Proceedings of the 2008 International Symposium on Low Power Electronics & Design, Bangalore, India, 11–13 August 2008; pp. 129–134. [Google Scholar]
- Rao, R.R.; Chopra, K.; Blaauw, D.T.; Sylvester, D.M. Computing the Soft Error Rate of a Combinational Logic Circuit Using Parameterized Descriptors. IEEE Trans. Comput.-Aided Des. Integr. Circuits Syst. 2007, 26, 468–479. [Google Scholar] [CrossRef]
- Cai, C.; Zhao, P.X.; Xu, L.W.; Liu, T.Q.; Li, D.Q.; Ke, L.Y.; He, Z.; Liu, J. SEU tolerance improvement in 22 nm UTBB FDSOI SRAM based on a simple 8T hardened cell. Microelectron. Reliab. 2019, 100, 113322. [Google Scholar] [CrossRef]









| CELL | 6T | Quatro-10T | PS10T | NS10T | PP10T | RHBD10T |
|---|---|---|---|---|---|---|
| SEU (1→0) | No | Yes | Yes | No | Yes | Yes |
| SEU (0→1) | No | No | No | Yes | Yes | Yes |
| SEMU | No | No | No | No | Yes | Yes |
| LET (MeV cm2/mg) | 1.96 | >69 | >69 | >69 | >69 | <69 |
Disclaimer/Publisher’s Note: The statements, opinions and data contained in all publications are solely those of the individual author(s) and contributor(s) and not of MDPI and/or the editor(s). MDPI and/or the editor(s) disclaim responsibility for any injury to people or property resulting from any ideas, methods, instructions or products referred to in the content. |
© 2023 by the authors. Licensee MDPI, Basel, Switzerland. This article is an open access article distributed under the terms and conditions of the Creative Commons Attribution (CC BY) license (https://creativecommons.org/licenses/by/4.0/).
Share and Cite
Liu, C.; Liu, H.; Yang, J. A Novel Low-Power and Soft Error Recovery 10T SRAM Cell. Micromachines 2023, 14, 845. https://doi.org/10.3390/mi14040845
Liu C, Liu H, Yang J. A Novel Low-Power and Soft Error Recovery 10T SRAM Cell. Micromachines. 2023; 14(4):845. https://doi.org/10.3390/mi14040845
Chicago/Turabian StyleLiu, Changjun, Hongxia Liu, and Jianye Yang. 2023. "A Novel Low-Power and Soft Error Recovery 10T SRAM Cell" Micromachines 14, no. 4: 845. https://doi.org/10.3390/mi14040845
APA StyleLiu, C., Liu, H., & Yang, J. (2023). A Novel Low-Power and Soft Error Recovery 10T SRAM Cell. Micromachines, 14(4), 845. https://doi.org/10.3390/mi14040845

