A Scalable Bidimensional Randomization Scheme for TLC 3D NAND Flash Memories
Abstract
1. Introduction
- We show that a chained structure of two k-bits LFSRs can provide, from a statistical standpoint, both the horizontal and vertical data randomization while guaranteeing a k-bit upper bound on the maximum sequence length of consecutive ones and zeros;
- We show that our proposed randomization scheme introduces a low-complexity hardware overhead, most of which scales automatically with the memory size and is independent of cumbersome heuristics, to achieve seed randomization or look-up tables (LUTs) for seed storage, to potentially be adopted by different memory technologies and vendors;
- We benchmark the effectiveness of our scheme by measuring the RBER characteristics of a Triple Level Cell (TLC) 3D NAND Flash memory during both endurance and data retention stress.
2. Background
2.1. 3D NAND Flash Memory Architecture and Randomization Fundamentals
2.2. Randomizers Based on LFSRs
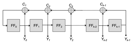
3. The Proposed Solution
Hardware Realization
- After a block erase operation, initialize ALFSR with SEED. SEED can always be the same or, more conveniently to avoid a reliability degradation of 3D NAND Flash cells during endurance stress, can be generated randomly and saved in a memory location. It is mandatory to retrieve the selected SEED since it must be used to reconstruct the data sequence during a read operation;
- Download the content of ALFSR into ALFSR. In practice, the Seed of ALFSR is the present state of ALFSR;
- Program the memory page by cycling ALFSR until the completion of the page programming while keeping ALFSR on hold, preventing an evolution of its internal state;
- Send a clock pulse to ALFSR that moves to the next state;
- Repeat steps 2 to 4 until the completion of the block programming.
4. Experimental Validation
5. Conclusions
Author Contributions
Funding
Conflicts of Interest
Abbreviations
| MMC | MultiMedia Card |
| SSD | Solid State Drive |
| RBER | Raw Bit Error Rate |
| LFSR | Linear Feedback Shift Register |
| LUT | Look Up Table |
References
- Li, Y. 3D NAND Memory and Its Application in Solid-State Drives: Architecture, Reliability, Flash Management Techniques, and Current Trends. IEEE Solid State Circuits Mag. 2020, 12, 56–65. [Google Scholar] [CrossRef]
- Micheloni, R.; Aritome, S.; Crippa, L. Array Architectures for 3-D NAND Flash Memories. Proc. IEEE 2017, 105, 1634–1649. [Google Scholar] [CrossRef]
- Righetti, N.; Puzzilli, G. 2D vs 3D NAND technology: Reliability benchmark. In Proceedings of the IEEE International Integrated Reliability Workshop (IIRW), South Lake Tahoe, CA, USA, 8–12 October 2017; pp. 1–6. [Google Scholar] [CrossRef]
- Lin, W.; Hsu, Y.C.; Kuo, T.H.; Yang, Y.S.; Chen, S.W.; Tsao, C.W.; Liu, A.C.; Ou, L.Y.; Wang, T.C.; Yen, S.W.; et al. 3X endurance enhancement by advanced signal processor for 3D NAND flash memory. In Proceedings of the IEEE Information Theory Workshop (ITW), Kaohsiung, Taiwan, 6–10 November 2017; pp. 201–203. [Google Scholar] [CrossRef]
- Mizoguchi, K.; Takahashi, T.; Aritome, S.; Takeuchi, K. Data-Retention Characteristics Comparison of 2D and 3D TLC NAND Flash Memories. In Proceedings of the IEEE International Memory Workshop (IMW), Monterey, CA, USA, 14–17 May 2017; pp. 1–4. [Google Scholar] [CrossRef]
- Zambelli, C.; Crippa, L.; Micheloni, R.; Olivo, P. Cross-Temperature Effects of Program and Read Operations in 2D and 3D NAND Flash Memories. In Proceedings of the IEEE International Integrated Reliability Workshop (IIRW), South Lake Tahoe, CA, USA, 7–11 October 2018; pp. 1–4. [Google Scholar] [CrossRef]
- Cai, Y.; Luo, Y.; Ghose, S.; Mutlu, O. Read Disturb Errors in MLC NAND Flash Memory: Characterization, Mitigation, and Recovery. In Proceedings of the IEEE/IFIP International Conference on Dependable Systems and Networks, Rio de Janeiro, Brazil, 22–25 June 2015; pp. 438–449. [Google Scholar]
- Resnati, D.; Goda, A.; Nicosia, G.; Miccoli, C.; Spinelli, A.S.; Compagnoni, C.M. Temperature Effects in NAND Flash Memories: A Comparison Between 2-D and 3-D Arrays. IEEE Electron Device Lett. 2017, 38, 461–464. [Google Scholar] [CrossRef]
- Zambelli, C.; Micheloni, R.; Scommegna, S.; Olivo, P. First Evidence of Temporary Read Errors in TLC 3D-NAND Flash Memories Exiting From an Idle State. IEEE J. Electron Devices Soc. 2020, 8, 99–104. [Google Scholar] [CrossRef]
- Zuolo, L.; Zambelli, C.; Micheloni, R.; Olivo, P. Solid-State Drives: Memory Driven Design Methodologies for Optimal Performance. Proc. IEEE 2017, 105, 1589–1608. [Google Scholar] [CrossRef]
- Viterbi, A. Approaching the Shannon Limit: Theorist’s Dream and Practitioner’s Challenge. In Mobile and Personal Satellite Communications 2; Vatalaro, F., Ananasso, F., Eds.; Springer: London, UK, 1996; pp. 1–11. [Google Scholar]
- Yoon, S. Nonvolatile Memory Device and Data Randomizing Method Thereof. U.S. Patent 20100259983A1, 14 October 2010. Available online: https://patents.google.com/patent/US20100259983A1/en (accessed on 23 May 2021).
- Cernea, R.A. Highly Compact Non-Volatile Memory and Method Thereof. U.S. Patent 2004/0060031A1, 25 March 2004. Available online: https://patents.google.com/patent/US20040060031A1/en (accessed on 21 May 2021).
- Kim, C.; Ryu, J.; Lee, T.; Kim, H.; Lim, J.; Jeong, J.; Seo, S.; Jeon, H.; Kim, B.; Lee, I.; et al. A 21 nm High Performance 64 Gb MLC NAND Flash Memory With 400 MB/s Asynchronous Toggle DDR Interface. IEEE J. Solid State Circ. 2012, 47, 981–989. [Google Scholar] [CrossRef]
- Cha, J.; Kang, S. Data Randomization Scheme for Endurance Enhancement and Interference Mitigation of Multilevel Flash Memory Devices. ETRI J. 2013, 35, 166–169. [Google Scholar] [CrossRef]
- Atsumi, T.; Kurosawa, Y. Nonvolatile Memory Device and Data Randomizing Method Thereof. U.S. Patent 20170160939A1, 8 June 2017. Available online: https://patents.google.com/patent/US20170160939A1/en (accessed on 23 May 2021).
- Micheloni, R.; Crippa, L.; Zambelli, C.; Olivo, P. Architectural and Integration Options for 3D NAND Flash Memories. Computers 2017, 6, 27. [Google Scholar] [CrossRef]
- Golomb, S.W. Shift Register Sequences—A Retrospective Account. In Proceedings of the 4th International Conference on Sequences and Their Applications, Beijing, China, 24–28 September 2006; pp. 1–4. [Google Scholar] [CrossRef]
- JEDEC. JESD22-A117 Electrically Erasable Programmable ROM (EEPROM) Program / Erase Endurance and Data Retention Stress Test; JEDEC: Arlington, VA, USA, 2018. [Google Scholar]
- Zambelli, C.; Micheloni, R.; Crippa, L.; Zuolo, L.; Olivo, P. Impact of the NAND Flash Power Supply on Solid State Drives Reliability and Performance. IEEE Trans. Device Mater. Reliab. 2018, 18, 247–255. [Google Scholar] [CrossRef]
- Li, Q.; Shi, L.; Cui, Y.; Xue, C.J. Exploiting Asymmetric Errors for LDPC Decoding Optimization on 3D NAND Flash Memory. IEEE Trans. Comput. 2020, 69, 475–488. [Google Scholar] [CrossRef]
- Zhang, M.; Wu, F.; Yu, Q.; Liu, W.; Cui, L.; Zhao, Y.; Xie, C. BeLDPC: Bit Errors Aware Adaptive Rate LDPC Codes for 3D TLC NAND Flash Memory. In Proceedings of the Design, Automation and Test in Europe (DATE), Grenoble, France, 9–13 March 2020; pp. 302–305. [Google Scholar] [CrossRef]
- Wang, J.; Courtade, T.; Shankar, H.; Wesel, R.D. Soft Information for LDPC Decoding in Flash: Mutual-Information Optimized Quantization. In Proceedings of the IEEE Global Telecommunications Conference, Houston, TX, USA, 5–9 December 2011; pp. 1–6. [Google Scholar] [CrossRef][Green Version]
- Im, S.; Shin, D. Flash-Aware RAID Techniques for Dependable and High-Performance Flash Memory SSD. IEEE Trans. Comput. 2011, 60, 80–92. [Google Scholar] [CrossRef]
- Kim, J.; Lee, E.; Choi, J.; Lee, D.; Noh, S.H. Chip-Level RAID with Flexible Stripe Size and Parity Placement for Enhanced SSD Reliability. IEEE Trans. Comput. 2016, 65, 1116–1130. [Google Scholar] [CrossRef]











| 0 | 0 | 0 | 1 | 0 | 0 | 1 | 1 | 0 | 1 | 0 | 1 | 1 | 1 | 1 |
| 1 | 0 | 0 | 1 | 1 | 0 | 1 | 0 | 1 | 1 | 1 | 1 | 0 | 0 | 0 |
| 0 | 0 | 1 | 1 | 0 | 1 | 0 | 1 | 1 | 1 | 1 | 0 | 0 | 0 | 1 |
| 1 | 1 | 0 | 1 | 0 | 1 | 1 | 1 | 1 | 0 | 0 | 0 | 1 | 0 | 0 |
| 0 | 1 | 0 | 1 | 1 | 1 | 1 | 0 | 0 | 0 | 1 | 0 | 0 | 1 | 1 |
| 1 | 0 | 1 | 1 | 1 | 1 | 0 | 0 | 0 | 1 | 0 | 0 | 1 | 1 | 0 |
| 0 | 1 | 1 | 1 | 1 | 0 | 0 | 0 | 1 | 0 | 0 | 1 | 1 | 0 | 1 |
| 1 | 1 | 1 | 1 | 0 | 0 | 0 | 1 | 0 | 0 | 1 | 1 | 0 | 1 | 0 |
| 1 | 0 | 0 | 0 | 1 | 0 | 0 | 1 | 1 | 0 | 1 | 0 | 1 | 1 | 1 |
| 0 | 0 | 1 | 0 | 0 | 1 | 1 | 0 | 1 | 0 | 1 | 1 | 1 | 1 | 0 |
| 0 | 1 | 0 | 0 | 1 | 1 | 0 | 1 | 0 | 1 | 1 | 1 | 1 | 0 | 0 |
| 0 | 1 | 1 | 0 | 1 | 0 | 1 | 1 | 1 | 1 | 0 | 0 | 0 | 1 | 0 |
| 1 | 0 | 1 | 0 | 1 | 1 | 1 | 1 | 0 | 0 | 0 | 1 | 0 | 0 | 1 |
| 1 | 1 | 1 | 0 | 0 | 0 | 1 | 0 | 0 | 1 | 1 | 0 | 1 | 0 | 1 |
| 1 | 1 | 0 | 0 | 0 | 1 | 0 | 0 | 1 | 1 | 0 | 1 | 0 | 1 | 1 |
| 0 | 0 | 1 | 0 | 0 | 1 | 1 | 0 | 1 | 0 | 1 | 1 | 1 | 1 | 0 |
|---|---|---|---|---|---|---|---|---|---|---|---|---|---|---|
| 0 | 1 | 0 | 0 | 1 | 1 | 0 | 1 | 0 | 1 | 1 | 1 | 1 | 0 | 0 |
| 1 | 0 | 0 | 1 | 1 | 0 | 1 | 0 | 1 | 1 | 1 | 1 | 0 | 0 | 0 |
| 0 | 0 | 1 | 1 | 0 | 1 | 0 | 1 | 1 | 1 | 1 | 0 | 0 | 0 | 1 |
| 0 | 1 | 1 | 0 | 1 | 0 | 1 | 1 | 1 | 1 | 0 | 0 | 0 | 1 | 0 |
| 1 | 1 | 0 | 1 | 0 | 1 | 1 | 1 | 1 | 0 | 0 | 0 | 1 | 0 | 0 |
| 1 | 0 | 1 | 0 | 1 | 1 | 1 | 1 | 0 | 0 | 0 | 1 | 0 | 0 | 1 |
| 0 | 1 | 0 | 1 | 1 | 1 | 1 | 0 | 0 | 0 | 1 | 0 | 0 | 1 | 1 |
| 1 | 0 | 1 | 1 | 1 | 1 | 0 | 0 | 0 | 1 | 0 | 0 | 1 | 1 | 0 |
| 0 | 1 | 1 | 1 | 1 | 0 | 0 | 0 | 1 | 0 | 0 | 1 | 1 | 0 | 1 |
| 1 | 1 | 1 | 1 | 0 | 0 | 0 | 1 | 0 | 0 | 1 | 1 | 0 | 1 | 0 |
| 1 | 1 | 1 | 0 | 0 | 0 | 1 | 0 | 0 | 1 | 1 | 0 | 1 | 0 | 1 |
| 1 | 1 | 0 | 0 | 0 | 1 | 0 | 0 | 1 | 1 | 0 | 1 | 0 | 1 | 1 |
| 1 | 0 | 0 | 0 | 1 | 0 | 0 | 1 | 1 | 0 | 1 | 0 | 1 | 1 | 1 |
| 0 | 0 | 0 | 1 | 0 | 0 | 1 | 1 | 0 | 1 | 0 | 1 | 1 | 1 | 0 |
Publisher’s Note: MDPI stays neutral with regard to jurisdictional claims in published maps and institutional affiliations. |
© 2021 by the authors. Licensee MDPI, Basel, Switzerland. This article is an open access article distributed under the terms and conditions of the Creative Commons Attribution (CC BY) license (https://creativecommons.org/licenses/by/4.0/).
Share and Cite
Favalli, M.; Zambelli, C.; Marelli, A.; Micheloni, R.; Olivo, P. A Scalable Bidimensional Randomization Scheme for TLC 3D NAND Flash Memories. Micromachines 2021, 12, 759. https://doi.org/10.3390/mi12070759
Favalli M, Zambelli C, Marelli A, Micheloni R, Olivo P. A Scalable Bidimensional Randomization Scheme for TLC 3D NAND Flash Memories. Micromachines. 2021; 12(7):759. https://doi.org/10.3390/mi12070759
Chicago/Turabian StyleFavalli, Michele, Cristian Zambelli, Alessia Marelli, Rino Micheloni, and Piero Olivo. 2021. "A Scalable Bidimensional Randomization Scheme for TLC 3D NAND Flash Memories" Micromachines 12, no. 7: 759. https://doi.org/10.3390/mi12070759
APA StyleFavalli, M., Zambelli, C., Marelli, A., Micheloni, R., & Olivo, P. (2021). A Scalable Bidimensional Randomization Scheme for TLC 3D NAND Flash Memories. Micromachines, 12(7), 759. https://doi.org/10.3390/mi12070759

