A Large Measurable Range Capacitance-to-Digital Converter for Smart Humidity Sensors
Abstract
1. Introduction
2. CDC Operation Principle
3. Structure Implementation
3.1. Disguised Zoom-In Technology
3.2. Sigma-Delta Converter Structure
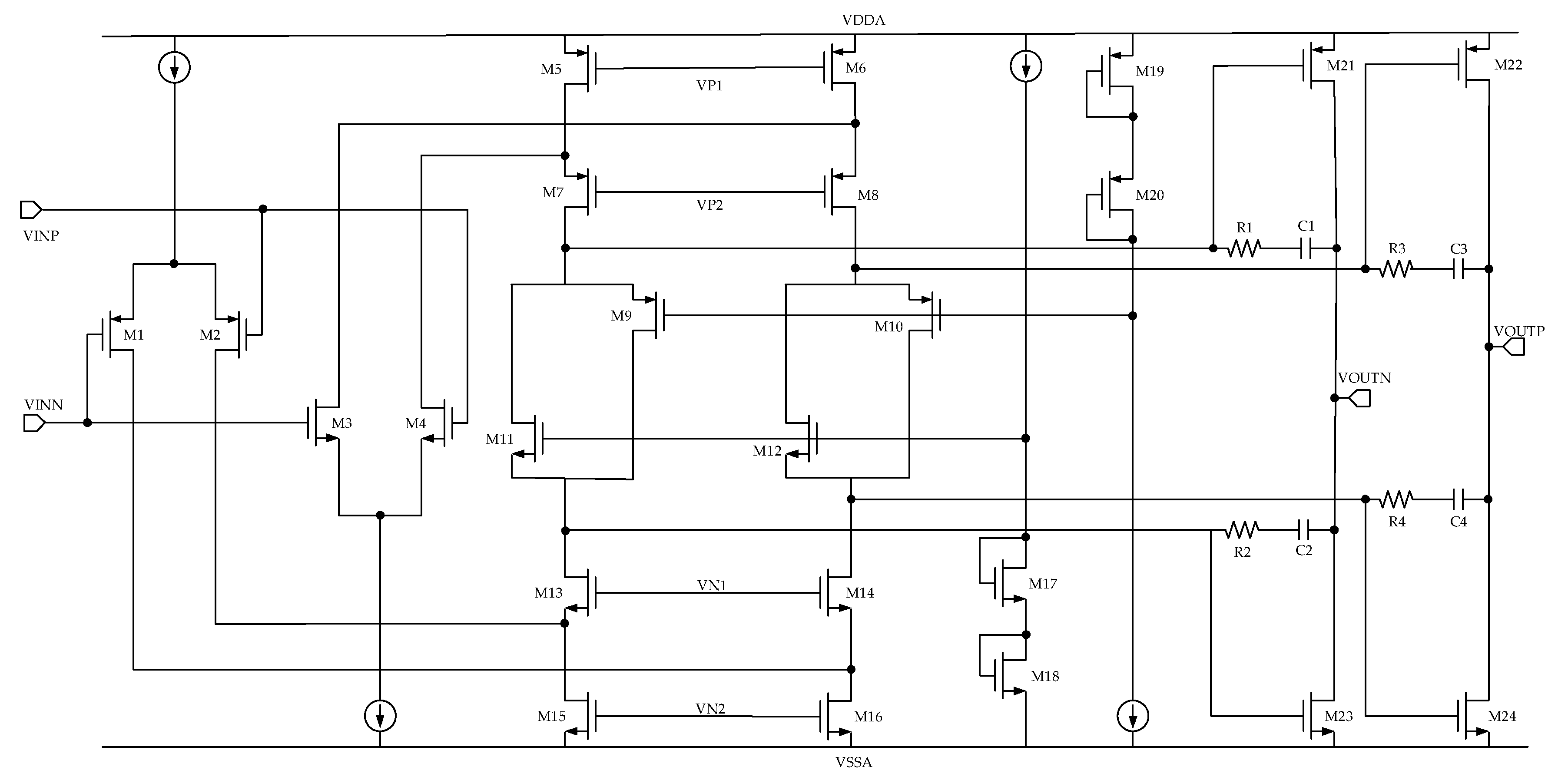
3.3. Circuits Implementation
4. Measurement Results
5. Conclusions
Author Contributions
Funding
Conflicts of Interest
References
- Dubey, C.; Kumar, B. Organic Humidity Sensors with Different Materials and Its Application in Environment Monitoring. In Proceedings of the 2018 5th IEEE Uttar Pradesh Section International Conference on Electrical, Electronics and Computer Engineering (UPCON), Gorakhpur, India, 2–4 November 2018; pp. 1–6. [Google Scholar]
- Hiraki, M.; Otani, S.; Ito, M.; Mizokami, T.; Araki, M.; Kondo, H. A Capacitance-to-Digital Converter Integrated in a 32bit Microcontroller for 3D Gesture Sensing. In Proceedings of the 2018 IEEE Asian Solid-State Circuits Conference (A-SSCC), Tainan, Taiwan, 5–7 November 2018; pp. 269–272. [Google Scholar]
- Okcan, B.; Akin, T. A low-power robust humidity sensor in a standard CMOS process. IEEE Trans. Electron Devices 2007, 54, 3071–3078. [Google Scholar] [CrossRef]
- Sht21, Datasheet. Available online: https://www.sensirion.com (accessed on 17 August 2019).
- Tan, Z.; Daamen, R.; Ponomarev, Y.V.; Humbert, A.; Chae, Y.; Pertijs, M.A.P. A 1.2-V 8.3-nJ CMOS Humidity Sensor for RFID Applications. IEEE J. Solid-State Circuits 2013, 48, 2469–2477. [Google Scholar] [CrossRef]
- Li, C.-H.; Chou, T.-I.; Chiu, S.-W.; Tang, K.-T. A 0.7 V Capacitance-To-Digital Converter for Interdigitated Electrode Capacitive Vapor Sensors. In Proceedings of the 2017 New Generation of CAS (NGCAS), Genova, Genoa, 6–9 September 2017; pp. 121–124. [Google Scholar]
- Nojdelov, R.; Nihtianov, S.; van Dorne, E. Capacitance to digital converter. In Proceedings of the 2007 IEEE Sensors Applications Symposium, San Diego, CA, USA, 6–8 February 2007; pp. 1–5. [Google Scholar]
- Hassan, A.H.; Fouad, A.; Mostafa, H.; Salama, K.N.; Soliman, A.M. A New Design Methodology for Time-Based Capacitance-to-Digital Converters (T-CDCs). AEU–Int. J. Electron. Commun. 2018, 96, 238–245. [Google Scholar] [CrossRef]
- Pérez Sanjurjo, J.; Prefasi, E.; Buffa, C.; Gaggl, R.J.S. A capacitance-to-digital converter for MEMS sensors for smart applications. Sensors 2017, 17, 1312. [Google Scholar] [CrossRef] [PubMed]
- Ad7745 Datasheet. Available online: http://datasheet.eepw.com.cn/datasheet/show/id/789732 (accessed on 17 August 2019).
- Agah, A.; Vleugels, K.; Griffin, P.B.; Ronaghi, M.; Plummer, J.D.; Wooley, B.A. A High-Resolution Low-Power Incremental ADC With Extended Range for Biosensor Arrays. IEEE J. Solid-State Circuits 2010, 45, 1099–1110. [Google Scholar] [CrossRef]
- Kavusi, S.; Kakavand, H.; Gamal, A.E. On incremental sigma-delta modulation with optimal filtering. IEEE Trans. Circuits Syst. I Regul. Pap. 2006, 53, 1004–1015. [Google Scholar] [CrossRef]
- Hs1101 Datasheet. Available online: http://www.semiee.com/search?searchModel=hs1101 (accessed on 19 April 2019).
- Pertijs, M.A.; Huijsing, J. Precision Temperature Sensors in CMOS Technology; Springer Science & Business Media: Berlin/Heidelberg, Germany, 2006. [Google Scholar]
- Schreier, R.; Temes, G.C.; Norsworthy, S.R. Delta-Sigma Data Converters: Theory, Design, and Simulation; IEEE: Piscataway, NJ, USA, 1997. [Google Scholar]
- Schreier, R.; Temes, G.C. Understanding Delta-Sigma Data Converters; IEEE: Piscataway, NJ, USA, 2005; Volume 74. [Google Scholar]
- Sreenath, V.; George, B. A Robust Switched-Capacitor CDC. IEEE Sens. J. 2018, 18, 5985–5992. [Google Scholar] [CrossRef]
- Wilson, W.; Chen, T.; Selby, R. A current-starved inverter-based differential amplifier design for ultra-low power applications. In Proceedings of the 2013 IEEE 4th Latin American Symposium on Circuits and Systems (LASCAS), Cusco, Peru, 27 February–1 March 2013; pp. 1–4. [Google Scholar]
- Holberg, D.R.; Allen, P.E. CMOS Analog Circuit Design; Holt, Rinehart and Winston: New York City, NY, USA, 2002. [Google Scholar]
- Gozzini, F.; Ferrari, G.; Sampietro, M. An instrument-on-chip for impedance measurements on nanobiosensors with attoFarad resoution. In Proceedings of the 2009 IEEE International Solid-State Circuits Conference-Digest of Technical Papers, San Francisco, CA, USA, 8–12 February 2009; pp. 346–347. [Google Scholar]
- Bracke, W.; Merken, P.; Puers, R.; Van Hoof, C. Ultra-Low-Power Interface Chip for Autonomous Capacitive Sensor Systems. IEEE Trans. Circuits Syst. I Regul. Pap. 2007, 54, 130–140. [Google Scholar] [CrossRef]
- Wei, R.; Bao, X. A Low Power Energy-Efficient Precision CMOS Temperature Sensor. Micromachines 2018, 9, 257. [Google Scholar] [CrossRef] [PubMed]
- Alhoshany, A.; Alahmadi, H.; Omran, H.; Salama, K.N. A 33fJ/Step SAR Capacitance-to-Digital Converter Using a Chain of Inverter-Based Amplifiers. IEEE Trans. Circuits Syst. I Regul. Pap. 2017, 64, 310–321. [Google Scholar]
- Yang, R.; Pertijs, M.A.P.; Nihtianov, S. A Precision Capacitance-to-Digital Converter with 16.7-bit ENOB and 7.5-ppm/°C Thermal Drift. IEEE J. Solid-State Circuits 2017, 52, 3018–3031. [Google Scholar] [CrossRef]
- Rogi, C.; Prefasi, E.; Gaggl, R. A Low-Power Auto-Zero Switched-Capacitor Dual-Slope Noise-Shaping Direct CDC. In Proceedings of the ESSCIRC 2018-IEEE 44th European Solid State Circuits Conference (ESSCIRC), Dresden, Germany, 3–6 September 2018; pp. 198–201. [Google Scholar]
- Jo, Y.C.; Kim, K.N.; Nam, T.Y. Low power capacitive humidity sensor readout IC with on-chip temperature sensor and full digital output for USN applications. In Proceedings of the SENSORS, 2009 IEEE, Christchurch, New Zealand, 25–28 October 2009; pp. 1354–1357. [Google Scholar]
- Tan, Z.; Daamen, R.; Humbert, A.; Souri, K.; Chae, Y.; Ponomarev, Y.V.; Pertijs, M.A. A 1.8 V 11μW CMOS smart humidity sensor for RFID sensing applications. In Proceedings of the IEEE Asian Solid-State Circuits Conference 2011, Jeju, Korea, 14–16 November 2011; pp. 105–108. [Google Scholar]













| Ref. | Supply Voltage (V) | Power (μW) | Measurement Time (ms) | ENOB (bit) | Input Range (pF) | Accuracy (pF) | FOM (nJ/step) | Area (mm2) |
|---|---|---|---|---|---|---|---|---|
| [23] | 1.2 | 6.4 | 0.016 | 11.6 | 0–12.66 | - | 0.000033 | 0.2 |
| [24] | 3.3 | 760 | 10.5 | 16.7 | 6–22 | 0.2% | 0.074 | - |
| [25] | 1.5 | 52.5 | 3.2 | 13 | 0.27–0.9 | - | 0.021 | 0.148 |
| This work | 1.8 | 305.46 | 0.8 | 13 | 0–388 | 1.1% | 3 | 0.57 |
| Ref. | Supply Voltage (V) | Power (μW) | Measurement Time (ms) | Relative Humidity Range | Resolution (%RH) | Error (%RH) | Area (mm2) |
|---|---|---|---|---|---|---|---|
| [26] | - | 150 | 1000 | 20%–80% | 0.02 | - | - |
| [4] | 3 | 3.2 | 1000 | 0%–100% | 0.7 | ±2.0 | - |
| [27] | 1.8 | 10.5 | 10.2 | 20%–90% | 0.1 | - | 0.25 |
| This work | 1.8 | 305.46 | 0.8 | 30%–90% | 0.7 | +3.2/−2.7 | 0.57 |
© 2019 by the authors. Licensee MDPI, Basel, Switzerland. This article is an open access article distributed under the terms and conditions of the Creative Commons Attribution (CC BY) license (http://creativecommons.org/licenses/by/4.0/).
Share and Cite
Wei, R.; Lin, W.; Xiao, X.; Chen, Q.; Li, F. A Large Measurable Range Capacitance-to-Digital Converter for Smart Humidity Sensors. Micromachines 2019, 10, 561. https://doi.org/10.3390/mi10090561
Wei R, Lin W, Xiao X, Chen Q, Li F. A Large Measurable Range Capacitance-to-Digital Converter for Smart Humidity Sensors. Micromachines. 2019; 10(9):561. https://doi.org/10.3390/mi10090561
Chicago/Turabian StyleWei, Rongshan, Weiwen Lin, Xiaoxia Xiao, Qunchao Chen, and Fanyang Li. 2019. "A Large Measurable Range Capacitance-to-Digital Converter for Smart Humidity Sensors" Micromachines 10, no. 9: 561. https://doi.org/10.3390/mi10090561
APA StyleWei, R., Lin, W., Xiao, X., Chen, Q., & Li, F. (2019). A Large Measurable Range Capacitance-to-Digital Converter for Smart Humidity Sensors. Micromachines, 10(9), 561. https://doi.org/10.3390/mi10090561

