MCBAM-GAN: The Gan Spatiotemporal Fusion Model Based on Multiscale and CBAM for Remote Sensing Images
Abstract
1. Introduction
- MCBAM-GAN the model of spatiotemporal fusion consists essentially of an encoding-decoding structure. Firstly, the generator part uses the U-NET to deal with the vast resolution difference. The input image is a pair of coarse and fine images. Three encoders are used to completely extract the multi-level features of coarse and fine images. Secondly, the CBAM module and the multi-scale idea are added to the encoder to completely extract detailed features to provide a good foundation for the fusion and reconstruction phase, and the model feature representation is further improved through multi-level feature information. Finally, the multi loss function is used to calculate the accuracy of the image so that a high-quality HTHS remote sensing image can be reconstructed. This structure improves the feature learning ability and has strong generalization.
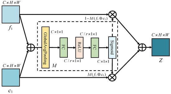
- The CBAM module is added to the generator. The core idea of this module is to focus on the characteristics of the channel and spatial axis, respectively, and to improve the meaningful characteristics of the channel and spatial axis dimensions by sequentially applying the channel and spatial attention modules. The computational cost is almost negligible. The whole model reduces the number of parameters and saves computation time.
- The model proposed in this paper MCBAM-GAN is compared with the classical spatiotemporal fusion model on the Coleambally Irrigation Area (CIA) dataset and the lower Gwydir catchments (LGC) dataset, and our model achieves good results.
2. Related Works
2.1. Decomposition-Based Methods
2.2. Weight Function-Based Methods
2.3. Bayesian-Based Methods
2.4. Learning-Based Methods
2.5. Hybrid Methods
3. Proposed Methods
3.1. Overview
3.2. Overall Framework of MCBAM-GAN Model
3.3. Generator
3.4. Discriminator
3.5. Convolutional Block Attention Module
3.6. Multiple Loss Function
4. Experiment and Result Analysis
4.1. Datasets, Experiment Setup and Evaluation Indicators
4.2. Ablation Experiments
4.2.1. Multi Scale Ablation Experiments on LGC and CIA Datasets
4.2.2. Adding Ablation Experiments of Different Modules to LGC and CIA Datasets
4.3. Detailed Analysis of the Model on the CIA Dataset
4.3.1. Quantitative Results Analysis on CIA Dataset
4.3.2. Qualitative Result Analysis on CIA Dataset
4.4. Detailed Analysis of the Model on the LGC Dataset
4.4.1. Quantitative Analysis of the Model on the LGC Dataset
4.4.2. Qualitative Analysis of Models on LGC Datasets
5. Conclusions
Author Contributions
Funding
Data Availability Statement
Acknowledgments
Conflicts of Interest
Abbreviations
| HTHS | high-temporal and high-spatial |
| CBAM | convolutional block attention module |
| MCBAM | multiscale and convolutional block attention module |
| MODIS | moderate-resolution imaging spectroradiometer |
| CNN | convolutional neural network |
| GAN | generative adversarial network |
| CIA | coleambally irrigation area |
| LGC | lower gwydir catchments |
| STARFM | spatio-temporal adaptive reflection fusion model |
| FSDAF | flexible spatio-temporal data fusion |
| SPSTFM | spatiotemporal reflectance fusion model |
| STFDCNN | spatiotemporal fusion algorithm based on CNN |
| DCSTFN | depth convolution spatiotemporal fusion network |
| BiaSTF | bias-driven spatio-temporal fusion models |
| SSTSTF | spatial, sensor, and temporal spatio-temporal fusion |
| LSGAN | least squares GAN |
| ResNet | residual network |
| AFF | attention feature fusion |
| LeakyReLU | leaky recognized linear unit |
| PSNR | peak signal-to-noise ratio |
| SSIM | structural similarity |
| SAM | spectral angle mapper |
| ERGAS | relative dimensionless global error in synthesis |
| CC | spatial correlation coefficient |
| RMSE | root mean square error |
| NDVI | normalized vegetation index |
References
- Liu, H.; Qian, Y.; Zhong, X.; Chen, L.; Yang, G. Research on super-resolution reconstruction of remote sensing images: A comprehensive review. Opt. Eng. 2021, 60, 100901. [Google Scholar] [CrossRef]
- Li, W.; Zhang, X.; Peng, Y.; Dong, M. Spatiotemporal fusion of remote sensing images using a convolutional neural network with attention and multiscale mechanisms. Int. J. Remote Sens. 2021, 42, 1973–1993. [Google Scholar] [CrossRef]
- Walker, J.; Beurs, K.D.; Wynne, R.; Gao, F. Evaluation of Landsat and MODIS data fusion products for analysis of dryland forest phenology. Remote Sens. Environ. 2012, 117, 381–393. [Google Scholar] [CrossRef]
- Cheng, G.; Yang, C.; Yao, X.; Guo, L.; Han, J. When Deep Learning Meets Metric Learning: Remote Sensing Image Scene Classification via Learning Discriminative CNNs. IEEE Trans. Geosci. Remote Sens. 2018, 56, 2811–2821. [Google Scholar] [CrossRef]
- Yao, X.; Feng, X.; Han, J.; Cheng, G.; Guo, L. Automatic Weakly Supervised Object Detection from High Spatial Resolution Remote Sensing Images via Dynamic Curriculum Learning. IEEE Trans. Geosci. Remote Sens. 2021, 59, 675–685. [Google Scholar] [CrossRef]
- Hong, D.; Yao, J.; Meng, D.; Xu, Z.; Chanussot, J. Multimodal GANs: Toward Crossmodal Hyperspectral-Multispectral Image Segmentation. IEEE Trans. Geosci. Remote Sens. 2021, 59, 5103–5113. [Google Scholar] [CrossRef]
- Lees, K.; Quaife, T.; Artz, R.; Khomik, M.; Clark, J. Potential for using remote sensing to estimate carbon fluxes across northern peatlands—A review. Sci. Total. Environ. 2018, 615, 857–874. [Google Scholar] [CrossRef]
- Galford, G.L.; Mustard, J.F.; Melillo, J.; Gendrin, A.; Cerri, C.C.; Cerri, C.E. Wavelet analysis of MODIS time series to detect expansion and intensification of row-crop agriculture in Brazil. Remote Sens. Environ. 2008, 112, 576–587. [Google Scholar] [CrossRef]
- Deng, M.; Di, L.; Han, W.; Yagci, A.L.; Peng, C.; Heo, G. Web-service-based monitoring and analysis of global agricultural drought. Photogramm. Eng. Remote Sens. 2013, 79, 929–943. [Google Scholar] [CrossRef]
- Li, J.; Li, Y.; He, L.; Chen, J.; Plaza, A. Spatio-temporal fusion for remote sensing data: An overview and new benchmark. Sci. China Inf. Sci. 2020, 63, 140301. [Google Scholar] [CrossRef]
- Roy, D.P.; Wulder, M.A.; Loveland, T.R.; Woodcock, C.E.; Allen, R.G.; Anderson, M.C.; Helder, D.; Irons, J.R.; Johnson, D.M.; Kennedy, R.; et al. Landsat-8: Science and product vision for terrestrial global change research. Remote Sens. Environ. 2014, 145, 154–172. [Google Scholar] [CrossRef]
- Justice, C.; Vermote, E.F.; Townshend, J.R.; DeFries, R.S.; Roy, D.P.; Hall, D.K.; Salomonson, V.V.; Privette, J.L.; Riggs, G.A.; Strahler, A.H.; et al. The Moderate Resolution Imaging Spectroradiometer (MODIS): Land remote sensing for global change research. IEEE Trans. Geosci. Remote Sens. 1998, 36, 1228–1249. [Google Scholar] [CrossRef]
- Goodfellow, I.J.; Pouget-Abadie, J.; Mirza, M.; Xu, B.; Warde-Farley, D.; Ozair, S.; Courville, A.C.; Bengio, Y. Generative Adversarial Nets. In Proceedings of the Advances in Neural Information Processing Systems 27: Annual Conference on Neural Information Processing Systems 2014, Montreal, QC, Canada, 8–13 December 2014; pp. 2672–2680. [Google Scholar]
- Zhu, J.; Krähenbühl, P.; Shechtman, E.; Efros, A.A. Generative Visual Manipulation on the Natural Image Manifold. In Proceedings of the Computer Vision—ECCV 2016—14th European Conference, Amsterdam, The Netherlands, 11–14 October 2016; Volume 9909, pp. 597–613. [Google Scholar]
- Liu, G.; Reda, F.A.; Shih, K.J.; Wang, T.; Tao, A.; Catanzaro, B. Image Inpainting for Irregular Holes Using Partial Convolutions. In Proceedings of the Computer Vision—ECCV 2018—15th European Conference, Munich, Germany, 8–14 September 2018; Volume 11215, pp. 89–105. [Google Scholar]
- Ledig, C.; Theis, L.; Huszar, F.; Caballero, J.; Cunningham, A.; Acosta, A.; Aitken, A.P.; Tejani, A.; Totz, J.; Wang, Z.; et al. Photo-Realistic Single Image Super-Resolution Using a Generative Adversarial Network. In Proceedings of the 2017 IEEE Conference on Computer Vision and Pattern Recognition, CVPR 2017, Honolulu, HI, USA, 21–26 July 2017; pp. 105–114. [Google Scholar]
- Zhang, H.; Song, Y.; Han, C.; Zhang, L. Remote Sensing Image Spatiotemporal Fusion Using a Generative Adversarial Network. IEEE Trans. Geosci. Remote Sens. 2021, 59, 4273–4286. [Google Scholar] [CrossRef]
- Tan, Z.; Gao, M.; Li, X.; Jiang, L. A Flexible Reference-Insensitive Spatiotemporal Fusion Model for Remote Sensing Images Using Conditional Generative Adversarial Network. IEEE Trans. Geosci. Remote Sens. 2022, 60, 5601413. [Google Scholar] [CrossRef]
- Chen, J.; Wang, L.; Feng, R.; Liu, P.; Han, W.; Chen, X. CycleGAN-STF: Spatiotemporal Fusion via CycleGAN-Based Image Generation. IEEE Trans. Geosci. Remote Sens. 2021, 59, 5851–5865. [Google Scholar] [CrossRef]
- Arjovsky, M.; Chintala, S.; Bottou, L. Wasserstein Generative Adversarial Networks. In Proceedings of the 34th International Conference on Machine Learning, ICML 2017, Sydney, NSW, Australia, 6–11 August 2017; Volume 70, pp. 214–223. [Google Scholar]
- Zhukov, B.; Oertel, D.; Lanzl, F.; Reinhäckel, G. Unmixing-based multisensor multiresolution image fusion. IEEE Trans. Geosci. Remote Sens. 1999, 37, 1212–1226. [Google Scholar] [CrossRef]
- Wu, M.; Niu, Z.; Wang, C.; Wu, C.; Wang, L. Use of MODIS and Landsat time series data to generate high-resolution temporal synthetic Landsat data using a spatial and temporal reflectance fusion model. J. Appl. Remote Sens. 2012, 6, 063507. [Google Scholar]
- Zhang, W.; Li, A.; Jin, H.; Bian, J.; Zhang, Z.; Lei, G.; Qin, Z.; Huang, C. An Enhanced Spatial and Temporal Data Fusion Model for Fusing Landsat and MODIS Surface Reflectance to Generate High Temporal Landsat-Like Data. Remote Sens. 2013, 5, 5346–5368. [Google Scholar] [CrossRef]
- Lu, M.; Chen, J.; Tang, H.; Rao, Y.; Yang, P.; Wu, W. Land cover change detection by integrating object-based data blending model of Landsat and MODIS. Remote Sens. Environ. 2016, 184, 374–386. [Google Scholar] [CrossRef]
- Gao, F.; Masek, J.G.; Schwaller, M.R.; Hall, F.G. On the blending of the Landsat and MODIS surface reflectance: Predicting daily Landsat surface reflectance. IEEE Trans. Geosci. Remote Sens. 2006, 44, 2207–2218. [Google Scholar]
- Zhu, X.; Chen, J.; Gao, F.; Chen, X.; Masek, J.G. An enhanced spatial and temporal adaptive reflectance fusion model for complex heterogeneous regions. Remote Sens. Environ. 2010, 114, 2610–2623. [Google Scholar] [CrossRef]
- Hilker, T.; Wulder, M.A.; Coops, N.C.; Linke, J.; McDermid, G.; Masek, J.G.; Gao, F.; White, J.C. A new data fusion model for high spatial-and temporal-resolution mapping of forest disturbance based on Landsat and MODIS. Remote Sens. Environ. 2009, 113, 1613–1627. [Google Scholar] [CrossRef]
- Weng, Q.; Fu, P.; Gao, F. Generating daily land surface temperature at Landsat resolution by fusing Landsat and MODIS data. Remote Sens. Environ. 2014, 145, 55–67. [Google Scholar] [CrossRef]
- Li, A.; Bo, Y.; Zhu, Y.; Guo, P.; Bi, J.; He, Y. Blending multi-resolution satellite sea surface temperature (SST) products using Bayesian maximum entropy method. Remote Sens. Environ. 2013, 135, 52–63. [Google Scholar] [CrossRef]
- Liao, L.; Song, J.; Wang, J.; Xiao, Z.; Wang, J. Bayesian Method for Building Frequent Landsat-Like NDVI Datasets by Integrating MODIS and Landsat NDVI. Remote Sens. 2016, 8, 452. [Google Scholar] [CrossRef]
- Shen, H.; Meng, X.; Zhang, L. An Integrated Framework for the Spatio-Temporal-Spectral Fusion of Remote Sensing Images. IEEE Trans. Geosci. Remote Sens. 2016, 54, 7135–7148. [Google Scholar] [CrossRef]
- Xue, J.; Leung, Y.; Fung, T. A Bayesian Data Fusion Approach to Spatio-Temporal Fusion of Remotely Sensed Images. Remote Sens. 2017, 9, 1310. [Google Scholar] [CrossRef]
- Huang, B.; Song, H. Spatiotemporal Reflectance Fusion via Sparse Representation. IEEE Trans. Geosci. Remote Sens. 2012, 50, 3707–3716. [Google Scholar] [CrossRef]
- Song, H.; Huang, B. Spatiotemporal Satellite Image Fusion Through One-Pair Image Learning. IEEE Trans. Geosci. Remote Sens. 2013, 51, 1883–1896. [Google Scholar] [CrossRef]
- Wu, B.; Huang, B.; Zhang, L. An Error-Bound-Regularized Sparse Coding for Spatiotemporal Reflectance Fusion. IEEE Trans. Geosci. Remote Sens. 2015, 53, 6791–6803. [Google Scholar] [CrossRef]
- Gevaert, C.M.; García-Haro, F.J. A comparison of STARFM and an unmixing-based algorithm for Landsat and MODIS data fusion. Remote Sens. Environ. 2015, 156, 34–44. [Google Scholar] [CrossRef]
- Li, X.; Ling, F.; Foody, G.M.; Ge, Y.; Zhang, Y.; Du, Y. Generating a series of fine spatial and temporal resolution land cover maps by fusing coarse spatial resolution remotely sensed images and fine spatial resolution land cover maps. Remote Sens. Environ. 2017, 196, 293–311. [Google Scholar] [CrossRef]
- Zhu, X.; Helmer, E.H.; Gao, F.; Liu, D.; Chen, J.; Lefsky, M.A. A flexible spatiotemporal method for fusing satellite images with different resolutions. Remote Sens. Environ. 2016, 172, 165–177. [Google Scholar] [CrossRef]
- Li, X.; Foody, G.M.; Boyd, D.S.; Ge, Y.; Zhang, Y.; Du, Y.; Ling, F. SFSDAF: An enhanced FSDAF that incorporates sub-pixel class fraction change information for spatio-temporal image fusion. Remote Sens. Environ. 2020, 237, 111537. [Google Scholar] [CrossRef]
- Guo, D.; Shi, W.; Hao, M.; Zhu, X. FSDAF 2.0: Improving the performance of retrieving land cover changes and preserving spatial details. Remote Sens. Environ. 2020, 248, 111973. [Google Scholar] [CrossRef]
- Ma, Y.; Wang, L.; Liu, P.; Ranjan, R. Towards building a data-intensive index for big data computing—A case study of Remote Sensing data processing. Inf. Sci. 2015, 319, 171–188. [Google Scholar] [CrossRef]
- Song, H.; Liu, Q.; Wang, G.; Hang, R.; Huang, B. Spatiotemporal Satellite Image Fusion Using Deep Convolutional Neural Networks. IEEE J. Sel. Top. Appl. Earth Obs. Remote Sens. 2018, 11, 821–829. [Google Scholar] [CrossRef]
- Tan, Z.; Yue, P.; Di, L.; Tang, J. Deriving High Spatiotemporal Remote Sensing Images Using Deep Convolutional Network. Remote Sens. 2018, 10, 1066. [Google Scholar] [CrossRef]
- Tan, Z.; Di, L.; Zhang, M.; Guo, L.; Gao, M. An Enhanced Deep Convolutional Model for Spatiotemporal Image Fusion. Remote Sens. 2019, 11, 2898. [Google Scholar] [CrossRef]
- Liu, X.; Deng, C.; Chanussot, J.; Hong, D.; Zhao, B. StfNet: A Two-Stream Convolutional Neural Network for Spatiotemporal Image Fusion. IEEE Trans. Geosci. Remote Sens. 2019, 57, 6552–6564. [Google Scholar] [CrossRef]
- Li, Y.; Li, J.; He, L.; Chen, J.; Plaza, A. A new sensor bias-driven spatio-temporal fusion model based on convolutional neural networks. Sci. China Inf. Sci. 2020, 63, 140302. [Google Scholar] [CrossRef]
- Ma, Y.; Wei, J.; Tang, W.; Tang, R. Explicit and stepwise models for spatiotemporal fusion of remote sensing images with deep neural networks. Int. J. Appl. Earth Obs. Geoinf. 2021, 105, 102611. [Google Scholar] [CrossRef]
- Wang, X.; Wang, X. Spatiotemporal Fusion of Remote Sensing Image Based on Deep Learning. J. Sens. 2020, 2020, 8873079:1–8873079:11. [Google Scholar] [CrossRef]
- Li, W.; Zhang, X.; Peng, Y.; Dong, M. DMNet: A network architecture using dilated convolution and multiscale mechanisms for spatiotemporal fusion of remote sensing images. IEEE Sens. J. 2020, 20, 12190–12202. [Google Scholar] [CrossRef]
- Peng, M.; Zhang, L.; Sun, X.; Cen, Y.; Zhao, X. A Fast Three-Dimensional Convolutional Neural Network-Based Spatiotemporal Fusion Method (STF3DCNN) Using a Spatial-Temporal-Spectral Dataset. Remote Sens. 2020, 12, 3888. [Google Scholar] [CrossRef]
- Song, B.; Liu, P.; Li, J.; Wang, L.; Zhang, L.; He, G.; Chen, L.; Liu, J. MLFF-GAN: A Multi-Level Feature Fusion with GAN for Spatiotemporal Remote Sensing Images. IEEE Trans. Geosci. Remote Sens. 2022, 60, 4410816. [Google Scholar] [CrossRef]
- He, K.; Zhang, X.; Ren, S.; Sun, J. Deep Residual Learning for Image Recognition. In Proceedings of the 2016 IEEE Conference on Computer Vision and Pattern Recognition, CVPR 2016, Las Vegas, NV, USA, 27–30 June 2016; pp. 770–778. [Google Scholar]
- Goodfellow, I.; Pouget-Abadie, J.; Mirza, M.; Xu, B.; Warde-Farley, D.; Ozair, S.; Courville, A.; Bengio, Y. Generative adversarial networks. Commun. ACM 2020, 63, 139–144. [Google Scholar] [CrossRef]
- Ronneberger, O.; Fischer, P.; Brox, T. U-Net: Convolutional Networks for Biomedical Image Segmentation. In Proceedings of the Medical Image Computing and Computer-Assisted Intervention—MICCAI 2015—18th International Conference, Munich, Germany, 5–9 October 2015; Volume 9351, pp. 234–241. [Google Scholar]
- Zhong, X.; Qian, Y.; Liu, H.; Chen, L.; Wan, Y.; Gao, L.; Qian, J.; Liu, J. Attention_FPNet: Two-Branch Remote Sensing Image Pansharpening Network Based on Attention Feature Fusion. IEEE J. Sel. Top. Appl. Earth Obs. Remote Sens. 2021, 14, 11879–11891. [Google Scholar] [CrossRef]
- Luo, P.; Ren, J.; Peng, Z.; Zhang, R.; Li, J. Differentiable Learning-to-Normalize via Switchable Normalization. In Proceedings of the 7th International Conference on Learning Representations, ICLR 2019, New Orleans, LA, USA, 6–9 May 2019. [Google Scholar]
- Nwankpa, C.; Ijomah, W.; Gachagan, A.; Marshall, S. Activation functions: Comparison of trends in practice and research for deep learning. arXiv 2018, arXiv:1811.03378. [Google Scholar]
- Emelyanova, I.V.; McVicar, T.R.; van Niel, T.G.; Li, L.T.; Dijk, A.I.V. Assessing the accuracy of blending Landsat—MODIS surface reflectances in two landscapes with contrasting spatial and temporal dynamics: A framework for algorithm selection. Remote Sens. Environ. 2013, 133, 193–209. [Google Scholar] [CrossRef]













| Methods | Modle | Adoption Mechanism | Advantages and Limitations | Proposed Year |
|---|---|---|---|---|
| Decomposition-based methods | MMT [21] | Pixel decomposition | The spatiotemporal fusion algorithm based on decomposition is proposed for the first time; It cannot solve the problems of large spectral decomposition error and intra-class deformability. | 1999 |
| MSTDFA [22] | Decomposed end element reflectivity | Be able to effectively use time and space changes; Acquisition time, spectral response function, etc. will affect the accuracy. | 2012 | |
| ESTDFM [23] | Sliding window, time weight | The predicted image generated is more consistent with the real object; Large amount of calculation. | 2013 | |
| OB-STVIUM [24] | Multi-data segmentation technology | The extraction of pixel information is enhanced to alleviate the inaccurate prediction of land cover change caused by different seasons | 2015 | |
| Weight Function-based Methods | STARFM [25] | Mobile window search, weight function | The first weighted fusion algorithm; Assume that the coarse resolution image is “pure” pixel, and cannot predict complex areas | 2006 |
| ESTARFM [26] | Search window, conversion factor | Solve the problem of heterogeneous landscape and enhance the ability to monitor seasonal landscape changes; Objects whose shape cannot be accurately predicted over time will blur the changing boundaries. | 2010 | |
| STAARCH [27] | Monitoring change points from dense time series of coarse images | Identify the spatial and temporal changes of the landscape with a better level of detail. | 2009 | |
| SADFAT [28] | Linear spectral mixing analysis technology | Improve the accuracy of heterogeneous landscape prediction;The window size and the number of land cover categories need to be set, and the mismatch of Landsat to MODIS pixels is ignored. | 2014 | |
| Bayesian-based Methods | BME [29] | Bayesian maximum entropy | Solve multi-scale problems and capture fine spatial structure; Noise may be generated during splicing. | 2013 |
| NDVI-BSFM [30] | Constrained observation data decomposition | Preserve more spatial details and have less dependence on the forecast data to be determined; Angle effect and quality control deviation will affect the prediction results. | 2016 | |
| STS [31] | Establish relationship model and reverse fusion | It can complete different types of fusion tasks without being limited by the number of remote sensing sensors; It is inefficient and cannot be applied to multi-source heterogeneous remote sensing images. | 2016 | |
| Bayesian-fusion [32] | Establish observation model and Gaussian distribution | The framework is flexible, and there is no limit to the number of high-resolution images input; It can not effectively extract mixed spectra, which limits the potential of retrieval spectra. | 2017 | |
| Learning-based Methods | SPSTFM [33] | Sparse representation | It can effectively process images of phenological changes and land cover changes; The processed image should not be too complex and take a long time to calculate. | 2012 |
| One-pair Learning [34] | Sparse representation, high-pass modulation | It can effectively process images of phenological changes and land cover changes; It is necessary to confirm the similarity between the reference date and the forecast date remote sensing data. | 2012 | |
| EBSPTM [35] | Error regularization | It can accommodate the learned dictionary to represent unknown multi-temporal images; Large amount of calculation. | 2015 | |
| Hybrid Methods | STRUM [36] | Reflectivity separation, Bayesian framework | It is sensitive to time change and has good performance in limited high-resolution image data; Unable to extract detailed features well. | 2015 |
| STIMFM [37] | Spectral decomposition, Bayesian framework | High computational efficiency and high accuracy of image generation; The problem of land cover prediction with a long time span cannot be solved. | 2016 | |
| FSDAF [38] | Linear unmixing, weight fusion | The algorithm is suitable for heterogeneous landscapes and can predict the change of gradient and land cover type; The detailed features of the reference image cannot be fully extracted. | 2016 |
| Data | Depth | PSNR | SAM | SSIM | ERGAS | CC | RMSE | Para (M) | Time (S) |
|---|---|---|---|---|---|---|---|---|---|
| CIA | 1 | 30.9142 | 0.0906 | 0.8857 | 1.3908 | 0.7864 | 0.0286 | 14.3080 | 11.7240 |
| 2 | 33.3317 | 0.0687 | 0.9074 | 1.1296 | 0.8545 | 0.0217 | 14.7475 | 10.9963 | |
| 3 | 34.0120 | 0.0581 | 0.9160 | 1.0355 | 0.8825 | 0.0200 | 14.8750 | 14.9800 | |
| LGC | 1 | 32.5540 | 0.0600 | 0.9394 | 0.8993 | 0.8373 | 0.0235 | 14.3080 | 125.01 |
| 2 | 35.9597 | 0.0429 | 0.9576 | 0.7003 | 0.8996 | 0.0159 | 14.7475 | 125.33 | |
| 3 | 37.2547 | 0.0369 | 0.9639 | 0.6072 | 0.9252 | 0.0137 | 14.8749 | 166.41 |
| DataSet | Model | PSNR | SAM | SSIM | ERGAS | CC | RMSE | Para (M) | Time (S) | |||
|---|---|---|---|---|---|---|---|---|---|---|---|---|
| Multi-Scale | CBAM | AFF-Fusion | Multi-Loss | |||||||||
| CIA | ✓ | × | × | × | 33.6311 | 0.0619 | 0.9114 | 1.0835 | 0.8704 | 0.0209 | 14.7120 | 14.0100 |
| × | ✓ | × | × | 33.7348 | 0.0599 | 0.9115 | 1.0850 | 0.8671 | 0.0207 | 14.5982 | 14.7200 | |
| ✓ | ✓ | × | × | 33.7416 | 0.0627 | 0.9119 | 1.0678 | 0.8701 | 0.0207 | 14.9041 | 12.4100 | |
| ✓ | × | ✓ | × | 33.8511 | 0.0622 | 0.9132 | 1.0978 | 0.8732 | 0.0204 | 14.7312 | 14.1060 | |
| ✓ | ✓ | ✓ | × | 33.7914 | 0.0631 | 0.9137 | 1.0722 | 0.8735 | 0.0206 | 14.8664 | 14.3500 | |
| ✓ | ✓ | ✓ | ✓ | 34.0120 | 0.0581 | 0.9160 | 1.0355 | 0.8825 | 0.0200 | 14.8750 | 14.9800 | |
| DataSet | Model | PSNR | SAM | SSIM | ERGAS | CC | RMSE | Para (M) | Time (S) | |||
|---|---|---|---|---|---|---|---|---|---|---|---|---|
| Multi-Scale | CBAM | AFF-Fusion | Multi-Loss | |||||||||
| LGC | ✓ | × | × | × | 36.6563 | 0.0419 | 0.9594 | 0.6465 | 0.9180 | 0.0146 | 14.7119 | 135.15 |
| × | ✓ | × | × | 36.7236 | 0.0422 | 0.9586 | 0.9483 | 0.9170 | 0.0145 | 14.5982 | 133.59 | |
| ✓ | ✓ | × | × | 36.7410 | 0.0416 | 0.9595 | 0.6531 | 0.9200 | 0.0145 | 14.9041 | 132.51 | |
| ✓ | × | ✓ | × | 36.7436 | 0.0418 | 0.9609 | 0.6538 | 0.9164 | 0.0145 | 14.7311 | 151.61 | |
| ✓ | ✓ | ✓ | × | 36.7465 | 0.0408 | 0.9625 | 0.6217 | 0.9219 | 0.0145 | 14.8663 | 156.60 | |
| ✓ | ✓ | ✓ | ✓ | 37.2547 | 0.0369 | 0.9639 | 0.6072 | 0.9252 | 0.0137 | 14.8856 | 166.41 | |
| Method | PSNR | SAM | SSIM | ERGAS | CC | RMSE | Para (M) | Time (S) |
|---|---|---|---|---|---|---|---|---|
| STARFM [25] | 32.7311 | 0.0745 | 0.8914 | 1.2473 | 0.8358 | 0.0233 | - | 808.56 |
| FSDAF [38] | 32.9512 | 0.0721 | 0.8914 | 1.2251 | 0.8424 | 0.0227 | - | 1067.51 |
| DCSTFN [43] | 30.8206 | 0.0638 | 0.9040 | 1.8215 | 0.7563 | 0.0294 | 0.71 | 20.50 |
| EDCSTFN [44] | 33.2827 | 0.0678 | 0.9094 | 1.1988 | 0.8580 | 0.0217 | 1.07 | 30.93 |
| GANSTFM [18] | 33.6542 | 0.0651 | 0.9082 | 1.1298 | 0.8590 | 0.0209 | 16.26 | 22.65 |
| OURS | 34.0120 | 0.0581 | 0.9160 | 1.0355 | 0.8825 | 0.0200 | 14.87 | 14.98 |
| Method | PSNR | SAM | SSIM | ERGAS | CC | RMSE | Para (M) | Time (S) |
|---|---|---|---|---|---|---|---|---|
| STARFM [25] | 35.6750 | 0.0439 | 0.9549 | 0.7357 | 0.9000 | 0.0165 | - | 2410.56 |
| FSDAF [38] | 35.5282 | 0.0456 | 0.9488 | 0.7387 | 0.8984 | 0.0169 | - | 4208.82 |
| DCSTFN [43] | 34.2191 | 0.0435 | 0.9485 | 0.8810 | 0.8949 | 0.0195 | 0.71 | 224.03 |
| EDCSTFN [44] | 35.5021 | 0.0515 | 0.9585 | 0.8180 | 0.9195 | 0.0168 | 1.07 | 338.16 |
| GAN-STFM [18] | 36.6308 | 0.0423 | 0.9587 | 0.6872 | 0.9169 | 0.0147 | 16.26 | 170.71 |
| OURS | 37.2547 | 0.0369 | 0.9640 | 0.6073 | 0.9252 | 0.0137 | 14.87 | 166.41 |
Disclaimer/Publisher’s Note: The statements, opinions and data contained in all publications are solely those of the individual author(s) and contributor(s) and not of MDPI and/or the editor(s). MDPI and/or the editor(s) disclaim responsibility for any injury to people or property resulting from any ideas, methods, instructions or products referred to in the content. |
© 2023 by the authors. Licensee MDPI, Basel, Switzerland. This article is an open access article distributed under the terms and conditions of the Creative Commons Attribution (CC BY) license (https://creativecommons.org/licenses/by/4.0/).
Share and Cite
Liu, H.; Yang, G.; Deng, F.; Qian, Y.; Fan, Y. MCBAM-GAN: The Gan Spatiotemporal Fusion Model Based on Multiscale and CBAM for Remote Sensing Images. Remote Sens. 2023, 15, 1583. https://doi.org/10.3390/rs15061583
Liu H, Yang G, Deng F, Qian Y, Fan Y. MCBAM-GAN: The Gan Spatiotemporal Fusion Model Based on Multiscale and CBAM for Remote Sensing Images. Remote Sensing. 2023; 15(6):1583. https://doi.org/10.3390/rs15061583
Chicago/Turabian StyleLiu, Hui, Guangqi Yang, Fengliang Deng, Yurong Qian, and Yingying Fan. 2023. "MCBAM-GAN: The Gan Spatiotemporal Fusion Model Based on Multiscale and CBAM for Remote Sensing Images" Remote Sensing 15, no. 6: 1583. https://doi.org/10.3390/rs15061583
APA StyleLiu, H., Yang, G., Deng, F., Qian, Y., & Fan, Y. (2023). MCBAM-GAN: The Gan Spatiotemporal Fusion Model Based on Multiscale and CBAM for Remote Sensing Images. Remote Sensing, 15(6), 1583. https://doi.org/10.3390/rs15061583
