Simulation Study on the Energy Consumption Characteristics of Individual and Cluster Thermal Storage Electric Heating Systems
Abstract
1. Introduction
2. Methods
2.1. Overview
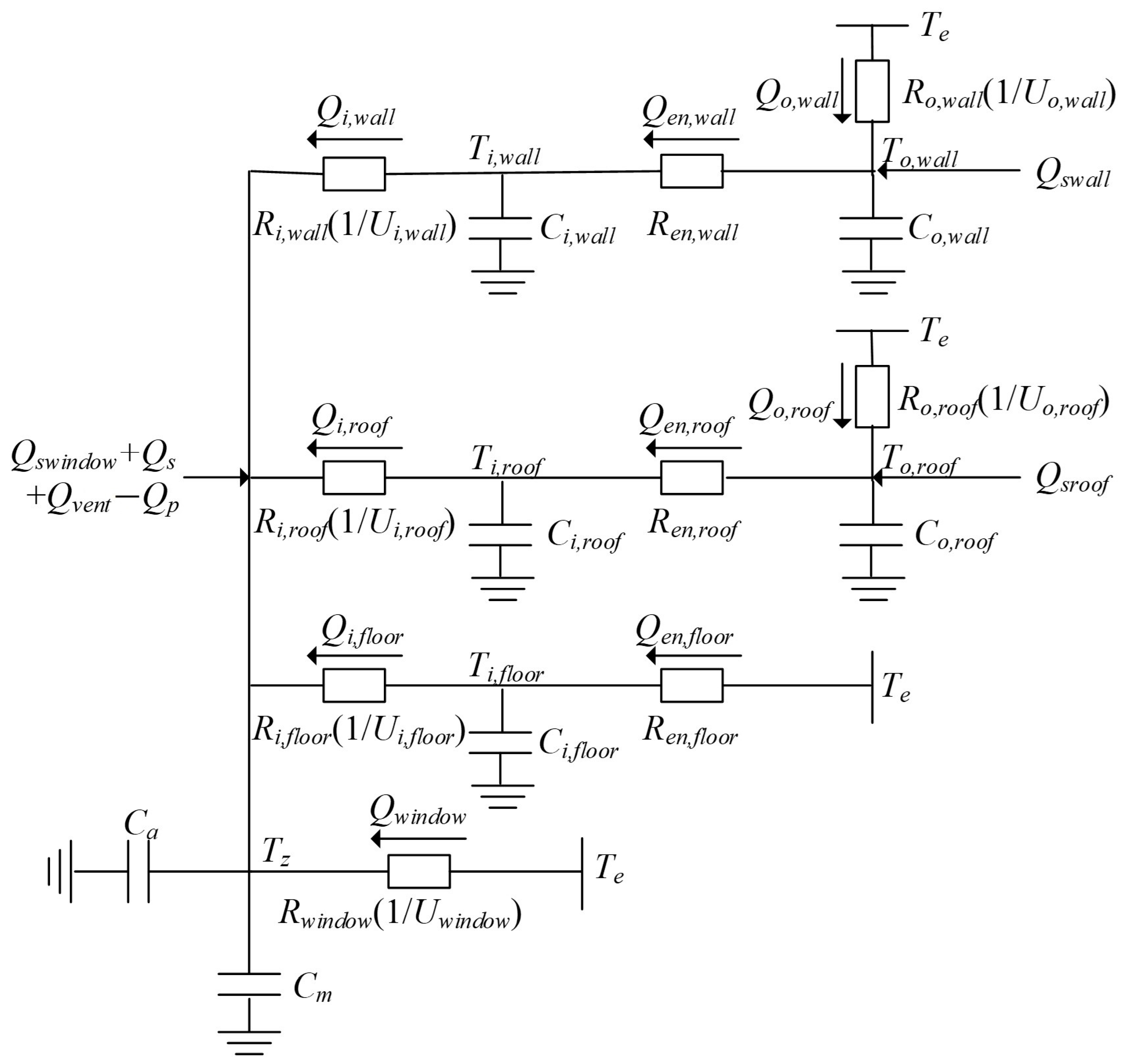
2.2. Building Thermal Balance Equation and Heat Exchange Processes
- (1)
- Forced convective heat transfer from indoor air to the inner surfaces of the building walls (excluding doors), roof, and floor.
- (2)
- Conductive heat transfer between the building walls (excluding doors), roof, and floor envelope materials.
- (3)
- Natural convective heat transfer from the outer surfaces of the building walls (excluding doors), roof, and floor to the outdoor air.
2.3. Building Thermal Load Modeling
3. Implementation
3.1. Case Study Description
3.2. Analysis of Energy Consumption Characteristics of Single Thermal Storage Electric Heating Systems
3.3. Cluster Energy Usage Characteristics of Thermal Storage Electric Heating Systems
3.3.1. User Classification
- (1)
- User Classification Indicators
- (2)
- User Classification
3.3.2. Heat Load Prediction Model
3.3.3. Prediction Model for Non-Electrical Heating Loads
3.3.4. Analysis of Energy Usage Characteristics of Storage Electric Heating Systems
4. Conclusions
- (1)
- Optimization of Energy Consumption Time Distribution: The thermal storage electric heating system significantly alters the temporal distribution of user energy consumption by shifting the peak energy usage period from daytime to nighttime during low electricity pricing hours, effectively reducing users’ electricity expenses.
- (2)
- Changes in Regional Load Distribution: With the increasing proportion of thermal storage electric heating, the regional daytime load decreases significantly, while the nighttime peak load rises markedly. Specifically, as the proportion of thermal storage electric heating increases from 10% to 30%, the daytime minimum load reduction rate increases from 7% to 22%, and the nighttime maximum load increase rate rises from 16% to 63%.
- (3)
- Mitigation of Grid Peak Pressure: The integration of thermal storage electric heating significantly reshapes the regional load distribution, playing a crucial role in alleviating daytime grid peak pressure. As the proportion of thermal storage electric heating increases, the regional daytime load decreases substantially, and the nighttime load rises, thereby effectively mitigating the daytime grid peak pressure.
Author Contributions
Funding
Institutional Review Board Statement
Informed Consent Statement
Data Availability Statement
Conflicts of Interest
References
- Dahash, A.; Ochs, F.; Tosatto, A. Techno-economic and exergy analysis of tank and pit thermal energy storage for renewables district heating systems. Renew. Energy 2021, 180, 1358–1379. [Google Scholar] [CrossRef]
- Gao, M.; Furbo, S.; Xiang, Y.; Fan, J.; Wang, D.; Tian, Z. Solar district heating system with large heat storage: Energy, exergy, economic and environmental (4E) analysis. Energy Convers. Manag. 2024, 314, 118709. [Google Scholar] [CrossRef]
- Lund, P.D.; Lindgren, J.; Mikkola, J.; Salpakari, J. Review of energy system flexibility measures to enable high levels of variable renewable electricity. Renew. Sustain. Energy Rev. 2015, 45, 785–807. [Google Scholar] [CrossRef]
- Wang, Z.; Wang, H.; Lin, Z.; Liu, W.; Mao, Y.; Wang, X.; Wang, S. Modeling of regional electrical heating load characteristics considering user response behavior difference. Int. J. Electr. Power Energy Syst. 2020, 123, 106297. [Google Scholar] [CrossRef]
- Wang, D.; Jia, H.; Wang, C.; Lu, N.; Fan, M.; Miao, W.; Liu, Z. Performance evaluation of controlling thermostatically controlled appliances as virtual generators using comfort-constrained state-queueing models. IET Gener. Transm. Distrib. 2014, 8, 591–599. [Google Scholar] [CrossRef]
- Brunner, C.; Deac, G.; Braun, S.; Zöphel, C. The future need for flexibility and the impact of fluctuating renewable power generation. Renew. Energy 2020, 149, 1314–1324. [Google Scholar] [CrossRef]
- Lin, L.; Chen, G.; Wang, W.; Liu, X.; Liu, X.; Zhang, T. Flexible regulation of airport air-conditioning systems: Impact of cooling load variations on temperature stability. J. Build. Eng. 2024, 98, 111324. [Google Scholar] [CrossRef]
- Bai, C.; Zhan, J.; Wang, H.; Yang, Z.; Liu, H.; Liu, W.; Wang, C.; Chu, X.; Teng, Y. Heating choices and residential willingness to pay for clean heating: Evidence from a household survey in rural China. Energy Policy 2023, 178, 113617. [Google Scholar] [CrossRef]
- Liu, J.; Luo, X.; Liu, X.; Gao, Y.; Zhou, T.; Zhai, X.; He, L. Study on multi-agent evolutionary games promoting “distributed photovoltaics and electric heating” in rural areas: A case study in Xi’an, China, a pilot city for clean heating. J. Clean. Prod. 2025, 486, 144458. [Google Scholar] [CrossRef]
- Li, Y.; Tang, Y.; Qiao, L.; Liu, M.; Chen, L.; Yuan, X.; Wang, Q.; Ma, Q. Is solar heating an appropriate choice in rural areas of northern China? Evidence from numerical simulation and life cycle assessment. Sci. Total Environ. 2023, 904, 166382. [Google Scholar] [CrossRef]
- Bankel, A.; Mignon, I. Solar business models from a firm perspective—An empirical study of the Swedish market. Energy Policy 2022, 166, 113013. [Google Scholar] [CrossRef]
- Chen, S.-Y.; Xue, M.-T.; Wang, Z.-H.; Tian, X.; Zhang, B. Exploring pathways of phasing out clean heating subsidies for rural residential buildings in China. Energy Econ. 2022, 116, 106411. [Google Scholar] [CrossRef]
- Shan, M.; Lyu, J.; Liu, L.; Zhong, Z.; Liu, B. Compact dual-wavelength off-axis digital holography for quantitative phase imaging. In Proceedings of the Quantitative Phase Imaging VI, SPIE, San Francisco, CA, USA, 1–4 February 2020; pp. 27–33. [Google Scholar] [CrossRef]
- Sommerfeldt, N.; Pearce, J.M. Can grid-tied solar photovoltaics lead to residential heating electrification? A techno-economic case study in the midwestern U.S. Appl. Energy 2023, 336, 120838. [Google Scholar] [CrossRef]
- Li, J.; Qu, C.; Li, C.; Liu, X.; Novakovic, V. Technical and economic performance analysis of large flat plate solar collector coupled air source heat pump heating system. Energy Build. 2022, 277, 112564. [Google Scholar] [CrossRef]
- Zhao, H.; Shan, X.; Deng, Q.; Lu, W.-Z. Analysis of thermal environment, energy consumption changing patterns, and influencing factors in large spaces based on dynamic co-simulation platform. J. Build. Eng. 2025, 103, 112049. [Google Scholar] [CrossRef]
- Mohebi, P.; Li, S.; Wang, Z. Chance-constrained stochastic framework for building thermal control under forecast uncertainties. Energy Build. 2025, 331, 115385. [Google Scholar] [CrossRef]
- Martins, L.B.; Ferreira, A.C.; Pinto, B.; Gonçalves, P.; Rodrigues, N.; Teixeira, J.C.; Teixeira, S. Energy simulations of an existing villa converted into a nZEB building with assessment of the human thermal comfort. Appl. Therm. Eng. 2025, 275, 126857. [Google Scholar] [CrossRef]
- Sun, J.; Li, Y.; Lian, J.; Liu, Y.; Du, W. Thermal and electric multidomain dynamic model for integration of power grid distribution with behind-the-meter devices. Energy Build. 2025, 336, 115606. [Google Scholar] [CrossRef]
- Hagemann, W.; Weichmann, J.; Gernandt, H.; Krenzlin, F.; Schiffer, J. Modeling and optimization of borehole thermal energy storage systems using physics-based neural networks. Renew. Energy 2026, 256, 123753. [Google Scholar] [CrossRef]
- Papavasiliou, A.; Oren, S.S. A stochastic unit commitment model for integrating renewable supply and demand response. In Proceedings of the 2012 IEEE Power and Energy Society General Meeting, San Diego, CA, USA, 22–26 July 2012; pp. 1–6. [Google Scholar] [CrossRef]
- Bruninx, K.; Patteeuw, D.; Delarue, E.; Helsen, L.; D’haeseleer, W. Short-term demand response of flexible electric heating systems: The need for integrated simulations. In Proceedings of the 2013 10th International Conference on the European Energy Market (EEM), Stockholm, Sweden, 27–31 May 2013; pp. 1–10. [Google Scholar] [CrossRef]
- Buber, T.; von Roon, S.; Gruber, A.; Conrad, J. Demand Response potential of electrical heat pumps and electric storage heaters. In Proceedings of the IECON 2013—39th Annual Conference of the IEEE Industrial Electronics Society, Vienna, Austria, 10–13 November 2013; pp. 8028–8032. [Google Scholar] [CrossRef]
- Oliver, D.; Groulx, D. Thermo-economic assessment of end user value in home and community scale renewable energy systems. J. Renew. Sustain. Energy 2012, 4, 023117. [Google Scholar] [CrossRef]
- Akmal, M.; Flynn, D.; Kennedy, J.; Fox, B. Flexible heat load for managing wind variability in the Irish power system. In Proceedings of the 2009 44th International Universities Power Engineering Conference (UPEC), Glasgow, UK, 1–4 September 2009; pp. 1–5. Available online: https://ieeexplore.ieee.org/document/5429469 (accessed on 26 December 2024).
- Wei, Z.; Calautit, J. Predictive control of low-temperature heating system with passive thermal mass energy storage and photovoltaic system: Impact of occupancy patterns and climate change. Energy 2023, 269, 126791. [Google Scholar] [CrossRef]
- Guo, T.; Sang, G.; Zhang, Y.; Cai, P.; Cui, X.; Wang, Z. Study on indoor thermal conditions of a triple envelope incorporated with PCM in the passive solar building under different climates by analytical method. Energy Convers. Manag. 2025, 323, 119276. [Google Scholar] [CrossRef]
- Wen, J.; Fu, W.; Meng, X. Climate adaptation analysis of the thermal performance of dynamic rotating latent-energy-storage envelope (DRLESE) in China. Case Stud. Therm. Eng. 2025, 71, 106254. [Google Scholar] [CrossRef]
- Chetouni, A.; Kaitouni, S.I.; Jamil, A. Climate change impacts on future thermal energy demands and indoor comfort of a modular residential building across different climate zones. J. Build. Eng. 2025, 102, 111927. [Google Scholar] [CrossRef]
- Duan, Z.; de Wilde, P.; Attia, S.; Zuo, J. Challenges in predicting the impact of climate change on thermal building performance through simulation: A systematic review. Appl. Energy 2025, 382, 125331. [Google Scholar] [CrossRef]







| Parameter | Value |
|---|---|
| Interior Surface Heat Transfer Coefficient () | 8.7 |
| Exterior Surface Heat Transfer Coefficient () | 23 |
| Wall Material Thickness () | 0.24 |
| Thermal Conductivity of Wall Material (Clay Porous Brick) () | 0.58 |
| Correction Coefficient for Material Thermal Conductivity () | 1.2 |
| Thermal Resistance of Enclosed Air Layer () | 0.7 |
| Daytime Minimum Load (kW) | Nighttime Maximum Load (kW) | |
|---|---|---|
| Without Thermal Storage Electric Heating | 436.02 | 668.37 |
| With 10% Thermal Storage Electric Heating | 404.28 | 772.38 |
| Load Change Rate | 7% | 16% |
| Daytime Minimum Load (kW) | Nighttime Maximum Load (kW) | |
|---|---|---|
| Without Thermal Storage Electric Heating | 436.02 | 668.37 |
| With 20% Thermal Storage Electric Heating | 371.31 | 923.61 |
| Load Change Rate | 15% | 38% |
| Daytime Minimum Load (kW) | Nighttime Maximum Load (kW) | |
|---|---|---|
| Without Thermal Storage Electric Heating | 436.02 | 668.37 |
| With 30% Thermal Storage Electric Heating | 338.24 | 1091.05 |
| Load Change Rate | 22% | 63% |
Disclaimer/Publisher’s Note: The statements, opinions and data contained in all publications are solely those of the individual author(s) and contributor(s) and not of MDPI and/or the editor(s). MDPI and/or the editor(s) disclaim responsibility for any injury to people or property resulting from any ideas, methods, instructions or products referred to in the content. |
© 2025 by the authors. Licensee MDPI, Basel, Switzerland. This article is an open access article distributed under the terms and conditions of the Creative Commons Attribution (CC BY) license (https://creativecommons.org/licenses/by/4.0/).
Share and Cite
Qu, B.; Jia, H.; Cheng, L.; Wu, X. Simulation Study on the Energy Consumption Characteristics of Individual and Cluster Thermal Storage Electric Heating Systems. Sustainability 2025, 17, 7548. https://doi.org/10.3390/su17167548
Qu B, Jia H, Cheng L, Wu X. Simulation Study on the Energy Consumption Characteristics of Individual and Cluster Thermal Storage Electric Heating Systems. Sustainability. 2025; 17(16):7548. https://doi.org/10.3390/su17167548
Chicago/Turabian StyleQu, Bo, Hongjie Jia, Ling Cheng, and Xuming Wu. 2025. "Simulation Study on the Energy Consumption Characteristics of Individual and Cluster Thermal Storage Electric Heating Systems" Sustainability 17, no. 16: 7548. https://doi.org/10.3390/su17167548
APA StyleQu, B., Jia, H., Cheng, L., & Wu, X. (2025). Simulation Study on the Energy Consumption Characteristics of Individual and Cluster Thermal Storage Electric Heating Systems. Sustainability, 17(16), 7548. https://doi.org/10.3390/su17167548
