Tsunami Flow Characteristics on the East Coast of the UAE by One-Dimensional Numerical Analysis and Artificial Neural Networking
Abstract
1. Introduction
2. Methods and Data
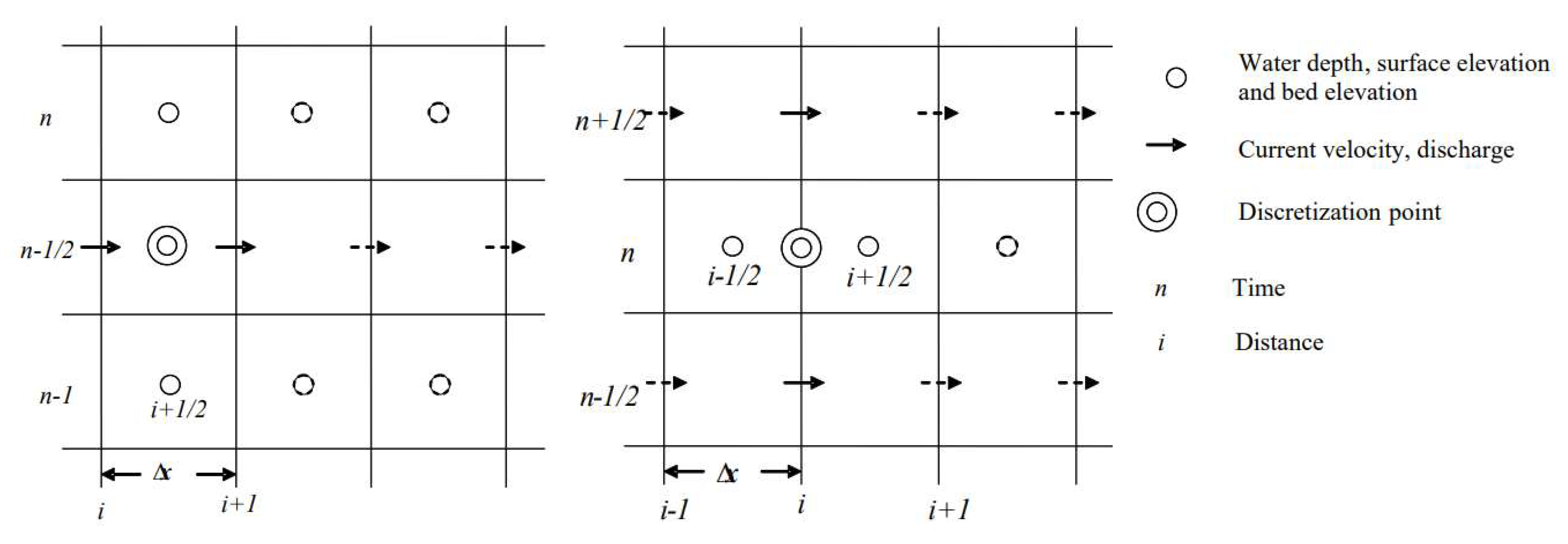
2.1. Numerical Model
2.2. East Coast of the UAE and Bathymetry
2.3. Numerical Model Inputs and Outputs
2.4. Artificial Neural Network
2.4.1. Multilayer Perceptrons
2.4.2. Numerical Data Processing for ANN
3. Results
3.1. Numerical Modeling Results
3.2. ANN Results
4. Conclusions
Author Contributions
Funding
Institutional Review Board Statement
Informed Consent Statement
Data Availability Statement
Conflicts of Interest
References
- Aldogom, D.; Albesher, S.; Al Mansoori, S.; Nazzal, T. Assessing Coastal Land Dynamics Along UAE Shoreline Using GIS and Remote Sensing Techniques. IOP Conf. Ser. Earth Environ. Sci. 2020, 540, 012031. [Google Scholar] [CrossRef]
- Luijendijk, A.P.; Vasiliki, E.; Morelissen, D.R.; Hoteit, I.; Ranasinghe, R. Regime Shifts in Future Shoreline Dynamics of Saudi Arabia. Front. Mar. Sci. 2022, 8, 1–12. [Google Scholar] [CrossRef]
- UN.ESCAP. Tsunami Early Warning Systems in the Countries of the North West Indian Ocean Region with Focus on India, Islamic Republic of Iran, Pakistan, and Oman: Synthesis Report; UNESCAP: Bangkok, Thailand, 2017. [Google Scholar]
- Jelínek, R.; Krausmann, E. Approaches to tsunami risk assessment. EUR Sci. Tech. Res. Ser. 2008, 1018–5593. Available online: https://publications.jrc.ec.europa.eu/repository/handle/JRC48713 (accessed on 29 July 2025).
- Browning, J.; Thomas, N. An assessment of the tsunami risk in Muscat and Salalah, Oman, based on estimations of probable maximum loss. Int. J. Disaster Risk Reduct. 2016, 16, 75–87. [Google Scholar] [CrossRef]
- Hamidatou, M.; Almandous, A.; Alebri, K.; Alameri, B.; Megahed, A. Deterministic Tsunami Hazard Assessment for the Eastern Coast of the United Arab Emirates: Insights from the Makran Subduction Zone. Sustainability 2024, 16, 10665. [Google Scholar] [CrossRef]
- Fukui, N.; Mori, N.; Miyashita, T.; Shimura, T.; Goda, K. Subgrid-scale modeling of tsunami inundation in coastal urban areas. Coast. Eng. 2022, 177, 104175. [Google Scholar] [CrossRef]
- Suppasri, S.; Latcharote, P.; Pokavanich, T.; Al-Salem, K. Tsunami Hazard Assessment for the Arabian Gulf from Earthquakes and Surface Landslides. J. Jpn. Soc. Civ. Eng. Ser B2 (Coast. Eng.) 2016, 72, I_1675–I_1680. [Google Scholar] [CrossRef] [PubMed]
- Byrne, D.E.; Sykes, L.R.; Davis, D.M. Great thrust earthquakes and aseismic slip along the plate boundary of the Makran subduction zone. J. Geophys. Res. 1992, 97, 449–478. [Google Scholar] [CrossRef]
- Jordan, B.R. Tsunamis of the Arabian Peninsula a Guide of Historic Events. Sci. Tsunami Hazards 2008, 27, 31. [Google Scholar]
- Okal, E.A.; Fritz, H.M.; Raad, P.E.; Synolakis, C.; Al-Shijbi, Y.; Al-Saifi, M. Oman field survey after the December 2004 Indian Ocean Tsunami. Earthq. Spectra 2006, 22, S203–S218. [Google Scholar] [CrossRef]
- Pararas-Carayannis, G. The Potential of tsunami generation along the Makran subduction zone in the Northern Arabian Sea. Sci. Tsunami Hazards 2006, 24, 358. [Google Scholar]
- Hoffmann, G.; Reicherter, K.; Wiatr, T.; Grutzner, C.; Rausch, T. Block and boulder accumulations along the coastline between Fins and Sur (Sultanate of Oman): Tsunamigenic remains? Nat. Hazards 2013, 65, 851–873. [Google Scholar] [CrossRef]
- Rodriguez, M.; Chamot-Rooke, N.; Hébert, H.; Fournier, M.; Huchon, P. Owen Ridge deep-water submarine landslides: Implications for tsunami hazard along the Oman coast. Nat. Hazards Earth Syst. Sci. 2013, 13, 417–424. [Google Scholar] [CrossRef]
- El-Hussain, I.; Omira, R.; Al-Bulushi, K.; Deif, A.; Al-Habsi, Z.; Al-Rawas, G.; Mohamad, A.; Al-Jabri, K.; Baptista, M.A. Tsunami hazard assessment along Diba-Oman and Diba-Al-Emirates coasts. MATEC Web Conf. 2017, 120, 06007. [Google Scholar] [CrossRef]
- Aniel-Quiroga, Í.; Álvarez-Gómez, J.A.; González, M.; Martínez Sánchez, J.; Parro, L.M.; Aguirre-Ayerbe, I.; Fernández, F.; Medina, R.; Al-Yahyai, S. Tsunami Hazard assessment and Scenarios Database for the Tsunami Warning System for the coast of Oman. Nat. Hazards Earth Syst. Sci. Discuss. 2018, 1–30. [Google Scholar] [CrossRef]
- Hereher, M.E. Assessment of Infrastructure Vulnerability to Tsunamis upon the Coastal Zone of Oman Using GIS. Geosciences 2020, 10, 175. [Google Scholar] [CrossRef]
- Kohi, M.; Babaeian, I. Projections of the Sea Level Rise and Sea Surface Temperature of Pars Sea Region Under SSPs Scenarios. Nivar 2022, 46, 179–189. [Google Scholar]
- Feulner, G.R. Geography and Geology of the United Arab Emirates: A Naturalist’s Introduction. In A Natural History of the Emirates; Burt, J.A., Ed.; Springer: Cham, Switzerland, 2024. [Google Scholar]
- Burt, J.A.; Paparella, F. The Marine Environment of the Emirates. In A Natural History of the Emirates; Burt, J.A., Ed.; Springer: Cham, Switzerland, 2024. [Google Scholar]
- IOC. Tsunami Glossary, 2019. IOC/2008/TS/85 rev. 4, 4th ed.; Intergovernmental Oceanographic Commission (IOC): Paris, France, 2019. [Google Scholar]
- Wang, Y.; Imai, K.; Miyashita, T.; Miyashita, T.; Ariyoshi, K.; Takahashi, N.; Satake, K. Coastal tsunami prediction in Tohoku region, Japan, based on S-net observations using artificial neural network. Earth Planets Space 2023, 75, 154. [Google Scholar] [CrossRef]
- Fausett, L. Fundamentals of Neural Network; Prentice Hall: Hoboken, NJ, USA, 1994. [Google Scholar]
- Goodfellow, I.; Bengio, Y.; Courville, A. Deep Learning; MIT Press: Cambridge, MA, USA, 2016. [Google Scholar]
- WEKA: A Machine Learning Software in Java, Version 3.8.6; The University of Waikato: Hamilton, New Zealand, 2025.
- Garson, G.D. Interpreting neural network connection weights. Artif. Intell. Expert 1991, 6, 47–51. [Google Scholar]










| Model Variable. | Range of Values | Mean | Standard Deviation |
|---|---|---|---|
| Tsunami Period (min) | 5–30 | 16.5068 | 10.3644 |
| S1 | 0.0043–0.0241 | 0.0101 | 0.0053 |
| D1 (m) | 160–504 | 279.3699 | 95.0859 |
| S2 | 0.0009–0.0082 | 0.0034 | 0.0025 |
| D2 (m) | 114–206 | 136.5890 | 27.5242 |
| S3 | −0.0005–0.0009 | 0.0004 | 0.0004 |
| D3 (m) | 96–125 | 100.6301 | 6.7444 |
| S4 | 0.0024–0.0069 | 0.0036 | 0.0011 |
| D4 | 63–76 | 70.7397 | 3.8225 |
| Maximum tsunami depth at shore (m) | 1.8585–12.8509 | 5.6953 | 2.0520 |
Disclaimer/Publisher’s Note: The statements, opinions and data contained in all publications are solely those of the individual author(s) and contributor(s) and not of MDPI and/or the editor(s). MDPI and/or the editor(s) disclaim responsibility for any injury to people or property resulting from any ideas, methods, instructions or products referred to in the content. |
© 2025 by the authors. Licensee MDPI, Basel, Switzerland. This article is an open access article distributed under the terms and conditions of the Creative Commons Attribution (CC BY) license (https://creativecommons.org/licenses/by/4.0/).
Share and Cite
Nandasena, N.A.K.; Hefny, A.; Chen, C.; Alshehhi, M.; Alahbabi, N.; Alketbi, F.; Ali, M.; Alblooshi, N. Tsunami Flow Characteristics on the East Coast of the UAE by One-Dimensional Numerical Analysis and Artificial Neural Networking. Sustainability 2025, 17, 7036. https://doi.org/10.3390/su17157036
Nandasena NAK, Hefny A, Chen C, Alshehhi M, Alahbabi N, Alketbi F, Ali M, Alblooshi N. Tsunami Flow Characteristics on the East Coast of the UAE by One-Dimensional Numerical Analysis and Artificial Neural Networking. Sustainability. 2025; 17(15):7036. https://doi.org/10.3390/su17157036
Chicago/Turabian StyleNandasena, Napayalage A. K., Ashraf Hefny, Cheng Chen, Maryam Alshehhi, Noura Alahbabi, Fatima Alketbi, Maha Ali, and Noura Alblooshi. 2025. "Tsunami Flow Characteristics on the East Coast of the UAE by One-Dimensional Numerical Analysis and Artificial Neural Networking" Sustainability 17, no. 15: 7036. https://doi.org/10.3390/su17157036
APA StyleNandasena, N. A. K., Hefny, A., Chen, C., Alshehhi, M., Alahbabi, N., Alketbi, F., Ali, M., & Alblooshi, N. (2025). Tsunami Flow Characteristics on the East Coast of the UAE by One-Dimensional Numerical Analysis and Artificial Neural Networking. Sustainability, 17(15), 7036. https://doi.org/10.3390/su17157036
