Possibility of Upgrading Public Buildings to Become Climate Neutral
Abstract
1. Introduction
1.1. Aims of the Study
1.2. Supply-Side Assessment
1.3. Outline of the Multi-Case Study
2. Energy Modernization Scheme
- Installation of photovoltaic panels on the building rooftops, four PV panels technologies being considered;
 - Installation of biomass fired boilers;
 - Installation of heat pumps, either air or ground source;
 - Energy storage in the form of hot water tanks;
 - Electrical energy storage in the form of an idealized battery.
 
2.1. Energy Generation
- Monocrystalline;
 - HIT (hetero connector with an internal thin layer);
 - Polycrystalline;
 - CIGS (copper-ind-gal-selenium).
 
2.2. Energy Consumption
- Electricity consumption for utility purposes (e.g., lighting, computers, etc.);
 - Electricity consumption for air conditioning;
 - Electricity consumption for domestic hot water (DHW) preparation;
 - Heat consumption for heating;
 - Heat consumption for domestic hot water (DHW) preparation. *
 
2.2.1. Electricity Consumption
2.2.2. Domestic Hot Water
2.2.3. Energy Consumption for Heating
2.3. Instantaneous Energy Balance for the Buildings After Proposed Modernization
2.4. Computational Variants
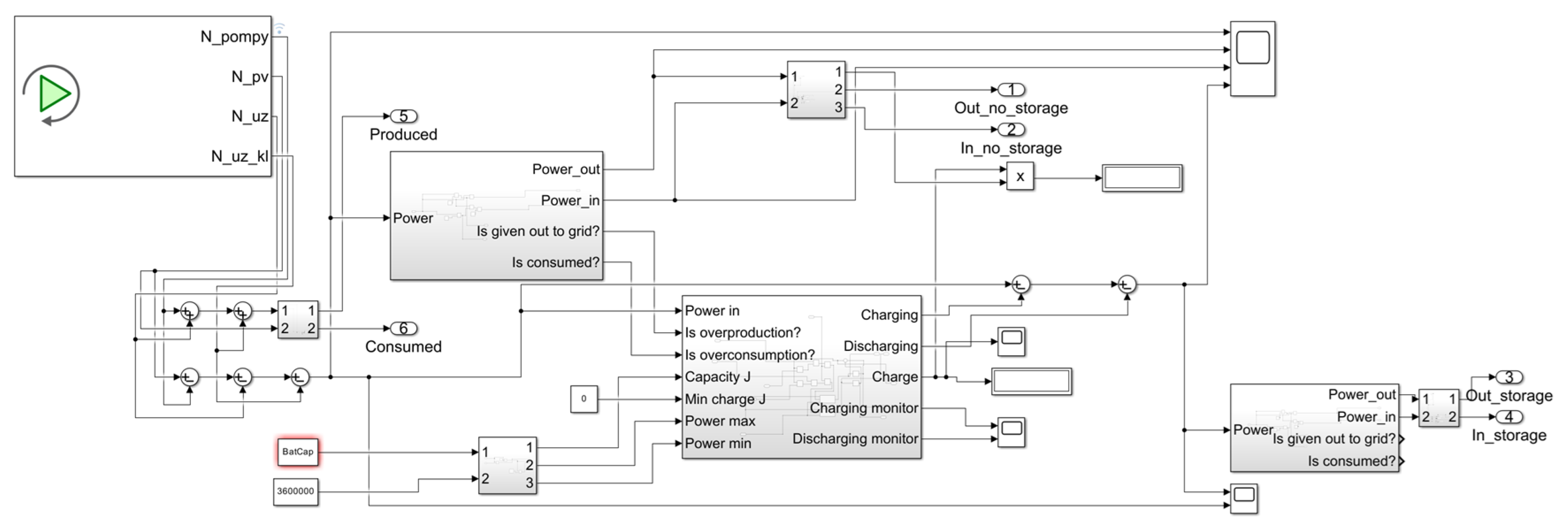
2.5. Electrical Energy Storage Implementation
3. Results and Discussion
3.1. Self-Consumption
3.2. Self-Sufficiency
4. Conclusions
Author Contributions
Funding
Institutional Review Board Statement
Informed Consent Statement
Data Availability Statement
Conflicts of Interest
Nomenclature
| Latin letters | |
| N | power, | 
| G | solar irradiance, | 
| A | area, | 
| n | quantity, - | 
| t | temperature, °C | 
| w | velocity, | 
| L | length, m | 
| Q | heat, | 
| H,h | enthalpy, , | 
| V | volume, | 
| U,u | internal energy, | 
| Greek letters | |
| efficiency, - | |
| time, s | |
| density. | |
| Subscripts | |
| el | electrical | 
| pv | photovoltaic | 
| i | index | 
| st | reference | 
| out | outflowing | 
| nom | nominal | 
| main | main | 
| dhw | domestic hot water | 
| ac | air conditioning | 
| hp | heat pump | 
| bb | biomass boiler | 
| tw | water tank | 
| ch | central heating | 
| us | useful | 
| gen | generated | 
| Abbreviations | |
| HVAC | heating, ventilation, air conditioning | 
| EPDB | Energy Performance of Buildings Directive | 
| PV | photovoltaic | 
| CIGS | copper-ind-gal-selenium | 
| HIT | hetero-connector with internal thin layer | 
| DHW | domestic hot water | 
References
- Stefanis, C.; Stavropoulos, A.; Stavropoulou, E.; Tsigalou, C.; Constantinidis, T.C.; Bezirtzoglou, E. A spotlight on environmental sustainability in view of the European Green Deal. Sustainability 2024, 16, 4654. [Google Scholar] [CrossRef]
 - Schlacke, S.; Wentzien, H.; Thierjung, E.M.; Köster, M. Implementing the EU Climate Law via the ‘Fit for 55’ package. Oxf. Open Energy 2022, 1, oiab002. [Google Scholar] [CrossRef]
 - European Parliament and Council of the European Union. Directive (EU) 2024/1275 of the European Parliament and of the Council of 24 April 2024 on the Energy Performance of Buildings (Recast). Official Journal of the European Union (OJ L), 2024. Entered into Force 28 May 2024; Provisions Apply from 30 May 2026. Available online: https://eur-lex.europa.eu/eli/dir/2024/1275/oj/eng (accessed on 10 May 2025).
 - Tomczyk, D.; Łapniewska, Z. Solar panels on every rooftop? Photovoltaics boom in Poland and the role of the European Union funds. Energy Res. Soc. Sci. 2025, 125, 104107. [Google Scholar] [CrossRef]
 - Majcher, J.; Pronobis, M.; Sołtys, J.; Strupczewski, A.; Rasolomampionona, D.D. The Unobvious Meanders of the Green Energy Transformation and its (Un) Predictable Consequences, or the Utopia of the “Net Zero” Policy. In Proceedings of the 2024 International Conference on Applied and Theoretical Electricity (ICATE), Craiova, Romania, 24–26 October 2024; pp. 1–10. [Google Scholar]
 - Williams, C.J.; Binder, J.O.; Kelm, T. Demand side management through heat pumps, thermal storage and battery storage to increase local self-consumption and grid compatibility of PV systems. In Proceedings of the 2012 3rd IEEE PES Innovative Smart Grid Technologies Europe (ISGT Europe), Berlin, Germany, 14–17 October 2012; pp. 1–6. [Google Scholar]
 - Niederhäuser, E.L.; Huguelet, N.; Rouge, M.; Guiol, P.; Orlando, D. Novel approach for heating/cooling systems for buildings based on photovoltaic-heat pump: Concept and evaluation. Energy Procedia 2015, 70, 480–485. [Google Scholar]
 - Nicoletti, F.; Ramundo, G.; Arcuri, N. Optimal operating strategy of hybrid heat pump- boiler systems with photovoltaics and battery storage. Energy Convers. Manag. 2025, 323, 119233. [Google Scholar] [CrossRef]
 - Nazari, M.A.; Rungamornrat, J.; Prokop, L.; Blazek, V.; Misak, S.; Al-Bahrani, M.; Ahmadi, M.H. An updated review on integration of solar photovoltaic modules and heat pumps towards decarbonization of buildings. Energy Sustain. Dev. 2023, 72, 230–242. [Google Scholar] [CrossRef]
 - Stavropoulos, T.G.; Koutitas, G.; Vrakas, D.; Kontopoulos, E.; Vlahavas, I. A smart university platform for building energy monitoring and savings. J. Ambient Intell. Smart Environ. 2016, 8, 301–323. [Google Scholar] [CrossRef]
 - Peng, C.; Qian, K. Development and Application of a ZigBee-Based Building Energy Monitoring and Control System. Sci. World J. 2014, 2014, 528410. [Google Scholar] [CrossRef] [PubMed]
 - Wei, C.; Li, Y. Design of energy consumption monitoring and energy-saving management system of intelligent building based on the Internet of things. In Proceedings of the 2011 International Conference on Electronics, Communications and Control (ICECC), Ningbo, China, 9–11 September 2011; pp. 3650–3652. [Google Scholar]
 - Khwanrit, R.; Kittipiyakul, S.; Kudtonagngam, J.; Fujita, H. Accuracy comparison of present low-cost current sensors for building energy monitoring. In Proceedings of the 2018 International Conference on Embedded Systems and Intelligent Technology & International Conference on Information and Communication Technology for Embedded Systems (ICESIT-ICICTES), Khon Kaen, Thailand, 7–9 May 2018; pp. 1–6. [Google Scholar]
 - Manfren, M.; James, P.A.; Aragon, V.; Tronchin, L. Lean and interpretable digital twins for building energy monitoring—A case study with Smart Thermostatic Radiator Valves and Gas Absorption Heat Pumps. Energy AI 2023, 14, 100304. [Google Scholar] [CrossRef]
 - PN-EN 12831; Charakterystyka Energetyczna Budynków—Metoda Obliczania Projektowego Obci Azenia Cieplnego—Czesc 1: Obciazenie Cieplne. Polski Komitet Normalizacyjny: Warszawa, Poland, 2017.
 - Solargis, S.R.O. Solargis: Data, Software and Services for Solar Projects. 2025. Available online: https://solargis.com (accessed on 18 June 2025).
 - EU. PVGIS (Photovoltaic Geographical Information System). Last Update: 1/03/2022. 2023. Available online: https://re.jrc.ec.europa.eu/pvg_tools/en/ (accessed on 18 June 2025).
 - Paudyal, B.R.; Imenes, A.G. Investigation of temperature coefficients of PV modules through field measured data. Sol. Energy 2021, 224, 425–439. [Google Scholar] [CrossRef]
 - Evans, D. Simplified method for predicting photovoltaic array output. Sol. Energy 1981, 27, 555–560. [Google Scholar] [CrossRef]
 - Skoplaki, E.; Boudouvis, A.; Palyvos, J. A simple correlation for the operating temperature of photovoltaic modules of arbitrary mounting. Sol. Energy Mater. Sol. Cells 2008, 92, 1393–1402. [Google Scholar] [CrossRef]
 - Bell, I.H.; Wronski, J.; Quoilin, S.; Lemort, V. Pure and Pseudo-pure Fluid Thermophysical Property Evaluation and the Open-Source Thermophysical Property Library CoolProp. Ind. Eng. Chem. Res. 2014, 53, 2498–2508. [Google Scholar] [CrossRef] [PubMed]
 - Regulation (EU) 2021/1119 of the European Parliament and of the Council of 30 June 2021 establishing the framework for achieving climate neutrality and amending Regulations (EC) No 401/2009 and (EU) 2018/1999 (‘European Climate Law’). Off. J. Eur. Union 2021, 50, 243.
 - Marsik, T.; Stevens, V.; Garber-Slaght, R.; Dennehy, C.; Strunk, R.T.; Mitchell, A. Empirical Study of the Effect of Thermal Loading on the Heating Efficiency of Variable-Speed Air Source Heat Pumps. Sustainability 2023, 15, 1880. [Google Scholar] [CrossRef]
 - Qian, H.; Wang, Y. Modeling the interactions between the performance of ground source heat pumps and soil temperature variations. Energy Sustain. Dev. 2014, 23, 115–121. [Google Scholar] [CrossRef]
 











| No. | City | Function | Heat Source | Useful Area | Heat Consumption  (Annual)  | Other Energy  Cons (Ann.),  | Air Conditioning | Mechanical  Ventilation  | 
|---|---|---|---|---|---|---|---|---|
| m2 | kWh/year | kWh/year | Number of Units | |||||
| 1 | Bojszowy | Admin. | Fuel oil | 636.18 | 124,593.30 | 33,092.00 | 1 | |
| 2 | Bytom | Cultural | District heat | 1765.89 | 290,582.22 | 15,429.00 | ||
| 3 | Chorzów | Cultural | District heat | 1812.00 | 132,805.56 | 139,360.00 | 1 | yes, rek. | 
| 4 | Częstochowa | Education | District heat | 2372.39 | 285,500.00 | 24,594.00 | ||
| 5 | Dąbrowa G. | Education | District heat | 3157.00 | 324,333.33 | 76,850.04 | ||
| 6 | Gliwice | Education | Natural gas | 610.00 | 111,857.78 | 11,535.00 | ||
| 7 | Jastrzębie Zdr. | Education | District heat | 735.02 | 135,258.33 | 15,822.00 | ||
| 8 | Katowice | Admin. | District heat | 9540.00 | 865,458.12 | 560,637.00 | 1 | |
| 9 | Koziegłowy | Culture | Natural gas | 900.00 | 164,457.60 | 58,273.00 | yes | |
| 10 | Krzepice | Education | Fuel oil | 1967.00 | 563,333.33 | 14,301.00 | ||
| 11 | Krzyżanowice | Admin | Natural gas | 93.18 | 9180.38 | 11,652.70 | ||
| 12 | Gorzyce | Culture | Coal | 411.39 | 68,133.33 | 7610.00 | 4 | |
| 13 | Nędza | Culture | Coal | 1265.00 | 87,500.00 | 41,125.00 | ||
| 14 | Opatów | Admin | Coal | 365.00 | 116,666.67 | 26,030.00 | ||
| 15 | Ornontowice | Culture | Fuel oil | 904.63 | 127,833.33 | 10,504.00 | ||
| 16 | Piekary Śl. | Education | District heat | 330.01 | 88,888.89 | 7000.00 | yes | |
| 17 | Pietrowice Wlk. | Admin | Natural gas | 1153.00 | 309,555.56 | 33,337.00 | 2 | yes | 
| 18 | Skoczów | Education | Natural gas | 1397.00 | 72,771.73 | 6297.00 | yes | |
| 19 | Radzionków | Education | District heat | 777.30 | 146,561.11 | 12,420.00 | 3 | |
| 20 | Ruda Śl. | Education | District heat | 2301.60 | 303,777.78 | 27,422.00 | ||
| 21 | Świerklaniec | Admin | Natural gas | 773.30 | 42,560.00 | 4906.00 | 4 | |
| 22 | Świerklany | Admin. | Natural gas | 650.90 | 64,894.08 | 6336.00 | yes, rek. | |
| 23 | Tychy | Education | District heat | 462.00 | 64,194.44 | 9495.00 | 1 | |
| 24 | Wisła (Ustronska) | Admin | Natural gas | 405.56 | 110,879.98 | 44,000.00 | ||
| 25 | Wisła (Wyzwolenia) | Education | Natural gas | 373.00 | 150,791.11 | 18,327.00 | ||
| 26 | Zawiercie | Admin | Natural gas | 2911.00 | 195,775.66 | 151,641.00 | 3 | |
| 27 | Żory | Education | District heat | 2305.70 | 373,833.33 | 41,609.00 | 
| No. | City | Built | Type of Insulation | Ins. Thickness | Energy Consumption per Area  | Energy Consumption per Volume  | 
|---|---|---|---|---|---|---|
| - | - | mm | kWh/m2 | kWh/m3 | ||
| 1 | Bojszowy | 1990s | ins. wool | 30 | 195.85 | 9.31 | 
| 2 | Bytom | 1950s | N/A | 70 | 164.55 | 3.35 | 
| 3 | Chorzów | 2013 | styrofoam | 10 | 73.29 | 11.63 | 
| 4 | Częstochowa SP | 1960s | N/A | 60 | 120.34 | 0.60 | 
| 5 | Dąbrowa G. | 1960s | styrofoam | 60 | 102.73 | 3.41 | 
| 6 | Gliwice PM | 1960s | styrofoam | 60 | 183.37 | 3.16 | 
| 7 | Jastrzębie Zdr. | 1970s | N/A | 50 | 184.02 | 5.20 | 
| 8 | Katowice | 1950s | N/A | 70 | 90.72 | 12.43 | 
| 9 | Koziegłowy | 1950s | N/A | 70 | 182.73 | 11.04 | 
| 10 | Krzepice 2 | 1980s | styrofoam | 40 | 286.39 | 2.22 | 
| 11 | Krzyżanowice | 1950s | styrofoam | 70 | 98.52 | 6.83 | 
| 12 | Gorzyce | 1930s | N/A | 90 | 165.62 | 3.52 | 
| 13 | Nędza | 1980s | styrofoam | 40 | 69.17 | 7.14 | 
| 14 | Opatów | 1960s | N/A | 60 | 319.63 | 9.86 | 
| 15 | Ornontowice | 1930s | N/A | 90 | 141.31 | 1.85 | 
| 16 | Piekary Śl. | 1930s | N/A | 90 | 269.35 | 3.75 | 
| 17 | Pietrowice Wlk. | 1970s | styrofoam | 50 | 268.48 | 2.65 | 
| 18 | Skoczów | 1890s | none | 52.09 | 0.64 | |
| 19 | Radzionków | 1950s | styrofoam | 70 | 188.55 | 3.71 | 
| 20 | Ruda Śl. | 1890s | N/A | 130 | 131.99 | 2.92 | 
| 21 | Świerklaniec | 1950s | none | 167.49 | 1.64 | |
| 22 | Świerklany | 1950s | N/A | 70 | 99.70 | 1.84 | 
| 23 | Tychy | 1960s | styrofoam | 60 | 138.95 | 0.53 | 
| 24 | Wisła (Ustronska) | 1990s | styrofoam | 30 | 273.40 | 14.73 | 
| 25 | Wisła | 1960s | N/A | 60 | 404.27 | 9.52 | 
| 26 | Zawiercie | 1960s | styrofoam | 60 | 67.25 | 6.95 | 
| 27 | Żory | 1970s | N/A | 50 | 162.13 | 3.62 | 
| , - | , - | H, m | L, m | |
|---|---|---|---|---|
| Monocrystaline | −0.0027 | 0.194 | 1.675 | 0.992 | 
| HIT | −0.0024 | 0.194 | 1.59 | 1.053 | 
| Policrystaline | −0.0028 | 0.163 | 1.64 | 0.992 | 
| CIGS | −0.0026 | 0.138 | 1.19 | 19 | 
| Building | El. Meter | Function | Building | El. Meter | Function | 
|---|---|---|---|---|---|
| 1 | 01_Bojszowy_Socomec3f_Elekt_1 | main | 14 | 14_Opatow_Socomec3f_Elekt_1 | main | 
| 01_Bojszowy_enginko_Elekt_2 | - | 14_Opatow_enginko_Elekt_2 | - | ||
| 01_Bojszowy_enginko_Elekt_3 | DHW | 14_Opatow_enginko_Elekt_3 | - | ||
| 01_Bojszowy_enginko_Elekt_4 | DHW | 14_Opatow_enginko_Elekt_4 | - | ||
| 01_Bojszowy_enginko_Elekt_5 | DHW | 15 | 15_Ornontowice_Socomec3f_Elekt_1 | main | |
| 01_Bojszowy_konwerterE04_Elekt_6 | air con. | 15_Ornontowice_Socomec3f_Elekt_2 | DHW | ||
| 2 | 02_Bytom_Socomec3f_Elekt_1 | main | 15_Ornontowice_enginko_Elekt_3 | DHW | |
| 02_Bytom_enginko_Elekt_2 | - | 15_Ornontowice_enginko_Elekt_4 | DHW | ||
| 02_Bytom_enginko_Elekt_3 | DHW | 15_Ornontowice_enginko_Elekt_5 | DHW | ||
| 02_Bytom_enginko_Elekt_4 | DHW | 15_Ornontowice_enginko_Elekt_6 | DHW | ||
| 02_Bytom_enginko_Elekt_5 | DHW | 16 | 16_Piekary_Slaskie_Socomec3f_Elekt_1 | main | |
| 02_Bytom_enginko_Elekt_6 | DHW | 16_Piekary_Slaskie_Socomec3f_Elekt_2 | - | ||
| 02_Bytom_enginko_Elekt_7 | DHW | 17 | 17_Pietrowice_Wielkie_Socomec3f_Elekt_1 | - | |
| 3 | 03_Chorzow_Socomec3f_Elekt_1 | main | 17_Pietrowice_Wielkie_Socomec3f_Elekt_2 | air con. | |
| 03_Chorzow_Socomec3f_Elekt_2 | - | 17_Pietrowice_Wielkie_Socomec3f_Elekt_3 | - | ||
| 03_Chorzow_konwerterE04_Elekt_3 | air con. | 17_Pietrowice_Wielkie_Socomec3f_Elekt_4 | pv | ||
| 4 | 04_Czestochowa_Socomec3f_Elekt_1 | main | 17_Pietrowice_Wielkie_konwerterE04_Elekt_5 | air con. | |
| 04_Czestochowa_Socomec3f_Elekt_2 | - | 18 | 18_Skoczow_Socomec3f_Elekt_1 | main | |
| 04_Czestochowa_Socomec3f_Elekt_3 | - | 18_Skoczow_Socomec3f_Elekt_2 | - | ||
| 04_Czestochowa_Socomec3f_Elekt_4 | - | 19 | 19_Radzionkow_Socomec3f_Elekt_1 | main | |
| 04_Czestochowa_Socomec3f_Elekt_5 | DHW | 19_Radzionkow_enginko_Elekt_2 | air con. | ||
| 04_Czestochowa_konwerterE04_Elekt_10_11 | DHW | 19_Radzionkow_enginko_Elekt_3 | air con. | ||
| 04_Czestochowa_konwerterE04_Elekt_12_13 | DHW | 19_Radzionkow_enginko_Elekt_4 | air con. | ||
| 04_Czestochowa_konwerterE04_Elekt_14_15 | DHW | 20 | 20_Ruda_Slaska_Socomec3f_Elekt_1 | main | |
| 04_Czestochowa_konwerterE04_Elekt_16_17 | DHW | 20_Ruda_Slaska_Socomec3f_Elekt_2 | main | ||
| 04_Czestochowa_konwerterE04_Elekt_18_19 | DHW | 21 | 21_Swierklaniec_Socomec3f_Elekt_1 | main | |
| 04_Czestochowa_konwerterE04_Elekt_20_21 | DHW | 22 | 22_Swierklany_Socomec3f_Elekt_1 | main | |
| 04_Czestochowa_konwerterE04_Elekt_6_7 | DHW | 22_Swierklany_Socomec3f_Elekt_2 | - | ||
| 04_Czestochowa_konwerterE04_Elekt_8 | DHW | 22_Swierklany_enginko_Elekt_4 | DHW | ||
| 5 | 05_Dabrowa_Gornicza_Socomec3f_Elekt_1 | main | 22_Swierklany_enginko_Elekt_5 | DHW | |
| 05_Dabrowa_Gornicza_Socomec3f_Elekt_12 | DHW | 22_Swierklany_enginko_Elekt_6 | DHW | ||
| 05_Dabrowa_Gornicza_enginko_Elekt_10 | DHW | 22_Swierklany_enginko_Elekt_7 | air con. | ||
| 05_Dabrowa_Gornicza_enginko_Elekt_11 | DHW | 22_Swierklany_enginko_Elekt_8 | air con. | ||
| 05_Dabrowa_Gornicza_enginko_Elekt_13 | DHW | 22_Swierklany_enginko_Elekt_9 | air con. | ||
| 05_Dabrowa_Gornicza_enginko_Elekt_14 | DHW | 23 | 23_Tychy_Socomec3f_Elekt_1 | - | |
| 05_Dabrowa_Gornicza_enginko_Elekt_2 | DHW | 23_Tychy_enginko_Elekt_2 | DHW | ||
| 05_Dabrowa_Gornicza_enginko_Elekt_3 | DHW | 23_Tychy_enginko_Elekt_3 | DHW | ||
| 05_Dabrowa_Gornicza_enginko_Elekt_4 | DHW | 23_Tychy_enginko_Elekt_4 | - | ||
| 05_Dabrowa_Gornicza_enginko_Elekt_5 | DHW | 23_Tychy_enginko_Elekt_5 | air con. | ||
| 05_Dabrowa_Gornicza_enginko_Elekt_7 | DHW | 23_Tychy_enginko_Elekt_6 | DHW | ||
| 05_Dabrowa_Gornicza_enginko_Elekt_8 | DHW | 24 | 24_Wisla_Ustronska_Socomec3f_Elekt_1 | main | |
| 6 | 06_Gliwice_Socomec3f_Elekt_1 | main | 25 | 25_Wisla_Wyzwolenia_Socomec3f_Elekt_1 | main | 
| 06_Gliwice_enginko_Elekt_2 | DHW | 26 | 26_Zawiercie_Socomec3f_1f_Elekt_3 | air con. | |
| 7 | 07_Jastrzebie_Zdroj_Socomec3f_1f_Elekt_1_5 | main | 26_Zawiercie_Socomec3f_1f_Elekt_4 | air con. | |
| 07_Jastrzebie_Zdroj_Socomec3f_1f_Elekt_3_7 | DHW | 26_Zawiercie_Socomec3f_Elekt_1 | main | ||
| 07_Jastrzebie_Zdroj_Socomec3f_Elekt_2 | pv | 26_Zawiercie_Socomec3f_Elekt_2 | air con. | ||
| 07_Jastrzebie_Zdroj_Socomec3f_Elekt_4 | - | 26_Zawiercie_enginko_Elekt_5 | DHW | ||
| 07_Jastrzebie_Zdroj_enginko_Elekt_6 | air con. | 26_Zawiercie_enginko_Elekt_6 | DHW | ||
| 8 | 08_Katowice_Socomec3f_Elekt_1 | main | 26_Zawiercie_enginko_Elekt_7 | DHW | |
| 08_Katowice_Socomec3f_Elekt_2 | main | 26_Zawiercie_enginko_Elekt_8 | DHW | ||
| 08_Katowice_Socomec3f_Elekt_3 | air con. | 26_Zawiercie_enginko_Elekt_9 | DHW | ||
| 9 | 09_Kozieglowy_Socomec3f_Elekt_1 | main | 27 | 27_Zory_Socomec3f_Elekt_1 | main | 
| 09_Kozieglowy_konwerterE04_Elekt_2 | - | 27_Zory_Socomec3f_Elekt_13 | DHW | ||
| 10 | 10_Krzepice_Socomec3f_Elekt_1 | main | 27_Zory_enginko_Elekt_10 | DHW | |
| 10_Krzepice_Socomec3f_Elekt_2 | main | 27_Zory_enginko_Elekt_11 | DHW | ||
| 10_Krzepice_Socomec3f_Elekt_3 | - | 27_Zory_enginko_Elekt_12 | DHW | ||
| 10_Krzepice_Socomec3f_Elekt_4 | - | 27_Zory_enginko_Elekt_2 | DHW | ||
| 10_Krzepice_Socomec3f_Elekt_5 | - | 27_Zory_enginko_Elekt_3 | DHW | ||
| 10_Krzepice_enginko_Elekt_10 | - | 27_Zory_enginko_Elekt_4 | DHW | ||
| 10_Krzepice_enginko_Elekt_11 | air con. | 27_Zory_enginko_Elekt_5 | DHW | ||
| 10_Krzepice_enginko_Elekt_12 | air con. | 27_Zory_enginko_Elekt_6 | DHW | ||
| 10_Krzepice_enginko_Elekt_8 | air con. | 27_Zory_enginko_Elekt_7 | DHW | ||
| 10_Krzepice_enginko_Elekt_9 | ogrzewanie | 27_Zory_enginko_Elekt_8 | DHW | ||
| 11 | 11_Krzyzanowice_Socomec3f_Elekt_1 | main | 27_Zory_enginko_Elekt_9 | DHW | |
| 12 | 12_Gorzyce_Socomec3f_1f_Elekt_2_4 | air con. | |||
| 12_Gorzyce_Socomec3f_Elekt_1 | main | ||||
| 12_Gorzyce_Socomec3f_Elekt_3 | air con. | ||||
| 12_Gorzyce_enginko_Elekt_5 | DHW | ||||
| 12_Gorzyce_enginko_Elekt_6 | air con. | ||||
| 12_Gorzyce_enginko_Elekt_7 | air con. | ||||
| 13 | 13_Nedza_Socomec3f_Elekt_1 | main | |||
| 13_Nedza_Socomec3f_Elekt_2 | DHW | ||||
| 13_Nedza_Socomec3f_Elekt_3 | DHW | ||||
| 13_Nedza_enginko_Elekt_4 | DHW | ||||
| 13_Nedza_enginko_Elekt_5 | DHW | ||||
| 13_Nedza_enginko_Elekt_6 | DHW | 
| Building | Measurement Sensor | 
|---|---|
| 3 | 03_Chorzow_konwerter_santech_CWU | 
| 6 | 06_Gliwice_konwerter_cieplomierz_CWU | 
| 8 | 08_Katowice_konwerter_cieplomierz_CWU | 
| 9 | 09_Kozieglowy_konwerter_santech_CWU_solary | 
| 09_Kozieglowy_konwerter_cieplomierz_CWU | |
| 10 | 10_Krzepice_konwerter_cieplomierz_CWU | 
| 12 | 12_Gorzyce_konwerter_cieplomierz_CWU | 
| 16 | 16_Piekary_Slaskie_konwerter_cieplomierz_CWU | 
| 17 | 17_Pietrowice_Wielkie_konwerter_cieplomierz_CWU | 
| 18 | 18_Skoczow_konwerter_santech_CWU | 
| 19 | 19_Radzionkow_konwerter_cieplomierz_IR_CWU | 
| 20 | 20_Ruda_Slaska_konwerter_cieplomierz_CWU | 
| 21 | 21_Swierklaniec_konwerter_santech_CWU_1 | 
| 21_Swierklaniec_konwerter_santech_CWU_2 | |
| 24 | 24_Wisla_Ustronska_konwerter_santech_CWU | 
| 25_Wisla_Wyzwolenia_konwerter_santech_CWU | 
| Variant | PV Cell Type | Heat Pump | Installation of Auxilliary Biomass Boiler  | 
|---|---|---|---|
| 1 | Monocristaline | Air source | Yes | 
| 2 | HIT | Air source | Yes | 
| 3 | Polycristaline | Air source | Yes | 
| 4 | CIGS | Ground source | Yes | 
| 5 | Monocristaline | Ground source | Yes | 
| 6 | HIT | Ground source | Yes | 
| 7 | Polycristaline | Ground source | Yes | 
| 8 | CIGS | Ground source | Yes | 
| 9 | Monocristaline | Air source | No | 
| 10 | HIT | Air source | No | 
| 11 | Polycristaline | Air source | No | 
| 12 | CIGS | Air source | No | 
| 13 | Monocristaline | Ground source | No | 
| 14 | HIT | Ground source | No | 
| 15 | Polycristaline | Ground source | No | 
| 16 | CIGS | Ground source | No | 
| Self Consumption, % | ||||||
|---|---|---|---|---|---|---|
| Storage Capacity, kWh | 0 | 10 | 20 | 30 | 50 | 100 | 
| Bojszowy (var. 12) | 76.54 | 85.71 | 90.79 | 93.89 | 96.92 | 97.69 | 
| Bytom (var. 4) | 4.97 | 7.04 | 8.15 | 8.80 | 9.42 | 10.11 | 
| Chorzów (var. 4) | 62.71 | 68.39 | 73.00 | 76.93 | 83.26 | 90.00 | 
| Częstochowa SP (var. 4) | 6.40 | 7.55 | 8.13 | 8.42 | 8.68 | 8.91 | 
| Dąbrowa G. (var. 4) | 12.65 | 14.22 | 15.65 | 16.74 | 18.29 | 20.53 | 
| Gliwice PM (var. 4) | 37.90 | 43.84 | 46.10 | 47.17 | 48.43 | 49.98 | 
| Jastrzębie Zdr. (var. 4) | 13.32 | 16.66 | 17.35 | 17.76 | 18.24 | 18.85 | 
| Katowice (var. 4) | 65.58 | 66.49 | 67.26 | 67.92 | 69.04 | 71.13 | 
| Koziegłowy (var. 12) | 21.69 | 25.45 | 26.64 | 27.29 | 27.88 | 28.43 | 
| Krzepice 2 (var. 12) | 19.21 | 21.28 | 22.12 | 22.73 | 23.61 | 25.35 | 
| Krzyżanowice (var. 12) | 4.94 | 6.55 | 6.83 | 7.04 | 7.29 | 7.66 | 
| Gorzyce (var. 12) | 9.43 | 11.64 | 12.99 | 13.51 | 14.11 | 14.84 | 
| Nędza (var. 12) | 19.53 | 23.20 | 26.27 | 28.77 | 32.10 | 35.85 | 
| Opatów (var. 12) | 21.65 | 25.12 | 26.19 | 27.04 | 28.12 | 29.20 | 
| Piekary Śl. (var. 4) | 10.00 | 13.73 | 14.34 | 14.68 | 15.02 | 15.36 | 
| Pietrowice Wlk. (var. 12) | 32.47 | 43.82 | 48.62 | 50.73 | 51.88 | 52.99 | 
| Skoczów (var. 12) | 14.62 | 18.68 | 20.71 | 21.42 | 22.46 | 24.15 | 
| Radzionków (var. 4) | 19.97 | 26.79 | 31.42 | 34.22 | 36.62 | 38.86 | 
| Ruda Śl. (var. 4) | 15.70 | 19.90 | 23.06 | 25.22 | 28.01 | 31.06 | 
| Świerklaniec (var. 12) | 11.80 | 15.36 | 16.01 | 16.46 | 17.16 | 18.07 | 
| Świerklany (var. 12) | 73.31 | 82.43 | 83.96 | 84.56 | 85.76 | 88.77 | 
| Tychy (var. 4) | 4.88 | 9.60 | 11.75 | 12.78 | 13.55 | 14.20 | 
| Wisła (Ustrońska) (var. 12) | 34.82 | 42.73 | 46.66 | 47.78 | 48.79 | 49.72 | 
| Wisła (var. 12) | 42.47 | 51.01 | 52.78 | 53.98 | 55.57 | 56.97 | 
| Zawiercie (var. 4) | 29.84 | 31.34 | 32.64 | 33.85 | 36.03 | 40.51 | 
| Żory (var. 4) | 7.02 | 8.57 | 9.61 | 10.30 | 11.27 | 12.42 | 
| Self-Sufficiency, % | ||||||
|---|---|---|---|---|---|---|
| Storage Capacity, kWh | 0 | 10 | 20 | 30 | 50 | 100 | 
| Bojszowy (var. 1) | 35.25 | 40.89 | 45.11 | 48.49 | 52.94 | 55.65 | 
| Bytom (var. 2) | 48.34 | 68.12 | 78.82 | 85.32 | 91.28 | 97.72 | 
| Chorzów (var. 1) | 43.34 | 47.47 | 50.93 | 54.05 | 59.58 | 66.72 | 
| Częstochowa SP (var. 2) | 70.48 | 82.76 | 88.97 | 92.00 | 94.56 | 96.41 | 
| Dąbrowa G. (var. 2) | 56.24 | 62.97 | 69.07 | 73.77 | 80.60 | 90.39 | 
| Gliwice PM (var. 2) | 64.99 | 74.64 | 77.73 | 79.07 | 81.19 | 84.07 | 
| Jastrzębie Zdr. (var. 2) | 75.10 | 92.01 | 94.73 | 96.31 | 98.26 | 99.97 | 
| Katowice (var. 2) | 30.31 | 30.76 | 31.18 | 31.58 | 32.31 | 33.90 | 
| Koziegłowy (var. 2) | 48.91 | 80.83 | 92.66 | 96.98 | 99.05 | 100.00 | 
| Krzepice 2 (var. 2) | 55.73 | 71.01 | 78.32 | 82.47 | 86.88 | 92.11 | 
| Krzyżanowice (var. 10) | 62.73 | 81.69 | 84.46 | 86.50 | 88.33 | 90.70 | 
| Gorzyce (var. 4) | 48.65 | 60.46 | 67.75 | 70.47 | 73.33 | 77.11 | 
| Nędza (var. 2) | 38.86 | 49.96 | 59.90 | 67.81 | 77.61 | 86.81 | 
| Opatów (var. 2) | 69.31 | 92.53 | 95.34 | 97.28 | 99.21 | 100.00 | 
| Piekary Śl. (var. 2) | 68.66 | 93.73 | 96.57 | 97.55 | 99.03 | 100.00 | 
| Pietrowice Wlk. (var. 2) | 30.84 | 59.36 | 72.63 | 77.61 | 80.56 | 84.07 | 
| Skoczów (var. 1) | 49.36 | 73.63 | 85.63 | 88.26 | 91.88 | 95.96 | 
| Radzionków (var. 2) | 45.37 | 60.69 | 71.37 | 77.93 | 83.09 | 88.26 | 
| Ruda Śl. (var. 2) | 43.72 | 55.10 | 63.80 | 70.26 | 78.37 | 86.11 | 
| Świerklaniec (var. 10) | 60.69 | 78.15 | 81.36 | 83.43 | 86.68 | 92.88 | 
| Świerklany (var. 2) | 24.79 | 30.65 | 32.41 | 32.97 | 33.35 | 34.20 | 
| Tychy (var. 2) | 36.10 | 70.01 | 85.69 | 92.86 | 97.52 | 100.00 | 
| Wisła (Ustrońska) (var. 3) | 49.71 | 74.08 | 81.79 | 83.56 | 86.01 | 90.22 | 
| Wisła (var. 1) | 57.68 | 75.87 | 79.83 | 81.89 | 84.36 | 89.33 | 
| Zawiercie (var. 1) | 46.14 | 48.45 | 50.48 | 52.37 | 55.90 | 63.42 | 
| Żory (var. 2) | 51.36 | 62.32 | 69.75 | 74.92 | 82.07 | 89.94 | 
| Self Sufficiency, % | ||||||
|---|---|---|---|---|---|---|
| Storage Capacity. kWh | 0 | 10 | 20 | 30 | 50 | 100 | 
| Bojszowy (var. 10) | 34.14 | 38.40 | 38.40 | 44.31 | 47.69 | 47.69 | 
| Gliwice PM (var. 10) | 64.99 | 74.64 | 74.64 | 79.07 | 81.19 | 81.19 | 
| Koziegłowy (var. 10) | 47.70 | 55.40 | 55.40 | 60.29 | 62.60 | 62.60 | 
| Krzepice 2 (var. 14) | 28.50 | 31.83 | 31.83 | 34.61 | 36.44 | 36.44 | 
| Krzyżanowice (var. 10) | 62.73 | 81.69 | 81.69 | 86.50 | 88.33 | 88.33 | 
| Gorzyce (var. 9) | 46.52 | 57.18 | 57.18 | 66.48 | 69.54 | 69.54 | 
| Nędza (var. 14) | 36.69 | 44.61 | 44.61 | 56.94 | 64.53 | 64.53 | 
| Opatów (var. 10) | 32.89 | 37.04 | 37.04 | 39.08 | 40.48 | 40.48 | 
| Pietrowice Wlk. (var. 14) | 21.81 | 29.69 | 29.69 | 34.74 | 35.69 | 35.69 | 
| Skoczów (var. 11) | 48.62 | 61.50 | 61.50 | 69.64 | 72.48 | 72.48 | 
| Świerklaniec (var. 10) | 60.69 | 78.15 | 78.15 | 83.43 | 86.68 | 86.68 | 
| Świerklany (var. 14) | 17.73 | 20.75 | 20.75 | 22.11 | 22.35 | 22.35 | 
| Wisła (Ustrońska) (var. 10) | 33.28 | 40.19 | 40.19 | 44.26 | 44.80 | 44.80 | 
| Wisła (var. 13) | 42.75 | 51.64 | 51.64 | 55.63 | 57.01 | 57.01 | 
| Zawiercie (var. 9) | 46.14 | 48.45 | 48.45 | 52.37 | 55.90 | 55.90 | 
Disclaimer/Publisher’s Note: The statements, opinions and data contained in all publications are solely those of the individual author(s) and contributor(s) and not of MDPI and/or the editor(s). MDPI and/or the editor(s) disclaim responsibility for any injury to people or property resulting from any ideas, methods, instructions or products referred to in the content.  | 
© 2025 by the authors. Licensee MDPI, Basel, Switzerland. This article is an open access article distributed under the terms and conditions of the Creative Commons Attribution (CC BY) license (https://creativecommons.org/licenses/by/4.0/).
Share and Cite
Rutczyk, B.; Szlęk, A.; Szczygieł, I. Possibility of Upgrading Public Buildings to Become Climate Neutral. Sustainability 2025, 17, 6074. https://doi.org/10.3390/su17136074
Rutczyk B, Szlęk A, Szczygieł I. Possibility of Upgrading Public Buildings to Become Climate Neutral. Sustainability. 2025; 17(13):6074. https://doi.org/10.3390/su17136074
Chicago/Turabian StyleRutczyk, Bartłomiej, Andrzej Szlęk, and Ireneusz Szczygieł. 2025. "Possibility of Upgrading Public Buildings to Become Climate Neutral" Sustainability 17, no. 13: 6074. https://doi.org/10.3390/su17136074
APA StyleRutczyk, B., Szlęk, A., & Szczygieł, I. (2025). Possibility of Upgrading Public Buildings to Become Climate Neutral. Sustainability, 17(13), 6074. https://doi.org/10.3390/su17136074
        
