Operation of a Pilot-Scale Biogas Plant Made of Textile Materials and Application of Its Results to a Full-Sized Demonstration Plant
Abstract
1. Introduction
2. Materials and Methods: Pilot-Scale Biogas Plant and Full-Sized Demonstration Plant
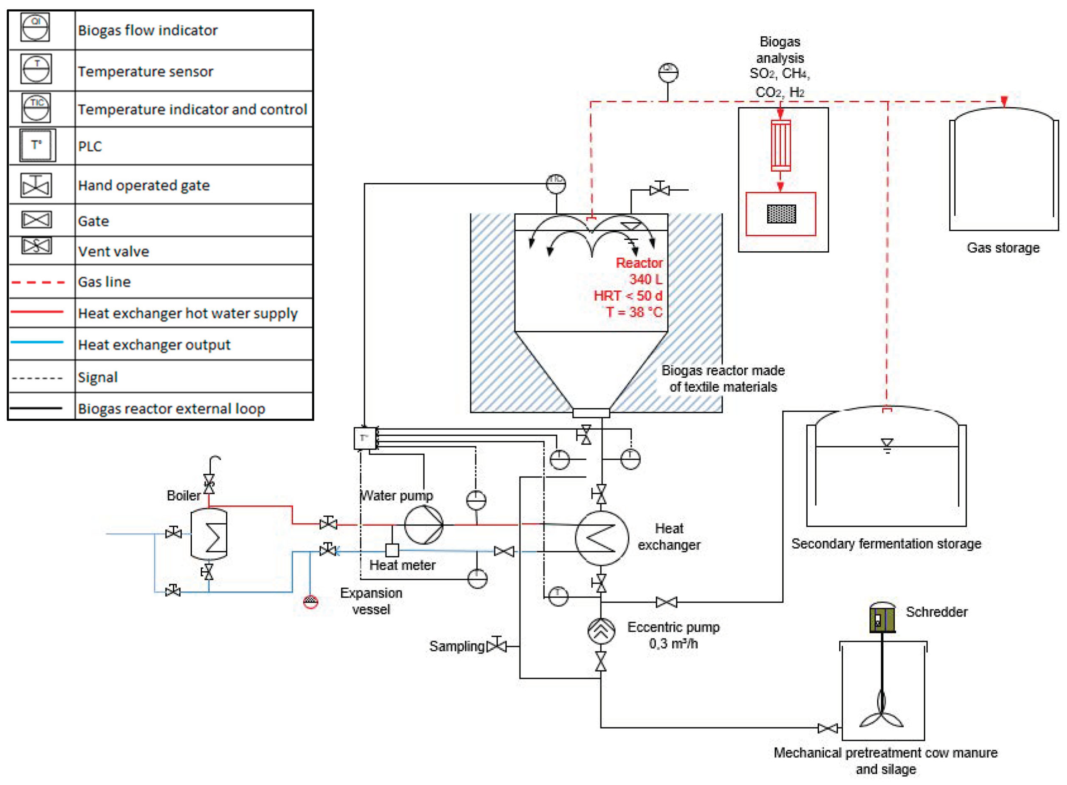
2.1. Pilot-Scale Biogas Plant Overview and Flow Diagram
2.1.1. Fermenter Made of Textile Materials
2.1.2. Mechanical Pretreatment and Homogenization: Feeding of the Pilot-Sized Biogas Plant
2.1.3. Piping
2.1.4. Digestate Storage
2.1.5. Heating System, Temperature Control and Regulation
2.1.6. Gas Measurement and Analysis
2.1.7. Laboratory Measurements
2.2. Inoculum
2.3. Substrate
3. Results from the Pilot-Scale Plant
3.1. Mechanical Pretreatment
3.1.1. Mechanical Pretreatment Duration and Particle Size
3.1.2. Sand and Stones Trap
3.2. Operation of the Pilot-Scale Biogas Plant
3.2.1. Starting the Biogas Operation
3.2.2. Biogas Yield and Composition
3.2.3. pH, Ammonium and Volatile Fatty Acids
3.2.4. Floating Layer
3.3. Improvements during Operation
Stirrer and Substrate Floating Layer
3.4. Transfer to the Design of the Full-Sized Demonstration Biogas Plant
3.4.1. Stirrer
3.4.2. Pretreatment
3.4.3. Institutional Permissions
Requirements for Biogas Reactor
Requirements for Leakage Detection in the Digestate Storage and Piping System
General Requirements
4. Discussion
5. Conclusions
- -
- The operation of a 300 L pilot-size biogas reactor, constructed using textile materials and utilizing cow manure with silage as a co-substrate, was successfully demonstrated. The biogas yields and composition were comparable to those of standard biogas plants constructed with concrete and reinforced steel.
- -
- The pilot-size biogas plant was equipped with a pretreatment unit for shredding, separating impurities and homogenizing the substrate. The removal of interfering materials, such as stones or sand, which made up to 1% of the substrate mass input, was crucial for the proper operation of the biogas plant. Stones could damage the plastic sheet. This must be avoided to prevent groundwater pollution.
- -
- To prevent mechanical damage of the plastic sheet, the biogas plant was designed and constructed without a stirrer. During normal operation, however, a thick floating layer accumulated, mainly composed of lignocellulosic materials. To ensure proper biogas production, the periodic disruption of the floating layer and accumulated materials is essential.
- -
- The process of obtaining institutional permissions for this new product was lengthy, spanning over two years. Such extended procedures can impact the acceptance of new developments and implementations within the current political and energy landscape.
- -
- Further investigation is needed for other substrates, as only cattle manure with clover grass, with a high content of lignocelluloses, was the object of this study. Substrates with a high proportion of fatty acids and their consequences on the process were not investigated.
- -
- The investigation of the disruptive materials contained in the substrates is also an important path to consider, as they can have a significant impact on the materials’ lifetime, maintenance cycles and their consequent economic impact.
Author Contributions
Funding
Informed Consent Statement
Data Availability Statement
Acknowledgments
Conflicts of Interest
References
- THE 17 GOALS|Sustainable Development. Available online: https://sdgs.un.org/goals#icons (accessed on 26 November 2023).
- United Nations—General Assembly. Resolution Adopted by the General Assembly on 25 September 2015: Transforming Our World: The 2030 Agenda for Sustainable Development; United Nations: New York, NY, USA, 2015. [Google Scholar]
- European Commission. Regulation (EU) 2018/1999 of the European Parliament and of the Council of 11 December 2018 on the Governance of the Energy Union and Climate Action, amending Regulations (EC) No 663/2009 and (EC) No 715/2009 of the European Parliament and of the Council, Directives 94/22/EC, 98/70/EC, 2009/31/EC, 2009/73/EC, 2010/31/EU, 2012/27/EU and 2013/30/EU of the European Parliament and of the Council, Council Directives 2009/119/EC and (EU) 2015/652 and repealing Regulation (EU) No 525/2013 of the European Parliament and of the Council (Text with EEA relevance.): Document 32018R1999. 2023. Available online: https://eur-lex.europa.eu/legal-content/EN/TXT/PDF/?uri=CELEX:32018R1999&from=EN (accessed on 18 February 2024).
- Bundesministerium Für Energie und Wirtschaft. Integrierter Nationaler Energie- und Klimaplan gemäß der VERORDNUNG DES EUROPÄISCHEN PARLAMENTS UND DES RATES über das Governance-System für die Energieunion und für den Klimaschutz, zur Änderung der Richtlinie 94/22/EG, der Richtlinie 98/70/EG, der Richtlinie 2009/31/EG, der Verordnung (EG) Nr. 663/2009, der Verordnung (EG) Nr. 715/2009, der Richtlinie 2009/73/EG, der Richtlinie 2009/119/EG des Rates, der Richtlinie 2010/31/EU, der Richtlinie 2012/27/EU, der Richtlinie 2013/30/EU und der Richtlinie (EU) 2015/652 des Rates und zur Aufhebung der Verordnung (EU) Nr. 525/2013: Integrierter Nationaler Energie- und Klimaplan. 2020. Available online: https://www.bmwk.de/Redaktion/DE/Downloads/I/integrierter-nationaler-energie-klimaplan.pdf?__blob=publicationFile&v=8 (accessed on 18 February 2024).
- Bundesministerium Der Justiz. Gesetz Für Den Ausbau Erneuerbarer Energien (Erneuerbare-Energien-Gesetz—EEG 2023); Bundesministerium Der Justiz: Berlin, Germany, 2014. [Google Scholar]
- Grabau, M. Gas Games: Der Wandel Der Europäischen Erdgasaußenpolitik Infolge Der Ukraine-Krise; Vieweg: Wiesbaden, Germany, 2017; ISBN 9783658201555. [Google Scholar]
- Grimm, V.; Groß, C.; Marxsen, T.; Schwarz, M. Energiekrise Belastet Haushalte. Wirtschaftsdienst 2023, 2023, 754–761. [Google Scholar] [CrossRef]
- Holtemöller, O.; Kooths, S.; Schmidt, T.; Wollmershäuser, T. Gemeinschaftsdiagnose: Energiekrise, Inflation, Rezession und Wohlstandsverlust. Wirtschaftsdienst 2022, 2022, 761–765. [Google Scholar] [CrossRef]
- Fachagentur Nachwachsende Rohstoffe e.V. FNR. Faustzahlen. Available online: https://biogas.fnr.de/daten-und-fakten/faustzahlen (accessed on 18 February 2024).
- Bayrische Landesanstalt Für Landwirtschaft. Biogasausbeuten Verschiedener Substrate. Available online: https://www.lfl.bayern.de/iba/energie/049711/?sel_list=51%2Cl&anker0=substratanker#substratanker (accessed on 14 December 2023).
- Majer, S.; Kornatz, P.; Daniel-Gromke, J.; Rensberg, N.; Brosowski, A.; Oehmichen, K.; Liebetrau, J. (Eds.) Stand und Perspektiven Der Biogaserzeugung Aus Gülle; Deutsches Biomasseforschungszentrum Gemeinnützige GmbH: Leipzig, Germany, 2019; ISBN 9783946629481. [Google Scholar]
- Effenberger, M. Personal Communication; Bavarian State Research Center for Agriculture: Freising, Germany, 2023. [Google Scholar]
- Croce, S.; Wei, Q.; D’Imporzano, G.; Dong, R.; Adani, F. Anaerobic digestion of straw and corn stover: The effect of biological process optimization and pre-treatment on total bio-methane yield and energy performance. Biotechnol. Adv. 2016, 34, 1289–1304. [Google Scholar] [CrossRef] [PubMed]
- Biogasinitiative Der Brandenburgischen Energie Technologie Initiative. Biogas in Der Landwirtschaft: Leitfaden Für Landwirte und Investoren im Land Brandenburg; Biogasinitiative Der Brandenburgischen Energie Technologie Initiative: Postdam, Germany, 2006. [Google Scholar]
- Persson, T.; Murphy, J.; Jannasch, A.-K.; Ahern, E.; Liebetrau, J. A Perspective on the Potential Role of Biogas in Smart Energy Grids; IEA Bioenergy: Paris, France, 2014; ISBN 9781910154137. [Google Scholar]
- Bayerische Landesanstalt Für Landwirtschaft. Abschlussbericht Zum Vorhaben: Einrichtung und Erprobung Des Intervallbetriebs Der Biogasanlage an Der Versuchsstation Grub (N/14/13); Projektbericht: Grub, Germany, 2018. [Google Scholar]
- Vogel, F.W.; Carlotto, N.; Wang, Z.; González-Herrero, R.; Giménez, J.B.; Seco, A.; Porcar, M. Simplicity Hits the Gas: A Robust, DIY Biogas Reactor Holds Potential in Research and Education in Bioeconomy. Fermentation 2023, 9, 845. [Google Scholar] [CrossRef]
- Yimer, S.; Yimer, B.; Sahu, O. Biogas Production Using Geomembrane Plastic Digesters as Alternative Rural Energy Source and Soil Fertility Management. Sustain. Energy 2014, 2, 12–19. [Google Scholar] [CrossRef]
- Garfí, M.; Castro, L.; Montero, N.; Escalante, H.; Ferrer, I. Evaluating environmental benefits of low-cost biogas digesters in small-scale farms in Colombia: A life cycle assessment. Bioresour. Technol. 2019, 274, 541–548. [Google Scholar] [CrossRef] [PubMed]
- Cheng, S.; Li, Z.; Mang, H.-P.; Huba, E.-M. A review of prefabricated biogas digesters in China. Renew. Sustain. Energy Rev. 2013, 28, 738–748. [Google Scholar] [CrossRef]
- Jeon, H.-Y.; Bouazza, A.; Lee, K.-Y. Depletion of antioxidants from an HDPE geomembrane upon exposure to acidic and alkaline solutions. Polym. Test. 2008, 27, 434–440. [Google Scholar] [CrossRef]
- Kerry, R.; Rowe, H.P. Durability of HDPE geomembranes: Review Article. Geotext. Geomembr. 2002, 20, 77–95. [Google Scholar]
- Lavoie, F.; Kobelnik, M.; Valentin, C.; Da Silva, J. Durability of Hdpe Geomembranes: An Overview. Quim. Nova 2020, 43, 656–667. [Google Scholar] [CrossRef]
- Kissel, R.; Henkelmann, G.; Seidel, J.; Koch, K. Substrataufbereitung: Zur Verbesserung Des Abbaus Faserreicher Biomasse. Fachinformation; Arbeitsgemeinschaft Landtechnik und Landwirtschaftliches Bauwesen in Bayern e.V. (ALB): Freising, Germany, 2019. [Google Scholar]
- Ferreira, L.C.; Nilsen, P.J.; Fdz-Polanco, F.; Pérez-Elvira, S.I. Biomethane potential of wheat straw: Influence of particle size, water impregnation and thermal hydrolysis. Chem. Eng. J. 2014, 242, 254–259. [Google Scholar] [CrossRef]
- Hernández-Beltrán, J.U.; Hernández-De Lira, I.O.; Cruz-Santos, M.M.; Saucedo-Luevanos, A.; Hernández-Terán, F.; Balagurusamy, N. Insight into Pretreatment Methods of Lignocellulosic Biomass to Increase Biogas Yield: Current State, Challenges, and Opportunities. Appl. Sci. 2019, 9, 3721. [Google Scholar] [CrossRef]
- Bayerisches Landesamt Für Umwelt. Leckageerkennungssysteme in JGS-Anlagen. Hinweise zur Bearbeitung von Anträgen auf Ausnahme nach §16 Abs. 3 AwSV: Merkblatt Nr. 3.3/1; Bayerisches Landesamt Für Umwelt: Augsburg, Germany, 2019. [Google Scholar]
- Bayerisches Landesamt Für Umwelt. Anlagen in Der Landwirtschaft—LfU Bayern. Available online: https://www.lfu.bayern.de/wasser/umgang_mit_wgs/landwirtschaft/index.htm (accessed on 25 November 2023).
- Bayerisches Landesamt Für Umwelt. Biogashandbuch Bayern—LfU Bayern. Available online: https://www.lfu.bayern.de/energie/biogashandbuch/index.htm (accessed on 25 November 2023).
- Bundesministeriums der Justiz. Verordnung über Anlagen zum Umgang mit Wassergefährdenden Stoffen (AwSV): Verordnung über Anlagen zum Umgang mit wassergefährdenden Stoffen vom 18. April 2017 (BGBl. I S. 905), die. 2017. Available online: https://www.gesetze-im-internet.de/awsv/AwSV.pdf (accessed on 18 February 2024).
- WHG; BMU. Gesetz Zur Ordnung Des Wasserhaushalts (Wasserhaushaltsgesetz—WHG); WHG: Berlin, Germany, 2009. [Google Scholar]
- Deutsche Vereinigung Für Wasserwirtschaft, Abwasser und Abfall. Arbeitsblatt DWA-A 779 (TRwS 779): Technische Regel wassergefährdender Stoffe—Allgemeine Technische Regelungen; 2023 (DWA-A 779); Deutsche Vereinigung für Wasserwirtschaft, Abwasser und Abfall: Bodenheim, Germany, 2023. [Google Scholar]
- Bachmaier, J.; Effenberger, M.; Gronauer, A. Greenhouse gas balance and resource demand of biogas plants in agriculture. Eng. Life Sci. 2010, 10, 560–569. [Google Scholar] [CrossRef]
- Eder, M.; Kirchweger, S. Aufbereitung und Analyse von Daten aus dem Arbeitskreis Biogas zu Kosten bestehender Biogasanlagen; Universität für Bodenkultur, Department für Wirtschafts-und Sozialwissenschaften, Institut für Agrar-und Forstökonomie: Vienna, Austria, 2011. [Google Scholar]









| Parameter | Method | Equipment |
|---|---|---|
| Dry matter | Drying cabinet at 105 °C until the substrate’s weight is constant | Heratherm OGH60 Thermo Fisher Scientific, Waltham, MA, USA |
| Volatile substance | 24 h at 550 °C in muffle furnace | Muffle furnace L 9/R, Nabertherm, New Castle, DE, USA |
| Volatile fatty acids | LCK cuvette test, Hach Lange | DR3900 Spectrophotometer, Hach Lange, Loveland, CO, USA |
| Chemical oxygen demand | LCK cuvette test, Hach Lange | DR3900 Spectrophotometer, Hach Lange |
| pH, temperature | Portable pH measurement, Hach Lange | HQ40d Multimeter, Hach Lange |
| Biogas composition | Gas chromatography | External laboratory |
| Experiment | 1 | 2 | 3 | 4 | 5 | 6 | 7 | 8 |
|---|---|---|---|---|---|---|---|---|
| Volume of water [L] | 10 | 20 | 10 | 20 | 10 | 20 | 10 | 20 |
| Substrate [kg] | 0.88 | 0.88 | 1.75 | 1.75 | 0.88 | 0.88 | 1.75 | 1.75 |
| Time [s] | 100 | 100 | 100 | 100 | 140 | 140 | 140 | 140 |
| Energy input [Wh] | 27.8 | 27.8 | 27.8 | 27.8 | 38.9 | 38.9 | 38.9 | 38.9 |
| Specific energy input [Wh/kg] | 31.7 | 31.7 | 15.9 | 15.9 | 44.4 | 44.4 | 22.2 | 22.2 |
Disclaimer/Publisher’s Note: The statements, opinions and data contained in all publications are solely those of the individual author(s) and contributor(s) and not of MDPI and/or the editor(s). MDPI and/or the editor(s) disclaim responsibility for any injury to people or property resulting from any ideas, methods, instructions or products referred to in the content. |
© 2024 by the authors. Licensee MDPI, Basel, Switzerland. This article is an open access article distributed under the terms and conditions of the Creative Commons Attribution (CC BY) license (https://creativecommons.org/licenses/by/4.0/).
Share and Cite
Hidalgo-Sánchez, V.; Hofmann, J.; Borges, M.E.; Behmel, U.; Hehenberger-Risse, D.; Finsterwalder, T.; Pritscher, C.; Blattenberger, J.; Wainz, T.; Dillis, M. Operation of a Pilot-Scale Biogas Plant Made of Textile Materials and Application of Its Results to a Full-Sized Demonstration Plant. Sustainability 2024, 16, 3177. https://doi.org/10.3390/su16083177
Hidalgo-Sánchez V, Hofmann J, Borges ME, Behmel U, Hehenberger-Risse D, Finsterwalder T, Pritscher C, Blattenberger J, Wainz T, Dillis M. Operation of a Pilot-Scale Biogas Plant Made of Textile Materials and Application of Its Results to a Full-Sized Demonstration Plant. Sustainability. 2024; 16(8):3177. https://doi.org/10.3390/su16083177
Chicago/Turabian StyleHidalgo-Sánchez, Verónica, Josef Hofmann, María Emma Borges, Uwe Behmel, Diana Hehenberger-Risse, Tobias Finsterwalder, Christina Pritscher, Johannes Blattenberger, Tanja Wainz, and Maximilian Dillis. 2024. "Operation of a Pilot-Scale Biogas Plant Made of Textile Materials and Application of Its Results to a Full-Sized Demonstration Plant" Sustainability 16, no. 8: 3177. https://doi.org/10.3390/su16083177
APA StyleHidalgo-Sánchez, V., Hofmann, J., Borges, M. E., Behmel, U., Hehenberger-Risse, D., Finsterwalder, T., Pritscher, C., Blattenberger, J., Wainz, T., & Dillis, M. (2024). Operation of a Pilot-Scale Biogas Plant Made of Textile Materials and Application of Its Results to a Full-Sized Demonstration Plant. Sustainability, 16(8), 3177. https://doi.org/10.3390/su16083177

