Structure Improvement of Two-Cylinder Engine Cooling Water Jacket Based on Flow Field Simulation
Abstract
1. Introduction
2. Mathematical Model
2.1. Controlling Equations
2.2. Turbulence Model
3. Finite Element Model of Engine WJ
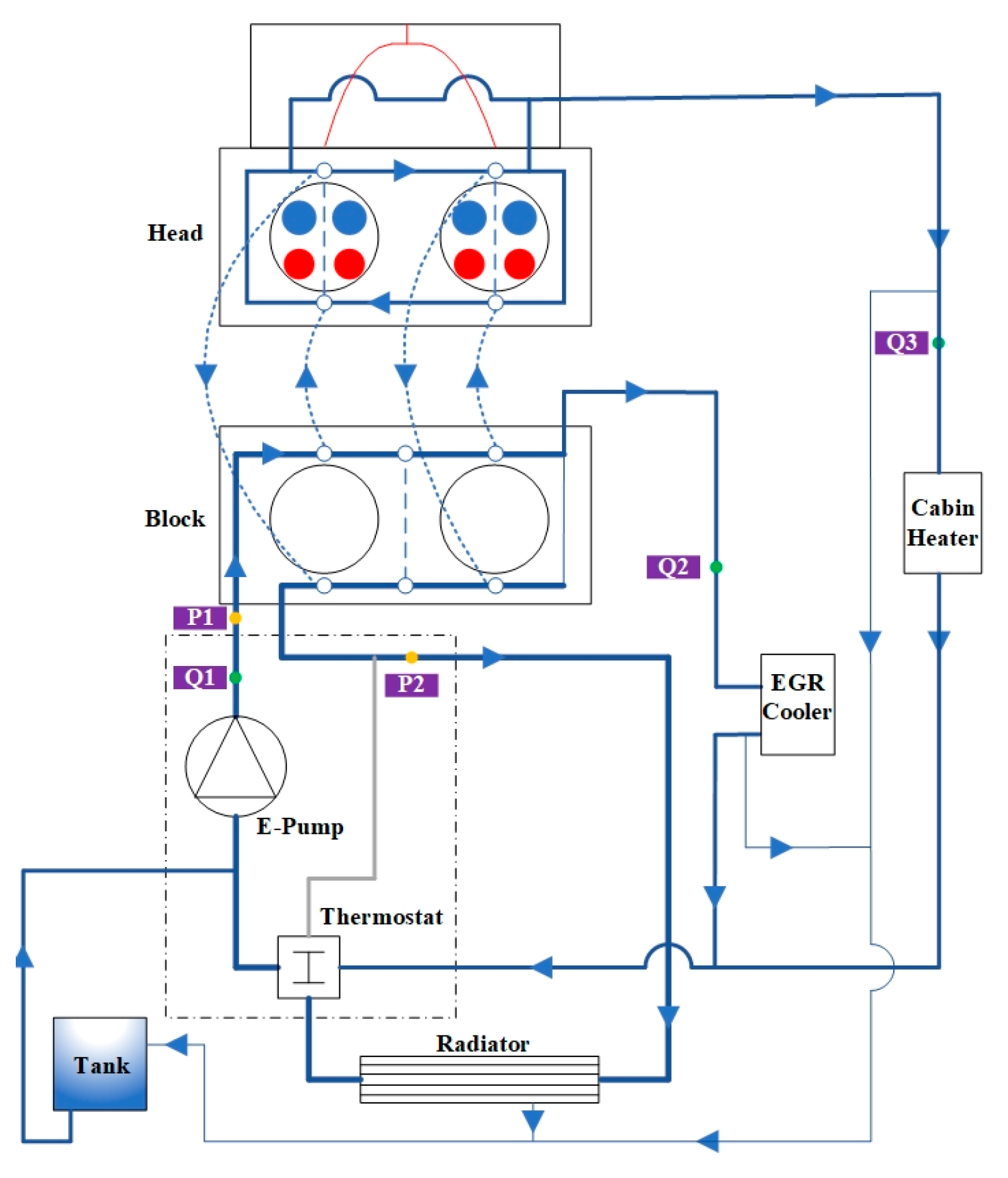
3.1. Novel Structure of Engine WJ
3.2. CFD Model
3.2.1. Basic Assumptions
- (1)
- The simulation calculation of the cooling WJ, without considering the boiling effect of the coolant, is a steady-state process [29]. This means that its flow rate and thermal conductivity remain consistent over time, resulting in a tendency for the final outcomes to converge and attain stability.
- (2)
- The steady-state process is determined by monitoring the residuals of the key parameters (e.g., continuity, momentum, and energy equations) during the simulation process. Convergence is achieved when the residuals drop below the predefined threshold of 1 × 10−4, ensuring stable and reliable results.
- (3)
- Without considering the boiling effect of the coolant, it is assumed that all internal coolant remains in a liquid state, neglecting the influence of the vapor state. The flow of coolant inside the cooling WJ is treated as single-phase flow.
- (4)
- The coolant is forced to circulate in the WJ through the water pump. During the simulation calculation, the coolant flow velocity is set at the inlet of the fluid region, with the flow direction perpendicular to the inlet.
3.2.2. Boundary Conditions
3.2.3. Grid Generation
4. An Analysis of the Simulation Results of the Original Engine
4.1. Analysis of Pressure Loss
4.2. Analysis of Flow Velocity
4.3. Analysis of Heat Transfer Coefficient
5. Water Jacket Structure Optimization and Performance Comparative Analysis
5.1. Structure Optimization of Water Jacket
- (1)
- In order to decrease the pressure loss between the main inlet and main outlet, the channel of the main inlet was modified from a circular shape to a rectangular shape. The design modifications of the main inlet are shown in Figure 10.
- (2)
- In order to reduce heat accumulation in the high temperature areas of the liner top, inter-cylinder V-drilling is added at the top of the block. This improvement allows some of the heated coolant to bypass the cylinder head and to enter through the cylinder block earlier for the purpose of good heat exchange. In this model, the diameter of the V-drilling is 2 mm. This specific improvement is shown in Figure 11.
- (3)
- In order to ensure sufficient heat transfer in some critical areas, especially the exhaust side, and to eliminate flow dead zones of nucleate boiling, two measures were implied. Firstly, the flow deflectors were elongated in the lower cylinder to push the coolant closer to the flange, which is depicted in Figure 12. Secondly, further flow deflectors were employed in the upper cylinder to improve cooling on the side of the upper cylinder head, which is shown in Figure 13.
- (4)
- In order to relocate the gasket from the high pressure region to the outlet region, extra flow passage was added to the upper cylinder head, aiming at modifying the flow direction in the front side of the upper cylinder. This specific improvement is shown in Figure 13.
5.2. Performance Comparative Analysis
6. Experiment and Validation
6.1. Experimental Setup
6.2. Experimental Procedures
6.3. Experimental Results
7. Conclusions
- (1)
- The new design of the WJ primarily emphasizes the circulation of coolant from the cylinder block to the cylinder head and back to the cylinder block. This approach ensures balanced coolant flow distribution between the cylinder block and the cylinder head, effectively preventing the overheating of the cylinder head and excessive cooling of the cylinder block. Moreover, this design reduces the temperature difference between the cylinder block and the cylinder head, enabling both components to be more efficiently cooled.
- (2)
- Structural optimization reduces pressure loss from 52 kPa to 35 kPa, with coolant inlet–outlet pressure differences of 17.3 kPa for the cylinder head and 17.7 kPa for the cylinder block, both well within the target of 50 kPa.
- (3)
- Optimization measures, such as reshaping the inlet, adding inter-cylinder V-drilling, and elongating flow deflectors, effectively eliminate flow dead zones and increase flow velocities to 3 m/s in critical regions thereby meeting the HTC targets.
- (4)
- The new design of the WJ and a series of optimization measures are not limited to the engines used in this study. The aim of this study provides new ideas and methods for solving the cooling issue of engines.
- (5)
- This article presents a macro-level comparison of four structures and the new WJ structure in the introduction. In the future, a simulation comparison under identical boundary conditions will be conducted.
Author Contributions
Funding
Institutional Review Board Statement
Informed Consent Statement
Data Availability Statement
Acknowledgments
Conflicts of Interest
References
- Thomaz, F.; Malaquias, A.C.T.; de Paula, G.A.R.; Baêta, J.G.C. Thermal management of an internal combustion engine focused on vehicle performance maximization: A numerical assessment. Proc. Inst. Mech. Eng. Part D-J. Automob. Eng. 2021, 235, 2296–2310. [Google Scholar] [CrossRef]
- Cheng, H.J.; Ma, Y.D.; Xu, Y.K.; Wu, Y.X.; Dong, L.P.; Yu, Z.H.; Zhang, Y.L. Performance Study of Cooling System for a High-Power Heavy Truck Based on 1D/3D Coupled Simulation. Automot. Eng. 2024, 46, 1125–1135. [Google Scholar] [CrossRef]
- Stanivuk, T.; Lalic, B.; Mikulicic, J.Z.; Sundov, M. Simulation Modelling of Marine Diesel Engine Cooling System. Trans. Marit. Sci.-TOMS 2021, 10, 112–125. [Google Scholar] [CrossRef]
- Duan, J.F.; Liu, F.S.; Yang, Z.Z.; Sun, B.G.; Chen, W.C.; Wang, L.J. Study on the NOx emissions mechanism of an HICE under high load. Int. J. Hydrogen Energy 2017, 42, 22027–22035. [Google Scholar] [CrossRef]
- Lodi, F.; Zare, A.; Arora, P.; Stevanovic, S.; Jafari, M.; Ristovski, Z.; Brown, R.J.; Bodisco, T. Engine Performance and Emissions Analysis in a Cold, Intermediate and Hot Start Diesel Engine. Appl. Sci. 2020, 10, 3839. [Google Scholar] [CrossRef]
- Suarez-Bertoa, R.; Astorga, C. Impact of cold temperature on Euro 6 passenger car emissions. Environ. Pollut. 2018, 234, 318–329. [Google Scholar] [CrossRef] [PubMed]
- Mendoza-Villafuerte, P.; Suarez-Bertoa, R.; Giechaskiel, B.; Riccobono, F.; Bulgheroni, C.; Astorga, C.; Perujo, A. NOx, NH3, N2O and PN real driving emissions from a Euro VI heavy-duty vehicle. Impact of regulatory on-road test conditions on emissions. Sci. Total Environ. 2017, 609, 546–555. [Google Scholar] [CrossRef] [PubMed]
- Ramadhas, A.S.; Xu, H.; Liu, D.; Tian, J.J. Reducing cold start emissions from automotive diesel engine at cold ambient temperatures. Aerosol Air Qual. Res. 2016, 16, 3330–3337. [Google Scholar] [CrossRef]
- Zare, A.; Nabi, M.N.; Bodisco, T.A.; Hossain, F.M.; Rahman, M.; Van, T.C.; Ristovski, Z.D.; Brown, R.J. Diesel Engine Emissions With Oxygenated Fuels: A Comparative Study Into Cold-Start And Hot-Start Operation. J. Clean. Prod. 2017, 162, 997–1008. [Google Scholar] [CrossRef]
- Arumugam Sakunthalai, R.; Xu, H.; Liu, D.; Tian, J.; Wyszynski, M.; Piaszyk, J. Impact of Cold Ambient Conditions on Cold Start and Idle Emissions from Diesel Engines; SAE Technical Paper 2014-01-2715; SAE: Warrendale, PA, USA, 2014. [Google Scholar]
- Dharan, R.B.; Goud, R.R.; Manoharan, R.; Dhiman, V. Design and Development of Cylinder Block for High Power Density Diesel Engine Using CAE/CFD Tools for a Tractor Engine with Integrated Approach; SAE Technical Paper 2013-01-2753; SAE: Warrendale, PA, USA, 2013. [Google Scholar]
- Fontanesi, S.; Giacopini, M. Multiphase CFD-CHT optimization of the cooling jacket and FEM analysis of the engine head of a V6 diesel engine. Appl. Therm. Eng. 2013, 52, 293–303. [Google Scholar] [CrossRef]
- Xu, Y.L.; Chen, L.G.; Bai, Y.; Wang, Z.; Liu, J.; Zhao, J.X. Study on double-loop cooling system of gasoline engine. Chin. J. Eng. Des. 2020, 27, 671–680. [Google Scholar] [CrossRef]
- Teng, H.Y.; Liu, J.X.; Xing, M.L.; Tian, T.F. Research progress of cooling system for vehicle engine. Veh. Engine 2018, 6, 83–89. [Google Scholar] [CrossRef]
- Bi, Y.H.; Chen, S.J.; Yao, G.Z.; Chen, M.Y.; Shen, L.Z.; Xia, K.L. Study on the influence of coolant flow uniformity on the thermal deformation of cylinder liner. Automot. Eng. 2021, 43, 34–43. [Google Scholar] [CrossRef]
- Lu, R.J.; Wang, W.K.; Chen, H.L.; Cai, W.Y. Analysis and optimization design of engine cooling water jacket. Mach. Des. Manuf. 2018, S2, 134–136. [Google Scholar] [CrossRef]
- Cicalese, G.; Berni, F.; Fontanesi, S. Integrated In-Cylinder/CHT Methodology for the simulation of the Engine Thermal Field: An Application to High Performance Turbocharged DISI Engines. SAE Int. J. Engines 2016, 9, 601–617. [Google Scholar] [CrossRef]
- Heywood, J.B. Internal Combustion Engine Fundamentals; McGraw-Hill: New York, NY, USA, 1988. [Google Scholar]
- Chen, X.Q.; Yu, X.L.; Lu, Y.J.; Huang, R.; Liu, Z.T.; Huang, Y.Q.; Roskilly, A.P. Study of different cooling structures on the thermal status of an Internal Combustion Engine. Appl. Therm. Eng. 2017, 116, 419–432. [Google Scholar] [CrossRef]
- Lu, G.X.; Yang, D.X.; Rong, Y.L.; Gong, Z.W.; Wang, B. Development of an Intelligent Thermal Management System for BYD DM-i Hybrid Engine; SAE Technical Paper 2021-01-1153; SAE: Warrendale, PA, USA, 2021. [Google Scholar] [CrossRef]
- Xu, Y.L.; Liu, L.; Zu, B.F.; Wang, Z.; Du, J.Q. Research on the optimized design of transverse-flow cooling jacket of gasoline engine. J. Mach. Des. 2018, 35, 12–16. [Google Scholar]
- Zeng, Y.; An, C.H.; Hu, P.; Li, L.B.; Wei, H.; Li, S.Q. The Thermodynamics Simulation Analysis and Optimization of Novel Two-cylinder Engine Water Jacket. Small Intern. Combust. Engine Veh. Tech. 2020, 49, 54–61. [Google Scholar]
- Zhang, J.H.; Xu, Z.X.; Lin, J.W.; Lin, Z.F.; Wang, J.C.; Xu, T.S. Thermal Characteristics Investigation of the Internal Combustion Engine Cooling-Combustion System Using Thermal Boundary Dynamic Coupling Method and Experimental Verification. Energies 2018, 11, 2127. [Google Scholar] [CrossRef]
- Xu, Z.; Gong, W.G.; Scholten, I.; Ping, Y.S.; Li, W.J.; Wang, K.; Yin, H.T.; Cheng, C.H.; Wang, S.M.; Zhang, X.M.; et al. Development of 1.5-L turbocharged GDI engine at SAIC. J. Automot. Saf. Energy 2018, 9, 339. [Google Scholar]
- Ma, T.Y. Computational Fluid Dynamics; Beihang University Press: Beijing, China, 1986. [Google Scholar]
- Jones, W.P.; Launder, B.E. The prediction of laminarization with a two-equation model of turbulence. Int. J. Heat Mass Transf. 1972, 15, 301–314. [Google Scholar] [CrossRef]
- Zhu, G.; Liu, J.; Fu, J.; Xu, Z.; Guo, Q.; Zhao, H. Experimental study on combustion and emission characteristics of turbocharged gasoline direct injection (GDI) engine under cold start new European driving cycle (NEDC). Fuel 2018, 215, 272–284. [Google Scholar] [CrossRef]
- Qin, S.S.; Xie, C.F.; Li, S.; Yang, Q.; Chen, J.W.; Sun, K. CFD Analysis and Optimization of a Diesel Engine Cooling water jacket. FDMP-Fluid Dyn. Mater. Process. 2022, 18, 647–659. [Google Scholar] [CrossRef]
- Gholinia, M.; Pourfallah, M.; Chamani, H.R. Numerical investigation of heat transfers in the water jacket of heavy duty diesel engine by considering boiling phenomenon. Case Stud. Therm. Eng. 2018, 12, 497–509. [Google Scholar] [CrossRef]
- Hu, X.; Sun, Q.; Li, G.; Bai, S. Numerical investigation of thermo-hydraulic performance of an opposed piston opposed cylinder engine water jacket with helical fins. Appl. Therm. Eng. 2019, 159, 113824. [Google Scholar] [CrossRef]
- Zhang, B.; Zhang, P.; Zhang, Z.; Yang, S.; Wang, C.; Zeng, F. Numerical simulation of flow field characteristics of the cooling water jacket of a marine diesel engine. E3S Web Conf. 2021, 261, 02040. [Google Scholar] [CrossRef]
- Tan, L.B.; Yuan, Y.J.; Wang, D.; Cao, B.T.; Sun, N. Cooling system design of Four-cylinder engine and engine Temperature Analysis. J. Henan Univ. Sci. Technol. (Nat. Sci.) 2024, 45, 1–7. [Google Scholar] [CrossRef]





















| Engine Model | Direct Injection, In-Line, Two-Cylinder, Water-Cooled, Four-Stroke | |
|---|---|---|
| Bore | 79.0 | mm |
| Stroke | 101.9 | mm |
| Compression Ratio | 16.0 | |
| Rated Power | 45 | kw |
| Rated Speed | 5500 | rpm |
| Fuel | 92 octane gasoline | |
| ID | Parameter @ Location | Value (°C) |
|---|---|---|
| 1 | Temperature @ Main Inlet | 100.1 |
| 2 | Wall temperature @ Block | 114.1 |
| 3 | Wall temperature @ Gasket | 115.1 |
| 4 | Wall temperature @ Head | 116.1 |
| No. of Measuring Point | Location | Pressure (kPa) |
|---|---|---|
| 1 | Main Inlet | 185.9 |
| 2 | Outlet to EGR | 176.2 |
| 3 | Gasket openings (exhaust side) | 177.4 |
| 4 | Gasket openings (intake side) | 172.9 |
| 5 | Outlet to Cabin Heating | 168.5 |
| 6 | Main Outlet | 133.9 |
| ID | Location | Before | After |
|---|---|---|---|
| 1 | Main Inlet | 185.9 | 185.9 |
| 2 | Outlet to EGR | 176.2 | 180.5 |
| 3 | Gasket openings (exhaust side) | 177.4 | 180.7 |
| 4 | Gasket openings (intake side) | 172.9 | 163.4 |
| 5 | Outlet to Cabin Heating | 168.5 | 164.5 |
| 6 | Main Outlet | 133.9 | 150.9 |
| Location | Mean HTC (W/(m2·k)) | Target |
|---|---|---|
| Exhaust side liner top of Cyl2 | 8,535 | >6000 |
| Exh–exh valve bridges of Cyl1 | 17,741 | >15,000 |
| Exh–int valve bridges of Cyl1 | 10,012 | >10,000 |
| ID | Main Inlet | Main Outlet | Pressure Loss |
|---|---|---|---|
| 1 | 86.0 | 48.4 | 37.6 |
| 2 | 85.9 | 48.4 | 37.5 |
| 3 | 86.0 | 48.3 | 37.7 |
Disclaimer/Publisher’s Note: The statements, opinions and data contained in all publications are solely those of the individual author(s) and contributor(s) and not of MDPI and/or the editor(s). MDPI and/or the editor(s) disclaim responsibility for any injury to people or property resulting from any ideas, methods, instructions or products referred to in the content. |
© 2024 by the authors. Licensee MDPI, Basel, Switzerland. This article is an open access article distributed under the terms and conditions of the Creative Commons Attribution (CC BY) license (https://creativecommons.org/licenses/by/4.0/).
Share and Cite
Yang, L.; Lu, G.; Wang, T. Structure Improvement of Two-Cylinder Engine Cooling Water Jacket Based on Flow Field Simulation. Sustainability 2024, 16, 11092. https://doi.org/10.3390/su162411092
Yang L, Lu G, Wang T. Structure Improvement of Two-Cylinder Engine Cooling Water Jacket Based on Flow Field Simulation. Sustainability. 2024; 16(24):11092. https://doi.org/10.3390/su162411092
Chicago/Turabian StyleYang, Lei, Guangtao Lu, and Tao Wang. 2024. "Structure Improvement of Two-Cylinder Engine Cooling Water Jacket Based on Flow Field Simulation" Sustainability 16, no. 24: 11092. https://doi.org/10.3390/su162411092
APA StyleYang, L., Lu, G., & Wang, T. (2024). Structure Improvement of Two-Cylinder Engine Cooling Water Jacket Based on Flow Field Simulation. Sustainability, 16(24), 11092. https://doi.org/10.3390/su162411092

