Next Article in Journal
Comprehensive Assessment of Groundwater Hydrochemistry, Driving Forces, Water Quality, and Associated Health Hazards in the Wen River Basin, Northern China
Next Article in Special Issue
Life Cycle Assessment Based on Whole Industry Chain Assessment of FCEVs
Previous Article in Journal
Exploring the Key Factors for Purchasing Forest-Certified Products in the Context of Sustainable Forest Consumption
Previous Article in Special Issue
AI-Driven Circular Economy of Enhancing Sustainability and Efficiency in Industrial Operations
 
 
Font Type:
Arial Georgia Verdana
Font Size:
Aa Aa Aa
Line Spacing:
Column Width:
Background:
Article

The Impact of Thermal Energy Storage on the Emission of Particulate Pollutants into the Atmosphere

by
Ryszard Zwierzchowski
1,*,
Marlena Ziomacka
2 and
Olgierd Niemyjski
1
1
Faculty of Building Services, Hydro and Environmental Engineering, Warsaw University of Technology, 20 Nowowiejska Street, 00-653 Warsaw, Poland
2
Supreme Audit Office, 57 Filtrowa Street, 02-056 Warsaw, Poland
*
Author to whom correspondence should be addressed.
Sustainability 2024, 16(24), 10926; https://doi.org/10.3390/su162410926
Submission received: 23 October 2024 / Revised: 28 November 2024 / Accepted: 5 December 2024 / Published: 13 December 2024

Abstract

To improve the energy, operational, and ecological efficiency of a district heating system (DHS) powered by a combined heat and power (CHP) plant or a heating plant, thermal energy storage (TES) should be used. The presented paper examines the impact of the use and operation of TES built in a CHP plant supplying a large DHS, based on the amount of particulates emitted into the atmosphere. Detailed research was carried out for the Siekierki–Warsaw and Białystok CHP plants in Poland. The analysis helped to determine the factors affecting the reduction in pollutant emissions and the volume of the energy effect of using TES in the CHP plant. In order to objectify the results of the comparative analysis of the impact of TES in the CHP plant on the emission of particulates, the so-called comparative index (CI) was introduced. The CI takes into account the volume of electricity and heat production and climatic conditions in the analyzed time periods. The CI for the analyzed years should have a similar value so that the results of the comparative analysis are fully representative. This condition is met for the CHP plant and DHS of Białystok, so the detailed results of the analysis are presented for this facility. As a result of the application of TES in the Białystok CHP plant, significant environmental effects related to the reduction in particulate emissions have been achieved; for example, the total amount of annual particulate matter (PM) emission (PM10 and PM2.5) has been reduced by 27% and the maximum emission by 29%. On the other hand, the average decrease in particulate emissions in the heating season varied in the range of 10–50%, while in the summer season, the values of particulate emissions were at a comparable level. A significant decrease in annual and one-hour average concentrations for PM10 and PM2.5 and particulate fallout for these two analyzed years was also found. The use of TES to reduce the occurrence and nuisance of the smog phenomenon, the main components of which are PM, is proposed, and selected models of forecasting concentrations of pollutants in the air, including particulate emissions, are presented in order to implement this type of activity.

1. Introduction

The use of thermal energy storage (TES) in a district heating system (DHS) enables effective operation of the energy source; i.e., it allows for stable operation of generating units (boilers, turbine sets) with high efficiency and reduces the number of peak-load boiler start-ups to a minimum. TES also enables the integration and more efficient use of renewable energy sources, especially weather-dependent ones, as well as waste heat from various technological processes [1,2,3]. Thus, the implementation of TES technology in a DHS offers great opportunities to improve the operating conditions of heating systems as well as the economics of heat and electricity production (by increasing heat production in cogeneration and increasing electricity production in periods when its prices are high), as well as reducing emissions of pollutants into the atmosphere and increasing the security of the energy supply to consumers [4,5].
In addition, with a view to protecting human health and the environment as a whole, it is particularly important to combat emissions of pollutants at their source and to identify and implement at local, national, and EU levels the most effective measures to reduce pollutant emissions, i.e., to prevent or reduce emissions of harmful air pollutants and to set appropriate air quality targets, taking into account appropriate standards, guidelines, and programs of the World Health Organization (WHO).
The impact of the use of TES in DHSs on the state of the natural environment, and in particular the amount of emissions into the atmosphere of gaseous pollutants and particulate matter (PM) generated during the combustion of fuels in CHP plants, has not been the subject of many studies and scientific publications so far. A number of scientific publications indicate the obtained (or achievable) energy, operational, and economic effects in the studied district or industrial heating system after the installation of TES [6,7,8,9]. These energy, operational, and economic effects are obvious due to more stable and even operation in terms of thermal and electrical power of generating units, the possibility of avoiding the operation or limiting the operating time of peak-load boilers, or increasing the production of electricity generated in cogeneration [10,11]. For example, the authors of the study [8] indicate for the analyzed DHS of the city of Turin that after the installation of the TES, the energy effects obtained in the form of reduced fuel consumption amounted to 12%, and the total costs of energy generation decreased by 5%.
The ecological effects of the use of TES in district and industrial heating systems were most often studied in terms of reducing CO2 emissions [12,13,14], and only a few studies indicated a reduction in the emission of gaseous pollutants into the atmosphere, such as SO2, NOx, CO, and particulates obtained after the installation of TES [2,15,16].
Bogdan and Kopiar [17] determined the amount of reduction in CO2 and SO2 emissions as a result of the installation of TES in a CHP plant using in the calculations the amount of fuel saved and unit emission factors for the year in which the CHP plant operated without the TES and with the TES. The calculations resulted in a reduction in annual CO2 emissions of 6.4% and SO2 of 16.9%.
Denholm and Holloway [15] determined the ecological effect in the form of the expected reduction in gaseous pollutants, i.e., CO2 SO2, and NOx, after the use of energy storage in the form of compressed air tanks for the Norton Energy Company. The results of the calculations are presented in the form of a reduction in the emission factors of these pollutants for the state before and after the installation of energy storage facilities (Table 1).
Independent studies conducted for five different TES installations in California, Texas, and Wisconsin, and presented in [16], showed a significant reduction in the emission of gaseous pollutants, i.e., SO2 and NOx at the level of 5–29%, and CO2 in the range of 5–24%.
However, all the above-mentioned works did not contain a research methodology, and the environmental effects obtained, i.e., reductions in the emission pollutants, resulted from a simple comparison of the emission of these pollutants generated before and after the installation of the TES in the energy system under consideration, or were calculated as the result of fuel savings, using standard emission indicators of individual gaseous pollutants for a given type fuel burned. In none of these cases, in the analysis of the ecological effects resulting from the installation of TES in an energy source (e.g., CHP plant), was it taken into account whether the analyzed years before and after the installation of TES in a CHP plant are similar, for example, in terms of the amount of energy generated in this energy source, or whether they are similar in terms of climatic conditions (e.g., whether the analyzed years have a similar number of degree days). Thus, the results of reducing gaseous pollutants obtained by this method are not fully reliable.

2. Emission of PM into the Atmosphere and the Problem of Smog

The basic gaseous and particulate pollutants introduced into the atmosphere during combustion processes are CO2, SO2, NOx, CO, and PM. Of course, primary particulate emissions, i.e., from natural and anthropogenic sources, and secondary emissions are of key importance for the formation of the smog phenomenon.
The problem of smog in the world is a serious environmental issue that has a significant impact on people’s lives. Smog is a type of air pollution that is formed as a result of the combination of various substances emitted into the atmosphere, mainly by industrial activities, burning fossil fuels in the energy sector and transport. There are also natural sources of smog formation, e.g., as a result of volcanic eruptions. Depending on the components and conditions causing smog, there are two main types: London smog and photochemical smog. London smog occurs in Europe. It is most often formed as a result of the release of products of coal combustion and other fossil fuels into the atmosphere. These are sulfur oxides, nitrogen oxides, PM, and soot. The most dangerous component of smog is particulate aerosol with a diameter not exceeding 2.5 μm (PM2.5), which includes inorganic and organic compounds. Particulates with such a small particle size can easily enter the lungs and blood of humans, causing respiratory and cardiovascular diseases [18]. Smog occurs in winter periods, especially in conditions of low outside air temperature. Additional conditions conducive to the formation of London smog are low wind speed, high air humidity, and geographical location of cities, e.g., in valleys.
For obvious reasons, this paper deals with the emission of particulates from anthropogenic sources (in this case CHP plants) and, in a sense, secondary emission, resulting from transformations and reactions occurring in the atmosphere.
In total suspended particulates (TSP), the following PM fractions are distinguished, as shown in Table 2:
It should be emphasized that air quality monitoring stations in Poland, in terms of PM concentration, transmit TSP, PM10, and PM2.5 values to the National Centre for Emissions Management (KOBiZE) [19].
Anthropogenic particulate emissions are mainly associated with fuel combustion processes. In the paper [20], five categories of PM emission sources were distinguished, i.e.:
  • Professional power engineering,
  • Industrial power engineering,
  • Industrial technologies,
  • Other stationary sources (local boilers, domestic boilers, agriculture, etc.),
  • Mobile sources.
The annual emissions of PM, including anthropogenic particulates, in Poland in individual sectors of the economy in the years 1990–2020 are presented in Table 3 [21].
On the other hand, for the energy sector, the amount of particulate emissions resulting from fuel combustion and fugitive emissions from fuels is presented in Table 4.
An analysis of the presented data for Poland in the years 1990–2020 indicates a more than twofold decrease in the emission of this PM in all categories (TSP, PM10, and PM2.5). A strong decrease in PM emissions was observed in the first decade presented here. In the EU and in Poland, air quality standards are established for two PM fractions, i.e., PM10 and PM2.5. Their values are given in Table 5.
On the other hand, the course of annual average concentrations of PM2.5 and PM10 in the years 2012–2022 in selected cities in Poland is presented in Figure 1 and Figure 2 [23].
The periodic increase or decrease in PM10 and PM2.5 concentrations observed in the above graphs is mainly related to climatic conditions in the given shorter time periods, i.e., primarily to lower outside air temperature (higher heat production required for the DHS means higher PM emissions), lower wind speed, and lack of rain/snowfall. These factors are conducive to an increase in PM emissions and concentrations in ambient air [24,25]. However, the most important in this respect is the observed decreasing trend in PM10 and PM2.5 concentrations in subsequent years.
The exposure of the urban population in Poland to air polluted with PM10 and PM2.5 in 2010–2022 is shown in Figure 3 [23].
The presented Figure 1, Figure 2 and Figure 3 clearly show that the values of annual average concentrations of PM2.5 and PM10 in selected cities in Poland in the years 2010–2022 drop significantly, in some cases even two times. Also, the exposure of the urban population to air polluted with PM10 and PM2.5 has been steadily decreasing in the analyzed period.

3. System Description

The analysis of the annual emission of PM was carried out for the Siekierki–Warsaw and Białystok CHP plants, both before and after the installation of the TES.
The Siekierki CHP plant is the largest CHP plant in Poland and the second largest in the EU. The thermal power of this plant is 2078 MWth, while the electrical power is 625 MWel. The Siekierki CHP plant was launched in 1961. It consists of [3]:
  • Block part—each block consists of its own boiler and turbine (number of blocks—3, electrical power—110 MWel each, thermal power—175 MWth each),
  • Collector part—boilers supply a common steam collector, from which steam is directed to the turbines (total thermal power—669 MWth, total electrical power—170 MWel),
  • Condensing turbine with steam extraction (electrical power—125 MWel),
  • Water boilers (number of boilers—6, total thermal power—884 MWth).
In turn, the Białystok CHP plant is several times smaller than the Siekierki CHP plant. The thermal power of this plant is 530 MWth, while the electrical power is 198 MWel. The Białystok CHP plant was launched in 1978. It consists of [26]:
  • 4 steam boilers, including: 2 fluidized bed biomass boilers in blocks 1 and 2 pulverized coal boilers in blocks 2 and 3,
  • 4 turbines: in block 1 with an electrical power of 65 MWel, in blocks 2 and 3 with an electrical power of 55 MWel each, and a condensing turbine with an electrical power of 23.15 MWel,
  • 2 water boilers with a thermal power of 81.5 MWth each.
Both analyzed CHP plants have TES systems in the form of tanks storing non-latent heat (network water), where the separation of the supply (hot) network water from the return (cold) network water is carried out in a natural way through the thermocline layer.
A view of the CHP plant with TES in Siekierki–Warsaw and Białystok is shown in Figure 4.
The TES at the Siekierki plant was commissioned in 2009. The TES has been integrated into the DHS by means of discharging pumps (DP)—Figure 5. In turn, the TES at the Białystok plant was launched in 2011. The TES has been integrated into the DHS by means of both discharging (DP) and charging (CP) pumps—Figure 6.
The basic technical parameters of TES in the Siekierki and the Białystok CHP plants are presented in Table 6 [27].
The method of incorporating the TES into the technological system of the Siekierki CHP plant is shown in Figure 5 [27].
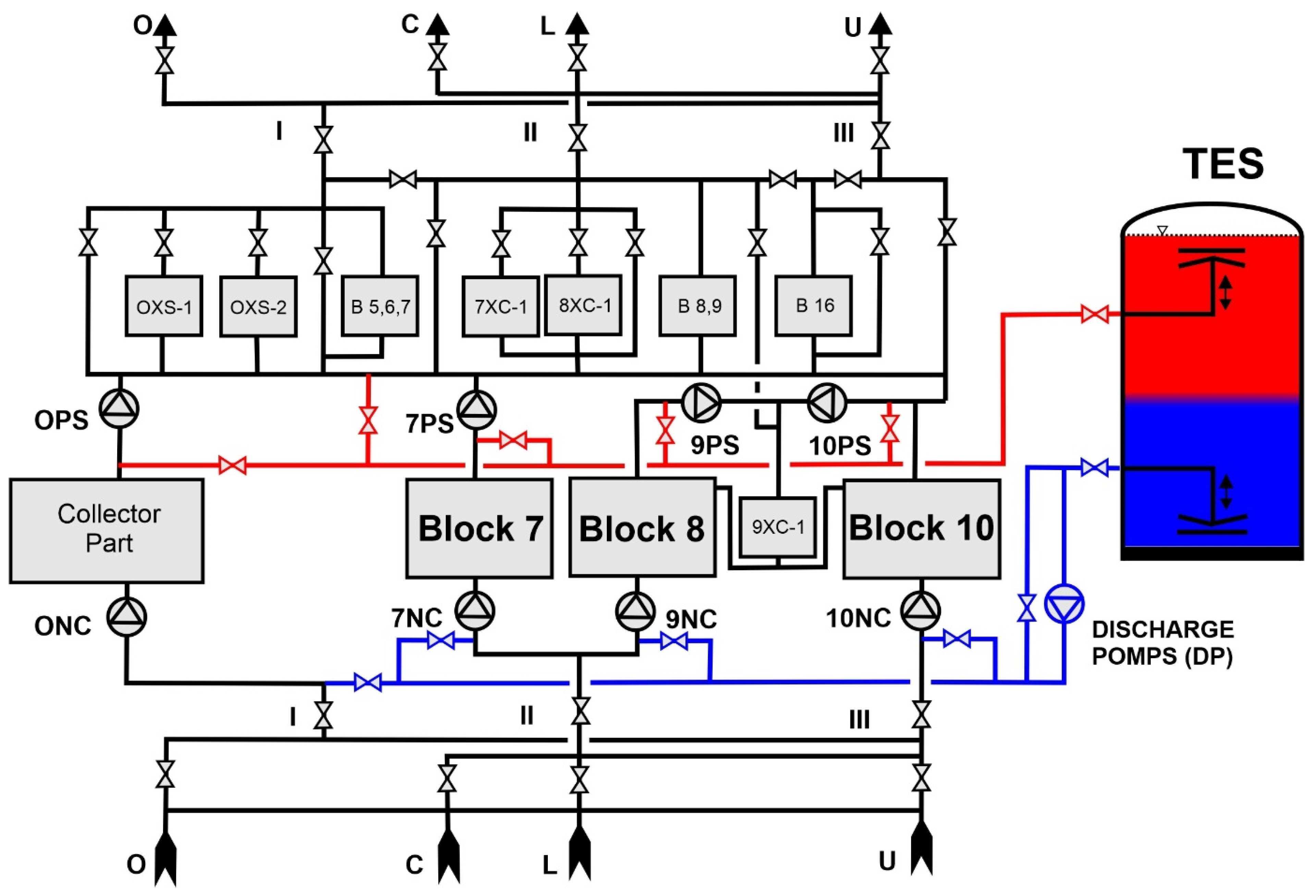
For example, for the Białystok CHP plant (Figure 6), a diagram of the flow of network water during TES charging with network water with a temperature exceeding 98 °C is presented (the TES system has a charging water temperature control node to a constant value of about 98 °C) [26].
Measurements of PM10 and PM2.5 emissions were carried out at the outlet of the emitters (the measuring nozzles were located at appropriate heights in the chimney, in accordance with the applicable standards), using a technique calibrated on the gravimetric method and equivalent to this method [28]. The DCEM2100 (manufactured by CODEL Int., Ltd., Bakewell, UK) and FWE200DH (manufactured by SICK Taiwan Co., Ltd., Tapei, Taiwan) particulate meters used for measurements ensure continuous, automatic measurement of PM concentration in exhaust gases and meet the requirements of EN 14181 [29] and EN 15267 [30] standards for emission measurement technology in the emitter. These values were automatically averaged to the daily concentrations of particulates under normal conditions (273.15 K, 1013.25 hPa) and with an oxygen content of 6% in the exhaust gases.

4. Factors Affecting the Reduction in Emissions of Pollutants

The factors related to the use and operation of TES in CHP plants, affecting the reduction in emissions of pollutants into the atmosphere generated in the process of combustion of fuels in boilers, include:
  • Increase in the operational efficiency of generating units through their stable operation, with an even thermal load.
  • Covering the peak demand for heat, i.e., the possibility of avoiding the temporary start-up of peak boilers and their possible shorter operation, to cover the increased demand for heat by consumers.
  • Increasing the amount of electricity generated in cogeneration, i.e., the possibility of generating additional electricity in the CHP plant during periods of peak demand and its high prices.
All three of the above-mentioned energy factors directly translate into lower fuel consumption in order to generate a certain amount of energy in the CHP with built-in TES compared to the same CHP without TES. Lower fuel consumption results in lower emissions of pollutants, which is the so-called ecological effect of the use of TES in CHP. The first two factors mentioned above have a direct impact on the reduction in the emission of pollutants resulting from the combustion of fuels in boilers in the analyzed CHP. The third factor is global in terms of the so-called avoided emissions related to the generation of additional electricity in the analyzed CHP in the combined process, which means that this amount of electricity may not be generated in any conventional power plant, the so-called condensing power plant supplying the national power system.
The impact of the second of the above-mentioned factors on the amount of pollutant emissions can be taken into account by determining the so-called operational efficiency of the entire CHP plant.

4.1. Increase in the Operational Efficiency of Units Generating Heat and Electricity

The operational thermal efficiency of boilers may differ significantly from the nominal efficiency of these units [31]. A decisive role in achieving high thermal efficiency of steam and hot water boilers is played by the operating time of these units in areas of high efficiency and at even, stable loads close to the nominal load. Usually, most boilers show a significant dependence of their efficiency on the current heat output, reaching maximum efficiency values for heat loads close to the nominal ones. In addition, the operational efficiency of the entire heat source (CHP, heating plant) is significantly affected by the operating time and the number of start-ups of peak boilers.
In addition, operating efficiencies may also differ significantly for individual boilers, depending on the role that a given boiler plays in the technological system of the heat source, whether it is a so-called basic boiler or a peak boiler. For example, the authors examining the operating efficiencies of steam boilers in a heating plant for boilers with a nominal efficiency of approx. 92% obtained operating efficiency values for a basic steam boiler on average approx. 84.9%, and for a peak boiler on average approx. 76.2%. The boiler tests were carried out for 18 months, dividing this time period into 44 equal balance periods. The operating efficiency of the basic boiler ranged from 81.5% to 86.5%, and the peak boiler from 41% to 87.2% [31].
The results of calculations of the average daily operating efficiency for boiler K7 before installation (2010) and after installation (2013) of the TES are presented in Figure 7. In 2013, these efficiencies increased significantly in the vast majority of days, i.e., from a few to even several dozen percent compared to 2010, which is undoubtedly the result of the installation of the TES and the operation of the K7 boiler in more stable conditions and with equal heat output, as well as its continuous operation (a small number of hours of boiler operation in transient conditions).
Both in 2010 and 2013, the K7 boiler was the basic unit in the technological system of the CHP plant, generating heat throughout the heating season and operating the highest number of hours among all CHP boilers in these years.

4.2. Covering Peak Heat Demand—Fewer Start-Ups and Shorter Operating Time of Peak Boilers

Low operating efficiencies of peak-load boilers are influenced by long start-up and shutdown times. For this type of power boiler, which is in operation in the Siekierki and Białystok CHP plants, these times, depending on whether the boilers are currently in hot or cold reserve, usually range from approximately 100 to 600 min [32]. During the start-up of up to 600 min and during the shutdown of the boiler from the operation of several hundred minutes, the boiler operates in unsteady conditions with an efficiency much lower than the nominal value. After the installation of TES in the CHP plant, the number of start-ups of peak boilers usually decreases very significantly, which results in the avoidance of peak heat production with such low operating efficiencies. Ultimately, this results in a reduction in the emission of pollutants into the atmosphere.
In the analyzed case, the number of start-ups of the peak-load boiler was 25% lower in the system with TES than in the operation of the CHP plant without the TES [26].

4.3. Generation of Additional Electricity in the CHP Plant During Periods of Peak Demand and High Prices

Increasing the amount of electricity generated in cogeneration, i.e., the possibility of generating additional electricity in the CHP plant during periods of peak demand and its high prices, also has an environmental effect, in addition to the energy and financial effects. The energy effect is related to the increased energy efficiency of the combined process compared to the efficiency of the separate heat and electricity generation processes. It is associated with a corresponding ecological effect resulting from a smaller amount of fuel burned in order to produce the same amount of energy in the combined and separate processes. By increasing the amount of electricity produced in cogeneration, the amount needed to generate electricity in existing condensing power plants, which only produce electricity, is reduced.
The above-mentioned ecological effects are not the subject of analysis in this paper and should be the subject of detailed studies at a later stage of research.

5. Results and Discussion

5.1. Determination of the Energy Effect of the Use of TES in the CHP Plant

The preliminary analysis of the environmental impact of the operation of the TES system was carried out on the basis of operational data for the selected CHP plant for the years 2008–2009, i.e., before and after the installation of the TES in the Siekierki CHP plant.
The calculations of the average annual overall efficiency of the CHP Siekierki plant were carried out in accordance with Directive (EU) 2018/2002 [33] on energy efficiency and the Regulation of the Minister of Energy of 10 April 2017, which provides an appropriate formula [34]. The overall efficiency of the plant translates directly into the energy effect.
The results of calculations of the average annual overall efficiency of the Siekierki plant indicate an increase in its efficiency from 86.6% in 2008 to 87.3% in 2009 [2]. Although this is not a very significant change (2009 was the implementation year for the TES and the overall efficiency of the CHP plant was already very high), it is a change that gives a concrete effect. Significant effects, including economic ones, of the use of TES in the CHP plant have also been defined in other papers [8,35].

5.2. Comparison of the Emission of PM10 in the Siekierki CHP Plant Before and After the Installation of the TES

The results of measurements of PM10 emissions in 2008, i.e., in the last year of operation of the Siekierki CHP plant without TES, and in 2009, i.e., in the first year of operation of the plant with TES, are presented in Figure 8.
The PM10 emission values for the analyzed CHP plant vary on a scale of 24 h, weeks, and months, and this depends primarily on the volume of electricity and heat production. These values are also influenced by climatic conditions, because, for example, a decrease in the temperature of the outside air translates into an increase in heat demand by DHS consumers [36].
The graph shows a significant decrease in PM emissions in 2009 compared to 2008. This decrease in particulate emissions is primarily the result of a much smaller number of start-up peak boilers, as well as stabilized thermal efficiency (operation with practically constant thermal power) on a daily basis of generating units, i.e., boilers and heat exchangers, which is the result of the use of TES in the plant. The operation of peak-load boilers is usually short-lived, and the unstable operating conditions of these boilers at the time of start-up and at shutdown cause a decrease in the efficiency of particulate removal of dedusting equipment as a result of highly variable flue gas streams.
When comparing the amount of PM10 emissions to the atmospheric air in 2008 and 2009, the annual volume of energy production in the Siekierki CHP plant, climatic conditions (length of the heating season, outside air temperatures), as well as operating conditions and technical conditions of energy production equipment and flue gas dedusting installations in these two analyzed years were not taken into account.

5.3. Comparative Analysis of the Impact of the Use and Operation of TES in the CHP Plant on the Emission of Pollutants

The basic task enabling the performance of a comparative analysis of the impact of the use of TES in the CHP plant on the emission of pollutants into the atmosphere is the selection of the compared years before and after the installation of the TES, so that these years are characterized by similarity in terms of the volume of electricity and heat production and climatic similarity, i.e., the selection of such years that will enable the determination of the objective difference in the emission of pollutants before and after the implementation of TES in the CHP plant, i.e., choice of “base” and “comparative” years. An important issue in the selection of these years is the use of the same energy generation technologies and fuels used for its production, which means that, for example, even modernization activities in the boiler, increasing its energy efficiency carried out in the “comparative” year, may to some extent distort the result of this analysis. For this reason, the analysis should compare these years as closely as possible but characterized by a similar amount of total heat and electricity production under comparable climatic conditions (similar values of the degree days). Another issue is the selection of a model of the spread of pollutants, enabling the use of the same meteorological characteristics for both compared time periods in terms of parameters entered into the calculation model.
In the presented comparative analysis, the so-called comparative index (CI) was introduced, which allows for objectification of the results obtained. This indicator includes both the amount of energy production in a given year and the climatic characteristics of that year expressed by the annual number of heating degree days. Thus, the CI for the analyzed years should have a similar value in order for the results of the comparative analysis to be fully representative.
The comparative index is defined as follows:
CI = (Pe,tot + Ph,tot)/Sd
where
Pe,tot: total production of electricity, GJ
Ph,tot: total production of heat, GJ
Sd: annual number of heating degree days
The values of the CI for the analyzed years for the Siekierki and the Białystok CHP plants are as follows:
Siekierki CHP plant:
CI (2008) = 10,094 GJ/Sd
CI (2009) = 8830 GJ/Sd
Białystok CHP plant:
CI (2010) = 1531 GJ/Sd
CI (2013) = 1597 GJ/Sd
Thus, the results of the comparative analysis for Siekierki CHP plant are not fully representative. On the other hand, the CI has practically the same value (the difference between the indexes is 4%) for the Białystok CHP plant in 2010 and in 2013, i.e., before and after the installation of the TES.
In view of the values of the CI, only the results of measurements and calculations for the Białystok CHP plant for the base and the comparative years were presented as representative results of the analysis.

5.4. Particulate Emissions

The results of measurements of PM10 emissions on individual days of 2010 and in 2013 are presented in Figure 9.
The results of the measurements clearly show the positive impact of the TES installation on the amount of PM10 emissions into the atmosphere. The average decrease in the emission of PM10 in the heating season ranges from 10% to 50%, while in the summer season, the values of particulate emissions in these two analyzed years are at a comparable level.

5.5. Quantities of Emission of Particulates

Reference values and limit levels for the analyzed particulates in the air for the Polish area and periods for which the reference values are averaged are presented in Table 7 [21].
The maximum values of concentrations in the receptor network in 2010 and 2013 are presented in Table 8 and Table 9, while the Figure 10, Figure 11, Figure 12 and Figure 13 show the spatial distribution of the spread of PM10 and PM2.5 in the air, i.e., the maximum concentration values of these substances averaged for one year and one hour, calculated for the ground level, depending on the distance from the emitter. Detailed results of the distribution of PM2.5 and PM10 (Figure 10, Figure 11, Figure 12 and Figure 13) and PM fallout (Figure 14) obtained from the calculation program Operat FB for Windows ver. 8.8.4 [37] are available in the archive of the corresponding author.

5.5.1. PM10

In 2010, the highest value of one-hour concentrations of PM10 was 12.6 μg/m3, in 2013: 10.6 μg/m3. No exceedances of one-hour concentrations were found. The highest value of annual average concentrations was 0.121 μg/m3 in 2010, and in 2013: 0.090 μg/m3. These values did not exceed the permissible value (Da-R) = 40 µg/m3. Spatial distributions of PM10 concentrations in the air for 2010 are shown in Figure 10a,b, and for 2013 in Figure 11a,b.

5.5.2. PM2.5

In 2010, the highest value of one-hour concentrations of PM2.5 was 7.6 μg/m3, in 2013: 6.3 μg/m3. In 2010, the highest value of annual average concentrations was 0.072 μg/m3 and did not exceed the permissible value (Da-R) = 29 μg/m3, while in 2013 it amounted to 0.054 μg/m3 and did not exceed the permissible value (Da-R) = 26 μg/m3. Spatial distributions of PM2.5 concentrations in the air for 2010 are presented in Figure 12a,b, and for 2013 in Figure 13a,b.
Figure 12. Distribution of PM2.5 at ground level in 2010: (a) one-hour concentrations, (b) annual average concentrations.
Figure 12. Distribution of PM2.5 at ground level in 2010: (a) one-hour concentrations, (b) annual average concentrations.
Sustainability 16 10926 g012
Figure 13. Distribution of PM2.5 at ground level in 2013: (a) one-hour concentrations, (b) annual average concentrations.
Figure 13. Distribution of PM2.5 at ground level in 2013: (a) one-hour concentrations, (b) annual average concentrations.
Sustainability 16 10926 g013
In 2010, the maximum particulate fallout (not taking into account the background) was 2.39 g/m2/year, while in 2013 it was 2.07 g/m2/year. The spatial distribution of particulate fallout in 2010 and 2013 is shown in Figure 14a,b.
Figure 14. Particulate fallout in (a) 2010 and in (b) 2013.
Figure 14. Particulate fallout in (a) 2010 and in (b) 2013.
Sustainability 16 10926 g014

5.6. Total Annual and Maximum Emissions of PM10 and PM2.5 in the Analyzed Periods

The total annual emission [Mg] and the maximum hourly emission [kg/h] for PM10 and PM2.5 determined by the calculation program Operat FB for MsWindows ver. 8.8.4 [37] are presented in Table 10.
The calculations show that the level of reduction in the total annual and maximum emissions of PM10 and PM2.5 in 2013 compared to 2010 were at a high level, i.e., about 27–29%.

6. Predicting the Possibility of Smog Occurrence

Activities aimed at reducing atmospheric pollution, and in particular two critical components causing the formation of smog, i.e., PM2.5 and PM10 particles, have a particular impact on improving people’s living conditions and reducing the number of deaths [38]. One of the methods of reducing the concentration of particulates in the air generated by CHP plants using fossil fuels or biomass as the basic fuel is the use of TES. The role of TES in reducing particulate emissions is the possibility of introducing rational control of the heat source during periods of increased concentration of PM2.5 and PM10 particles in the air. In periods when there is a high risk of smog, heat should be directed to consumers from the TES, and the boilers will be out of service, or their load will be significantly reduced during this time. Anticipating the occurrence of smog, the TES should be fully charged in the period preceding its occurrence. The boiler control algorithm must be coupled with a short-term forecasting system in terms of the level of pollutant concentrations in the atmosphere.
Air quality forecasting models are used to predict conditions conducive to smog. Most often, these models use a register of historical data on air quality parameters such as: concentration of PM2.5, PM10, O3, CO, NO2, and SO2 as well as temperature, humidity, wind speed, and atmospheric pressure. Information about the location of sources of pollutant emissions in the area, such as industrial plants, temporary traffic intensity (transport), and natural sources, is also important.
Air quality forecasting models often use a combination of atmospheric modeling, machine learning, and data analysis techniques. The effectiveness of forecasting depends on the availability and quality of input data, the accuracy of measurements, algorithms, and analysis methods. An important parameter of the effectiveness of models is their territorial range. Local models have a higher accuracy of air quality forecasting. They use measurement data from local stations monitoring the concentration of pollutants and changes in weather conditions in a given area of the country [39,40].
There are many models for forecasting the concentration of pollutants in the air, including PM emissions, such as:
  • ISCST3 (Industrial Source Complex Short Term Version 3) model [41]: This is one of the most commonly used models for predicting the concentration of PM from industry. It takes into account the technical parameters of emission sources, such as the type of fuel, temperature, and exhaust velocity of flue gases from the chimney, etc., as well as weather conditions and terrain.
  • AERMOD (Air Quality Model) [42]: This is a model used to predict the emission of PM, as well as other pollutants such as nitrogen oxides, sulfur dioxide, and others. This model takes into account both point and linear sources of pollutant emissions. It uses atmospheric transport equations and takes into account factors such as topography, atmospheric conditions, location of emission sources, and characteristics of exhaust gases.
  • CALPUFF model (California Puff model) [43]: This is a model used to predict PM emissions and the long-term spread of pollutants in the atmosphere. The CALPUFF model takes into account the sources of point and diffuse pollutant emissions.
  • TAPM Model (The Air Pollution Model) [44]: This is a model used to predict the emission of PM and other atmospheric pollutants. The TAPM model takes into account different types of emission sources, such as industry, transport, domestic boiler rooms, etc. Forecasting algorithms use data on weather conditions, topography, and dispersion of pollutants.
The use of TES in CHPs or heating plants and its appropriate operation during periods of smog hazard and smog occurrence will not eliminate the phenomenon of smog, but it may significantly reduce its nuisance, including reducing the concentration of air pollutants and the scale of this phenomenon. Thus, all activities that can lead to the reduction in smog and its nuisance are highly pro-ecological activities. Such activities also include the installation of TES in CHPs and heating plants, and the quantification of the potential for the impact of the use of TES on reducing smog depends on many factors, primarily of a local nature, and will require further research and analysis.

7. Summary and Conclusions

The presented paper examines the impact of the use and operation of TES built in a CHP plant supplying a large DHS, based on the amount of particulates emitted into the atmosphere. Detailed research and quantitative analyses were carried out for two CHP plants, i.e., Siekierki and Białystok, supplying heat to the DHS.
Through the use of TES in the CHP plant, the reduction in pollutant emissions is the result of:
-
an increase in the operational efficiency of boilers through their stable operation, with an even heat load.
The presented results of calculations of the average daily value of operating efficiency for boiler K7 (basic boiler in the Białystok CHP plant) before and after installation of the TES in the plant on the vast majority of days of the comparative year increased significantly, i.e., from several to even several dozen percent compared to the base year (Figure 7), which is the result of the installation of the TES and continuous operation of boiler K7 in more stable conditions, and with an equalized heat load.
-
covering the peak demand for heat, i.e., the possibility of avoiding the temporary start-up of peak boilers and their possible shorter operation.
After the installation of TES in the Białystok CHP plant, the number of start-ups for the peak boiler decreased by 25%.
-
an increase in the amount of electricity generated in cogeneration, i.e., the possibility of generating additional electricity in the CHP plant during periods of peak demand and high prices. The resulting ecological effects were not analyzed in this study and should be the subject of detailed studies at a later stage of research.
The volume of the energy effect of the TES installation was calculated for the Siekierki CHP plant, and it resulted in an increase in the average annual overall efficiency of the CHP plant in the process of the high-efficiency cogeneration from 86.6% to 87.3%.
In order to objectify the results of the comparative analysis of the impact of TES use in the CHP plant on the emission of particulates into the atmosphere, the comparative index (CI) was introduced. The CI for the analyzed years before and after the installation of the TES in the CHP plant should have a similar value so that the results of the comparative analysis are fully representative. This condition is met for the selected base and comparative year for the CHP plant and DHS in Białystok, hence the results of the comparative analysis are presented for this facility.
Finally, the following environmental effects related to the reduction in particulate emissions have been achieved, i.e.:
  • the total annual emission of PM10 and PM2.5 decreased by 27% and the maximum emission by 29%,
  • the average decrease in the emission of PM10 as a result of the use of TES in the heating season ranged from 10 to 50%, while in the summer season, the values of emissions in these two analyzed years are at a comparable level,
  • PM10
    • The highest value of one-hour concentrations was 12.6 µg/m3 (2010) and 10.6 µg/m3 (2013). No exceedances of one-hour concentrations were found.
    • The highest value of annual average concentrations was 0.121 µg/m3 (2010) and 0.090 µg/m3 (2013). These values did not exceed the permissible value (Da-R) = 40 μg/m3,
  • PM2.5
    • the highest value of one-hour concentrations was 7.6 µg/m3 (2010) and 6.3 µg/m3 (2013).
    • the highest value of annual average concentrations was 0.072 μg/m3 (2010) and did not exceed the permissible value (Da-R) = 29 μg/m3, while in 2013, it was 0.054 μg/m3 and did not exceed the permissible value (Da-R) = 26 μg/m3,
  • Particulate fallout—in 2010, the maximum particulate fallout (not taking into account the background) was 2.39 g/m2/year, while in 2013, it was 2.07 g/m2/year.
Referring to the particularly burdensome form of the presence of particulates and other pollutants in the ambient air in the form of smog, it has been proposed to use TES to reduce the occurrence and nuisance of this phenomenon. It is possible that during the risk of smog, heat is directed to consumers from the TES, and the boilers should not work during this time, or their load will be significantly reduced. Anticipating the occurrence of smog, the TES should be fully charged beforehand. The CHP plant control algorithm must be coupled with a short-term forecasting system in terms of the level of pollutant concentration in the atmosphere. Models for forecasting the concentration of pollutants in the air, including particulate emissions, can also be used in these projects.

Author Contributions

Conceptualization, R.Z. and O.N.; methodology, M.Z. and O.N.; formal analysis, M.Z.; investigation, M.Z. and R.Z.; resources, R.Z. and M.Z.; data curation, M.Z.; writing—original draft preparation, R.Z.; writing—review and editing, R.Z. and O.N.; visualization, M.Z.; supervision, R.Z. All authors have read and agreed to the published version of the manuscript.

Funding

This research was funded by the Warsaw University of Technology within the IDUB-Open Science Program (5th edition, 2024).

Institutional Review Board Statement

Not applicable.

Informed Consent Statement

Not applicable.

Data Availability Statement

The original contributions presented in the study are included in the article; further inquiries can be directed to the corresponding author.

Conflicts of Interest

The authors declare no conflicts of interest.

Nomenclature

Pe,tottotal production of electricity, GJ
Ph,tottotal production of heat, GJ
Sdannual number of heating degree days

Abbreviations

CIComparative Index
CHPCombined Heat and Power
CPCharging Pump
Da-Rannual permissible concentration of the substance in the atmosphere decreased by the background concentration
DHSDistrict Heating System
DPDischarging Pump
PMParticulate Matter
TESThermal Energy Storage
TSPTotal Suspended Particulates

References

  1. Holmér, P.; Ullmark, J.; Göransson, L.; Walter, V.; Johnsson, F. Impacts of thermal energy storage on the management of variable demand and production in electricity and district heating systems: A Swedish case study. Int. J. Sustain. Energy 2020, 39, 446–464. [Google Scholar] [CrossRef]
  2. Ziomacka, M.; Zwierzchowski, R. The impact of the use of a heat accumulator in the District Heating System on the energy efficiency of the CHP plant and the emission of particulates pollutants into the atmosphere. Ciepłownictwo Ogrzewnictwo Wentylacja 2019. (In Polish) [Google Scholar] [CrossRef]
  3. Zwierzchowski, R. Analysis of Hydraulic Systems in Combined Heat and Power Plants and Heating Plants with Heat Accumulator. Scientific Papers. Environmental Engineering z. 64, Warsaw University of Technology, Warsaw University of Technology Publishing House, Warsaw, 2013, pp. 1–136. Available online: http://yadda.icm.edu.pl/baztech/element/bwmeta1.element.baztech-f8268b3d-7001-4935-abdb-aed9eeedcce7 (accessed on 22 October 2024). (In Polish).
  4. Wei, H.; Lu, Y.; Yang, Y.; Zhang, C.; Wu, Y.; Li, W.; Zhao, D. Flexible Operation Mode of Coal-fired Power Unit Coupling with Heat Storage of Extracted Reheat Steam. J. Therm. Sci. 2022, 31, 436–447. [Google Scholar] [CrossRef]
  5. Wang, W.; Zhang, J.; Gu, Y.; Luo, Q.; Zhou, G.; Li, A.; Lu, G.; Ma, T.; Zhao, Y.; Chang, Y.; et al. Recent Progress on Thermal Energy Storage for Coal-Fired Power Plant. J. Therm. Sci. 2024, 33, 2138–2150. [Google Scholar] [CrossRef]
  6. Dincer, I.; Rosen, M.A. Thermal Energy Storage: Systems and Applications, 3rd ed.; Wiley: Hoboken, NJ, USA, 2021; ISBN 978-1-119-71315-9. Available online: https://www.wiley.com/en-us/Thermal+Energy+Storage%3A+Systems+and+Applications%2C+3rd+Edition-p-9781119713159 (accessed on 22 October 2024).
  7. Dincer, I. On thermal energy storage systems and applications in buildings. Energy Build. 2002, 34, 377–388. [Google Scholar] [CrossRef]
  8. Verda, V.; Colella, F. Primary energy savings through thermal storage in district heating networks. Energy 2011, 36, 4278–4286. [Google Scholar] [CrossRef]
  9. Wang, D.; Han, X.; Li, H.; Li, X. Modeling and control method of combined heat and power plant with integrated hot water storage tank. Appl. Therm. Eng. 2023, 226, 120314. [Google Scholar] [CrossRef]
  10. Tehrani, S.; Saeed, M.; Saffar-Avval, M.; Kalhori, S.B.; Mansoori, Z.; Sharif, M. Hourly energy analysis and feasibility study of employing a thermocline TES system for an integrated CHP and DH network. Energy Convers. Manag. 2013, 68, 281–282. [Google Scholar] [CrossRef]
  11. Turunen, J.; Majanne, Y.; Vikko, M. Short-term Optimization of the Operation of the CHP District Heating Plant with Heat Accumulator. IFAC-Pap. 2020, 53, 13236–13241. [Google Scholar] [CrossRef]
  12. Cabeza, L.F.; Miró, L.; Oró, E.; Gracia, A.; Martin, V.; Krönauer, A.; Rathgeber, C.; Farid, M.M.; Paksoy, H.O.; Martínez, M.; et al. CO2 mitigation accounting for thermal energy storage (TES) case studies. Appl. Energy 2015, 155, 365–377. [Google Scholar] [CrossRef]
  13. Denholm, P.; Kulcinski, G.L. Life cycle energy requirements and greenhouse gas emissions from large scale energy storage systems. Energy Convers. Manag. 2004, 45, 2153–2172. [Google Scholar] [CrossRef]
  14. Sarbu, I.; Sebarchievici, C. A Comprehensive Review of Thermal Energy Storage. Sustainability 2018, 10, 191. [Google Scholar] [CrossRef]
  15. Denholm, P.; Holloway, T. Improved accounting of emissions from utility energy storage system operation. Environ. Sci. Technol. 2005, 39, 9016–9022. [Google Scholar] [CrossRef] [PubMed]
  16. Patterson, J.; Kulkarni, P.; Smith, M. Source Energy and Environmental Impacts of Thermal Energy Storage; Technical Report No. P500-95-005; California Energy Commission: Sacramento, CA, USA, 1996. Available online: https://www.pcmproducts.net/files/500_95_005_tes_report.pdf (accessed on 22 October 2024).
  17. Bogdan, Z.; Kopjar, D. Improvement of the cogeneration plant economy by using heat accumulator. Energy 2006, 31, 2285–2292. [Google Scholar] [CrossRef]
  18. Boldo, E.; Medina, S.; LeTertre, A.; Hurley, F.; Mücke, H.G.; Ballester, F.; Aguilera, I.; Eilstein, D. Apheis: Health impact assessment of long-term exposure to PM(2.5) in 23 European cities. Environ. Epidemiol. 2006, 21, 449–458. [Google Scholar] [CrossRef] [PubMed]
  19. National Centre for Emissions Management (KOBiZE). Available online: https://www.kobize.pl (accessed on 22 October 2024). (In Polish).
  20. Juda-Rezler, K.; Toczko, B. Fine Particulate Matter in the Atmosphere. Compendium of Knowledge About Air Pollution by Particulate Matter in Poland; Environmental Monitoring Library: Warsaw, Poland, 2016. Available online: https://powietrze.gios.gov.pl/pjp/documents/download/102507 (accessed on 22 October 2024). (In Polish)
  21. National Emission Balance of SO2, NOx, CO, NH3, NMVOC, Dust, Heavy Metals and POPs for the Years 1990–2020; Ministry of Climate and Environment: Warsaw, Poland, 2022; pp. 17–23. Available online: https://bip.mos.gov.pl/fileadmin/user_upload/bip/rejestry_ewidence_archiwa/DPM/Bilans_emisji_za_lata_1990-2021.pdf (accessed on 22 October 2024). (In Polish)
  22. Directive 2008/50/EC of the European Parliament and of the Council of 21 May 2008 on Ambient Air Quality and Cleaner Air for Europe. Current Consolidated Version: 18/09/2015. 2015. Available online: https://eur-lex.europa.eu/legal-content/EN/TXT/?uri=CELEX%3A02008L0050-20150918 (accessed on 22 October 2024).
  23. The State of the Environment in Poland, Report 2022, Chief Inspectorate of Environmental Protection; Environmental Monitoring Library: Warsaw, Poland, 2022; p. 47. Available online: https://www.teraz-srodowisko.pl/media/pdf/aktualnosci/14100-stan-srodowiska-w-Polsce-raport-2022.pdf (accessed on 22 October 2024). (In Polish)
  24. Ziernicka-Wojtaszek, A.; Zuska, Z.; Kopcinska, J. Assessment of the Effect of Meteorological Conditions on the Concentration of Suspended PM2.5 Particulate Matter in Central Europe. Sustainability 2024, 16, 4797. [Google Scholar] [CrossRef]
  25. Jandacka, D.; Durcanska, D.; Nicolanska, M.; Holubcik, M. Impact of Seasonal Heating on PM10 and PM2.5 Concentrations in Sucany, Slovakia: A Temporal and Spatial Analysis. Fire 2024, 7, 150. [Google Scholar] [CrossRef]
  26. Ziomacka, M. Impact of the Use of the Heat Accumulator in the CHP Plant on the Emission of Air Pollutants. Ph.D. Thesis, Warsaw University of Technology, Warszawa, Poland, 2023. Available online: https://is.pw.edu.pl/wp-content/uploads/2024/06/streszczenie_M.Ziomacka.pdf (accessed on 22 October 2024). (In Polish).
  27. Zwierzchowski, R. Characteristics of large thermal energy storage systems in Poland. In Proceedings of the International Conference on Advances in Energy Systems and Environmental Engineering (ASEE17), Wrocław, Poland, 2–5 July 2017. [Google Scholar] [CrossRef]
  28. Regulation of the Minister of Climate and Environment of 7 September 2021 on the Requirements for Emission Measurements. 2021. Available online: https://isap.sejm.gov.pl/isap.nsf/DocDetails.xsp?id=WDU20210001710 (accessed on 22 October 2024). (In Polish)
  29. EN 14181:2014; Stationary Source Emissions—Quality Assurance of Automated Measuring Systems. European Standards: Plzen, Czech Republic, 2014.
  30. EN 15267-3:2023; Air Quality—Assessment of Air Quality Monitoring Equipment—Part 3: Performance Criteria and Test Procedures for Stationary Automated Measuring Systems for Continuous Monitoring of Emissions from Stationary Sources. European Standards: Plzen, Czech Republic, 2023.
  31. Bujak, J.; Majkowski, S.; Okoński, R. Thermal operating efficiency of a steam boiler room. Instal 2020, 423, 14–18. (In Polish) [Google Scholar] [CrossRef]
  32. Węglowski, B. Operation of Power Boilers in Transient Conditions; Cracow University of Technology Publishing House: Krakow, Poland, 2019; ISBN 978-83-65991-45-4. Available online: https://wydawnictwo.pk.edu.pl/produkt/praca-kotlow-energetycznych-w-warunkach-nieustalonych (accessed on 22 October 2024). (In Polish)
  33. Directive (EU) 2018/2002 of The European Parliament and of The Council of 11 December 2018. 2018. Available online: https://eur-lex.europa.eu/legal-content/EN/TXT/PDF/?uri=CELEX:32018L2002 (accessed on 22 October 2024).
  34. Regulation of the Minister of Energy of 10 April 2017, Journal of Laws of 2017, 2017, Item 834. Available online: https://isap.sejm.gov.pl/isap.nsf/DocDetails.xsp?id=WDU20170000834 (accessed on 22 October 2024). (In Polish)
  35. Self, S.J.; Koohi-Fayegh, S.; Rosen, M.A.; Reddy, B.V. Effects on Environmental Impact and Economics of Component Efficiencies for a Heating System with Seasonal Thermal Storage. Res. J. Environ. Sci. 2017, 11, 5–17. [Google Scholar] [CrossRef]
  36. Patil, M.; Jadhav, A.S.; Singh, S.K.; Ingle, S. Urban ambient PM10 analysis: Characterization, sources, health risk and sustainable solutions. Environ. Chem. Ecotoxicol. 2024, 6, 192–205. [Google Scholar] [CrossRef]
  37. Proeko, R.S. Software Operat FB, ver. 8.8.4; PROEKO: Kalisz, Poland. Available online: https://www.proekors.pl (accessed on 22 October 2024).
  38. Kowalski, M.; Kowalska, K.; Kowalska, M. Health benefits related to the reduction of PM concentration in ambient air, Silesian Voivodeship, Poland. Int. J. Occup. Med. Environ. Health 2016, 29, 209–217. [Google Scholar] [CrossRef][Green Version]
  39. Hamed, H.H.; Jumaah, H.J.; Kalantar, B.; Ueda, N.; Saeidi, V.; Mansor, S.; Khalaf, Z.A. Predicting PM2.5 levels over the north of Iraq using regression analysis and geographical information system (GIS) techniques. Geomat. Nat. Hazards Risk 2021, 12, 1778–1796. [Google Scholar] [CrossRef]
  40. Tian, J.; Liu, Y.; Zheng, W.; Yin, L. Smog prediction based on the deep belief–BP neural network model (DBN-BP). Urban Clim. 2022, 41, 101078. [Google Scholar] [CrossRef]
  41. Sumit, S.; Avinash, C. Simulation of Air Quality using an ISCST3 Dispersion Model. CLEAN—Soil Air Water 2008, 36, 118–124. [Google Scholar] [CrossRef]
  42. Katika, K.; Karuchit, S. Estimation of Urban Air Pollutant Levels using AERMOD: A Case Study in Nakhon Ratchasima, Thailand. IOP Conf. Ser. Earth Environ. Sci. 2018, 164, 012024. [Google Scholar] [CrossRef]
  43. Rzeszutek, M. Parameterization and evaluation of the CALMET/CALPUFF model system in near-field and complex terrain—Terrain data, grid resolution and terrain adjustment method. Sci. Total Environ. 2019, 689, 31–46. [Google Scholar] [CrossRef]
  44. Hurley, P.J.; Physick, W.L.; Luhar, A.K. TAPM: A practical approach to prognostic meteorological and air pollution modelling. Environ. Model. Softw. 2005, 20, 737–752. [Google Scholar] [CrossRef]
Figure 1. The course of annual average concentrations of particulate matter PM2.5 in selected cities in Poland in the years 2010–2022.
Figure 1. The course of annual average concentrations of particulate matter PM2.5 in selected cities in Poland in the years 2010–2022.
Sustainability 16 10926 g001
Figure 2. The course of annual average concentrations of particulate matter PM10 in selected cities in Poland in the years 2010–2022.
Figure 2. The course of annual average concentrations of particulate matter PM10 in selected cities in Poland in the years 2010–2022.
Sustainability 16 10926 g002
Figure 3. Exposure of the urban population in Poland to air polluted with PM10 and PM2.5 in 2010–2022.
Figure 3. Exposure of the urban population in Poland to air polluted with PM10 and PM2.5 in 2010–2022.
Sustainability 16 10926 g003
Figure 4. View of the TES tank in: (a) Siekierki–Warsaw CHP plant, (b) Białystok CHP plant.
Figure 4. View of the TES tank in: (a) Siekierki–Warsaw CHP plant, (b) Białystok CHP plant.
Sustainability 16 10926 g004
Figure 5. TES hooked up in the technological system of the Siekierki CHP plant. The red/blue color indicates hot/cold TES water.
Figure 5. TES hooked up in the technological system of the Siekierki CHP plant. The red/blue color indicates hot/cold TES water.
Sustainability 16 10926 g005
Figure 6. Flow diagram of network water when charging the TES with network water with a temperature exceeding 98 °C. The red/blue color indicates hot/cold TES water and arrows flow direction.
Figure 6. Flow diagram of network water when charging the TES with network water with a temperature exceeding 98 °C. The red/blue color indicates hot/cold TES water and arrows flow direction.
Sustainability 16 10926 g006
Figure 7. Average daily efficiency of boiler K7 in 2010 and in 2013.
Figure 7. Average daily efficiency of boiler K7 in 2010 and in 2013.
Sustainability 16 10926 g007
Figure 8. The relationship between the emission of PM10 into the atmosphere in 2008 and 2009.
Figure 8. The relationship between the emission of PM10 into the atmosphere in 2008 and 2009.
Sustainability 16 10926 g008
Figure 9. PM10 emissions in 2010 and 2013.
Figure 9. PM10 emissions in 2010 and 2013.
Sustainability 16 10926 g009
Figure 10. Distribution of PM10 at ground level in 2010: (a) one-hour concentrations, (b) annual average concentrations.
Figure 10. Distribution of PM10 at ground level in 2010: (a) one-hour concentrations, (b) annual average concentrations.
Sustainability 16 10926 g010
Figure 11. Distribution of PM10 at ground level in 2013: (a) one-hour concentrations, (b) annual average concentrations.
Figure 11. Distribution of PM10 at ground level in 2013: (a) one-hour concentrations, (b) annual average concentrations.
Sustainability 16 10926 g011
Table 1. Emissions of CO2, SO2, and NOx for the state before and after the installation of TES facilities.
Table 1. Emissions of CO2, SO2, and NOx for the state before and after the installation of TES facilities.
BeforeAfterUnit
CO2950825kg CO2/MWh
SO20.60.4kg SO2/MWh
NOx0.40.3kg NOx/MWh
Table 2. Characteristic of PM fractions.
Table 2. Characteristic of PM fractions.
PM10fine PM (d < 10 μm)
PMcintermediate fine PM (2.5 μm < d < 10 μm)
PM2.5very fine PM (d < 2.5 μm)
PM1submicron PM (d < 1 μm)
PM0.1ultrafine PM (d < 0.1 μm)
Table 3. Annual emission of particulates, including anthropogenic particulates, in Poland in 1990–2020.
Table 3. Annual emission of particulates, including anthropogenic particulates, in Poland in 1990–2020.
Emission Source by NFR CategoryParticulate Emissions Amount [Gg·a−1]
Year199020102020
Anthropogenic ParticulatesTSPPM10PM2.5TSPPM10PM2.5TSPPM10PM2.5
Sector
Energy1110.0796.7510.1470.9415.1353.1313.0276.6238.4
Industrial processes142.491.341.973.927.48.380.729.68.3
Agriculture66.839.04.747.226.22.850.729.63.3
Waste (open incineration, waste incineration)3.43.33.24.14.14.04073.04.74.5
Total1322.5930.3559.9596.0472.7368.1449.1340.4254.5
Table 4. Annual emission of particulates resulting from fuel combustion and fugitive emissions from fuels in the energy sector in Poland in 1990–2020.
Table 4. Annual emission of particulates resulting from fuel combustion and fugitive emissions from fuels in the energy sector in Poland in 1990–2020.
Emission Source by NFR CategoryParticulate Emissions Amount [Gg·a−1]
Year199020102020
Anthropogenic ParticulatesTSPPM10PM2.5TSPPM10PM2.5TSPPM10PM2.5
Fuel combustion
Energy industry714.3455.4228.728.318.09.69.66.33.6
Manufacturing
and construction
26.825.423.623.622.321.026.124.823.5
Transport13.912.611.519.716.012.720.315.411.0
Other sectors307.8282.9243.4371.6346.8308.0236.2221.1198.8
Total1062.8776.4507.2443.2403.1351.2292.3267.5236.9
Fugitive emissions from fuels
Volatile emissions from solid fuels47.020.32.927.311.81.820.38.81.4
Volatile emissions from the gas and oil system0.20.10.10.40.20.10.40.30.1
Total47.220.43.027.712.11.920.79.11.5
Table 5. Air quality standards for two PM fractions, i.e., PM10 and PM2.5, in force in Poland and the EU [22].
Table 5. Air quality standards for two PM fractions, i.e., PM10 and PM2.5, in force in Poland and the EU [22].
Annual Standard
[µg·m−3]
Average Daily Norm
[µg·m−3]
Permissible Number of Exceedances [−]
PM10405035
PM2.525--
Table 6. Basic technical parameters of TES in the Siekierki CHP plant and the Białystok CHP plant.
Table 6. Basic technical parameters of TES in the Siekierki CHP plant and the Białystok CHP plant.
ParameterSiekierki CHPBiałystok CHPUnit
Total tank volume30,40012,800m3
Tank diameter3021m
Tank shell height4337m
Radius of tank dome4531.5m
Insulation thickness0.50.5m
Charge/discharge flow rate1250417kg/s
Temperature of stored water98/4098/40°C
Total weight of the tank (without insulation)53,00033,850kg
Table 7. Reference values and limit levels for the particulates in the air.
Table 7. Reference values and limit levels for the particulates in the air.
Name of the
Substance
Reference Values in (μg/m3) Averaged over the Period
One HourCalendar Year
PM1028040
PM2.5-Year 201029
Year 201326
Table 8. Summary of maximum values of concentrations in the receptor network, μg/m3 in 2010.
Table 8. Summary of maximum values of concentrations in the receptor network, μg/m3 in 2010.
Particulates30 min1 h8 h24 h
PM1014.712.68.06.3
PM2.58.87.64.83.8
Table 9. Summary of maximum values of concentrations in the receptor network, μg/m3 in 2013.
Table 9. Summary of maximum values of concentrations in the receptor network, μg/m3 in 2013.
Particulates30 min1 h8 h24 h
PM1012.310.66.75.2
PM2.57.36.34.03.1
Table 10. Total annual and maximum emissions in 2010 and 2013.
Table 10. Total annual and maximum emissions in 2010 and 2013.
Pollutant NameAnnual Emission [Mg]Reduction Level Maximum Emission [kg/h]Reduction Level
Year20102013 20102013
PM1092.26727%1510.729%
PM2.555.140.127%8.976.429%
Disclaimer/Publisher’s Note: The statements, opinions and data contained in all publications are solely those of the individual author(s) and contributor(s) and not of MDPI and/or the editor(s). MDPI and/or the editor(s) disclaim responsibility for any injury to people or property resulting from any ideas, methods, instructions or products referred to in the content.

Share and Cite

MDPI and ACS Style

Zwierzchowski, R.; Ziomacka, M.; Niemyjski, O. The Impact of Thermal Energy Storage on the Emission of Particulate Pollutants into the Atmosphere. Sustainability 2024, 16, 10926. https://doi.org/10.3390/su162410926

AMA Style

Zwierzchowski R, Ziomacka M, Niemyjski O. The Impact of Thermal Energy Storage on the Emission of Particulate Pollutants into the Atmosphere. Sustainability. 2024; 16(24):10926. https://doi.org/10.3390/su162410926

Chicago/Turabian Style

Zwierzchowski, Ryszard, Marlena Ziomacka, and Olgierd Niemyjski. 2024. "The Impact of Thermal Energy Storage on the Emission of Particulate Pollutants into the Atmosphere" Sustainability 16, no. 24: 10926. https://doi.org/10.3390/su162410926

APA Style

Zwierzchowski, R., Ziomacka, M., & Niemyjski, O. (2024). The Impact of Thermal Energy Storage on the Emission of Particulate Pollutants into the Atmosphere. Sustainability, 16(24), 10926. https://doi.org/10.3390/su162410926

Note that from the first issue of 2016, this journal uses article numbers instead of page numbers. See further details here.

Article Metrics

Back to TopTop