Next Article in Journal
Analysis of Spatiotemporal Evolution Characteristics and Influencing Factors of Vegetation Net Primary Productivity in Shendong Mining Area
Previous Article in Journal
Sustainable Thermal Comfort by Age Group in Shopping Malls: Multi-Year Winter Surveys in a Severely Cold Region
 
 
Font Type:
Arial Georgia Verdana
Font Size:
Aa Aa Aa
Line Spacing:
Column Width:
Background:
Article

Integration of Steam Recovered from Molten Salts in a Solar Integrated Combined Cycle

by
Paula Iglesias-Varela
1,
Pedro García-Regodeseves
1,
Juan de-la-Cruz-Fernández
2 and
Andrés Meana-Fernández
3,*
1
Fluid Mechanics Area, Department of Energy, University of Oviedo, C/Wifredo Ricart, s/n, 33204 Gijón, Spain
2
TSK Electrónica y Electricidad, S.A., Parque Científico Tecnológico, C/ Ada Byron 135, 33203 Gijón, Spain
3
Thermal Machines and Engines Area, Department of Energy, University of Oviedo, C/Wifredo Ricart, s/n, 33204 Gijón, Spain
*
Author to whom correspondence should be addressed.
Sustainability 2024, 16(15), 6566; https://doi.org/10.3390/su16156566
Submission received: 29 May 2024 / Revised: 29 July 2024 / Accepted: 30 July 2024 / Published: 31 July 2024
(This article belongs to the Section Energy Sustainability)

Abstract

In the current context of the energy transition, Integrated Solar Combined Cycle (ISCC) power plants are an alternative that are able to reduce carbon emissions from combined cycle (CC) power plants. In addition, the coupling to an energy storage system based on molten salts benefits hybridization, allowing the energy surplus to be to stored to cover peaks in energy demand. Because it is a recent technology, the determination of the optimal injection points for the solar-generated steam into the combined cycle is a critical issue. In this work, a thermodynamic model of a hybrid natural gas and solar thermal CC power plant has been developed using Thermoflex to analyze the integration effects in terms of efficiency and power. For all the steam injection candidate positions, the effects of ‘power boosting’ and ‘fuel saving’ operation modes have been simulated, considering operation conditions that are compatible with the useful range of molten salts. The results show that injection of steam at the high-pressure line before the steam turbine increases the cycle’s gross efficiency with respect to the reference case, estimating a reduction of carbon emissions of 6696 kg/h in the ‘fuel saving’ mode and an increase in gross power of 14.4 MW in the ‘power boosting’ mode. Hence, adapting current combined cycles for hybridization with solar power is a viable solution in the transition period towards more sustainable energy sources.

1. Introduction

Population growth, industrial and technological development, and the increase in per capita energy consumption have led to a constantly increasing global energy demand [1]. In 2022, the energy consumption increased by 1.7% in G-20 countries [2]. Energy supply becomes a challenge, as most current models depend on non-renewable energy sources to cover energy demand peaks [3]. Therefore, fuel combustion causes more than 80% of carbon emissions in G-20 countries. The transition towards the use of more sustainable energy sources is ongoing [4], with an increasing emphasis on renewable sources such as solar, wind, hydroelectric, and geothermal power. Nevertheless, traditional energy sources still play an important role in many sectors. In 2022, 32% and 21 % of energy came from coal and natural gas [2], respectively. Hence, the energy transition becomes crucial, implementing cleaner and more sustainable technologies for energy generation, reducing carbon emissions in a more accessible way, and decreasing the dependency on fossil fuels [5].
In this context, the hybridization of combined cycles and solar thermal power presents advantages for both systems [6]. When solar thermal power is incorporated into the cycle, its thermal efficiency increases, resulting in less fuel consumption or higher power generation [7]. Moreover, decreasing fuel usage results in the reduction of carbon emissions and thus the carbon footprint of the combined cycle. On the other hand, the viability of the solar thermal power plant is increased, making it more accessible [8], economic, and easy to implement [9]. As part of the necessary equipment for the solar plant is already available in combined cycles, especially the steam turbine, which represents a major construction cost, the initial investment for a solar thermal power plant is substantially reduced. In addition, as solar power plants depend directly on the amount of solar irradiation [10], it cannot be assumed that the total energy demand can be covered by solar resources. When the solar power plant is hybridized with a combined cycle, this intermittency and dependence on climate conditions is reduced, using natural gas as a support fuel. This allows for higher flexibility in the management of the electricity network, helping to guarantee a continuous and reliable electricity supply. If the solar field is coupled to a thermal energy storage system, such as molten-salt-storage tanks, the capacity factor of the solar resource as a thermal power source may be extended.
Given the potential benefits for all the technologies involved in hybridization, several investigations have been conducted using different approaches. Nezammahalleh et al. [11] proposed the conceptual design of an integrated solar combined cycle system in conjunction with techno-economic considerations, where the net efficiency is the main parameter for the technical part. Of the three scenarios considered, an integrated solar combined cycle system with a Heat Transfer Fluid was evaluated in terms of the Levelized Cost Of Electricity (LCOE). In countries that are rich in natural gas, the DSG (direct steam generation) technology in ISCCS (integrated solar combined cycle system) seems to be a better alternative due to lower LCOE and C O 2 emission compared to HTF (Heat Transfer Fluid) technology. Rovira et al. [12] conducted a comparative analysis of a solar hybrid combined cycle based on thermal considerations using different solar concentration technologies in two locations. The solar integration modes considered were direct steam generation in the high-pressure evaporator of the HRSG, which improved the annual production, and solar air preheating, which allowed fuel to be saved. Zhang et al. [13] derived a performance evaluation index from energy and exergy equilibrium equations to be applied to integrated solar combined-cycle systems. According to this index, the integration modes can be expressed with the fuel-saving factor, the efficiency promotion factor, and the proposed factor f to reveal the mechanism of integration in the integrated solar combined cycle.
Baghernejad and Yaghoubi [14] analyzed the exergy efficiency of a hybrid combined-cycle power plant with two pressure levels and a solar thermal power plant with parabolic cylinder collectors. They suggested using solar irradiation to generate high-pressure steam and injecting it before the Heat Recovery Steam Generator (HRSG) superheater, estimating a combined efficiency of 46.17%. Durán-García et al. [15] studied several configurations for coupling a solar thermal power plant to a combined cycle. With this aim, they considered a cycle with two pressure levels without reheating. At the high pressure level, the solar field was introduced in parallel to the HRSG economizer, increasing global cycle efficiency by 1.32%. For the low pressure level, the solar field was used as a superheater, increasing efficiency by 3.22%. Javadi et al. [16] compared three different scenarios for integrating the solar field in a combined cycle with two pressure levels, preheating the fuel or the air before it entered the combustion chamber or introducing it at the high-pressure line of the HRSG. When integrating it into the high-pressure line of the HRSG, they found the highest power generation with the lowest electricity generation cost.
Rashid et al. [17] developed a dynamic model to simulate a hybrid solar–natural-gas plant equipped with thermal energy storage on a daily and monthly basis under different solar conditions to perform predictions in terms of the solar fraction and thermodynamic efficiency. However, despite the potential to reduce C O 2 emissions, they concluded that it did not offer an economic advantage at the time when the research was conducted and recommended further research on the integration of molten salts as a thermal storage system. In this regard, Price et al. [18] investigated an integrated solar combined-cycle system that combined a solar field and the Rankine cycle of the combined-cycle power plant. Since solar energy is only available a limited number of hours a day, they estimated that thermal storage technology is able to double the contribution of the solar field, hence the importance of the development of energy storage technologies.
Regarding the Heat Transfer Fluid (HTF) used to transfer the thermal energy harvested from the sun to molten salts, some studies have been focused on the estimation of their properties. Sun [19] proposed a hybrid optimization technique to simultaneously determine the thermal boundary condition and physical properties of the solar salts employed as thermal storage. More recently, Wei et al. [20] developed an algorithm to determine the thermal properties of molten salts. In this sense, improved techniques are needed to simultaneously estimate thermal and optical properties (thermal conductivity, specific heat capacity, refractive index, and absorption coefficient).
Because this technology is under development, it is necessary to study the optimal injection conditions for solar-generated steam when using molten salts as the Heat Transfer Fluid. In this work, a hybrid solar thermal and combined cycle power plant has been analyzed with a thermodynamic model to determine the optimum integration conditions. The model, developed with Thermoflex 31.0 software, allowed us to analyze the effect of injecting the solar-generated steam at several cycle positions in terms of thermodynamic efficiency and power. For each studied scenario, two integration possibilities [21,22] were studied: power boosting, in which the injected steam increased power generation, and fuel saving, in which the additional steam allowed to reduce fuel consumption.

2. Methodology

With the aim of determining the effects on the efficiency and power when the solar field was integrated into the combined cycle, a thermodynamic model was developed for the analysis of different candidate integration points. The design operation conditions of the power plant were kept constant in both the power-boosting and fuel-saving operation modes. Although in actual conditions, the power plant could work by combining both operation modes, to evaluate the impact of each mode, they have been studied separately. The steam was kept at a single pressure level, so subcooled water was extracted from the original cycle to reinject superheated steam.

2.1. Energy Analysis

The main objective of thermodynamic power cycles is to convert thermal power into useful mechanical power. The thermal efficiency of the cycle measures how well the cycle performs this conversion:
η c y c l e = W ˙ n e t Q ˙ i n
where W ˙ n e t is the net output power in kW and Q ˙ i n is the thermal power absorbed by the cycle in kW. To obtain these global values, mass and energy balances are performed for each cycle component. Considering that power is consumed at the air compressor ( W ˙ C ) in the gas cycle and pumps ( W ˙ P ) in the steam cycle, it is generated by the turbines in the gas ( W ˙ G T ) and steam ( W ˙ S T ) cycles, and fuel is mixed and burnt in the combustion chamber of the gas cycle, supplying thermal power ( Q ˙ f u e l ); the thermal efficiency of the combined cycle may be expressed as
η c y c l e = W ˙ G T + W ˙ S T W ˙ C W ˙ P Q ˙ f u e l
Thermal power input from the fuel may be calculated from the mass flowrate of fuel m ˙ f u e l in kg/s and its Lower Heating Value ( L H V ) in kJ/kg:
Q ˙ f u e l = m ˙ f u e l · L H V
When the combined cycle is hybridized with a thermal solar field coupled to a molten salt storage system, an additional thermal power source must be included in the efficiency calculation:
η h y b = W ˙ G T + W ˙ S T W ˙ C W ˙ P Q ˙ f u e l + Q ˙ s a l t

2.2. Case Study

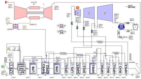
The thermal power plant considered in this study works with a combined cycle with three pressure levels (high, intermediate, and low pressure) and a reheating stage, as represented in the scheme shown in Figure 1.
The HRSG consists of a first low-temperature economizer (LTEc), after which water is driven to the feedwater pump, which distributes water to the three pressure levels. At the low-pressure level, water passes through another economizer (LPEc), reaches the steam drum (LPEv), where it is evaporated, and finally passes through a superheater (LPS) before entering the steam turbine. Intermediate-pressure steam passes through two economizers (IPEc1 and IPEc2), a steam drum (IPEv), and two superheater circuits (IPS1 and IPS2) before mixing with the high-pressure turbine steam outlet and entering the reheating stage. This reheating stage is composed of two reheater circuits (HR1 and HR2). Finally, the high-pressure steam comes from a circuit of three economizers (HPEc1, HPEc2, and HPEc3), a steam drum (HPEv), and three superheater circuits (HPS1, HPS2, and HPS2). The steam turbine is fed with the steam coming from the HRSG at the three different pressure levels. After expansion, the steam passes through a condenser and is pumped back to the HRSG through the condensate pump. The condenser rejects heat from an auxiliary cooling circuit, comprising a cooling tower.
The gas cycle is composed of an ‘Ansaldo GT26’ model gas turbine, which works with natural gas (mainly methane) as fuel. The technical specifications of the turbine are collected in Table 1. The fuel is heated up with bleeding from the intermediate-pressure economizer (IPEc2) before it enters the combustion chamber. The water used for preheating the fuel is injected back into the condenser at 60   ° C . A Once-Through Cooling (OTC) system is added to cool the portion of the compressed air, which cools the hot parts of the expansion turbine. This OTC is fed with water from the feedwater pump. The chilled air is then used to cool down the turbine blades. The heated water is then injected back into the high-pressure steam drum (HPEv).
The considerations used to develop the thermodynamic model of the combined plant are the following:
  • Steady operation conditions are considered for all the studied cases.
  • No blowdowns are performed throughout the cycle.
  • Ambient conditions are the ones collected in Table 2, considering ambient temperature, pressure, humidity, and the conditions of the water resource.
  • Pressure losses at the steam lines have been considered with the values included in Table 3.
  • Thermal power losses at the HRSG are 0.5% of the recovered thermal power.
  • The chemical composition of the fuel, natural gas, is collected in Table 4, which shows that it is 93% methane. It is supplied accordin to the conditions collected in Table 5.
  • The temperatures and pressures at each steam line are shown in Table 6.
  • The pinch and approach point values are defined for each pressure level, as collected in Table 7; for the Low-Pressure line, only the pinch point was defined.
  • The design conditions of the condenser and cooling circuits—including the forced draft cooling tower—are shown in Table 8.

2.3. Solar Power Integration

To integrate the absorbed solar thermal power into the cycle, part of the water mass flowrate from the HRSG is diverted from the economizer toward the solar field and evaporated there. Afterward, the steam is injected back into the combined cycle. Due to their high thermal conductivity and heat capacity [23,24], molten salts were chosen as the Heat Transfer Fluid (HTF). In order to implement a circuit based on molten salts, it is important to consider their operational range, between the fusion point and the decomposition temperature. The freezing of molten salts may cause permanent damage to the solar thermal field equipment. On the other hand, temperatures above the decomposition one generate the thermolysis of the salts [25], which, apart from changing salt properties, may cause corrosion in piping and equipment. In this work, the so-called solar salt’s composition consists of 60% N a N O 3 and 40% K N O 3 [26,27]. The salt properties are shown in Table 9.
For the hybrid power plant, a minimum operation temperature for molten salts of 285 °C was imposed, well above the fusion point, to avoid salt freezing. To fix the maximum operation temperature, firstly, a temperature of 590 °C, close to decomposition temperature, was considered to assess efficiency enhancement with a wider temperature range. To compare both sets of results, a constant mass flowrate of 100 kg/s of molten salts at 50 bar was considered.

2.4. Steam Reinjection Alternatives

Different reinjection points have been chosen as suitable alternatives in this work, as depicted in Figure 2:
  • Point A: before the last high-pressure superheating circuit.
  • Point B: before the second reheating circuit.
  • Point C: before the intermediate-pressure turbine inlet.
  • Point D: before the low-pressure turbine inlet.
  • Point E: before the high-pressure turbine inlet.
The selection of candidate points has been based on reinjecting the steam at the points with the highest operating temperatures to avoid losing thermal energy due to mixing with low-temperature streams, and ensuring that at least a reinjection option for each cycle pressure level has been analyzed.
In addition, it was thought that the temperature of inlet water at the solar field was as low as possible, but always ensuring that the molten salts do not reach temperatures lower than 285 °C. On the other hand, the steam temperature after the solar field was adjusted to be similar to the main HRSG flow at the injection point, so the cycle continues operating at design conditions.
Finally, each injection alternative has been analyzed in two operation modes: power boosting (identified as operation mode No. 1) and fuel saving (identified as operation mode No. 2). For power boosting, the nominal load at the gas turbine was considered, whereas for fuel saving, different partial loads were calculated as a function of the reduction in fuel usage.

2.5. Model Implementation

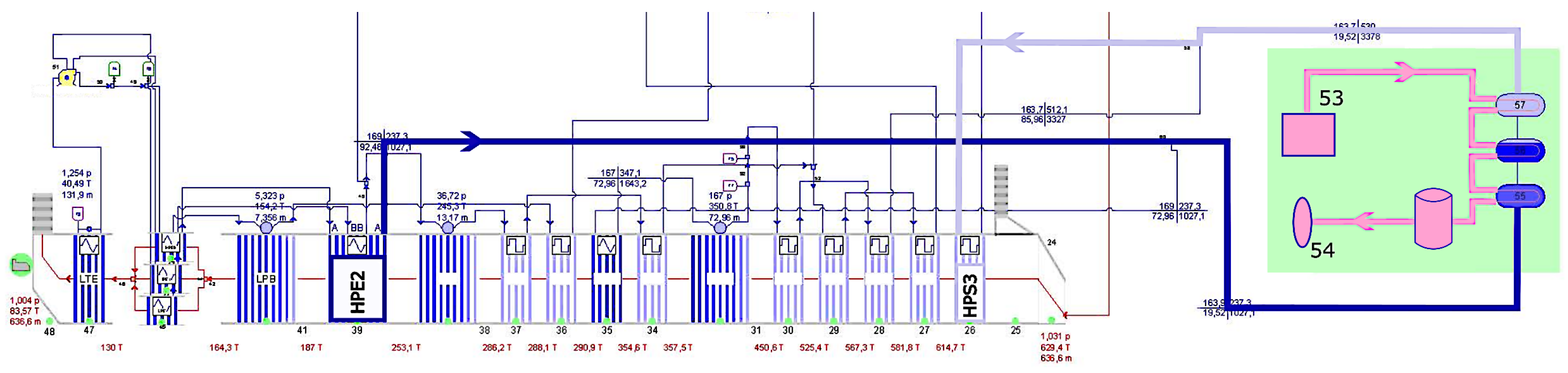
The thermodynamic equations needed for the energy analysis of the hybrid cycle were solved with the commercial software THERMOFLEX® developed by Thermoflow Incorporated. Firstly, the design parameters of the reference combined cycle and its equipment were implemented to generate a thermodynamic model to be used as a basis for evaluating the solar integration alternatives. The scheme of the reference combined cycle is depicted in Figure 3. Thermoflex is a well-known simulation software able to cover both design and off-design simulation of real systems and power plants. To validate the accuracy of the developed model, the data obtained from the simulation of the gas turbine of the reference combined cycle has been compared with the commission conditions of the real power plant, finding reasonable accuracy, as shown in Table 10.
Afterward, a solar field was coupled to study the effects of the integration of solar power in the hybrid cycle at the different steam injection points. Figure 4 shows a scheme of the relevant steam lines coupled to the solar field.

3. Results

For the comparison of the studied alternatives, a representative set of parameters defining the performance of combined cycles were used: gross and net efficiency, gross and net specific fuel consumption, thermal power absorbed, fuel mass flowrate, and C O 2 emissions.

3.1. Reference Combined Cycle

The results from the simulation of the reference case study are collected in Table 11, showing the metrics for the combined cycle without solar integration. These values were taken as a reference for assessing the performance improvement due to the solar thermal power integration.
Figure 5 shows the temperature–heat transfer diagram of the HRSG. Red arrows represent the gas turbine exhaust flow and blue arrows represent the steam flow, where the different economizer, evaporator, and superheater exchangers are appreciable.

3.2. Solar Hybridization Alternatives

Following the scheme depicted in Figure 2, the results from the analysis of the five integration positions for the steam generated by the molten salts are collected in Table 12 for power boosting and Table 13 for fuel-saving operation modes.

3.2.1. Hybridization for Power Enhancement

Considering power boosting mode, in Table 12, it may be observed how it has been possible to increase both the gross and the net power generation, resulting in higher values of gross and net efficiency and thus reducing the specific fuel consumption. Nevertheless, fuel mass flowrate usage is the same as for the original combined cycle, so this set of alternatives, although being useful for increasing power generation capacity, do not represent a direct positive environmental impact, as they do not reduce the associated carbon emissions of the cycle. Figure 6 shows the most representative results of the power boosting operation mode for all the studied alternatives.
In Figure 6a, the increases in the gross and net power of the different alternatives with respect to the base case study are presented. The results from the injection of the steam generated from the molten salts before the last high-pressure superheating circuit, corresponding with alternative A, show the highest increase in gross and net power values, with an additional power generation of 19,152 kW and 19,468 kW, respectively. This result is in line with the minimization of exergy destruction in the mixing of streams, as both have closer temperature values. Alternative B, injection before the second reheating circuit, corresponds to an increase of 15,954 kW and 15,768 kW in gross and net power. For alternative C, injection before the intermediate-pressure turbine inlet, gross power increases by 16,765 kW and net power by 16,578 kW above the reference case values. For alternative D, injection before the low-pressure turbine inlet, gross and net power values rise by only 5206 kW and 5048 kW. Finally, for alternative E, injection before the high-pressure turbine inlet, gross and net power rise by 17,034 kW and 16,773 kW.

3.2.2. Hybridization for Fuel Saving

Considering the enhancement of the cycle efficiency, Figure 6b shows the increase in net efficiency for all the studied alternatives. With respect to the original value of 57.94 % without solar hybridization, alternative A shows the highest increase in the net efficiency, 2.92%, followed by alternative C, with 2.55%; alternative E, with 2.53%; alternative B, with 2.44 %; and alternative D, with 1.04%. Finally, if the net specific fuel consumption values are compared, as in Figure 6c, it may be observed how consumption is reduced from the original value of 6214 kJ/kWh to 6103 for alternative D ( 1.79 %) and 5962 for alternative B ( 4.06 %). Alternatives E and C reach similar values, 5953 ( 4.20 %) and 5952 ( 4.22 %), whereas the maximum reduction in net specific fuel consumption is obtained with alternative A, 5915 ( 4.81 %).
On the other hand, regarding the fuel-saving operation mode, results have been collected in Table 13, with the most representative ones presented in a graphical way in Figure 7.
As can be observed, gross and net power remain almost constant. It must be considered that the algorithm employed by THERMOFLOW® optimizes the thermal efficiency of implemented cycles. Therefore, although a constant value of power was expected in fuel-saving operation, small differences below 0.01% in net power were found due to the optimization algorithm. Apart from that, the most interesting effect is the reduction in the necessary fuel consumption rate for generating that power thanks to the thermal power provided by the molten salts. As a consequence, the cycle efficiency increases while generating the same net power. Finally, in opposition to the power boosting mode, the fuel saving mode results in lower carbon emissions with respect to the original cycle, with the corresponding positive environmental effect.
Figure 7a shows the increase in net efficiency, where it may be observed that alternative A is again the best performing one, with an increase of 3.01%, followed by alternative E, with 2.66%. Then, option C increases the efficiency by 2.51% and option B by 2.35%. Finally, injection at the low-pressure line, as in alternative D, only increases the efficiency by 1.32%. Note that differences in the efficiency values between the power-boosting and fuel-saving operation modes for the same integration points can be related to the partial-load operation of the steam turbine when operating the cycle in the fuel-saving mode. Considering the results of net specific fuel consumption, as shown in Figure 7b, higher reductions with respect to the power boosting mode are obtained. The best alternative, A, reaches a reduction of 308 kJ/kWh ( 4.96 %), followed by alternative E, with a reduction of 274 kJ/kWh ( 4.41 %). Then, option C allows us to reduce the net specific fuel consumption by 258 kJ/kWh ( 4.15 %), followed by option B, with a reduction of 243 kJ/kWh. Finally, alternative D is only able to reduce it by 139 kJ/kWh ( 2.24 %).
Nevertheless, the most interesting result for the fuel saving operation mode is the reduction in net fuel consumption, passing from the original value of 15.68 kg/s to 15.43 for alternative D, 15.16 for alternative B, 15.12 for alternative C, 15.09 for alternative E, and 15.00 for alternative A, while maintaining the same net power generation capability. This reduction in fuel consumption is translated directly into a reduction in carbon dioxide emissions from the reference value of 43.11 kg C O 2 /s. The highest reduction is observed for alternative A, avoiding the emission of 1.86 kg C O 2 /s, followed closely by alternative E, with a reduction in emissions of 1.61 kg C O 2 /s. Options C and B avoid the emission of 1.52 and 1.41 kg C O 2 /s, respectively, whereas alternative D only avoids emissions of 0.67 kg C O 2 /s.
Comparing results globally, it may be affirmed that the best alternative for injecting the steam generated by the molten salts is alternative A. Figure 8 shows the T-Q diagrams for this alternative in power boosting and fuel-saving operation modes. It may be observed that steam heating curves have shifted upwards, closer to the exhaust gas lines with respect to the original cycle without hybridization. These changes may be related to a better performance in heat transfer.
In addition, alternative A maximizes power generation with the least fuel consumption. Hence, when operating in power-boosting mode, a net power of 461,622 kW is obtained, 2.06% higher than for the original cycle without solar hybridization. On the other hand, in the fuel-saving mode, alternative A is able to reduce thermal power absorption at the combustion chamber to 725,807 kW, using 54,003 kg/h of fuel and emitting 145,331 kg C O 2 /h. With respect to the reference case, this represents a reduction in thermal power absorption at the gas turbine combustion chamber by 32,760 kW, a fuel saving of 2448 kg/h of natural gas, and it avoids the emission of 6696 kg C O 2 /h. Thus, for the integration of steam generation with solar power using molten salts, we recommend extracting water from the first high-pressure economizer, evaporating and superheating it in the solar field, and injecting it back before the last high-pressure superheating circuit. The second best alternative would be option E, injecting the steam before the high-pressure turbine inlet. Alternative B, injection before the second reheating circuit, and alternative C, injection before the intermediate-pressure turbine inlet, yielded similar results. Both correspond to steam injection at the intermediate-pressure line. Both are good options: although improvements are not as good as for alternatives A and E, the cycle efficiency is substantially improved. Finally, alternative D, steam injection before the low-pressure turbine inlet, is the least beneficial alternative in terms of cycle improvement.
Finally, it is worth highlighting that the developed model may be useful in similar contexts, where the hybridization of an existing combined cycle with solar thermal power is under the scope, allowing one to test different configurations and find the optimal one.

4. Conclusions

In this work, the components of an Integrated Solar Combined Cycle power plant working with natural gas as a fuel and coupled to a molten salt tank for the storage of solar thermal energy were assembled and simulated in Thermoflex. The developed thermodynamic model was used to identify the optimal injection point of the steam generated in the solar field into the original combined cycle by assessing the changes in the power generation, the cycle efficiency, the fuel consumption, and the associated carbon emissions. This model can be useful in similar contexts to find the optimal configuration for the hybridization of combined cycles and solar thermal power.
Five points of interest were considered, finding that the best alternative was steam injection before the last high-pressure superheating circuit. Steam injection before the high-pressure turbine inlet had the second-best positive impact, whereas injection before the second reheating circuit or before the intermediate-pressure turbine inlet yielded similar results with a lower enhancement of the cycle. Finally, injecting the steam before the low-pressure turbine inlet showed the least cycle improvement.
In addition, the assessment was conducted considering two operating modes, power boosting and fuel saving. In this sense, the results of this work contribute to increasing the sustainability of power generation in combined cycles with the support of a renewable energy source, such as solar thermal power. In the power boosting mode, the cycle is able to generate higher power values with the same consumption of natural gas; whereas in the fuel-saving mode, the cycle is able to keep delivering the requested power to the network while substantially reducing the use of fuel and therefore the associated carbon emissions. The loss of power at the gas turbine cycle due to the reduction in fuel consumption is compensated by the extra power at the steam turbine thanks to the introduction of solar thermal power.

Author Contributions

Conceptualization, P.G.-R. and A.M.-F.; methodology, P.G.-R. and A.M.-F.; software, J.d.-l.-C.-F.; validation, P.I.-V. and J.d.-l.-C.-F.; formal analysis, P.I.-V., P.G.-R., J.d.-l.-C.-F. and A.M.-F.; investigation, P.I.-V.; resources, J.d.-l.-C.-F. and P.G.-R.; data curation, P.I.-V.; writing—original draft preparation, A.M.-F., P.G.-R. and P.I.-V.; writing—review and editing, A.M.-F., P.G.-R. and P.I.-V.; visualization, P.G.-R. and P.I.-V.; supervision, P.G.-R., A.M.-F. and J.d.-l.-C.-F.; project administration, P.G.-R.; funding acquisition, P.G.-R. and A.M.-F. All authors have read and agreed to the published version of the manuscript.

Funding

This work was partially supported by the Council of Gijón through the University Institute of Industrial Technology of Asturias (Ref. SV-23-GIJÓN-1-08). The authors would also like to thank the company TSK Electrónica y Electricidad, S.A. for its support.

Institutional Review Board Statement

Not applicable.

Informed Consent Statement

Not applicable.

Data Availability Statement

Dataset available on request from the authors.

Conflicts of Interest

The authors declare no conflicts of interest.

Abbreviations

The following abbreviations are used in this manuscript:
ISCCIntegrated Solar Combined Cycle
CCCombined Cycle
FSFuel Saving
PBPower Boosting
HRSGHeat Recovery Steam Generator
LHVLower Heating Value
OTCOnce-Through Cooling
LTEcLow-Temperature Economizer
LPEcLow-Pressure Economizer
LPEvLow-Pressure Evaporator
LPSLow-Pressure Superheater
IPEcIntermediate-Pressure Economizer
IPEvIntermediate-Pressure Evaporator
IPSIntermediate-Pressure Superheater
HRHot Reheat
HPEcHigh-Pressure Economizer
HPEvHigh-Pressure Evaporator
HPSHigh-Pressure Superheater

References

  1. Komarova, A.; Filimonova, I.; Kartashevich, A. Energy consumption of the countries in the context of economic development and energy transition. Energy Rep. 2022, 8, 683–690. [Google Scholar] [CrossRef]
  2. Global Energy Trends Report, Energy Trends and Climate, Edition 2023; Technical Report; Enerdata: Grenoble, France, 2023.
  3. Lo Piano, S.; Smith, S. Energy demand and its temporal flexibility: Approaches, criticalities and ways forward. Renew. Sustain. Energy Rev. 2022, 160, 112249. [Google Scholar] [CrossRef]
  4. Gielen, D.; Boshell, F.; Saygin, D.; Bazilian, M.D.; Wagner, N.; Gorini, R. The role of renewable energy in the global energy transformation. Energy Strategy Rev. 2019, 24, 38–50. [Google Scholar] [CrossRef]
  5. Shah, W.U.H.; Hao, G.; Yan, H.; Zhu, N.; Yasmeen, R.; Dincă, G. Role of renewable, non-renewable energy consumption and carbon emission in energy efficiency and productivity change: Evidence from G20 economies. Geosci. Front. 2023, 15, 101631. [Google Scholar] [CrossRef]
  6. Popov, D. Innovative solar augmentation of gas turbine combined cycle plants. Appl. Therm. Eng. 2014, 64, 40–50. [Google Scholar] [CrossRef]
  7. Suojanen, S.; Hakkarainen, E.; Tähtinen, M.; Sihvonen, T. Modeling and analysis of process configurations for hybrid concentrated solar power and conventional steam power plants. Energy Convers. Manag. 2017, 134, 327–339. [Google Scholar] [CrossRef]
  8. Miron, D.; Navon, A.; Levron, Y.; Belikov, J.; Rotschild, C. The cost-competitiveness of concentrated solar power with thermal energy storage in power systems with high solar penetration levels. J. Energy Storage 2023, 72, 108464. [Google Scholar] [CrossRef]
  9. Alqahtani, B.J.; Patiño-Echeverri, D. Integrated Solar Combined Cycle Power Plants: Paving the way for thermal solar. Appl. Energy 2016, 169, 927–936. [Google Scholar] [CrossRef]
  10. Fekete, B.M.; Bacskó, M.; Zhang, J.; Chen, M. Storage requirements to mitigate intermittent renewable energy sources: Analysis for the US Northeast. Front. Environ. Sci. 2023, 11, 1076830. [Google Scholar] [CrossRef]
  11. Nezammahalleh, H.; Farhadi, F.; Tanhaemami, M. Conceptual design and techno-economic assessment of integrated solar combined cycle system with DSG technology. Sol. Energy 2010, 84, 1696–1705. [Google Scholar] [CrossRef]
  12. Rovira, A.; Sánchez, C.; Valdés, M.; Abbas, R.; Barbero, R.; Montes, M.J.; Muñoz, M.; Muñoz-Antón, J.; Ortega, G.; Varela, F. Comparison of different technologies for integrated solar combined cycles: Analysis of concentrating technology and solar integration. Energies 2018, 11, 1064. [Google Scholar] [CrossRef]
  13. Zhang, Z.; Duan, L.; Wang, Z.; Ren, Y. General performance evaluation method of integrated solar combined cycle (ISCC) system. Energy 2022, 240, 122472. [Google Scholar] [CrossRef]
  14. Baghernejad, A.; Yaghoubi, M. Exergy analysis of an integrated solar combined cycle system. Renew. Energy 2010, 35, 2157–2164. [Google Scholar] [CrossRef]
  15. Dolores, D.G.M.; Rafael, A.S.; Galileo, M.C.I. Estudio del acoplamiento de diferentes configuraciones de ciclo combinado con planta solar de canal parabólico. Ing. Investig. Tecnol. 2015, 16, 253–264. [Google Scholar] [CrossRef][Green Version]
  16. Javadi, M.; Jafari Najafi, N.; Khalili Abhari, M.; Jabery, R.; Pourtaba, H. 4E analysis of three different configurations of a combined cycle power plant integrated with a solar power tower system. Sustain. Energy Technol. Assess. 2021, 48, 101599. [Google Scholar] [CrossRef]
  17. Rashid, K.; Mohammadi, K.; Powell, K. Dynamic simulation and techno-economic analysis of a concentrated solar power (CSP) plant hybridized with both thermal energy storage and natural gas. J. Clean. Prod. 2020, 248, 119193. [Google Scholar] [CrossRef]
  18. Price, H.; Lüpfert, E.; Kearney, D.; Zarza, E.; Cohen, G.; Gee, R.; Mahoney, R. Advances in parabolic trough solar power technology. J. Sol. Energy Eng. Trans. ASME 2002, 124, 109–125. [Google Scholar] [CrossRef]
  19. Sun, S. Simultaneous reconstruction of thermal boundary condition and physical properties of participating medium. Int. J. Therm. Sci. 2021, 163, 106853. [Google Scholar] [CrossRef]
  20. Wei, L.; Li, G.; Sun, S. Simultaneous estimation of thermal and optical properties of molten salt based on improved colliding bodies optimization. Renew. Energy 2023, 217, 119157. [Google Scholar] [CrossRef]
  21. Qin, J.; Hu, E.; Li, X. Solar aided power generation: A review. Energy Built Environ. 2020, 1, 11–26. [Google Scholar] [CrossRef]
  22. Yang, Y.; Yan, Q.; Zhai, R.; Kouzani, A.; Hu, E. An efficient way to use medium-or-low temperature solar heat for power generation – integration into conventional power plant. Appl. Therm. Eng. 2011, 31, 157–162. [Google Scholar] [CrossRef]
  23. Raade, J.W.; Padowitz, D. Development of Molten Salt Heat Transfer Fluid With Low Melting Point and High Thermal Stability. J. Sol. Energy Eng. 2011, 133, 031013. [Google Scholar] [CrossRef]
  24. Williams, D.F. Assessment of Candidate Molten Salt Coolants for the Advanced High Temperature Reactor (AHTR); U.S. Department of Energy Office of Scientific and Technical Information: Oak Ridge, TN, USA, 2006.
  25. Zhong, J.; Ding, J.; Lu, J.; Wei, X.; Wang, W. Thermal Stability Calculation and Experimental Investigation of Common Binary Chloride Molten Salts Applied in Concentrating Solar Power Plants. Energies 2022, 15, 2516. [Google Scholar] [CrossRef]
  26. Prieto, C.; Blindu, A.; Cabeza, L.F.; Valverde, J.; García, G. Molten Salts Tanks Thermal Energy Storage: Aspects to Consider during Design. Energies 2024, 17, 22. [Google Scholar] [CrossRef]
  27. Nache, C.; Rodríguez-García, M.; Pérez, M.; Torres, J.L. Techno-economical assessment of molten salts thermal energy storage options in a central receiver solar plant in Southern Spain. In Proceedings of the ISES Solar World Congress 2019 and IEA SHC International Conference on Solar Heating and Cooling for Buildings and Industry 2019, Santiago, Chile, 3–7 November 2019; pp. 1168–1174. [Google Scholar] [CrossRef]
Figure 1. Scheme of the reference case study power plant.
Figure 1. Scheme of the reference case study power plant.
Sustainability 16 06566 g001
Figure 2. Steam injection integration alternatives.
Figure 2. Steam injection integration alternatives.
Sustainability 16 06566 g002
Figure 3. Thermoflow model of the reference combined cycle.
Figure 3. Thermoflow model of the reference combined cycle.
Sustainability 16 06566 g003
Figure 4. Steam lines coupling to the solar field.
Figure 4. Steam lines coupling to the solar field.
Sustainability 16 06566 g004
Figure 5. T-Q diagram of the reference combined cycle.
Figure 5. T-Q diagram of the reference combined cycle.
Sustainability 16 06566 g005
Figure 6. Power boosting integration mode.
Figure 6. Power boosting integration mode.
Sustainability 16 06566 g006
Figure 7. Fuel saving integration mode.
Figure 7. Fuel saving integration mode.
Sustainability 16 06566 g007
Figure 8. Temperature–heat transfer diagrams of alternative A, (a) A1—power boosting; (b) A2—fuel saving.
Figure 8. Temperature–heat transfer diagrams of alternative A, (a) A1—power boosting; (b) A2—fuel saving.
Sustainability 16 06566 g008
Table 1. Ansaldo GT26 gas turbine specifications.
Table 1. Ansaldo GT26 gas turbine specifications.
Rotational regime:3000 rpm
Pressure ratio:34.7
Air mass flowrate:631 kg/s
Net electrical power:298,944 kWe
Specific fuel consumption:9281 kJ/kWh
Thermal efficiency:38.8%
Table 2. Ambient conditions.
Table 2. Ambient conditions.
Temperature:12.3 °C
Elevation (above sea level):94.37 m
Pressure:1.002 bar
Relative humidity:87%
Wet bulb temperature:11.11 °C
Network frequency:50 Hz
Water source temperature:15 °C
Water source pressure:3.447 bar
Table 3. Pressure drop at steam lines.
Table 3. Pressure drop at steam lines.
High-Pressure:3%
Cold reheated:3%
Warm reheated:2.5%
Intermediate Pressure:5%
Low Pressure:10%
Table 4. Fuel chemical volume fraction.
Table 4. Fuel chemical volume fraction.
Nitrogen ( N 2 ):1.5%
Methane ( C H 4 ):93%
Ethane ( C 2 H 6 ):3%
Propane ( C 3 H 8 ):1%
n-Butane ( C 4 H 10 ):0.5%
n-Pentane ( C 6 H 12 ):0.25%
Hexane ( C 6 H 14 ):0.25%
Isobutane ( C 4 H 10 ):0.5%
Table 5. Fuel properties.
Table 5. Fuel properties.
Supply temperature:25 °C
Molar mass:17.66 kg/kmol
Enthalpy at 0 °C:53741 kJ/kg
Lower heating value at 25 °C:48,384 kJ/kg
Higher heating value at 25 °C:53,548 kJ/kg
Table 6. Steam line conditions.
Table 6. Steam line conditions.
Pressure (bar)Temperature (°C)
High-pressure turbine inlet136.5565
Intermediate-pressure turbine inlet28.91565
Intermediate-pressure superheater outlet321.1
Low-pressure line5.1 (steam drum)285 (superheater)
Table 7. HRSG design conditions.
Table 7. HRSG design conditions.
Low PressurePinch point8 °C
Intermediate PressurePinch point8 °C
Approach point2 °C
High PressurePinch point8 °C
Approach point2 °C
Table 8. Condenser and cooling circuit design conditions.
Table 8. Condenser and cooling circuit design conditions.
Condenser pressure:0.066 bar
Condenser saturation temperature:37.93 °C
Cooling tower pressure drop:1.39 mbar
Cooling water temperature rise:12 °C
Condenser water return and wet-bulb temperature difference:11 °C
Condenser subcooling:0 °C
Cooling tower inlet air:Ambient conditions
Cooling water:Demineralized
Table 9. Solar salt properties. [27].
Table 9. Solar salt properties. [27].
Thermal conductivity:0.52 W/(m·K)
Heat capacity:1.5 kJ/(kg·K)
Fusion point:220 °C
Decomposition temperature:600 °C
Table 10. Comparison between simulation results and specifications of Ansaldo GT26 gas turbine.
Table 10. Comparison between simulation results and specifications of Ansaldo GT26 gas turbine.
Variable ThermoflexComission SpecificationsDifference
Air mass flowrate:636.6 kg/s631 kg/s0.89%
Net electrical power:296,991 kWe298,944 kWe0.65%
Specific fuel consumption:9195 kJ/kWh9281 kJ/kWh0.93%
Thermal efficiency:39.15%38.8%0.93%
Table 11. Results from the simulation of the reference combined cycle (without solar field).
Table 11. Results from the simulation of the reference combined cycle (without solar field).
Gross power:452,286 kW
Gross efficiency:59.28%
Gross specific fuel consumption:6072 kJ/kWh
Net power:442,003 kW
Net efficiency:57.94 %
Net specific fuel consumption:6214 kJ/kWh
Thermal power absorbed:762,913 kW
Fuel mass flowrate:15.68 kg/s
C O 2 emissions:43.11 kg/s
Table 12. Power boosting integration mode.
Table 12. Power boosting integration mode.
A1B1C1D1E1
Gross power (kW)472,224468,710469,521457,962469,320
Gross efficiency (%)62.2661.7661.8760.3661.86
Gross specific fuel consumption (kJ/kWh)57825829581959645819
Net power (kW)461,622458,238459,048447,518458,776
Net efficiency (%)60.8660.3860.4958.9860.47
Net specific fuel consumption (kJ/kWh)59155962595261035953
Thermal power absorbed (kW)758,473758,948758,920758,718758626
Fuel mass flowrate (kg/s)15.6815.6915.6915.6815.68
C O 2 emissions (kg/s)43.1143.1143.1143.1143.11
Table 13. Mode of fuel saving.
Table 13. Mode of fuel saving.
A2B2C2D2E2
Gross power (kW)452,774452,659452,677452,859452,880
Gross efficiency (%)62.3861.761.8660.6562.03
Gross specific fuel consumption (kJ/kWh)57715835582059354804
Net power (kW)442,379442,324442,348442,458442,488
Net efficiency (%)60.9560.2960.4559.2660.6
Net specific fuel consumption (kJ/kWh)59065971595660755940
Thermal power absorbed (kW)725,807733,651731,805746,632730,130
Fuel mass flowrate (kg/s)15.0015.1615.1215.4315.09
C O 2 emissions (kg/s)41.2541.7041.5942.4441.50
Disclaimer/Publisher’s Note: The statements, opinions and data contained in all publications are solely those of the individual author(s) and contributor(s) and not of MDPI and/or the editor(s). MDPI and/or the editor(s) disclaim responsibility for any injury to people or property resulting from any ideas, methods, instructions or products referred to in the content.

Share and Cite

MDPI and ACS Style

Iglesias-Varela, P.; García-Regodeseves, P.; de-la-Cruz-Fernández, J.; Meana-Fernández, A. Integration of Steam Recovered from Molten Salts in a Solar Integrated Combined Cycle. Sustainability 2024, 16, 6566. https://doi.org/10.3390/su16156566

AMA Style

Iglesias-Varela P, García-Regodeseves P, de-la-Cruz-Fernández J, Meana-Fernández A. Integration of Steam Recovered from Molten Salts in a Solar Integrated Combined Cycle. Sustainability. 2024; 16(15):6566. https://doi.org/10.3390/su16156566

Chicago/Turabian Style

Iglesias-Varela, Paula, Pedro García-Regodeseves, Juan de-la-Cruz-Fernández, and Andrés Meana-Fernández. 2024. "Integration of Steam Recovered from Molten Salts in a Solar Integrated Combined Cycle" Sustainability 16, no. 15: 6566. https://doi.org/10.3390/su16156566

APA Style

Iglesias-Varela, P., García-Regodeseves, P., de-la-Cruz-Fernández, J., & Meana-Fernández, A. (2024). Integration of Steam Recovered from Molten Salts in a Solar Integrated Combined Cycle. Sustainability, 16(15), 6566. https://doi.org/10.3390/su16156566

Note that from the first issue of 2016, this journal uses article numbers instead of page numbers. See further details here.

Article Metrics

Back to TopTop