Enhancing Student Active Engagement in Class through Game-Based Learning: A Case of Civil Engineering Education
Abstract
1. Introduction
1.1. Active Learning Techniques
1.2. Game-Based Learning
2. Method
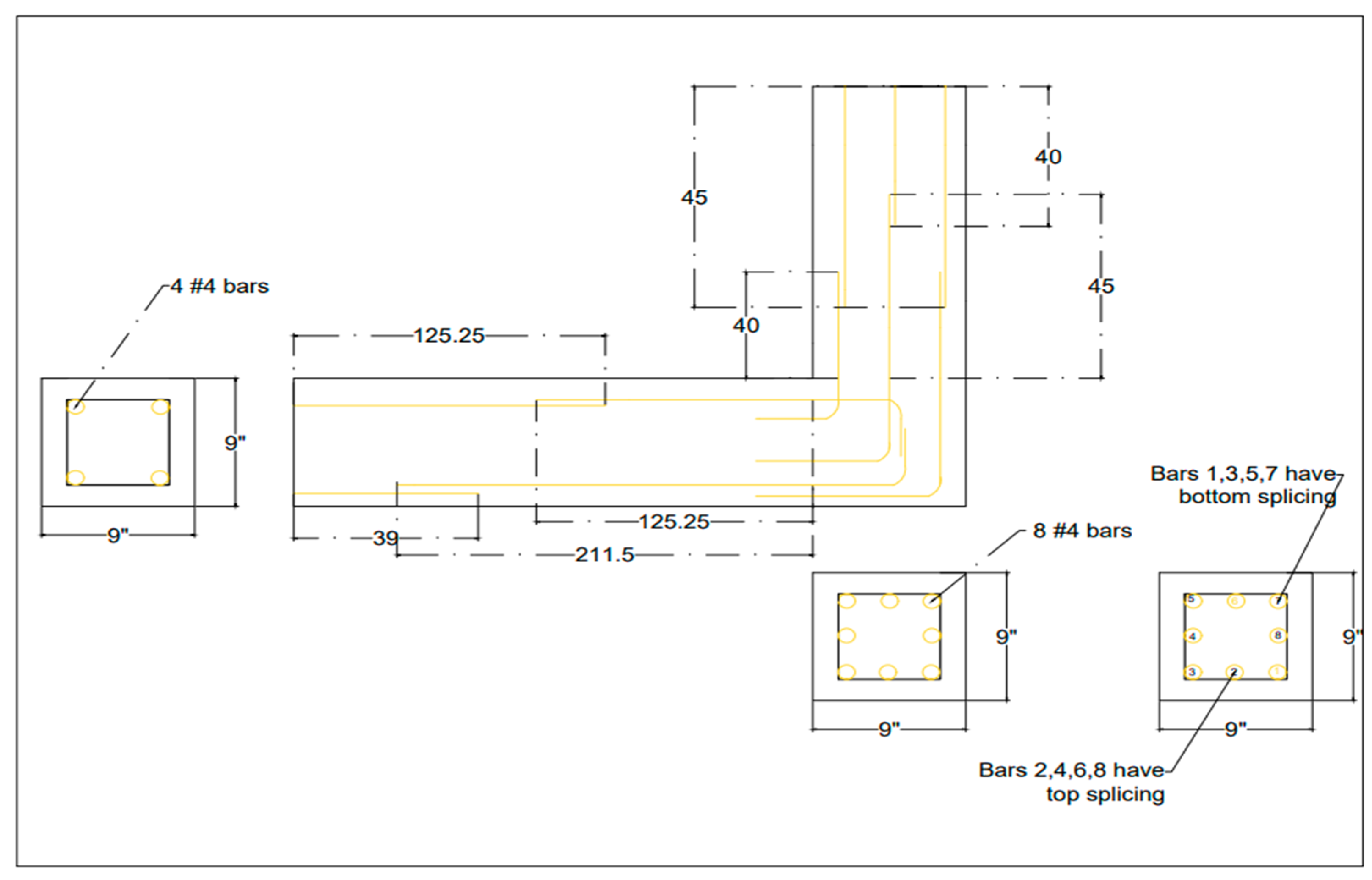
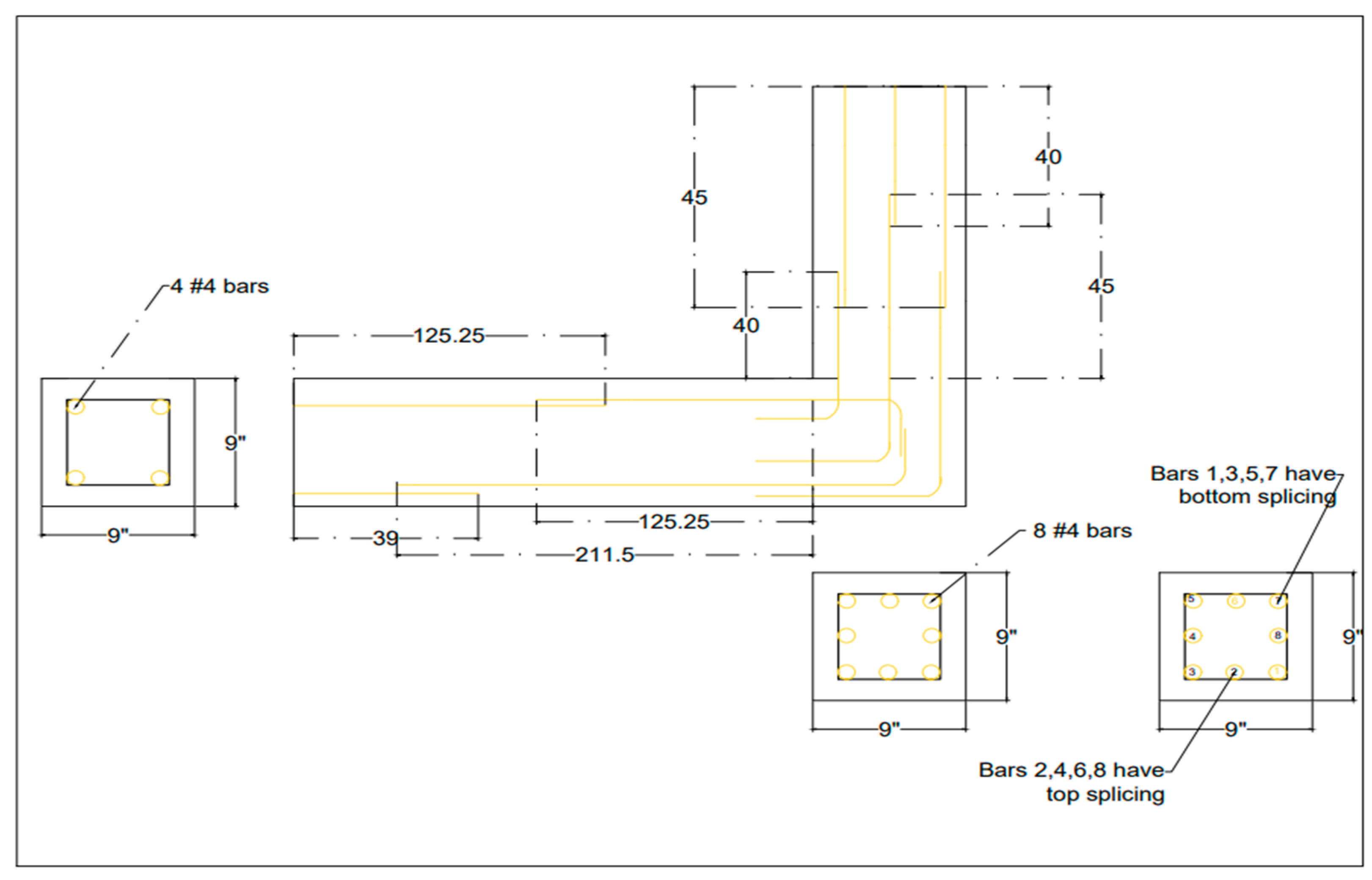
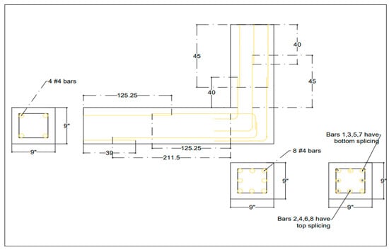
2.1. Case Study
2.2. Data Collection
2.2.1. Participants
2.2.2. Instrument
2.3. Procedures
2.3.1. Traditional Teaching Method
2.3.2. Game-Based Learning Method
2.3.3. Data Analysis
3. Results
3.1. Independent t-Test
3.2. Comparison of Measures
4. Discussion
5. Conclusions
Author Contributions
Funding
Institutional Review Board Statement
Informed Consent Statement
Data Availability Statement
Acknowledgments
Conflicts of Interest
References
- Bacovic, M.; Andrijasevic, Z.; Pejovic, B. STEM education and growth in Europe. J. Knowl. Econ. 2022, 13, 2348–2371. [Google Scholar] [CrossRef]
- Laine, E.; Veermans, M.; Gegenfurtner, A.; Veermans, K. Individual Interest and Learning in Secondary School STEM Education. Frontline Learn. Res. 2020, 8, 90–108. [Google Scholar] [CrossRef]
- Fang, N. Using computer simulation and animation to improve student learning of engineering dynamics. Procedia-Soc. Behav. Sci. 2012, 56, 504–512. [Google Scholar] [CrossRef]
- Le, H.; Robbins, S.B.; Westrick, P. Predicting student enrollment and persistence in college STEM fields using an expanded P-E fit framework: A large-scale multilevel study. J. Appl. Psychol. 2014, 99, 915–947. [Google Scholar] [CrossRef] [PubMed]
- Coman, C.; Țîru, L.G.; Meseșan-Schmitz, L.; Stanciu, C.; Bularca, M.C. Online teaching and learning in higher education during the coronavirus pandemic: Students’ perspective. Sustainability 2020, 12, 10367. [Google Scholar] [CrossRef]
- Barkley, E.F.; Major, C.H. Student Engagement Techniques: A Handbook for College Faculty; John Wiley & Sons: Hoboken, NJ, USA, 2020. [Google Scholar]
- Harandi, S.R. Effects of e-learning on Students’ Motivation. Procedia-Soc. Behav. Sci. 2015, 181, 423–430. [Google Scholar] [CrossRef]
- Felder, R.M.; Felder, G.N.; Dietz, E.J. A longitudinal study of engineering student performance and retention. V. Comparisons with traditionally-taught students. J. Eng. Educ. 1998, 87, 469–480. [Google Scholar] [CrossRef]
- Theobald, E.J.; Hill, M.J.; Tran, E.; Agrawal, S.; Arroyo, E.N.; Behling, S.; Chambwe, N.; Cintrón, D.L.; Cooper, J.D.; Dunster, G. Active learning narrows achievement gaps for underrepresented students in undergraduate science, technology, engineering, and math. Proc. Natl. Acad. Sci. 2020, 117, 6476–6483. [Google Scholar] [CrossRef] [PubMed]
- Roehl, A.; Reddy, S.L.; Shannon, G.J. The flipped classroom: An opportunity to engage millennial students through active learning strategies. J. Fam. Consum. Sci. 2013, 105, 44–49. [Google Scholar] [CrossRef]
- Stanberry, M.L. Active learning: A case study of student engagement in college calculus. Int. J. Math. Educ. Sci. Technol. 2018, 49, 959–969. [Google Scholar] [CrossRef]
- Uzun, N. A Sample of Active Learning Application in Science Education: The Thema “Cell” with Educational Games. Procedia-Soc. Behav. Sci. 2012, 46, 2932–2936. [Google Scholar] [CrossRef][Green Version]
- Callaghan, M.; McShane, N.; Eguíluz, A.G. Using game analytics to measure student engagement/retention for engineering education. In Proceedings of the 2014 11th International Conference on Remote Engineering and Virtual Instrumentation (REV), Porto, Portugal, 26–28 February 2014; pp. 297–302. [Google Scholar] [CrossRef]
- Grimley, M.; Green, R.; Nilsen, T.; Thompson, D.; Tomes, R. Using computer games for instruction: The student experience. Act. Learn. High. Educ. 2011, 12, 45–56. [Google Scholar] [CrossRef]
- Arztmann, M.; Hornstra, L.; Jeuring, J.; Kester, L. Effects of games in STEM education: A meta-analysis on the moderating role of student background characteristics. Stud. Sci. Educ. 2023, 59, 109–145. [Google Scholar] [CrossRef]
- Aziz, E.; Esche, S.; Chassapis, C. Review of the State of the Art in Virtual Learning Environments Based on Multiplayer Computer Games. In American Society for Engineering Education. American Society for Engineering Education; American Society for Engineering Education: Washington, DC, USA, 2009; pp. 14.1032.1–14.1032.16. [Google Scholar] [CrossRef]
- Chang, Y.C.; Peng, H.Y.; Chao, H.C. Examining the effects of learning motivation and of course design in an instructional simulation game. Interact. Learn. Environ. 2010, 18, 319–339. [Google Scholar] [CrossRef]
- Osorio Sandoval, C.; Koch, C.; Tizani, W. Computer Technology for Serious Games in Education: A Literature Review. In Proceedings of the 24th EG-ICE International Workshop on Intelligent Computing in Engineering, Nottingham, UK, 10–12 July 2017. [Google Scholar]
- Wolff, M.; Wagner, M.J.; Poznanski, S.; Schiller, J.; Santen, S. Not another boring lecture: Engaging learners with active learning techniques. J. Emerg. Med. 2015, 48, 85–93. [Google Scholar] [CrossRef] [PubMed]
- Hernández-de-Menéndez, M.; Vallejo Guevara, A.; Tudón Martínez, J.C.; Hernández Alcántara, D.; Morales-Menendez, R. Active learning in engineering education. A review of fundamentals, best practices and experiences. Int. J. Interact. Des. Manuf. (IJIDeM) 2019, 13, 909–922. [Google Scholar] [CrossRef]
- Soderdahl, P.A. Library classroom renovated as an active learning classroom. Libr. Hi Tech. 2011, 29, 83–90. [Google Scholar] [CrossRef]
- Van Horne, S.; Murniati, C.; Gaffney, J.D.; Jesse, M. Promoting active learning in technology-infused TILE classrooms at the University of Iowa. J. Learn. Spaces 2012, 1, n2. [Google Scholar]
- Yildirim, F.S.; Kiray, S.A. Flipped classroom model in education. Res. Highlights Educ. Sci. 2016, 2, 1–8. [Google Scholar]
- Akçayır, G.; Akçayır, M. The flipped classroom: A review of its advantages and challenges. Comput. Educ. 2018, 126, 334–345. [Google Scholar] [CrossRef]
- McCabe, B.A. Flipped learning in a civil engineering module: Student and instructor experiences. Ir. J. Technol. Enhanc. Learn. 2019, 4, 1–15. [Google Scholar] [CrossRef]
- McCarthy, J.P.; Anderson, L. Active learning techniques versus traditional teaching styles: Two experiments from history and political science. Innov. High. Educ. 2000, 24, 279–294. [Google Scholar] [CrossRef]
- Anwer, F. Activity-Based Teaching, Student Motivation and Academic Achievement. J. Educ. Educ. Dev. 2019, 6, 154–170. [Google Scholar] [CrossRef]
- Hassan, N.F.B.; Puteh, S.B.; Sanusi, A.B.M. Elements of technology enabled/enhanced active learning (TEAL) to enhance quality and employability of bachelor’s students. MATEC Web Conf. 2018, 150, 05005. [Google Scholar] [CrossRef]
- Hassan, N.F.; Puteh, S.; Buhari, R. Student Understanding Through the Application of Technology Enabled Active Learning in Practical Training. Procedia-Soc. Behav. Sci. 2015, 204, 318–325. [Google Scholar] [CrossRef]
- Pirker, J. The Virtual TEAL World-An Interactive and Collaborative Virtual World Environment for Physics Education. Master’s Thesis, Graz University of Technology, Graz, Austria, 2013. [Google Scholar]
- Fioravanti, M.L.; Sena, B.; Paschoal, L.N.; Silva, L.R.; Allian, A.P.; Nakagawa, E.Y.; Souza, S.R.; Isotani, S.; Barbosa, E.F. Integrating project based learning and project management for software engineering teaching: An experience report. In Proceedings of the 49th ACM Technical Symposium on Computer Science Education, Baltimore, MD, USA, 21–24 February 2018; pp. 806–811. [Google Scholar] [CrossRef]
- Tseng, K.-H.; Chang, C.-C.; Lou, S.-J.; Chen, W.-P. Attitudes towards science, technology, engineering and mathematics (STEM) in a project-based learning (PjBL) environment. Int. J. Technol. Des. Educ. 2013, 23, 87–102. [Google Scholar] [CrossRef]
- Hilvonen, J.; Ovaska, P. Student Motivation in Project-Based Learning; International Conference on Engaging Pedagogy. 2010. Available online: http://icep.ie/wp-content/uploads/2011/02/Student-Motivation-in-Project-Based-Learning.pdf (accessed on 4 May 2024).
- Stevens, R. Role-play and student engagement: Reflections from the classroom. Teach. High. Educ. 2015, 20, 481–492. [Google Scholar] [CrossRef]
- Alabsi, T.A. The effectiveness of role play strategy in teaching vocabulary. Theory Pract. Lang. Stud. 2016, 6, 227. [Google Scholar] [CrossRef]
- Martin, D.A.; Conlon, E.; Bowe, B. The role of role-play in student awareness of the social dimension of the engineering profession. Eur. J. Eng. Educ. 2019, 44, 882–905. [Google Scholar] [CrossRef]
- Chan, Z.C. Role-playing in the problem-based learning class. Nurse Educ. Pract. 2012, 12, 21–27. [Google Scholar] [CrossRef]
- Kazemiroodsari, H.; Folajimi, Y. Video Game to Teach Fluid Mechanics (Work in Progress); 2022 ASEE Annual Conference & Exposition. 2022. Available online: https://sftp.asee.org/video-game-to-teach-fluid-mechanics-work-in-progress (accessed on 4 May 2024).
- Fatahi, B.; Khabbaz, H. Based Computer Games to Train Civil Engineering Students to Be Lifelong Learners. In Proceedings of the 43rd SEFI Annual Conference 2015-Diversity in Engineering Education: An Opportunity to Face the New Trends of Engineering, SEFI 2015, Orléans, France, 29 June–2 July 2015. [Google Scholar]
- Venter, C.J.; Coetzee, J. Interactive learning through gaming simulation in an integrated land use–transportation planning course. J. Prof. Issues Eng. Educ. Pract. 2014, 140, 04013003. [Google Scholar] [CrossRef]
- Jacobs, E.; Garbrecht, O.; Kneer, R.; Rohlfs, W. Game-based learning apps in engineering education: Requirements, design and reception among students. Eur. J. Eng. Educ. 2023, 48, 448–481. [Google Scholar] [CrossRef]
- Meksophawannagul, M. The Development and Effectiveness of Game-Based Learning Prototypes for Daily Life Words at B1 Level: A Case Study of Engineering Students in Thailand. Engl. Lang. Teach. 2024, 17, 1–97. [Google Scholar] [CrossRef]
- Lashari, T.A.; Fiayaz, R.; Lashari, S.A.; Khan, I.; Sultana, S.; Afzal, T. Kahoot: A game-based web tool to assess motivation, engagement fun, and learning outcomes among engineers. Comput. Appl. Eng. Educ. 2024, 32, e22684. [Google Scholar] [CrossRef]
- Melnyk, B.M.; Morrison-Beedy, D. Setting the stage for intervention research: The “so what” factor. Interv. Res. Des. Conduct. Anal. Funding 2012, 1–9. [Google Scholar] [CrossRef]
- Hassoun, M.N.; Al-Manaseer, A. Structural Concrete: Theory and Design; John Wiley & Sons: Hoboken, NJ, USA, 2020. [Google Scholar]
- Law, K.M. Teaching project management using project-action learning (PAL) games: A case involving engineering management students in Hong Kong. Int. J. Eng. Bus. Manag. 2019, 11, 1847979019828570. [Google Scholar] [CrossRef]
- Shatri, Z.G. Advantages and disadvantages of using information technology in learning process of students. J. Turk. Sci. Educ. 2020, 17, 420–428. [Google Scholar]
- Zahoor, H.; Chan, A.P.C.; Utama, W.P.; Gao, R.; Memon, S.A. Determinants of Safety Climate for Building Projects: SEM-Based Cross-Validation Study. J. Constr. Eng. Manag. 2017, 143, 05017005. [Google Scholar] [CrossRef]
- Zubair, M.U.; Zhang, X. Hybrid Performance-Measurement Model of Elevators. J. Perform. Constr. Facil. 2020, 34, 04020013. [Google Scholar] [CrossRef]
- Jesionkowska, J.; Wild, F.; Deval, Y. Active learning augmented reality for STEAM education—A case study. Educ. Sci. 2020, 10, 198. [Google Scholar] [CrossRef]
- Hamari, J.; Shernoff, D.J.; Rowe, E.; Coller, B.; Asbell-Clarke, J.; Edwards, T. Challenging games help students learn: An empirical study on engagement, flow and immersion in game-based learning. Comput. Hum. Behav. 2016, 54, 170–179. [Google Scholar] [CrossRef]
- Kim, Y.J.; Ruipérez-Valiente, J.A. Data-driven game design: The case of difficulty in educational games. In Proceedings of the Addressing Global Challenges and Quality Education: 15th European Conference on Technology Enhanced Learning, EC-TEL 2020, Heidelberg, Germany,, 14–18 September 2020; Proceedings 15. pp. 449–454. [Google Scholar] [CrossRef]
- Koskinen, A.; McMullen, J.; Hannula-Sormunen, M.; Ninaus, M.; Kiili, K. The strength and direction of the difficulty adaptation affect situational interest in game-based learning. Comput. Educ. 2023, 194, 104694. [Google Scholar] [CrossRef]
- Riopel, M.; Nenciovici, L.; Potvin, P.; Chastenay, P.; Charland, P.; Sarrasin, J.B.; Masson, S. Impact of serious games on science learning achievement compared with more conventional instruction: An overview and a meta-analysis. Stud. Sci. Educ. 2019, 55, 169–214. [Google Scholar] [CrossRef]
- Felicia, P. Motivation in Games: A Literature Review. Int. J. Comput. Sci. Sport 2012, 11, 4. [Google Scholar]
- van Prooijen, J.-W.; van der Kloot, W.A. Confirmatory Analysis of Exploratively Obtained Factor Structures. Educ. Psychol. Meas. 2001, 61, 777–792. [Google Scholar] [CrossRef]
- Wang, Y. A comparative study on the effectiveness of traditional and modern teaching methods. In Proceedings of the 2022 5th International Conference on Humanities Education and Social Sciences (ICHESS 2022), Chongqing, China, 14–16 October 2022; pp. 270–277. [Google Scholar] [CrossRef]
- Babić, S. E-learning environment compared to traditional classroom. In Proceedings of the 34th International Convention MIPRO, Opatija, Croatia, 23–27 May 2011; IEEE: Piscatway, NJ, USA, 2011; pp. 1299–1304. [Google Scholar]
- Jones, I.M. Can you see me now: Defining teaching presence in the online classroom through building a learning community. J. Leg. Stud. Educ. 2011, 28, 67. [Google Scholar] [CrossRef]
- Buyuksalih, I.; Bayburt, S.; Buyuksalih, G.; Baskaraca, A.; Karim, H.; Rahman, A.A. 3D modelling and visualization based on the unity game engine–advantages and challenges. ISPRS Ann. Photogramm. Remote Sens. Spat. Inf. Sci. 2017, 4, 161–166. [Google Scholar] [CrossRef]
- Do, V.C.; Ren, H.X.; Nguyen, V.S. Using Unity3D to simulate VHF sailor 3520. In Proceedings of the 2017 3rd IEEE International Conference on Computer and Communications (ICCC), Chengdu, China, 13–16 December 2017; pp. 2920–2924. [Google Scholar] [CrossRef]
- ACI(318-14), Building Code Requirements for Structural Concrete; Commentary on Building Code Requirements 663 for Structural Concrete (ACI 318R-14); American Concrete Institute: Farmington Hills, MI, USA, 2022.
- McCasland, R.L.; Moore, M.E. Prime submodules. Commun. Algebra 1992, 20, 1803–1817. [Google Scholar] [CrossRef]
- Moss, S. An Introduction to the Entertainment Industry; The Entertainment Industry: An Introduction; Peter Lang: Lausanne, Switzerland, 2010; pp. 1–18. [Google Scholar]
- Martinez, L.; Gimenes, M.; Lambert, E. Entertainment video games for academic learning: A systematic review. J. Educ. Comput. Res. 2022, 60, 1083–1109. [Google Scholar] [CrossRef]
- Nunez-Eddy, E.; Wang, X.; Chen, Y.-C. Engaging in argumentation. Sci. Child. 2018, 56, 51–59. [Google Scholar] [CrossRef]
- Lin, W.-C.; Ho, J.-Y.; Lai, C.-H.; Jong, B. Mobile game-based learning to inspire students learning motivation. In Proceedings of the 2014 International Conference on Information Science, Electronics and Electrical Engineering, Sapporo, Japan, 26–28 April 2014; Volume 2, pp. 810–813. [Google Scholar] [CrossRef]







| Factors | Mean (Gaming) | Mean (Traditional Method) | Mean Difference | Significance |
|---|---|---|---|---|
| Entertainment | 4.13 | 3.72 | 0.41 | 0.56 |
| Difficulty Level | 2.65 | 2.72 | −0.07 | 0.68 |
| Reinforcing Concept | 0.85 | 0.67 | 0.18 | 0.05 |
| Motivation | 4.65 | 2.89 | 1.76 | 0.00 |
| Interesting | 0.93 | 0.41 | 0.52 | 0.00 |
Disclaimer/Publisher’s Note: The statements, opinions and data contained in all publications are solely those of the individual author(s) and contributor(s) and not of MDPI and/or the editor(s). MDPI and/or the editor(s) disclaim responsibility for any injury to people or property resulting from any ideas, methods, instructions or products referred to in the content. |
© 2024 by the authors. Licensee MDPI, Basel, Switzerland. This article is an open access article distributed under the terms and conditions of the Creative Commons Attribution (CC BY) license (https://creativecommons.org/licenses/by/4.0/).
Share and Cite
Zubair, M.U.; Khan, M.A.; Hassan, M.U.; Ahmed, K.; Aziz, T. Enhancing Student Active Engagement in Class through Game-Based Learning: A Case of Civil Engineering Education. Sustainability 2024, 16, 6010. https://doi.org/10.3390/su16146010
Zubair MU, Khan MA, Hassan MU, Ahmed K, Aziz T. Enhancing Student Active Engagement in Class through Game-Based Learning: A Case of Civil Engineering Education. Sustainability. 2024; 16(14):6010. https://doi.org/10.3390/su16146010
Chicago/Turabian StyleZubair, Muhammad Umer, Muhammad Abbas Khan, Muhammad Usman Hassan, Khursheed Ahmed, and Taha Aziz. 2024. "Enhancing Student Active Engagement in Class through Game-Based Learning: A Case of Civil Engineering Education" Sustainability 16, no. 14: 6010. https://doi.org/10.3390/su16146010
APA StyleZubair, M. U., Khan, M. A., Hassan, M. U., Ahmed, K., & Aziz, T. (2024). Enhancing Student Active Engagement in Class through Game-Based Learning: A Case of Civil Engineering Education. Sustainability, 16(14), 6010. https://doi.org/10.3390/su16146010

