Design and Performance Analysis of a Small-Scale Prototype Water Condensing System for Biomass Combustion Flue Gas Abatement
Abstract
1. Introduction
2. Materials and Methods
2.1. Woodchips
2.2. Combustion System
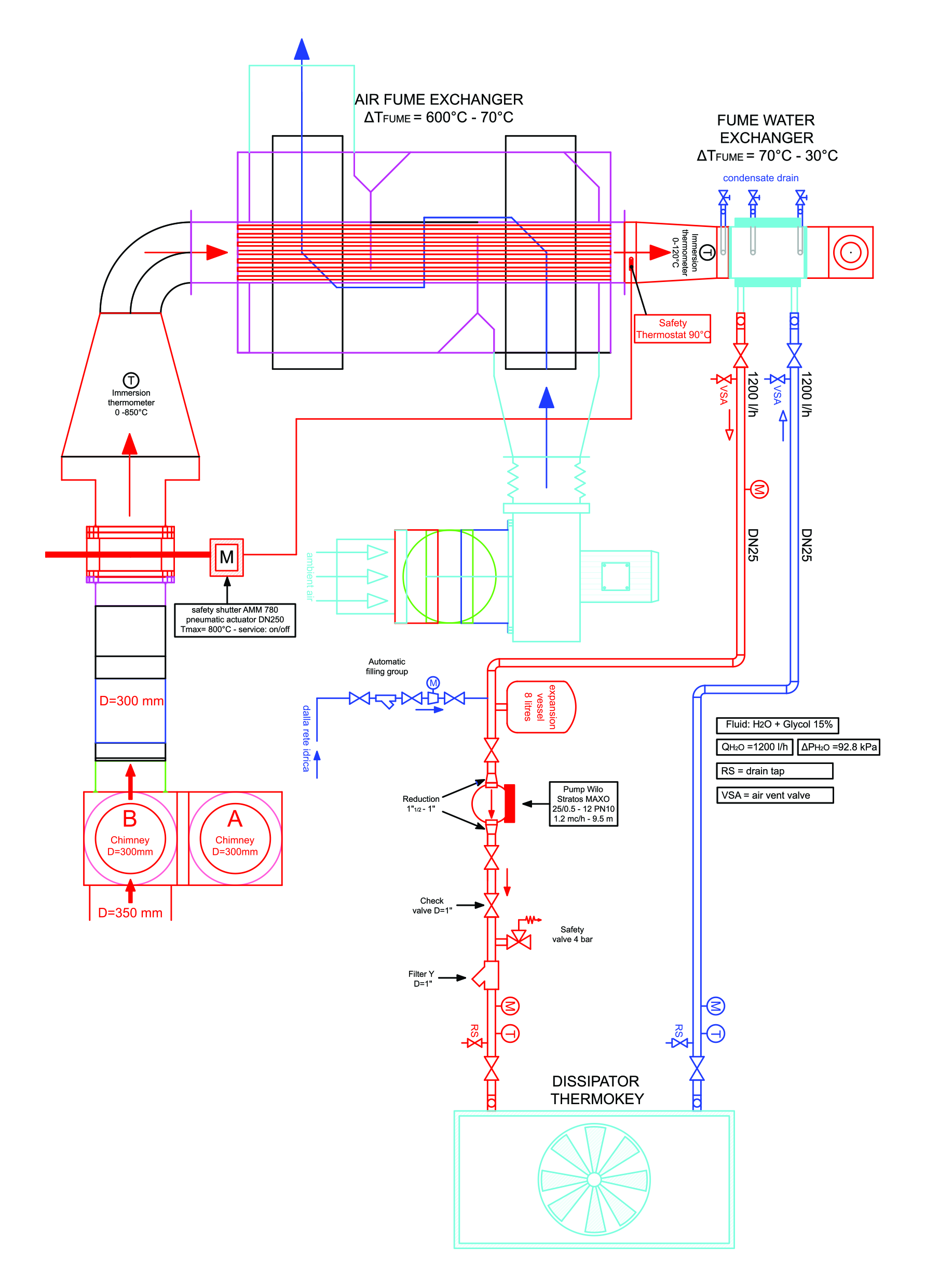
2.3. Condensing System
2.4. Regime Operations
2.5. Monitoring and Sampling
2.5.1. Combustion Plant
2.5.2. Condensing Plant
3. Results and Discussion
3.1. Woodchip and Ash Characterisation
3.2. Operational Monitoring Results
4. Discussion
- (1)
- The stoichiometric air flows were slightly different from one test to another because the air density varied from test to test. They were calculated using the temperatures measured during the tests with reference to the oxygenator at 650 m3/h.
- (2)
- The calculated excess air took into account the percentages of O2 and CO2, which were experimentally measured and varied from test to test.
- (3)
- The specific humidity was calculated by substituting the numerical coefficient (18/29) with the ratio between the molecular masses of water vapour and flue gas (18/29.7).
- (4)
- Referring to tests 2 and 3, near the calculation temperatures, for variations of a few tenths of a degree, significant variations in the quantity of condensate were recorded. For example, by reducing the calculation temperatures by 0.3 °C, the errors decreased in different ways:
- Test 1: from 12.1% to 11.1%;
- Test 2: from 22.7% to 16.5%;
- Test 3: from 11.3% to 5.8%.
- (5)
- The theoretical and experimental analysis lended itself to interesting developments regarding both the characterisation of biomass and the recovery of thermal energy and water. Furthermore, a greater reduction in pollutants is expected as the flow of condensed water (flue gas washing) increases.
5. Conclusions
6. Future Perspectives
Author Contributions
Funding
Institutional Review Board Statement
Informed Consent Statement
Data Availability Statement
Conflicts of Interest
Nomenclature
| PM | Particulate matter |
| SOx | Sulphur oxides |
| Nox | Nitrogen oxides |
| HE1 | Heat exchanger 1 |
| HE2 | Heat exchanger 2 |
| TGA | thermogravimetric analyser |
| CHN | elementary analyser |
| HHV | Higher heating value |
References
- Mehmood, M.A.; Ibrahim, M.; Rashid, U.; Nawaz, M.; Ali, S.; Hussain, A.; Gull, M. Biomass Production for Bioenergy Using Marginal Lands. Sustain. Prod. Consum. 2017, 9, 3–21. [Google Scholar] [CrossRef]
- Osman, A.I.; Mehta, N.; Elgarahy, A.M.; Al-Hinai, A.; Al-Muhtaseb, A.H.; Rooney, D.W. Conversion of Biomass to Biofuels and Life Cycle Assessment: A Review. Environ. Chem. Lett. 2021, 19, 4075–4118. [Google Scholar] [CrossRef]
- Haq, I.U.; Qaisar, K.; Nawaz, A.; Akram, F.; Mukhtar, H.; Zohu, X.; Xu, Y.; Mumtaz, M.W.; Rashid, U.; Ghani, W.A.W.A.K.; et al. Advances in Valorization of Lignocellulosic Biomass towards Energy Generation. Catalysts 2021, 11, 309. [Google Scholar] [CrossRef]
- Paraschiv, L.S.; Serban, A.; Paraschiv, S. Calculation of Combustion Air Required for Burning Solid Fuels (Coal/Biomass/Solid Waste) and Analysis of Flue Gas Composition. Energy Rep. 2020, 6, 36–45. [Google Scholar] [CrossRef]
- Aste, N.; Adhikari, R.S.; Compostella, J.; Del Pero, C. Energy and Environmental Impact of Domestic Heating in Italy: Evaluation of National NOx Emissions. Energy Policy 2013, 53, 353–360. [Google Scholar] [CrossRef]
- EMEP/EEA Air Pollutant Emission Inventory Guidebook 2013. 2013. Available online: https://www.eea.europa.eu/publications/emep-eea-guidebook-2013 (accessed on 20 January 2023).
- Lim, M.T.; Phan, A.; Roddy, D.; Harvey, A. Technologies for Measurement and Mitigation of Particulate Emissions from Domestic Combustion of Biomass: A Review. Renew. Sustain. Energy Rev. 2015, 49, 574–584. [Google Scholar] [CrossRef]
- Vicente, E.D.; Alves, C.A. An Overview of Particulate Emissions from Residential Biomass Combustion. Atmos. Res. 2018, 199, 159–185. [Google Scholar] [CrossRef]
- LECO Instruments Calorimeter AC-350. Available online: http://www.zycon.com/literature/128173/62890/ac-350%20flyer%20203-968.pdf (accessed on 20 January 2023).
- LECO Instruments Thermogravimetric Analyzer TGA701. Available online: https://eu.leco.com/ (accessed on 20 January 2023).
- LECO Instruments LECO Instruments Calorimeter TruSpec CHN. Available online: https://it.leco.com/product/truspec-micro (accessed on 20 January 2023).
- ThermoKey WH1163.B D/22 QRS. Available online: https://thermokey.com/en (accessed on 28 March 2023).
- Gemini Tinytag TGU 4500. Available online: https://www.geminidataloggers.com/data-loggers/tinytag-ultra-2/tgu-4500#:~:text=product%20description,protection%20such%20a%20stevenson%20screen (accessed on 28 March 2023).
- Dondi, D.; López Robles, C.D.; Magrini, A.; Cartesegna, M. Potential Water Recovery from Biomass Boilers: Parametric Analysis. Computation 2021, 9, 53. [Google Scholar] [CrossRef]







| Woodchips | ||
|---|---|---|
| Calorimeter (High Heating Value (HHV)) | ||
| HHV | cal/g | 4536.83 |
| HHV | MJ/kg | 18.98 |
| Elemental Analysis (CHN) | ||
| Carbon | % | 55.07 |
| Hydrogen | % | 6.19 |
| Nitrogen | % | 0.59 |
| Thermogravimetric Analysis (TGA) | ||
| Humidity | % | 13.62 |
| Dry volatiles | % | 79.83 |
| Dry ashes | % | 1.07 |
| Dry fixed carbon | % | 19.12 |
| ICP Analysis (ICP) | ||
| Arsenic (As) | ppm | <0.008 |
| Zinc (Zn) | ppm | 4.334 |
| Antimony (Sb) | ppm | <0.1 |
| Lead (Pb) | ppm | 0.415 |
| Cadmium (Cd) | ppm | 0.051 |
| Nickel (Ni) | ppm | 0.717 |
| Mercury (Hg) | ppm | <0.2 |
| Chromium (Cr) | ppm | 0.486 |
| Magnesium (Mg) | ppm | 215.25 |
| Copper (Cu) | ppm | 1.338 |
| Ashes | ||
|---|---|---|
| Thermogravimetric Analysis (TGA) | ||
| Humidity | % | 0.26 |
| Dry volatiles | % | 19.81 |
| Dry ashes | % | 80.65 |
| Dry fixed carbon | % | 0 |
| Inductively Coupled Plasma Analysis (ICP) | ||
| Arsenic (As) | ppm | 69.48 |
| Zinc (Zn) | ppm | <0.002 |
| Antimony (Sb) | ppm | 34.619 |
| Lead (Pb) | ppm | <0.008 |
| Cadmium (Cd) | ppm | 25.8 |
| Nickel (Ni) | ppm | <0.004 |
| Mercury (Hg) | ppm | <0.2 |
| Chromium (Cr) | ppm | 16.772 |
| Magnesium (Mg) | ppm | 10,798.9 |
| Copper (Cu) | ppm | 19.194 |
| Date and Time | Date and Time | ||||
|---|---|---|---|---|---|
| Day | Date | 14 December 2022 | 14 December 2022 | 15 December 2022 | |
| Time start | Hour/min | 3:19:00 PM | 4:01:00 PM | 12:35:00 PM | |
| Time end | Hour/min | 3:49:00 PM | 4:31:00 PM | 1:20:00 PM | |
| Total time of sampling | Min | 30 | 30 | 45 | |
| Combustion Plant | Run 1 | Run 2 | Run 3 | ||
| Cement temperature | °C | 404.00 | 413.00 | 290.67 | |
| Flue gas temperature | °C | 428.50 | 416.00 | 451.00 | |
| Flame temperature | °C | 862.00 | 855.00 | 826.67 | |
| Heat carrier (air) input temperature | °C | 20.50 | 22.00 | 23.00 | |
| Heat carrier (air) output temperature | °C | 41.50 | 41.00 | 48.00 | |
| Burner depression | mBar | 2.70 | 2.90 | 2.27 | |
| Flue gas oxygen | % | 13.30 | 13.40 | 13.37 | |
| Oxygenator 1 input: temperature | °C | 20.71 | 21.75 | 23.28 | |
| Oxygenator 1 input: relative humidity | %RH | 48.98 | 45.62 | 45.70 | |
| Oxygenator 1 input: dew point | °C | 9.55 | 9.49 | 10.91 | |
| Oxygenator 1 input: mass flow | m3/h | 455.00 | 455.00 | 455.00 | |
| Oxygenator 2 input: temperature | °C | 21.46 | 22.60 | 22.87 | |
| Oxygenator 2 input: relative humidity | %RH | 48.40 | 46.68 | 47.15 | |
| Oxygenator 2 input: dew point | °C | 10.08 | 10.60 | 11.01 | |
| Oxygenator 2 input: mass flow | m3/h | 650.00 | 650.00 | 650.00 | |
| Fuel (woodchips): mass flow | kg/h | 50.00 | 50.00 | 50.00 | |
| Condensing System | Run 1 | Run 2 | Run 3 | ||
| Flue gas HE1 input: temperature | °C | 419.80 | 441.50 | 422.59 | |
| Flue gas HE2 input: temperature | °C | 49.33 | 74.33 | 71.98 | |
| Flue gas HE2 output: temperature | °C | 23.67 | 39.67 | 33.90 | |
| flue gases input: mass flow | m3/h | 465.68 | 678.16 | 609.88 | |
| Air HE1 input: temperature | °C | 15.41 | 9.93 | 14.06 | |
| Air HE1 input: relative humidity | %RH | 70.00 | 82.13 | 73.79 | |
| Air HE1 input: dew point | °C | 9.96 | 7.01 | 9.43 | |
| Air HE1 output: temperature | °C | 18.01 | 39.67 | 30.06 | |
| Air HE1 output: relative humidity | %RH | 52.93 | 17.30 | 31.81 | |
| Air HE1 output: dew point | °C | 8.26 | 10.24 | 11.46 | |
| Water HE2 input: temperature | °C | 13.17 | 13.50 | 14.00 | |
| Water HE2 output: temperature | °C | 17.33 | 25.50 | 23.80 | |
| Condensate 1: weight | g | 2306.50 | 15.30 | 901.10 | |
| Condensate 3: weight | g | 897.40 | 1427.00 | 2218.30 | |
| Condensate 1: time rate | g/min | 76.88 | 0.51 | 20.02 | |
| Condensate 3: time rate | g/min | 29.91 | 47.57 | 49.30 | |
| Condensate total: time rate | g/min | 106.80 | 48.08 | 69.32 | |
| Condensate 1: temperature | °C | 20.20 | 25.00 | 21.20 | |
| Condensate 3: temperature | °C | 15.80 | 25.00 | 25.60 | |
| Flue Gas Analysis (Run 1) | |||||
| Parameter | Unit | Input | Output | Δ | % |
| T gas | °C | 419.8 | 30.0 | 389.80 | 93% |
| T air | °C | 9.0 | 9.0 | 0.00 | 0% |
| O2 | % | 13.3 | 14.9 | −1.60 | −12% |
| CO2 | % | 7.5 | 5.9 | 1.60 | 21% |
| CO | ppm | 1093.00 | 1070.00 | 23.00 | 2% |
| NO | ppm | 73.00 | 55.00 | 18.00 | 25% |
| NO2 | ppm | 0.00 | 0.00 | 0.00 | - |
| H2 | ppm | Upper limit | Upper limit | - | - |
| Nox | ppm | 73.00 | 55.00 | 18.00 | 25% |
| Flue Gas Analysis (Run 2) | |||||
| Parameter | Unit | Input | Output | Δ | % |
| T gas | °C | 441.50 | 47.80 | 393.70 | 89% |
| T air | °C | 8.60 | 9.10 | −0.50 | −6% |
| O2 | % | 13.50 | 15.30 | −1.80 | −13% |
| CO2 | % | 7.30 | 5.50 | 1.80 | 25% |
| CO | ppm | 1026.00 | 823.00 | 203.00 | 20% |
| NO | ppm | 66.00 | 45.00 | 21.00 | 32% |
| NO2 | ppm | 0.00 | 1.00 | −1.00 | - |
| H2 | ppm | Upper limit | 1602.00 | - | - |
| Nox | ppm | 66.00 | 51.00 | 15.00 | 23% |
| Flue Gas Analysis (Run 3) | |||||
| Parameter | Unit | Input | Output | Δ | % |
| T gas | °C | 422.59 | 43.12 | 379.47 | 90% |
| T air | °C | 12.78 | 11.91 | 0.87 | 7% |
| O2 | % | 13.68 | 14.81 | −1.13 | −8% |
| CO2 | % | 7.12 | 5.99 | 1.13 | 16% |
| CO | ppm | 1046.00 | 862.11 | 183.89 | 18% |
| NO | ppm | 69.25 | 46.78 | 22.47 | 32% |
| NO2 | ppm | 0.00 | 0.00 | 0.00 | - |
| H2 | ppm | 1841.00 | 1764.44 | 76.56 | 4% |
| NOx | ppm | 69.25 | 47.44 | 21.81 | 31% |
| Test N° 1 | Parameter | Unit | Experimental | Calculated | Δ (%) | |
| Input data | Gchip (kg/h) | kg/h | 50 | 50 | - | |
| XH2O (%) | % | 13.62 | 13.62 | - | ||
| XMA (%) | % | 86.38 | 86.38 | - | ||
| Results | Qair_st (m3/h) | m3/h | - | 235.2 | - | |
| Qair (m3/h) | m3/h | - | 638 | - | ||
| XE (%) | % | - | 171.3 | - | ||
| XCO2 (%) | % | 7.5 | 7.36 | −1.87 | ||
| XO2 (%) | % | 13.30 | 13.31 | 0 | ||
| MCOND (g) | g | 3204 | 2814.9 | −12.1 | ||
| Test N° 2 | Parameter | Unit | Experimental | Calculated | Δ (%) | |
| Input data | Gchip (kg/h) | kg/h | 50 | 50 | - | |
| XH2O (%) | % | 13.62 | 13.62 | - | ||
| XMA (%) | % | 86.38 | 86.38 | - | ||
| Results | Qair_st (m3/h) | m3/h | - | 236.0 | - | |
| Qair (m3/h) | m3/h | - | 657 | - | ||
| XE (%) | % | - | 178.5 | - | ||
| XCO2 (%) | % | 7.30 | 7.17 | −1.78 | ||
| XO2 (%) | % | 13.50 | 13.51 | 0 | ||
| MCOND (g) | g | 1442 | 1114.5 | −22.7 | ||
| Test N° 3 | Parameter | Unit | Experimental | Calculated | Δ (%) | |
| Input data | Gchip (kg/h) | kg/h | 50 | 50 | - | |
| XH2O (%) | % | 13.62 | 13.62 | - | ||
| XMA (%) | % | 86.38 | 86.38 | - | ||
| Results | Qair_st (m3/h) | m3/h | - | 235.2 | - | |
| Qair (m3/h) | m3/h | - | 671 | - | ||
| XE (%) | % | - | 185.3 | - | ||
| XCO2 (%) | % | 7.12 | 7.00 | −1.69 | ||
| XO2 (%) | % | 13.68 | 13.69 | 0 | ||
| MCOND (g) | g | 3119 | 2767.0 | −11.3 |
Disclaimer/Publisher’s Note: The statements, opinions and data contained in all publications are solely those of the individual author(s) and contributor(s) and not of MDPI and/or the editor(s). MDPI and/or the editor(s) disclaim responsibility for any injury to people or property resulting from any ideas, methods, instructions or products referred to in the content. |
© 2024 by the authors. Licensee MDPI, Basel, Switzerland. This article is an open access article distributed under the terms and conditions of the Creative Commons Attribution (CC BY) license (https://creativecommons.org/licenses/by/4.0/).
Share and Cite
Coccia, V.; Barros Lovate Temporim, R.; Lunghi, L.; Tryboi, O.; Cotana, F.; Magrini, A.; Dondi, D.; Vadivel, D.; Cartesegna, M.; Nicolini, A. Design and Performance Analysis of a Small-Scale Prototype Water Condensing System for Biomass Combustion Flue Gas Abatement. Sustainability 2024, 16, 5164. https://doi.org/10.3390/su16125164
Coccia V, Barros Lovate Temporim R, Lunghi L, Tryboi O, Cotana F, Magrini A, Dondi D, Vadivel D, Cartesegna M, Nicolini A. Design and Performance Analysis of a Small-Scale Prototype Water Condensing System for Biomass Combustion Flue Gas Abatement. Sustainability. 2024; 16(12):5164. https://doi.org/10.3390/su16125164
Chicago/Turabian StyleCoccia, Valentina, Ramoon Barros Lovate Temporim, Leandro Lunghi, Oleksandra Tryboi, Franco Cotana, Anna Magrini, Daniele Dondi, Dhanalakshmi Vadivel, Marco Cartesegna, and Andrea Nicolini. 2024. "Design and Performance Analysis of a Small-Scale Prototype Water Condensing System for Biomass Combustion Flue Gas Abatement" Sustainability 16, no. 12: 5164. https://doi.org/10.3390/su16125164
APA StyleCoccia, V., Barros Lovate Temporim, R., Lunghi, L., Tryboi, O., Cotana, F., Magrini, A., Dondi, D., Vadivel, D., Cartesegna, M., & Nicolini, A. (2024). Design and Performance Analysis of a Small-Scale Prototype Water Condensing System for Biomass Combustion Flue Gas Abatement. Sustainability, 16(12), 5164. https://doi.org/10.3390/su16125164

