Enhancing Road Crack Localization for Sustainable Road Safety Using HCTNet
Abstract
1. Introduction
- (a)
- We proposed HCTNet (Hybrid Convolution Transformer Network), which has an encoder as a ViT and convolution layers as a decoder to enhance the long-range spatial-feature dependency.
- (b)
- We designed a gated attention block in the decoder module to provide local attention to the spatial features, which improved the segmentation performance.
- (c)
- We utilized a fusion-based loss function designed using binary cross-entropy and dice loss.
- (d)
- The superiority of the model is validated on three datasets. Out of these, two datasets are open-source datasets, and our team created the third dataset. The details of the third dataset are discussed in Section 3.
2. Materials and Methods
2.1. The HCTNet
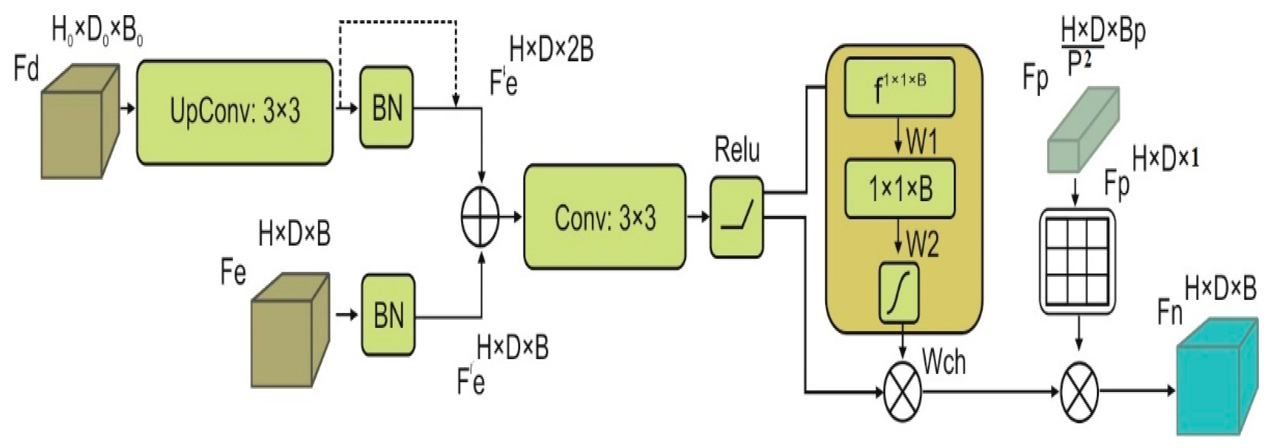
2.2. The Decoder with Gated Attention
2.3. The Hybrid Loss Function
| Algorithm 1 Algorithm for the road crack localization using HCTNet. |
| Input: |
| (1) Set initial learning rate = 0.001, Batch size = 16 |
| (2) for I = 1 to 200 do (a) Extract spatial features using convolution block (b) Flatten the features to D dimension (c) Generate query (q) in a sequence with the key (k) and value (v) (d) Perform SA using Equation (4) and MSA using Equation (6) (e) Perform upsampling of spatial features using decoder and gated attention |
| (3) Plot training loss using Equation (10) |
| (4) Plot ROC curve using precision and recall |
| Output: |
2.4. Mathematical Approach for Performance Measures
2.5. Quantitative Results
3. Results
3.1. Dataset Description
3.2. Experiment Setup
3.3. Performance Evaluation on Crack500 Dataset
3.4. Performance on DeepCrack Dataset
3.5. Performance Evaluation on Proposed Dataset
3.6. Qualitative Results
4. Discussion
4.1. The PRC (Precision-Recall Curve)-Based Comparison
4.2. The Bar Plot-Based Comparison
4.3. Ablation Study
4.4. Computation Time Evaluation
4.5. Performance Evaluation Using Different Loss Function
4.6. Training-Accuracy Curve
5. Conclusions
Author Contributions
Funding
Institutional Review Board Statement
Informed Consent Statement
Data Availability Statement
Conflicts of Interest
References
- Kirthiga, R.; Elavenil, S. A survey on crack detection in concrete surface using image processing and machine learning. J. Build. Pathol. Rehabil. 2024, 9, 15. [Google Scholar] [CrossRef]
- Hamishebahar, Y.; Guan, H.; So, S.; Jo, J. A comprehensive review of deep learning-based crack detection approaches. Appl. Sci. 2022, 12, 1374. [Google Scholar] [CrossRef]
- Islam, M.M.; Hossain, M.B.; Akhtar, M.N.; Moni, M.A.; Hasan, K.F. CNN based on transfer learning models using data augmentation and transformation for detection of concrete crack. Algorithms 2022, 15, 287. [Google Scholar] [CrossRef]
- Kheradmandi, N.; Mehranfar, V. A critical review and comparative study on image segmentation-based techniques for pavement crack detection. Constr. Build. Mater. 2022, 321, 126162. [Google Scholar] [CrossRef]
- Hoang, N.D.; Nguyen, Q.L. A novel method for asphalt pavement crack classification based on image processing and machine learning. Eng. Comput. 2019, 35, 487–498. [Google Scholar] [CrossRef]
- Ibrahim, H.B.; Salah, M.; Zarzoura, F.; El-Mewafi, M. Smart monitoring of road pavement deformations from UAV images by using machine learning. Innov. Infrastruct. Solut. 2024, 9, 16. [Google Scholar] [CrossRef]
- Hoang, N.D.; Nguyen, Q.L. Automatic recognition of asphalt pavement cracks based on image processing and machine learning approaches: A comparative study on classifier performance. Math. Probl. Eng. 2018, 2018, 6290498. [Google Scholar] [CrossRef]
- Song, W.; Jia, G.; Jia, D.; Zhu, H. Automatic pavement crack detection and classification using multiscale feature attention network. IEEE Access 2019, 7, 171001–171012. [Google Scholar] [CrossRef]
- Sari, Y.; Prakoso, P.B.; Baskara, A.R. Road crack detection using support vector machine (SVM) and OTSU algorithm. In Proceedings of the 2019 6th International Conference on Electric Vehicular Technology (ICEVT), Bali, Indonesia, 18–21 November 2019; pp. 349–354. [Google Scholar]
- Meng, F.; Li, A. Pavement crack detection using sketch token. Procedia Comput. Sci. 2018, 139, 151–157. [Google Scholar] [CrossRef]
- Hoang, N.D.; Nguyen, Q.L.; Tien Bui, D. Image processing–based classification of asphalt pavement cracks using support vector machine optimized by artificial bee colony. J. Comput. Civ. Eng. 2018, 32, 04018037. [Google Scholar] [CrossRef]
- Inkoom, S.; Sobanjo, J.; Barbu, A.; Niu, X. Prediction of the crack condition of highway pavements using machine learning models. Struct. Infrastruct. Eng. 2019, 15, 940–953. [Google Scholar] [CrossRef]
- Inkoom, S.; Sobanjo, J.; Barbu, A.; Niu, X. Pavement crack rating using machine learning frameworks: Partitioning, bootstrap forest, boosted trees, Naïve bayes, and K-Nearest neighbors. J. Transp. Eng. Part B Pavements 2019, 145, 04019031. [Google Scholar] [CrossRef]
- Nguyen, S.D.; Tran, T.S.; Tran, V.P.; Lee, H.J.; Piran, M.J.; Le, V.P. Deep learning-based crack detection: A survey. Int. J. Pavement Res. Technol. 2023, 16, 943–967. [Google Scholar] [CrossRef]
- Branikas, E.; Murray, P.; West, G. A novel data augmentation method for improved visual crack detection using generative adversarial networks. IEEE Access 2023, 11, 22051–22059. [Google Scholar] [CrossRef]
- Ai, D.; Jiang, G.; Lam, S.K.; He, P.; Li, C. Computer vision framework for crack detection of civil infrastructure—A review. Eng. Appl. Artif. Intell. 2023, 117, 105478. [Google Scholar] [CrossRef]
- Shang, J.; Xu, J.; Zhang, A.A.; Liu, Y.; Wang, K.C.; Ren, D.; Zhang, H.; Dong, Z.; He, A. Automatic Pixel-level pavement sealed crack detection using Multi-fusion U-Net network. Measurement 2023, 208, 112475. [Google Scholar] [CrossRef]
- Siriborvornratanakul, T. Pixel-level thin crack detection on road surface using convolutional neural network for severely imbalanced data. Comput. Aided Civ. Infrastruct. Eng. 2023, 38, 2300–2316. [Google Scholar] [CrossRef]
- Yadav, D.P.; Kishore, K.; Gaur, A.; Kumar, A.; Singh, K.U.; Singh, T.; Swarup, C. A Novel Multi-Scale Feature Fusion-Based 3SCNet for Building Crack Detection. Sustainability 2022, 14, 16179. [Google Scholar] [CrossRef]
- Zhang, A.; Wang, K.C.; Fei, Y.; Liu, Y.; Chen, C.; Yang, G.; Li, J.Q.; Yang, E.; Qiu, S. Automated pixel-level pavement crack detection on 3D asphalt surfaces using a deep-learning network. Comput. Aided Civ. Infrastruct. Eng. 2017, 32, 805–819. [Google Scholar] [CrossRef]
- Zou, Q.; Zhang, Z.; Li, Q.; Qi, X.; Wang, Q.; Wang, S. Deepcrack: Learning hierarchical convolutional features for crack detection. IEEE Trans. Image Process. 2018, 28, 1498–1512. [Google Scholar] [CrossRef] [PubMed]
- Shen, Y.; Yu, Z.; Li, C.; Zhao, C.; Sun, Z. Automated Detection for Concrete Surface Cracks Based on Deeplabv3+, B.D.F. Buildings 2023, 13, 118. [Google Scholar] [CrossRef]
- Ji, J.; Wu, L.; Chen, Z.; Yu, J.; Lin, P.; Cheng, S. Automated pixel-level surface crack detection using U-Net. In Proceedings of the Multi-Disciplinary Trends in Artificial Intelligence: 12th International Conference, MIWAI 2018, Hanoi, Vietnam, 18–20 November 2018; pp. 69–78. [Google Scholar]
- Zhang, Z.; Liu, Q.; Wang, Y. Road extraction by deep residual u-net. IEEE Geosci. Remote Sens. Lett. 2018, 15, 749–753. [Google Scholar] [CrossRef]
- Quan, T.M.; Hildebrand DG, C.; Jeong, W.K. Fusionnet: A deep fully residual convolutional neural network for image segmentation in connectomics. Front. Comput. Sci. 2021, 3, 613981. [Google Scholar] [CrossRef]
- Guo, C.; Gao, W.; Zhou, D. Research on road surface crack detection based on SegNet network. J. Eng. Appl. Sci. 2024, 71, 54. [Google Scholar] [CrossRef]
- Nguyen, D.K.; Tran, T.T.; Nguyen, C.P.; Pham, V.T. Skin lesion segmentation based on integrating efficientnet and residual block into U-Net neural network. In Proceedings of the 2020 5th International Conference on Green Technology and Sustainable Development (GTSD), Ho Chi Minh City, Vietnam, 27–28 November 2020; pp. 366–371. [Google Scholar]
- Liu, Y.; Yao, J.; Lu, X.; Xie, R.; Li, L. DeepCrack: A deep hierarchical feature learning architecture for crack segmentation. Neurocomputing 2019, 338, 139–153. [Google Scholar] [CrossRef]
- Hou, Y.; Liu, S.; Cao, D.; Peng, B.; Liu, Z.; Sun, W.; Chen, N. A deep learning method for pavement crack identification based on limited field images. IEEE Trans. Intell. Transp. Syst. 2022, 23, 22156–22165. [Google Scholar] [CrossRef]
- Qu, Z.; Wang, C.Y.; Wang, S.Y.; Ju, F.R. A method of hierarchical feature fusion and connected attention architecture for pavement crack detection. IEEE Trans. Intell. Transp. Syst. 2022, 23, 16038–16047. [Google Scholar] [CrossRef]
- Chen, H.; Lin, H. An effective hybrid atrous convolutional network for pixel-level crack detection. IEEE Trans. Instrum. Meas. 2021, 70, 5009312. [Google Scholar] [CrossRef]
- Al-Huda, Z.; Peng, B.; Algburi RN, A.; Al-antari, M.A.; Rabea, A.J.; Zhai, D. A hybrid deep learning pavement crack semantic segmentation. Eng. Appl. Artif. Intell. 2023, 122, 106142. [Google Scholar] [CrossRef]
- Pan, Z.; Lau, S.L.; Yang, X.; Guo, N.; Wang, X. Automatic pavement crack segmentation using a generative adversarial network (GAN)-based convolutional neural network. Results Eng. 2023, 19, 101267. [Google Scholar] [CrossRef]
- Zhang, J.; Li, Y.; Jiang, Z.; Xu, S. Multi-Region Segmentation Pavement Crack Detection Method Based on Deep Learning. Int. J. Pavement Res. Technol. 2023, 1–11. [Google Scholar] [CrossRef]
- Liu, H.; Yang, J.; Miao, X.; Mertz, C.; Kong, H. CrackFormer Network for Pavement Crack Segmentation. IEEE Trans. Intell. Transp. Syst. 2023, 24, 9240–9252. [Google Scholar] [CrossRef]
- Valanarasu, J.M.J.; Oza, P.; Hacihaliloglu, I.; Patel, V.M. Medical transformer: Gated axial-attention for medical image segmentation. In Proceedings of the Medical Image Computing and Computer Assisted Intervention—MICCAI 2021: 24th International Conference, Part I 24, Strasbourg, France, 27 September–1 October 2021; Springer International Publishing: Berlin/Heidelberg, Germany, 2021; pp. 36–46. [Google Scholar]
- Oktay, O.; Schlemper, J.; Folgoc, L.L.; Lee, M.; Heinrich, M.; Misawa, K.; Mori, K.; McDonagh, S.; Hammerla, N.Y.; Kainz, B.; et al. Attention u-net: Learning where to look for the pancreas. arXiv 2018, arXiv:1804.03999. [Google Scholar]
- Ba, J.L.; Kiros, J.R.; Hinton, G.E. Layer normalization. arXiv 2016, arXiv:1607.06450. [Google Scholar]
- Ronneberger, O.; Fischer, P.; Brox, T. U-net: Convolutional networks for biomedical image segmentation. In Proceedings of the Medical Image Computing and Computer-Assisted Intervention—MICCAI 2015: 18th International Conference, Munich, Germany, 5–9 October 2015; Proceedings, Part III 18. Springer International Publishing: Berlin/Heidelberg, Germany, 2015; pp. 234–241. [Google Scholar]
- Xie, S.; Tu, Z. Holistically-nested edge detection. In Proceedings of the IEEE International Conference on Computer Vision, Santiago, Chile, 1–13 December 2015; pp. 1395–1403. [Google Scholar]
- Badrinarayanan, V.; Kendall, A.; Cipolla, R. Segnet: A deep convolutional encoder-decoder architecture for image segmentation. IEEE Trans. Pattern Anal. Mach. Intell. 2017, 39, 2481–2495. [Google Scholar] [CrossRef] [PubMed]
- Ke, W.; Chen, J.; Jiao, J.; Zhao, G.; Ye, Q. SRN: Side-output residual network for object symmetry detection in the wild. In Proceedings of the IEEE Conference on Computer Vision and Pattern Recognition, Honolulu, HI, USA, 21–26 July 2017; pp. 1068–1076. [Google Scholar]
- Yang, F.; Zhang, L.; Yu, S.; Prokhorov, D.; Mei, X.; Ling, H. Feature pyramid and hierarchical boosting network for pavement crack detection. IEEE Trans. Intell. Transp. Syst. 2019, 21, 1525–1535. [Google Scholar] [CrossRef]
- Liu, Z.; Lin, Y.; Cao, Y.; Hu, H.; Wei, Y.; Zhang, Z.; Lin, S.; Guo, B. Swin transformer: Hierarchical vision transformer using shifted windows. In Proceedings of the IEEE/CVF International Conference on Computer Vision, Montreal, BC, Canada, 11–17 October 2021; pp. 10012–10022. [Google Scholar]
- Dhiman, P.; Kukreja, V.; Manoharan, P.; Kaur, A.; Kamruzzaman, M.M.; Dhaou, I.B.; Iwendi, C. A novel deep learning model for detection of severity level of the disease in citrus fruits. Electronics 2022, 11, 495. [Google Scholar] [CrossRef]
- Kukreja, V.; Dhiman, P. A Deep Neural Network based disease detection scheme for Citrus fruits. In Proceedings of the 2020 International Conference on Smart Electronics and Communication (ICOSEC), Trichy, India, 10–12 September 2020; pp. 97–101. [Google Scholar]












| Image Acquisition Device | Android Phone |
| Android Model Name | Realme 10 pro plus 5G |
| Image Resolutions | 3060 × 4080 pixels |
| Focal Length | 23.6 mm |
| Aperture | f/1.75 |
| Camera Rear | 108 MP |
| Exposure Period | 1/50 s |
| Flash | None |
| Method | IoU (%) | Precision (%) | Recall (%) | F1-Score (%) |
|---|---|---|---|---|
| Unet [39] | 85.19 | 86.24 | 81.63 | 83.96 |
| HED [40] | 73.27 | 72.18 | 75.48 | 73.79 |
| SegNet [41] | 88.76 | 86.12 | 92.96 | 89.40 |
| SRN [42] | 92.97 | 88.54 | 93.61 | 92.10 |
| FPHBN [43] | 94.12 | 94.82 | 92.13 | 93.45 |
| SwinUnet [44] | 96.34 | 97.74 | 96.87 | 97.30 |
| Proposed HCTNet | 98.72 | 97.62 | 98.54 | 98.07 |
| Method | IoU (%) | Precision (%) | Recall (%) | F1-Score (%) |
|---|---|---|---|---|
| Unet [39] | 87.05 | 84.74 | 91.23 | 87.86 |
| HED [40] | 87.31 | 88.39 | 78.28 | 83.02 |
| SegNet [41] | 93.18 | 92.73 | 94.18 | 93.44 |
| SRN [42] | 94.89 | 95.02 | 92.83 | 93.91 |
| FPHBN [43] | 96.19 | 97.82 | 96.42 | 97.11 |
| SwinUnet [44] | 97.85 | 96.98 | 98.52 | 97.74 |
| Proposed HCTNet | 98.76 | 99.12 | 98.27 | 98.69 |
| Method | IoU (%) | Precision (%) | Recall (%) | F1-Score (%) |
|---|---|---|---|---|
| Unet [39] | 74.21 | 73.10 | 81.25 | 76.95 |
| HED [40] | 81.54 | 82.78 | 75.19 | 78.80 |
| SegNet [41] | 82.43 | 79.82 | 84.68 | 82.17 |
| SRN [42] | 88.67 | 87.32 | 94.15 | 90.60 |
| FPHBN [43] | 92.59 | 92.37 | 86.95 | 89.57 |
| SwinUnet [44] | 96.87 | 96.17 | 95.32 | 95.74 |
| Proposed HCTNet | 97.36 | 97.52 | 96.89 | 97.20 |
| Dataset | Encoder | Decoder | IOU |
|---|---|---|---|
| Crack500 | ViT | CNN | 95.17% |
| Conv2D+ViT | CNN | 97.06 | |
| Conv2D+ViT | CNN+GA | 98.72% | |
| Crack | ViT | CNN | 96.05% |
| Conv2D+ViT | CNN | 97.18% | |
| Conv2D+ViT | CNN+GA | 98.76% | |
| Proposed | ViT | CNN | 94.23% |
| Conv2D+ViT | CNN | 95.73% | |
| Conv2D+ViT | CNN+GA | 97.36% |
| Model | Train (m) | Val(s) | Train (m) | Val(s) | Train (m) | Val(s) |
|---|---|---|---|---|---|---|
| Crack500 | Crack | Proposed Dataset | ||||
| Unet | 187 | 65 | 210 | 76 | 321 | 193 |
| HED | 165 | 47 | 183 | 64 | 280 | 127 |
| SegNet | 153 | 42 | 167 | 53 | 265 | 118 |
| SRN | 218 | 85 | 236 | 97 | 376 | 215 |
| FPHBN | 176 | 65 | 192 | 79 | 287 | 135 |
| Swin-UNet | 201 | 81 | 207 | 86 | 357 | 206 |
| HCTNet | 172 | 57 | 184 | 68 | 296 | 197 |
| Dataset | Binary Cross-Entropy | Dice | Proposed Hybrid |
|---|---|---|---|
| IoU | IoU | IoU | |
| Crack 500 | 96.86% | 97.65% | 98.72% |
| DeepCrack | 97.17% | 97.24% | 98.76% |
| Proposed dataset | 96.05% | 96.17% | 97.36% |
Disclaimer/Publisher’s Note: The statements, opinions and data contained in all publications are solely those of the individual author(s) and contributor(s) and not of MDPI and/or the editor(s). MDPI and/or the editor(s) disclaim responsibility for any injury to people or property resulting from any ideas, methods, instructions or products referred to in the content. |
© 2024 by the authors. Licensee MDPI, Basel, Switzerland. This article is an open access article distributed under the terms and conditions of the Creative Commons Attribution (CC BY) license (https://creativecommons.org/licenses/by/4.0/).
Share and Cite
Yadav, D.P.; Sharma, B.; Chauhan, S.; Amin, F.; Abbasi, R. Enhancing Road Crack Localization for Sustainable Road Safety Using HCTNet. Sustainability 2024, 16, 4409. https://doi.org/10.3390/su16114409
Yadav DP, Sharma B, Chauhan S, Amin F, Abbasi R. Enhancing Road Crack Localization for Sustainable Road Safety Using HCTNet. Sustainability. 2024; 16(11):4409. https://doi.org/10.3390/su16114409
Chicago/Turabian StyleYadav, Dhirendra Prasad, Bhisham Sharma, Shivank Chauhan, Farhan Amin, and Rashid Abbasi. 2024. "Enhancing Road Crack Localization for Sustainable Road Safety Using HCTNet" Sustainability 16, no. 11: 4409. https://doi.org/10.3390/su16114409
APA StyleYadav, D. P., Sharma, B., Chauhan, S., Amin, F., & Abbasi, R. (2024). Enhancing Road Crack Localization for Sustainable Road Safety Using HCTNet. Sustainability, 16(11), 4409. https://doi.org/10.3390/su16114409

