Energy Analyses and Optimization Proposals for Hotels in Sicily: A Case Study
Abstract
:1. Introduction
- Heating
- Cooling
- Production of domestic hot water
- Electrical energy for lighting, refrigeration, household appliances, and electric equipment in the common areas.
- A reduction of at least 40% in greenhouse gas emissions compared to the levels recorded in 1990.
- A share of at least 27% of renewable energy.
- An improvement in energy efficiency of at least 27%.
2. Case Study
2.1. Methodology
- AR–BT floor-standing boiler with a rated output of 300 kWt
- SIME Murelle HE–EV wall-mounted boiler with a rated output of 55 kWt.
2.1.1. Software Simulation
2.1.2. TRNBuild
- The external walls are 30 cm thick tuff ashlars bonded with cement mortar.
- The floors are made of brick-cement with a 4 cm thick upper slab.
- The external roofs are partly flat, again in brick-cement with a bituminous waterproofing sheathing, and partly pitched with a Sicilian tile roof.
- The internal plastering is of the civil type, with a lower layer of mortar rendering.
- The exterior plastering is of the “Li Vigni” type, with a lower layer of mortar rendering and decorative plaster applied on top.
- The external windows are made of wood with double glazing and shutters.
- The interior ground floors are in stone.
- Indoor temperature
- External temperature
- Relative humidity
- External humidity
- Incoming solar radiation from window surfaces
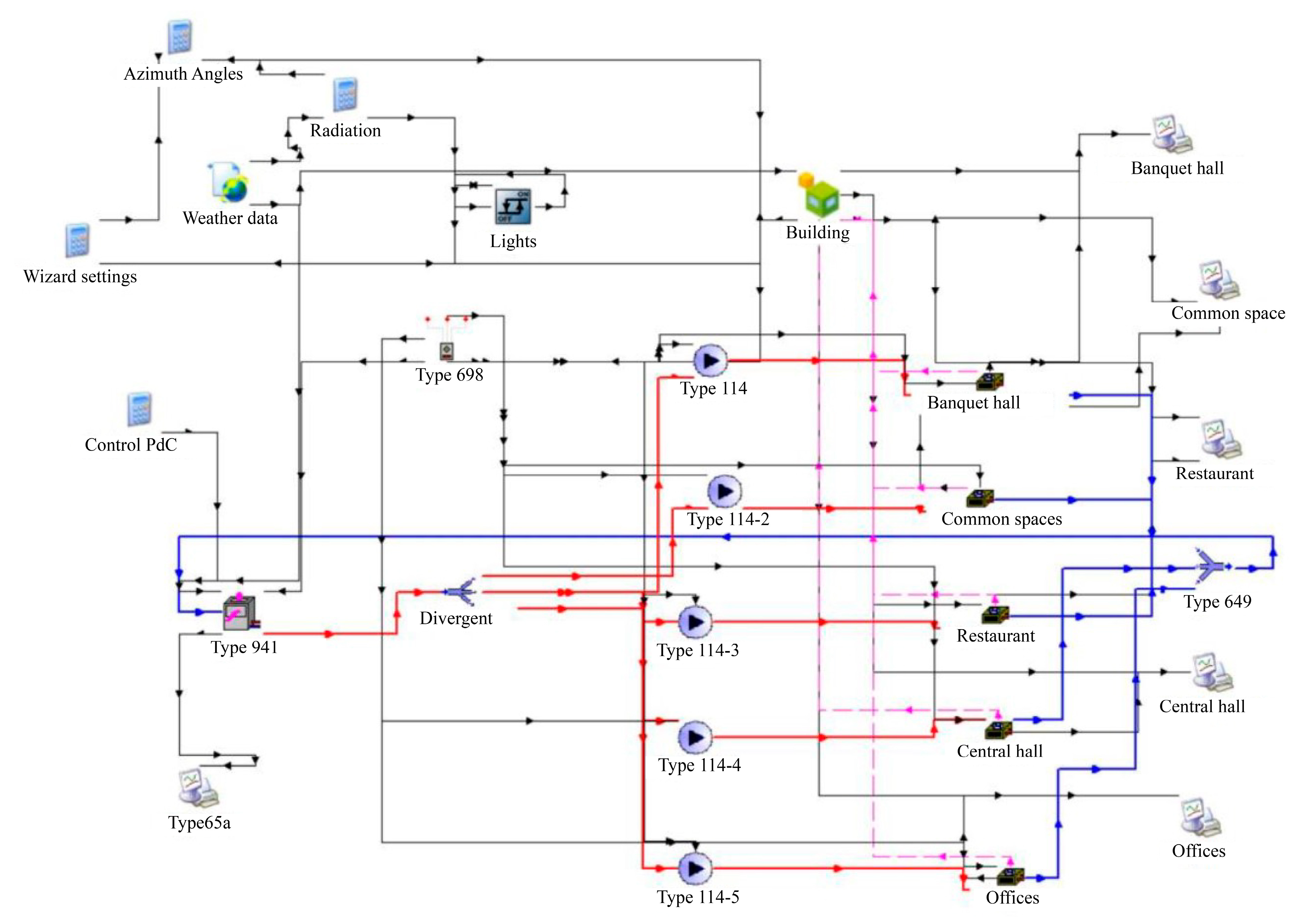
2.1.3. Simulation Studio
- Type 56 represents the building.
- Type 941 models a single-stage air–water heat pump.
- Type 698 is a differential ON/OFF device that models a five-stage room thermostat that outputs five control signals that can be used to control the heat pump. It monitors the temperatures of the different five identified thermal zones in the building and compares them with the set point temperatures and thus outputs the on or off switching of the air conditioning and/or heating system.
- Type 114 is a component that models a constant speed pump that is able to maintain a constant fluid mass flow rate.
- Type 600 is a component that models a two-pipe fan coil unit that provides heating and cooling.
- Type 647 is a component that models a diverter valve that divides an incoming mass flow into several outgoing flows, with the fractions specified by the user.
- Type 649 is a component that models a mixing valve.
- Type 65a is a component that is used to display selected system variables as the simulation proceeds and offers the possibility of exporting data.
- Solution 1, a field of flat solar collectors
- Solution 2, a field of evacuated tube solar collectors
- Type 1289, to model flat-plate solar collectors.
- Type 538, to model evacuated tube solar collectors.
- Type 114, this component models a constant speed pump that is able to maintain a constant fluid mass flow rate.
- Type 4e, to model the storage tank.
- Type 659, to model an auxiliary heater.
- Type 909, this component models an absorption chiller based on user-supplied performance data files containing capacity and COP ratios.
2.2. Results and Discussion
2.2.1. Solution 1
- Basic consumption costs, where basic consumption includes all consumption related to the different electrical equipment and which will not vary with the type of air conditioning and heating system used.
- Equipment costs, which include all consumption related to the entire heating and cooling system and will obviously vary for each scenario analyzed.
- Time band F1 (peak hours), from 8 a.m. to 7 p.m. Monday to Friday, excluding national holidays.
- Time band F2 (off-peak hours), from 7 a.m. to 8 a.m. and from 7 p.m. to 11 p.m. Monday to Friday and from 7 a.m. to 11 p.m. on Saturdays, excluding national holidays.
- Time band F3 (off-peak hours), from 0:00 a.m. to 7:00 a.m. and from 11:00 p.m. to midnight Monday to Saturday, Sundays, and public holidays all hours of the day.
2.2.2. Solution 2
3. Conclusions
Author Contributions
Funding
Institutional Review Board Statement
Informed Consent Statement
Data Availability Statement
Acknowledgments
Conflicts of Interest
References
- Staudt, P.; Ludwig, N.; Huber, J.; Hagenmeyer, V.; Weinhardt, C. SCiBER: A new public data set of municipal building consumption. In Proceedings of the e-Energy ‘18: The Ninth International Conference on Future Energy Systems, Karlsruhe, Germany, 12–15 June 2018; pp. 618–621. [Google Scholar] [CrossRef]
- Jus, N. Global Economic Impact and Trends 2021; World Travel & Tourism Council (WTTC): London, UK, 2021. [Google Scholar]
- COVID-19: Measures to Support the Travel and Tourism Sector; World Tourism Organization: Madrid, Spain, 2021.
- Next Generation EU: A European Instrument to Counter the Impact of the Coronavirus Pandemic; European Parliament: Strasbourg, France, 2021.
- Presidenza del Consiglio dei Ministri. Piano Nazionale di Ripresa e Resilienza; Governo Italiano: Rome, Italy, 2021.
- Aprile, M. Caratterizzazione Energetica del Settore Alberghiero in Italia; ENEA (Agenzia Nazionale per le Nuove Tecnologie, l’Energia e lo Sviluppo Economico Sostenibile): Rome, Italy; Ministero dello Sviluppo Economico: Rome, Italy, 2009.
- The European Green Deal, Communication from the Commission to the European Parliament. the European Council, the Council, the European Economic and Social Committee and the Committee of the Regions; European Commission: Brussels, Belgium, 2019; p. 640.
- Dipartimento di Ricerche Energetiche ed Ambientali (DREAM). Università degli Studi di Palermo Piano Energetico Ambientale Regionale Della Regione Siciliana; DREAM: Palermo, Italy, 2007. [Google Scholar]
- Analysis on Energy Use by European Hotels; Hotel Energy Solutions: Madrid, Spain, 2011.
- Chen, H.; Wang, Z.; Xu, S.; Zhao, Y.; Cheng, Q.; Zhang, B. Energy demand, emission reduction and health co-benefits evaluated in transitional China in a 2 °C warming world. J. Clean. Prod. 2020, 264, 121773. [Google Scholar] [CrossRef]
- Basili, R.; Marani, L.; Colasuonno, F.; Hugony, F.; Pagliaro, M.; Matera, M.; Zanghirella, F.; Martino, A.; Murano, G.; Nidasio, R.; et al. Certificazione Energetica degli Edifici; Rapporto Annuale 2020; ENEA (Agenzia Nazionale per le Nuove Tecnologie, l’Energia e lo Sviluppo Economico Sostenibile): Rome, Italy, 2020. [Google Scholar]
- Azzolini, G.; Basili, R.; Colasuonno, L.; Di Pietra, B.; Di Turi, S.; Hugony, F.; Marani, M.; Martino, A.; Matera, M.; Misceo, M.; et al. Certificazione Energetica degli Edifici; Rapporto Annuale 2021; ENEA (Agenzia Nazionale per le Nuove Tecnologie, l’Energia e lo Sviluppo Economico Sostenibile): Rome, Italy, 2021. [Google Scholar]
- European Commission of the European Parliament and of the Council by Establishing an Optional Common European Union Scheme for Rating the Smart Readiness of Buildings (Text with EEA Relevance) Establishing a Framework for the Setting of Ecodesign Requirements for Energy-Relevance; European Commission: Brussel, Belgium, 2020; Volume 2155.
- Luo, H.; Cao, S.; Lu, V.L. The techno-economic feasibility of a coastal zero-energy hotel building supported by the hybrid wind–wave energy system. Sustain. Energy Grids Netw. 2022, 30, 100650. [Google Scholar] [CrossRef]
- Wang, Y.; Dong, L.; Li, H. Economic Evaluation of Energy-Saving Retrofit of Existing Hotels. Energies 2022, 15, 757. [Google Scholar] [CrossRef]
- Maghraoui, A.; Hammouch, F.E.; Ledmaoui, Y.; Chebak, A. Smart Energy Management System: A Comparative Study of Energy Consumption Prediction Algorithms for a Hotel Building. In Proceedings of the 2022 4th Global Power, Energy and Communication Conference (GPECOM), Nevsehir, Turkey, 14–17 June 2022; pp. 529–534. [Google Scholar] [CrossRef]
- Shao, M.; Wang, X.; Bu, Z.; Chen, X.; Wang, Y. Prediction of energy consumption in hotel buildings via support vector machines. Sustain. Cities Soc. 2020, 57, 102128. [Google Scholar] [CrossRef]
- Scholz, P.; Linderová, I.; Konečná, K. Green management tools as a way to sustainable behaviour in the hotel industry: Case study from Czechia. Sustainibility 2020, 12, 10027. [Google Scholar] [CrossRef]
- Wu, Y.; Xin, B.; Zhu, H.; Ye, Z. Energy-Saving Operation Strategy for Hotels Considering the Impact of COVID-19 in the Context of Carbon Neutrality. Sustainibility 2022, 14, 14919. [Google Scholar] [CrossRef]
- Wang, D.; Meng, J.; Zhang, T. Post-evaluation on energy saving reconstruction for hotel buildings, a case study in Jiangsu, China. Energy Build. 2021, 251, 111316. [Google Scholar] [CrossRef]
- UNI CEI EN 16247-1:2022; Energy Audits—Part 1: General Requirements. Italian Organization for Standardization (UNI): Milano, Italy, 2022.
- Ma, Z.; Cooper, P.; Daly, D.; Ledo, L. Existing building retrofits: Methodology and state-of-the-art. Energy Build. 2012, 55, 889–902. [Google Scholar] [CrossRef]
- Air to Water Chillers and Heat Pumps with Single Screw Compressors; AERMEC: Bevilacqua, Italy, 2012; p. 80.
- Luomi, M.; Abdullah, K.; Studies, P. Where Are the Leaders? Analysis of the COP 25 Climate Change Conference. In Proceedings of the UN Climate Change Conference COP 25, Madrid, Spain, 2–13 December 2021. [Google Scholar]
- UNI 10349-1:2016; Heating and Cooling of Buildings—Climatic data—Part 1: Monthly Averages for the Evaluation of the Thermo-Energy Performance of the Building and Methods for Dividing the Solar Irradiance into the Direct and Diffuse Fraction and for Calculating the Solar Irradiance on an Inclined Surface. Italian Organization for Standardization (UNI): Milano, Italy, 2016.
- UNI TS 11300-2; Prestazioni Energetiche degli Edifici—Parte 2: Determinazione del Fabbisogno di Energia Primaria e dei Rendimenti per la Climatizzazione Invernale, per la Produzione di Acqua Calda Sanitaria, per la Ventilazione e per l’Illuminazione in 2019. Italian Organization for Standardization (UNI): Milano, Italy, 2019.
- UNI EN ISO 7730; Ergonomia degli Ambienti Termici Determinazione Analitica e Interpretazione del Benessere Termico Mediante il Calcolo degli Indici PMV e PPD e dei Criteri di Benessere Termico Locale UNI EN ISO 7730. Italian Organization for Standardization (UNI): Milano, Italy, 2006; p. 54.
- Chen, E.; Xie, M.; Jia, T.; Zhao, Y.; Dai, Y. Performance assessment of a solar-assisted absorption-compression system for both heating and cooling. Appl. Energy 2022, 328, 120238. [Google Scholar] [CrossRef]
















| Daily Hours of Activity | ||||||||||||
|---|---|---|---|---|---|---|---|---|---|---|---|---|
| Oct-17 | Nov-17 | Dec-17 | Jan-18 | Feb-18 | Mar-18 | Apr-18 | May-18 | Jun-18 | Jul-18 | Aug-18 | Sep-18 | |
| Kitchen | 10 | 5 | 4 | 3 | 3 | 9 | 6 | 8 | 12 | 18 | 18 | 14 |
| Cold storage | 24 | 4 | 9 | 10 | 10 | 10 | 6 | 8 | 15 | 15 | 15 | 14 |
| Outdoor lighting | 12 | 8 | 12 | 12 | 12 | 11 | 9 | 9 | 8 | 8 | 8 | 8 |
| Air conditioning | 10 | 6.5 | 8.5 | 4 | 5 | 4.5 | 4 | 8 | 8 | 8 | 8 | 8 |
| Offices | 8 | 8 | 8 | 8 | 8 | 8 | 8 | 8 | 8 | 8 | 8 | 8 |
| Daily Hours of Activity | ||||||||||||
|---|---|---|---|---|---|---|---|---|---|---|---|---|
| Oct-17 | Nov-17 | Dec-17 | Jan-18 | Feb-18 | Mar-18 | Apr-18 | May-18 | Jun-18 | Jul-18 | Aug-18 | Sep-18 | |
| Kitchen | 9 | 9 | 14 | 9 | 8 | 9 | 30 | 31 | 30 | 31 | 31 | 30 |
| Cold storage | 30 | 31 | 30 | 31 | 28 | 31 | 30 | 31 | 30 | 31 | 31 | 30 |
| Outdoor lighting | 30 | 31 | 30 | 31 | 28 | 31 | 30 | 31 | 30 | 31 | 31 | 30 |
| Air conditioning | 30 | 31 | 30 | 31 | 28 | 31 | 30 | 31 | 30 | 31 | 31 | 30 |
| Offices | 30 | 31 | 30 | 31 | 28 | 31 | 30 | 31 | 30 | 31 | 31 | 30 |
| Fan Coils Technical Characteristics | |||
|---|---|---|---|
| Model | Flow Rate [L/s] | Thermal Power [kW] | Fan Power [W] |
| FC–90 | 0.33 | 8.5 | 80 |
| FC–70 | 0.22 | 5.0 | 40 |
| FC–60 | 0.18 | 4.2 | 30 |
| FC–40 | 0.12 | 3.0 | 20 |
| Average Monthly Electrical Energy Consumption | ||||||||||||
|---|---|---|---|---|---|---|---|---|---|---|---|---|
| Oct-17 | Nov-17 | Dec-17 | Jan-18 | Feb-18 | Mar-18 | Apr-18 | May-18 | Jun-18 | Jul-18 | Aug-18 | Sep-18 | |
| MWhe | 50.7 | 23.1 | 32.9 | 20.9 | 20.7 | 28.4 | 36.7 | 55.6 | 73.1 | 98.9 | 99 | 80.3 |
| Domestic Hot Water Demand [kWht] | ||||||||||||
|---|---|---|---|---|---|---|---|---|---|---|---|---|
| Oct-17 | Nov-17 | Dec-17 | Jan-18 | Feb-18 | Mar-18 | Apr-18 | May-18 | Jun-18 | Jul-18 | Aug-18 | Sep-18 | |
| Kitchen | 113 | 113 | 176 | 113 | 100 | 113 | 188 | 176 | 176 | 176 | 188 | 188 |
| Restrooms | 132 | 293 | 293 | 132 | 117 | 102 | 220 | 205 | 205 | 205 | 220 | 220 |
| Gas Consumptions | ||||||||||||
|---|---|---|---|---|---|---|---|---|---|---|---|---|
| Oct-17 | Nov-17 | Dec-17 | Jan-18 | Feb-18 | Mar-18 | Apr-18 | May-18 | Jun-18 | Jul-18 | Aug-18 | Sep-18 | |
| Scm/month | 887 | 576 | 783 | 398 | 409 | 434 | 866 | 1071 | 997 | 986 | 1027 | 1040 |
| MWh/month | 21.2 | 13.8 | 18.7 | 9.5 | 9.8 | 10.4 | 20.7 | 25.6 | 23.8 | 23.6 | 24.5 | 24.9 |
| Solar Collector Technical Characteristics | |
|---|---|
| Gross absorption area [m2] | 2.43 |
| Net absorption area [m2] | 2.23 |
| Weight [kg] | 44 |
| Absorption capacity % | 95 |
| Liquid content [L] | 1.27 |
| Peak power [W] | 1751 |
| First-order heat loss [W/m2K] | 3.72 |
| Second-order heat loss [W/m2K2] | 0.012 |
| IAM Incidence Angle Modifier (50 °C) | 0.95 |
| F′ (τα) | 0.795 |
| Evacuated Tube Solar Collector Technical Characteristics | |
|---|---|
| Gross absorption area [m2] | 3.26 |
| Net absorption area [m2] | 2.83 |
| Weight [kg] | 63 |
| Absorption capacity % | 95 |
| Liquid content [L] | 2.33 |
| Peak power [W] | 2034 |
| First-order heat loss [W/m2K] | 1.063 |
| Second-order heat loss [W/m2K2] | 0.005 |
| IAM Incidence Angle Modifier (50 °C) | 1.09 |
| F′ (τα) | 0.716 |
| Solar Absorption Chiller Technical Characteristics | |
|---|---|
| Cooling power [kW] | 210 |
| Refrigerated water | |
| Outlet water temperature [°C] | 12 |
| Inlet water temperature [°C] | 7 |
| Flow rate [m3/h] | 85.5 |
| Fluid supply to generator | |
| Outlet water temperature [°C] | 95 |
| Inlet water temperature [°C] | 85 |
| Flow rate [m3/h] | 25.6 |
| Thermal input power | 287 |
Disclaimer/Publisher’s Note: The statements, opinions and data contained in all publications are solely those of the individual author(s) and contributor(s) and not of MDPI and/or the editor(s). MDPI and/or the editor(s) disclaim responsibility for any injury to people or property resulting from any ideas, methods, instructions or products referred to in the content. |
© 2023 by the authors. Licensee MDPI, Basel, Switzerland. This article is an open access article distributed under the terms and conditions of the Creative Commons Attribution (CC BY) license (https://creativecommons.org/licenses/by/4.0/).
Share and Cite
Guercio, A.; Curto, D.; Franzitta, V.; Frascati, M.; Milone, D.; Martorana, P.; Mantegna, M. Energy Analyses and Optimization Proposals for Hotels in Sicily: A Case Study. Sustainability 2024, 16, 146. https://doi.org/10.3390/su16010146
Guercio A, Curto D, Franzitta V, Frascati M, Milone D, Martorana P, Mantegna M. Energy Analyses and Optimization Proposals for Hotels in Sicily: A Case Study. Sustainability. 2024; 16(1):146. https://doi.org/10.3390/su16010146
Chicago/Turabian StyleGuercio, Andrea, Domenico Curto, Vincenzo Franzitta, Margherita Frascati, Daniele Milone, Pierluca Martorana, and Miriam Mantegna. 2024. "Energy Analyses and Optimization Proposals for Hotels in Sicily: A Case Study" Sustainability 16, no. 1: 146. https://doi.org/10.3390/su16010146
APA StyleGuercio, A., Curto, D., Franzitta, V., Frascati, M., Milone, D., Martorana, P., & Mantegna, M. (2024). Energy Analyses and Optimization Proposals for Hotels in Sicily: A Case Study. Sustainability, 16(1), 146. https://doi.org/10.3390/su16010146

