Augmented Reality: An Emergent Technology for Students’ Learning Motivation for Chemical Engineering Laboratories during the COVID-19 Pandemic
Abstract
1. Introduction
1.1. Learning Methodologies: Project-Based Learning (PBL)
1.2. Learning Technologies: Augmented Reality (AR)
1.3. Project-Based Learning (PBL) Assisted by Augmented Reality (AR)
- Experiment simulation: Augmented reality can be used to simulate real-world experiments and situations that can be dangerous or expensive to carry out in the classroom. For example, chemistry students could use augmented reality to simulate dangerous chemical reactions in a safe environment.
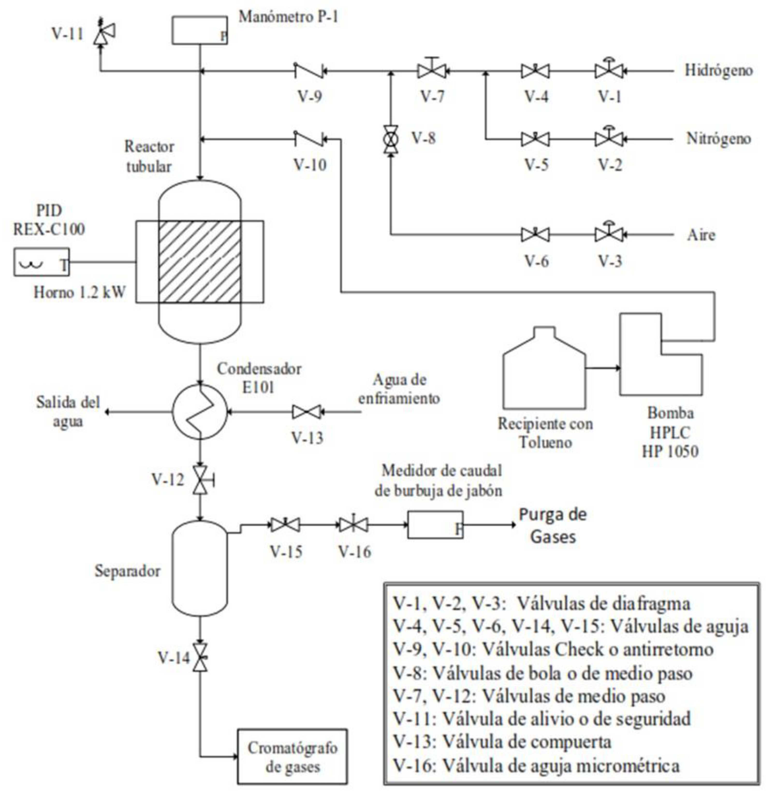
- Simulation of chemical processes: AR can be used to simulate chemical and physical processes, allowing students to see how they work and how their components interact. For example, Chemical Engineering students could use AR to simulate distillation processes, gas separation, and chemical reactions, among others.
- Equipment Design and Visualization: AR can be used to create interactive 3D models and overlay them in the real world, allowing students to see what equipment looks like in real life and manipulate it to see how it works. For example, Chemical Engineering students could use AR to visualize and manipulate models of chemical reactors, heat exchangers, distillation columns, and more.
- Viewing 3D models: AR can be used to create interactive 3D models and overlay them on the real world, allowing students to see what models look like in real life and to manipulate them to see how they work. For example, Chemical Engineering students could use augmented reality to visualize and manipulate molecular models in the real world.
- Contextual Learning: AR can be used to provide additional contextual information about student projects, helping students better understand their importance and how they relate to the real world. For example, Chemical Engineering students could use AR to see and understand how a chemical production facility relates to its environment.
2. Materials and Methods
2.1. Preparation of the Project-Based Learning (PBL) Assisted with Augmented Reality (AR)
2.2. Description of Participants
2.3. Description of the Project
2.4. Measurements
2.5. Statistic Analysis
3. Results and Discussion
3.1. Results of a Sample Project
3.2. Measurement of Validity and Reliability of IMMS
3.3. Evaluation of Students Learning Motivation
4. Conclusions
Author Contributions
Funding
Conflicts of Interest
References
- United Nations Sustainable Development Goals. Available online: http://www.undp.org/content/undp/en/home/sustainable-development-goals.html (accessed on 24 September 2022).
- Khandakar, A.; Chowdhury, M.E.H.; Khalid, M.D.S.; Zorba, N. Case Study of Multi-Course Project-Based Learning and Online Assessment in Electrical Engineering Courses during COVID-19 Pandemic. Sustainability 2022, 14, 5056. [Google Scholar] [CrossRef]
- Castro-Schez, J.J.; Redondo, M.A.; Jurado, F.; Albusac, J. Experience Applying Language Processing Techniques to Develop Educational Software That Allow Active Learning Methodologies by Advising Students. J. Netw. Comput. Appl. 2014, 41, 65–79. [Google Scholar] [CrossRef]
- Ocampo-López, C.; Castrillón-Hernández, F.; Alzate-Gil, H. Implementation of Integrative Projects as a Contribution to the Major Design Experience in Chemical Engineering. Sustainability 2022, 14, 6230. [Google Scholar] [CrossRef]
- Goyal, M.; Gupta, C.; Gupta, V. A Meta-Analysis Approach to Measure the Impact of Project-Based Learning Outcome with Program Attainment on Student Learning Using Fuzzy Inference Systems. Heliyon 2022, 8, e10248. [Google Scholar] [CrossRef]
- Gomez-del Rio, T.; Rodriguez, J. Design and Assessment of a Project-Based Learning in a Laboratory for Integrating Knowledge and Improving Engineering Design Skills. Educ. Chem. Eng. 2022, 40, 17–28. [Google Scholar] [CrossRef]
- Xi, J.; Wang, X. Development of Landscape Architecture Design Students’ Pro-Environmental Awareness by Project-Based Learning. Sustainability 2022, 14, 2164. [Google Scholar] [CrossRef]
- Ruslan, M.S.H.; Bilad, M.R.; Noh, M.H.; Sufian, S. Integrated Project-Based Learning (IPBL) Implementation for First Year Chemical Engineering Student: DIY Hydraulic Jack Project. Educ. Chem. Eng. 2021, 35, 54–62. [Google Scholar] [CrossRef]
- Beneroso, D.; Robinson, J. Online Project-Based Learning in Engineering Design: Supporting the Acquisition of Design Skills. Educ. Chem. Eng. 2022, 38, 38–47. [Google Scholar] [CrossRef]
- Guo, P.; Saab, N.; Post, L.S.; Admiraal, W. A Review of Project-Based Learning in Higher Education: Student Outcomes and Measures. Int. J. Educ. Res. 2020, 102, 101586. [Google Scholar] [CrossRef]
- Basilotta Gómez-Pablos, V.; Martín del Pozo, M.; García-Valcárcel Muñoz-Repiso, A. Project-Based Learning (PBL) through the Incorporation of Digital Technologies: An Evaluation Based on the Experience of Serving Teachers. Comput. Hum. Behav. 2017, 68, 501–512. [Google Scholar] [CrossRef]
- Tang, Y.M.; Chau, K.Y.; Kwok, A.P.K.; Zhu, T.; Ma, X. A Systematic Review of Immersive Technology Applications for Medical Practice and Education—Trends, Application Areas, Recipients, Teaching Contents, Evaluation Methods, and Performance. Educ. Res. Rev. 2022, 35, 100429. [Google Scholar] [CrossRef]
- Radianti, J.; Majchrzak, T.A.; Fromm, J.; Wohlgenannt, I. A Systematic Review of Immersive Virtual Reality Applications for Higher Education: Design Elements, Lessons Learned, and Research Agenda. Comput. Educ. 2020, 147, 103778. [Google Scholar] [CrossRef]
- Fan, X.; Jiang, X.; Deng, N. Immersive Technology: A Meta-Analysis of Augmented/Virtual Reality Applications and Their Impact on Tourism Experience. Tour. Manag. 2022, 91, 104534. [Google Scholar] [CrossRef]
- Nhan, V.K.; Tam, L.T.; Dung, H.T.; Vu, N.T. A Conceptual Model for Studying the Immersive Mobile Augmented Reality Application-Enhanced Experience. Heliyon 2022, 8, e10141. [Google Scholar] [CrossRef] [PubMed]
- López Chávez, O.; Rodríguez, L.-F.; Gutierrez-Garcia, J.O. A Comparative Case Study of 2D, 3D and Immersive-Virtual-Reality Applications for Healthcare Education. Int. J. Med. Inform. 2020, 141, 104226. [Google Scholar] [CrossRef]
- Liu, R.; Peng, C.; Zhang, Y.; Husarek, H.; Yu, Q. A Survey of Immersive Technologies and Applications for Industrial Product Development. Comput. Graph. 2021, 100, 137–151. [Google Scholar] [CrossRef]
- AlFadalat, M.; Al-Azhari, W. An Integrating Contextual Approach Using Architectural Procedural Modeling and Augmented Reality in Residential Buildings: The Case of Amman City. Heliyon 2022, 8, e10040. [Google Scholar] [CrossRef]
- Jagtap, S.; Saxena, P.; Salonitis, K. Food 4.0: Implementation of the Augmented Reality Systems in the Food Industry. Procedia CIRP 2021, 104, 1137–1142. [Google Scholar] [CrossRef]
- Giannopulu, I.; Brotto, G.; Lee, T.J.; Frangos, A.; To, D. Synchronised Neural Signature of Creative Mental Imagery in Reality and Augmented Reality. Heliyon 2022, 8, e09017. [Google Scholar] [CrossRef]
- Venkatesan, M.; Mohan, H.; Ryan, J.R.; Schürch, C.M.; Nolan, G.P.; Frakes, D.H.; Coskun, A.F. Virtual and Augmented Reality for Biomedical Applications. Cell Rep. Med. 2021, 2, 100348. [Google Scholar] [CrossRef]
- Dincelli, E.; Yayla, A. Immersive Virtual Reality in the Age of the Metaverse: A Hybrid-Narrative Review Based on the Technology Affordance Perspective. J. Strateg. Inf. Syst. 2022, 31, 101717. [Google Scholar] [CrossRef]
- Do, H.-N.; Shih, W.; Ha, Q.-A. Effects of Mobile Augmented Reality Apps on Impulse Buying Behavior: An Investigation in the Tourism Field. Heliyon 2020, 6, e04667. [Google Scholar] [CrossRef]
- Yavuz, M.; Çorbacıoğlu, E.; Başoğlu, A.N.; Daim, T.U.; Shaygan, A. Augmented Reality Technology Adoption: Case of a Mobile Application in Turkey. Technol. Soc. 2021, 66, 101598. [Google Scholar] [CrossRef]
- Ghaednia, H.; Fourman, M.S.; Lans, A.; Detels, K.; Dijkstra, H.; Lloyd, S.; Sweeney, A.; Oosterhoff, J.H.F.; Schwab, J.H. Augmented and Virtual Reality in Spine Surgery, Current Applications and Future Potentials. Spine J. 2021, 21, 1617–1625. [Google Scholar] [CrossRef]
- Low, D.Y.S.; Poh, P.E.; Tang, S.Y. Assessing the Impact of Augmented Reality Application on Students’ Learning Motivation in Chemical Engineering. Educ. Chem. Eng. 2022, 39, 31–43. [Google Scholar] [CrossRef]
- Turel, Y.K.; Ozer Sanal, S. The Effects of an ARCS Based E-Book on Student’s Achievement, Motivation and Anxiety. Comput. Educ. 2018, 127, 130–140. [Google Scholar] [CrossRef]
- Keller, J.M. (Ed.) The Arcs Model of Motivational Design BT—Motivational Design for Learning and Performance: The ARCS Model Approach; Springer: Boston, MA, USA, 2010; pp. 43–74. ISBN 978-1-4419-1250-3. [Google Scholar]
- Li, K.; Keller, J.M. Use of the ARCS Model in Education: A Literature Review. Comput. Educ. 2018, 122, 54–62. [Google Scholar] [CrossRef]
- Teles dos Santos, M.; Vianna, A.S., Jr.; le Roux, G.A.C. Programming Skills in the Industry 4.0: Are Chemical Engineering Students Able to Face New Problems? Educ. Chem. Eng. 2018, 22, 69–76. [Google Scholar] [CrossRef]
- Ballesteros, M.A.; Daza, M.A.; Valdés, J.P.; Ratkovich, N.; Reyes, L.H. Applying PBL Methodologies to the Chemical Engineering Courses: Unit Operations and Modeling and Simulation, Using a Joint Course Project. Educ. Chem. Eng. 2019, 27, 35–42. [Google Scholar] [CrossRef]
- Zhang, M.J.; Newton, C.; Grove, J.; Pritzker, M.; Ioannidis, M. Design and Assessment of a Hybrid Chemical Engineering Laboratory Course with the Incorporation of Student-Centred Experiential Learning. Educ. Chem. Eng. 2020, 30, 1–8. [Google Scholar] [CrossRef]
- Wiesner, T.F.; Lan, W. Comparison of Student Learning in Physical and Simulated Unit Operations Experiments. J. Eng. Educ. 2004, 93, 195–204. [Google Scholar] [CrossRef]
- Alam, G.M.; Parvin, M. Can Online Higher Education Be an Active Agent for Change?—Comparison of Academic Success and Job-Readiness before and during COVID-19. Technol. Forecast. Soc. Change 2021, 172, 121008. [Google Scholar] [CrossRef]
- Mukhopadhyay, U. Impact of Covid-19 Pandemic on Academic Performance and Work-Life Balance of Women Academicians. Asian J. Soc. Sci. 2022, in press. [Google Scholar] [CrossRef] [PubMed]
- Bezanilla, M.J.; Fernández-Nogueira, D.; Poblete, M.; Galindo-Domínguez, H. Methodologies for Teaching-Learning Critical Thinking in Higher Education: The Teacher’s View. Think Ski. Creat. 2019, 33, 100584. [Google Scholar] [CrossRef]
- Servant, V.F.C.; Schmidt, H.G. Revisiting ‘Foundations of Problem-Based Learning: Some Explanatory Notes’. Med. Educ. 2016, 50, 698–701. [Google Scholar] [CrossRef] [PubMed]
- Bourazeri, A.; Arnab, S.; Heidmann, O.; Coelho, A.; Morini, L. Taxonomy of a Gamified Lesson Path for STEM Education: The Beaconing Approach. In Proceedings of the 11th European Conference on Games Based Learning, ECGBL 2017, Graz, Austria, 5–6 October 2017; pp. 29–37. [Google Scholar]
- Sharma, A.; Dutt, H.; Naveen Venkat Sai, C.; Naik, S.M. Impact of Project Based Learning Methodology in Engineering. Procedia Comput. Sci. 2020, 172, 922–926. [Google Scholar] [CrossRef]
- Saad, A.; Zainudin, S. A Review of Project-Based Learning (PBL) and Computational Thinking (CT) in Teaching and Learning. Lear. Motiv. 2022, 78, 101802. [Google Scholar] [CrossRef]
- Holt, S. Virtual Reality, Augmented Reality and Mixed Reality: For Astronaut Mental Health; and Space Tourism, Education and Outreach. Acta Astronaut. 2023, 203, 436–446. [Google Scholar] [CrossRef]
- De Lima, C.B.; Walton, S.; Owen, T. A Critical Outlook at Augmented Reality and Its Adoption in Education. Comput. Educ. Open 2022, 3, 100103. [Google Scholar] [CrossRef]
- Jääskä, E.; Lehtinen, J.; Kujala, J.; Kauppila, O. Game-Based Learning and Students’ Motivation in Project Management Education. Proj. Leadersh. Soc. 2022, 3, 100055. [Google Scholar] [CrossRef]
- Roopa, D.; Prabha, R.; Senthil, G.A. Revolutionizing Education System with Interactive Augmented Reality for Quality Education. Mater. Today Proc. 2021, 46, 3860–3863. [Google Scholar] [CrossRef]
- Radu, I.; Yuan, J.; Huang, X.; Schneider, B. Charting Opportunities and Guidelines for Augmented Reality in Makerspaces through Prototyping and Co-Design Research. Comput. Educ. X Real. 2023, 2, 100008. [Google Scholar] [CrossRef]
- Salazar-Peña, R.; Pedroza-Toscano, M.A.; López-Cuenca, S.; Zárate-Navarro, M.A. Project-Based Learning for an Online Course of Simulation Engineering: From Bioreactor to Epidemiological Modeling. Educ. Chem. Eng. 2023, 42, 68–79. [Google Scholar] [CrossRef]
- Kumar, V.V.; Carberry, D.; Beenfeldt, C.; Andersson, M.P.; Mansouri, S.S.; Gallucci, F. Virtual Reality in Chemical and Biochemical Engineering Education and Training. Educ. Chem. Eng. 2021, 36, 143–153. [Google Scholar] [CrossRef]
- Barroso Osuna, J.; Cabero Almenara, J.; Moreno Fernández, A.M. The Use of Learning Objects in Augmented Reality in the Teaching of Medicine. Innoeduca Int. J. Technol. Educ. Innov. 2016, 2, 77–83. [Google Scholar] [CrossRef]
- Krug, M.; Czok, V.; Müller, S.; Weitzel, H.; Huwer, J.; Kruse, S.; Müller, W. Ein Bewertungsraster Für Augmented-Reality-Lehr-Lernszenarien Im Unterricht. CHEMKON 2022, 29, 312–318. [Google Scholar] [CrossRef]
- Camargo, L.; Herrera-Pino, J.; Shelach, S.; Soto-Añari, M.; Porto, M.F.; Alonso, M.; González, M.; Contreras, O.; Caldichoury, N.; Ramos-Henderson, M.; et al. GAD-7 Generalised Anxiety Disorder Scale in Colombian Medical Professionals during the COVID-19 Pandemic: Construct Validity and Reliability. Rev. Colomb. Psiquiatr. 2021, in press. [Google Scholar] [CrossRef]
- Henson, R.K. Understanding Internal Consistency Reliability Estimates: A Conceptual Primer on Coefficient Alpha. Meas. Eval. Couns. Dev. 2001, 34, 177–189. [Google Scholar] [CrossRef]
- Taber, K.S. The Use of Cronbach’s Alpha When Developing and Reporting Research Instruments in Science Education. Res. Sci. Educ. 2018, 48, 1273–1296. [Google Scholar] [CrossRef]
- Echauri, A.M.F.; Minami, H.; Sandoval, M.J.I. La Escala de Likert En La Evaluación Docente: Acercamiento a Sus Características y Principios Metodológicos. Perspect. Docentes 2012, 50, 31–40. [Google Scholar]
- Laurens-Arredondo, L. Mobile Augmented Reality Adapted to the ARCS Model of Motivation: A Case Study during the COVID-19 Pandemic. Educ. Inf. Technol. 2022, 27, 7927–7946. [Google Scholar] [CrossRef] [PubMed]
- Tavakol, M.; Dennick, R. Making Sense of Cronbach’s Alpha. Int. J. Med. Educ. 2011, 2, 53–55. [Google Scholar] [CrossRef] [PubMed]
- Bacca-Acosta, J.; Baldiris, S.; Fabregat, R.; Kinshuk, D. Framework for Designing Motivational Augmented Reality Applications in Vocational Education and Training. Australas. J. Educ. Technol. 2019, 35, 3. [Google Scholar] [CrossRef]
- Anuar, S.; Nizar, N.; Ismail, M.A. The Impact of Using Augmented Reality as Teaching Material on Students’ Motivation. Asian J. Vocat. Educ. Humanit. 2021, 2, 1–8. [Google Scholar] [CrossRef]










| Semester | Course | Number of Participants | Work Hours per Week | ||
|---|---|---|---|---|---|
| Theoretical | Practical | Autonomous | |||
| (O20F21) 4th | Mass and energy balance | 24 | 3 | 2 | 4 |
| (AA21) 5th | Fluid mechanics | 24 | 3 | 2 | 4 |
| (O20F21) 5th | Heat transfer | 15 | 3 | 2 | 4 |
| (O20F21) 6th | Chemical kinetic | 24 | 3 | 2 | 4 |
| (AA21) 6th | Mass transfer | 24 | 4 | 2 | 6 |
| (AA21) 7th | Reactor design | 24 | 3 | 2 | 4 |
| Category | Excellent (10–7) | Satisfactory (6.9–4) | Not-Enough (<3.9) |
|---|---|---|---|
| Content | The objective of the project is described. The resource is easily understood. The work presented demonstrate a fundamental principle. | The objective of the project is partially clear. The resource is not clearly understood. The work presented demonstrate partially a fundamental principle. | The objective of the project is not described. The resource is not easily understood. The work presented does not demonstrate a fundamental principle. |
| Structure | The resource has a title. There is a brief and concise description. The presentation is sequential. The presentation is within 10 min. | The resource title is not clear enough. There is not a brief and concise description. The presentation does not follow an order. The presentation is within 15 min. | The resource has not a title. There is not description. The presentation is not sequential. The presentation exceeds 15 min. |
| Multimedia elements | There are included two or more multimedia elements | There are included at least 2 multimedia elements | There are not included multimedia elements |
| Organization of information | The information presented is clear | The information presented is partially clear | The information presented is not clear |
| Attention (10 Questions) | Confidence (9 Questions) |
|---|---|
| There was something interesting about the AR materials. The AR technology catches my attention. The quality of the AR material keeps my attention. The images, videos and texts that I have discovered through the activity are attractive. The organization of information using AR helped me to keep my attention. Information discovered through experience encouraged my interest. The repetition of activities tires me. I have learned new things from AR that were surprising. The audiovisual material helped keep my attention on the activity. There is so much information that it is irritating. | When I saw the exercises performed in AR, it was easy for me The AR material is more difficult to understand. The introductory information help me to felt confident to learn from this activity. The information was so much that it was difficult for me to remember the important points. Working on this activity help me to be confident to learn the content. It was difficult to discover the digital information linked with the real image. After working with AR resources, I would be able to pass the final test. For me was really difficult to understand the material in this activity. The good organization of the AR material helped me to learn the content. |
| Relevance (9 questions) | Satisfaction (6 questions) |
| The AR material helped me to know information that I do not known before. The images, videos and texts used in the AR materials were relevant for knowledge. When I complete the activity successfully it was important to me. The content of this material is relevant to me. After the AR experience is clear for me how people use the knowledge of these activities. The audiovisual material used in the resources encouraged the knowledge. This activity was relevant because it helped to knew new content. I have been before the content presented by AR material. The information presented in this activity is useful to me. | It was satisfying for me to complete the activities. I would like to know and practice more about it because I have enjoyed this activity. I really enjoyed studying the AR resources. I feel an achievement as consequence of my effort in these activities. It was successful for me to complete these activities. I believe this was a well-designed activity. |
| Semester | Course | Grades | ||
|---|---|---|---|---|
| Excellent (10–7) | Satisfactory (6.9–4) | Not-Enough (<3.9) | ||
| (O20F21) 4th | Mass and energy balance | 100 | - | - |
| (AA21) 5th | Fluid mechanics | 100 | - | - |
| (O20F21) 5th | Heat transfer | 93 | 7 | - |
| (O20F21)6th | Chemical kinetic | 100 | - | - |
| (AA21) 6th | Mass transfer | 100 | - | - |
| (AA21) 7th | Reactor’s design | 100 | - | - |
| Dimension | April 2020–February 2021 | April 2021–February 2022 | ||||
|---|---|---|---|---|---|---|
| Mean | SD | Cronbach’s Alpha | Mean | SD | Cronbach’s Alpha | |
| Total instrument (I) | 3.5 | 0.6 | 0.93 | 3.4 | 0.8 | 0.96 |
| Total instrument (D) | 2.1 | 1.0 | 0.89 | 2.1 | 1.1 | 0.92 |
| Attention (AI) | 3.5 | 0.6 | 0.79 | 3.4 | 0.8 | 0.94 |
| Attention (AD) | 2.0 | 0.9 | 0.83 | 1.9 | 1.0 | 0.90 |
| Confidence (CI) | 3.3 | 0.6 | 0.68 | 3.3 | 0.7 | 0.76 |
| Confidence (CD) | 2.3 | 1.0 | 0.70 | 2.1 | 1.0 | 0.82 |
| Relevance (RI) | 3.4 | 0.6 | 0.76 | 3.4 | 0.8 | 0.87 |
| Relevance (RD) | 2.1 | 1.0 | 0.59 | 2.2 | 1.2 | 0.59 |
| Satisfaction (SI) | 3.5 | 0.6 | 0.82 | 3.4 | 0.8 | 0.93 |
| Attention | |||||||||||||
|---|---|---|---|---|---|---|---|---|---|---|---|---|---|
| Increase | Decrease | ||||||||||||
| S | Semester | AI1 | AI2 | AI3 | AI4 | AI5 | AI6 | AI7 | AD1 | AD2 | AD3 | AD4 | AD5 |
| 1 | April 2020–February 2021 | 1 | 0 | 0 | 0 | 1 | 1 | 0 | 30 | 31 | 28 | 59 | 56 |
| 2 | 6 | 6 | 4 | 3 | 3 | 3 | 3 | 31 | 37 | 39 | 22 | 23 | |
| 3 | 32 | 30 | 37 | 45 | 44 | 38 | 35 | 27 | 23 | 23 | 14 | 16 | |
| 4 | 61 | 64 | 59 | 51 | 52 | 57 | 62 | 11 | 9 | 10 | 5 | 6 | |
| 1 | April 2021–February 2022 | 3 | 7 | 3 | 0 | 3 | 10 | 7 | 53 | 33 | 40 | 60 | 63 |
| 2 | 17 | 3 | 3 | 13 | 3 | 7 | 7 | 17 | 23 | 33 | 23 | 10 | |
| 3 | 20 | 23 | 43 | 23 | 40 | 27 | 33 | 20 | 37 | 13 | 3 | 17 | |
| 4 | 60 | 67 | 50 | 63 | 53 | 57 | 53 | 10 | 7 | 13 | 13 | 10 | |
| Confidence | ||||||||||
|---|---|---|---|---|---|---|---|---|---|---|
| Increase | Decrease | |||||||||
| S | Semester | CI1 | CI2 | CI3 | CI4 | CI5 | CD1 | CD2 | CD3 | CD4 |
| 1 | April 2020–February 2021 | 3 | 0 | 0 | 2 | 0 | 19 | 17 | 27 | 46 |
| 2 | 16 | 4 | 3 | 7 | 7 | 30 | 40 | 30 | 28 | |
| 3 | 57 | 54 | 45 | 52 | 41 | 34 | 32 | 33 | 19 | |
| 4 | 24 | 42 | 52 | 39 | 52 | 17 | 11 | 10 | 7 | |
| 1 | April 2021–February 2022 | 0 | 3 | 3 | 0 | 0 | 37 | 40 | 20 | 57 |
| 2 | 20 | 17 | 7 | 3 | 10 | 30 | 20 | 33 | 17 | |
| 3 | 57 | 33 | 27 | 53 | 33 | 23 | 23 | 37 | 17 | |
| 4 | 23 | 47 | 63 | 43 | 57 | 10 | 17 | 10 | 10 | |
| Relevance (%) | ||||||||||
|---|---|---|---|---|---|---|---|---|---|---|
| Increase | Decrease | |||||||||
| S | Semester | RI1 | RI2 | RI3 | RI4 | RI5 | RI6 | RI7 | CI5 | CD1 |
| 1 | April 2020–February 2021 | 2 | 0 | 4 | 2 | 0 | 0 | 0 | 29 | 50 |
| 2 | 9 | 2 | 7 | 10 | 3 | 5 | 4 | 23 | 23 | |
| 3 | 61 | 26 | 46 | 43 | 36 | 53 | 33 | 36 | 18 | |
| 4 | 29 | 72 | 43 | 44 | 61 | 42 | 63 | 13 | 10 | |
| 1 | April 2021–February 2022 | 3 | 0 | 3 | 3 | 0 | 0 | 3 | 37 | 40 |
| 2 | 13 | 0 | 13 | 13 | 13 | 13 | 7 | 20 | 23 | |
| 3 | 33 | 33 | 30 | 23 | 23 | 43 | 30 | 20 | 23 | |
| 4 | 50 | 67 | 53 | 60 | 63 | 43 | 60 | 23 | 13 | |
| Satisfaction (%) | |||||||
|---|---|---|---|---|---|---|---|
| Increase | |||||||
| S | Semester | SI1 | SI2 | SI3 | SI4 | SI5 | SI6 |
| 1 | April 2020–February 2021 | 0 | 0 | 0 | 0 | 1 | 0 |
| 2 | 4 | 5 | 10 | 2 | 3 | 4 | |
| 3 | 35 | 42 | 32 | 36 | 42 | 36 | |
| 4 | 61 | 53 | 58 | 63 | 54 | 60 | |
| 1 | April 2021–February 2022 | 7 | 10 | 7 | 3 | 0 | 7 |
| 2 | 0 | 7 | 3 | 0 | 7 | 0 | |
| 3 | 40 | 37 | 37 | 50 | 33 | 33 | |
| 4 | 53 | 47 | 53 | 47 | 60 | 60 | |
Disclaimer/Publisher’s Note: The statements, opinions and data contained in all publications are solely those of the individual author(s) and contributor(s) and not of MDPI and/or the editor(s). MDPI and/or the editor(s) disclaim responsibility for any injury to people or property resulting from any ideas, methods, instructions or products referred to in the content. |
© 2023 by the authors. Licensee MDPI, Basel, Switzerland. This article is an open access article distributed under the terms and conditions of the Creative Commons Attribution (CC BY) license (https://creativecommons.org/licenses/by/4.0/).
Share and Cite
Guaya, D.; Meneses, M.Á.; Jaramillo-Fierro, X.; Valarezo, E. Augmented Reality: An Emergent Technology for Students’ Learning Motivation for Chemical Engineering Laboratories during the COVID-19 Pandemic. Sustainability 2023, 15, 5175. https://doi.org/10.3390/su15065175
Guaya D, Meneses MÁ, Jaramillo-Fierro X, Valarezo E. Augmented Reality: An Emergent Technology for Students’ Learning Motivation for Chemical Engineering Laboratories during the COVID-19 Pandemic. Sustainability. 2023; 15(6):5175. https://doi.org/10.3390/su15065175
Chicago/Turabian StyleGuaya, Diana, Miguel Ángel Meneses, Ximena Jaramillo-Fierro, and Eduardo Valarezo. 2023. "Augmented Reality: An Emergent Technology for Students’ Learning Motivation for Chemical Engineering Laboratories during the COVID-19 Pandemic" Sustainability 15, no. 6: 5175. https://doi.org/10.3390/su15065175
APA StyleGuaya, D., Meneses, M. Á., Jaramillo-Fierro, X., & Valarezo, E. (2023). Augmented Reality: An Emergent Technology for Students’ Learning Motivation for Chemical Engineering Laboratories during the COVID-19 Pandemic. Sustainability, 15(6), 5175. https://doi.org/10.3390/su15065175

