A Torque-Enhanced Magnetic-Geared Machine with Dual-Series-Winding and Its Design Approach for Electric Vehicle Powertrain
Abstract
1. Introduction
- (1)
- The torque and space utilization are enhanced with the proposed dual-series-winding design.
- (2)
- The design approach of the dual-series-winding is proposed and verified, which allows the auxiliary winding and armature winding to be driven by one set of three-phase inverter solely.
- (3)
- The relationship between the winding phase and mechanical rotation angle is given, investigating the impact of the relative position between modulation rings and stator, on the phase of the induced voltage.
2. Machine Configuration and Analysis
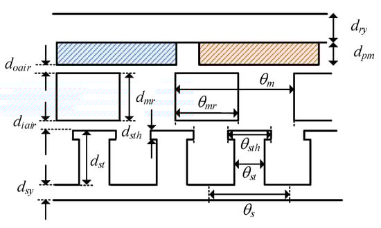
2.1. Machine Configuration
2.2. Operating Principle
2.3. Dual-Series-Winding Design and Analysis
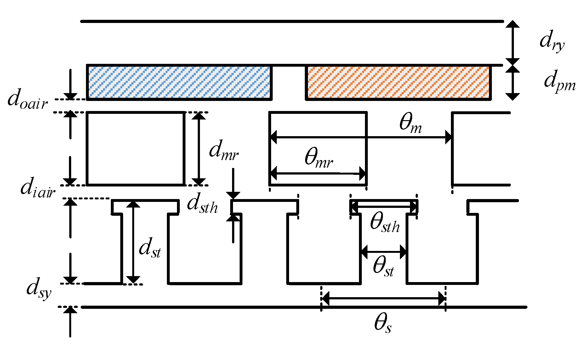
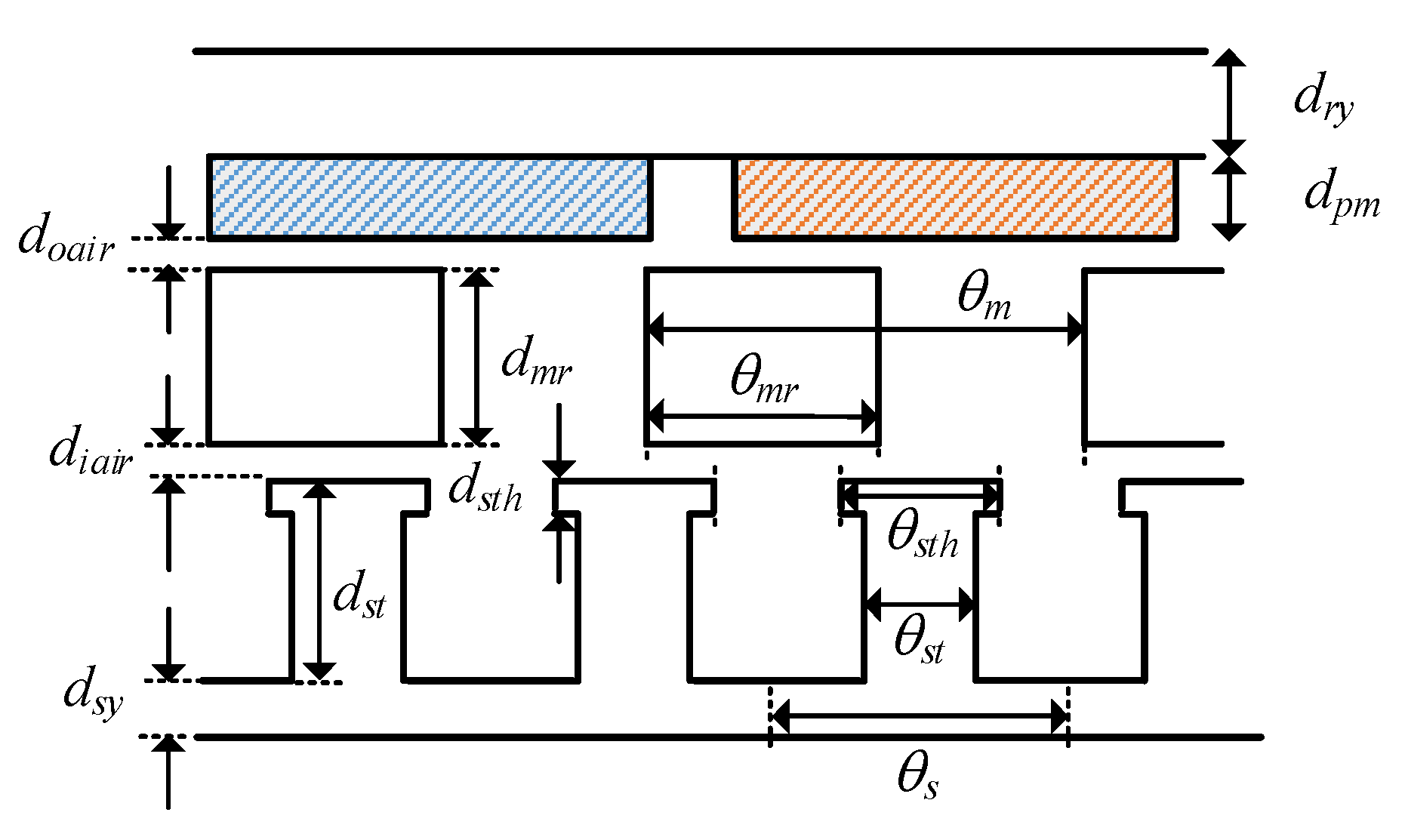
3. Parameters Configuration and Optimization
4. Performance Analysis and Comparison
4.1. Magnetic Field Analysis
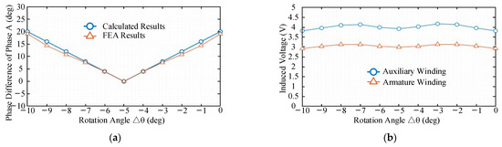
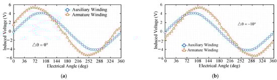
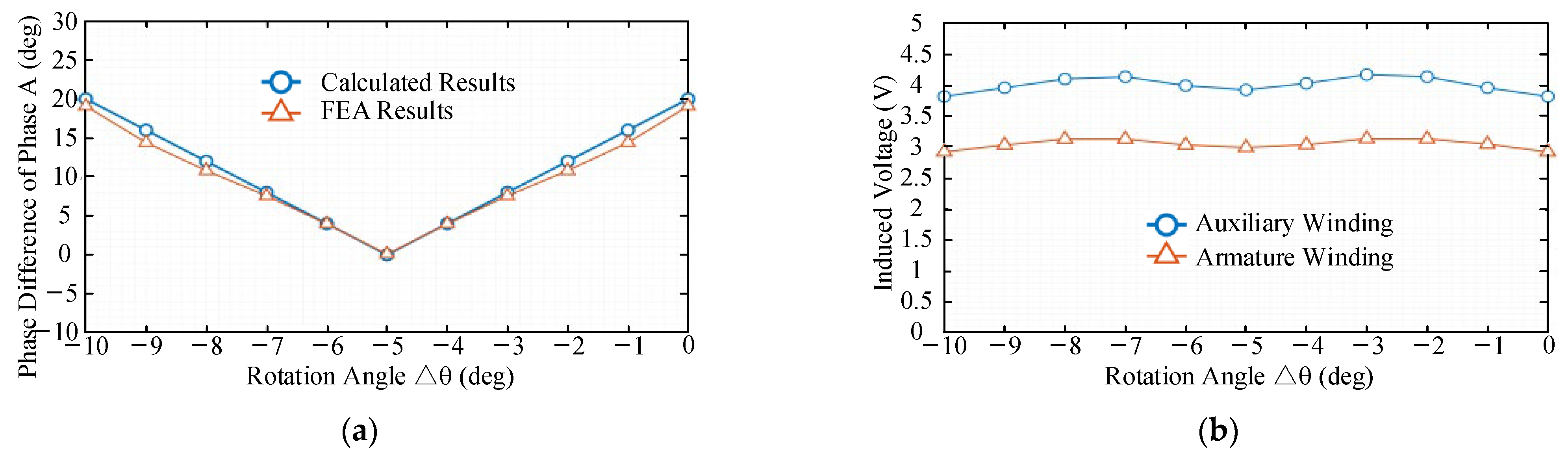
4.2. Stator Position Modulation
4.3. Torque Performance Comparison
4.4. Efficiency and Loss Comparison
5. Conclusions
Author Contributions
Funding
Institutional Review Board Statement
Informed Consent Statement
Data Availability Statement
Conflicts of Interest
References
- Liu, C.; Chau, K.T.; Lee, C.H.T.; Song, Z. A Critical Review of Advanced Electric Machines and Control Strategies for Electric Vehicles. Proc. IEEE 2021, 109, 1004–1028. [Google Scholar] [CrossRef]
- Barkenbus, J.N. Prospects for Electric Vehicles. Sustainability 2020, 12, 5813. [Google Scholar] [CrossRef]
- Muzir, N.A.Q.; Mojumder, M.R.H.; Hasanuzzaman, M.; Selvaraj, J. Challenges of Electric Vehicles and Their Prospects in Malaysia: A Comprehensive Review. Sustainability 2022, 14, 8320. [Google Scholar] [CrossRef]
- Agamloh, E.; von Jouanne, A.; Yokochi, A. An Overview of Electric Machine Trends in Modern Electric Vehicles. Machines 2020, 8, 20. [Google Scholar] [CrossRef]
- Chen, Y.; Zhao, X.; Ho, S.; Niu, S.; Fu, W. Design and optimization of yokeless magnetic gear with asymmetric Halbach permanent magnet array for electric vehicle powertrain. IET Renew. Power Gener. 2022, 16, 2223–2232. [Google Scholar] [CrossRef]
- Ruan, Z.; Song, W.; Zhang, Y.; Yao, G.; Guo, Y. A Variable Switching Frequency Space Vector Pulse Width Modulation Technique Using Virtual Flux Ripple. IEEE Trans. Emerg. Sel. Topics Power Electron. 2022. [Google Scholar] [CrossRef]
- Cheng, M.; Sun, L.; Buja, G.; Song, L. Advanced Electrical Machines and Machine-Based Systems for Electric and Hybrid Vehicles. Energies 2015, 8, 9541–9564. [Google Scholar] [CrossRef]
- Irimia, C.; Grovu, M.; Husar, C.; Fodorean, D.; Antonya, C. Co-Simulation Analysis for an Electric Vehicle Powered by a High-Speed Electrical Machine. In Proceedings of the 2017 IEEE Vehicle Power and Propulsion Conference (VPPC), Belfort, France, 11–14 December 2017; pp. 1–6. [Google Scholar]
- Guo, X.; Liu, G.-P.; Shirazee, N.; Williams, J. Electronic–magnetic gearing motor analyses and simulations for electric vehicles. IET Electr. Syst. Transp. 2018, 8, 95–100. [Google Scholar] [CrossRef]
- Xie, S.; Chen, H.; Zuo, Y.; Shen, F.; Han, B.S.; Hoang, C.C.; Lee, C.H.T. A Consequent-Pole Magnetic-Geared Machine with Axially Embedded Permanent Magnets for Hybrid Electric Vehicle. IEEE Access 2021, 9, 14905–14917. [Google Scholar] [CrossRef]
- Chau, K.T.; Zhang, D.; Jiang, J.Z.; Liu, C.; Zhang, Y. Design of a Magnetic-Geared Outer-Rotor Permanent-Magnet Brushless Motor for Electric Vehicles. IEEE Trans. Magn. 2007, 43, 2504–2506. [Google Scholar] [CrossRef]
- Zhao, H.; Liu, C.; Song, Z.; Yu, J. Analytical Modeling and Comparison of Two Consequent-Pole Magnetic-Geared Machines for Hybrid Electric Vehicles. Energies 2019, 12, 10. [Google Scholar] [CrossRef]
- Liu, C.; Yu, J.; Lee, C.H.T. A New Electric Magnetic-Geared Machine for Electric Unmanned Aerial Vehicles. IEEE Trans. Magn. 2017, 53, 1–6. [Google Scholar] [CrossRef]
- Jian, L.; Gong, W.; Xu, G.; Liang, J.; Zhao, W. Integrated Magnetic-Geared Machine with Sandwiched Armature Stator for Low-Speed Large-Torque Applications. IEEE Trans. Magn. 2012, 48, 4184–4187. [Google Scholar] [CrossRef]
- Zhang, X.; Liu, X.; Chen, Z. A Novel Coaxial Magnetic Gear and Its Integration with Permanent-Magnet Brushless Motor. IEEE Trans. Magn. 2016, 52, 1–4. [Google Scholar] [CrossRef]
- Yousefnejad, S.; Heydari, H.; Akatsu, K.; Ro, J.-S. Analysis and Design of Novel Structured High Torque Density Magnetic-Geared Permanent Magnet Machine. IEEE Access 2021, 9, 64574–64586. [Google Scholar] [CrossRef]
- Wang, Q.; Niu, S.; Yang, S. Design Optimization and Comparative Study of Novel Magnetic-Geared Permanent Magnet Machines. IEEE Trans. Magn. 2017, 53, 1–4. [Google Scholar] [CrossRef]
- Liu, C.; Chau, K.T.; Zhang, Z. Novel Design of Double-Stator Single-Rotor Magnetic-Geared Machines. IEEE Trans Magn. 2012, 48, 4180–4183. [Google Scholar] [CrossRef]
- Zhu, Z.Q.; Khatab, M.F.; Li, H.; Liu, Y. A Novel Axial Flux Magnetically Geared Machine for Power Split Application. IEEE Trans Ind. Appl. 2018, 54, 5954–5966. [Google Scholar] [CrossRef]
- Johnson, M.; Gardner, M.C.; Toliyat, H.A. Design and Analysis of an Axial Flux Magnetically Geared Generator. IEEE Trans Ind. Appl. 2017, 53, 97–105. [Google Scholar] [CrossRef]
- Suzuki, H.; Hirata, K.; Niguchi, N.; Kohara, A.; Takahara, K. Maximum Torque Control of Magnetic-Geared Motors. In Proceedings of the 19th International Symposium on Electromagnetic Fields in Mechatronics, Electrical and Electronic Engineering (ISEF), Nancy, France, 29–31 August 2019; pp. 1–2. [Google Scholar]
- Verbanac, N.; Bulić, N.; Jungmayr, G.; Marth, E. Nonlinear Position Control of a Magnetic-Geared Servo Drive With Unknown Load. In Proceedings of the 2022 International Conference on Smart and system Technologies (SST), Osijek, Croatia, 19–21 October 2022; pp. 263–268. [Google Scholar]
- Wang, Y.; Ho, S.L.; Fu, W.N.; Shen, J.X. A Novel Rotor Position Detection Method for Sensorless Control of Magnetic-Geared Permanent-Magnet Brushless Motor. IEEE Trans. Magn. 2013, 49, 3961–3964. [Google Scholar] [CrossRef]
- Wang, K.; Xue, Y.; Guo, Q.; Shahidehpour, M.; Zhou, Q.; Wang, B.; Sun, H. A Coordinated Reconfiguration Strategy for Multi-Stage Resilience Enhancement in Integrated Power Distribution and Heating Networks. IEEE Trans. Smart Grid 2023. [Google Scholar] [CrossRef]
- Ho, S.L.; Niu, S.; Fu, W.N. Design and Analysis of a Novel Axial-Flux Electric Machine. IEEE Trans. Magn. 2011, 47, 4368–4371. [Google Scholar] [CrossRef]
- Chen, Y.; Fu, W.; Weng, X. A Concept of General Flux-Modulated Electric Machines Based on a Unified Theory and Its Application to Developing a Novel Doubly-Fed Dual-Stator Motor. IEEE Trans. Ind. Electron. 2017, 64, 9914–9923. [Google Scholar] [CrossRef]
- Shin, H.; Chang, J. Comparison of Radial Force at Modulating Pieces in Coaxial Magnetic Gear and Magnetic Geared Machine. IEEE Trans. Magn. 2018, 54, 1–4. [Google Scholar] [CrossRef]
- Zhu, Z.Q.; Liu, Y. Analysis of Air-Gap Field Modulation and Magnetic Gearing Effect in Fractional-Slot Concentrated-Winding Permanent-Magnet Synchronous Machines. IEEE Trans. Ind. Electron 2018, 65, 3688–3698. [Google Scholar] [CrossRef]
- Khatab, M.F.H.; Zhu, Z.Q.; Li, H.Y.; Liu, Y. Comparative study of novel axial flux magnetically geared and conventional axial flux permanent magnet machines. CES Trans. Elect. Mach. Syst. 2018, 2, 392–398. [Google Scholar] [CrossRef]
- Kumar, R.; Pachauri, R.K.; Badoni, P.; Bharadwaj, D.; Mittal, U.; Bisht, A. Investigation on parallel hybrid electric bicycle along with issuer management system for mountainous region. J. Clean. Prod. 2022, 362, 132430. [Google Scholar] [CrossRef]
- Kumar, R.; Kumar, A.; Gupta, M.K.; Yadav, J.; Jain, A. Solar tree-based water pumping for assured irrigation in sustainable Indian agriculture environment. Sustain. Prod. Consum. 2022, 33, 15–27. [Google Scholar] [CrossRef]






















| Symbol | Quantity | Value |
|---|---|---|
| rotor PM pole pair numbers | 20 | |
| pole pair number of modulation rings | 24 | |
| pole pair number of armature winding | 4 | |
| number of stator tooth | 36 | |
| outer diameter of machine (mm) | 184 | |
| length of air-gap (mm) | 0.5 | |
| stack length (mm) | 60 | |
| current density (A/mm2) | 6 | |
| slot filling factor | 0.45 | |
| pitch of armature winding | 4 | |
| pitch of auxiliary winding | 3 | |
| mechanical rotation speed (rpm) | 300 |
| Harmonic Orders | Harmonic Amplitude | Harmonic Angular Velocity |
|---|---|---|
| Symbol | Quantity | Optimization Range | Optimized Value |
|---|---|---|---|
| dry | rotor yoke length (mm) | 5–10 | 6.7 |
| dpm | surface-mounted PMs depth (mm) | 2–5 | 3 |
| dmr | modulation rings length (mm) | 10–15 | 13.9 |
| dsth | slot opening depth (mm) | 1–2 | 1.5 |
| dst | stator tooth length (mm) | 20–30 | 27.7 |
| dsy | stator yoke length | 8–15 | 11.9 |
| θmr/θm | modulation ring angle | 0.8–1.2 | 0.97 |
| θsth/θs | stator tooth head angle | 0.7–1 | 0.88 |
| θst/θs | stator tooth head angle | 0.6–1 | 0.71 |
| Proposed Machine | PM Machine | Coaxial Flux MGM | Coaxial Flux MGM | |
|---|---|---|---|---|
| Weight (kg) | 9.92 | 8.02 | 9.49 | 9.73 |
| Copper consumption (kg) | 2.71 | 1.89 | 2.52 | 2.43 |
| Steel consumption (kg) | 6.51 | 5.52 | 6.08 | 6.58 |
| PM consumption (kg) | 0.70 | 0.61 | 0.88 | 0.72 |
| Core loss (W) | 109.2 | 98.2 | 104.5 | 106.3 |
| Copper Loss (W) | 187.92 | 184.23 | 176.91 | 179.3 |
| Output torque (N·m) | 107.2 | 77.5 | 83.9 | 82.1 |
| Ripple | 0.13 | 0.04 | 0.15 | 0.11 |
| Torque density (N·m/Kg) | 10.81 | 9.72 | 8.88 | 8.43 |
| Torque density per weight of PMs (N·m/Kg) | 150.7 | 127.68 | 94.41 | 114.02 |
| Efficiency (%) | 93.2 | 90.1 | 90.6 | 90.0 |
Disclaimer/Publisher’s Note: The statements, opinions and data contained in all publications are solely those of the individual author(s) and contributor(s) and not of MDPI and/or the editor(s). MDPI and/or the editor(s) disclaim responsibility for any injury to people or property resulting from any ideas, methods, instructions or products referred to in the content. |
© 2023 by the authors. Licensee MDPI, Basel, Switzerland. This article is an open access article distributed under the terms and conditions of the Creative Commons Attribution (CC BY) license (https://creativecommons.org/licenses/by/4.0/).
Share and Cite
Chen, Y.; Fu, W.; Niu, S.; Wang, S. A Torque-Enhanced Magnetic-Geared Machine with Dual-Series-Winding and Its Design Approach for Electric Vehicle Powertrain. Sustainability 2023, 15, 5077. https://doi.org/10.3390/su15065077
Chen Y, Fu W, Niu S, Wang S. A Torque-Enhanced Magnetic-Geared Machine with Dual-Series-Winding and Its Design Approach for Electric Vehicle Powertrain. Sustainability. 2023; 15(6):5077. https://doi.org/10.3390/su15065077
Chicago/Turabian StyleChen, Yuanxi, Weinong Fu, Shuangxia Niu, and Sigao Wang. 2023. "A Torque-Enhanced Magnetic-Geared Machine with Dual-Series-Winding and Its Design Approach for Electric Vehicle Powertrain" Sustainability 15, no. 6: 5077. https://doi.org/10.3390/su15065077
APA StyleChen, Y., Fu, W., Niu, S., & Wang, S. (2023). A Torque-Enhanced Magnetic-Geared Machine with Dual-Series-Winding and Its Design Approach for Electric Vehicle Powertrain. Sustainability, 15(6), 5077. https://doi.org/10.3390/su15065077

