Abstract
Slab and pile foundations are one of the most popular solutions for transferring building loads to the ground. This is due to the combination of the advantages of direct and indirect foundations. Unfortunately, the lack of studies on this type of foundation that present the theoretical and practical dimensions of this approach is apparent. This article presents the theoretical background of this issue, capturing the advantages and disadvantages of this solution. The authors lean into the theoretical derivation by demonstrating various computational approaches. Thanks to the theoretical derivation and the citation of various computational approaches, it is possible to correctly determine the bearing capacity of the slab itself or the piles themselves in a slab–pile foundation. In addition, the authors have prepared numerical calculations based on theoretical considerations. The numerical analysis method shows the convergence of the selected theoretical method, which confirms the uniqueness of this computational approach through back analysis and validation of numerical models with Robot Structural Analysis software. The numerical consideration confirms the correct distribution of pile- and slab-bearing capacities; thus, it is possible to design the slab–pile foundation economically. With this verification, the design method of this type of foundation can be correctly determined.
1. Introduction
Structures are usually founded on two basic types of foundations: (a) foundations founded directly (footings or slabs) on load-bearing and low-deformation soils; (b) intermediate (deep) foundations based on lower-lying layers of poor load bearing soils, in the form of a certain number of piles or barges connected to the structure by a cap (e.g., grate, footing, slab) to transfer loads. When the strength or deformation parameters of the soil are insufficient for the direct foundation of a structure, it is worthwhile to look for a rational and optimal way of transferring loads to the ground [1]. The use of an indirect foundation on piles in such a situation means that the resistance of the soil mobilised under the pond will be ignored. Therefore, when ground conditions allow it, i.e., the subsoil is sufficiently low deformation and, at least to a limited extent, load-bearing, it is possible to analyse the inclusion of soil under the pond, i.e., to combine a direct foundation with a deep foundation in order to mobilise both types of foundations simultaneously [2]. Such a combination of two foundation methods is popularly referred to in the literature as a combined pile–raft foundation—CPRF.
The period of the last twenty-five years can be described as a time of significant development of slab–pile foundations. During that time, many new methods of analysing the behaviour of CPRF were developed, using increasingly widely available tools for modelling the cooperation of the ground medium with the structure, data from observations of settlements of completed structures, as well as all kinds of experiments on a natural and laboratory scale [3]. The first analyses of the interaction of slab–pile foundations with the ground medium were initiated as early as the late 1970s and early 1980s. In France, the information obtained at the stage of dimensioning this type of foundation was compiled in the form of a study by LCPC (Laboratoire Central des Ponts et Chaussees) [4] presenting a design method which was verified and confirmed in practice. An elaboration on this study, which provided actual methods for the design of slab–pile foundations for that time, was the 2001 LCPC Raport [5], edited by Serge Borel, entitled “Comportement et di-mensionnement des fondations mixtes” (preservation and dimensioning of mixed foundations).
In Germany, until 2001, the traditional design approach was mainly practiced in terms of the foundations of buildings. Foundations were designed as either direct or indirect in accordance with the recommendations of DIN 1054 [6] (along with other referenced standards). The gap between the two types of foundations was bridged by a DIBt (Deutsches Institut für Bautechnik) instruction issued in 2002 under the title “Richtlinie fur den Entwurf, die Bemessung und den Bau von Kombinierte Pfahl-Plattengrundungen” [7] (Guide to the Design and Construction of Combined Slab–pile Foundations), giving guidelines for the analysis and application of this new type of foundation.
The most up-to-date set of guidelines for the design of slab–pile foundations, recommended for use by designers around the world, is the guide entitled “ISSMGE COMBINED PILE-RAFT FOUNDATION GUIDELINES”, first published in May 2012 by the Deep Foundations Technical Committee No. 212, under the International Society for Soil Mechanics and Geotechnical Engineering (ISSMGE) in the form of the Annual Technical Report [8]. The final version of the June 2013 guide [9], prepared by Rolf Katzenbach and Deepankar Choudhury, is a compendium of knowledge on the design, execution and monitoring of slab–pile foundations.
The operation of a pile in a slab-and-pile foundation, compared to a pile operating on its own, is subject to modification due to the interaction between the piles, as well as due to the influence of the foundation slab. In order to qualitatively and quantitatively assess these phenomena, the following section compiles and compares the results of research work available in the literature [10]. Slab and pile foundations are preferably designed and analysed using numerical software. Unfortunately, analysis of the entire foundation in the case of tall buildings is very time-consuming, and it is difficult to consider possible errors due to the sensitivity of the system. In this article, the authors will focus on the derivation of the analytical method and the introduction of stiffness to numerical programming, thanks to which it is possible to efficiently analyse complex geotechnical systems.
2. Mutual Influence of Piles—General Information
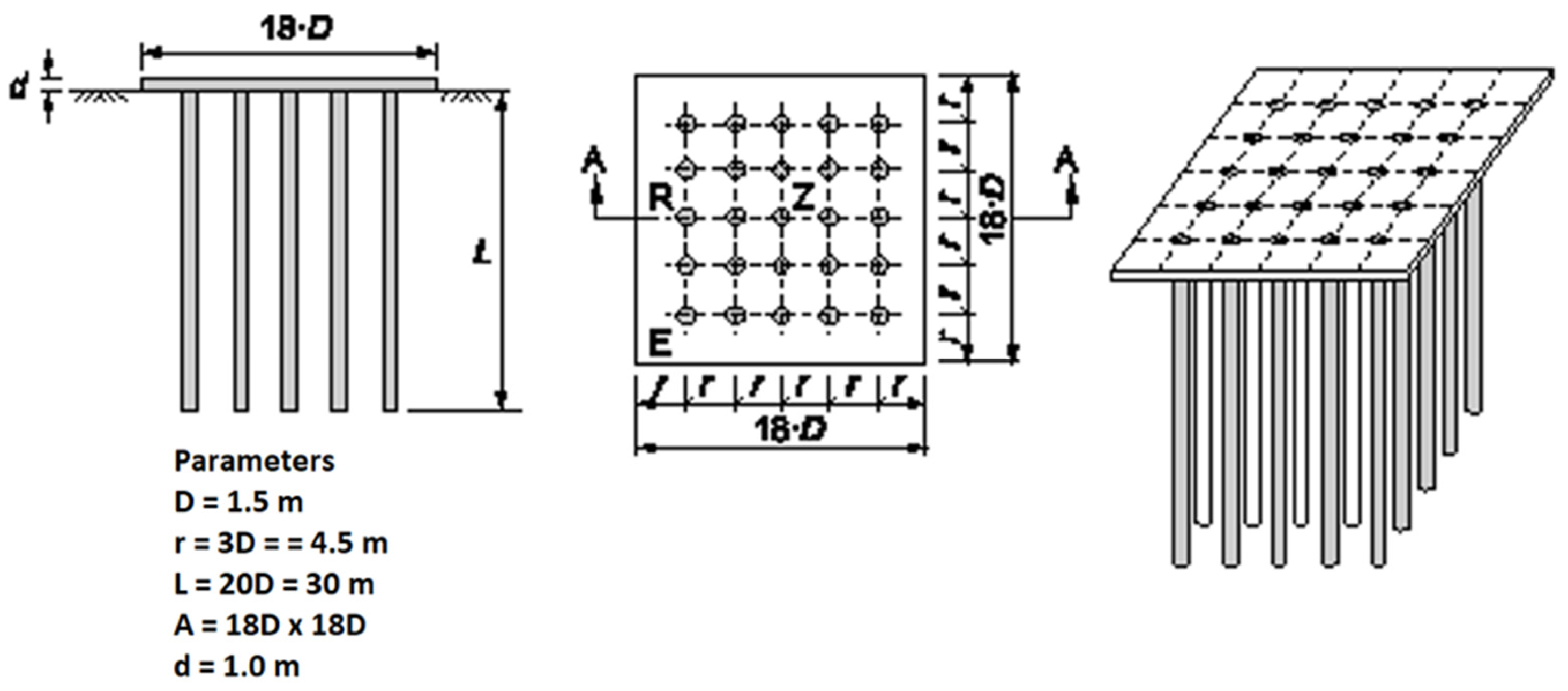
The mutual influence of piles is discussed based on the results of the numerical analysis by Hanisch [7] on the interaction of the slab–pile foundation model with the soil medium (Figure 1). The analysed model consisted of an 18D square foundation slab, d = 1.0 m thick, supported on a 5 × 5 pile group with pile spacing r = 3D, where the piles were L = 20D long and D = 1.5 m in diameter. The ground medium, mapping the Frankfurt silt, was described using a cap-model [7].
Figure 1.
The slab–pile foundation model analysed by Hanisch [7].
The load–settlement characteristics of a pile operating in a pi-only loaded group depend on its location in the group. In a pile group, corner piles, edge piles and inner piles can be distinguished (see Figure 2).
Figure 2.
Marking of piles in a slab–pile foundation.
Hanisch [7] found that the more piles working in a group interact, the smaller the spacing between them becomes. With spacing r/D = 3 for both the self-contained pile group and the piles in the slab–pile foundation, the effect of pile location on their load–settlement characteristics is very clear (Figure 3a and Figure 4a). The lowest resistance is mobilised by the inner pile; the highest by the corner pile. The location of the pile in the group does not affect the resistance of its base (Rb,j), in contrast to the resistance mobilised at the side of the pile (Rs,j). The intensity of pile–pile interaction decreases with increasing mutual pile spacing (Figure 3b and Figure 4b). At r/D = 6.0 spacing, the behaviour of all piles in a pile–pile foundation begins to resemble that of a single pile. In a slab–pile foundation, there is an increase in resistance at the side of each pile.
Figure 3.
Influence of pile–pile and pile–slab interaction on the course of the load. Rp—pile settlement relationship according to Hanisch [7]; (a) pile group analysis with pile axial spacing r = 3D, (b) pile group analysis with r = 6D; Rp—mobilised resistance of the pile; Rb—mobilised resistance at the base of the pile; Rs—mobilised resistance at the side of the pile; P—single pile; W—centre (inner) pile; B—edge pile; N—corner pile.
Figure 4.
Influence of pile–pile and pile–slab interaction on the course of the load. Rp—pile settlement relationship according to Hanisch [7]; (a) slab–pile foundation (FPP) analysis with r = 3D, (b) CPRF analysis with r = 6D; D—pile diameter; Rp—mobilised resistance of the pile; Rb—mobilised resistance at the base of the pile; Rs—mobilised resistance at the side of the pile; P—single pile; W—centre (inner) pile; B—edge pile; N—corner pile.
The interaction of piles working in a group is most often understood as an increase in the settlement of pile j in a pile group relative to the settlement of a single pile. This results in a decrease in the stiffness of pile j, understood as the ratio of the force acting on it (Np,j) to the settlement of the pile head (sp,j):
Pile group settlement (sG) is most often defined as the product of the settlement of a single pile and a constant pile interaction coefficient (χ):
where:
spg—settlement of a group of piles;
sp—settlement of a single pile for the same loading conditions and soil substrate;
χ—coefficient taking into account the increase in settlement of the pile group in relation to the settlement of a single pile.
The stiffness of the pile group, i.e., the pile foundation without considering the location of the pile, can be approximated as:
where:
Npg—pile group load;
n—number of piles in the pile foundation;
kp—stiffness of an independent single pile;
—stiffness of a pile in a pile foundation.
The load–settlement relationship of a pile that is part of a pile foundation can, therefore, be estimated based on, for example, Equation (4), where the initial stiffness of a pile working alone (kp0) is reduced by applying the inverse of the coefficient (χ):
where:
Np—load carried by a single pile of a pile foundation;
Rp,max—limit load capacity of a single pile;
Rfp—hyperbolic coefficient, with values of 0.5 ÷ 0.85.
3. Pile–Pile Interaction Coefficients
The coefficients of pile–pile interaction (χ) can be estimated using the formulae given by Gwizdala and Dyka [11] (Table 1).
Table 1.
Summary of empirical formulae for calculating the χ coefficient [11].
It is also worth mentioning that based on the parametric analysis cited in [5], Fleming [12] presented practical nomograms for determining the χ coefficient of pile–pile interactions for a pile working in a group (Figure 5). The χ coefficient was defined as χ = n f, where n is the number of piles in the group and f is the power exponent determined from the nomograms (Figure 5).
Figure 5.
Relative settlement of the pile group presented by Fleming [12]. Designations: Χ = nf; n—number of piles in the group; L—pile length; D—pile diameter; r—axial spacing of the piles; Ep—Young’s modulus of the pile; ρ = GL/2/GL—soil homogeneity factor; GL/2—strain modulus (shear) of the soil at a depth corresponding to half the pile length L/2; GL—strain modulus (shear) of the soil at a depth corresponding to the full length of the pile L.
4. The Mutual Influence of the Slab and the Piles
The effect of the slab on pile stiffness in terms of load–settlement characteristics in a slab–pile foundation is discussed using the results of the numerical analyses carried out by Hanisch [7]. The results of a simplified comparative analysis of the performance of a single pile will be presented, with the performance of the pile of a plate–pile system shown in Figure 6. This is a two-element plate-pile system consisting of a pile of diameter D and length L and a circular foundation plate of diameter Dp and thickness d. Next, the conclusions of the analysis will be presented.
Figure 6.
The foundation systems analysed by Hanisch [7] to qualitatively and quantitatively evaluate slab–pile interaction: (a) single pile, (b) stand-alone slab, (c) two-element slab–pile system.
For the single pile model and the slab–pile system, friction mobilisation in a single pile results from the relative displacement in the contact zone of the pile shaft with respect to the surrounding soil. For increasing pile settlement, the friction mobilised laterally increases to a limiting value. For the slab–pile model, for small settlements, the friction on the pile sidewall in the sub-slab zone does not mobilise as well (no relative displacement between the pile sidewall and the ground) [13]. For large settlements, the friction activated on the sidewall reaches the areas directly under the slab, with values significantly higher than for a single pile. Such a phenomenon is the result of an increase in the stress in the soil around the pile, which is caused by slab pressure (Figure 7).
Figure 7.
Slab–pile interaction. The effect of the existence of a pile under the foundation slab on the distribution of normal stresses under the slab [7].
Moreover, Katzenbach [14] pointed out that an increase in the vertical stress in the subsoil under the slab of the slab–pile foundation Δσ’v (for large settlements), with respect to the vertical stress in the subsoil in which the pile foundation was made, results in an increase in the shear strength of the soil medium. The observed phenomenon can be mapped on the τ-σ’ plane using Mohr’s circle (Figure 8). Indirectly (for large settlements), this leads to an increase in the pile resistance of the slab–pile foundation compared to the pile included in a typical pile foundation.
Figure 8.
Comparison of normal stresses in the vicinity of a pile using Mohr’s wheel analogy: for a typical PF pile foundation (solid line) and for a pile under a slab-on-grade pile foundation (dashed line) [14].
By analysing the effect of the pile on the slab (Figure 7), one can observe a reduction in normal stresses under the slab, especially in the immediate vicinity of the pile [15]. This topic will be further discussed in the next chapter.
Summarizing the analysis of the interaction between the slab and the pile, the following conclusions can be drawn:
- Directly under the foundation slab, friction on the pile sidewall does not mobilise due to the lack of relative displacement between the pile sidewall and the confined ground between the pile and the slab;
- With small settlements and the corresponding low pressure of the foundation slab on the ground (small contribution of the slab to the load transfer), less friction is mobilised on the pile sidewall than in the case of a pile foundation;
- At high settlements, the mobilizing friction on the upper part of the pile sidewall reaches values greater than the limits specified for a stand-alone pile.
The foundation slab in a slab–pile foundation causes a reduction in the stiffness of the piles compared to that of a pile foundation or a single pile. The reducing effect of the slab decreases as the axial spacing of the piles increases (Figure 3 and Figure 4).
At undersized axial spacings on the order of r/D = 3, friction mobilisation at the pile flank is strongly dependent on the location of the pile. The results of the numerical analysis, as well as friction measurements on the sidewalls of piles integral to the foundations of buildings founded in Frankfurt (Figure 9), show that interior piles have a limited ability to mobilise friction on the sidewall at the top of the pile. This limitation, as mentioned above, is due to the phenomenon of the so-called formation of a soil block between the upper areas of the piles along approximately 2/3 of the pile length. Comparing the pile behaviour, it can be concluded that the top and corner piles exhibit behaviour similar to that typical of single piles. Increasing the pile spacing to r/D = 6 leads to lateral friction mobilisation similar to that of a single pile.
Figure 9.
Actual values of axial force N and lateral friction along the length of the pile, depending on the location of the pile. (a) Messe-Torhaus construction; (b) Messeturm, Frankfurt am Main [7].
According to the aforementioned conclusions of the numerical analysis, it can be concluded that in the case of slab–pile foundation piles, the so-called limiting load capacity on the pile flank, which is typical for piles working independently or pile foundation piles, is not reached. The piles of the slab–pile foundation (Figure 3 and Figure 4) show a steady increase in the resistance of the sidewall to the incremental settlement.
The increase in pile resistance for increasing settlement of the slab–pile foundation is reflected by the maintenance of a quasi-constant value of the slab–pile coefficient αFPP for CPRF (Figure 10).
Figure 10.
Slab–pile foundation. Load distribution between slab and piles for different geometric arrangements and value of CPRF coefficient depending on settlement [7] (L—length of pile in bearing layer; r—axial spacing of piles; D—diameter of pile).
5. Load–Settlement Relationship for Slab in CPRF Foundation
The behaviour of a pile is most often expressed by the load–settlement curve of its head. For a group of piles, we define the behaviour curve of the entire group, which expresses the averaged vertical displacement of the pile group spg as a function of the applied load Npg. Similarly, for a slab, we can define the averaged load–settlement curve (NFI–sFI).
We define the stiffness of the pile group kpg and, respectively, the stiffness of the foundation under the slab kFI as the quotient of the force and the induced vertical displacement of the foundation:
Randolph [16] presented a computational method based on the susceptibility matrix, using the load–displacement characteristics of the pile and slab group, i.e., the stiffness of the pile group and the ground under the slab. This method makes it possible to estimate the vertical displacement of slab–pile foundations and determine the distribution of load on its elements. The pre-presented method takes into account the peculiarities of slab–pile foundations, including the interaction between the slab and the piles and between the piles themselves. The interaction between the pile group and the slab was taken into account by means of two interaction coefficients, αpg,FI and αFI,pg:
where:
spg—averaged settlement (vertical displacement) of the pile group;
sFI—averaged settlement (vertical displacement) of the foundation slab;
Npg—total load applied to the pile group;
NFI—load applied on the foundation slab;
kpg—so-called stiffness of the pile group;
kFI—so-called stiffness of the ground under the foundation slab;
αFI,pg—coefficient of the influence of the pile group on the foundation slab;
αpg,FI—coefficient of the influence of the slab on the pile’s behaviour.
Clancy and Randolph [17] wanted to extend the applicability of the αFI,pg and αpg,FI coefficients proposed by Randolph [14] for a single plate–pile unit to plate–pile systems involving a group of piles. They introduced a modification of the coefficients using a superposition of the displacement fields induced by a single pile of diameter D and a circular slab of diameter 2rc with radius rc selected, so as to obtain an equivalent unit slab field per pile (see also Figure 11):
where rm is the radius of the pile’s zone of influence according to the formula given by Poulos [18]:
Figure 11.
Separation of a slab–pile unit for which the slab area equals the averaged slab area per pile in the entire slab–pile system; (a) Slab–pile foundation divided into unit elements; (b) variation of soil strain modulus as a function of depth.
Based on the results of the back analysis, Clancy and Randolph [17] created nomograms of αFI,pg and αpg,FI coefficient values for:
- different pile spacing (r/D in the range of 2.0 ÷ 9.0);
- variable pile slenderness (L/D from 10 to 100);
- different slab length/width ratios (Lr/Br from 1 to 10);
- variable relative stiffness of piles and soil (100 ÷ 100,000);
- variable relative stiffness of slab and soil (0.001 ÷ 10);
- variable pile numbers.
The latter two parameters were quantified as the ratio Ep/Es, where Ep stands for the modulus of elasticity of the pile material Es stands for the modulus of the soil strain and the Krs coefficient proposed by Brown (1975) for a rectangular slab [5] (see Figure 12 and Figure 13):
where Br, Lr and d are the width, length and thickness of the plate, respectively, and Er is the modulus of elasticity of the plate material.
Figure 12.
Results of Clancy and Randolph’s analysis [17] for a rigid slab (Krs = 10) supported by 3 × 3 piles.
Figure 13.
Results of Clancy and Randolph’s analysis [19] for different pile groups: dependence of αF.,pg on pile spacing r/D, assuming a rigid slab.
Analysing the results shown in the example nomograms, it can be seen that αFI,pg decreases as the spacing between piles increases, as well as when the stiffness of the piles decreases. It is obvious that the αpg,FI ratio will show the opposite trend. Assuming that αFI,pg reproduces the effect of the pile group on the slab, the observed course of the coefficient should be intuitively considered logical and consistent. In addition, the interaction between the elements of the slab–pile foundation was greater (αpg,FI and αFI,pg took larger values) for an increasing number of piles, leading to a decrease in the stiffness of the entire slab–pile system as well as each element. The results of the analysis also indicated that for increasing slab dimensions, the effect of pile stiffness, as well as slenderness (L/D), on the interaction between foundation elements decreases. Clancy and Randolph [17], on the basis of analysed slab–pile systems, found that slab settlement in three possible configurations (slab in a slab–pile foundation, stand-alone slab and slab topping a group of piles not in contact with the ground) is greater the longer the piles are (high L/D values), the stiffer the pile shafts are (high Ep/Es values) and the smaller the pile spacing is (low r/D values). In the case of a slab–pile system, the effect of a group of piles on the slab causes the averaged slab over-settlement to be close in value to the settlement observed in an analysis that took into account the principle of consistency of work for forces acting on slab–pile foundation elements. In other words, the average displacement of the slab is relatively independent of the stiffness of the subsoil under the slab, and largely depends on the stiffness of the pile group. Therefore, Clancy and Randolph [17] concluded that αFI,pg/kpg is a more appropriate parameter for determining the behaviour of the slab–pile system than αpg,FI /kFI. In accordance with the above conclusions, further analyses were conducted using a single interaction coefficient, i.e., αFI,pg.
Taking into account the fact that the displacement of the rigid slab in the slab–pile foundation is identical to the displacement of the piles included in this foundation (sFPP = spg = sFI, using the appropriate averaged displacements of the pile group and slab, which are derived from the principle of compatibility of the work done by the forces distributed to the pile group and slab—Npg and NFI, respectively), the stiffness of the ground under the slab in a slab–pile foundation can be estimated as follows:
where kFI and kpg are defined for NFI and Npg forces, respectively.
From the thus-derived stiffness of the subsoil beneath the slab, it follows that the piles have a reducing effect on the soil stiffness (kFI) determined for the direct foundation. The reduction in soil stiffness (kFI), determined for the direct foundation, therefore depends on the stiffness of the piles (pile group). Hence, it is important to properly determine the stiffness of the post-single pile and then to estimate the stiffness of the pile group using the pile–pile interaction coefficients.
6. Numerical Analysis of Building Settlement of a High-Rise Building on FPP
A possibly optimal method of checking the above considerations in terms of the analytical representation of the calculation and distribution of forces in a slab–pile foundation is numerical analysis [20,21]. It is through the use of a large number of iterations that it is possible to approximate the results for many cases; thus, obtaining a good degree of convergence allows the correctness of the carried-out measures to be checked [22,23]. A numerical analysis of the settlement of the slab-and-pile foundation of a high-rise building, located in the centre of Warsaw, was carried out using ARSA (Autodesk Robot Structural Analysis) and ZSoil software. The results, as well as the part of the study devoted to numerical analysis in Zsoil, are to be the subject of the authors’ next article. The purpose was to verify the suitability of the theoretical assumptions made in the previous chapters of this paper for engineering calculations to determining the stiffness of slab–pile foundation elements, taking into account all possible interactions [24]. The numerical results of the vertical displacements of the two models of the underground part of the building structure, cooperating with the subsoil and the barges, were compared with geodetic measurements of actual settlements [25,26]. In addition, a comparative criterion of forces, after the application of the total load, was applied at the heads of the selected billets, and the convergence of the parameterisation of the stiffness of the subsoil under the foundation slab was verified [27]. The comparative analysis also included a compilation of load–settlement relationships for the selected carrels and the determination of interaction coefficients for slab–pile foundation carrels, based on calculations made in ZSoil.
The 5-level underground part of an office building with 42 floors above ground was analysed. The building was designed as a monolithic, slab-and-column structure with a reinforced concrete core. It was founded on a slab-and-pile foundation, consisting of a 2.0-metre-thick foundation slab resting on the soil subsoil and a group of 2.8-metre × 0.8-metre-diameter, 4.0-, 8.0- and 12.0-metre-long bar piles as shown in the plan (Figure 14). Due to the depth of the excavation, the level of ground water and the neighbouring developments, the excavation shoring was made in the form of a 0.80-metre-thick diaphragm wall, sunk to the 2.5-m level of, for example, the “0” Vistula River. At the ordinates of 2.0–3.5 m, e.g., “0” of the Vistula, a horizontal anti-filtration screen was created using “jet-grouting” technology. Such a system solution made it possible to limit the inflow of groundwater into the foundation trench.
Figure 14.
3D view of the building basement: five floors modelled with panels, concrete columns as bar objects, foundation slab on resilient foundation, shear wall with view of resilient supports and bar with view of three resilient supports.
For the engineering calculations, a simplification was adopted by dividing all the barges and slurry walls into six groups of the same stiffness (Figure 15). Taking into account the theory derived below, it is known that the stiffness of the subsoil under the slab depends on the number of embankments and slurry walls and their stiffness [28]. To define the stiffness of the bilayers, the support of the bases of the 12-m-long bilayers on the “jet-grouting” anti-filtration layer was taken into account. The determined values of the bilinear stiffnesses of the jetties are given in Table 2, according to the designations in Figure 15.
Figure 15.
Schematic of the foundation with the arrangement of the barrettes and division into groups of equal rigidity. The lengths of the barrows (depending on the colour and filling) are L = 12 m, L = 8.0 m and L = 4.0 m.
Table 2.
Values of ground stiffness under the foundation slab for separated sub-areas of the foundation slab, adopted for analysis in ARSA.
The following are the basic assumptions made and the method used to model the underground part of the building in Autodesk Robot Structural Analysis PRO:
- Geometrical objects such as walls, shafts and floor slabs, were modelled as non-weighted panels with a given thickness according to the design documentation and material parameters as for concrete with Young’s modulus E = 33–37 GPa and Poisson’s ratio = 0.2;
- The foundation slab was modelled using panels of variable thickness, viz: 2.3 m on the outer parts of the structure’s shafts and 2.8 m in the central part of the building. The panels were adjusted to divide the thickness of the slab and the defined sub-areas with values for the stiffness of the subsoil under the slab, according to Table 2 and Table 3. The stiffness of the subsoil under the slab was defined at the stage in which the parameters of the calculation panels were determined, during the modelling of the foundation slab (Figure 16). Material parameters were used, as for concrete, with Young’s modulus E = 31 GPa and Poisson’s ratio = 0.2. The computational model of the slab was assumed as an elastic shell. It is very important to understand how stiffness parameters actually behave in numerical calculations [29].
Table 3. Bilinear stiffnesses of the bilines adopted from the computational analysis of the foundation in ARSA.
Figure 16. Definition of elastic support with nonlinear working model in the ARSA program—slab.
The barges were formed using panels with dimensions of 2.8–0.8 m, with lengths and locations as in Figure 17. The methods adopted for modelling, as for concrete, used the modulus E = 31 GPa and Poisson’s ratio = 0.2. The support conditions of the barges were defined using elastic supports with the adopted bilinear-type nonlinearity model (Figure 16) according to the values given in Table 2 and Table 3, i.e., 1/3 stiffness for each of the three supports (Figure 13). Nodal supports 1.4 m apart were assumed at the nodes of the finite element mesh of the barge panel. In addition, the stiffness perpendicular to the plane of the barge was defined as the lateral elastic modulus kh of 80,000 kN/m3 on each barge when characterizing the panel thickness.
Figure 17.
Definition of elastic support with nonlinear working model in the ARSA program.
The purpose of the computational analysis was to estimate the settlements (Figure 18) of a high-rise building founded on a slab-and-pile foundation [30]. The obtained results were compared with geodetic measurements of vertical displacements of the slab foundation [31]. The calculations also made it possible to read the ground reaction, indicating what load was carried by the subsoil under the foundation slab [32]. At the same time, the forces in the selected barges were read.
Figure 18.
View of the analysis results of the foundation slab settlement map from ARSA for selected characteristic load combination (characteristic load, SLS + water combination). Maximum displacement—28.8 mm.
Geodetic benchmarks were installed in the foundation slab of the building under construction, which allowed for precise surveillance. These measurements signify the true settlement values that were physically measured at the construction site. For the same load configuration, that is, for the same phase of the project, the settlements coincided, as the result of the numerical analysis was 28.8 mm (Figure 18) and the real result measured by the surveyors was 28.9 mm (Figure 19). This fact proves that the presented methodology is correct and allows us to correctly define the impact of the load–settlement relationship of the intermediate group of foundation piles.
Figure 19.
Vertical displacements of the plate (mm); results of geodetic measurements. The maximum displacement occurs at 28.9 mm.
7. Conclusions
This article provides a precise theoretical description of various computational approaches to calculating slab–pile foundations. The cited calculations are only a snippet of the authors’ research, due to the vast breadth of the subject. This was followed by numerical calculations, which confirmed the theory described earlier. This type of approach is correct due to its accuracy. With this type of approach, it is possible to generate savings in the implementation of the project and avoid the risk of failure in the execution of the underground parts of the project.
From the stiffness of the subsoil beneath the slab which was thus derived, it follows that the piles have a reducing effect on the soil stiffness (kFI) determined for the direct foundation. Thus, the reduction in soil stiffness (kFI) determined for the direct foundation depends on the stiffness of the piles (pile group). Hence, it is important to properly determine the stiffness of a single pile and then estimate the stiffness of a pile group using appropriate pile–pile interaction coefficients.
In conclusion, it is worth adding an auxiliary coefficient (C,FI,pg), which can be used as an operational aid during the design process to quickly estimate the efficiency of the entire foundation. This coefficient is in the range <0.0–1.0> and describes the efficiency of the direct foundation, which is part of the slab–pile foundation. With respect to the capacity of the stand-alone direct foundation, it will take values less than 1.0 until the piles of the slab–pile foundation reach the ultimate capacity. Once this value is exceeded, the slab in the slab–pile foundation will begin to work similarly to the direct foundation. Based on the above comparison (Figure 18), it can be concluded that the stiffness values of the subsoil under the slab foundation in the numerical analysis which we performed are similar, which confirms the suitability of the theoretical assumptions presented in this article for determining the stiffness of the subsoil under the slab in a slab–pile foundation. It is noteworthy that the ZSoil program allows the construction of a more detailed, substitute ground model with variable soil stiffness values compared to ARSA. In both models, the phenomenon of a decrease in the stiffness of the soil under the slab was apparent for an increased number of barrows in a given area of the slab. Since the barge is stiffer than the subsoil, it takes on a greater load, which means that locally, the slab is almost excluded from cooperating in carrying the overall load.
Author Contributions
Conceptualisation, M.F. and P.N.; methodology, G.K.; software, M.F. and G.K.; validation, M.F., G.K. and P.N.; formal analysis, P.N. and G.K.; investigation, M.F.; resources, P.N. and G.K.; data curation, M.F.; writing—original draft preparation, M.F.; writing—review and editing, M.F. and P.N.; visualisation, P.N.; supervision, G.K.; project administration, M.F. All authors have read and agreed to the published version of the manuscript.
Funding
This research received no external funding.
Institutional Review Board Statement
Not applicable.
Informed Consent Statement
Not applicable.
Data Availability Statement
All data used in the article are given in the bibliography or own sources have been used in the case of photos.
Conflicts of Interest
The authors declare no conflict of interest.
References
- Wang, F.; Shao, J.; Li, W.; Wang, Y.; Wang, L.; Liu, H. Study on the Effect of Pile Foundation Reinforcement of Embankment on Slope of Soft Soil. Sustainability 2022, 14, 14359. [Google Scholar] [CrossRef]
- Zhang, Y.; Deng, Z.; Chen, P.; Luo, H.; Zhang, R.; Yu, C.; Zhan, C. Experimental and Numerical Analysis of Pile–Rock Interaction Characteristics of Steel Pipe Piles Penetrating into Coral Reef Limestone. Sustainability 2022, 14, 13761. [Google Scholar] [CrossRef]
- Tang, R.; Wang, Y.; Zhang, W.; Jiao, Y. Load-Bearing Performance and Safety Assessment of Grid Pile Foundation. Sustainability 2022, 14, 9477. [Google Scholar] [CrossRef]
- Combarieu, O. Calcul D’une Fondation Mixte Semelle-Pieux Sous Chargé Verticale Centrée; Ministere de l’Equipement et Logement, Laboratoire Central des Ponts et Chaussees: Paris, France, 1988; Note d’Information Technique, s. 16, LCPC. [Google Scholar]
- Borel, S. Comportement et Dimensionnement des Fondations Mixtes, Etudes et Recherches des Laboratoires des Ponts et Chaussées: Géotechnique et Risques Naturels, Études et Recherches des Laboratoires des Ponts et Chaussées; Série Géotechnique, Laboratoire Central des Ponts et Chaussees: Paris, France, 2001; ISBN 2-7208-2017-2. [Google Scholar]
- DIN 1054:2010-12; Baugrund—Sicherheitsnachweise im Erd- und Grundbau—Ergänzende Regelungen zu DIN EN 1997-1. German Institute for Standardisation: Berlin, Germany, 2010.
- Hanisch, J.; Katzenbach, R.; Konig, G. Kombinierte Pfahl-Plattengrundungen; Ernst and Sohn: Berlin, Germany, 2002. [Google Scholar]
- Katzenbach, R.; Choudhury, D.; Ramm, H. ISSMGE Technical Committee Annual Report, Annexure 1: International CPRF Guideline; 24 May 2012. Available online: https://www.scribd.com/document/563556956/CRAMSG-2015 (accessed on 7 September 2022).
- Katzenbach, R. (Ed.) ISSMGE Combined Pile-Raft Foundation Guideline; Technische Universitat Darmstadt, Institute and Laboratory of Geotechnics: Darmstadt, Germany, 2013. [Google Scholar]
- Sun, Y.; Li, Z. Study on Design and Deformation Law of Pile-Anchor Support System in Deep Foundation Pit. Sustainability 2022, 14, 12190. [Google Scholar] [CrossRef]
- Dyka, I.; Gwizdała, K. Metody obliczeń osiadania dużych grup palowych. Inżynieria Morska i Geotechnika. Rocznik 1998, 5, 248–255. [Google Scholar]
- Fleming, W.G.K.; Weltman, A.J.; Randolph, M.F.; Elson, W.K. Piling Engineering; CRC Press: Boca Raton, FL, USA, 1992. [Google Scholar] [CrossRef]
- Wang, X.; Wang, X.; Yang, G.; Pu, C.; Jin, J. Field Test on Deformation Characteristics of Pile-Supported Reinforced Embankment in Soft Soil Foundation. Sustainability 2022, 14, 7805. [Google Scholar] [CrossRef]
- Katzenbach, R.; Clauss, F.; Ramm, H.; Waberseck, T.; Choudhury, D. Combined Pile-Raft Foundations and Energy Piles—Recent Trends in Research and Practice. In Proceedings of the 18th Darmstadt Geotechnics, International Conference on Deep Foundations—CPRF and Energy Piles, Frankfurt am Main, Institute and Laboratory of Geotechnics, Darmstad, Germany, 15 May 2009. [Google Scholar]
- Gan, J.; Li, P.; Liu, Q. Study on Dynamic Structure-Soil-Structure Interaction of Three Adjacent Tall Buildings Subjected to Seismic Loading. Sustainability 2020, 12, 336. [Google Scholar] [CrossRef]
- Randolph, M.F. Design of piled raft foundation. In Proceedings of the International Symposium on Recent Developments in Laboratory and Field Test and Analysis of Geotechnical Problems, Bangkok, Thailand, 6–9 December 1983; pp. 525–537. [Google Scholar]
- Clancy, P.; Randolph, M.F. An approximate analysis procedure for piled raft foundation. Int. J. Numer. Anal. Methods Geomech. 1993, 17, 849–869. [Google Scholar] [CrossRef]
- Poulos, H.G. Piled raft foundations: Design and applications. Geotechnique 2001, 51, 95–113. [Google Scholar] [CrossRef]
- Clancy, P.; Randoph, M.F. Simple design tools for piled raft foundations. Geotechnique 1996, 46, 313–328. [Google Scholar] [CrossRef]
- Theocharis, A.I.; Zevgolis, I.E.; Roumpos, C.; Koukouzas, N.C. 3D Numerical Analysis for the Valorization Potential of Spoil Heaps by Shallow Foundations. Sustainability 2022, 14, 7363. [Google Scholar] [CrossRef]
- De Domenico, D.; Messina, D.; Recupero, A. A Combined Experimental-Numerical Framework for Assessing the Load-Bearing Capacity of Existing PC Bridge Decks Accounting for Corrosion of Prestressing Strands. Materials 2021, 14, 4914. [Google Scholar] [CrossRef]
- Leonardi, G.; Suraci, F. A 3D-FE Model for the Rutting Prediction in Geogrid Reinforced Flexible Pavements. Sustainability 2022, 14, 3695. [Google Scholar] [CrossRef]
- Domingues, V.R.; Ozelim, L.C.d.S.M.; Assis, A.P.d.; Cavalcante, A.L.B. Combining Numerical Simulations, Artificial Intelligence and Intelligent Sampling Algorithms to Build Surrogate Models and Calculate the Probability of Failure of Urban Tunnels. Sustainability 2022, 14, 6385. [Google Scholar] [CrossRef]
- Ali, T.; Eldin, M.N.; Haider, W. The Effect of Soil-Structure Interaction on the Seismic Response of Structures Using Machine Learning, Finite Element Modeling and ASCE 7-16 Methods. Sensors 2023, 23, 2047. [Google Scholar] [CrossRef]
- Obradović, N.; Jocković, S.; Vukićević, M. Application of Hardening State Parameter Constitutive Model for Prediction of Overconsolidated Soft Clay Behavior Due to Embankment Loading. Appl. Sci. 2023, 13, 2175. [Google Scholar] [CrossRef]
- Mohamed, M.H.; Ahmed, M.; Mallick, J.; AlQadhi, S. Finite Element Modeling of the Soil-Nailing Process in Nailed-Soil Slopes. Appl. Sci. 2023, 13, 2139. [Google Scholar] [CrossRef]
- Hawileh, R.A.; Naser, M.Z.; Abdalla, J.A. Finite element simulation of reinforced concrete beams externally strengthened with short-length CFRP plates. Compos. Part B Eng. 2013, 45, 1722–1730. [Google Scholar] [CrossRef]
- Ali, Y.A.; Assi, L.N.; Abas, H.; Taresh, H.R.; Dang, C.N.; Ghahari, S. Numerical Investigation on Effect of Opening Ratio on Structural Performance of Reinforced Concrete Deep Beam Reinforced with CFRP Enhancements. Infrastructures 2023, 8, 2. [Google Scholar] [CrossRef]
- Chen, Y.; Chen, Y.; Lu, D.; Zhang, M.; Lu, P.; Chen, J. Experimental and Numerical Study of Flexural Stiffness Performance of Ultra-Thin, Prefabricated, and Laminated Slab Base Slabs. Sustainability 2022, 14, 13472. [Google Scholar] [CrossRef]
- Sengani, F.; Mulenga, F. Application of Limit Equilibrium Analysis and Numerical Modeling in a Case of Slope Instability. Sustainability 2020, 12, 8870. [Google Scholar] [CrossRef]
- Yang, X.; Xiang, Y.; Shen, G.; Sun, M. A Combination Model for Displacement Interval Prediction of Concrete Dams Based on Residual Estimation. Sustainability 2022, 14, 16025. [Google Scholar] [CrossRef]
- Chaonoi, W.; Shiau, J.; Ngamkhanong, C.; Thongchom, C.; Jamsawang, P.; Keawsawasvong, S. Predicting Lateral Resistance of Piles in Cohesive Soils. Sustainability 2022, 14, 12940. [Google Scholar] [CrossRef]
Disclaimer/Publisher’s Note: The statements, opinions and data contained in all publications are solely those of the individual author(s) and contributor(s) and not of MDPI and/or the editor(s). MDPI and/or the editor(s) disclaim responsibility for any injury to people or property resulting from any ideas, methods, instructions or products referred to in the content. |
© 2023 by the authors. Licensee MDPI, Basel, Switzerland. This article is an open access article distributed under the terms and conditions of the Creative Commons Attribution (CC BY) license (https://creativecommons.org/licenses/by/4.0/).


















