Investigating a New Method-Based Internal Joint Operation Law for Optimizing the Performance of a Turbocharger Compressor
Abstract
1. Introduction
2. Materials and Methods
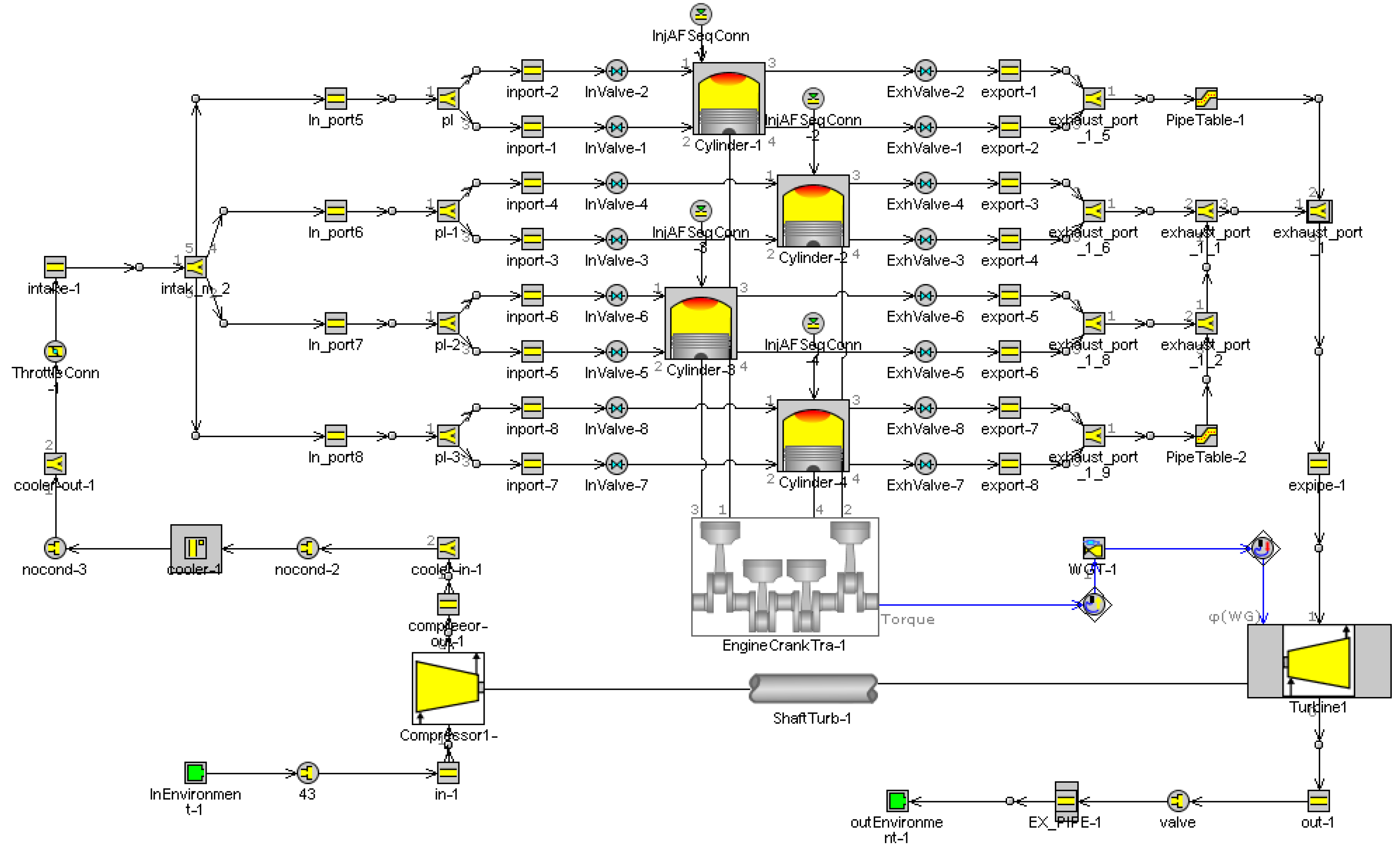
2.1. Research Objects
2.2. Setting Model Parameters
2.3. Test Preparation and Model Validation
3. Internal Joint Operation Law Analysis
3.1. Coupling of Internal Joint Operation Curves
3.2. Propose the Total Efficiency Calculation Method of the Compressor
3.3. Internal Joint Point Operation Law (IJOL) Method
4. Results and Discussion
4.1. Analysis of Compressor Blade Number Based on IJOL Method
4.1.1. Optimization of the Blade Number
4.1.2. Blade Tip Profile Optimization
4.2. Comparison and Validation Analysis of the IJOL and Traditional Methods
4.3. Comparative Analysis of Engine Performance with Optimized Structures of Two Methods
- The working fluid was a uniform state, and the air entering the cylinder and the residual exhaust gas were completely mixed instantaneously;
- Air and mixed gas were considered ideal gases, and their thermodynamic parameters were affected by the temperature and composition of the gas;
- A steady flow process was regarded for the process of working fluid;
- The import and export kinetic energy of the working fluid was negligible, and there was no leakage during the combustion process;
- The combustion heat release process was regarded as a thermodynamic process in which the external heats the working fluid inside the system in accordance with the established heat release law.
4.4. Experimental Verification and Comparison of Compressor Optimization
5. Conclusions
- Based on the joint operating characteristics of the two ends of the turbocharger compressor and turbine, the IJOL method of the turbocharger was coupled using the performance distribution of the compressor and turbine, and the calculation method for the total efficiency of the turbocharger was improved. The efficiency of the compressor obtained using the IJOL method was synchronized with the working of the two ends, which was closer to the actual situation, and more practical.
- Based on the IJOL method, the effects of the blade number and the blade tip profile on the performance were analyzed. For the blade number, the 8-blade compressor had the best overall performance. For the blade tip profile, the compressor with the impeller inlet diameter reduced by 3.12% as compared with the original compressor had better surge performance.
- Compared with the traditional method, the maximum efficiency of the IJOL method was slightly lower, but its joint point performance was higher than that of the traditional method.
- Compared with the performance of the original engine, the power and fuel economy of the engine designed based on the traditional method were worse than those of the original engine. The maximum torque of the engine based on the IJOL method was 4.2% higher than that of the original engine, and the minimum BSFC was 3.1% lower. Compared with the traditional method, the IJOL had obvious advantages.
Author Contributions
Funding
Institutional Review Board Statement
Informed Consent Statement
Data Availability Statement
Acknowledgments
Conflicts of Interest
References
- Figari, M.; Theotokatos, G.; Coraddu, A.; Stoumpos, S.; Mondella, T. Parametric investigation and optimal selection of the hybrid turbocharger system for a large marine four-stroke dual-fuel engine. Appl. Therm. Eng. 2022, 208, 117991. [Google Scholar] [CrossRef]
- Huang, R.; Ni, J.; Cheng, Z.; Wang, Q.; Shi, X.; Yao, X. Assessing the effects of ethanol additive and driving behaviors on fuel economy, particle number, and gaseous emissions of a GDI vehicle under real driving conditions. Fuel 2021, 306, 121642. [Google Scholar] [CrossRef]
- Wang, D.; Shi, L.; Zhang, H.; Li, X.; Qian, Y.; Deng, K. Research on influence and demand of Miller cycle based on the coupling of marine low-speed engine and turbocharger. Appl. Therm. Eng. 2021, 200, 117624. [Google Scholar] [CrossRef]
- Feneley, A.J.; Pesiridis, A.; Andwari, A.M. Variable Geometry Turbocharger Technologies for Exhaust Energy Recovery and Boosting-A Review. Renew. Sustain. Energy Rev. 2017, 71, 959–975. [Google Scholar] [CrossRef]
- Bao, J.; Qu, P.; Wang, H.; Zhou, C.; Zhang, L.; Shi, C. Implementation of various bowl designs in an HPDI natural gas engine focused on performance and pollutant emissions. Chemosphere 2022, 303, 135275. [Google Scholar] [CrossRef]
- Reihani, A.; Hoard, J.; Klinkert, S.; Kuan, C.-K.; Styles, D.; McConville, G. Experimental response surface study of the effects of low-pressure exhaust gas recirculation mixing on turbocharger compressor performance. Appl. Energy 2019, 261, 114349. [Google Scholar] [CrossRef]
- Tanda, G.; Marelli, S.; Marmorato, G.; Capobianco, M. An experimental investigation of internal heat transfer in an automotive turbocharger compressor. Appl. Energy 2017, 193, 531–539. [Google Scholar] [CrossRef]
- Broatch, A.; Ruiz, S.; García-Tíscar, J.; Roig, F. On the influence of inlet elbow radius on recirculating backflow, whoosh noise and efficiency in turbocharger compressors. Exp. Therm. Fluid Sci. 2018, 96, 224–233. [Google Scholar] [CrossRef]
- Tancrez, M.; Galindo, J.; Guardiola, C.; Fajardo, P.; Varnier, O. Turbine adapted maps for turbocharger engine matching. Exp. Therm. Fluid Sci. 2011, 35, 146–153. [Google Scholar] [CrossRef]
- Huang, R.; Ni, J.; Zheng, T.; Wang, Q.; Shi, X.; Cheng, Z. Characterizing and assessing the fuel economy, particle number and gaseous emissions performance of hybrid electric and conventional vehicles under different driving modes. Atmos. Pollut. Res. 2022, 13, 101597. [Google Scholar] [CrossRef]
- Hatami, M.; Cuijpers, M.; Boot, M. Experimental optimization of the vanes geometry for a variable geometry turbocharger (VGT) using a Design of Experiment (DoE) approach. Energy Convers. Manag. 2015, 106, 1057–1070. [Google Scholar] [CrossRef]
- Hosseinimaab, S.; Tousi, A. Optimizing the performance of a single-shaft micro gas turbine engine by modifying its centrifugal compressor design. Energy Convers. Manag. 2022, 271, 116245. [Google Scholar] [CrossRef]
- Ekradi, K.; Madadi, A. Performance improvement of a transonic centrifugal compressor impeller with splitter blade by three-dimensional optimization. Energy 2020, 201, 117582. [Google Scholar] [CrossRef]
- Ma, S.-B.; Afzal, A.; Kim, K.-Y. Optimization of ring cavity in a centrifugal compressor based on comparative analysis of optimization algorithms. Appl. Therm. Eng. 2018, 138, 633–647. [Google Scholar] [CrossRef]
- Shaaban, S. Design optimization of a centrifugal compressor vaneless diffuser. Int. J. Refrig. 2015, 60, 142–154. [Google Scholar] [CrossRef]
- Tüchler, S.; Chen, Z.; Copeland, C.D. Multipoint shape optimisation of an automotive radial compressor using a coupled computational fluid dynamics and genetic algorithm approach. Energy 2018, 165, 543–561. [Google Scholar] [CrossRef]
- Zamiri, A.; Choi, M.; Chung, J.T. Effect of blade squealer tips on aerodynamic performance and stall margin in a transonic centrifugal compressor with vaned diffuser. Aerosp. Sci. Technol. 2022, 123, 107504. [Google Scholar] [CrossRef]
- Aparna, K.; Sharath, R. Development of efficient compressor wheel for turbocharger by varying number of blades. Mater. Today Proc. 2022, 62, 198–202. [Google Scholar] [CrossRef]
- Moussavi, S.A.; Benisi, A.H.; Durali, M. Effect of splitter leading edge location on performance of an automotive turbocharger compressor. Energy 2017, 123, 511–520. [Google Scholar] [CrossRef]
- Mamala, J.J.; Praznowski, K.; Kołodziej, S.; Ligus, G. The Use of Short-Term Compressed Air Supercharging in a Combustion Engine with Spark Ignition. Int. J. Automot. Mech. Eng. 2021, 18, 8704–8713. [Google Scholar] [CrossRef]
- Lu, D.; Theotokatos, G.; Zhang, J.; Zeng, H.; Cui, K. Parametric investigation of a large marine two-stroke diesel engine equipped with exhaust gas recirculation and turbocharger cut out systems. Appl. Therm. Eng. 2021, 200, 117654. [Google Scholar] [CrossRef]
- Yang, M.; Hu, C.; Bai, Y.; Deng, K.; Gu, Y.; Qian, Y.; Liu, B. Matching method of electric turbo compound for two-stroke low-speed marine diesel engine. Appl. Therm. Eng. 2019, 158, 113752. [Google Scholar] [CrossRef]
- Mousavi, S.; Nejat, A.; Alaviyoun, S.; Nejat, M. An Integrated Turbocharger Matching Program for Internal Combustion Engines. J. Appl. Fluid Mech. 2021, 14, 1209–1222. [Google Scholar]
- Chen, Q.; Ni, J.; Wang, Q.; Shi, X. Match-based pseudo-MAP full-operation-range optimization method for a turbocharger compressor. Struct. Multidiscip. Optim. 2019, 60, 1139–1153. [Google Scholar] [CrossRef]
- Huang, L.; Ma, C.; Li, Y.; Gao, J.; Qi, M. Improved Heat Transfer Correction Method for Turbocharger Compressor Performance Measurements. IOP Conf. Ser. Mater. Sci. Eng. 2019, 470, 012002. [Google Scholar] [CrossRef]
- Wu, B.; Han, Z.; Yu, X.; Zhang, S.; Nie, X.; Su, W. A Method for Matching Two-Stage Turbocharger System and Its Influence on Engine Performance. J. Eng. Gas Turbines Power 2019, 141, 5–11. [Google Scholar] [CrossRef]
- Li, X.; Zhao, Y.; Liu, Z.; Yao, H.; Chen, H. A new method for performance map prediction of automotive turbocharger compressors with both vaneless and vaned diffusers. Proc. Inst. Mech. Eng. Part D J. Automob. Eng. 2020, 235, 1734–1747. [Google Scholar] [CrossRef]
- Payri, F.; Serrano, J.; Fajardo, P.; Reyes-Belmonte, M.; Gozalbo-Belles, R. A physically based methodology to extrapolate performance maps of radial turbines. Energy Convers. Manag. 2012, 55, 149–163. [Google Scholar] [CrossRef]
- Liu, C.; Cao, Y.; Zhang, W.; Ming, P.; Liu, Y. Numerical and experimental investigations of centrifugal compressor BPF noise. Appl. Acoust. 2019, 150, 290–301. [Google Scholar] [CrossRef]
- Nakayama, Y.; Boucher, R. Computational fluid dynamics. Introd. Fluid Mech. 1998, 31, 249–273. [Google Scholar]
- Fan, H.; Ni, J.; Shi, X.; Jiang, N.; Zheng, Y.; Zheng, Y. Unsteady Performance Simulation Analysis of a Waste-Gated Turbocharger Turbine under Different Valve Opening Conditions. SAE Tech. Pap. 2017, 1, 2417. [Google Scholar] [CrossRef]
- Yin, S.; Ni, J.; Fan, H.; Shi, X.; Huang, R. A Study of Evaluation Method for Turbocharger Turbine Based on Joint Operation Curve. Sustainability 2022, 14, 9952. [Google Scholar] [CrossRef]
- Fan, H.; Ni, J.; Shi, X.; Qu, D.; Zheng, Y.; Zheng, Y. Simulation of a Combined Nozzled and Nozzleless Twin-Entry Turbine for Improved Efficiency. J. Eng. Gas Turbines Power 2019, 141, 051019. [Google Scholar] [CrossRef]
- Nemati, A.; Cai, O.; Honoré, W. CFD analysis of combustion and emission formation using URANS and LES under large two-stroke marine engine-like conditions. Appl. Therm. Eng. 2022, 216, 119037. [Google Scholar] [CrossRef]
- Galindo, J.; Fajardo, P.; Navarro, R.; García-Cuevas, L. Characterization of a radial turbocharger turbine in pulsating flow by means of CFD and its application to engine modeling. Appl. Energy 2013, 103, 116–127. [Google Scholar] [CrossRef]
- Serrano, J.R.; Navarro, R.; García-Cuevas, L.M.; Inhestern, L.B. Turbocharger turbine rotor tip leakage loss and mass flow model valid up to extreme off-design conditions with high blade to jet speed ratio. Energy 2018, 147, 1299–1310. [Google Scholar] [CrossRef]
- Cheng, L.; Dimitriou, P.; Wang, W.; Peng, J.; Aitouche, A. A novel fuzzy logic variable geometry turbocharger and exhaust gas recirculation control scheme for optimizing the performance and emissions of a diesel engine. Int. J. Engine Res. 2018, 21, 1298–1313. [Google Scholar] [CrossRef]
- Han, G.; Yang, C.; Wu, S.; Zhao, S.; Lu, X. The investigation of mechanisms on pipe diffuser leading edge vortex generation and development in centrifugal compressor. Appl. Therm. Eng. 2023, 219, 119606. [Google Scholar] [CrossRef]
- Liu, X.; Zhao, L. Approximate Nonlinear Modeling of Aircraft Engine Surge Margin Based on Equilibrium Manifold Expansion. Chin. J. Aeronaut. 2012, 25, 663–674. [Google Scholar] [CrossRef]
- Zhao, B.; Zhou, T.; Yang, C. Experimental investigations on effects of the self-circulation casing treatment on acoustic and surge characteristics in a centrifugal compressor. Aerosp. Sci. Technol. 2022, 131, 108002. [Google Scholar] [CrossRef]
- Chen, L.; Luo, J.; Sun, F.; Wu, C. Optimized efficiency axial-flow compressor. Appl. Energy 2005, 81, 409–419. [Google Scholar] [CrossRef]
- Li, X.; Liu, Z.; Zhao, M.; Zhao, Y.; He, Y. Stability improvement without efficiency penalty of a transonic centrifugal compressor by casing treatment and impeller/diffuser coupling optimization. Aerosp. Sci. Technol. 2022, 127, 107685. [Google Scholar] [CrossRef]
- Xing, K.; Huang, H.; Guo, X.; Wang, Y.; Tu, Z.; Li, J. Thermodynamic analysis of improving fuel consumption of natural gas engine by combining Miller cycle with high geometric compression ratio. Energy Convers. Manag. 2022, 254, 115219. [Google Scholar] [CrossRef]
- Fontanesi, S.; Paltrinieri, S.; Cantore, G. CFD Analysis of the Acoustic Behavior of a Centrifugal Compressor for High Performance Engine Application. Energy Procedia 2014, 45, 759–768. [Google Scholar] [CrossRef]



























| Item | Value | Item | Value |
|---|---|---|---|
| Outlet diameter D1t of compressor impeller (mm) | 44 | Inlet diameter of turbine impeller (mm) | 37.6 |
| Inlet diameter of compressor impeller (mm) | 32.1 | Outlet diameter of turbine impeller (mm) | 33.1 |
| Blade number of compressor | 8 | Blade number of turbine | 11 |
| Diffuser height (mm) | 2.5 | Turbine impeller inlet blade angle (°) | 0 |
| Design pressure ratio | 2.2 | Turbine impeller inlet blade height (mm) | 5.1 |
| Rated speed (r/min) | 220,000 | Turbine impeller axial length (mm) | 18.9 |
| Flow range (kg/s) | 0.02–0.13 | Turbine impeller exit mean blade angle (°) | 56.4 |
| Displacement of gasoline engine (L) | 1.5 | Type of cooling | oil cooling + water cooling |
| Surge Margin | Joint Point Efficiency | Pressure Rate | Choke Flow Rate | Maximum Efficiency | |
|---|---|---|---|---|---|
| Weight distribution | 30 | 25 | 25 | 10 | 10 |
| 7 | 8 | 9 | 10 | |||||
|---|---|---|---|---|---|---|---|---|
| Speed (r/min) | Surge Flow Rate (kg/s) | Surge Margin (%) | Surge Flow Rate (kg/s) | Surge Margin (%) | Surge Flow Rate (kg/s) | Surge Margin (%) | Surge Flow Rate (kg/s) | Surge Margin (%) |
| 110,000 | 0.0193 | 10 | 0.0198 | 9.5 | 0.0201 | 9.2 | 0.0204 | 8.9 |
| 150,000 | 0.0373 | 8 | 0.0377 | 7.6 | 0.0380 | 7.3 | 0.0381 | 7.2 |
| 190,000 | 0.0508 | 12.4 | 0.0508 | 12.4 | 0.0509 | 12.3 | 0.0506 | 12.6 |
| 7 | 8 | 9 | 10 | |
|---|---|---|---|---|
| Mean surge margin (%) | 10.13 | 9.83 | 9.60 | 9.57 |
| Mean joint point efficiency (%) | 64.5 | 65.1 | 65.8 | 65.9 |
| Mean joint point pressure ratio | 1.871 | 1.953 | 1.967 | 1.978 |
| Maximum efficiency (%) | 72.296 | 73.029 | 73.675 | 74.07 |
| Choke flow rate (kg/s) | 0.1385 | 0.137 | 0.136 | 0.134 |
| Performance index | 99.6 | 100.0 | 99.8 | 99.8 |
| Original | Scheme A | Scheme B | Scheme C | |||||
|---|---|---|---|---|---|---|---|---|
| Speed (r/min) | Surge Flow Rate (kg/s) | Surge Margin (%) | Surge Flow Rate (kg/s) | Surge Margin (%) | Surge Flow Rate (kg/s) | Surge Margin (%) | Surge Flow Rate (kg/s) | Surge Margin (%) |
| 110,000 | 0.0198 | 9.5 | 0.0180 | 11.3 | 0.0180 | 11.3 | 0.0158 | 13.5 |
| 150,000 | 0.0377 | 7.6 | 0.0345 | 10.8 | 0.0370 | 8.3 | 0.0335 | 11.8 |
| 190,000 | 0.0508 | 12.4 | 0.0465 | 16.7 | 0.0500 | 13.2 | 0.0454 | 17.8 |
| Original | Scheme A | Scheme B | Scheme C | |
|---|---|---|---|---|
| Mean surge margin (%) | 9.83 | 12.93 | 10.93 | 14.37 |
| Mean joint point efficiency (%) | 65.1 | 66.5 | 66.1 | 66.5 |
| Mean joint point pressure ratio | 1.953 | 1.943 | 1.954 | 1.936 |
| Maximum efficiency (%) | 73.029 | 73.845 | 71.225 | 71.965 |
| Choke flow rate (kg/s) | 0.137 | 0.130 | 0.131 | 0.127 |
| Performance index | 100.0 | 109.5 | 103.0 | 113.3 |
| Original | Traditional Method | IJOL Method | ||||
|---|---|---|---|---|---|---|
| Speed (r/min) | Surge Flow Rate (kg/s) | Surge Margin (%) | Surge Flow Rate (kg/s) | Surge Margin (%) | Surge Flow Rate (kg/s) | Surge Margin (%) |
| 110,000 | 0.0198 | 9.5 | 0.0180 | 11.3 | 0.0196 | 9.7 |
| 150,000 | 0.0377 | 7.6 | 0.0345 | 10.8 | 0.0371 | 8.4 |
| 190,000 | 0.0508 | 12.4 | 0.0465 | 16.7 | 0.0502 | 13.0 |
| Original | Traditional Method | IJOL Method | |
|---|---|---|---|
| Mean surge margin (%) | 9.83 | 12.93 | 10.37 |
| Mean joint point efficiency (%) | 65.1 | 66.5 | 64.3 |
| Mean joint point pressure ratio | 1.953 | 1.943 | 1.861 |
| Maximum efficiency (%) | 73.029 | 73.845 | 73.901 |
| Choke flow rate (kg/s) | 0.137 | 0.13 | 0.132 |
| Performance index | 100.0 | 99.9 | 109.5 |
Disclaimer/Publisher’s Note: The statements, opinions and data contained in all publications are solely those of the individual author(s) and contributor(s) and not of MDPI and/or the editor(s). MDPI and/or the editor(s) disclaim responsibility for any injury to people or property resulting from any ideas, methods, instructions or products referred to in the content. |
© 2023 by the authors. Licensee MDPI, Basel, Switzerland. This article is an open access article distributed under the terms and conditions of the Creative Commons Attribution (CC BY) license (https://creativecommons.org/licenses/by/4.0/).
Share and Cite
Huang, R.; Ni, J.; Fan, H.; Shi, X.; Wang, Q. Investigating a New Method-Based Internal Joint Operation Law for Optimizing the Performance of a Turbocharger Compressor. Sustainability 2023, 15, 990. https://doi.org/10.3390/su15020990
Huang R, Ni J, Fan H, Shi X, Wang Q. Investigating a New Method-Based Internal Joint Operation Law for Optimizing the Performance of a Turbocharger Compressor. Sustainability. 2023; 15(2):990. https://doi.org/10.3390/su15020990
Chicago/Turabian StyleHuang, Rong, Jimin Ni, Houchuan Fan, Xiuyong Shi, and Qiwei Wang. 2023. "Investigating a New Method-Based Internal Joint Operation Law for Optimizing the Performance of a Turbocharger Compressor" Sustainability 15, no. 2: 990. https://doi.org/10.3390/su15020990
APA StyleHuang, R., Ni, J., Fan, H., Shi, X., & Wang, Q. (2023). Investigating a New Method-Based Internal Joint Operation Law for Optimizing the Performance of a Turbocharger Compressor. Sustainability, 15(2), 990. https://doi.org/10.3390/su15020990

