Compensation Admittance Load Flow: A Computational Tool for the Sustainability of the Electrical Grid
Abstract
:1. Introduction
2. About Traditional LF Solving Methods
2.1. Load Flow Problem Formulation
2.2. Newton–Raphson Method
2.3. Gauss Seidel Method
2.4. Differences between NR and GS
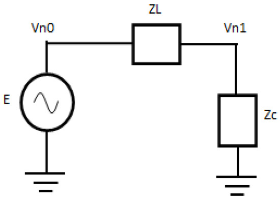
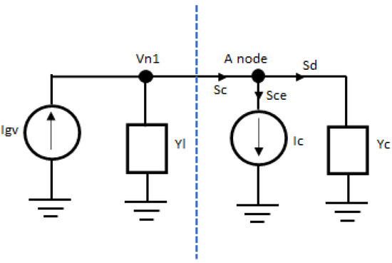
3. Compensation Admittance Load Flow (CALF): A New Linear Load Flow Solving Method
CALF Method
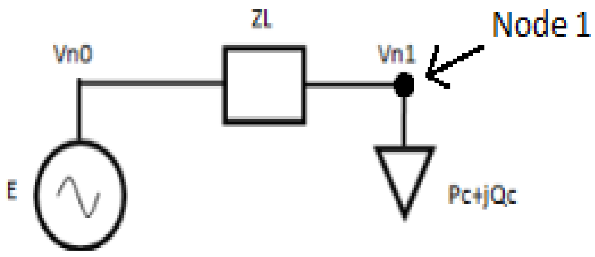
- The voltage at node (considering the flat start value) decreased from 220 V in-module to 217.83 V in-module. Moreover, it is underestimated compared to the 217.80 V calculated with the exact Millman method.
- The apparent power absorbed by the load equal to 46.97 kVA is underestimated if compared to the one equal to 47.44 kVA obtained with the exact Millman method.
4. CALF vs. Traditional Methods: Tests and Results
4.1. Methods Solution vs. Exact Solution
4.2. Method Solution vs. Execution Time
4.3. Execution Time vs. Combined Methods
4.4. Precision vs. Methods and Grids
4.4.1. Nodal Voltage % Average Detachment vs. NR Results
4.4.2. Nodal Voltage % Average Detachment vs. Nominal Voltage
4.4.3. Active Power Average Detachment vs. Active Power from Grid Data
4.4.4. Reactive Power Average Detachment vs. Active Power from Grid Data
4.5. LF with Changing Initial Nodal Voltage Flat Start
4.6. Advantages and Limitations of CALF Method
- Precision and accuracy: The precision tests unveiled that the CALF method consistently delivered highly accurate nodal voltage and active/reactive power results, often surpassing the GS method and, in specific scenarios, rivalling the precision of the NR method.
- Robustness: In the context of robustness, CALF exhibited a notable advantage over NR and GS. Its execution time remained relatively constant even with deviations from nominal voltage as initial guesses, signifying its resilience in converging swiftly across different starting conditions.
- Efficiency: CALF demonstrated efficiency by consistently outperforming NR in terms of execution time. Its computational speed was particularly evident for larger grids, where CALF’s execution time was significantly shorter than both NR and GS.
- Simplicity and elegance: Unlike the intricate iterative processes of NR and GS, CALF’s linear solution approach showcases a streamlined and elegant design. This simplicity potentially leads to fewer convergence issues.
- Precision in larger grids: While CALF demonstrated exceptional precision for smaller to medium-sized grids, its performance slightly diminished with larger grid sizes. In these cases, the precision advantage over NR became less pronounced.
- Combined method performance: Our combined methods test indicated that the execution time of the CALF-NR and CALF-GS combined methods was less efficient than CALF alone. While CALF still outperformed NR and GS, the combination resulted in a slight compromise in performance.
- Initial guess sensitivity: While CALF’s robustness was evident, it is important to note that like all iterative methods, it can be sensitive to initial guess values. Although this sensitivity was mitigated by CALF’s robustness design, careful initialization remains relevant.
5. Conclusions
Author Contributions
Funding
Informed Consent Statement
Data Availability Statement
Conflicts of Interest
References
- Milano, F. Analogy and Convergence of Levenberg’s and Lyapunov-Based Methods for Power Flow Analysis. IEEE Trans. Power Syst. 2016, 31, 1663–1664. [Google Scholar] [CrossRef]
- Hamedi, M.; Shayeghi, H.; Seyedshenava, S.; Safari, A.; Younesi, A.; Bizon, N.; Iana, V.-G. Developing an Integration of Smart-Inverter-Based Hosting-Capacity Enhancement in Dynamic Expansion Planning of PV-Penetrated LV Distribution Networks. Sustainability 2023, 15, 11183. [Google Scholar] [CrossRef]
- Lazzeroni, P.; Mariuzzo, I.; Quercio, M.; Repetto, M. Economic, Energy, and Environmental Analysis of PV with Battery Storage for Italian Households. Electronics 2021, 10, 1919. [Google Scholar] [CrossRef]
- Montoya, F.G.; Baños Navarro, R. Optimization Methods Applied to Power Systems II; MDPI—Multidisciplinary Digital Publishing Institute: Basel, Switzerland, 2021. [Google Scholar]
- El-Hawary, M.E. (Ed.) Advances in Electric Power and Energy Systems: Load and Price Forecasting; Wiley: Hoboken, NJ, USA, 2017. [Google Scholar]
- Lin, J.; Li, V.O.K.; Leung, K.-C.; Lam, A.Y.S. Optimal Power Flow with Power Flow Routers. IEEE Trans. Power Syst. 2017, 32, 531–543. [Google Scholar] [CrossRef]
- Low, S.H. Convex Relaxation of Optimal Power Flow—Part I: Formulations and Equivalence. IEEE Trans. Control Netw. Syst. 2014, 1, 15–27. [Google Scholar] [CrossRef]
- Faba, A.; Gaiotto, S.; Lozito, G.M. A novel technique for online monitoring of photovoltaic devices degradation. Sol. Energy 2017, 158, 520–527. [Google Scholar] [CrossRef]
- Miah, M.S.; Hossain Lipu, M.S.; Meraj, S.T.; Hasan, K.; Ansari, S.; Jamal, T.; Masrur, H.; Elavarasan, R.M.; Hussain, A. Optimized Energy Management Schemes for Electric Vehicle Applications: A Bibliometric Analysis towards Future Trends. Sustainability 2021, 13, 12800. [Google Scholar] [CrossRef]
- Sun, B.; Jing, R.; Zeng, Y.; Li, Y.; Chen, J.; Liang, G. Distributed Optimal Dispatching Method for Smart Distribution Network Considering Effective Interaction of Source-Network-Load-Storage Flexible Resources. Energy Rep. 2023, 9, 148–162. [Google Scholar] [CrossRef]
- Mastoi, M.S.; Zhuang, S.; Munir, H.M.; Haris, M.; Hassan, M.; Alqarni, M.; Alamri, B. A Study of Charging-Dispatch Strategies and Vehicle-to-Grid Technologies for Electric Vehicles in Distribution Networks. Energy Rep. 2023, 9, 1777–1806. [Google Scholar] [CrossRef]
- Corti, F.; Reatti, A.; Pierini, M.; Barbieri, R.; Berzi, L.; Nepote, A.; De La Pierre, P. A Low-Cost Secondary-Side Controlled Electric Vehicle Wireless Charging System using a Full-Active Rectifier. In Proceedings of the 2018 International Conference of Electrical and Electronic Technologies for Automotive, Milan, Italy, 9–11 July 2018; pp. 1–6. [Google Scholar]
- Pandey, A.; Jereminov, M.; Wagner, M.R.; Bromberg, D.M.; Hug, G.; Pileggi, L. Robust Power Flow and Three-Phase Power Flow Analyses. IEEE Trans. Power Syst. 2019, 34, 616–626. [Google Scholar] [CrossRef]
- Simpson-Porco, J.W. A Theory of Solvability for Lossless Power Flow Equations—Part I: Fixed-Point Power Flow. IEEE Trans. Control Netw. Syst. 2018, 5, 1361–1372. [Google Scholar] [CrossRef]
- Corti, F.; Laudani, A.; Lozito, G.M.; Palermo, M.; Quercio, M.; Pattini, F.; Rampino, S. Dynamic Analysis of a Supercapacitor DC-Link in Photovoltaic Conversion Applications. Energies 2023, 16, 5864. [Google Scholar] [CrossRef]
- Kamel, S.; Jurado, F.; Chen, Z.; Abdel-Akher, M.; Ebeed, M. Developed Generalised Unified Power Flow Controller Model in the Newton–Raphson Power-Flow Analysis Using Combined Mismatches Method. IET Gener. Transm. Distrib. 2016, 10, 2177–2184. [Google Scholar] [CrossRef]
- Talluri, G.; Lozito, G.M.; Grasso, F.; Iturrino Garcia, C.; Luchetta, A. Optimal battery energy storage system scheduling within renewable energy communities. Energies 2021, 14, 8480. [Google Scholar] [CrossRef]
- Pugi, L.; Reatti, A.; Corti, F. Application of Wireless Power Transfer to Railway Parking Functionality: Preliminary Design Considerations with Series-Series and LCC Topologies. J. Adv. Transp. 2018, 2018, 8103140. [Google Scholar] [CrossRef]
- Luca, P.; Reatti, A.; Corti, F.; Mastromauro, R.A. Inductive power transfer: Through a bondgraph analogy, an innovative modal approach. In Proceedings of the 2017 IEEE International Conference on Environment and Electrical Engineering and 2017 IEEE Industrial and Commercial Power Systems Europe (EEEIC/I&CPS Europe), Milan, Italy, 6–9 June 2017; pp. 1–6. [Google Scholar]
















| Type | Known Values | Unknown Parameters |
|---|---|---|
| Slack bus | V = 1.0 p.u., delta = 0° | P, Q |
| Load bus (simple gen) | Pk, Qk | V, delta |
| Gen bus | Pk, Vk | Q, delta |
| Iteration | ||||
|---|---|---|---|---|
| 0 | - | - | 220 + j0 | - |
| 1 | 20,183.48 − 6055.04j | 215.629 − 2.15629j | 217.8372 − 0.625325j | 46,973.4 + 334.8826j |
| 2 | - | - | - | - |
| 3 | - | - | - | - |
| 4 | - | - | - | - |
| Iteration | Ig | Ic | Vn1 | Sc | Sd | Yc |
|---|---|---|---|---|---|---|
| 0 | - | - | 220 + j0 | - | - | 0 + 0j |
| 1 | 20,183.48 − 6055.04j | 215.629 − 2.15629j | 217.8372 − 0.625325j | 46,973.4 + 334.8826j | 10.1328 + 0.101328j | 0.000213624 − 2.1362 × 10−6j |
| 2 | - | - | - | - | - | - |
| 3 | - | - | - | - | - | - |
| 4 | - | - | - | - | - | - |
| Node Number | Exact Solutions | Calf Solutions |
|---|---|---|
| Iteractions Exec. time (ns) Complex node voltages ABS nodal boltages P.U. ABS nodal voltages Line current Transf. current Expected CPLX pow. @ buses Computer CPLX pow. @ buses Transf. CPLX power Transf. losses LINES LOSSES | NA NA [220.12516083 + 0.1245588j 215.16765754 − 0.03769608j] [220.12519607 15.16766084] [1.00056907 0.97803482] 32.529 + 0.0051589j −12.8987 + 0.0310966j [−10000. + 0.j 7000. + 0.j] [−9999.923 − 22.6850j 6999.341 − 4.78876j] −2837.116 + 6.9064j 1.6182 + 1.60275j 161.2653 + 5.30368j | 3 997800 [220.12407684 + 0.12468541j 215.1582232 − 0.03557047j] [220.12411215 215.15822614] [1.00056415 0.97799194] 32.584 − 0.00972j [−12.84928 − 0.0314343129j [−10000. + 0.j 7000. + 0.j] [−10000.304 − 0.27694j 7003.331 + 0.30975j] −2836.600 + 6.77951j 1.5903798 + 1.606019j 161.809 + 5.17349243j |
| Node Number | Exact Solutions | GS Solutions |
|---|---|---|
| Iterations Exec. time (ns) Complex node voltages ABS nodal voltages P.U. ABS nodal voltages Line current Transf. current Expected CPLX pow. @ buses Computed CPLX pow. @ buses Transf. CPLX power Transf. losses Line losses | NA NA [220.12516083 + 0.1245588j 215.16765754 − 0.03769608j] [220.12519607 215.16766084] [1.00056907 0.97803482] 32.529 + 0.0051589j −12.8987 + 0.0310966j [−10000. + 0.j 7000. + 0.j] [−9999.923 − 22.6850j 6999.341 − 4.78876j] −2837.116 + 6.9064j 1.6182 + 1.60275j 161.2653 + 5.30368j | 3 996700 [220.12400151 + 0.12854805j 215.1664764 − 0.03288369j] [220.12403905 215.16647891] [1.00056381 0.97802945] 32.529684 − 0.000238j −13.0449 − 0.234841j [−10,000. + 0.j 7000. + 0.j] [−10,000. + 0.j 7000. + 0.j] −2837.1458 + 6.95615j 1.5874 + 1.706019j 161.2667 + 5.25014j |
| Node Number | Exact Solutions | NR Solutions |
|---|---|---|
| Iterations Exec. time (ns) Complex node voltages ABS nodal voltages P.U. ABS nodal voltages Line current Transf. current Expected CPLX pow. @ buses Computed CPLX pow. @ buses Transf. CPLX power Transf. losses Line losses | NA NA [220.12516083 + 0.1245588j 215.16765754 − 0.03769608j] [220.12519607 215.16766084] [1.00056907 0.97803482] 32.529 + 0.0051589j −12.8987 + 0.0310966j [−10000. + 0.j 7000. + 0.j] [−9999.923 − 22.6850j 6999.341 − 4.78876j] −2837.116 + 6.9064j 1.6182 + 1.60275j 161.2653 + 5.30368j | 2 10597000 [220.13196038 + 0.13207919j 215.28290759 + 0.02538032j] [220.132 215.28290909] [1.0006 0.97855868] 31.8069 − 0.33584j −13.638407 − 0.00613718j [−10000. + 0.j 7000. + 0.j] [−10000. + 0.j 7000. + 0.j] −2843.931 + 3.5674239j 1.7989 + 1.80215j 154.269 + 1.765264j |
| Node Number | Exact SOL. | CALF | GS | NR |
|---|---|---|---|---|
| [Node 1 Node 2] in p.u. | [1.00056907 0.97803482] | [1.00056415 0.97799194] | [1.0006 0.97855868] | [1.00056381 0.97802945] |
| Distance % from exact values [Node 1 Node 2] | // | [−0.0004917 −0.004384] | [0.0030912 0.05356] | [−0.0005257 −0.000549] |
| Distance % from exact value Node means | // | −0.002438 | 0.028327 | −0.000537 |
| Node Number | GS | CALF | NR |
|---|---|---|---|
| 2 | 0.9967 | 0.9978 | 3.7756 |
| 19 | 9.739739 | 10.44369 | 19.93895 |
| 101 | 39.54172 | 17.9522 | 20.02764 |
| Node Number | CALF and NR | GS and NR |
|---|---|---|
| 2 | 1.9245 | 1.8529 |
| 19 | 28.835 | 28.786 |
| 101 | 33.5724 | 37.5614 |
| Node Number | CALF | GS |
|---|---|---|
| 2 | 101.1100482 | 101.1100146 |
| 19 | 100.3998917 | 100.6123748 |
| 101 | 101.2733728 | 101.5968205 |
| Node Number | CALF | GS | NR |
|---|---|---|---|
| 2 | 100.06 | 100.0564146 | 100.0563814 |
| 19 | 99.81 | 99.79562822 | 100.0068325 |
| 101 | 99.69761905 | 99.67897347 | 99.9973289 |
| Node Number | Slack Active Power [kW] | CALF% Detachment | GS% Detachment | NR% Detachment |
|---|---|---|---|---|
| 2 | 14 | 0.0016% | 0.0117% | 0.0011% |
| 19 | 19.6 | 0.0166% | 0.0534% | 0.0053% |
| 101 | 194 | 0.0806% | 0.0965% | 0.0119% |
| Node Number | Slack Reactive Power [VAr] | CALF% Detachment | GS% Detachment | NR% Detachment |
|---|---|---|---|---|
| 2 | 38.93 | 7.0288% | 5.7494% | 0.4214% |
| 19 | 176.86 | 5.6012% | 7.7929% | 1.2601% |
| 101 | 2565 | 5.6893% | 4.5030% | 0.9791% |
| Node Number | 10% Detachment from Nominal Voltage Flat Start | 1% | 0.1% | 0.01% | 0% |
|---|---|---|---|---|---|
| 2 | 0.9968 | 0.153 | 0.5189 | 1.0036 | 0.9978 |
| 19 | 1.9963 | 2.9907 | 5.9842 | 12.989 | 10.44368744 |
| 101 | 20.64484 | 33.8026 | 15.9574 | 21.294 | 17.95220375 |
| Node Number | 10% Detachment from Nominal Voltage Flat Start | 1% | 0.1% | 0.01% | 0% |
|---|---|---|---|---|---|
| 2 | 0.9929 | 1.0037 | 0.9977 | 1.0005 | 0.9967 |
| 19 | 0.9978 | 3.9902 | 1.9935 | 10.97 | 9.739739275 |
| 101 | 53.9628 | 70.9717 | 63.9622 | 45.9558 | 39.54172134 |
| Node Number | 10% Detachment from Nominal Voltage Flat Start | 1% | 0.1% | 0.01% | 0% |
|---|---|---|---|---|---|
| 2 | 1.9954 | 0.9976 | 1.9847 | 2.987 | 3.7756 |
| 19 | 31.9124 | 50.8657 | 40.8885 | 21.8795 | 19.93894577 |
| 101 | 92.25319 | 108.41114 | 65.32519 | 32.62957 | 20.02763748 |
Disclaimer/Publisher’s Note: The statements, opinions and data contained in all publications are solely those of the individual author(s) and contributor(s) and not of MDPI and/or the editor(s). MDPI and/or the editor(s) disclaim responsibility for any injury to people or property resulting from any ideas, methods, instructions or products referred to in the content. |
© 2023 by the authors. Licensee MDPI, Basel, Switzerland. This article is an open access article distributed under the terms and conditions of the Creative Commons Attribution (CC BY) license (https://creativecommons.org/licenses/by/4.0/).
Share and Cite
Risi, B.-G.; Riganti-Fulginei, F.; Laudani, A.; Quercio, M. Compensation Admittance Load Flow: A Computational Tool for the Sustainability of the Electrical Grid. Sustainability 2023, 15, 14427. https://doi.org/10.3390/su151914427
Risi B-G, Riganti-Fulginei F, Laudani A, Quercio M. Compensation Admittance Load Flow: A Computational Tool for the Sustainability of the Electrical Grid. Sustainability. 2023; 15(19):14427. https://doi.org/10.3390/su151914427
Chicago/Turabian StyleRisi, Benedetto-Giuseppe, Francesco Riganti-Fulginei, Antonino Laudani, and Michele Quercio. 2023. "Compensation Admittance Load Flow: A Computational Tool for the Sustainability of the Electrical Grid" Sustainability 15, no. 19: 14427. https://doi.org/10.3390/su151914427
APA StyleRisi, B.-G., Riganti-Fulginei, F., Laudani, A., & Quercio, M. (2023). Compensation Admittance Load Flow: A Computational Tool for the Sustainability of the Electrical Grid. Sustainability, 15(19), 14427. https://doi.org/10.3390/su151914427

