Response of Cellulose Decomposition and Nodulation in Soils Amended with Biochar for Peri-Urban Agriculture
Abstract
1. Introduction
2. Materials and Methods
2.1. Soils Used
2.2. Source and Type of Biochar
2.3. Structure Profiling of Biochar
2.4. Incubation Experiments
2.4.1. Effect of Biochar Application at Different Rates in Cellulose-Decomposing Bacteria, Fungi, and Actinomycetes
2.4.2. Microbial Biomass Resistance Index (MB-RS)
2.5. Cellulose Decomposition Rates
2.6. Greenhouse Experiments
2.7. Enzymatic Hydrolysis
2.8. Statistical Analysis
3. Results and Discussion
3.1. Effects of Biochar Amendment at Different Rates on Cellulose Decomposition Rate
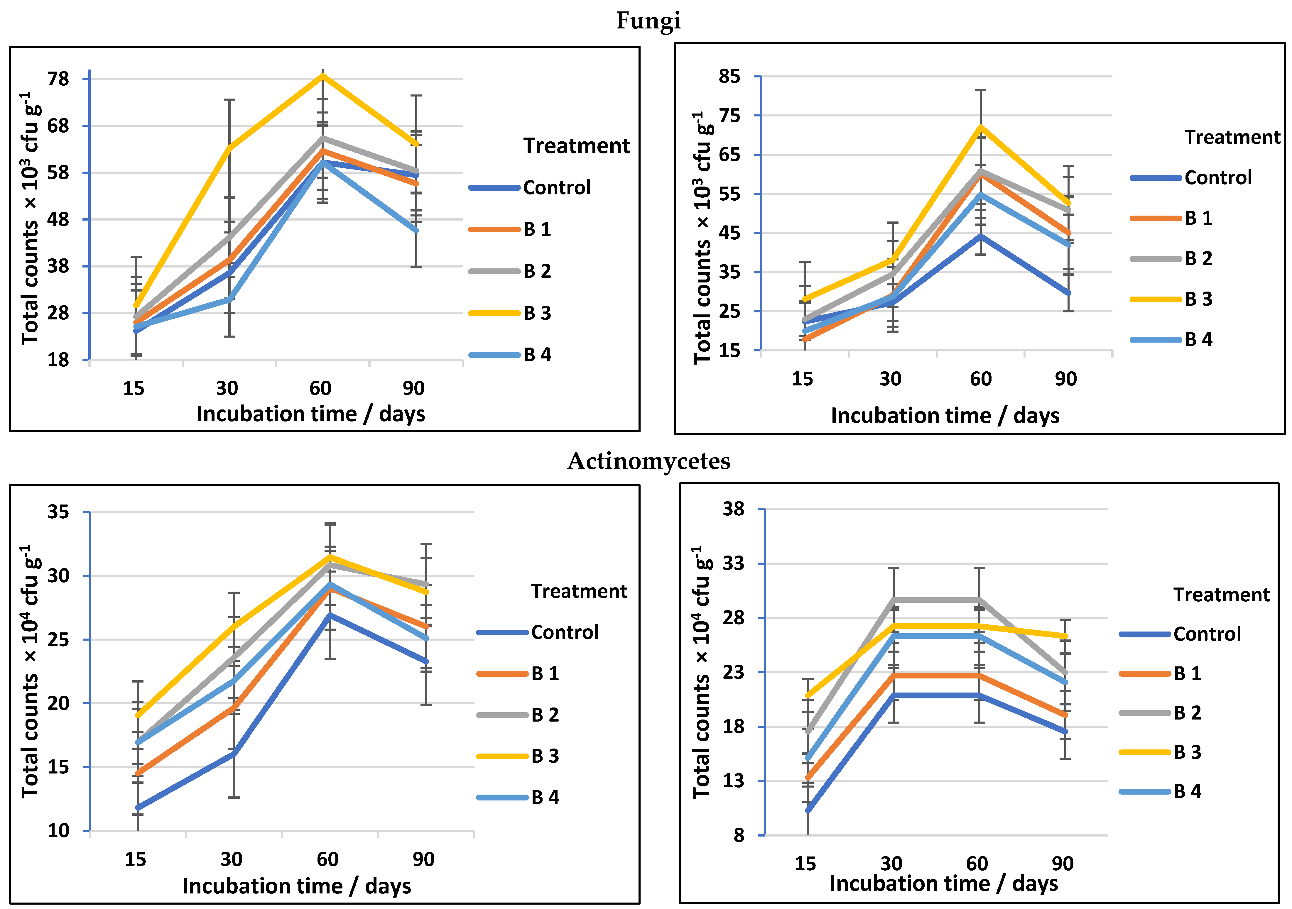
3.1.1. Effect on Cellulose-Decomposing Microorganisms
3.1.2. Fungal/Bacterial Cellulose Decomposer Ratio (Fcd/Bcd)
3.1.3. Microbial Biomass Resistance Index (MB-RS)
3.2. Effect of Biochar at Different Rates on Cellulose Decomposition Rates
3.3. Effect of Biochar on Plant Growth and Nodulation
3.4. Effect of Biochar on Cellulase and β-Glucosidase Activity of Soils
4. Conclusions
Author Contributions
Funding
Data Availability Statement
Acknowledgments
Conflicts of Interest
References
- Bekier, J.; Jamroz, E.; Walenczak-Bekier, K.; Uściła, M. Soil Organic Matter Composition in Urban Soils: A Study of Wrocław Agglomeration, SW Poland. Sustainability 2023, 15, 2277. [Google Scholar] [CrossRef]
- Haddad, S.A.; Lemanowicz, J.; Abd El-Azeim, M.M. Cellulose Decomposition in Clay and Sandy Soils Contaminated with Heavy Metals. Int. J. Environ. Sci. Technol. 2019, 16, 3275–3290. [Google Scholar] [CrossRef]
- Weber, J.; Kocowicz, A.; Bekier, J.; Jamroz, E.; Tyszka, R.; Debicka, M.; Parylak, D.; Kordas, L. The Effect of a Sandy Soil Amendment with Municipal Solid Waste (MSW) Compost on Nitrogen Uptake Efficiency by Plants. Eur. J. Agron. 2014, 54, 54–60. [Google Scholar] [CrossRef]
- Deng, S.P.; Tabatabai, M.A. Cellulase Activity of Soils; Elsevier: Amsterdam, The Netherlands, 1994; Volume 26. [Google Scholar]
- Paul, E.A.; Clark, F.E. Soil Microbiology and Biochemistry; Academic Press Inc.: London, UK, 1989. [Google Scholar]
- Haddad, S.A.; Tabatabai, M.A.; Abdel-Moneim, A.M.A.; Loynachan, T.E. Inhibition of Nodulation and Nitrogen Nutrition of Leguminous Crops by Selected Heavy Metals. Air Soil and Water Research 2015, 8, 1–7. [Google Scholar] [CrossRef]
- Xie, Y.; Fan, J.; Zhu, W.; Amombo, E.; Lou, Y.; Chen, L.; Fu, J. Effect of Heavy Metals Pollution on Soil Microbial Diversity and Bermudagrass Genetic Variation. Front. Plant Sci. 2016, 7, 755. [Google Scholar] [CrossRef] [PubMed]
- Hardy, B.; Sleutel, S.; Dufey, J.E.; Cornelis, J.T. The Long-Term Effect of Biochar on Soil Microbial Abundance, Activity and Community Structure Is Overwritten by Land Management. Front. Environ. Sci. 2019, 7, 110. [Google Scholar] [CrossRef]
- Gunarathne, N.; de Alwis, A.; Alahakoon, Y. Challenges Facing Sustainable Urban Mining in the E-Waste Recycling Industry in Sri Lanka. J. Clean. Prod. 2020, 251, 119641. [Google Scholar] [CrossRef]
- Abd El-Azeim, M.M.; Menesi, A.M.; Abd El-Mageed, M.M.; Lemanowicz, J.; Haddad, S.A. Wheat Crop Yield and Changes in Soil Biological and Heavy Metals Status in a Sandy Soil Amended with Biochar and Irrigated with Drainage Water. Agriculture 2022, 12, 1723. [Google Scholar] [CrossRef]
- Lehmann, J.; Joseph, S. Biochar for Environmental Management: Science, Technology and Implementation; Earthscan: London, UK, 2009. [Google Scholar]
- Abbas, T.; Rizwan, M.; Ali, S.; Adrees, M.; Zia-ur-Rehman, M.; Qayyum, M.F.; Ok, Y.S.; Murtaza, G. Effect of Biochar on Alleviation of Cadmium Toxicity in Wheat (Triticum aestivum L.) Grown on Cd-Contaminated Saline Soil. Environ. Sci. Pollut. Res. 2018, 25, 25668–25680. [Google Scholar] [CrossRef]
- Haddad, S.A.; Lemanowicz, J. Benefits of Corn-Cob Biochar to the Microbial and Enzymatic Activity of Soybean Plants Grown in Soils Contaminated with Heavy Metals. Energies 2021, 14, 5763. [Google Scholar] [CrossRef]
- Haddad, S.A.; Mowrer, J.; Thapa, B. Biochar and Compost from Cotton Residues Inconsistently Affect Water Use Efficiency, Nodulation, and Growth of Legumes under Arid Conditions. J. Environ. Manag. 2022, 307, 114558. [Google Scholar] [CrossRef]
- Wojewódzki, P.; Lemanowicz, J.; Debska, B.; Haddad, S.A.; Tobiasova, E. The Application of Biochar from Waste Biomass to Improve Soil Fertility and Soil Enzyme Activity and Increase Carbon Sequestration. Energies 2023, 16, 380. [Google Scholar] [CrossRef]
- Yue, X.; Liu, X.; Wang, F.; Shen, C.; Zhang, Y. Contrasting Effects of Organic Materials versus Their Derived Biochars on Maize Growth, Soil Properties and Bacterial Community in Two Type Soils. Front. Microbiol. 2023, 14, 1174921. [Google Scholar] [CrossRef]
- Yan, T.; Xue, J.; Zhou, Z.; Wu, Y. Effects of Biochar-Based Fertilizer on Soil Bacterial Network Structure in a Karst Mountainous Area. Catena 2021, 206, 105535. [Google Scholar] [CrossRef]
- Wang, C.; Luo, D.; Zhang, X.; Huang, R.; Cao, Y.; Liu, G.; Zhang, Y.; Wang, H. Biochar-Based Slow-Release of Fertilizers for Sustainable Agriculture: A Mini Review. Environ. Sci. Ecotechnol. 2022, 10, 100167. [Google Scholar] [CrossRef]
- Minamino, Y.; Fujitake, N.; Suzuki, T.; Yoshitake, S.; Koizumi, H.; Tomotsune, M. Effect of Biochar Addition on Leaf-Litter Decomposition at Soil Surface during Three Years in a Warm-Temperate Secondary Deciduous Forest, Japan. Sci. Rep. 2019, 9, 16961. [Google Scholar] [CrossRef] [PubMed]
- Gross, A.; Bromm, T.; Glaser, B. Soil Organic Carbon Sequestration after Biochar Application: A Global Meta-Analysis. Agronomy 2021, 11, 2474. [Google Scholar] [CrossRef]
- Bi, R.; Zhang, Q.; Zhan, L.; Xu, X.; Zhang, X.; Dong, Y.; Yan, X.; Xiong, Z. Biochar and Organic Substitution Improved Net Ecosystem Economic Benefit in Intensive Vegetable Production. Biochar 2022, 4, 46. [Google Scholar] [CrossRef]
- Ippolito, J.A.; Stromberger, M.E.; Lentz, R.D.; Dungan, R.S. Hardwood Biochar Influences Calcareous Soil Physicochemical and Microbiological Status. J. Environ. Qual. 2014, 43, 681–689. [Google Scholar] [CrossRef]
- Lehmann, J.; Rillig, M.C.; Thies, J.; Masiello, C.A.; Hockaday, W.C.; Crowley, D. Biochar Effects on Soil Biota—A Review. Soil. Biol. Biochem. 2011, 43, 1812–1836. [Google Scholar]
- Elzobair, K.A.; Stromberger, M.E.; Ippolito, J.A.; Lentz, R.D. Contrasting Effects of Biochar versus Manure on Soil Microbial Communities and Enzyme Activities in an Aridisol. Chemosphere 2016, 142, 145–152. [Google Scholar] [CrossRef]
- Palansooriya, K.N.; Ok, Y.S.; Awad, Y.M.; Lee, S.S.; Sung, J.K.; Koutsospyros, A.; Moon, D.H. Impacts of Biochar Application on Upland Agriculture: A Review. J. Environ. Manag. 2019, 234, 52–64. [Google Scholar] [CrossRef]
- Page, A.L.; Miller, R.H.; Keeney, D.R. Methods of Soil Analysis: Chemical and Microbiological Properties; American Society of Agronomy: Madison, WI, USA, 1982; Volume 2. ISBN 089118 0729.
- Gundi, V.A.K.B.; Viswanath, B.; Chandra, M.S.; Kumar, V.N.; Reddy, B.R. Activities of Cellulase and Amylase in Soils as Influenced by Insecticide Interactions. Ecotoxicol. Environ. Saf. 2007, 68, 278–285. [Google Scholar] [CrossRef]
- Onsori, H.; Raza Zamani, M.; Motallebi, M.; Zarghami, N. Identification of over Producer Strain of Endo-1,4-Glucanase in Aspergillus Species: Characterization of Crude Carboxymethyl Cellulase. Afr. J. Biotechnol. 2005, 4, 26–30. [Google Scholar]
- de Vries, F.T.; Hoffland, E.; van Eekeren, N.; Brussaard, L.; Bloem, J. Fungal/Bacterial Ratios in Grasslands with Contrasting Nitrogen Management. Soil. Biol. Biochem. 2006, 38, 2092–2103. [Google Scholar] [CrossRef]
- Orwin, K.H.; Wardle, D.A. New Indices for Quantifying the Resistance and Resilience of Soil Biota to Exogenous Disturbances. Soil. Biol. Biochem. 2004, 36, 1907–1912. [Google Scholar] [CrossRef]
- Grossbard, E.; GI, W. Techniques for the Assay of Effects of Herbicides on the Soil Microflora. II. The Effect of Herbicides on Cellulose Decomposition. Soc. Appl. Bacteriol. Tech. Ser. 1975, 8, 236–256. [Google Scholar]
- Hiroki, M.; Watanabe, M.M. Microbial Community and Rate of Cellulose Decomposition in Peat Soils in a Mire. Soil. Sci. Plant Nutr. 1996, 42, 893–903. [Google Scholar] [CrossRef]
- Elvazrt, F.; Tabatabai, M.A. Factors Affecting Glucosidase and Galactosidase Activities in Soils; Elsevier: Amsterdam, The Netherlands, 1990; Volume 22. [Google Scholar]
- Tabatabai, M.A. Soil enzymes. In Methods of Soil Analysis: Part 2 Microbiological and Biochemical Properties, 5.2; Chapter 37; John Wiley & Sons, Inc.: Hoboken, NJ, USA, 1994. [Google Scholar]
- SAS Institute. Base SAS 9.3 Procedures Guide: Statistical Procedures; SAS Institute: Cary, NC, USA, 2011; ISBN 9781607648963. [Google Scholar]
- Han, L.; Zhao, X.; Jin, J.; Gao, B.; Yang, Y.; Sun, K.; Li, F. Using Sequential Extraction and DGT Techniques to Assess the Efficacy of Plant- and Manure-Derived Hydrochar and Pyrochar for Alleviating the Bioavailability of Cd in Soils. Sci. Total Environ. 2019, 678, 543–550. [Google Scholar] [CrossRef]
- Sapkota, R.; Santos, S.; Farias, P.; Krogh, P.H.; Winding, A. Insights into the Earthworm Gut Multi-Kingdom Microbial Communities. Sci. Total Environ. 2020, 727, 138301. [Google Scholar] [CrossRef] [PubMed]
- Cui, L.; Ouyang, Y.; Gu, W.; Yang, W.; Xu, Q. Evaluation of Nutrient Removal Efficiency and Microbial Enzyme Activity in a Baffled Subsurface-Flow Constructed Wetland System. Bioresour. Technol. 2013, 146, 656–662. [Google Scholar] [CrossRef] [PubMed]
- Polifka, S.; Wiedner, K.; Glaser, B. Increased CO2 Fluxes from a Sandy Cambisol under Agricultural Use in the Wendland Region, Northern Germany, Three Years after Biochar Substrates Application. GCB Bioenergy 2018, 10, 432–443. [Google Scholar] [CrossRef]
- Gul, S.; Whalen, J.K.; Thomas, B.W.; Sachdeva, V.; Deng, H. Physico-Chemical Properties and Microbial Responses in Biochar-Amended Soils: Mechanisms and Future Directions. Agric. Ecosyst. Environ. 2015, 206, 46–59. [Google Scholar] [CrossRef]
- Thies, J.E.; Rillig, M.C. Characteristics of Biochar: Biochar Properties. In Biochar for Environmental Management Science and Technology; Earthscan: London, 2009; pp. 85–105. ISBN 9781844076581. [Google Scholar]
- Quilliam, R.S.; Glanville, H.C.; Wade, S.C.; Jones, D.L. Life in the “charosphere”—Does Biochar in Agricultural Soil Provide a Significant Habitat for Microorganisms? Soil. Biol. Biochem. 2013, 65, 287–293. [Google Scholar] [CrossRef]
- Jaafar, N.M.; Clode, P.L.; Abbott, L.K. Biochar-Soil Interactions in Four Agricultural Soils; Elsevier: Amsterdam, The Netherlands, 2015; Volume 25. [Google Scholar]
- Zornoza, R.; Moreno-Barriga, F.; Acosta, J.A.; Muñoz, M.A.; Faz, A. Stability, Nutrient Availability and Hydrophobicity of Biochars Derived from Manure, Crop Residues, and Municipal Solid Waste for Their Use as Soil Amendments. Chemosphere 2016, 144, 122–130. [Google Scholar] [CrossRef]
- Farrell, M.; Kuhn, T.K.; Macdonald, L.M.; Maddern, T.M.; Murphy, D.V.; Hall, P.A.; Singh, B.P.; Baumann, K.; Krull, E.S.; Baldock, J.A. Microbial Utilisation of Biochar-Derived Carbon. Sci. Total Environ. 2013, 465, 288–297. [Google Scholar] [CrossRef] [PubMed]
- Gomez, J.D.; Denef, K.; Stewart, C.E.; Zheng, J.; Cotrufo, M.F. Biochar Addition Rate Influences Soil Microbial Abundance and Activity in Temperate Soils. Eur. J. Soil. Sci. 2014, 65, 28–39. [Google Scholar] [CrossRef]
- Wang, H.; Zhang, R.; Zhao, Y.; Shi, H.; Liu, G. Effect of Biochar on Rhizosphere Soil Microbial Diversity and Metabolism in Tobacco-Growing Soil. Ecologies 2022, 3, 539–556. [Google Scholar] [CrossRef]
- Kaiser, K.; Guggenberger, G. Mineral Surfaces and Soil Organic Matter. Eur. J. Soil. Sci. 2003, 54, 219–236. [Google Scholar] [CrossRef]
- Jeffery, S.; Verheijen, F.G.A.; van der Velde, M.; Bastos, A.C. A Quantitative Review of the Effects of Biochar Application to Soils on Crop Productivity Using Meta-Analysis. Agric. Ecosyst. Environ. 2011, 144, 175–187. [Google Scholar] [CrossRef]
- Dai, Y.; Zheng, H.; Jiang, Z.; Xing, B. Combined Effects of Biochar Properties and Soil Conditions on Plant Growth: A Meta-Analysis. Sci. Total Environ. 2020, 713, 136635. [Google Scholar] [CrossRef] [PubMed]
- Egamberdieva, D.; Hua, M.; Reckling, M.; Wirth, S.; Bellingrath-Kimura, S.D. Potential Effects of Biochar-Based Microbial Inoculants in Agriculture. Environ. Sustain. 2018, 1, 19–24. [Google Scholar] [CrossRef]
- Rondon, M.A.; Lehmann, J.; Ramírez, J.; Hurtado, M. Biological Nitrogen Fixation by Common Beans (Phaseolus vulgaris L.) Increases with Bio-Char Additions. Biol. Fertil. Soils 2007, 43, 699–708. [Google Scholar] [CrossRef]
- Sun, J.; Lu, X.; Wang, S.; Tian, C.; Chen, G.; Luo, N.; Zhang, Q.; Li, X. Biochar Blended with Nitrogen Fertilizer Promotes Maize Yield by Altering Soil Enzyme Activities and Organic Carbon Content in Black Soil. Int. J. Environ. Res. Public Health 2023, 20, 4939. [Google Scholar] [CrossRef]
- Acosta-Martínez, V.; Tabatabai, M.A. Enzyme Activities in a Limed Agricultural Soil; Springer: Berlin/Heidelberg, Germany, 2000; Volume 31. [Google Scholar]









| Soil Type | Clay Soil | Sandy Soil |
|---|---|---|
| Bulk Density (BD) g/cm3 | 1.19 | 1.64 |
| Particle Density g/cm3 | 2.26 | 2.63 |
| Field capacity (F.C) % | 38.26 | 13.98 |
| permanent wilting point (PWP) % | 15.10 | 3.45 |
| Water holding capacity (WHC) % | 47.60 | 18.21 |
| A.V W (F.C − PWP) % | 23.16 | 10.53 |
| pH (1:2.5 H2O) | 7.7(7.5) a | 8.6(8.4) a |
| CEC (cmol(+) kg−1 soil) | 37.87 | 3.66 |
| EC (dS m−1 at 25°C) | 1.22 | 2.50 |
| S.O.C g kg−1 | 16.8 | 4.60 |
| Total N (TN g kg−1) | 1.42 | 0.37 |
| TP g kg−1 | 1.16 | 0.29 |
| TK g kg−1 | 12.88 | 2.7 |
| Organic matter g kg−1 | 28.34 b | 7.28 b |
| C/N ratio | 11.91 | 12.21 |
| Cmic | 60.45 | 35.66 |
| Nmic | 19.35 | 6.63 |
| Cmic:Nmic | 3.12 | 5.37 |
| Mineral N (mg kg−1) | 78.24 | 22.43 |
| Biochar Physiochemical Properties | |
|---|---|
| pH (1:2.5 H2O) | 6.38 |
| EC (dS m−1 at 25 °C) | 0.655 |
| CEC (cmol(+) kg−1 soil) | 34.40 |
| Bulk Density g/cm3 | 0.27 |
| Water holding capacity (WHC) % | 68.77 |
| TOC g kg−1 | 561 |
| Total N (TN) g kg−1 | 17.89 |
| C/N ratio | 31.35 |
| TP g kg−1 | 3.25 |
| N/P ratio | 9.64 |
| TK mg kg−1 | 483.77 |
| Total Ca mg kg−1 | 650.98 |
| Total Mg mg kg−1 | 140.66 |
| Ash % | 10.56 |
| Soil Types | Clay Soil | Sandy Soil | ||||
|---|---|---|---|---|---|---|
| Microorganism | Bacteria | Fungi | Actinomycetes | Bacteria | Fungi | Actinomycetes |
| Source | ||||||
| Soil (S) | ** | * | ** | ** | ns | ** |
| Biochar (B) | ** | * | ** | * | * | ** |
| Days (D) | * | ns | ** | * | ** | ** |
| Rates (R) | * | * | ns | ** | ** | ** |
| S × B | ** | * | ** | ns | ns | ** |
| S × D | * | ns | ** | ** | ** | ** |
| S × R | * | ** | ** | ** | ** | ns |
| B × D | * | ** | ns | ** | ns | * |
| B × R | * | * | ** | ns | * | * |
| D × R | ** | * | ** | ** | * | ** |
| S × B × D | * | * | * | ns | ** | ** |
| S × B × R | * | * | * | * | ** | ** |
| S × B × D × R | ** | ** | ** | ns | ** | ** |
| Clay Soil | ||||||||||||
|---|---|---|---|---|---|---|---|---|---|---|---|---|
| Treatment | 15 d * | 30 d | 60 d | 90 d | ||||||||
| F ** | B | Fcd/Bcd | F | B | Fcd/Bcd | F | B | Fcd/Bcd | F | B | Fcd/Bcd | |
| Control | 24.2 | 20.53 | 1.18 | 36.59 | 27.89 | 1.31 | 60.18 | 46.84 | 1.28 | 57.46 | 49.21 | 1.17 |
| B1 | 26.1 | 19.21 | 1.35 | 39.32 | 25 | 1.57 | 62.6 | 48.16 | 1.30 | 55.65 | 48.42 | 1.15 |
| B2 | 27.2 | 21.84 | 1.25 | 44.16 | 28.68 | 1.54 | 65.33 | 53.42 | 1.22 | 58.37 | 50.79 | 1.15 |
| B3 | 29.6 | 24.21 | 1.22 | 63.21 | 52.89 | 1.20 | 78.63 | 63.16 | 1.24 | 64.12 | 55.79 | 1.15 |
| B4 | 25.1 | 22.89 | 1.10 | 30.85 | 25.26 | 1.22 | 60.18 | 49.47 | 1.22 | 45.67 | 27.11 | 1.68 |
| L.S.D at 0.05 | 0.49 | 0.4 | 0.025 | 0.68 | 0.45 | 0.16 | 1.19 | 0.93 | 0.18 | 1.02 | 0.78 | 0.14 |
| L.S.D at 0.01 | 0.69 | 0.57 | 0.035 | 0.96 | 0.63 | 0.23 | 1.68 | 1.38 | 0.26 | 1.44 | 1.1 | 0.17 |
| Sandy Soil | ||||||||||||
|---|---|---|---|---|---|---|---|---|---|---|---|---|
| Treatment | 15 d * | 30 d | 60 d | 90 d | ||||||||
| F ** | B | Fcd/Bcd | F | B | Fcd/Bcd | F | B | Fcd/Bcd | F | B | Fcd/Bcd | |
| Control | 22.38 | 16.32 | 1.37 | 27.22 | 20.53 | 1.33 | 44.16 | 44.21 | 1.00 | 29.64 | 28.16 | 1.05 |
| B1 | 17.84 | 17.11 | 1.04 | 29.03 | 20 | 1.45 | 60.18 | 46.32 | 1.30 | 45.06 | 38.16 | 1.18 |
| B2 | 22.99 | 17.89 | 1.29 | 34.48 | 21.05 | 1.64 | 60.79 | 44.74 | 1.36 | 50.81 | 44.47 | 1.14 |
| B3 | 28.13 | 20.53 | 1.37 | 38.11 | 22.63 | 1.68 | 71.98 | 53.95 | 1.33 | 52.62 | 50 | 1.05 |
| B4 | 19.96 | 15.53 | 1.29 | 28.73 | 21.84 | 1.32 | 54.74 | 45.26 | 1.21 | 42.04 | 37.63 | 1.12 |
| L.S.D at 0.05 | 0.39 | 0.32 | 0.1 | 0.57 | 0.39 | 0.13 | 1.03 | 0.86 | 0.17 | 0.76 | 0.69 | 0.18 |
| L.S.D at 0.01 | 0.56 | 0.45 | 0.14 | 0.8 | 0.56 | 0.19 | 1.46 | 1.22 | 0.21 | 1.08 | 0.97 | 0.23 |
| Clay Soil | Sandy Soil | |||||||
|---|---|---|---|---|---|---|---|---|
| Treatment | Incubation Time/Days | |||||||
| Biochar Rates t ha−1 Soil | 15 | 30 | 60 | 90 | 15 | 30 | 60 | 90 |
| B1 | 0.88 | 0.81 | 0.95 | 0.97 | 0.91 | 0.95 | 0.91 | 0.48 |
| B2 | 0.88 | 0.94 | 0.75 | 0.94 | 0.82 | 0.95 | 0.98 | 0.27 |
| B3 | 0.70 | 0.05 | 0.48 | 0.76 | 0.59 | 0.81 | 0.64 | 0.13 |
| B4 | 0.79 | 0.83 | 0.89 | 0.38 | 0.91 | 0.88 | 0.95 | 0.50 |
| Clay Soil | Sandy Soil | |||||||
|---|---|---|---|---|---|---|---|---|
| Treatment | Incubation Time/Days | |||||||
| Biochar Rates t ha−1 Soil | 15 | 30 | 60 | 90 | 15 | 30 | 60 | 90 |
| B1 | 0.86 | 0.86 | 0.92 | 0.94 | 0.66 | 0.88 | 0.47 | 0.32 |
| B2 | 0.78 | 0.66 | 0.84 | 0.97 | 0.95 | 0.58 | 0.45 | 0.17 |
| B3 | 0.63 | 0.16 | 0.53 | 0.79 | 0.59 | 0.43 | 0.23 | 0.13 |
| B4 | 0.93 | 0.73 | 1.00 | 0.66 | 0.80 | 0.89 | 0.61 | 0.41 |
| Clay Soil | Sandy Soil | |||||||
|---|---|---|---|---|---|---|---|---|
| Treatment | Incubation Time/Days | |||||||
| Biochar Rates t ha−1 Soil | 15 | 30 | 60 | 90 | 15 | 30 | 60 | 90 |
| B1 | 0.63 | 0.63 | 0.85 | 0.79 | 0.55 | 0.68 | 0.84 | 0.84 |
| B2 | 0.39 | 0.36 | 0.74 | 0.59 | 0.17 | 0.39 | 0.41 | 0.53 |
| B3 | 0.24 | 0.23 | 0.71 | 0.62 | −0.01 | 0.08 | 0.53 | 0.33 |
| B4 | 0.39 | 0.47 | 0.84 | 0.86 | 0.36 | 0.50 | 0.59 | 0.59 |
| Treatments | Biochar Ratet ha−1 | Soil Type | Fresh Weight g plant−1 | Dry Weight g plant−1 | Number of Nodules plant−1 | Nodules Dry Weight mg plant−1 |
|---|---|---|---|---|---|---|
| Control | 0 | Clay | 153.75 | 41.733 | 46 | 33 |
| B1 | 10 | Clay | 212.93 | 55.707 | 55 | 42 |
| B2 | 20 | Clay | 231.65 | 59.660 | 136 | 124 |
| B3 | 30 | Clay | 268.39 | 68.703 | 180 | 133 |
| B4 | 40 | Clay | 223.37 | 58.703 | 170 | 125 |
| Control | 0 | Sandy | 106.70 | 39.52 | 18 | 11 |
| B1 | 10 | Sandy | 136.12 | 43.91 | 39 | 25 |
| B2 | 20 | Sandy | 159.93 | 51.26 | 108 | 68 |
| B3 | 30 | Sandy | 193.25 | 58.21 | 124 | 86 |
| B4 | 40 | Sandy | 163.71 | 50.85 | 113 | 73 |
| L.S.D at 0.05 | 22.83 | 34.75 | 30.57 | 16.33 | ||
| L.S.D at 0.01 | 33.10 | 50.37 | 44.31 | 23.66 |
| Biochar Rates | Clay Soil | Sandy Soil | ||
|---|---|---|---|---|
| Cellulase (mg Glucose kg−1 soil) | β-Glucosidase (μmol p-Nitrophenol g−1 h−1) | Cellulase (mg Glucose kg−1 soil) | β-Glucosidase (μmol p-Nitrophenol g−1 h−1) | |
| Control | 43.2 | 18.6 | 35.4 | 11.8 |
| B1 | 56.4 | 25.4 | 46.7 | 17.9 |
| B2 | 78.6 | 36.3 | 58.6 | 28.3 |
| B3 | 92.3 | 54.1 | 72.4 | 42.4 |
| B4 | 127.2 | 72.5 | 89.5 | 60.2 |
| L.S.D at 0.05 | 2.22 | 1.05 | 1.76 | 1.43 |
| L.S.D at 0.01 | 2.98 | 1.41 | 2.36 | 1.91 |
Disclaimer/Publisher’s Note: The statements, opinions and data contained in all publications are solely those of the individual author(s) and contributor(s) and not of MDPI and/or the editor(s). MDPI and/or the editor(s) disclaim responsibility for any injury to people or property resulting from any ideas, methods, instructions or products referred to in the content. |
© 2023 by the authors. Licensee MDPI, Basel, Switzerland. This article is an open access article distributed under the terms and conditions of the Creative Commons Attribution (CC BY) license (https://creativecommons.org/licenses/by/4.0/).
Share and Cite
Haddad, S.A.; Abdelmageed, H.; Saleh, A.; Ahmed, S.; Abd El-Azeim, M.M.; Lemanowicz, J.; Eldesoky, G.E.; Saad, O. Response of Cellulose Decomposition and Nodulation in Soils Amended with Biochar for Peri-Urban Agriculture. Sustainability 2023, 15, 10003. https://doi.org/10.3390/su151310003
Haddad SA, Abdelmageed H, Saleh A, Ahmed S, Abd El-Azeim MM, Lemanowicz J, Eldesoky GE, Saad O. Response of Cellulose Decomposition and Nodulation in Soils Amended with Biochar for Peri-Urban Agriculture. Sustainability. 2023; 15(13):10003. https://doi.org/10.3390/su151310003
Chicago/Turabian StyleHaddad, Samir A., Hossam Abdelmageed, Abdelaziz Saleh, Samia Ahmed, Mohieyeddin M. Abd El-Azeim, Joanna Lemanowicz, Gaber E. Eldesoky, and Omar Saad. 2023. "Response of Cellulose Decomposition and Nodulation in Soils Amended with Biochar for Peri-Urban Agriculture" Sustainability 15, no. 13: 10003. https://doi.org/10.3390/su151310003
APA StyleHaddad, S. A., Abdelmageed, H., Saleh, A., Ahmed, S., Abd El-Azeim, M. M., Lemanowicz, J., Eldesoky, G. E., & Saad, O. (2023). Response of Cellulose Decomposition and Nodulation in Soils Amended with Biochar for Peri-Urban Agriculture. Sustainability, 15(13), 10003. https://doi.org/10.3390/su151310003

