Non-Aqueous Solvent Mixtures for CO2 Capture: Choline Hydroxide-Based Deep Eutectic Solvents Absorbent Performance at Various Temperatures and Pressures
Abstract
1. Introduction
2. Materials and Methods
2.1. Materials
2.2. Synthesis of DES
2.3. Sample Preparation
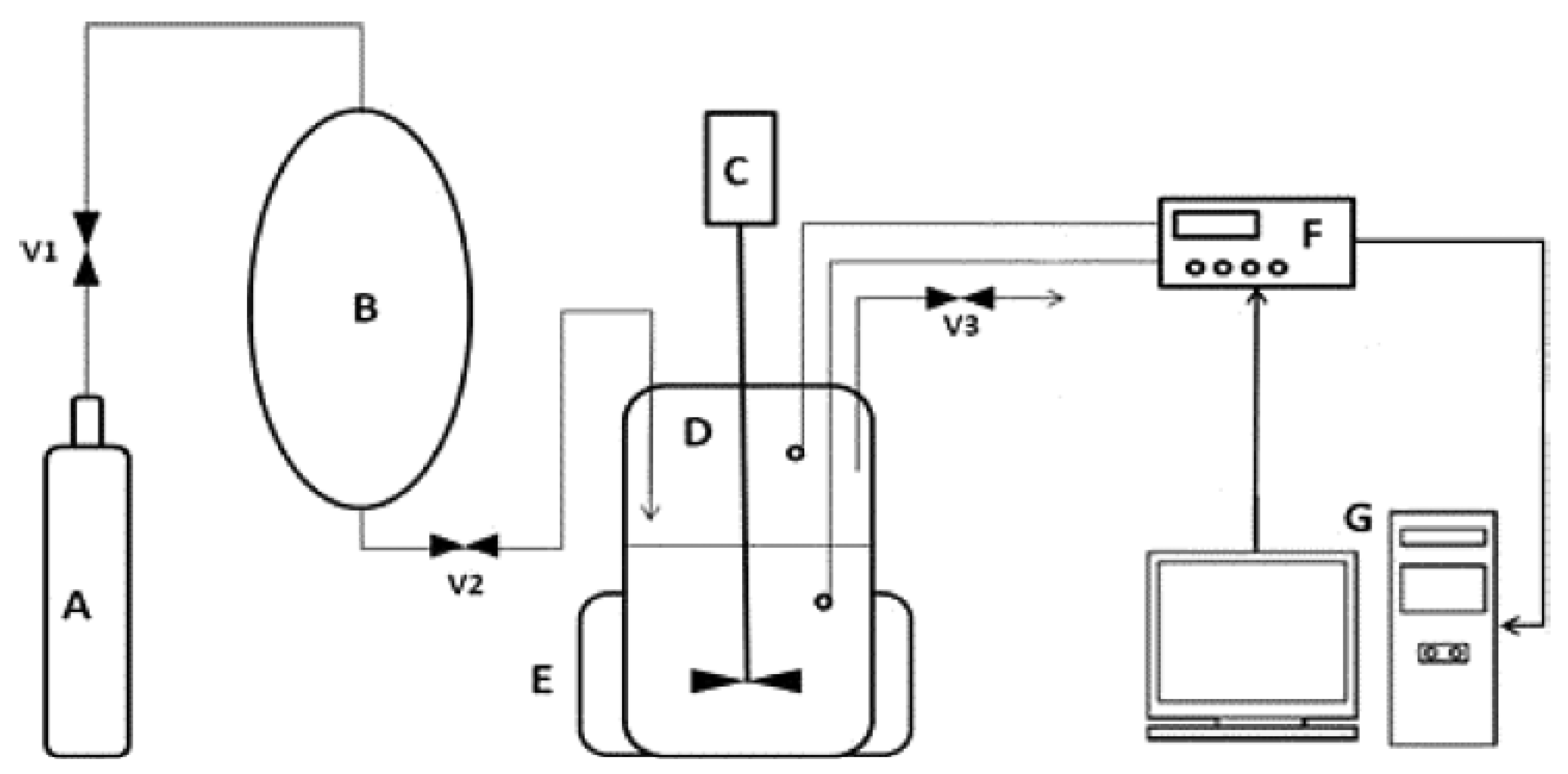
2.4. CO2 Solubility Measurements
2.5. Apparatus Validation
3. Results and Discussion
3.1. Chemical Equilibria
NH–(R–(NHCO2−))2 + H2N–R–NH–R–NH3+
NCO2−–(R–(NHCO2−))2 + H2N–R–NH–R–NH3+
3.2. CO2 Absorption of 2M DES in Non-Aqueous Solutions
3.3. Fourier Transform Infrared Analysis
3.4. Comparison with Another Study
4. Conclusions
Author Contributions
Funding
Institutional Review Board Statement
Informed Consent Statement
Data Availability Statement
Acknowledgments
Conflicts of Interest
References
- Zubeir, L.F.; Lacroix, M.H.; Meuldijk, J.; Kroon, M.C.; Kiss, A.A. Novel pressure and temperature swing processes for CO2 capture using low viscosity ionic liquids. Sep. Purif. Technol. 2018, 204, 314–327. [Google Scholar] [CrossRef]
- Madejski, P.; Chmiel, K.; Subramanian, N.; Kuś, T. Methods and Techniques for CO2 Capture: Review of Potential Solutions and Applications in Modern Energy Technologies. Energies 2022, 15, 887. [Google Scholar] [CrossRef]
- Jiang, L.; Gonzalez-Diaz, A.; Ling-Chin, J.; Roskilly, A.P.; Smallbone, A.J. Post-combustion CO2 capture from a natural gas combined cycle power plant using activated carbon adsorption. Appl. Energy 2019, 245, 1–15. [Google Scholar] [CrossRef]
- Ochedi, F.O.; Yu, J.; Yu, H.; Liu, Y.; Hussain, A. Carbon dioxide capture using liquid absorption methods: A review. Environ. Chem. Lett. 2020, 19, 77–109. [Google Scholar] [CrossRef]
- Vega, F.; Baena-Moreno, F.; Fernández, L.M.G.; Portillo, E.; Navarrete, B.; Zhang, Z. Current status of CO2 chemical absorption research applied to CCS: Towards full deployment at industrial scale. Appl. Energy 2019, 260, 114313. [Google Scholar] [CrossRef]
- Ünveren, E.E.; Monkul, B.Ö.; Sarıoğlan, Ş.; Karademir, N.; Alper, E. Solid amine sorbents for CO2 capture by chemical adsorption: A review. Petroleum 2017, 3, 37–50. [Google Scholar] [CrossRef]
- Ali, S.A.; Mulk, W.U.; Ullah, Z.; Khan, H.; Zahid, A.; Shah, M.U.H.; Shah, S.N. Recent Advances in the Synthesis, Application and Economic Feasibility of Ionic Liquids and Deep Eutectic Solvents for CO2 Capture: A Review. Energies 2022, 15, 9098. [Google Scholar] [CrossRef]
- Smith, E.L.; Abbott, A.P.; Ryder, K.S. Deep Eutectic Solvents (DESs) and Their Applications. Chem. Rev. 2014, 114, 11060–11082. [Google Scholar] [CrossRef]
- Leron, R.B.; Li, M.-H. Solubility of carbon dioxide in a choline chloride–ethylene glycol based deep eutectic solvent. Thermochim. Acta 2013, 551, 14–19. [Google Scholar] [CrossRef]
- Ali, E.; Hadj-Kali, M.K.; Mulyono, S.; Alnashef, I.; Fakeeha, A.; Mjalli, F.; Hayyan, A. Solubility of CO2 in deep eutectic solvents: Experiments and modelling using the Peng–Robinson equation of state. Chem. Eng. Res. Des. 2014, 92, 1898–1906. [Google Scholar] [CrossRef]
- Mahi, M.R.; Mokbel, I.; Negadi, L.; Dergal, F.; Jose, J. Experimental solubility of carbon dioxide in monoethanolamine, or diethanolamine or N-methyldiethanolamine (30 wt%) dissolved in deep eutectic solvent (choline chloride and ethylene glycol solution). J. Mol. Liq. 2019, 289, 111062. [Google Scholar] [CrossRef]
- Mirza, N.; Mumford, K.; Wu, Y.; Mazhar, S.; Kentish, S.; Stevens, G. Improved Eutectic Based Solvents for Capturing Carbon Dioxide (CO2). Energy Procedia 2017, 114, 827–833. [Google Scholar] [CrossRef]
- Karlsson, H.K.; Makhool, H.; Karlsson, M.; Svensson, H. Chemical absorption of carbon dioxide in non-aqueous systems using the amine 2-amino-2-methyl-1-propanol in dimethyl sulfoxide and N-methyl-2-pyrrolidone. Sep. Purif. Technol. 2020, 256, 117789. [Google Scholar] [CrossRef]
- Kant, V.; Jangir, B.L.; Kumar, V. Gross and histopathological effects of dimethyl sulfoxide on wound healing in rats. Wound Med. 2020, 30, 100194. [Google Scholar] [CrossRef]
- Li, X.; Zhou, X.; Wei, J.; Fan, Y.; Liao, L.; Wang, H. Reducing the energy penalty and corrosion of carbon dioxide capture using a novel nonaqueous monoethanolamine-based biphasic solvent. Sep. Purif. Technol. 2021, 265, 118481. [Google Scholar] [CrossRef]
- Zhou, X.; Liu, C.; Fan, Y.; Zhang, L.; Tang, S.; Mo, S.; Zhu, Y.; Zhu, Z. Energy-efficient carbon dioxide capture using a novel low-viscous secondary amine-based nonaqueous biphasic solvent: Performance, mechanism, and thermodynamics. Energy 2022, 255, 124570. [Google Scholar] [CrossRef]
- Shirazizadeh, H.A.; Haghtalab, A. Measurement and modeling of CO2 solubility in binary aqueous DMSO and MDEA and their ternary mixtures at different temperatures and compositions. Fluid Phase Equilibria 2020, 528, 112845. [Google Scholar] [CrossRef]
- Wang, L.; Yu, S.; Li, Q.; Zhang, Y.; An, S.; Zhang, S. Performance of sulfolane/DETA hybrids for CO2 absorption: Phase splitting behavior, kinetics and thermodynamics. Appl. Energy 2018, 228, 568–576. [Google Scholar] [CrossRef]
- Liu, S.; Ling, H.; Lv, J.; Gao, H.; Na, Y.; Liang, Z. New Insights and Assessment of Primary Alkanolamine/Sulfolane Biphasic Solutions for Post-combustion CO2 Capture: Absorption, Desorption, Phase Separation, and Technological Process. Ind. Eng. Chem. Res. 2019, 58, 20461–20471. [Google Scholar] [CrossRef]
- Hussin, F.; Aroua, M.K.; Yusoff, R. Adsorption of CO2 on palm shell based activated carbon modified by deep eutectic solvent: Breakthrough adsorption study. J. Environ. Chem. Eng. 2021, 9, 105333. [Google Scholar] [CrossRef]
- Kassim, M.A.; Sairi, N.A.; Yusoff, R.; Alias, Y.; Aroua, M.K. Evaluation of 1-Butyl-3-methylimidazolium Bis(trifluoromethylsulfonyl)imide–Alkanolamine Sulfolane-Based System as Solvent for Absorption of Carbon Dioxide. Ind. Eng. Chem. Res. 2016, 55, 7992–8001. [Google Scholar] [CrossRef]
- Jalili, A.H.; Shokouhi, M.; Samani, F.; Hosseini-Jenab, M. Measuring the solubility of CO2 and H2S in sulfolane and the density and viscosity of saturated liquid binary mixtures of (sulfolane + CO2) and (sulfolane + H2S). J. Chem. Thermodyn. 2015, 85, 13–25. [Google Scholar] [CrossRef]
- Barzagli, F.; Peruzzini, M.; Zhang, R. Direct CO2 capture from air with aqueous and nonaqueous diamine solutions: A comparative investigation based on 13C NMR analysis. Carbon Capture Sci. Technol. 2022, 3, 100049. [Google Scholar] [CrossRef]
- Muchan, P.; Narku-Tetteh, J.; Saiwan, C.; Idem, R.; Supap, T. Effect of number of amine groups in aqueous polyamine solution on carbon dioxide (CO2) capture activities. Sep. Purif. Technol. 2017, 184, 128–134. [Google Scholar] [CrossRef]
- Tzirakis, F.; Papadopoulos, A.I.; Seferlis, P.; Tsivintzelis, I. CO2 Solubility in diethylenetriamine (DETA) and triethylenetetramine (TETA) aqueous mixtures: Experimental investigation and correlation using the CPA equation of state. Chem. Thermodyn. Therm. Anal. 2021, 3–4, 100017. [Google Scholar] [CrossRef]
- Luo, W.; Guo, D.; Zheng, J.; Gao, S.; Chen, J. CO2 absorption using biphasic solvent: Blends of diethylenetriamine, sulfolane, and water. Int. J. Greenh. Gas Control 2016, 53, 141–148. [Google Scholar] [CrossRef]
- Ping, T.; Dong, Y.; Shen, S. Energy-Efficient CO2 Capture Using Nonaqueous Absorbents of Secondary Alkanolamines with a 2-Butoxyethanol Cosolvent. ACS Sustain. Chem. Eng. 2020, 8, 18071–18082. [Google Scholar] [CrossRef]
- Guo, H.; Li, C.; Shi, X.; Li, H.; Shen, S. Nonaqueous amine-based absorbents for energy efficient CO2 capture. Appl. Energy 2019, 239, 725–734. [Google Scholar] [CrossRef]
- Barzagli, F.; Giorgi, C.; Mani, F.; Peruzzini, M. Comparative Study of CO2 Capture by Aqueous and Nonaqueous 2-Amino-2-methyl-1-propanol Based Absorbents Carried Out by 13C NMR and Enthalpy Analysis. Ind. Eng. Chem. Res. 2019, 58, 4364–4373. [Google Scholar] [CrossRef]
- Alkhatib, I.I.; Pereira, L.M.; AlHajaj, A.; Vega, L.F. Performance of non-aqueous amine hybrid solvents mixtures for CO2 capture: A study using a molecular-based model. J. CO2 Util. 2019, 35, 126–144. [Google Scholar] [CrossRef]
- Wang, Z.; Fang, M.; Pan, Y.; Yan, S.; Luo, Z. Amine-based absorbents selection for CO2 membrane vacuum regeneration technology by combined absorption–desorption analysis. Chem. Eng. Sci. 2013, 93, 238–249. [Google Scholar] [CrossRef]
- Jung, W.; Lee, J. Thermodynamic and kinetic modeling of a novel polyamine-based solvent for energy-efficient CO2 capture with energy analysis. Energy 2021, 239, 122347. [Google Scholar] [CrossRef]
- Gao, G.; Jiang, W.; Li, X.; Zhao, Z.; Jiang, C.; Luo, C.; Wu, F.; Zhang, L. Novel assessment of highly efficient polyamines for post-combustion CO2 capture: Absorption heat, reaction rate, CO2 cyclic capacity, and phase change behavior. Sep. Purif. Technol. 2023, 306, 122615. [Google Scholar] [CrossRef]
- Mohsin, H.M.; Shariff, A.M.; Johari, K. 3-Dimethylaminopropylamine (DMAPA) mixed with glycine (GLY) as an absorbent for carbon dioxide capture and subsequent utilization. Sep. Purif. Technol. 2019, 222, 297–308. [Google Scholar] [CrossRef]
- Liu, F.; Jing, G.; Zhou, X.; Lv, B.; Zhou, Z. Performance and Mechanisms of Triethylene Tetramine (TETA) and 2-Amino-2-methyl-1-propanol (AMP) in Aqueous and Nonaqueous Solutions for CO2 Capture. ACS Sustain. Chem. Eng. 2017, 6, 1352–1361. [Google Scholar] [CrossRef]











| Chemicals | CASRN | Source | Purity |
|---|---|---|---|
| 45% Choline hydroxide in methanol | 123-41-1 | Sigma-Aldrich | 99% |
| DETA | 111-40-0 | Merck | 98% |
| TETA | 112-24-3 | Merck | 98% |
| Carbon dioxide | MY 006-474 | Alpha Gas Solution | 99% |
| Sulfolane | 126-33-0 | Aldrich | 99% |
| DMSO | 67-68-5 | Sigma-Aldrich | 99% |
| Assignment | 2M ChOH:DETA-DMSO | 2M ChOH:DETA-Sulfolane | 2M ChOH:TETA-DMSO | 2M ChOH:TETA-Sulfolane |
|---|---|---|---|---|
| Frequency (cm−1) | ||||
| −OH, −NH stretching | 3419 | 3337 | 3315 | 3536 |
| −NH bending | 698, 663 | 581 | 656, 699 | 673 |
| −CH2−OH bending | 1572 | 1552 | 1562 | 1550 |
| −C−N− bending | 1230 | 1267 | 1276 | 1264 |
| −C−O− bending | 1023 | - | 1020 | 1035 |
| Carbamates band | 1306 | 1410 | 1313, 1348 | 1416 |
| −CH2−, −CH3 stretching | 1476, 1410 | 1469 | 1403, 1468 | 1461 |
| stretching of NCOO− | 1654 | 1641 | 1651 | |
Disclaimer/Publisher’s Note: The statements, opinions and data contained in all publications are solely those of the individual author(s) and contributor(s) and not of MDPI and/or the editor(s). MDPI and/or the editor(s) disclaim responsibility for any injury to people or property resulting from any ideas, methods, instructions or products referred to in the content. |
© 2023 by the authors. Licensee MDPI, Basel, Switzerland. This article is an open access article distributed under the terms and conditions of the Creative Commons Attribution (CC BY) license (https://creativecommons.org/licenses/by/4.0/).
Share and Cite
Kassim, M.A.; Sulaiman, N.A.; Yusoff, R.; Aroua, M.K. Non-Aqueous Solvent Mixtures for CO2 Capture: Choline Hydroxide-Based Deep Eutectic Solvents Absorbent Performance at Various Temperatures and Pressures. Sustainability 2023, 15, 9191. https://doi.org/10.3390/su15129191
Kassim MA, Sulaiman NA, Yusoff R, Aroua MK. Non-Aqueous Solvent Mixtures for CO2 Capture: Choline Hydroxide-Based Deep Eutectic Solvents Absorbent Performance at Various Temperatures and Pressures. Sustainability. 2023; 15(12):9191. https://doi.org/10.3390/su15129191
Chicago/Turabian StyleKassim, Mohd Azlan, Nor Afifah Sulaiman, Rozita Yusoff, and Mohamed Kheireddine Aroua. 2023. "Non-Aqueous Solvent Mixtures for CO2 Capture: Choline Hydroxide-Based Deep Eutectic Solvents Absorbent Performance at Various Temperatures and Pressures" Sustainability 15, no. 12: 9191. https://doi.org/10.3390/su15129191
APA StyleKassim, M. A., Sulaiman, N. A., Yusoff, R., & Aroua, M. K. (2023). Non-Aqueous Solvent Mixtures for CO2 Capture: Choline Hydroxide-Based Deep Eutectic Solvents Absorbent Performance at Various Temperatures and Pressures. Sustainability, 15(12), 9191. https://doi.org/10.3390/su15129191

