Photovoltaic Systems Based on Average Current Mode Control: Dynamical Analysis and Chaos Suppression by Using a Non-Adaptive Feedback Outer Loop Controller
Abstract
1. Introduction
- (i)
- To propose a mathematical modeling of the DC–DC photovoltaic power conversion system studied by Hosseini et al. in [31].
- (ii)
- To determine by analytical and then numerical methods the dynamic behaviors of a photovoltaic system with only the inner ACMC controller.
- (iii)
- To propose a non-adaptive feedback outer loop controller for the suppression of chaotic behaviors in order for the photovoltaic system to exhibit optimal operation.
2. Materials and Methods
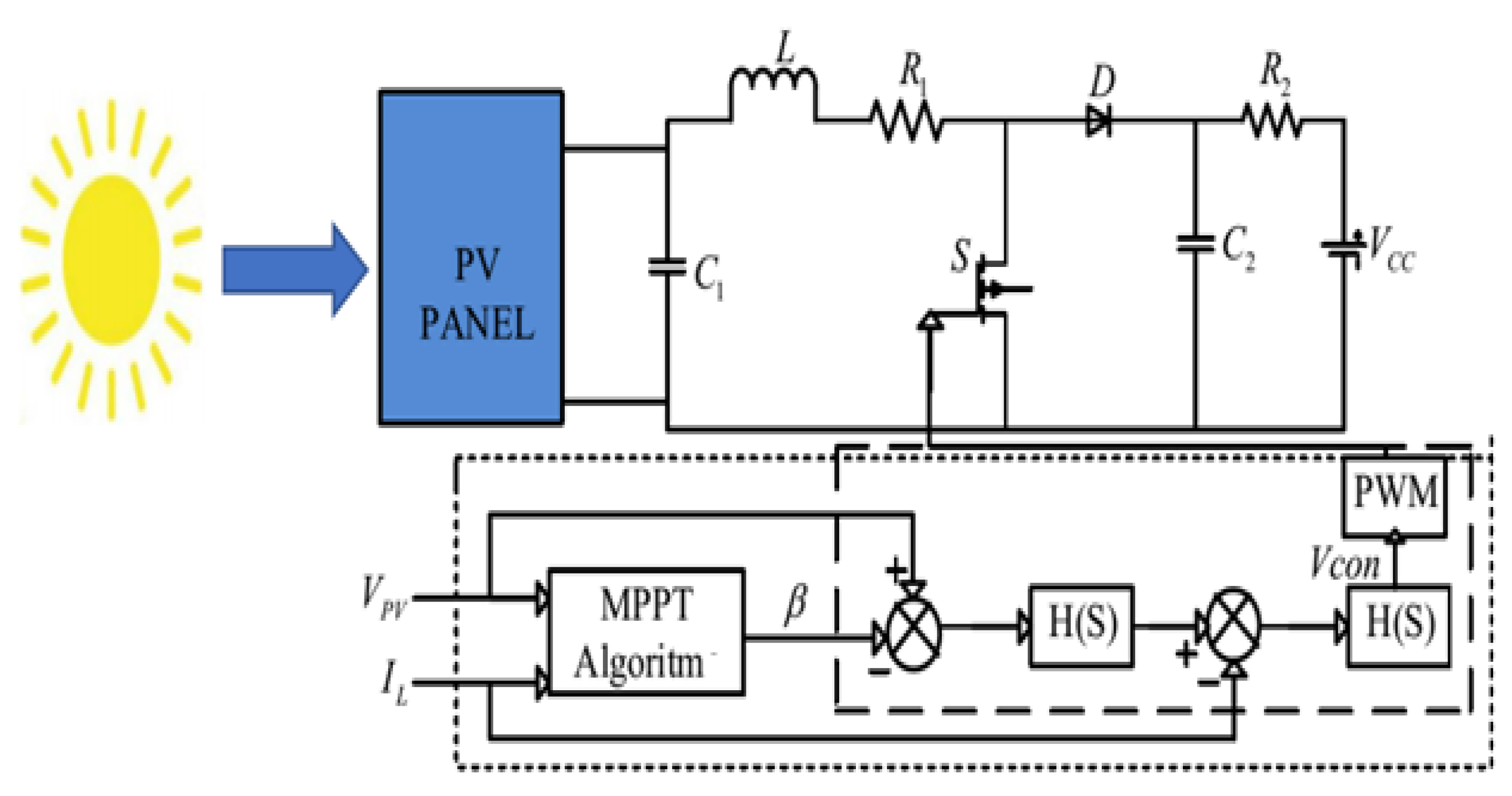
2.1. Continuous Time Modelling and Theoretical Analysis of a Photovoltaic Power Conversion System Integrating ACMC Control Topology
2.1.1. Mathematical Modeling
2.1.2. Stability Study Using Floquet Theory
- Before the first switching of a clock cycle, the status changes as follows [37]:
- After switching and until the end of the clock cycle, the status changes as follows [37]:
2.1.3. Numerical Method
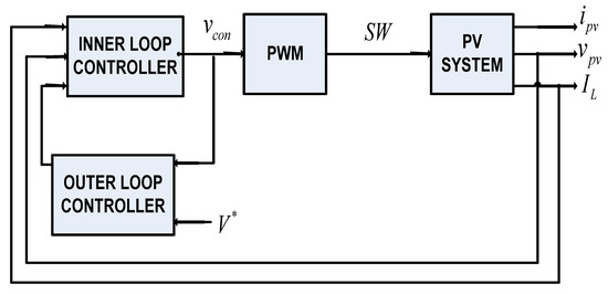
2.2. Non-adaptive Control
3. Results
3.1. Existence of Period-Doubling Bifurcation in the PV System
3.2. Dynamic Behavior of the PV System with the ACMC Inner Loop Control
3.3. Effect of Outer Loop Control on the Dynamic Behavior of the PV System
4. Discussion
5. Conclusions
Author Contributions
Funding
Institutional Review Board Statement
Informed Consent Statement
Data Availability Statement
Acknowledgments
Conflicts of Interest
References
- Syafiq, A.; Pandey, A.K.; Adzman, N.N.; Abd Rahim, N. Advances in approaches and methods for self-cleaning of solar photovoltaic panels. Sol. Energy 2018, 162, 597–619. [Google Scholar] [CrossRef]
- Liu, H.; Qu, L.; Tong, Q. Stability analysis of photovoltaic interface converter using the dynamic model of photovoltaic cell. Energy Rep. 2022, 8, 15162–15172. [Google Scholar] [CrossRef]
- Menaga, D.; Sankaranarayanan, V. Robust nonlinear controller design for optimized battery performance in the photovoltaic-battery tied hybrid system using sliding mode control. Eur. J. Control 2022, 65, 100636. [Google Scholar]
- Barone, G.; Buonomano, A.; Chang, R.; Forzano, C.; Giuzio, G.F.; Mondol, J.; Palombo, A.; Pugsley, A.; Smyth, M.; Zacharopoulos, A. Modelling and simulation of building integrated Concentrating Photovoltaic/Thermal Glazing (CoPVTG) systems: Comprehensive energy and economic analysis. Renew. Energy 2022, 193, 1121–1131. [Google Scholar] [CrossRef]
- Zhou, J.; Zhang, Y.; Zhang, Y.; Shang, W.L.; Yang, Z.; Feng, W. Parameters identification of photovoltaic models using a differential evolution algorithm based on elite and obsolete dynamic learning. Appl. Energy 2022, 314, 118877. [Google Scholar] [CrossRef]
- Saidi, A.S. Impact of grid-tied photovoltaic systems on voltage stability of tunisian distribution networks using dynamic reactive power control. Ain Shams Eng. J. 2022, 13, 101537. [Google Scholar] [CrossRef]
- Zirkohi, M.M. Decentralized adaptive neuro-fuzzy dynamic surface control for maximum power point tracking of a photovoltaic system. J. Frankl. Inst. 2022, 359, 8044–8083. [Google Scholar] [CrossRef]
- Bourourou, F.; Tadjer, S.A.; Habi, I. Wind Power Conversion Chain Harmonic Compensation using APF Based on FLC. Alger. J. Renew. Energy Sustain. Dev. 2020, 2, 75–83. [Google Scholar] [CrossRef]
- El Aroudi, A. A new approach for accurate prediction of subharmonic oscillation in switching regulators—Part II: Case studies. IEEE Trans. Power Electron. 2016, 32, 5835–5849. [Google Scholar] [CrossRef]
- Beigi, A.M.; Maroosi, A. Parameter identification for solar cells and module using a hybrid firefly and pattern search algorithms. Sol. Energy 2018, 171, 435–446. [Google Scholar] [CrossRef]
- Abd Elaziz, M.; Oliva, D. Parameter estimation of solar cells diode models by an improved opposition-based whale optimization algorithm. Energy Convers. Manag. 2018, 171, 1843–1859. [Google Scholar] [CrossRef]
- Oliva, D.; Abd El Aziz, M.; Hassanien, A.E. Parameter estimation of photovoltaic cells using an improved chaotic whale optimization algorithm. Appl. Energy 2017, 200, 141–154. [Google Scholar] [CrossRef]
- Xiong, G.; Zhang, J.; Shi, D.; He, Y. Parameter extraction of solar photovoltaic models using an improved whale optimization algorithm. Energy Convers. Manag. 2018, 174, 388–405. [Google Scholar] [CrossRef]
- Elazab, O.S.; Hasanien, H.M.; Elgendy, M.A.; Abdeen, A.M. Parameters estimation of single-and multiple-diode photovoltaic model using whale optimisation algorithm. IET Renew. Power Gener. 2018, 12, 1755–1761. [Google Scholar] [CrossRef]
- Alam, D.F.; Yousri, D.A.; Eteiba, M.B. Flower pollination algorithm based solar PV parameter estimation. Energy Convers. Manag. 2015, 101, 410–422. [Google Scholar] [CrossRef]
- Kler, D.; Sharma, P.; Banerjee, A.; Rana, K.S.; Kumar, V. PV cell and module efficient parameters estimation using Evaporation Rate based Water Cycle Algorithm. Swarm Evol. Comput. 2017, 35, 93–110. [Google Scholar] [CrossRef]
- Yu, K.; Qu, B.; Yue, C.; Ge, S.; Chen, X.; Liang, J. A performance-guided JAYA algorithm for parameters identification of photovoltaic cell and module. Appl. Energy 2019, 237, 241–257. [Google Scholar] [CrossRef]
- Askarzadeh, A.; Rezazadeh, A. Parameter identification for solar cell models using harmony search-based algorithms. Sol. Energy 2012, 86, 3241–3249. [Google Scholar] [CrossRef]
- Yu, K.; Liang, J.J.; Qu, B.Y.; Cheng, Z.; Wang, H. Multiple learning backtracking search algorithm for estimating parameters of photovoltaic models. Appl. Energy 2018, 226, 408–422. [Google Scholar] [CrossRef]
- Chen, X.; Xu, B.; Mei, C.; Ding, Y.; Li, K. Teaching-learning-based artificial bee colony for solar photovoltaic parameter estimation. Appl. Energy 2018, 212, 1578–1588. [Google Scholar] [CrossRef]
- Javed, K.; Ashfaq, H.; Singh, R. A new simple MPPT algorithm to track MPP under partial shading for solar photovoltaic systems. Int. J. Green Energy 2020, 17, 48–61. [Google Scholar] [CrossRef]
- Douiri, M.R. Particle swarm optimized neuro-fuzzy system for photovoltaic power forecasting model. Sol. Energy 2019, 184, 91–104. [Google Scholar] [CrossRef]
- Banerjee, S.; Chakrabarty, K. Nonlinear modeling and bifurcations in the boost converter. IEEE Trans. Power Electron. 1998, 13, 252–260. [Google Scholar] [CrossRef]
- El Aroudi, A.; Leyva, R. Quasi-periodic route to chaos in a PWM voltage-controlled DC-DC boost converter. IEEE Trans. Circuits Syst. I Fundam. Theory Appl. 2001, 48, 967–978. [Google Scholar] [CrossRef]
- El Aroudi, A.; Debbat, M.; Giral, R.; Olivar, G.; Benadero, L.; Toribio, E. Bifurcations in DC–DC switching converters: Review of methods and applications. Int. J. Bifurc. Chaos 2005, 15, 1549–1578. [Google Scholar] [CrossRef]
- Zhioua, M.; El Aroudi, A.; Belghith, S. Analysis of bifurcation behavior in a current-fed boost converter for PV systems. In Proceedings of the 2015 IEEE 12th International Multi-Conference on Systems, Signals & Devices (SSD15), Mahdia, Tunisia, 16–19 March 2015; pp. 1–6. [Google Scholar]
- Al-Hindawi, M.M.; Abusorrah, A.; Al-Turki, Y.; Giaouris, D.; Mandal, K.; Banerjee, S. Nonlinear dynamics and bifurcation analysis of a boost converter for battery charging in photovoltaic applications. Int. J. Bifurc. Chaos 2014, 24, 1450142. [Google Scholar] [CrossRef]
- Garcerá, G.; González-Medina, R.; Figueres, E.; Sandia, J. Dynamic modeling of DC–DC converters with peak current control in double-stage photovoltaic grid-connected inverters. Int. J. Circuit Theory Appl. 2012, 40, 793–813. [Google Scholar] [CrossRef]
- Zhioua, M.; El Aroudi, A.; Belghith, S.; Bosque-Moncusí, J.M.; Giral, R.; Al Hosani, K.; Al-Numay, M. Modeling, dynamics, bifurcation behavior and stability analysis of a DC–DC boost converter in photovoltaic systems. Int. J. Bifurc. Chaos 2016, 26, 1650166. [Google Scholar] [CrossRef]
- Guo-Hua, Z.; Bo-Cheng, B.; Jian-Ping, X.; Yan-Yan, J. Dynamical analysis and experimental verification of valley current controlled buck converter. Chin. Phys. B 2010, 19, 05050. [Google Scholar] [CrossRef]
- Hosseini, S.; Taheri, S.; Farzaneh, M.; Taheri, H. A high-performance shade-tolerant MPPT based on current-mode control. IEEE Trans. Power Electron. 2019, 34, 10327–10340. [Google Scholar] [CrossRef]
- Sarwar, M.I.; Sarwar, A.; Farooqui, S.A.; Tariq, M.; Fahad, M.; Beig, A.R.; Alamri, B. A Hybrid Nearest Level Combined with PWM Control Strategy: Analysis and Implementation on Cascaded H-Bridge Multilevel Inverter and its Fault Tolerant Topology. IEEE Access 2021, 9, 44266–44282. [Google Scholar] [CrossRef]
- Pervez, I.; Pervez, A.; Tariq, M.; Sarwar, A.; Chakrabortty, R.K.; Ryan, M.J. Rapid and robust adaptive Jaya (Ajaya) based maximum power point tracking of a PV-based generation system. IEEE Access 2020, 9, 48679–48703. [Google Scholar] [CrossRef]
- Bhardwaj, M.; Choudhury, S.; Poley, R.; Akin, B. Online frequency response analysis: A powerful plug-in tool for compensation design and health assessment of digitally controlled power converters. IEEE Trans. Ind. Appl. 2016, 52, 2426–2435. [Google Scholar] [CrossRef]
- Giaouris, D.; Elbkosh, A.; Banerjee, S.; Zahawi, B.; Pickert, V. Stability of switching circuits using complete-cycle solution matrices. In Proceedings of the IEEE International Conference on Industrial Technology, Mumbai, India, 15–17 December 2006; pp. 1954–1959. [Google Scholar]
- El Aroudi, A. A new approach for accurate prediction of subharmonic oscillation in switching regulators—Part I: Mathematical derivations. IEEE Trans. Power Electron. 2016, 32, 5651–5665. [Google Scholar] [CrossRef]
- Giaouris, D.; Banerjee, S.; Zahawi, B.; Pickert, V. Stability analysis of the continuous-conduction-mode buck converter via Filippov’s method. IEEE Trans. Circuits Syst. I Regul. Pap. 2008, 55, 1084–1096. [Google Scholar] [CrossRef]
- El Aroudi, A.; Al-Numay, M.; Garcia, G.; Al Hossani, K.; Al Sayari, N.; Cid-Pastor, A. Analysis of nonlinear dynamics of a quadratic boost converter used for maximum power point tracking in a grid-interlinked PV system. Energies 2018, 12, 61. [Google Scholar] [CrossRef]
- Bao, B.; Zhang, X.; Bao, H.; Wu, P.; Wu, Z.; Chen, M. Dynamical effects of memristive load on peak current mode buck-boost switching converter. Chaos Solitons Fractals 2019, 122, 69–79. [Google Scholar] [CrossRef]
- Dongmo Wamba, M.; Montagner, J.P.; Romanowicz, B. Imaging deep-mantle plumbing beneath La Réunion and Comores hot spots: Vertical plume conduits and horizontal ponding zones. Sci. Adv. 2023, 9, eade3723. [Google Scholar] [CrossRef]
- Wamba, M.; Montagner, J.P.; Romanowicz, B.; Barruol, G. Multi-Mode Waveform Tomography of the Indian Ocean Upper and Mid-Mantle around the Réunion Hotspot. J. Geophys. Res. Solid Earth 2021, 126, e2020JB021490. [Google Scholar] [CrossRef]
- Kagho, L.; Dongmo, M.; Pelap, F. Dynamics of an Earthquake under Magma Thrust Strength. J. Earthq. 2015, 2015, 434156. [Google Scholar] [CrossRef]
- Pelap, F.; Fomethe, A.; Dongmo, M.; Kagho, L.; Tanekou, G.; Makenne, Y. Direction effects of the pulling force on the first order phase transition in a one block model for earthquakes. J. Geophys. Eng. 2014, 11, 045007. [Google Scholar] [CrossRef]
- Dongmo, M.; Kagho, L.; Pelap, F.; Tanekou, G.; Makenne, Y.; Fomethe, A. Water effects on the first-order transition in a model of earthquakes. Int. Sch. Res. Not. 2014, 2014, 160378. [Google Scholar] [CrossRef]
- Subramaniam, U.; Reddy, K.S.; Kaliyaperumal, D.; Sailaja, V.; Bhargavi, P.; Likhith, S. A MIMO–ANFIS-Controlled Solar-Fuel-Cell-Based Switched Capacitor Z-Source Converter for an Off-Board EV Charger. Energies 2023, 16, 1693. [Google Scholar] [CrossRef]
- Premkumar, M.; Subramaniam, U.; Babu, T.S.; Elavarasan, R.M.; Mihet-Popa, L. Evaluation of Mathematical Model to Characterize the Performance of Conventional and Hybrid PV Array Topologies under Static and Dynamic Shading Patterns. Energies 2020, 13, 3216. [Google Scholar] [CrossRef]
- Darcy Gnana Jegha, A.; Subathra, M.S.P.; Manoj Kumar, N.; Subramaniam, U.; Padmanaban, S. A High Gain DC-DC Converter with Grey Wolf Optimizer Based MPPT Algorithm for PV Fed BLDC Motor Drive. Appl. Sci. 2020, 10, 2797. [Google Scholar] [CrossRef]
- Vaidyanathan, S.; Azar, A.T.; Sambas, A.; Singh, S.; Alain, K.S.T.; Serrano, F.E. A novel hyperchaotic system with adaptive control, synchronization, and circuit simulation. In Advances in System Dynamics and Control; IGI Global: Hershey, PA, USA, 2018; pp. 382–419. [Google Scholar]
- Alain, K.S.T.; Romanic, K.; Bertrand, F.H. Dynamics and improved robust adaptive control strategy for the finite time synchronization of uncertain nonlinear systems. Int. J. Syst. Dyn. Appl. (IJSDA) 2017, 6, 34–62. [Google Scholar] [CrossRef]
- Alain, K.S.T.; Azar, A.T.; Bertrand, F.H.; Romanic, K. Robust observer-based synchronisation of chaotic oscillators with structural perturbations and input nonlinearity. Int. J. Autom. Control. 2019, 13, 387–412. [Google Scholar] [CrossRef]
- Kengne, E.R.M.; Kammogne, A.S.T.; Siewe, M.S.; Tamo, T.T.; Azar, A.T.; Mahlous, A.R.; Tounsi, M.; Khan, Z.I. Bifurcation Analysis of a Photovoltaic Power Source Interfacing a Current-Mode-Controlled Boost Converter with Limited Current Sensor Bandwidth for Maximum Power Point Tracking. Sustainability 2023, 15, 6097. [Google Scholar] [CrossRef]
- Chen, H.; Wang, D.; Tang, S.; Yin, X.; Wang, J.; Shen, Z.J. Continuous control set model predictive control for three-level flying capacitor boost converter with constant switching frequency. IEEE J. Emerg. Sel. Top. Power Electron. 2020, 9, 5996–6007. [Google Scholar] [CrossRef]


















| Circuit Component | Values |
|---|---|
| Maximum power | |
| Voltage at | |
| Current at | |
| Short-circuit current | |
| Open-circuit voltage |
| Circuit Component | Values | Circuit Component | Values |
|---|---|---|---|
| Variable | |||
| 1 | |||
| 1 | |||
| 0 |
| Floquet Multipliers | Special Behavior | ||
|---|---|---|---|
| 0.4 | |||
| Reverse Period doubling | |||
| Papers | Numerical Method | Analog and Experimental Implementations | Tools to Characterize the Chaotic Motion | Method to Suppression of Chaotic Motion |
|---|---|---|---|---|
| [26] | - | PSIM and experimentation | Bifurcation diagrams | - |
| [27] | Discret method | Experimentation | Bifurcation Diagrams | - |
| [36] | - | PSIM and experimentation | Time series | - |
| [51] | Fourth-order Runge–Kutta | PSIM | Bifurcation diagrams and their corresponding largest Lyapunov exponents | - |
| This work | Fourth-order Runge–Kutta | FPGA | Bifurcation diagrams and their corresponding largest Lyapunov exponents | Non-adaptive controller |
Disclaimer/Publisher’s Note: The statements, opinions and data contained in all publications are solely those of the individual author(s) and contributor(s) and not of MDPI and/or the editor(s). MDPI and/or the editor(s) disclaim responsibility for any injury to people or property resulting from any ideas, methods, instructions or products referred to in the content. |
© 2023 by the authors. Licensee MDPI, Basel, Switzerland. This article is an open access article distributed under the terms and conditions of the Creative Commons Attribution (CC BY) license (https://creativecommons.org/licenses/by/4.0/).
Share and Cite
Kengne, E.R.M.; Kammogne, A.S.T.; Tamo, T.T.; Azar, A.T.; Mahlous, A.R.; Ahmed, S. Photovoltaic Systems Based on Average Current Mode Control: Dynamical Analysis and Chaos Suppression by Using a Non-Adaptive Feedback Outer Loop Controller. Sustainability 2023, 15, 8238. https://doi.org/10.3390/su15108238
Kengne ERM, Kammogne AST, Tamo TT, Azar AT, Mahlous AR, Ahmed S. Photovoltaic Systems Based on Average Current Mode Control: Dynamical Analysis and Chaos Suppression by Using a Non-Adaptive Feedback Outer Loop Controller. Sustainability. 2023; 15(10):8238. https://doi.org/10.3390/su15108238
Chicago/Turabian StyleKengne, Edwidge Raissa Mache, Alain Soup Tewa Kammogne, Thomas Tatietse Tamo, Ahmad Taher Azar, Ahmed Redha Mahlous, and Saim Ahmed. 2023. "Photovoltaic Systems Based on Average Current Mode Control: Dynamical Analysis and Chaos Suppression by Using a Non-Adaptive Feedback Outer Loop Controller" Sustainability 15, no. 10: 8238. https://doi.org/10.3390/su15108238
APA StyleKengne, E. R. M., Kammogne, A. S. T., Tamo, T. T., Azar, A. T., Mahlous, A. R., & Ahmed, S. (2023). Photovoltaic Systems Based on Average Current Mode Control: Dynamical Analysis and Chaos Suppression by Using a Non-Adaptive Feedback Outer Loop Controller. Sustainability, 15(10), 8238. https://doi.org/10.3390/su15108238

