Research on Path Planning and Control Method for Secondary Autonomous Cutting of Cantilever Roadheader in a Large-Section Coal Roadway
Abstract
1. Introduction
2. Cutting Path Planning
2.1. Project Overview
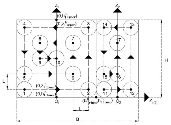
2.2. Model Establishment
2.3. Simulation Analysis of Cutting Path
2.3.1. “Snake” Cutting Path Simulation
- (1)
- Simulation analysis of cutting path 1
- (2)
- Simulation analysis of cutting path 2
2.3.2. “Loop” Cutting Path Simulation
- (1)
- Simulation analysis of cutting path 3
- (2)
- Simulation analysis of cutting path 4
2.4. Determination of Cutting Path
2.5. Industrial Test of Cutting Path
3. Kinematics Analysis of Cantilever Roadheader
3.1. Establishment of Space Position and Attitude Coordinate System
3.2. Kinematics Analysis of Cutting Mechanism
3.2.1. Forward Kinematics Solution of Cutting Mechanism
3.2.2. Inverse Kinematics Solution of Cutting Mechanism
3.3. Kinematic Analysis of Roadheader Body
3.4. Kinematics Analysis of Roadheader
4. Cutting Path Control
4.1. Pick Coordinate Determination
4.2. Determination of Inflection Point of Cutting Path
4.2.1. Determination of Inflection Point Coordinates of Boundary Contour
4.2.2. Determination of Cutting Step
4.2.3. Determination of Internal Inflection Point Coordinates
4.3. Cutting Path Control
5. Results and Discussion
5.1. Simulation Analysis of Cutting Head’s Limit Cutting Area
5.2. Simulation of Cutting Path Control
6. Conclusions
- (1)
- Based on the process of secondary cutting into the roadway, the Wangjialing 12307 belt roadway was used as the engineering background, the vertical displacement law of the roadway roof under different cutting paths was simulated with the FLAC 3D software, and the reasonable cutting path of the secondary cutting roadway was determined in combination with the actual situation in the mine. The effectiveness of the cutting path was also verified through industrial tests.
- (2)
- According to the robot principle and the D-H parameter method, the spatial pose model and coordinate system of the roadheader were established, which provided a mathematical model and a global coordinate system for the kinematics analysis of the cutting mechanism, the body and the roadheader.
- (3)
- The cutting structure kinematics, body kinematics and roadheader kinematics were analyzed and solved, and the pose transformation matrix of the cutting head coordinate system relative to the roadway coordinate system and the pose expression of the cutting head center in the roadway coordinate system were obtained, which provided a kinematic theoretical basis for the roadheader’s secondary autonomous cutting control system.
- (4)
- The simplified model of the cutting head was established, the position and pose expression of the pick on the cutting head in the roadway coordinate system was derived, the position coordinates of the inflection point and the cutting step distance were determined according to the relationship between the cutting head and the roadway boundary. The cutting path control flow was also designed, which provided the cutting path control method for the secondary autonomous cutting control system of the roadheader.
- (5)
- The MATLAB software was used to simulate the limit cutting area and cutting path control process of the cutting head during the second cutting. The simulation results showed that the limit cutting area was 5650 mm × 3900 mm, and the cutting error around the roadway was controlled within 1 mm, which verified the effectiveness and reliability of the automatic cutting control method. This research provides a theoretical basis for path planning and control to realize “secondary autonomous cutting of cantilever roadheader”.
Author Contributions
Funding
Institutional Review Board Statement
Informed Consent Statement
Data Availability Statement
Conflicts of Interest
References
- Milici, R.C.; Flores, R.M.; Stricker, G.D. Coal resources, reserves and peak coal production in the United States. Int. J. Coal Geol. 2013, 113, 109–115. [Google Scholar] [CrossRef]
- Lu, Y.; Xiao, S.; Ge, Z.; Zhou, Z.; Deng, K. Rock-breaking properties of multi-nozzle bits for tree-type drilling in underground coal mines. Energies 2016, 9, 249. [Google Scholar] [CrossRef]
- Su, H.; Zhang, H.; Qi, G.; Lu, W.; Wang, M. Preparation and CO2 adsorption properties of TEPA-functionalized multi-level porous particles based on solid waste. Colloids Surf. A Physicochem. Eng. Asp. 2022, 653, 130004. [Google Scholar] [CrossRef]
- Xie, Z.; Zhang, N.; Qian, D.; Han, C.; An, Y.; Wang, Y. Rapid Excavation and Stability Control of Deep Roadways for an Underground Coal Mine with High Production in Inner Mongolia. Sustainability 2018, 10, 1160. [Google Scholar] [CrossRef]
- Qi, P.; Chang, J.; Chen, X.; Wang, T.; Wu, M. Identification of Rock Properties of Rock Wall Cut by Roadheader Based on PSO-VMD-LSSVM. Front. Earth Sci. 2022, 10, 142. [Google Scholar] [CrossRef]
- Zhang, W.; Zhang, Y.; Zhu, F.; Liang, Z. Experimental Study on Reflection Superiority of Multisensors Measurement-While-Drilling of Roof Bolter. IEEE Trans. Instrum. Meas. 2022, 71, 1–11. [Google Scholar] [CrossRef]
- Ji, X.; Zhang, M.; Qu, Y.; Jiang, H.; Wu, M. Travel Dynamics Analysis and Intelligent Path Rectification Planning of a Roadheader on a Roadway. Energies 2021, 14, 7201. [Google Scholar] [CrossRef]
- Yang, J.; Zhang, Q.; Wang, C. Research status and development of robotization of coal mine roadheader. J. China Coal 2020, 3, 1–12. [Google Scholar]
- Zong, K.; Zhang, P.; Wang, P. Multifactor Analysis of roadheader’s body pose responses during the horizontal cutting process. Shock. Vib. 2018, 2018, 18. [Google Scholar] [CrossRef]
- Yang, W.; Wang, Z. Research on the adaptive control for cutting operation of roadheader. Appl. Mech. Mater. 2013, 270, 1436–1439. [Google Scholar]
- Zhao, L.; Wang, J. Cutting performance evaluation of a roadheader machine by PCA and RBF. Simul.-Transcation Soc. Model. Simul. Int. 2018, 94, 1129–1141. [Google Scholar] [CrossRef]
- Dolipski, M.; Cheluszka, P.; Sobota, P. Investigating the simulated control of the rotational speed of roadheader cutting heads, relating to the reduction of energy consumption during the cutting process. J. Min. Sci. 2015, 51, 298–308. [Google Scholar] [CrossRef]
- Tuncer, A.; Yildirim, M. Dynamic path planning of mobile robots with improved genetic algorithm. Comput. Electr. Eng. 2012, 38, 1564–1572. [Google Scholar] [CrossRef]
- Ebrahimabadi, A.; Azimipour, M.; Ali, B. Prediction of roadheaders’ performance using artificial neural network approaches (MLP and KOSFM). J. Rock Mech. Geotech. Eng. 2015, 7, 573–583. [Google Scholar] [CrossRef]
- Jasiulek, D.; Stankiewicz, K. An adaptive control system of roadheader with intelligent modelling of mechanical features of mined rock. J. KONES Powertrain Transp. 2011, 18, 197–203. [Google Scholar]
- Ning, S.; Su, H.; Gao, J. Research on Automatic Section Precision Forming of Boom-type Roadheader. In Proceedings of the 2015 International Conference on Intelligent Systems Research and Mechatronics Engineering, Zhengzhou, China, 11–13 April 2015. [Google Scholar]
- Hu, C.; Zhang, Y.; Yu, R.; Fang, X.; Xu, Z.; Wang, L.; Zhao, B. Research on the Optimization of Cutting Path of Cantilever Roadheader in Large Section Excavation. Sustainability 2022, 14, 5345. [Google Scholar] [CrossRef]
- Xu, Z.; Liang, M.; Fang, X.; Wu, G.; Chen, N.; Song, Y. Research on Autonomous Cutting Method of Cantilever Roadheader. Energies 2022, 15, 6190. [Google Scholar] [CrossRef]
- Zhang, M.; Lyu, F.; Fu, S.; Cai, X.; Zong, K.; Wu, M. Study on the pitch angle control of a robotized hydraulic roadheader using different control methods. J. Mech. Sci. Technol. 2018, 32, 4893–4901. [Google Scholar] [CrossRef]
- Yang, J.J.; Tang, Z.H.; Wang, X.L.; Wang, Z.R.; Wu, M. Study on the stochastic constraint environment modeling of the deviation correction path of coal roadheader. J. Min. Sci. 2019, 4, 58–65. [Google Scholar]
- Tsinidis, G.; Pitilakis, K.; Madabhushi, G. On the dynamic response of square tunnels in sand. Eng. Struct. 2016, 125, 419–437. [Google Scholar] [CrossRef]
- Jun, M.; Jian-gang, L.; Wei-kang, L.; Zhi-yong, H. Kinematics analysis and simulation of profiling memory cutting for tunnel robot in complex environment. Procedia Earth Planet. Sci. 2009, 1, 1411–1417. [Google Scholar] [CrossRef][Green Version]
- Li, J.; Lian, Z.; Li, Y. Kinematics analysis and carriage positioning of roboticized roadheader. J. China Coal Soc. 2008, 5, 583–587. [Google Scholar]
- Craig, J.J. Introduction to Robotics: Mechanics and control, 3rd ed.; China Machine Press: Beijing, China, 2006. [Google Scholar]
- Tian, J. Research on Boom-Type Roadheader Auto Cutting and Profiling Control System. Ph.D. Thesis, China University of Mining and Technology (Beijing), Beijing, China, 2010. [Google Scholar]
- Wang, S. Research on Memory Cutting and Roadway Border Control Method of Boom-Type Roadheader. Ph.D. Thesis, China University of Mining and Technology (Beijing), Beijing, China, 2014. [Google Scholar]
- Guo, D. Research on Profiling Cutting Theory of Longitudinal Axis Type Roadheader. Ph.D. Thesis, Liaoning Technical University, Fuxin, China, 2007. [Google Scholar]




















| Number of Layers | Thickness /m | Poisson Ratio | Elastic Modulus /GPa | Internal Friction Angle/° | Tensile Strength /Mpa | Density kg/m3 | Cohesion /MPa | Rock Character |
|---|---|---|---|---|---|---|---|---|
| 1 | 3.80 | 0.20 | 38.74 | 34 | 2.10 | 2400 | 9.25 | Siltstone |
| 2 | 4.17 | 0.29 | 12.65 | 32 | 1.02 | 2460 | 3.50 | Sandy mudstone |
| 3 | 5.99 | 0.25 | 32.74 | 31 | 1.62 | 2400 | 8.16 | Fine-grained sandstone |
| 4 | 3.18 | 0.29 | 12.65 | 32 | 1.02 | 2460 | 3.50 | Sandy mudstone |
| 5 | 6.02 | 0.35 | 3.96 | 40 | 0.51 | 1400 | 1.60 | Coal |
| 6 | 1.05 | 0.29 | 12.65 | 32 | 1.02 | 2460 | 3.50 | Sandy mudstone |
| 7 | 1.09 | 0.25 | 32.74 | 31 | 1.62 | 2400 | 8.16 | Fine-grained sandstone |
| 8 | 14.70 | 0.20 | 38.74 | 34 | 2.10 | 2400 | 9.25 | Siltstone |
| Connecting Rod i | ai-1 | αi-1 | di | θi |
|---|---|---|---|---|
| 1 | a0 | 0° | d1 | θ1 |
| 2 | a1 | 90° | 0 | θ2 |
| 3 | a2 | 90° | d3+d | 0 |
| 4 | 0 | 0° | d4 | 0 |
Disclaimer/Publisher’s Note: The statements, opinions and data contained in all publications are solely those of the individual author(s) and contributor(s) and not of MDPI and/or the editor(s). MDPI and/or the editor(s) disclaim responsibility for any injury to people or property resulting from any ideas, methods, instructions or products referred to in the content. |
© 2022 by the authors. Licensee MDPI, Basel, Switzerland. This article is an open access article distributed under the terms and conditions of the Creative Commons Attribution (CC BY) license (https://creativecommons.org/licenses/by/4.0/).
Share and Cite
Wu, J.; Xu, Z.; Fang, X.; Shi, G.; Wang, H. Research on Path Planning and Control Method for Secondary Autonomous Cutting of Cantilever Roadheader in a Large-Section Coal Roadway. Sustainability 2023, 15, 560. https://doi.org/10.3390/su15010560
Wu J, Xu Z, Fang X, Shi G, Wang H. Research on Path Planning and Control Method for Secondary Autonomous Cutting of Cantilever Roadheader in a Large-Section Coal Roadway. Sustainability. 2023; 15(1):560. https://doi.org/10.3390/su15010560
Chicago/Turabian StyleWu, Jianjun, Ziyue Xu, Xinqiu Fang, Guangliang Shi, and Haiyan Wang. 2023. "Research on Path Planning and Control Method for Secondary Autonomous Cutting of Cantilever Roadheader in a Large-Section Coal Roadway" Sustainability 15, no. 1: 560. https://doi.org/10.3390/su15010560
APA StyleWu, J., Xu, Z., Fang, X., Shi, G., & Wang, H. (2023). Research on Path Planning and Control Method for Secondary Autonomous Cutting of Cantilever Roadheader in a Large-Section Coal Roadway. Sustainability, 15(1), 560. https://doi.org/10.3390/su15010560
