Thread-Based Modeling and Analysis in Multi-Core-Based V2X Communication Device
Abstract
:1. Introduction
- We describe the architecture of the V2X communication device and its thread-level performance analysis possibility. We also describe the architecture of a multi-core-based V2X communication device. In particular, we analyze the architecture of a V2X communication device with a multi-network interface and a multi-core to support multiple V2X services according to V2X service requirements. We also describe how events such as packets, queries, and transactions occurring in the V2X communication device can be recognized and modeled as workloads at the thread level.
- We propose a thread-level performance analysis method utilizing queueing theory in the design phase of a multi-core-based vehicle service system. We also define a multiple-distributor and multiple-application model to provide various V2X services in the V2X communication device using a multiple-network interface and a multi-core resource. In addition, we model the operation at the thread level and performance indicators such as latency and throughput based on the queuing theory for the multiple-distributor and multiple-application model.
- We analyze the performance of the test models of a multi-core-based vehicle service system utilizing the proposed thread-level performance analysis method. We also analyze the performance of three core allocation types using the V2X communication device model based on queuing theory. Furthermore, we analyze the satisfaction of V2X service requirements according to the allocation of core resources in multi-core-based V2X communication devices.
2. Related Work
2.1. V2X Service Requirement
2.2. Testing and Measurement Methods in V2X Communication
3. Proposed Performance Measure Method of V2X Communication Device
3.1. V2X Communication Device
3.2. Modeling
3.3. Performance Measures
4. Performance Analysis
4.1. Analysis Model
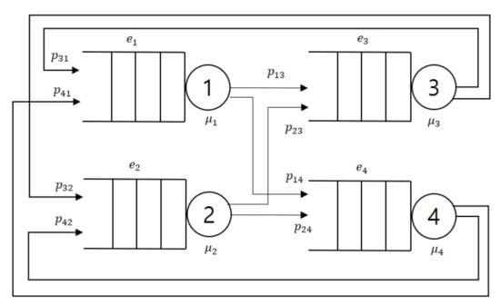
- e1 =
- e2 = 1 −
- e3 = p13 + (1 − ) p23 =
- e4 = 1 − {p13 + (1 − ) p23} = p23 + (1 − ) p24 = 1 −
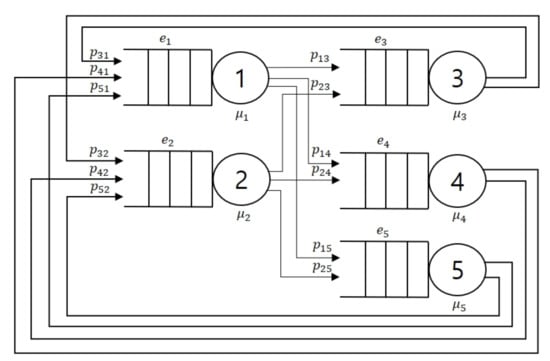
- e1 =
- e2 = 1 −
- e3 = p13 + (1 − ) p23 =
- e4 = p14 + (1 − ) p24 = (1 − )/2
- e5 = p15 + (1 − ) p25 = (1 − )/2
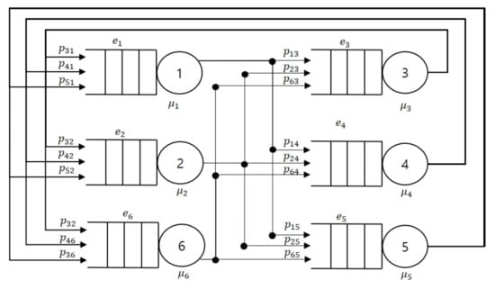
- e1 =
- e2 = (1 − )/2
- e3 = p13 + {(1 − )/2}p23 + {(1 − )/2}p63 =
- e4 = p14 + {(1 − )/2}p24 + {(1 − )/2}p64 = (1 − )/2
- e5 = p15 + {(1 − )/2}p25 + {(1 − )/2}p65 = (1 − )/2
- e6 = (1 − )/2
- Type 1 (4 cores): (p13, p14, p23, p24, p31, p32, p41, p42) = (0.9, 0.1, 0.1, 0.9, 0.9, 0.1, 0.1, 0.9).
- Type 2 (5 cores): (p13, p14, p15, p23, p24, p25, p31, p32, p41, p42, p51, p52) = (0.9, 0.05, 0.05, 0.1, 0.45, 0.45, 0.9, 0.1, 0.1, 0.9, 0.1, 0.9).
- Type 3 (6 cores): (p13, p14, p15, p23, p24, p25, p31, p32, p36, p41, p42, p46, p51, p52, p55, p63, p64, p65) = (0.9, 0.05, 0.05, 0.1, 0.45, 0.45, 0.9, 0.05, 0.05, 0.1, 0.45, 0.45, 0.1, 0.45, 0.45, 0.45, 0.45, 0.1).
4.2. Result
5. Conclusions
Author Contributions
Funding
Institutional Review Board Statement
Informed Consent Statement
Data Availability Statement
Conflicts of Interest
References
- Zhou, H.; Xu, W.; Chen, J.; Wang, W. Evolutionary V2X technologies toward the Internet of vehicles: Challenges and opportunities. Proc. IEEE 2020, 108, 308–323. [Google Scholar] [CrossRef]
- Kim, H.; Ben-Othman, J.; Mokdad, L.; Son, J.; Li, C. Research Challenges and Security Threats to AI-Driven 5G Virtual Emotion Applications Using Autonomous Vehicles, Drones, and Smart Devices. IEEE Netw. 2020, 34, 288–294. [Google Scholar] [CrossRef]
- Loke, S.W. Cooperative automated vehicles: A review of opportunities and challenges in socially intelligent vehicles beyond networking. IEEE Trans. Intell. Veh. 2019, 4, 509–518. [Google Scholar] [CrossRef] [Green Version]
- Liu, Z.; Lee, H.; Khyam, M.O.; He, J.; Pesch, D.; Moessner, K.; Saad, W.; Poor, H.V. 6G for vehicle-to-everything (V2X) communications: Enabling technologies, challenges, and opportunities. arXiv 2020, arXiv:2012.07753. [Google Scholar]
- Siriwardhana, Y.; Porambage, P.; Liyanage, M.; Ylianttila, M. AI and 6G security: Opportunities and challenges. In Proceedings of the 2021 Joint European Conference on Networks and Communications (EuCNC) & 6G Summit, Porto, Portugal, 8–11 June 2021. [Google Scholar]
- Arjoune, Y.; Faruque, S. Artificial intelligence for 5G wireless systems: Opportunities, challenges, and future research direction. In Proceedings of the 10th Annual Computing and Communication Workshop and Conference (CCWC), Las Vegas, CA, USA, 6–8 January 2020. [Google Scholar]
- Tong, W.; Hussain, A.; Bo, W.X.; Maharjan, S. Artificial intelligence for vehicle-to-everything: A survey. IEEE Access 2019, 7, 10823–10843. [Google Scholar] [CrossRef]
- Kokuti, A.; Hussein, A.; Marin-Plaza, P.; de la Escalera, A.; Garcia, F. V2x communications architecture for off-road autonomous vehicles. In Proceedings of the 2017 IEEE International Conference on Vehicular Electronics and Safety (ICVES), Vienna, Austria, 27–29 June 2017. [Google Scholar]
- Ma, H.; Li, S.; Zhang, E.; Lv, Z.; Hu, J.; Wei, X. Cooperative autonomous driving oriented MEC-aided 5G-V2X: Prototype system design, field tests and AI-based optimization tools. IEEE Access 2020, 8, 54288–54302. [Google Scholar] [CrossRef]
- Nkenyereye, L.; Nkenyereye, L.; Islam, S.R.; Kerrache, C.A.; Abdullah-Al-Wadud, M.; Alamri, A. Software defined network-based multi-access edge framework for vehicular networks. IEEE Access 2019, 8, 4220–4234. [Google Scholar] [CrossRef]
- Mario, H.; Garcia, C.; Molina-Galan, A.; Boban, M.; Gozalvez, J.; Coll-Perales, B.; Şahin, T.; Kousaridas, A. A Tutorial on 5G Nr v2x Communications. IEEE Commun. Surv. Tutor. 2021, 23, 1972–2026. [Google Scholar]
- Zeng, W.; Khalid, M.A.S.; Chowdhury, S. In-Vehicle networks outlook: Achievements and challenges. IEEE Commun. Surv. Tutor. 2016, 18, 1552–1571. [Google Scholar] [CrossRef]
- Zhang, C.; Zhou, W.; Yin, Y.; Li, Z.; Gong, J.; Zhang, K. Deterministic Communications for In-vehicle Network: Overview and Challenges. In Proceedings of the 2021 2nd International Conference on Artificial Intelligence and Information Systems, Chongqing, China, 28–30 May 2021. [Google Scholar]
- Huang, J.; Zhao, M.; Zhou, Y.; Xing, C.C. In-Vehicle networking: Protocols, challenges, and solutions. IIEEE Netw. 2018, 33, 92–98. [Google Scholar] [CrossRef]
- Milosevic, M.; Bjelica, M.Z.; Maruna, T.; Teslic, N. Software platform for heterogeneous in-vehicle environments. IEEE Trans. Consum. Electron. 2018, 64, 213–221. [Google Scholar] [CrossRef]
- Rajeshwari, H.R.; Gurumurthy, K.S. Load balancing towards ECU integration. In Proceedings of the 2009 International Conference on Advances in Recent Technologies in Communication and Computing, Kottayam, India, 27–28 October 2009. [Google Scholar]
- Rohith, M.; Sreelakshmi, K. Design and Integration of Gateway Electronic Control Unit (ECU) for Automotive Electronics Applications. In Proceedings of the 2021 Asian Conference on Innovation in Technology (ASIANCON), Pune, India, 27–29 August 2021. [Google Scholar]
- Nissimagoudar, P.C.; Mane, V.; Iyer, N.C.; Eligar, S.; Ramakrishna, S.J.; Kiran, M.R.; Desai, B.L. Multi-Module Integration Approach to Realize Course Projects in Automotive-Electronics. In Proceedings of the 2016 IEEE 4th International Conference on MOOCs, Innovation and Technology in Education (MITE), Madurai, India, 9–10 December 2016. [Google Scholar]
- Ranawat, D.; Prasad, M.P.R.; Srinivasan, G. An Efficient Approach for WCET Measurement of Runnablesand Tasks of the Application Software: AUTOSAR compliant Multi-core partitioning. In Proceedings of the 2019 IEEE 1st International Conference on Energy, Systems and Information Processing (ICESIP), Chennai, India, 4–6 July 2019. [Google Scholar]
- Lowinski, M.; Ziegenbein, D.; Glesner, S. Splitting tasks for migrating real-time automotive applications to multi-core ecus. In Proceedings of the 2016 11th IEEE Symposium on Industrial Embedded Systems (SIES), Krakow, Poland, 23–25 May 2016. [Google Scholar]
- Masmoudi, A.; Mnif, K.; Faouzi, Z. A survey on radio resource allocation for V2X communication. Wirel. Commun. Mob. Comput. 2019, 2019, 2430656. [Google Scholar] [CrossRef]
- Abboud, K.; Omar, H.A.; Zhuang, W. Interworking of DSRC and cellular network technologies for V2X communications: A survey. IEEE Trans. Veh. Technol. 2016, 65, 9457–9470. [Google Scholar] [CrossRef]
- MacHardy, Z.; Khan, A.; Obana, K.; Iwashina, S. V2X access technologies: Regulation, research, and remaining challenges. IEEE Commun. Surv. Tutor. 2018, 20, 1858–1877. [Google Scholar] [CrossRef]
- Davis, A.M.; Bersoff, E.H.; Comer, E.R. A strategy for comparing alternative software development life cycle models. IEEE Trans. Softw. Eng. 1988, 14, 1453–1461. [Google Scholar] [CrossRef]
- Ju, M.; Jung, H.; Che, H. A performance analysis methodology for multicore, multithreaded processors. IEEE Trans. Comput. 2014, 63, 276–289. [Google Scholar]
- Jung, H.; Ju, M.; Che, H.; Wang, Z. A Fast Performance Analysis Tool for Multicore, Multithreaded Communication Processors. In Proceedings of the IEEE 11th High Assurance Systems Engineering Symposium, Nanjing, China, 3–5 December 2008. [Google Scholar]
- Jung, H.; Ju, M.; Che, H. A Theoretical Framework for Design Space Exploration of Many-Core Processors. In Proceedings of the 2011 IEEE 19th Annual International Symposium on Modelling, Analysis, and Simulation of Computer and Telecommunication Systems, Singapore, 25–27 July 2011. [Google Scholar]
- Drongowski, P.J. Instruction-Based Sampling: A New Performance Analysis Technique for AMD Family 10h Processors; Advanced Micro Devices Inc.: Sunnyvale, CA, USA, 2007. [Google Scholar]
- Jongerius, R.; Anghel, A.; Dittmann, G.; Mariani, G.; Vermij, E.; Corporaal, H. Analytic multi-core processor model for fast design-space exploration. IEEE Trans. Comput. 2018, 67, 755–770. [Google Scholar] [CrossRef]
- Wang, J.; Shao, Y.; Ge, Y.; Yu, R. A survey of vehicle to everything (V2X) testing. Sensors 2019, 19, 334. [Google Scholar] [CrossRef] [Green Version]
- ETSI. Intelligent Transport Systems (ITS); Testing; Framework for Conformance and Interoperability Testing; ETSI EG 202 798 V1.1.1; ETSI: Sophia Antipolis, France, 2011; Available online: https://www.etsi.org/deliver/etsi_eg/202700_202799/202798/01.01.01_60/eg_202798v010101p.pdf (accessed on 10 May 2022).
- 3GPP. LTE; Evolved Universal Terrestrial Radio Access (E-UTRA) and Evolved Packet Core (EPC); User Equipment (UE) Conformance Specification; Part 3: Test Suites (Release 14); 3GPP TS 36.523-3 V14.2.0; 2018; Available online: https://www.etsi.org/deliver/etsi_ts/136500_136599/13652303/14.02.00_60/ts_13652303v140200p.pdf (accessed on 10 May 2022).
- ISO/TS 20026; Intelligent Transport Systems—Cooperative ITS—Test Architecture. ISO: Geneva, Switzerland, 2017.
- Aramrattana, M.; Larsson, T.; Jansson, J.; Nåbo, A. A simulation framework for cooperative intelligent transport systems testing and evaluation. Transp. Res. Part F Traffic Psychol. Behav. 2019, 61, 268–280. [Google Scholar] [CrossRef]
- Mittal, N.M.; Choudhary, S. Comparative study of simulators for vehicular ad hoc networks (vanets). Int. J. Emerg. Technol. Adv. Eng. 2014, 4, 528–537. [Google Scholar]
- Kim, H.; Kim, T.; Kang, S.; Yoon, C.; Jung, J. Design of V2X runtime emulation framework for evaluation of vehicle safety applications. In Proceedings of the 2014 4th IEEE International Conference on Network Infrastructure and Digital Content, Beijing, China, 19–21 September 2014. [Google Scholar]
- Schiller, M.; Knoll, A. Emulating vehicular ad hoc networks for evaluation and testing of automotive embedded systems. In Proceedings of the 8th International ICST Conference on Simulation Tools and Techniques (SIMUTOOLS 2015), Athens, Greece, 24–26 August 2015. [Google Scholar]
- Choudhury, A.; Maszczyk, T.; Math, C.B.; Li, H.; Dauwels, J. An integrated simulation environment for testing V2X protocols and applications. Procedia Comput. Sci. 2016, 80, 2042–2052. [Google Scholar] [CrossRef] [Green Version]
- Ahmed, H.; Pierre, S.; Quintero, A. A flexible testbed architecture for VANET. Veh. Commun. 2017, 9, 115–126. [Google Scholar] [CrossRef]
- Ming, L.; Zhao, G.; Huang, M.; Kuang, X.; Zhang, J.; Cao, H.; Xu, F. A general testing framework based on veins for securing vanet applications. In Proceedings of the 2018 IEEE SmartWorld, Ubiquitous Intelligence & Computing, Advanced & Trusted Computing, Scalable Computing & Communications, Cloud & Big Data Computing, Internet of People and Smart City Innovation (SmartWorld/SCALCOM/UIC/ATC/CBDCom/IOP/SCI), Guangzhou, China, 8–12 October 2018. [Google Scholar]
- Ribeiro, B.; Gonçalves, F.; Santos, A.; Nicolau, M.J.; Dias, B.; Macedo, J.; Costa, A. Simulation and testing of a platooning management protocol implementation. In Proceedings of the International Conference on Wired/Wireless Internet Communication, Sankt Petersburg, Russia, 21–23 June 2017. [Google Scholar]
- Buse, D.S.; Sommer, C.; Dressler, F. Demo abstract: Integrating a driving simulator with city-scale VANET simulation for the development of next generation ADAS systems. In Proceedings of the IEEE INFOCOM 2018—IEEE Conference on Computer Communications Workshops (INFOCOM WKSHPS), Honolulu, HI, USA, 15–19 April 2018. [Google Scholar]
- Szendrei, Z.; Varga, N.; Bokor, L. A SUMO-based hardware-in-the-loop V2X simulation framework for testing and rapid prototyping of cooperative vehicular applications. In Proceedings of the Vehicle and Automotive Engineering, Miskolc, Hungary, 23–25 May 2018. [Google Scholar]
- Qin, Z.; Meng, Z.; Zhang, X.; Xiang, B.; Zhang, L. Performance evaluation of 802.11 p WAVE system on embedded board. In Proceedings of the International Conference on Information Networking 2014 (ICOIN2014), Phuket, Thailand, 10–12 February 2014. [Google Scholar]
- Hiromori, A.; Umedu, T.; Yamaguchi, H.; Higashino, T. Protocol testing and performance evaluation for manets with non-uniform node density distribution. In Proceedings of the IFIP International Conference on Testing Software and Systems, Aalborg, Denmark, 19–21 November 2012. [Google Scholar]
- Phouthone, V.; Dong, W. Simulation based and analysis of routing protocols for vanet using vanetmobisim and NS-2. Int. J. Comput. Eng. Technol. 2015, 6, 32–41. [Google Scholar]
- Marzak, B.; Toumi, H.; Benlahmar, E.; Talea, M. Performance analysis of routing protocols in vehicular ad hoc network. In Proceedings of the International Symposium on Ubiquitous Networking, Casablanca, Morocco, 30 May–1 June 2016. [Google Scholar]
- Prakash, U.; Pal, R.; Gupta, N. Performance evaluation of IEEE 802.11 p by varying data rate and node density in vehicular ad hoc network. In Proceedings of the 2015 IEEE Students Conference on Engineering and Systems (SCES), Allahabad, India, 6–8 November 2015. [Google Scholar]
- Huang, X.; Zhao, D.; Peng, H. Empirical study of DSRC performance based on safety pilot model deployment data. IEEE Trans. Intell. Transp. Syst. 2017, 18, 2619–2628. [Google Scholar] [CrossRef] [Green Version]
- Shi, M.; Lu, C.; Zhang, Y.; Yao, D. DSRC and LTE-V communication performance evaluation and improvement based on typical V2X application at intersection. In Proceedings of the 2017 Chinese Automation Congress (CAC), Jinan, China, 20–22 October 2017. [Google Scholar]
- Kawasaki, R.; Onishi, H.; Murase, T. Performance evaluation on V2X communication with PC5-based and Uu-based LTE in crash warning application. In Proceedings of the 2017 IEEE 6th Global Conference on Consumer Electronics (GCCE), Nagoya, Japan, 24–27 October 2017. [Google Scholar]
- Nguyen, H.; Noor-A-Rahim, M.; Liu, Z.; Jamaludin, D.; Guan, Y.L. A semi-empirical performance study of two-hop DSRC message relaying at road intersections. Information 2019, 9, 147. [Google Scholar] [CrossRef] [Green Version]
- Yang, T.Y.; Luo, F.; Liu, C. Development of Automatic CAN Gateway Test System. Appl. Mech. Mater. 2015, 734, 161–167. [Google Scholar] [CrossRef]
- Kim, J.H.; Seo, S.H.; Hai, N.T.; Cheon, B.M.; Lee, Y.S.; Jeon, J.W. Gateway framework for in-vehicle networks based on CAN, FlexRay, and Ethernet. IEEE Trans. Veh. Technol. 2014, 64, 4472–4486. [Google Scholar] [CrossRef]
- Lee, T.Y.; Kuo, C.W.; Lin, I.A. High performance CAN/FlexRay gateway design for in-vehicle network. In Proceedings of the 2017 IEEE Conference on Dependable and Secure Computing, Taipei, Taiwan, 7–10 August 2017. [Google Scholar]
- Xu, Y.; Ou, P.; Li, Y. Design of Vehicle Gateway Automatic Test System Based on CANoe. In Proceedings of the 2019 Chinese Automation Congress (CAC), Hangzhou, China, 22–24 November 2019. [Google Scholar]
- Khan, J. Vehicle network security testing. In Proceedings of the 2017 Third International Conference on Sensing, Signal Processing and Security (ICSSS), Chennai, India, 4–5 May 2017. [Google Scholar]
- Prathap, V.; Rachumallu, A. Penetration Testing of Vehicle ECUs. Master’s Thesis, Charlmers University of Technology, Gothenburg, Sweden, 2013. [Google Scholar]
- Hakeem, S.A.; Abd El-Gawad, M.; Kim, H. A decentralized lightweight authentication and privacy protocol for vehicular networks. IEEE Access 2016, 7, 119689–119705. [Google Scholar] [CrossRef]
- Hakeem, S.A.; El-Gawad, M.A.; Kim, H. Comparative experiments of V2X security protocol based on hash chain cryptography. Sensors 2020, 20, 5719. [Google Scholar] [CrossRef]
- Dürrwang, J.; Braun, M.; Kriesten, R.; Pretschner, A. Enhancement of automotive penetration testing with threat analyses results. Appear SAE Int. J. Transp. Cybersecur. Priv. 2018, 1, 91–112. [Google Scholar] [CrossRef]
- Kobezak, P.; Abbot-McCune, S.; Tront, J.; Marchany, R.; Wicks, A. Universal framework for unmanned system penetration testing. In Unmanned Systems Technology XV; SPIE: Baltimore, ML, USA, 2013. [Google Scholar]
- Zhao, D.; Peng, H. From the lab to the street: Solving the challenge of accelerating automated vehicle testing. arXiv 2017, arXiv:1707.04792. [Google Scholar]
- Zhao, D.; Huang, X.; Peng, H.; Lam, H.; LeBlanc, D.J. Accelerated evaluation of automated vehicles in car-following maneuvers. IEEE Trans. Intell. Transp. Syst. 2017, 19, 733–744. [Google Scholar] [CrossRef] [Green Version]
- Weiß, C. V2X communication in Europe–From research projects towards standardization and field testing of vehicle communication technology. Comput. Netw. 2011, 55, 3103–3119. [Google Scholar] [CrossRef]
- Klapez, M.; Grazia, C.A.; Casoni, M. Application-Level performance of IEEE 802.11 p in safety-related V2X field trials. IEEE Internet Things J. 2020, 7, 3850–3860. [Google Scholar] [CrossRef]
- Moubayed, A.; Shami, A.; Heidari, P.; Larabi, A.; Brunner, R. Edge-enabled V2X service placement for intelligent transportation systems. IEEE Trans. Mob. Comput. 2020, 20, 1380–1392. [Google Scholar] [CrossRef]
- Amjad, Z.; Sikora, A.; Hilt, B.; Lauffenburger, J. Low latency V2X applications and network requirements: Performance evaluation. In Proceedings of the 2018 IEEE Intelligent Vehicles Symposium (IV), Changshu, China, 26–30 June 2018. [Google Scholar]
- NGMN Alliance. Perspectives on Vertical Industries and Implications for 5G. 2016. Available online: https://www.ngmn.org/publications/ngmn-perspectives-on-vertical-industries-and-implications-for-5g.html (accessed on 13 April 2022).
- Fettweis, G.P. The tactile Internet: Applications and challenges. IEEE Veh. Technol. Mag. 2014, 9, 64–70. [Google Scholar] [CrossRef]
- CAMP Vehicle Safety Communications Consortium. Vehicle Safety Communications Project: Task 3 Final Report: Identify Intelligent Vehicle Safety Applications Enabled by DSRC; National Highway Traffic Safety Administration, US Department of Transportation: Washington, DC, USA, 2005. [Google Scholar]
- ETSI TC ITS. Intelligent Transport Systems (ITS); Vehicular Communications; Basic Set of Applications; Definitions, ETSI TR 102 638 V1.1.5; ETSI: Sophia Antipolis, France, 2010; Available online: https://www.etsi.org/deliver/etsi_tr/102600_102699/102698/01.01.02_60/tr_102698v010102p.pdf (accessed on 10 May 2022).
- Choi, J.; Va, V.; Gonzalez-Prelcic, N.; Daniels, R.; Bhat, C.R.; Heath, R.W. Millimeter-Wave vehicular communication to support massive automotive sensing. Commun. Mag. 2016, 54, 160–167. [Google Scholar] [CrossRef] [Green Version]
- Bolch, G.; Greiner, S.; Meer, H.D.; Trivedi, K.S. Queueing Networks and Markov Chains, 2nd ed.; Wiley: New York, NY, USA, 2006. [Google Scholar]
- Feng, M.; Li, Y.; Chen, F.; Kurths, J. Heritable deleting strategies for birth and death evolving networks from a queueing system perspective. IEEE Trans. Syst. Man Cybern. Syst. 2022, 1–12, Early Access. [Google Scholar] [CrossRef]














| Application | Latency | Throughput | Device Density (km2) | Number of Devices per Cell | Communication Rang (m) | % of Mobile Devices | Mobility Speed (km/h) | Traffic Type | WAVE / IEEE 802.11p | IEEE 802.11n/ac | C-V2X |
|---|---|---|---|---|---|---|---|---|---|---|---|
| Autonomous/ cooperative driving | ≤10 ms | ≥5 Mbps | Urban 3000 Highway 500 | Urban 300 Highway 50 | Urban 500 Highway 2000 | >95 | Urban < 100 Highway < 500 | Event-triggered | Urban O Highway X | X | 4G X 5G O |
| Traffic safety | 20–50 ms | 700 Mbps | Urban 3000 Highway 500 | Urban 300 Highway 50 | Urban 500 Highway 2000 | >90 | Urban < 100 Highway < 500 | Event-triggered | X | X | 4G X 5G O |
| Traffic efficiency | 100–500 ms | 10–15 Mbps | 3000 | 300 | 2000 | >80 | <500 | Periodic | X | X | O |
| Infotainment | ≤1 s | Around 80 Mbps | – | – | – | – | – | Real-time | O | O | ∆ |
| Symbol | Meaning |
|---|---|
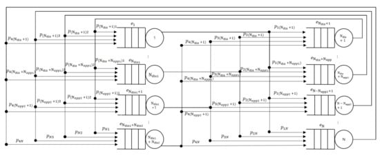
| N | Total number of nodes. |
| N = Ndis + Napp | |
| Ndis | Total number of nodes for packet distributor. |
| Ndis = Ndis1 + Ndis2 | |
| Napp | Total number of nodes for application. |
| Napp = Napp1 + Napp2 | |
| Ndis1 | Total number of nodes for packet distributor 1. |
| Ndis2 | Total number of nodes for packet distributor 2. |
| Napp1 | Total number of nodes for application 1. |
| Napp2 | Total number of nodes for application 2. |
| ei | The relative arrival rate of node i |
| pij | The routing probability to node j from node i. |
| The relative arrival rate for packet distributor 1. | |
| The relative arrival rate for application 1. |
| List | Pros | Cons |
|---|---|---|
| The prototype-level performance analysis |
|
|
| The proposed method |
|
|
Publisher’s Note: MDPI stays neutral with regard to jurisdictional claims in published maps and institutional affiliations. |
© 2022 by the authors. Licensee MDPI, Basel, Switzerland. This article is an open access article distributed under the terms and conditions of the Creative Commons Attribution (CC BY) license (https://creativecommons.org/licenses/by/4.0/).
Share and Cite
Choi, W.-S.; Choi, S.-G. Thread-Based Modeling and Analysis in Multi-Core-Based V2X Communication Device. Sustainability 2022, 14, 8277. https://doi.org/10.3390/su14148277
Choi W-S, Choi S-G. Thread-Based Modeling and Analysis in Multi-Core-Based V2X Communication Device. Sustainability. 2022; 14(14):8277. https://doi.org/10.3390/su14148277
Chicago/Turabian StyleChoi, Won-Seok, and Seong-Gon Choi. 2022. "Thread-Based Modeling and Analysis in Multi-Core-Based V2X Communication Device" Sustainability 14, no. 14: 8277. https://doi.org/10.3390/su14148277
APA StyleChoi, W.-S., & Choi, S.-G. (2022). Thread-Based Modeling and Analysis in Multi-Core-Based V2X Communication Device. Sustainability, 14(14), 8277. https://doi.org/10.3390/su14148277

