Comprehensive Assessment of Thermal Comfort and Indoor Environment of Traditional Historic Stilt House, a Case of Dong Minority Dwelling, China
Abstract
:1. Introduction
2. Research Methods
2.1. Physical and Environmental On-Site Monitoring
2.2. Questionnaire Survey and Participants
2.3. Definition of Relevant Parameters
2.3.1. Determination of the Dressing State and Metabolic Rate
2.3.2. Determination of Building Outer Boundary Parameters
2.3.3. Indoor Energy Load
2.4. Thermal Comfort Evaluation Method
2.4.1. Thermal Comfort Evaluation of PMV-PPD and aPMV
2.4.2. Thermal Sensation and Operating Temperature
3. Case Study
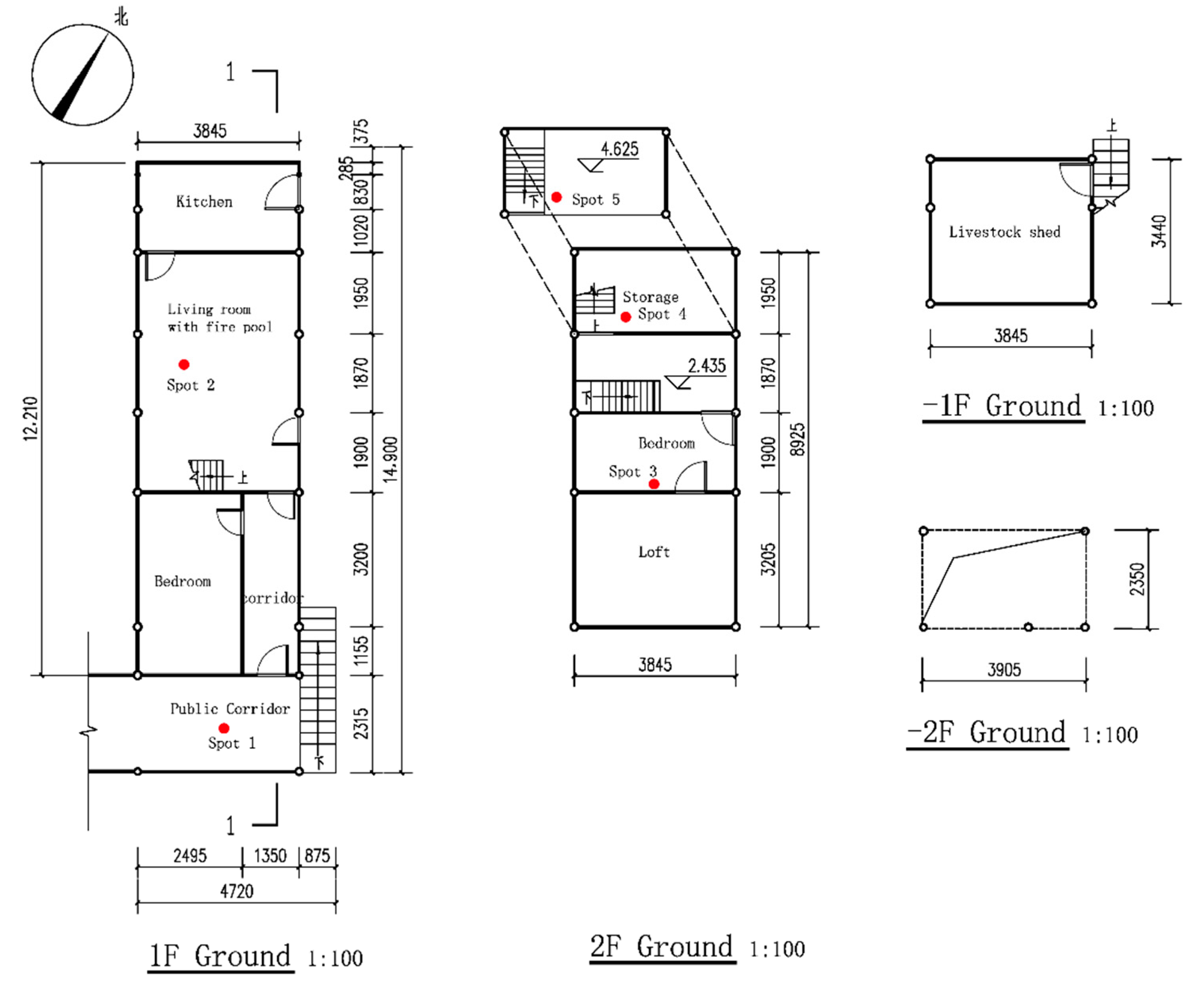
3.1. Village Description and Space Characteristic
3.2. Indoor and Outdoor Thermal Environment
3.3. Satisfaction of Building Natural Lighting, Acoustic, and Ventilation
4. Results and Discussion
4.1. Dynamic Thermal Comfort Ranges of Stilt House
4.2. Analysis of Indoor Environment for Living Sustainability
4.3. Design Improvements for Living Environment of Stilt House
5. Conclusions
- (1)
- These stilt houses are usually located under high humidity and high-temperature climates. Through the questionnaire survey of 472 residents, the proportion of aPMV values in the range −0.5–0.5 (the most comfortable state) for the indoor environment was only 7.2% and 42.6% of the responses were between 1 and 1.5 (comfortable most of the time). The data reveal that the inhabitants living in stilt houses have a wider thermal comfort range than urban residents.
- (2)
- As most of the traditional dwellings in Dong villages are overhead or semi-overhead, natural wind flow can effectively reduce indoor temperatures. However, the windows on the outer walls are small (particularly in the south direction; there are no windows facing east or west), and the front porch prevents indoor heat from being discharged outdoors through natural ventilation. This results in an indoor air temperature that is often higher than the temperature at which the human body is uncomfortable, particularly in the afternoon. Furthermore, high indoor temperatures increase the air vapor pressure, increasing indoor humidity. The combination of these two factors is the main reason for the low thermal comfort of Dong village dwellings during the summer.
- (3)
- For natural ventilation improvement, we suggest that larger windows be placed in the south wall of the house, with a row of small high windows in the north wall to form a natural ventilation mechanism in the fire pool space. Regarding the maintenance structure, a single-layer wood structure should be replaced with a composite wood structure. Adding glass wool or rock wool in the middle of the material could effectively reduce indoor temperatures during the summer.
- (4)
- Through the questionnaire survey, the residents conveyed that they were satisfied with the sound environment of traditional Dong village dwellings. As a non-directional sound insulation material, wood absorbs sound very well. However, owing to the tight connection between boards, some sound is transmitted to the room, which has a certain impact on the indoor acoustic environment. The natural lighting of traditional houses primarily depends on side windows and small skylights on the roof. According to the questionnaire survey, more than 40% of the residents were relatively satisfied with the indoor natural lighting environment, particularly in the kitchen, guest bedroom, and other secondary spaces. An appropriate increase in the window area and skylights could effectively improve indoor natural lighting; however, direct glare could also occur easily. Openings could also be placed in the gables on the east and west sides to further improve indoor natural lighting.
Supplementary Materials
Author Contributions
Funding
Institutional Review Board Statement
Informed Consent Statement
Data Availability Statement
Acknowledgments
Conflicts of Interest
References
- Quan, F.M. Research on Residential Building Types in Southeast Asia. Chin. Foreign Archit. 2010, 11, 83–89. [Google Scholar]
- Schweiker, M.; Ampatzi, E.; Andargie, M.S.; Andersen, R.K.; Azar, E.; Barthelmes, V.M.; Berger, C.; Bourikas, J.; Carlucci, S.; Chinazzo, G.; et al. Review of multi-domain approaches to indoor environmental perception and behaviour. Build. Sci. 2020, 176, 17–19. [Google Scholar] [CrossRef]
- Mofidi, F.; Akbari, H. Intelligent buildings: An overview. Energy Build. 2020, 223, 110192. [Google Scholar] [CrossRef]
- Leccese, F.; Rocca, M.; Salvadori, G.; Belloni, E.; Buratti, C. Towards a holistic approach to indoor environmental quality assessment: Weighting schemes to combine effects of multiple environmental factors. Energy Build. 2021, 245, 11056–11058. [Google Scholar] [CrossRef]
- Torresin, S.; Pernigotto, G.; Cappelletti, F.; Gasparella, A. Combined effects of environmental factors on human perception and objective performance: A review of experimental laboratory works. Indoor Air 2018, 28, 525–538. [Google Scholar] [CrossRef] [PubMed]
- Frontczak, M.; Wargocki, P. Literature survey on how different factors influence human comfort in indoor environments. Build. Environ. 2011, 46, 922–937. [Google Scholar] [CrossRef]
- Frontczak, M.J.; Schiavon, S.; Goins, J.; Arens, E.; Zhang, H.; Wargocki, P. Quantitative relationships between occupant satisfaction and satisfaction aspects of indoor environmental quality and building design. Indoor Air 2012, 22, 119–131. [Google Scholar] [CrossRef] [Green Version]
- Chen, S.Q. Analysis on climate adaptation design of traditional human settlement environment in Southeast Asia. Build. Mater. Decor. 2019, 565, 90–91. [Google Scholar] [CrossRef]
- Pang, C.L. Research on Landscape Planning and Construction of Famous Historic and Cultural Villages in Guangxi. Master’s Thesis, Guangxi University, Nanning, China, 2013. [Google Scholar]
- Jiang, B. Protection and reconstruction strategy of traditional dwellings in western guanzhong under the background of rural revitalization. J. Baoji Coll. Arts Sci. 2020, 40, 64–68. [Google Scholar]
- Zhao, X.P.; Chen, C.K.; Yan, H.Y. New development ideas for stilt houses of the bourau in Guangxi province. Urban Archit. 2018, 14, 114–116. [Google Scholar]
- Liu, J.; Cong, S.Q. Characteristics and sustainable development of Yao stilt type residential houses. Grand View Fine Arts 2016, 2, 68–69. [Google Scholar]
- Li, Y. Analysis on the interior space of the stilt type residential houses of Dong nationality in northern Guangxi. Res. Art Educ. 2013, 16, 164–166. [Google Scholar]
- Zheng, W.H.; Wen, X.Q.; Wang, J.Q. Thermal environment measurement and analysis of rural dwellings in northern Guangxi. Science. Technol. Eng. 2020, 20, 5715–5722. [Google Scholar]
- Chi, F.A.; Huang, W. Study on the relationship between vernacular architecture and human health—The interpretation of human settlement environment in Southeast Asia and North America. Cent. China Archit. 2015, 8, 142–146. [Google Scholar]
- Tan, L.P.; Zhou, W.; Liu, J.P. Research on the indoor environment measurement and technological renovation of native rural residential buildings in Northwest China. Sci. Technol. Eng. 2009, 9, 6566–6570. [Google Scholar]
- Cui, D.D.; Yang, D.Y. Comparative analysis of stilt dwellings of Dong and Dai. Huazhong Archit. 2010, 5, 145–147. [Google Scholar]
- Huang, H. Chinese Traditional Residence and Culture, 1st ed.; China Architecture Industry Press: Beijing, China, 1991. [Google Scholar]
- Zhong, J.M. Study on evolution of stilt folk building in north area of Guilin city. Arch. Technol. 2019, 50, 382–384. [Google Scholar]
- Liu, S.C.; Li, K.Z.; Ai, Y.; Chen, Q.Y. Field study on indoor thermal comfort of traditional rail-style dwelling houses in southwest Hubei. Cent. China Archit. 2020, 38, 129–133. [Google Scholar]
- Zhang, S.; Zhang, L. Adaptive rational thermal comfort model: Adaptive predicted mean vote with variable adaptive coefficient. Indoor Air 2020, 30, 1052–1062. [Google Scholar] [CrossRef]
- Darlington, M.T.; Brandon, C.; Juliet, G.; Manjowe, M.; Mutasa, M.; Mashonjowa, E.; Mhizha, T.; Muroyiwa, G.; Rousta, I. Localized human thermal discomfort assessment using high temporal resolution meteorological data: Case of University of Zimbabwe. Phys. Chem. Earth 2019, 110, 138–148. [Google Scholar]
- GB/T 50785-2012. Evaluation standard of indoor thermal and humidity environment of civil building. Available online: http://www.nssi.org.cn/nssi/front/78202043.html (accessed on 20 April 2021).
- ANSI/ASHRAE 55 Standard, Thermal Environmental Conditions for Human Occupancy; ASHRAE: Atlanta, GA, USA, 2017.
- Luo, M.; Cao, B.; Ji, W.; Ouyang, Q.; Lin, B.; Zhu, Y. The underlying linkage between personal control and thermal comfort: Psychological or physical effects? Energy Build 2016, 111, 56–63. [Google Scholar] [CrossRef]
- Omidvar, A.; Kim, J. Modification of sweat evaporative heat loss in the PMV/PPD model to improve thermal comfort prediction in warm climates. Build. Sci. 2020, 176, 106868. Available online: https://www.sciencedirect.com/science/article/pii/S0360132320302274?via%3Dihub (accessed on 20 April 2021). [CrossRef]
- Jing, W.; Li, X.D.; Yang, L.; Yan, Y.; Tu, J. A PMV-based HVAC control strategy for office rooms subjected to solar radiation. Build. Sci. 2020, 177, 106863–106872. [Google Scholar]
- Liu, J. Research on Comfort Control of Air Conditioning System Based on PMV Index. Master’s Thesis, Hunan University, Changsha, China, 2003. [Google Scholar]
- Ali, S.F.; Sharma, L.; Rakshit, D.; Bhattacharjee, B. Influence of passive design parameters on thermal comfort of an office space in a building in Delhi. J. Archit. Eng. 2020, 26, 04020017. [Google Scholar] [CrossRef]
- Hawila, A.W.; Merabtine, A.; Troussier, N. Metamodeling of mean radiant temperature to optimize glass facade design in PMV-based comfort-controlled space. Build. Simul. 2020, 13, 271–286. [Google Scholar] [CrossRef]
- Patil, C.B.; Mudholkar, R.R. Design and implementation of genetic fuzzy controller for split air-conditioner control based on Fanger’s PMV Index. Int. J. Air Cond. Refrig. 2019, 27, 1950036. [Google Scholar] [CrossRef]
- Zhang, S.; Cheng, Y.; Fang, Z.S.; Zhang, L. Improved algorithm for adaptive coefficient of adaptive Predicted Mean Vote (aPMV). Build. Sci. 2019, 163, 106318. Available online: https://linkinghub.elsevier.com/retrieve/pii/S0360132319305281 (accessed on 25 April 2021). [CrossRef]
- Li, B.Z.; Jing, S.G.; Wang, Q.Q.; Pan, Y.G.; Yu, W. Introduction of national standard “Evaluation Standard of Indoor Thermal and Humidity Environment of Civil Buildings”. HVAC 2013, 43, 1–6. [Google Scholar]
- Lu, Z.W.; Wu, B.S. Dong Village View (Middle Volume); Nationalities Press: Beijing, China, 2004. [Google Scholar]
- Xiong, D.J. Research on ecological adaptability of Dong village traditional dwellings in Sanjiang Dong autonomous county. Cult. Educ. Mater. 2017, 17, 81–82. [Google Scholar]
- Li, S.C.; Zeng, X.Q. Renovation of dry column type building in the traditional residence of zhuang nationality—Take the example of the construction of Miao village Buting village. Nongyin Village Kouhe Village Guangxi 2017, 18, 161–162. [Google Scholar]
- Coelho, G.; Henriques, F. Performance of passive retrofit measures for historic buildings that house artefacts viable for future conditions. Sustain. Cities Soc. 2021, 71, 102982–102996. [Google Scholar] [CrossRef]
- Navrud, S.; Ready, R.C. Valuing Cultural Heritage: Applying Environmental Valuation Techniques to Historic Buildings, Monuments and Artifacts. 2002. Available online: https://www.cabdirect.org/?target=%2fcabdirect%2fabstract%2f20033091599 (accessed on 25 April 2021).
- Caro, R.; Sendra, J.J. Evaluation of indoor environment and energy performance of dwellings in heritage buildings. The case of hot summers in historic cities in Mediterranean Europe. Sustain. Cities Soc. 2019, 52, 101798–101812. [Google Scholar] [CrossRef]
- Wu, Y.C.; He, W.T. Based on Ecotect, indoor thermal environment simulation research and optimization strategy of passive solar house in Lanzhou rural dwellings in winter. J. Gansu Sci. 2020, 32, 56–63. [Google Scholar]
- Li, C.H. Study on Optimal Design of Residential Buildings in Southern Liaoning Province Based on LCA Energy Consumption Theory. Master’s Thesis, Shenyang University of Architecture, Shenyang, China, 2017. [Google Scholar]
- Li, S.Z. Localization Research of Resource Circulation Housing Design Method under SI System. Master’s Thesis, Dalian University of Technology, Dalian, China, 2015. [Google Scholar]
- Liang, L.F. Research on Traditional Village Building Protection and Green Building Renewal Design in Southern Hebei Region. Master’s Thesis, Hebei University of Engineering, Handan, China, 2019. [Google Scholar]
- Hong, X.C.; Ji, X. Analysis on the Traditional Wisdom of energy Conservation theory of Passive ultra-low-energy Green Buildings. China Foreign Build. 2018, 12, 44–46. [Google Scholar]
- Douthat, T.; Morgan, J.D.; Alibašić, H.; Grant, A. Passive building characteristics, and summertime residential energy use: A spatial analysis of energy efficiency in Gainesville, FL. Build. Sci. 2020, 169, 106542–106555. [Google Scholar] [CrossRef]
- Liu, E.X. Ecological Experience of traditional residential houses and its inspiration to modern residential design. Eng. Constr. Des. 2020, 16, 29–30. [Google Scholar]
- Ren, B.B.; An, X.Y.; Feng, C. Research on the reconstruction of mountain and rural dwellings based on green building technology—A case study of southern Hebei region. Energy Effic. Build. 2020, 48, 48–52. [Google Scholar]













| Test Parameter | Test Instrument | Model Number | Test Range | Instrument Precision | Sampling Type/min |
|---|---|---|---|---|---|
| Air dry bulb temperature | AZ temperature recorder | AZ8829 | −40 °C~85 °C | ±0.6 °C | Automatic record/10 |
| Air Relative Humidity | AZ Humidity recorder | AZ8829 | 0% RH~100% RH | ±3% RH | Automatic record/10 |
| black-bulb Temperature | Black-bulb thermometer | JTR04 | 5 °C~120 °C | ±0.5 °C | Automatic record/10 |
| Wind speed | hot-wire anemometer | ST-730S | 0 m/s~40 m/s | ±(0.03 m/s +3% measured value) | Hand movement (HM)/60 |
| Wind direction | wind vane | — | — | — | Hand movement (HM)/60 |
| Surface temperature | Hand-held infrared thermometer | — | −40 °C~85 °C | 0~100 °C ± 2 °C | Hand movement (HM)/60 |
| Option | Subtotal | Proportion |
|---|---|---|
| Long-sleeved T-shirt | 17 | 3.6% |
| Short-sleeved T-shirt | 335 | 70.97% |
| Long-sleeved shirt | 18 | 3.81% |
| Short-sleeved shirt | 42 | 8.9% |
| Suit pants | 49 | 10.38% |
| Jean | 52 | 11.02% |
| Pants | 259 | 54.87% |
| Slim skirt | 38 | 8.05% |
| Dress | 53 | 11.23% |
| Anklet | 14 | 2.97% |
| Stocking | 7 | 1.48% |
| Leather shoes/sports shoes | 56 | 11.86% |
| Sandal/slipper | 337 | 71.4% |
| Invalid | 5 | 1.06% |
| Valid questionnaires | 467 |
| Q21. Considering the Heat, Air Quality, Daylight, Acoustic Environment, Your Overall Satisfaction with the Current Indoor Environment is () | ||
|---|---|---|
| Satisfaction Degree | Number | Percentage |
| −3 (very dissatisfied) | 0 | 0% |
| −2 (not satisfied) | 7 | 1.48% |
| −1 (relatively dissatisfied) | 27 | 5.72% |
| 0 (neutral) | 35 | 7.42% |
| 1 (very satisfied) | 140 | 29.66% |
| 2 (relatively satisfied) | 188 | 39.83% |
| 3 (generally satisfied) | 72 | 15.25% |
| invalid | 3 | 0.64% |
| Valid | 469 | |
Publisher’s Note: MDPI stays neutral with regard to jurisdictional claims in published maps and institutional affiliations. |
© 2021 by the authors. Licensee MDPI, Basel, Switzerland. This article is an open access article distributed under the terms and conditions of the Creative Commons Attribution (CC BY) license (https://creativecommons.org/licenses/by/4.0/).
Share and Cite
Jin, Y.; Zhang, N. Comprehensive Assessment of Thermal Comfort and Indoor Environment of Traditional Historic Stilt House, a Case of Dong Minority Dwelling, China. Sustainability 2021, 13, 9966. https://doi.org/10.3390/su13179966
Jin Y, Zhang N. Comprehensive Assessment of Thermal Comfort and Indoor Environment of Traditional Historic Stilt House, a Case of Dong Minority Dwelling, China. Sustainability. 2021; 13(17):9966. https://doi.org/10.3390/su13179966
Chicago/Turabian StyleJin, Yue, and Ning Zhang. 2021. "Comprehensive Assessment of Thermal Comfort and Indoor Environment of Traditional Historic Stilt House, a Case of Dong Minority Dwelling, China" Sustainability 13, no. 17: 9966. https://doi.org/10.3390/su13179966
APA StyleJin, Y., & Zhang, N. (2021). Comprehensive Assessment of Thermal Comfort and Indoor Environment of Traditional Historic Stilt House, a Case of Dong Minority Dwelling, China. Sustainability, 13(17), 9966. https://doi.org/10.3390/su13179966














