Time-Dependent Reliability-Based Service Life Assessment of RC Bridges Subjected to Carbonation under a Changing Climate
Abstract
1. Introduction
2. Carbonation Depth Prediction Model
3. Fatigue Damage Prediction Model
4. Climate Model
5. Service Life Assessment Based on Time-Dependent Reliability Analysis
5.1. Summary of Random Variables
5.2. Time-Dependent Reliability Analysis Procedure
6. Case Study
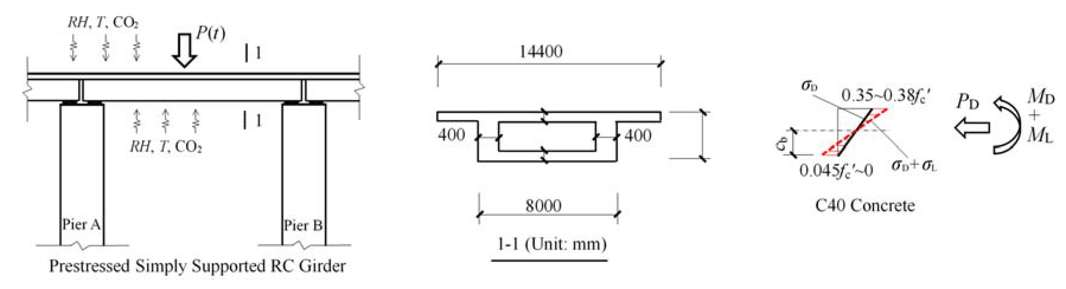
6.1. Problem Description
6.2. Random Variables and Stochastic Processes
6.3. Results and Discussion
6.3.1. Effects of Climate Change
6.3.2. Effects of Fatigue Damage
6.3.3. Effects of Concrete Cover Thickness
6.3.4. Effects of Concrete Grade
7. Conclusions
- The higher the required reliability level, the shorter the service life. The service life under reliability level of 2 is usually around half of that under the reliability level of 1. Time-dependent reliability curves allow the designers or stakeholders to schedule the maintenance at different service times under different anticipated reliability levels.
- Climate change has remarkable influences on the service life of RC bridges. The more severely the climate changes, the faster the reliability index drop with respect to exposure time. Under the same reliability level, the service life under RCP8.5 is usually much shorter than that under the climate condition without climate change. For example, the service life under RCP8.5 can be 28 years shorter than that under no climate change condition with the same CV of 0.25 and the same reliability level of 1.5 at the RC girder bottom. This informs civil engineers and practitioners that the effects of climate change should be properly considered when the remaining service life of RC bridges in the future is concerned.
- Fatigue damage has noticeable effects on the service life of RC bridges. The service life at girder top considering compressive fatigue damage can be 49% shorter than that without considering fatigue damage under the reliability level of 1.5. Moreover, under the same reliability level of 1.5, the service life at girder top can be 25 years shorter than that at girder bottom due to the fatigue damage difference. However, the effects of variations of fatigue creep model parameters and fatigue load on the service life are limited. This finding tells the designers that the service life assessment or prediction for RC bridges should be associated with the mechanical analysis; otherwise, ignoring the effects of fatigue damage induced by repeated loads will greatly overestimate the service life.
- A thicker concrete cover leads to a slower drop of reliability index with respect to exposure time. Under the reliability level of 1.5, the service life at girder top with concrete cover thickness of 45 mm can reach 2.6 times that with concrete cover thickness of 25 mm. Obviously, a thicker concrete cover thickness should be an effective choice to achieve a longer service life.
- The higher the concrete grade, the longer the predicted service life. At the girder top, the service life of C50 concrete can reach approximately 2–3 times that of C30 concrete under the same reliability level. Likewise, a higher concrete grade should be another effective measure to achieve a longer service life.
Author Contributions
Funding
Acknowledgments
Conflicts of Interest
References
- Stewart, M.G.; Wang, X.; Nguyen, M.N. Climate change impact and risks of concrete infrastructure deterioration. Eng. Struct. 2011, 33, 1326–1337. [Google Scholar] [CrossRef]
- Bastidas-arteaga, E.; Bressolette, P.; Chateauneuf, A.; Sánchez-silva, M. Probabilistic lifetime assessment of RC structures under coupled corrosion—fatigue deterioration processes. Struct. Saf. 2009, 31, 84–96. [Google Scholar] [CrossRef]
- Stewart, M.G.; Wang, X.; Nguyen, M.N. Climate change adaptation for corrosion control of concrete infrastructure. Struct. Saf. 2012, 35, 29–39. [Google Scholar] [CrossRef]
- Val, D.V.; Chernin, L.; Stewart, M.G. Experimental and Numerical Investigation of Corrosion-Induced Cover Cracking in Reinforced Concrete Structures. J. Struct. Eng. 2009, 135, 376–385. [Google Scholar] [CrossRef]
- Val, D.V.; Trapper, P.A. Probabilistic evaluation of initiation time of chloride-induced corrosion. Reliab. Eng. Syst. Saf. 2008, 93, 364–372. [Google Scholar] [CrossRef]
- Papadakis, V.G.; Vayenas, C.G.; Fardis, M.N. Fundamental modeling and experimental investigation of concrete carbonation. ACI Mater. J. 1991, 88, 363–373. [Google Scholar] [CrossRef]
- Saetta, A.V.; Vitaliani, R.V. Experimental investigation and numerical modeling of carbonation process in reinforced concrete structures. Cem. Concr. Res. 2004, 34, 571–579. [Google Scholar] [CrossRef]
- Talukdar, S.; Banthia, N.; Grace, J.R. Carbonation in concrete infrastructure in the context of global climate change—Part 1: Experimental results and model development. Cem. Concr. Compos. 2012, 34, 924–930. [Google Scholar] [CrossRef]
- Talukdar, S.; Banthia, N.; Grace, J.R.; Cohen, S. Carbonation in concrete infrastructure in the context of global climate change: Part 2—Canadian urban simulations. Cem. Concr. Compos. 2012, 34, 931–935. [Google Scholar] [CrossRef]
- Suryavanshi, A.K.; Swamy, R.N.; Cardew, G.E. Estimation of diffusion coefficients for chloride ion penetration into structural concrete. ACI Mater. J. 2002, 99, 441–449. [Google Scholar]
- Ghahari, S.A.; Ramezanianpour, A.M.; Ramezanianpour, A.A.; Esmaeili, M. An accelerated test method of simultaneous carbonation and chloride ion ingress: durability of silica fume concrete in severe environments. Adv. Mater. Sci. Eng. 2016, 1650979. [Google Scholar] [CrossRef]
- Lee, H.M.; Lee, H.S.; Min, S.; Lim, S.; Singh, J.K. Carbonation-Induced Corrosion Initiation Probability of Rebars in Concrete With/Without Finishing Materials. Sustainability 2018, 10, 3814. [Google Scholar] [CrossRef]
- Park, K.B.; Wang, X.Y. Effect of Climate Change on Service Life of High Volume Fly Ash Concrete Subjected to Carbonation—A Korean Case Study. Sustainability 2017, 9, 157. [Google Scholar] [CrossRef]
- Bazant, Z.P.; Hubler, M.H. Theory of cyclic creep of concrete based on Paris law for fatigue growth of subcritical microcracks. J. Mech. Phys. Solids 2014, 63, 187–200. [Google Scholar] [CrossRef]
- Jiang, C.; Gu, X.; Huang, Q.; Zhang, W. Deformation of concrete under high-cycle fatigue loads in uniaxial and eccentric compression. Constr. Build. Mater. 2017, 141, 379–392. [Google Scholar] [CrossRef]
- Jiang, C.; Gu, X.; Zhang, W.; Zou, W. Modeling of carbonation in tensile zone of plain concrete beams damaged by cyclic loading. Constr. Build. Mater. 2015, 77, 479–488. [Google Scholar] [CrossRef]
- Jiang, C.; Huang, Q.; Gu, X.; Zhang, W. Experimental investigation on carbonation in fatigue-damaged concrete. Cem. Concr. Res. 2017, 99, 38–52. [Google Scholar] [CrossRef]
- Jiang, C.; Huang, Q.; Gu, X.; Zhang, W. Modeling the effects of fatigue damage on concrete carbonation. Constr. Build. Mater. 2018, 191, 942–962. [Google Scholar] [CrossRef]
- Jiang, C.; Gu, X.; Huang, Q.; Zhang, W. Carbonation depth predictions in concrete bridges under changing climate conditions and increasing traffic loads. Cem. Concr. Compos. 2018, 93, 140–154. [Google Scholar] [CrossRef]
- IPCC (Intergovernmental Panel on Climate Change). Climate Change 2013: The Physical Science Basis. Contribution of Working Group I to the fifth Assessment Report of the Intergovernmental Panel on Climate Change; Cambridge University Press: Cambridge, UK, 2013. [Google Scholar]
- Medeiros-Junior, R.A.; Lima, M.G.; Yazigi, R.; Medeiros, M.H.F. Carbonation depth in 57 years old concrete structures. Steel Compos. Struct. 2015, 19, 953–966. [Google Scholar] [CrossRef]
- Thiery, M.; Cremona, C.; Baroghel-Bouny, V. Application of the reliability theory to the assessment of carbonation-induced corrosion risk of rebars. Eur. J. Environ. Civ. Eng. 2012, 16, 273–287. [Google Scholar] [CrossRef]
- Peng, L.; Stewart, M.G. Climate change and corrosion damage risks for reinforced concrete infrastructure in China. Struct. Infrastruct. Eng. 2016, 12, 499–516. [Google Scholar] [CrossRef]
- Talukdar, S.; Banthia, N. Carbonation in concrete infrastructure in the context of global climate change: Model refinement and representative concentration pathway scenario evaluation. J. Mater. Civ. Eng. 2015, 28, 04015178. [Google Scholar] [CrossRef]
- China Industry Standard. Specification for Mix Proportion Design of Ordinary Concrete (JGJ55-2011), 2011th ed.; China Architecture & Building Press: Beijing, China, 2011. [Google Scholar]















| Category | Variables |
|---|---|
| Concrete parameters | fc′, Ec, [CH]0, [CSH]0, φpc and xcov |
| Environmental actions | [CO2](t), T(t) and RH(t) |
| Traffic load effect | ML |
| Model parameters | θ, a0, b0, k0, k1, k2, k3, k4, k5 and k6 |
| Section | A (mm2) | I (mm4) | cb (mm) | PD (kN) | MD (kN∙m) | ML (kN∙m) |
|---|---|---|---|---|---|---|
| 1-1 | 7,408,000 | 7.3871 × 1012 | 1501.547 | 59,115.840 | 39,257.940 | 8412.416 |
| Grades | Cement Type | Mix Proportion (kg/m3) | Coarse Aggregates | |||||
|---|---|---|---|---|---|---|---|---|
| mw | mc | mca | msa | Type | amax (mm) | ρca (kg/m3) | ||
| C30 | # 425 OPC | 185.0 | 308.3 | 1105.2 | 736.8 | Granite | 16 | 2628 |
| C40 | # 425 OPC | 185.0 | 370.0 | 1073.8 | 715.9 | Granite | 16 | 2628 |
| C50 | # 425 OPC | 185.0 | 462.5 | 1026.6 | 684.4 | Granite | 16 | 2628 |
| Concrete | fc′ (N/mm2) | Ec (N/mm2) | [CH]0 (mol/m3) | [CSH]0 (mol/m3) | φpc |
|---|---|---|---|---|---|
| C30 | 28 | 30,000 | 872.55 | 521.80 | 0.333 |
| C40 | 38 | 32,500 | 1047.08 | 626.17 | 0.252 |
| C50 | 46 | 34,500 | 1308.84 | 782.71 | 0.149 |
| Variables | Distri. Type | Mean | CV | Ref. | Variables | Distri. Type | Mean | CV | Ref. |
|---|---|---|---|---|---|---|---|---|---|
| fc′ | Norm. | Table 4 | 0.15 | [2] | ML | Log. Norm. | 8412 | 0.1/0.2 */0.3 | [2] |
| Ec | Norm. | Table 4 | 0.12 | [23] | xcov | Norm. | 25/35 */45 | 0.25 | [2] |
| [CH]0 | Norm. | Table 4 | 0.10 | [22] | [CO2](t) | Norm. | Figure 3 | 0.15/0.25 */0.35 | |
| [CSH]0 | Norm. | Table 4 | 0.10 | [22] | T(t) | Norm. | Figure 4 | 0.15/0.25 */0.35 | |
| φpc | Norm. | Table 4 | 0.065 | [22] | RH(t) | Norm. | 71.32% | 0.15/0.25 */0.35 | |
| k1 | Norm. | 1.8 | 0.1 | [19,22] | k5 | Norm. | 1.03 × 10−7 | 0.1 | [19,22] |
| k2 | Norm. | 2.2 | 0.1 | [19,22] | k6 | Norm. | 1.3557 × 10−5 | 0.1 | [19,22] |
| k3 | Norm. | 0.02 | 0.1 | [19,22] | k0 | Norm. | 1.64 × 10−6 | 0.1 | [19,22] |
| k4 | Norm. | 0.6 | 0.1 | [19,22] | a0 | Norm. | 1.9075 × 10−6 | 0.15/0.25 */0.35 | [15] |
| θ (tension) | Norm. | 0.515 | 0.31 | [19] | b0 (σm/fc′ ≤ 0.5) | Norm. | 4.224 × 10−7 | 0.15/0.25 */0.35 | [15] |
| θ (compression) | Norm. | 0.468 | 0.33 | [19] | b0 (σm/fc′ > 0.5) | Norm. | 2.571 × 10−7 | 0.15/0.25 */0.35 | [15] |
| Reliability Level | Girder Bottom (Tension) | ||||||||
|---|---|---|---|---|---|---|---|---|---|
| 2013 | RCP4.5 | RCP8.5 | |||||||
| CV = 0.15 | CV = 0.25 | CV = 0.35 | CV = 0.15 | CV = 0.25 | CV = 0.35 | CV = 0.15 | CV = 0.25 | CV = 0.35 | |
| 1 | >88 | >88 | >88 | >88 | >88 | 83 | 78 | 74 | 68 |
| 1.5 | >88 | 85 | 74 | 72 | 66 | 59 | 61 | 57 | 52 |
| 2 | 60 | 54 | 47 | 49 | 45 | 40 | 45 | 42 | 37 |
| Girder Top (compression) | |||||||||
| 1 | 75 | 71 | 66 | 60 | 57 | 53 | 53 | 51 | 48 |
| 1.5 | 52 | 50 | 46 | 44 | 42 | 39 | 41 | 39 | 37 |
| 2 | 35 | 32 | 29 | 31 | 29 | 26 | 29 | 28 | 25 |
| Reliability Level | ND | Girder Bottom (Tension) | Girder Top (Compression) | ||||
|---|---|---|---|---|---|---|---|
| CVa0/b0 = 0.15 | CVa0/b0 = 0.25 | CVa0/b0 = 0.35 | CVa0/b0 = 0.15 | CVa0/b0 = 0.25 | CVa0/b0 = 0.35 | ||
| 1 | >88 | >88 | >88 | >88 | 58 | 57 | 58 |
| 1.5 | 83 | 67 | 66 | 65 | 42 | 42 | 42 |
| 2 | 55 | 44 | 45 | 44 | 28 | 29 | 29 |
| Reliability Level | ND | Girder Bottom (Tension) | Girder Top (Compression) | ||||
|---|---|---|---|---|---|---|---|
| CVML = 0.1 | CVML = 0.2 | CVML = 0.3 | CVML = 0.1 | CVML = 0.2 | CVML = 0.3 | ||
| 1 | >88 | >88 | >88 | >88 | 57 | 57 | 58 |
| 1.5 | 83 | 66 | 66 | 67 | 42 | 42 | 42 |
| 2 | 55 | 45 | 45 | 45 | 29 | 29 | 29 |
| Reliability Level | Girder Bottom (Tension) | Girder Top (Compression) | ||||
|---|---|---|---|---|---|---|
| xcov = 25 | xcov = 35 | xcov = 45 | xcov = 25 | xcov = 35 | xcov = 45 | |
| 1 | 53 | >88 | >88 | 34 | 57 | 86 |
| 1.5 | 38 | 66 | >88 | 24 | 42 | 63 |
| 2 | 25 | 45 | 69 | 16 | 29 | 44 |
| Reliability Level | Girder Bottom (Tension) | Girder Top (Compression) | ||||
|---|---|---|---|---|---|---|
| C30 | C40 | C50 | C30 | C40 | C50 | |
| 1 | 55 | >88 | >88 | 38 | 57 | >88 |
| 1.5 | 39 | 66 | >88 | 28 | 42 | 75 |
| 2 | 26 | 45 | >88 | 18 | 29 | 53 |
© 2020 by the authors. Licensee MDPI, Basel, Switzerland. This article is an open access article distributed under the terms and conditions of the Creative Commons Attribution (CC BY) license (http://creativecommons.org/licenses/by/4.0/).
Share and Cite
Jiang, C.; Fang, J. Time-Dependent Reliability-Based Service Life Assessment of RC Bridges Subjected to Carbonation under a Changing Climate. Sustainability 2020, 12, 1187. https://doi.org/10.3390/su12031187
Jiang C, Fang J. Time-Dependent Reliability-Based Service Life Assessment of RC Bridges Subjected to Carbonation under a Changing Climate. Sustainability. 2020; 12(3):1187. https://doi.org/10.3390/su12031187
Chicago/Turabian StyleJiang, Chao, and Jing Fang. 2020. "Time-Dependent Reliability-Based Service Life Assessment of RC Bridges Subjected to Carbonation under a Changing Climate" Sustainability 12, no. 3: 1187. https://doi.org/10.3390/su12031187
APA StyleJiang, C., & Fang, J. (2020). Time-Dependent Reliability-Based Service Life Assessment of RC Bridges Subjected to Carbonation under a Changing Climate. Sustainability, 12(3), 1187. https://doi.org/10.3390/su12031187

