Sustainability of Vibration Mitigation Methods Using Meta-Materials/Structures along Railway Corridors Exposed to Adverse Weather Conditions
Abstract
1. Introduction
2. Methods for Vibration Mitigations in Railway Corridors
2.1. Seismic Metamaterial Applications
2.1.1. Clamped Metamaterial Stopbands
2.1.2. Metamaterial Resonators
2.2. Trenches and Sheet Pile Wall
2.2.1. Geofoam Filled Trenches
2.2.2. Sheet Pile Wall
2.3. Subgrade Stiffening
2.3.1. Jet Grouting Columns
2.3.2. Vibro-Replacement with Stone Columns
2.3.3. Wave Impeding Blocks
2.4. Impacts of Extreme Temperature
3. Methodology
3.1. Engineering Assumptions
- (1)
- Clamped metamaterial stopbands:
- (2)
- Metamaterial resonators:
- (3)
- Geofoam filled trenches:
- (4)
- Sheet pile wall:
- (5)
- Jet grouting columns:
- (6)
- Vibro-replacement with stone columns:
- (7)
- Wave impeding blocks:
3.2. Lifecycle Cost Analysis
3.3. Carbon Emissions Analysis
4. Results and Discussion
5. Conclusions
Author Contributions
Funding
Acknowledgments
Conflicts of Interest
Data Availability
Appendix A. Engineering Assumptions of the Design Parameters in Mitigation Methods
| Parameters | Rail (UIC60) |
Pads (HDPE) |
Sleepers (Concrete) | Ballast | Subballast | Compacted Soil | Structural Fills | Soil/Ground |
|---|---|---|---|---|---|---|---|---|
| Depth (m) | 0.17 | 0.01 | 0.27–0.30 | 0.30–0.40 | 0.10–0.15 | 0.25–0.40 | 0.40–1.0 | 5.0–10.0 |
| Young Modulus (GPa) | 205 | 1–5 | 38–40 | 30 | 25 | 0.2–1.0 | 0.2–1.0 | 0.15–0.20 |
| Poisson’s ratio | 0.32 | 0.35 | 0.25 | 0.25 | 0.25 | 0.3 | 0.3 | 0.3 |
| Density (kg/m3) | 7850 | 1000 | 2500 | 1700–1900 (compacted) | 1800 (compacted) | 1600–1800 | 1600–1800 | 1400–1800 |
| Mitigation Method | Control Case |
|---|---|
| Clamped metamaterial stopbands [53] | d = 1200 mm; thickness = 30 mm; steel pipe spacing a = 3600 mm unit weight = 866 kg/m; pipe length = 10 m. (in a soil layer of 10 m. and bedrock with depth of 5 m; the pipes are buried in the bedrock at a depth of 680 cm.) Weight of one pipe 866 × 10.8 = 9.35 ton; cost £350/ton (from SPONS database) Cost of one pipe = 9.35 × 350 = £3273 Quantities: In the direction vertical to the railway line: = 8 pipes In the direction along with the railway line (100 m): = 28 pipes Total amount = 8 × 28 = 224 steel pipes |
| Metamaterial resonators [54] | For outer concrete hollow tube (from the initial design): radius rc = 600 mm; thickness = 30 mm; concrete density ρc = 2500 kg/m3; hc = 8 m (length). For innot steel cylindrical tube (for inner mass): radius rr = 225 mm; steel density ρs = 7800 kg/m3; hc = 5 m (length). For soft rubber bearings: effective density ρeff = 1225 kg/m3; hc = 1 m (length). Metabarrier width w = 0.25 × λω,I = 24 m. Quantity in total: 78 resonators |
| Geofoam filled trenches [55] | Depth = 6 m.; width = 0.8 m. Geofoam density ρ = 16 kg/m3 |
| Steel sheet pile wall [18] | Each sheet pile can have 12 m length with every fourth pile extended to 18 m depth Each sheet pile can have a width tw = 600 mm with a mass mw = 113.5 kg/m2 |
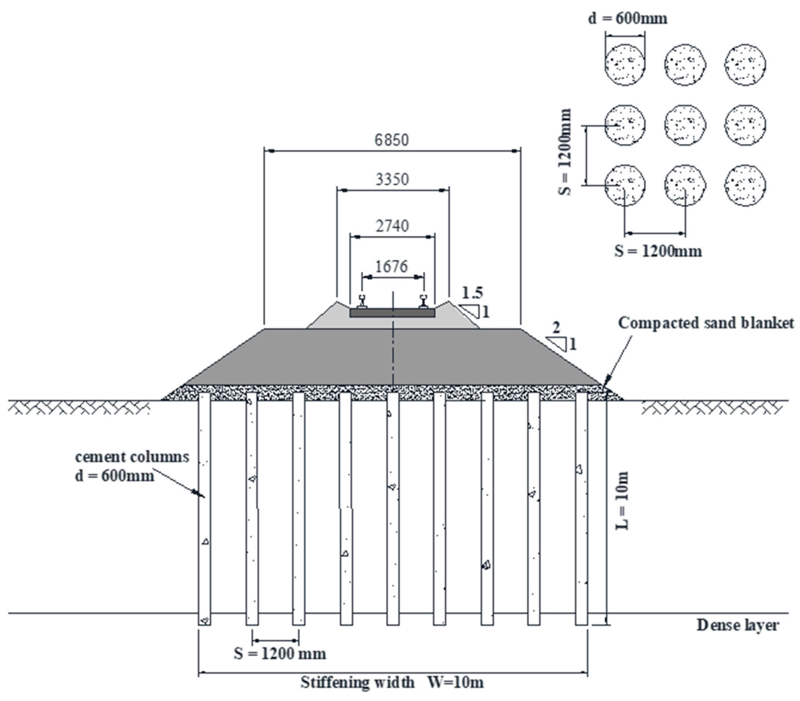
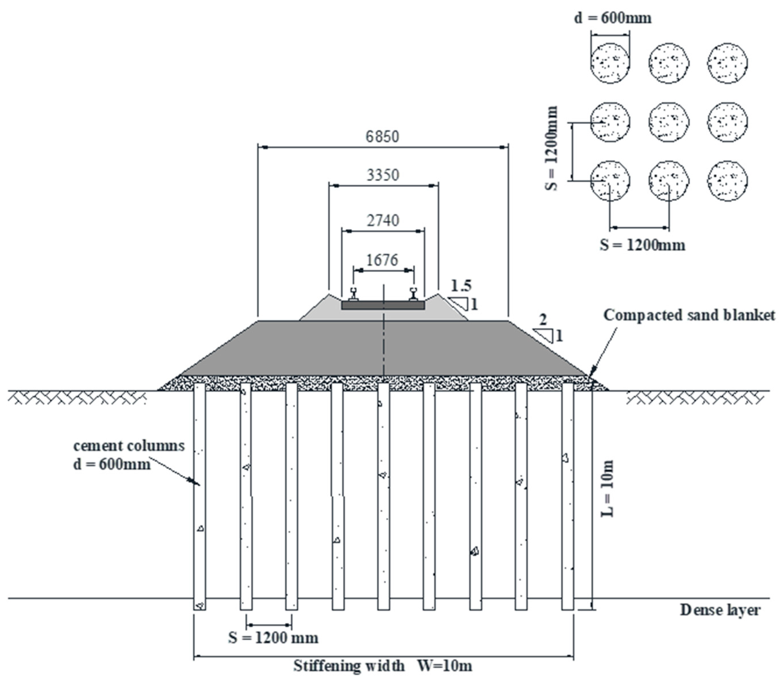
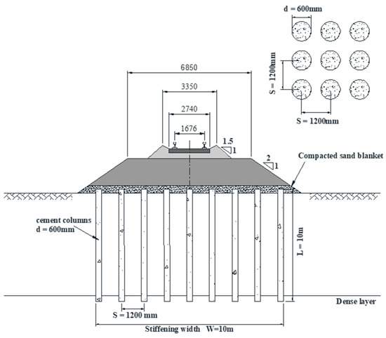
| Jet grouting columns [56] | Diameter d = 600 mm; column spacing = 1200 mm; column length = 10 m. Density ρ = 1920 kg/m3; quantiy in total = 9 × 84 = 756 columns |
| Vibro-replacement (stone columns) [44] | Diameter d = 1000 mm; column spacing = 2000 mm; column length = 10 m. Density ρ = 2244 kg/m3; quantiy in total = 6 × 51 = 306 columns |
| Wave impeding blocks [60] | Each block has a width of 6 m, thickness of 1 m, and a depth of 1 m. |
References
- Hemsworth, B. Reducing groundborne vibrations: State-of-the-art study. J. Sound Vib. 2000, 231, 703–709. [Google Scholar] [CrossRef]
- Nelson, J. Recent developments in ground-borne noise and vibration control. J. Sound Vib. 1996, 193, 367–376. [Google Scholar] [CrossRef]
- Thompson, D. Railway Noise and Vibration: Mechanisms, Modelling and Means of Control; Elsevier: Amsterdam, The Netherlands, 2008. [Google Scholar]
- Kaewunruen, S.; Remennikov, A.M. Current state of practice in railway track vibration isolation: An Australian overview. Aust. J. Civ. Eng. 2016, 14, 63–71. [Google Scholar] [CrossRef]
- Thompson, D. Railway noise and vibration: The use of appropriate models to solve practical problems. In Proceedings of the 21st International Congress on Sound and Vibration, Beijing, China, 13–17 July 2014; pp. 1–16. [Google Scholar]
- Barbosa, J.M.D.O.; Costa, P.A.; Calçada, R. Abatement of railway induced vibrations: Numerical comparison of trench solutions. Eng. Anal. Bound. Elements 2015, 55, 122–139. [Google Scholar] [CrossRef]
- Kaewunruen, S.; Liao, P. Sustainability and recyclability of composite materials for railway turnout systems. J. Clean. Prod. 2020, 124890, 124890. [Google Scholar] [CrossRef]
- Li, T.; Su, Q.; Kaewunruen, S.; Li, S. Saturated ground vibration analysis based on a three-dimensional coupled train-track-soil interaction model. Appl. Sci. 2019, 9, 4991. [Google Scholar] [CrossRef]
- Hamarat, M.; Papaelias, M.; Silvast, M.; Kaewunruen, S. The effect of unsupported sleepers/bearers on dynamic phenomena of a railway turnout system under impact loads. Appl. Sci. 2020, 10, 2320. [Google Scholar] [CrossRef]
- Hamarat, M.; Kaewunruen, S.; Papaelias, M.; Silvast, M. New insights from multibody dynamic analyses of a turnout system under impact loads. Appl. Sci. 2019, 9, 4080. [Google Scholar] [CrossRef]
- Kaewunruen, S. Systems thinking approach for rail freight noise mitigation. Acoust. Aust. 2016, 44, 193–194. [Google Scholar] [CrossRef]
- Li, T.; Su, Q.; Kaewunruen, S. Seismic metamaterial barriers for ground vibration mitigation in railways considering the train-track-soil dynamic interactions. Constr. Build. Mater. 2020, 260, 119936. [Google Scholar] [CrossRef]
- Sengsri, P.; Kaewunruen, S. Additive manufacturing meta-functional composites for engineered bridge bearings: A review. Constr. Build. Mater. 2020, 262, 120535. [Google Scholar] [CrossRef]
- Smith, D.R.; Pendry, J.B.; Wiltshire, M.C.K. Metamaterials and negative refractive index. Science 2004, 305, 788–792. [Google Scholar] [CrossRef] [PubMed]
- Geng, Q.; Zhu, S.; Chong, K.P. Issues in design of one-dimensional metamaterials for seismic protection. Soil Dyn. Earthq. Eng. 2018, 107, 264–278. [Google Scholar] [CrossRef]
- Kaewunruen, S.; Sussman, J.M.; Einstein, H.H. Strategic framework to achieve carbon-efficient construction and maintenance of railway infrastructure systems. Front. Environ. Sci. 2015, 3. [Google Scholar] [CrossRef]
- Kaewunruen, S.; Sussman, J.M.; Matsumoto, A. Grand challenges in transportation and transit systems. Front. Built Environ. 2016, 2. [Google Scholar] [CrossRef]
- Dijckmans, A.; Ekblad, A.; Smekal, A.; Degrande, G.; Lombaert, G. Efficacy of a sheet pile wall as a wave barrier for railway induced ground vibration. Soil Dyn. Earthq. Eng. 2016, 84, 55–69. [Google Scholar] [CrossRef]
- Kaewunruen, S.; Martin, V. Life cycle assessment of railway ground-borne noise and vibration mitigation methods using geosynthetics, metamaterials and ground improvement. Sustainability 2018, 10, 3753. [Google Scholar] [CrossRef]
- John, S. Strong localization of photons in certain disordered dielectric superlattices. Phys. Rev. Lett. 1987, 58, 2486–2489. [Google Scholar] [CrossRef]
- Ramakrishna, S.A. Physics of negative refractive index materials. Rep. Prog. Phys. 2005, 68, 449–521. [Google Scholar] [CrossRef]
- Achaoui, Y.; Antonakakis, T.; Brûlé, S.; Craster, R.V.; Enoch, S.; Guenneau, S. Clamped seismic metamaterials: Ultra-low frequency stop bands. New J. Phys. 2017, 19, 063022. [Google Scholar] [CrossRef]
- Li, T.; Su, Q.; Kaewunruen, S. Influences of piles on the ground vibration considering the train-track-soil dynamic interactions. Comput. Geotech. 2020, 120, 103455. [Google Scholar] [CrossRef]
- Li, T.; Su, Q.; Kaewunruen, S. Influences of dynamic material properties of slab track components on the train-track vibration interactions. Eng. Fail. Anal. 2020, 115, 104633. [Google Scholar] [CrossRef]
- Lefebvre, G.; Antonakakis, T.; Achaoui, Y.; Craster, R.V.; Guenneau, S.; Sebbah, P. Unveiling extreme anisotropy in elastic structured media. Phys. Rev. Lett. 2017, 118, 254302. [Google Scholar] [CrossRef] [PubMed]
- Huang, J.; Shi, Z. Vibration reduction of plane waves using periodic in-filled pile barriers. J. Geotech. Geoenviron. Eng. 2015, 141, 04015018. [Google Scholar] [CrossRef]
- Brûlé, S.; Enoch, S.; Guenneau, S. Emergence of seismic metamaterials: Current state and future perspectives. Phys. Lett. A 2020, 384, 126034. [Google Scholar] [CrossRef]
- Palermo, A.; Vitali, M.; Marzani, A. Metabarriers with multi-mass locally resonating units for broad band Rayleigh waves attenuation. Soil Dyn. Earthq. Eng. 2018, 113, 265–277. [Google Scholar] [CrossRef]
- Liu, Z.; Zhang, X.; Mao, Y.; Zhu, Y.Y.; Yang, Z.; Chan, C.T.; Sheng, P. Locally resonant sonic materials. Science 2000, 289, 1734–1736. [Google Scholar] [CrossRef]
- Bilal, O.R.; Hussein, M.I. Trampoline metamaterial: Local resonance enhancement by springboards. Appl. Phys. Lett. 2013, 103, 111901. [Google Scholar] [CrossRef]
- Kim, S.-H.; Das, M.P. Seismic waveguide of metamaterials. Mod. Phys. Lett. B 2012, 26, 1250105. [Google Scholar] [CrossRef]
- Adam, M.; Von Estorff, O. Reduction of train-induced building vibrations by using open and filled trenches. Comput. Struct. 2005, 83, 11–24. [Google Scholar] [CrossRef]
- Thompson, D.; Jiang, J.; Toward, M.; Hussein, M.; Ntotsios, E.; Dijckmans, A.; Coulier, P.; Lombaert, G.; Degrande, G. Reducing railway-induced ground-borne vibration by using open trenches and soft-filled barriers. Soil Dyn. Earthq. Eng. 2016, 88, 45–59. [Google Scholar] [CrossRef]
- Mizutani, Y.; Makiuchi, K.; Minegishi, K.; Mizukami, M. Geoform trench wall method for reducing ground vibration. In Proceedings of the 5th International Conference on Civil Engineering, Manila, Philippines, 29–31 August 2002; Available online: http://www.ksustech.co.jp/gt/study/pdf/a_2002_1_1.pdf (accessed on 1 February 2020).
- Horvath, J.S. The compressible inclusion function of EPS geofoam. Geotext. Geomembr. 1997, 15, 77–120. [Google Scholar] [CrossRef]
- Wang, Z.L.; Li, Y.C.; Wang, J.G. Numerical analysis of attenuation effect of EPS geofoam on stress-waves in civil defence engineering. Geotext. Geomembr. 2006, 24, 265–273. [Google Scholar] [CrossRef]
- Murillo, C.; Thorel, L.; Caicedo, B. Ground vibration isolation with geofoam barriers: Centrifuge modeling. Geotext. Geomembr. 2009, 27, 423–434. [Google Scholar] [CrossRef]
- Skipp, B.O. (Ed.) Ground Dynamics and Man-Made Processes: Prediction, Design and Management; Thomas Telford: Telford, UK, 1998. [Google Scholar]
- Coulier, P.; François, S.; Degrande, G.; Lombaert, G. Subgrade stiffening next to the track as a wave impeding barrier for railway induced vibrations. Soil Dyn. Earthq. Eng. 2013, 48, 119–131. [Google Scholar] [CrossRef]
- Shibazaki, M. State of practice of jet grouting. In Grouting and Ground Treatment; ASCE: Reston, VA, USA, 2003; pp. 198–217. [Google Scholar]
- Smekal, A. Strengthening methods for subsoil under existing railway lines. In Proceedings of the 8th World Congress of Rail Research, Seoul, Korea, 18–22 May 2008; pp. 1–11. [Google Scholar]
- Esmaeili, M.; Mosayebi, A. Factors affecting jet grouting applicability in stabilizing loose railway subgrades. In Proceedings of the 43rd Symposium on Engineering Geology and Geotechnical Engineering, Las Vegas, NV, USA, 23–25 March 2011. [Google Scholar]
- Priebe, H.J. The design of vibro replacement. Ground Eng. 1995, 28, 31. [Google Scholar]
- Black, J.A.; McNeill, J.A.; McCabe, B.A. Ground Improvement Using the Vibro-Stone Column Technique; The Institution of Engineers of Ireland: Dublin, Ireland, 2007. [Google Scholar]
- Peplow, A.; Jones, C.; Petyt, M. Surface vibration propagation over a layered elastic half-space with an inclusion. Appl. Acoust. 1999, 56, 283–296. [Google Scholar] [CrossRef]
- Jiang, J.; Toward, M.G.; Dijckmans, A. The influence of soil conditions on railway induced ground-borne vibration and relevant mitigation measures. In Proceedings of the 21st International Congress on Sound and Vibration, Beijing, China, 13–17 July 2014. [Google Scholar]
- Hung, H.H.; Yang, Y.B.; Chang, D.W. Wave barriers for reduction of train-induced vibrations in soils. J. Geotech. Geoenviron. Eng. 2004, 130, 1283–1291. [Google Scholar] [CrossRef]
- Ma, Q.; Zhou, F.-X. Analysis of isolation ground vibration by graded wave impeding block under a moving load. J. Eng. 2018, 2018, 4989584. [Google Scholar] [CrossRef]
- Sa’Adin, S.L.B.; Kaewunruen, S.; Jaroszweski, D.; Sa’Adin, S.B. Risks of climate change with respect to the Singapore-Malaysia high speed rail system. Climate 2016, 4, 65. [Google Scholar] [CrossRef]
- Sa’Adin, S.L.B.; Kaewunruen, S.; Jaroszweski, D. Heavy rainfall and flood vulnerability of Singapore-Malaysia high speed rail system. Aust. J. Civ. Eng. 2016, 14, 123–131. [Google Scholar] [CrossRef]
- Sa’Adin, S.L.B.; Kaewunruen, S.; Jaroszweski, D. Operational readiness for climate change of Malaysia high-speed rail. Proc. Inst. Civ. Eng. Transp. 2016, 169, 308–320. [Google Scholar] [CrossRef]
- Kim, J.-K.; Moon, Y.-H.; Eo, S.-H. Compressive strength development of concrete with different curing time and temperature. Cem. Concr. Res. 1998, 28, 1761–1773. [Google Scholar] [CrossRef]
- Kim, S.H. Comparison of two metamaterial methods in earthquake engineering. In Proceedings of the 7th International Congress on Advanced Electromagnetic Materials in Microwaves and Optics, Bordeaux, France, 16–19 September 2013; pp. 295–297. [Google Scholar]
- Krodel, S.; Thomé, N.; Daraio, C. Wide band-gap seismic metastructures. Extreme Mech. Lett. 2015, 4, 111–117. [Google Scholar] [CrossRef]
- Leo, C.J.; Kumruzzaman, M.; Wong, H.; Yin, J.H. Behavior of EPS geofoam in true triaxial compression tests. Geotext. Geomembr. 2008, 26, 175–180. [Google Scholar] [CrossRef]
- Palermo, A.; Krödel, S.; Marzani, A. Engineered metabarrier as shield from seismic surface waves. Sci. Rep. 2016, 6, 39356. [Google Scholar] [CrossRef]
- Arulrajah, A.; Abdullah, A.; Bo, M.W.; Bouazza, A. Ground improvement techniques for railway embankments. Proc. Inst. Civ. Eng. Ground Improv. 2009, 162, 3–14. [Google Scholar] [CrossRef]
- World Green Building Council. 20200 New Report: The Building and Construction Sector Can Reach Net Zero Carbon Emissions by 2050. Available online: https://www.worldgbc.org/news-media/WorldGBC-embodied-carbon-report-published (accessed on 1 November 2020).
- Ngamkhanong, C.; Kaewunruen, S.; Costa, B.J.A. State-of-the-Art Review of Railway Track Resilience Monitoring. Infrastructures 2018, 3, 3. [Google Scholar] [CrossRef]
- Toward, M.G.; Jiang, J.; Dijckmans, A. Mitigation of railway induced vibrations by using subgrade stiffening and wave impeding blocks. In Proceedings of the 9th International Conference on Structural Dynamics (EURODYN 2014), Porto, Portugal, 30 June–2 July 2014. [Google Scholar]
- Tuler, M.V.; Kaewunruen, S. Life cycle analysis of mitigation methodologies for railway rolling noise and groundbourne vibration. J. Environ. Manag. 2017, 191, 75–82. [Google Scholar] [CrossRef]
- ISO. ISO 14044 Environmental Management—Life Cycle Assessment—Requirements and Guidelines; International Organization of Standardization: Brussels, Belgium, 2016. [Google Scholar]
- Setsobhonkul, S.; Kaewunruen, S.; Sussman, J.M. Lifecycle assessments of railway bridge transitions exposed to extreme climate events. Front. Built Environ. 2017, 3, 35. [Google Scholar] [CrossRef]
- ARUP Ltd. Maintenance & Renewals Review. 2013. Available online: http://orr.gov.uk/__data/assets/pdf_file/0013/454/arup-maintenance-and-renewals-policy-june-13.pdf (accessed on 30 June 2019).
- Krezo, S.; Mirza, O.; He, Y.; Kaewunruen, S.; Sussman, J.M. Carbon Emissions Analysis of Rail Resurfacing Work: A Case Study, Practical Guideline, and Systems Thinking Approach; Civil-Comp Press: Stirling, UK, 2014. [Google Scholar] [CrossRef]
- City of Winnipeg. Appendix 7, Winnipeg Sewage Treatment Program. Canada: City of Winnipeg. 2012. Available online: www.winnipeg.ca/finance/findata/matmgt/documents/2012/682-2012/682-2012_Appendix_H-WSTP_South_End_Plant_Process_Selection_Report/Appendix%207.pdf (accessed on 30 June 2019).
- ICE. Inventory of Carbon and Energy. University of Bath. Version 2.0. 2011. Available online: http://www.organicexplorer.co.nz/site/organicexplore/files/ICE%20Version%201.6a.pdf (accessed on 30 June 2019).
- Strategic Highway Research Program (SHRP2). Expanded Polystyrene (EPS) Geofoam Cost Information 2012. Available online: www.geotechtools.org/documents/leps_costinfo_r1.pdf (accessed on 30 November 2019).
- Strategic Highway Research Program (SHRP2). Aggregate Columns Cost Information. 2012. Available online: www.geotechtools.org/documents/ac_costinfo_r1.pdf (accessed on 30 November 2019).
- Brengola, A.F.; Sehn, A.L. Ground Improvement: Extending the Use of Spread Footings. 2004. Available online: www.structuremag.org/wp-content/uploads/2014/10/SF-Ground-Improvement-REVISED-0514041.pdf (accessed on 30 June 2019).
- International Union of Railways (UIC). Railway Induced Vibration: State of the Art Report. 2017. Available online: https://uic.org/IMG/pdf/vibration_report_v2.pdf (accessed on 30 November 2019).
- Nippon Steel and Sumitomo Metal Corporation (NSSMC). Steel Pipe Piles. 2014. Available online: www.nssmc.com/product/catalog_download/pdf/K011en.pdf (accessed on 20 July 2019).








| Mitigation Method | Lifespan (Years) | Quantity of Material (Unit) | Initial Cost (£/Unit) | References |
|---|---|---|---|---|
| Clamped metamaterial stopbands | 50 | 224 pipes | 3272 | [53] |
| Metamaterial resonators | 50 | 78 resonators | 5632 | [54] |
| Geofoam filled trenches | 25 | 480 m3 | 77 | [55] |
| Sheet pile wall | 50 | 153.23 ton | 470 | [18] |
| Jet grouting columns | 50 | 7560 m | 21 | [56] |
| Vibro-replacement (stone columns) | 50 | 3060 m | 35 | [44] |
| Wave impeding blocks | 50 | 600 m3 | 90 | [60] |
| Mitigation Method | Lifespan (Years) | Initial Cost (£) | Maintenance Interval (Months) | Maintenance Cost (£/Time) | Renewal Cost (£/Unit) |
|---|---|---|---|---|---|
| Clamped metamaterial stopbands | 50 | 733,152 | 36 | 4200 | 3273 |
| Metamaterial resonators | 50 | 439,296 | 36 | 4200 | 5632 |
| Geofoam filled trenches | 25 | 36,960 | 24 | 4200 | 77 |
| Sheet pile wall | 50 | 72,015 | 24 | 4200 | 470 |
| Jet grouting columns | 50 | 158,760 | 12 | 4200 | 21 |
| Vibro-replacement (stone columns) | 50 | 107,100 | 12 | 4200 | 35 |
| Wave impeding blocks | 50 | 54,000 | 24 | 4200 | 180 |
| Mitigation Method | Lifespan (Years) | Initial Cost (£) | Maintenance Interval (Months) | Maintenance Cost (£/Time) | Renewal Cost (£/Unit) | |
|---|---|---|---|---|---|---|
| High Temp. | Low Temp. | |||||
| Clamped metamaterial stopbands | 50 | 733,152 | 24 | 36 | 4200 | 3273 |
| Metamaterial resonators | 50 | 439,296 | 24 | 24 | 4200 | 5632 |
| Geofoam-filled trenches | 25 | 36,960 | 24 | 24 | 4200 | 77 |
| Sheet pile wall | 50 | 72,015 | 12 | 12 | 4200 | 470 |
| Jet grouting columns | 50 | 158,760 | 6 | 12 | 4200 | 21 |
| Vibro-replacement (stone columns) | 50 | 107,100 | 12 | 12 | 4200 | 35 |
| Wave impeding blocks | 50 | 54,000 | 24 | 24 | 4200 | 180 |
| Mitigation Method | EF (kg/kg) | QM (kg) | Emissions from Materials (kg) | Lifespan (Years) | Maintenance Interval (Months) | Emissions in Maintenance (kg) | Total Emissions (kg) |
|---|---|---|---|---|---|---|---|
| Clamped metamaterials stopbands | 1.37 | 2,094,700 | 2,869,328 | 50 | 36 | 50,000 | 2,919,328 |
| Metamaterial resonators | Concrete-0.15 Steel-2.59 Ribber-1.63 | 1,759,907 580,571 130,015 | 1,979,589 | 50 | 36 | 50,000 | 2,029,589 |
| Geofoam filled trenches | 3.07 | 15,360 | 47,155 | 25 | 24 | 80,000 | 127,155 |
| Sheet pile wall | 1.55 | 173,710 | 269,250 | 50 | 24 | 80,000 | 349,250 |
| Jet grouting columns | 0.084 | 4,107,806 | 345,055 | 50 | 12 | 130,000 | 475,055 |
| Vibro-replacement (stone columns) | 0.058 | 5,309,312 | 307,940 | 50 | 12 | 130,000 | 437,940 |
| Wave impeding blocks | 0.15 | 960,000 | 144,000 | 50 | 24 | 80,000 | 224,000 |
| Mitigation Method | EF (kg/kg) | QM (kg) | Emission from Materials (kg) | Lifespan (Years) | Maintenance Interval (Months) | Emission During Maintenance (kg) | Total Emissions (kg) |
|---|---|---|---|---|---|---|---|
| Clamped metamaterial stopbands | 2.78 | 2,094,400 | 2,869,323 | 50 | 24 | 80,000 | 2,949,328 |
| Metamaterial resonators | Concrete 0.15; Steel 2.59; Rubber 1.63 | 1,759,907 580,571 130,015 | 1,979,589 | 50 | 24 | 80,000 | 2,059,589 |
| Geofoam filled trenches | 3.07 | 15,360 | 47,155 | 25 | 24 | 80,000 | 127,155 |
| Sheet pile wall | 1.55 | 173,710 | 269,250 | 50 | 12 | 130,000 | 399,250 |
| Jet grouting columns | 0.084 | 4,107,806 | 345,055 | 50 | 6 | 180,000 | 525,055 |
| Vibro-replacement (stone columns) | 0.058 | 5,309,312 | 307,940 | 50 | 12 | 130,000 | 437,940 |
| Wave impeding blocks | 0.15 | 960,000 | 144,000 | 50 | 24 | 80,000 | 224,000 |
| Mitigation Method | EF (kg/kg) | QM (kg) | Emission from Materials (kg) | Lifespan (Years) | Maintenance Interval (Months) | Emission During Maintenance (kg) | Total Emissions (kg) |
|---|---|---|---|---|---|---|---|
| Clamped metamaterial stopbands | 2.78 | 2,094,400 | 2,869,323 | 50 | 36 | 50,000 | 2,919,328 |
| Metamaterial resonators | Concrete 0.15; Steel 2.59; Rubber 1.63 | 1,759,907 580,571 130,015 | 1,979,589 | 50 | 24 | 80,000 | 2,059,589 |
| Geofoam filled trenches | 3.07 | 15,360 | 47,155 | 25 | 24 | 80,000 | 127,155 |
| Sheet pile wall | 1.55 | 173,710 | 269,250 | 50 | 12 | 130,000 | 399,250 |
| Jet grouting columns | 0.084 | 4,107,806 | 345,055 | 50 | 12 | 130,000 | 475,055 |
| Vibro-replacement (stone columns) | 0.058 | 5,309,312 | 307,940 | 50 | 12 | 130,000 | 437,940 |
| Wave impeding blocks | 0.15 | 960,000 | 144,000 | 50 | 24 | 80,000 | 224,000 |
Publisher’s Note: MDPI stays neutral with regard to jurisdictional claims in published maps and institutional affiliations. |
© 2020 by the authors. Licensee MDPI, Basel, Switzerland. This article is an open access article distributed under the terms and conditions of the Creative Commons Attribution (CC BY) license (http://creativecommons.org/licenses/by/4.0/).
Share and Cite
Kaewunruen, S.; Qin, Z. Sustainability of Vibration Mitigation Methods Using Meta-Materials/Structures along Railway Corridors Exposed to Adverse Weather Conditions. Sustainability 2020, 12, 10236. https://doi.org/10.3390/su122410236
Kaewunruen S, Qin Z. Sustainability of Vibration Mitigation Methods Using Meta-Materials/Structures along Railway Corridors Exposed to Adverse Weather Conditions. Sustainability. 2020; 12(24):10236. https://doi.org/10.3390/su122410236
Chicago/Turabian StyleKaewunruen, Sakdirat, and Zhangjun Qin. 2020. "Sustainability of Vibration Mitigation Methods Using Meta-Materials/Structures along Railway Corridors Exposed to Adverse Weather Conditions" Sustainability 12, no. 24: 10236. https://doi.org/10.3390/su122410236
APA StyleKaewunruen, S., & Qin, Z. (2020). Sustainability of Vibration Mitigation Methods Using Meta-Materials/Structures along Railway Corridors Exposed to Adverse Weather Conditions. Sustainability, 12(24), 10236. https://doi.org/10.3390/su122410236

