Enhanced Circular Chain Control for Parallel Operation of Inverters in UPS Systems
Abstract
1. Introduction
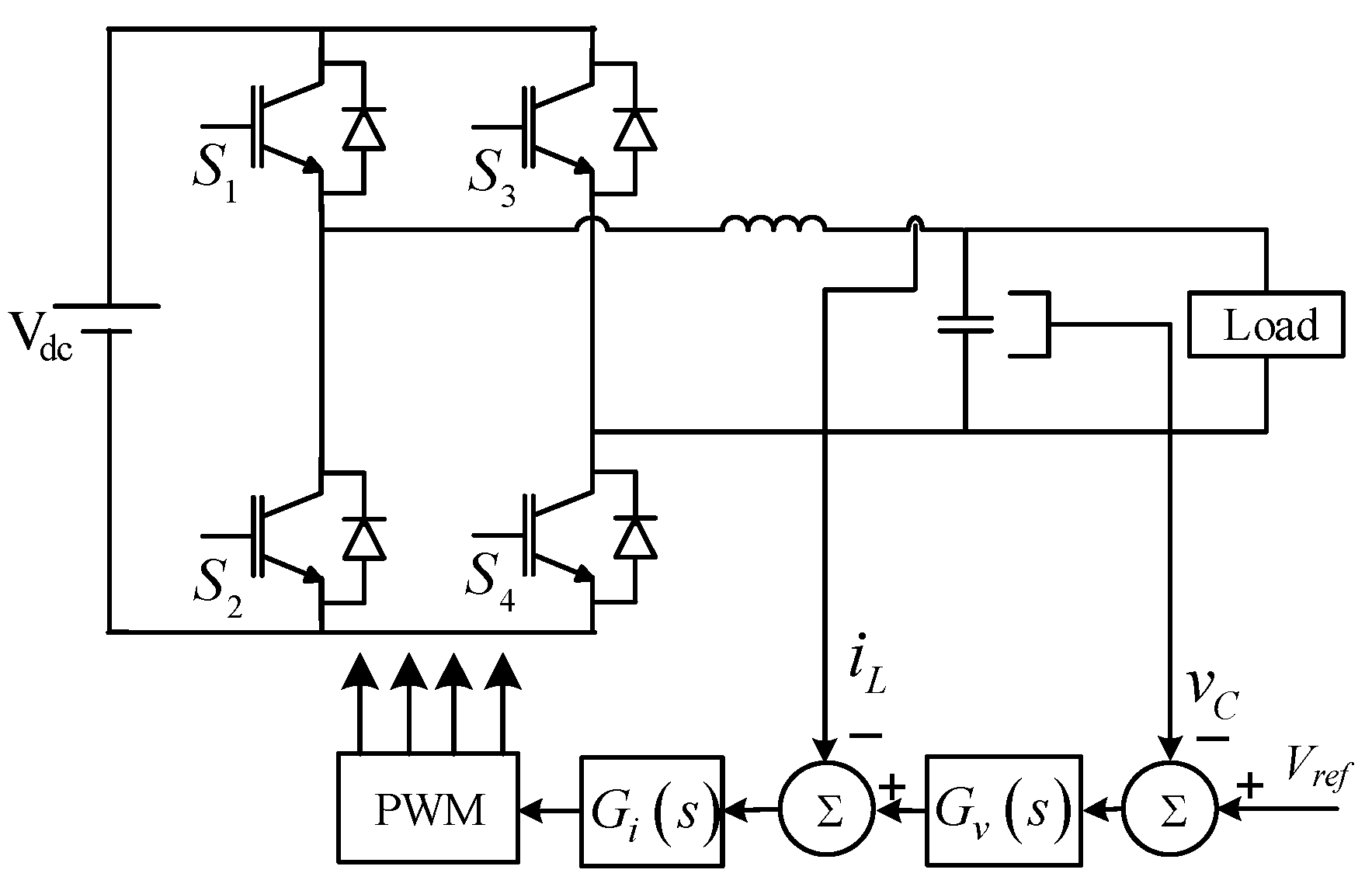
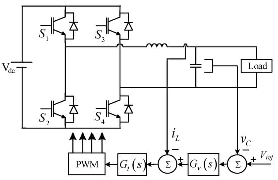
2. Single-Phase Inverter Control
2.1. General Structure
2.2. Inner Current Loop
2.3. External Voltage Loop
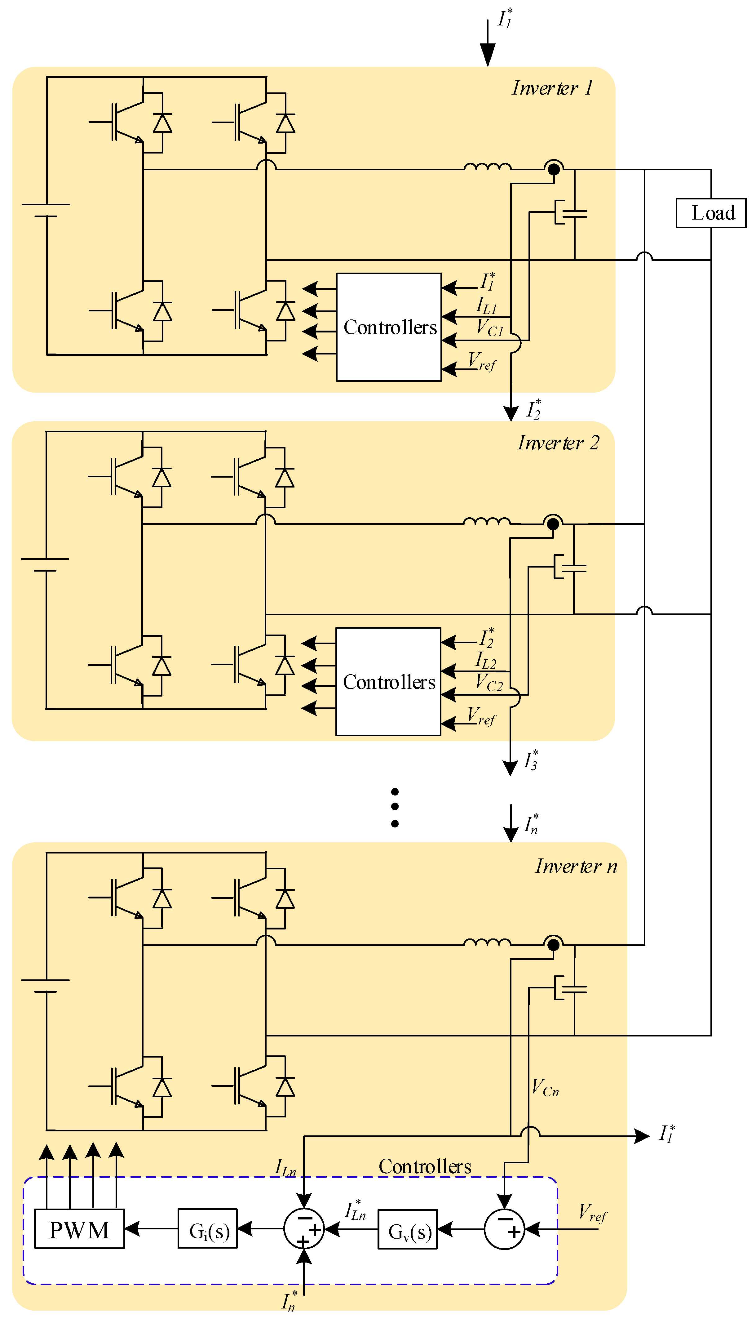
3. Enhanced Circular Chain Controller
4. Simulation Results
5. Experimental Results
6. Discussion
- The behaviour of the parallel inverters with unequal power ratings can be quickly deduced from the results presented above: this system allows correct sharing of load current among inverters while maintaining load voltage at its nominal value.
- The results presented above show that the linear and nonlinear load currents are shared with the desired ratio between inverters. It is also important to consider that the inductor and capacitor of LC filter is designed based on the inverter rating; therefore, parameters of LC filters of unequally rated inverters are different as listed in Table 1. The accuracy of conventional current sharing methods depends on the LC filter parameters while the accuracy of the proposed scheme is acceptable regardless of the system parameters uncertainties in transient and steady-state conditions.
- An important aspect to be considered is the hot-swap capability of the system. Consider the case presented between t = 0.1 s and t = 0.14 s in Figure 11 and Figure 12. In this case, the number of inverters reduce from three to two and then, Inverter 2 is reconnected. The behaviour of the system is excellent; the load voltage and current sharing are not affected by turn-on and turn-off of inverters.
- A low harmonic distortion can be achieved at the output of parallel inverter because of the proposed control scheme: the inverter with the proposed PR controller at odd harmonic orders, as voltage controller, can generate a near sinusoidal voltage waveform that will exhibit a low harmonic distortion for linear and nonlinear loads. The harmonic spectrum of the load voltage is shown in Figure 13 for the nonlinear load (the worst case). The THD of the load voltage is less than 0.4% and all harmonic components are smaller than 0.25%.
7. Conclusions
Author Contributions
Funding
Conflicts of Interest
References
- Lahyani, A.; Venet, P.; Guermazi, A.; Troudi, A.; Lahyani, A.; Venet, P.; Guermazi, A.; Troudi, A.; Supercapacitors, B. Battery/supercapacitors combination in Uninterruptible Power Supply (UPS). IEEE Trans. Power Electron. 2019, 28, 1509–1522. [Google Scholar] [CrossRef]
- Kim, S.; Kwon, M.; Choi, S. Operation and control strategy of a new hybrid ESS-UPS system. IEEE Trans. Power Electron. 2018, 33, 4746–4755. [Google Scholar] [CrossRef]
- Wei, B.; Marzabal, A.; Ruiz, R.; Guerrero Ge, J.M.; Vasquez, J. DAVIC: A new distributed adaptive virtual impedance control for parallel-connected voltage source inverters in modular UPS system. IEEE Trans. Power Electron. 2018, 34, 5953–5968. [Google Scholar] [CrossRef]
- Pouresmaeil, E.; Montesinos-Miracle, D.; Gomis-Bellmunt, O.; Sudrià-Andreu, A. Instantaneous active and reactive current control technique of shunt active power filter based on the three-level NPC inverter. Eur. Trans. Electr. Power 2011, 21, 2007–2022. [Google Scholar] [CrossRef]
- Zhang, X.; Fu, Z.; Xiao, Y.; Wang, G.; Xu, D. Control of parallel three-phase PWM converters under generalized unbalanced operating conditions. IEEE Trans. Power Electron. 2017, 32, 3206–3215. [Google Scholar] [CrossRef]
- Khayat, Y.; Guerrero, J.M.; Bevrani, H.; Shafiee, Q.; Heydari, R.; Naderi, M.; Dragicevic, T.; Simpson-Porco, J.W.; Dorfler, F.; Fathi, M.; et al. On the Secondary control architectures of AC microgrids: An overview. IEEE Trans. Power Electron. 2020, 35, 6482–6500. [Google Scholar] [CrossRef]
- Heydari, R.; Khayat, Y.; Amiri, A.; Dragicevic, T.; Shafiee, Q.; Popovski, P.; Blaabjerg, F. Robust high-rate secondary control of microgrids with mitigation of communication impairments. IEEE Trans. Power Electron. 2020, 35, 12486–12496. [Google Scholar] [CrossRef]
- Guerrero, J.M.; Chandorkar, M.; Lee, T.L.; Loh, P.C. Advanced control architectures for intelligent microgridspart i: Decentralized and hierarchical control. IEEE Trans. Ind. Electron. 2013, 60, 1254–1262. [Google Scholar] [CrossRef]
- Han, H.; Hou, X.; Yang, J.; Wu, J.; Su, M.; Guerrero, J.M. Review of power sharing control strategies for islanding operation of AC microgrids. IEEE Trans. Smart Grid 2016, 7, 200–215. [Google Scholar] [CrossRef]
- Guerrero, J.M.; Matas, J.; De Vicuña, L.G.; Castilla, M.; Miret, J. Wireless-control strategy for parallel operation of distributed-generation inverters. IEEE Trans. Ind. Electron. 2006, 53, 1461–1470. [Google Scholar] [CrossRef]
- Aryani, D.; Song, H. Coordination control strategy for AC/DC hybrid microgrids in stand-alone mode. Energies 2016, 9, 469. [Google Scholar] [CrossRef]
- Heydari, R.; Dragicevic, T.; Blaabjerg, F. High-bandwidth secondary voltage and frequency control of VSC-Based AC microgrid. IEEE Trans. Power Electron. 2019, 34, 11320–11331. [Google Scholar] [CrossRef]
- Marwali, M.N.; Keyhani, A. Control of distributed generation systems—Part I: Voltages and currents control. IEEE Trans. Power Electron. 2004, 19, 1541–1550. [Google Scholar] [CrossRef]
- Han, Y.; Li, H.; Shen, P.; Coelho, E.A.A.; Guerrero, J.M. Review of active and reactive power sharing strategies in hierarchical controlled microgrids. IEEE Trans. Power Electron. 2017, 32, 2427–2451. [Google Scholar] [CrossRef]
- Ding, X.; Yao, R.; Zhai, X.; Li, C.; Dong, H. An adaptive compensation droop control strategy for reactive power sharing in islanded microgrid. Electr. Eng. 2020, 102, 267–278. [Google Scholar] [CrossRef]
- He, J.; Li, Y.W. An enhanced microgrid load demand sharing strategy. IEEE Trans. Power Electron. 2012, 27, 3984–3995. [Google Scholar] [CrossRef]
- Nasirian, V.; Shafiee, Q.; Guerrero, J.M.; Lewis, F.L.; Davoudi, A. Droop-free distributed control for AC microgrids. IEEE Trans. Power Electron. 2016, 31, 1600–1617. [Google Scholar] [CrossRef]
- Lu, J.; Savaghebi, M.; Guan, Y.; Golestan, S.; Vasquez, J.C.; Guerrero, J.M.; Marzabal, A. DC-Link protection and control in modular uninterruptible power supply. IEEE Trans. Ind. Electron. 2018, 65, 3942–3953. [Google Scholar] [CrossRef]
- Dheer, D.K.; Gupta, Y.; Doolla, S. A self-adjusting droop control strategy to improve reactive power sharing in islanded microgrid. IEEE Trans. Sustain. Energy 2019, 11, 1624–1635. [Google Scholar] [CrossRef]
- Shamseh, M.B.; Yoshino, T.; Kawamura, A. Current-dependent capacitor voltage control of parallel autonomous UPS systems. IEEE Trans. Ind. Electron. 2018, 65, 2873–2882. [Google Scholar] [CrossRef]
- Tolani, S.; Sensarma, P. An instantaneous average current sharing scheme for parallel UPS modules. IEEE Trans. Ind. Electron. 2017, 64, 9210–9220. [Google Scholar] [CrossRef]
- Guerrero, J.M.; Hang, L.; Uceda, J. Control of distributed uninterruptible power supply systems. IEEE Trans. Ind. Electron. 2008, 55, 2845–2859. [Google Scholar] [CrossRef]
- Lee, W.C.; Lee, T.K.; Lee, S.H.; Kim, K.H.; Hyun, D.S.; Suh, I.Y. A master and slave control strategy for parallel operation of three-phase UPS systems with different ratings. In Proceedings of the Nineteenth Annual IEEE Applied Power Electronics Conference and Exposition, APEC ’04, Anaheim, CA, USA, 22–26 February 2004; Volume 1, pp. 456–462. [Google Scholar] [CrossRef]
- Sun, X.; Lee, Y.S.; Xu, D. Modeling, analysis, and implementation of parallel multi-inverter systems with instantaneous average-current-sharing scheme. IEEE Trans. Power Electron. 2003, 18, 844–856. [Google Scholar] [CrossRef]
- Shamseh, M.B.; Yoshino, T.; Kawamura, A. Load current distribution between parallel inverters based on capacitor voltage control for UPS applications. IEEJ J. Ind. Appl. 2017, 6, 258–267. [Google Scholar] [CrossRef]
- Roslan, A.M.; Ahmed, K.H.; Finney, S.J.; Williams, B.W. Improved instantaneous average current-sharing control scheme for parallel-connected inverter considering line impedance impact in microgrid networks. IEEE Trans. Power Electron. 2011, 26, 702–716. [Google Scholar] [CrossRef]
- Pei, Y.; Jiang, G.; Yang, X.; Wang, Z. Auto-Master-Slave control technique of parallel inverters in distributed AC power systems and UPS. In Proceedings of the 2004 IEEE 35th Annual Power Electronics Specialists Conference (IEEE Cat. No.04CH37551), Aachen, Germany, 20–25 June 2004; Volume 3, pp. 2050–2053. [Google Scholar] [CrossRef]
- Mortezaei, A.; Simões, M.G.; Marafão, F.P. Cooperative operation based master-slave in islanded microgrid with CPT current decomposition. In Proceedings of the 2015 IEEE Power & Energy Society General Meeting, Denver, CO, USA, 26–30 July 2015; pp. 1–5. [Google Scholar] [CrossRef]
- Martí, P.; Torres-Martínez, J.; Rosero, C.X.; Velasco, M.; Miret, J.; Castilla, M. Analysis of the effect of clock drifts on frequency regulation and power sharing in inverter-based islanded microgrids. IEEE Trans. Power Electron. 2018, 33, 10363–10379. [Google Scholar] [CrossRef]
- Shahparasti, M.; Yazdian, A.; Mohamadian, M.; Larijani, A.S.S.; Fatemi, A. Parallel uninterruptible power supplies based on Z-source inverters. IET Power Electron. 2012, 5, 1359. [Google Scholar] [CrossRef]
- Piboonwattanakit, K.; Khan-Ngern, W. Design of the two parallel inverter modules by circular chain control technique. In Proceedings of the 2007 7th International Conference on Power Electronics and Drive Systems, Bangkok, Thailand, 27–30 November 2007; pp. 1518–1522. [Google Scholar] [CrossRef]
- Li, Y.W. Control and resonance damping of voltage-source and current-source converters with LC filters. IEEE Trans. Ind. Electron. 2009, 56, 1511–1521. [Google Scholar] [CrossRef]
- Shahparasti, M.; Mohamadian, M.; Yazdian, A.; Ahmad, A.A.; Amini, M. Derivation of a stationary-frame single-loop controller for three-phase standalone inverter supplying nonlinear loads. IEEE Trans. Power Electron. 2014, 29, 5063–5071. [Google Scholar] [CrossRef]
- Li, Y.W.; Blaabjerg, F.; Vilathgamuwa, D.M.; Loh, P.C. Design and comparison of high performance stationary-frame controllers for DVR implementation. IEEE Trans. Power Electron. 2007, 22, 602–612. [Google Scholar] [CrossRef]
- Shahparasti, M.; Rocabert, J.; Muñoz, R.S.; Luna, A.; Rodríguez, P.; Munoz, R.S.; Luna, A.; Rodriguez, P. Smart AC storage based on microbial electrosynthesis stack. In Proceedings of the 2018 7th International Conference on Renewable Energy Research and Applications (ICRERA), Paris, France, 14–17 October 2018; Volume 5, pp. 1086–1091. [Google Scholar] [CrossRef]
- Tai, T.; Chen, J.; Member, A. UPS inverter design using discrete-time sliding-mode control scheme. IEEE Trans. Ind. Electron. 2002, 49, 67–75. [Google Scholar]
- Mattavelli, P. An Improved Deadbeat Control for UPS Using Disturbance Observers. IEEE Trans. Ind. Electron. 2005, 52, 206–212. [Google Scholar] [CrossRef]
- Bidram, A.; Davoudi, A.; Lewis, F.L.; Guerrero, J.M. Distributed cooperative secondary control of microgrids using feedback linearization. IEEE Trans. Power Syst. 2013, 28, 3462–3470. [Google Scholar] [CrossRef]
- Hosseinpour, M.; Mohamadian, M.; Varjani, A.Y. Design and analysis of the droop-controlled parallel four-leg inverters to share unbalanced and nonlinear loads. Przegląd Elektrotechniczny 2014, 90, 105–110. [Google Scholar] [CrossRef]
- Wu, T.-F.; Chen, Y.K. 3C strategy for inverters in parallel operation achieving an equal current distribution. IEEE Trans. Ind. Electron. 2000, 47, 273–281. [Google Scholar] [CrossRef]
- Shahparasti, M. Distributed generation inverter: New control strategies to supply local load with standard voltage under distorted grid voltage. J. Energy Manag. Technol. 2019, 3, 1–10. [Google Scholar] [CrossRef]
- Botterón, F.; Pinheiro, H. A three-phase UPS that complies with the standard IEC 62040-3. IEEE Trans. Ind. Electron. 2007, 54, 2120–2136. [Google Scholar] [CrossRef]

















| Parameter | Symbol | Value |
|---|---|---|
| Load voltage | VO | 110 V, 50 HZ |
| Inverter power rating | S1, S2, S3 | 500 VA, 1000 VA, 1500 VA |
| DC source voltage | Vdc1, Vdc2, Vdc3 | 300 V |
| Inductor of LC filter | L1, L2, L3 | 1.35 mH, 0.9 mH, 0.45 mH |
| Capacitor of LC filter | C1, C2, C3 | 40 uF, 60 uF, 120 uF |
| Switching frequency | fs | 20 kHz |
| Linear load resistance | RLl | 6.05 Ω |
| Nonlinear load (diode bridge) | RLn, CLn | RLn = 12.1 Ω, CLn = 2000 uF |
| Parameter | Symbol | Value |
|---|---|---|
| Load voltage | VO | 33 V, 50 HZ |
| Inverter power rating | S1, S2 | 50 VA, 100 VA |
| DC source voltage | Vdc1, Vdc2 | 48 V |
| Inductor of LC filter | L1, L2 | 4.2 mH |
| Capacitor of LC filter | C1, C2 | 10 uF |
| Switching frequency | fs | 6 kHz |
| Linear load resistance | RLl | 22 Ω |
| Nonlinear load (diode bridge) | RLn, CLn | RLn = 22 Ω, CLn = 500 uF |
© 2020 by the authors. Licensee MDPI, Basel, Switzerland. This article is an open access article distributed under the terms and conditions of the Creative Commons Attribution (CC BY) license (http://creativecommons.org/licenses/by/4.0/).
Share and Cite
Shahparasti, M.; Savaghebi, M.; Hosseinpour, M.; Rasekh, N. Enhanced Circular Chain Control for Parallel Operation of Inverters in UPS Systems. Sustainability 2020, 12, 8062. https://doi.org/10.3390/su12198062
Shahparasti M, Savaghebi M, Hosseinpour M, Rasekh N. Enhanced Circular Chain Control for Parallel Operation of Inverters in UPS Systems. Sustainability. 2020; 12(19):8062. https://doi.org/10.3390/su12198062
Chicago/Turabian StyleShahparasti, Mahdi, Mehdi Savaghebi, Majid Hosseinpour, and Navid Rasekh. 2020. "Enhanced Circular Chain Control for Parallel Operation of Inverters in UPS Systems" Sustainability 12, no. 19: 8062. https://doi.org/10.3390/su12198062
APA StyleShahparasti, M., Savaghebi, M., Hosseinpour, M., & Rasekh, N. (2020). Enhanced Circular Chain Control for Parallel Operation of Inverters in UPS Systems. Sustainability, 12(19), 8062. https://doi.org/10.3390/su12198062

