Abstract
Renewable energy resources (RERs) play a vital role in reducing greenhouse gases, as well as balancing the power generation demand in daily life. Due to the high penetration of RERs and non-linear loads into utility power systems, various power quality issues arise, i.e., voltage drop, harmonic distortion, reactive power demand, etc. In order to handle these power quality issues, there is a need for smart flexible alternating current transmission system (FACTS) devices. In this paper, a super capacitor energy storage system (SCESS)-based static synchronous compensator (STATCOM) is designed in order for the grid-connected photovoltaic (PV) system to overcome the abovementioned power quality issues. A voltage controller and a d-q axis controller are used for the efficient performance of the STATCOM. In order to show the superiority of the supercapacitor, a detailed comparison is made between a battery energy storage system (BESS)-based STATCOM and a SCESS-based STATCOM. Four scenarios are studied to evaluate the performance of the proposed STATCOM design. The proposed SCESS-based STATCOM not only boosts the voltage but also stabilizes it from 368 V to 385 V (Ph-Phrms). The simulated results have confirmed that the proposed design is not only superior to a BESS-based STATCOM but also has the capability to overcome the power quality issues as well.
1. Introduction
1.1. Motivation and Incitement
In today’s world of increasing demands for power, the incorporation of many renewable energy resources (RERs) and the usage of non-linear loads are increasing. Among these renewable energy sources, solar energy is one of the most highly installed, as it is environment friendly and its operating cost is negligible. Due to the increased consumption of heavy non-linear loads, like high induction motors, arc furnaces, large rectifiers, etc., the entire electrical network is facing different stability and reliability issues, in which reactive power demand, voltage reduction, harmonics, etc., are the main and most common factors. To overcome these issues, a better way is to install a new transmission system. However, installing a new transmission system, intending to give comfort to overhead transmission lines is not easily possible due to environmental and economic issues.
To overcome all these issues, flexible alternating current transmission system (FACTS) devices have been widely used in the literature for voltage regulation within the permissible limits. However, among them, the performance of static synchronous compensators (STATCOMs) is found to be the best as it does not contain any mechanical parts and has a fast response and ability to compensate the required amount of leading and lagging volt-ampere reactive (VAR). In the literature, many FACTS devices have been utilized to deliver the required amount of reactive power, to overcome voltage fluctuations, etc.
1.2. Literature Review
STATCOMs and static VAR compensators (SVCs) have been used in dynamic voltage stabilization in times of low voltage ride through (LVRT) in wind plants, and comparative study of STATCOMs and SVCs has been done in [1]. The incorporation of a vast wind farm (WF) into a weak electrical grid and the support of the power system by introducing a STATCOM was studied. According to this research, firstly, the power quality problems were highlighted by field supervisory control and data acquisition (SCADA) data analysis, and a centralized STATCOM was introduced to overcome the small duration voltage drop. Secondly, modeling of the system, a STATCOM, and WF were proposed, and moreover, the design was approved by correlating it with the real field data. Finally, the superiority of the presented STATCOM and its control mechanism is described in [2]. Different cooling techniques and reflectors were employed to achieve the efficient performance of a photovoltaic (PV) system. By using aluminum (Al) foil as a reflector, the output power was increased by 20–35%. By combining Al foil and a cooling system, the output power was enhanced by 22.75–38.55% [3]. The performance of the STATCOM under unbalanced conditions was improved by using software sensor-based STATCOM control. The proposed strategy in this research work followed a state observer (software sensor) to approximate the voltages at the interfacing point of the STATCOM. By doing this, the hardware became dull, and also physical voltage sensors were not required. By using this software-based sensor, the overall performance of the STATCOM was improved under unbalanced voltages and currents, as shown in [4]. In [5], several grid-connected PV systems and power plants, along with different control topologies for maximum power extraction, are discussed thoroughly. Conventionally, these types of grid-connected PV systems contain transformers to step up the low output voltages of the PV panels. However, due to the very high costs and losses of the transformer, the solar inverter became the least efficient and also expensive. To remove these issues, the transformer was removed from the solar inverter. The transformerless solar PV inverter became smaller in size, the least expensive, and highly efficient. Although the set-up cost of these grid-connected power plants is very high, these types of grid-connected solar designs are more reliable, efficient, and cost effective in terms of operation. The efficient operation of a 12-pulse STATCOM controlled by a digital signal processor (DSP) was studied. This type of controller comprised of a phase-locked loop (PLL) and pulse generator modules in order to control the firing angle of the inverter. This model also contained circuitry for charging of the direct current (DC) capacitor. The control of the reactive power exchange was done by using this controller. Moreover, a comprehensive interpretation of the control steps of a STATCOM is shown in [6]. A solar–wind hybrid energy system (HES) was designed for the electrification of remote areas of Tanzania. This designed utilized a closed loop cooled solar system (CLC-SS). By using this system, an enhancement of 10.23% in output power occurred as compared to conventional solar PV systems [7]. The unique idea of implementing a solar plant (SP) as a FACTS device (STATCOM) to balance the voltages at the point of common coupling (PCC) was carried out. According to this research work, the strategy of the photovoltaic solar farm (SF) will allow the incorporation of new wind plants into the grid without using other compensating devices, as this PV plant worked as a generator during the day and during the night, it worked as a regulating device. The proposed work has been confirmed through MATLAB/Simulink simulations [8]. A unique bi-reflector PV system (BRPVS) for building integrated photovoltaic (BIPV) designs was implemented. Al foil was used as a reflector as its cost is very low for achieving maximum power output. The experimental results showed that, by utilizing the proposed method, an increase of 28.47% in the output power occurred [9]. A control concept to limit the torque of cage induction motors, which are grid-connected throughout the recovery procedure after the grid faults, STATCOM is connected to the terminals of the machine. The fundamental goal of this research topic was to reduce the torque transients of induction machines after the grid fault by momentarily declaring a new voltage reference for the STATCOM control design [10]. The capability of reactive power compensation by connecting a multiple level, hexagram converter-based STATCOM using one cycle control (OCC) for a wind plant with constant speed turbines and efficiency with the electrical power system has been studied. In this research work, the comparison of different types of multi-level voltage source converters that have been utilized for STATCOM applications was done. The simulation results were verified by the experimental results of the proposed model [11]. These methods of stabilizing power system parameters were proper but, by using these methods, we were confined to exchange only reactive power (Q). The potential to deliver real power (P) to the transmission system was limited due to the inadequate energy storage capacity of the conventional DC link capacitor. With the passage of time, researchers around the globe have tried to overcome this problem, and finally sorted it out by introducing the energy storage system (ESS) to the structure of STATCOMs, so that both P and Q interchange can be done.
ESS is essential in the working of power systems. It is available in different forms and sizes, like chemical, kinetic, potential, thermal, electromagnetic, etc., and can be used at a small or large scale, depending on the current scenario of the system. For example, pumped hydropower storage, which can store a large amount of potential energy of water, is only used in large power systems, and chemical battery fuel cells are suitable for small operations like watches, TV remotes, etc. Similarly, flywheels and pressurized gas energy storage systems are examples of mechanical (kinetic and potential) energy storage systems.
In the literature, the battery has been widely used as an ESS in the structure of STATCOMs for the enhanced performance of STATCOMs. The incorporation of a STATCOM with a BESS in the electrical system minimized the transients of the power system. It also reduced the generator rotor angle fluctuations that occurred by the introduction of renewable energy and three-phase faults. The experimental results were compared to the simulation results, and it showed the improved performance of a STATCOM plus a BESS [12]. STATCOMs with BESS compensators are interfaced in a vast range of Chinese power systems (CPSs) to mitigate the power fluctuations. A BESS-based STATCOM has the capacity to interchange both P and Q with the power grid suppressed the electrical system oscillations by regulating both P and Q. The performances of P and Q stabilizers in suppressing power oscillations were compared after designing both stabilizers [13]. In [14], STATCOM-based control design for the enhancement of power quality in a grid interfaced wind-generated system has been studied. The BESS/STATCOM maintained the power quality of the system and also canceled out the harmonic sections of the load current. It also maintained the generation side voltages and Q requirements of the wind alternator and load at the point of common coupling (PCC) of the grid. In [15], the hybrid power control of series interfacing a STATCOM with BESS technology for incorporation into wind plant is presented. A STATCOM, with BESS with the potential to exchange both P and Q, solved the problems of wind plant integration. The presented control strategy was confirmed by simulation by integrating a BESS-based STATCOM as the compensating device for the wind plant.
Power quality improvement has been shown by using a STATCOM plus BESS-based control scheme for a wind generator connected at the PCC of a grid. Harmonics and voltage problems were improved by using this control scheme as per the IEC standard 61400-21 [16]. The load balancing and voltage control of a permanent magnet synchronous generator (PMSG)-based diesel generator (DG), along with the help of a D-STATCOM plus BESS, have been proposed. In this research article, load balancing, the removal of harmonics, and the regulation of reactive power were carried out thoroughly. The usage of a D-STATCOM provides real power (P) when the load is over the generator loading, and it stokes the energy during normal situations. A hyperbolic tangent function-based least mean square (LMS) technique has been used [17]. The transient stabilization of large-scale multi-machine electrical systems with synchronous and doubly fed induction generators (DFIGs) has been enhanced by using a STATCOM and BESS. From this research article, the three main contributions are: (1) to deliver voltage regulation with a synchronous generator (SG), and DFIG, the increase in transient stability was achieved through the help of a BESS-based STATCOM, (2) the model of a stabilizing feedback controller in a big electrical network refined transient system performance by explaining the application of control theory, and (3) the development of a research scheme that used the additional degrees of freedom in large-scale electrical networks to refine the dynamic transient performance of the system [18]. Abnormalities in the electrical power system, like transient stability control, are fixed by using the idea of a BESS/STATCOM, which has the capability to operate in four quadrants so that P and Q can be exchanged. A double loop strategy was modeled for the control of a STATCOM/BESS. In the undercharging state, the results of the improvement of transient stability have been confirmed through simulation results [19]. To overcome the transient stability, the frequency stability, and to improve the power flow capacity, a STATCOM plus BESS was employed in a wide-range electrical system. A proportional integral (PI)-lead and lead–lag controller was presented for BESS for the improvement of the above-stated issues. According to this research article, the differentiation was made among the proposed controller and conventional PI controller for a BESS and STATCOM under different types of fault. As a result, the proposed controller showed better results in the event of multiple faults [20]. A coordinated control was performed within an ultra-high voltage direct current (UHVDC) electrical transmission network through a hierarchical connection scheme (HCS) with many STATCOMs on the converter side. The basic objective of coordinated control is to reduce the existence of cascaded commutation failure in the high-end converter (HEC) and low-end converter (LEC) and to minimize the fault recovery duration during three-phase and one-phase alternating current (AC) faults. The whole simulation was done in power systems computer aided design/electromagnetic transients including DC (PSCAD/EMTDC). By differentiating the V and Q control methods of the STATCOM, it was confirmed that coordinated control with a V control method is comparatively extra efficient in improving the working features of UHVDC-HCS under several power quality issues [21]. In [22], a unique design based on particle swarm optimization (PSO) method for mitigating power losses and voltage control at nodes was studied thoroughly. In the article, by utilizing the unique combination of a mathematical algorithm with a FACTS device like a STATCOM, the ability to provide the voltage control at the point where the STATCOM was interfaced and a reduction in active power losses were achieved. The presented research has verified the superiority of STATCOMs in both emergencies and in normal situations. An analytical study on the differentiation of three-phase STATCOMs and active power filter (APF) converter schemes and the corresponding control methods were presented. In this research report, a complete comparison between different control methods, topologies, and an implemented structure of grid-integrated high-power inverters was presented. Different active and passive filters, hybrid and shunt filters, and compensating devices like STATCOMs, which are actually used for power quality improvement, were studied by differentiating the simulation results with the experimental results [23]. A unique photovoltaic (PV)-based STATCOM for a low voltage ride through (LVRT) technique was presented in order to reduce the current harmonics in the case of stable operating states and to remove the current harmonics and voltage drop-in time of a fault a in grid-interfaced system. P-Q control theory is applied in this research article. A PV-based STATCOM for the injection of both P and Q to keep the load power in stable condition was studied.
In [24], a PV-STATCOM was used in order to remove current harmonics, voltage drop, and swell and also had the ability to compensate reactive power demands. However, it had a drawback that it worked well only during the day due to the availability of sunlight and during the night it did not have any ability to compensate Q demand or to overcome the voltage drop due to the unavailability of sunlight. The simulated results also showed the superiority of the proposed PV-based STATCOM. A comparison between the performances of BESS-based STATCOMs and superconducting magnetic energy storage (SMES) has been made thoroughly. BESS and SMES are interfaced to the DC link of the STATCOM intending to supply the needed amount of P and Q. For the control of STATCOM, a simple hysteresis controller was implemented. Finally, the simulation results were validated through experimental results, which demonstrated the effectiveness of both the energy storage systems [25]. The optimal location for a STATCOM plus ESS for the intention of voltage stabilization was studied thoroughly. For the optimal location of STATCOM-ESS, particle swarm optimization was implemented to attain the desired point of voltage stabilization [26]. A special protection scheme (SPS) was utilized for generator tripping and load shedding in order to avoid a large-scale blackout. STATCOMs have been used on the generating side of the Korea Electric Power System in order to increase the SPS. A unique control method for STATCOMs and for the calculation of the capacity of STATCOMs, the equal area criterion (EAC) approach, was utilized [27]. A modular and multilevel medium voltage inverter for interfacing the PV power plants to the grid were designed. In modular and multilevel converter design, switching techniques were improved as a high-frequency-based magnetic link was connected in place of a common DC link, due to which, leakage inductances were reduced. However, due to the use of high-frequency magnetic links, extra windings, and rectifiers, losses are increased [28,29]. For the mitigation of voltage oscillations, a unique dynamic state estimation (DSE) current feedback with control criteria of STATCOMs for solid oxide fuel cells (SOFCs), which was interfaced with complicated electrical grids, is presented [30]. But the usage of batteries and other energy storage systems has some drawbacks, like a low speed of response and long charging and discharging times, which makes these systems inappropriate for emergency situations that requires a large amount of energy in a short amount of time. To overcome these issues, supercapacitors have been introduced as an energy storage system by researchers. The main advantage of supercapacitors is that they can store a large amount of energy and release it in a short amount of time. They requires very little space to install, which makes them very suitable for applications where the bulk amount of power is needed in a short amount of time. A supercapacitor (SC) and lithium (Li) ion battery-based hybrid electric system (HES) for reducing the charging time of electric wheelchairs was designed. A fuzzy logic controller (FLC) was used for the fast charging of Li-ion batteries and a fuzzy logic-based energy management system was employed to manage the power flow within HES, but a large amount of memory is required for FLC, as it contains very large iterations which are very time-consuming [31,32,33]. The research work in [34] has one drawback in that it can compensate only a small amount of reactive power and operates for a small duration of time due to the small size of the conventional capacitor in the structure of the D-STATCOM. The presented work in [35] also had some drawbacks, firstly, the setup cost of superconducting magnetic energy storage (SMES) is very high, which makes the overall cost of the STATCOM design very high, and secondly, there would be mechanical issues related to this design which would need regular maintenance, which makes it overall very costly.
1.3. Contribution and Paper Organization
In this research work, a supercapacitor-based STATCOM is utilized for the grid-connected PV system, which not only overcomes all the above-mentioned drawbacks, but also many other technical issues, like harmonics, which occur due to the consumption of non-linear loads, and also overcomes the voltage drop, which occurs due to the switching of heavy loads, like high induction motors, etc. Due to the high cost of batteries and slow response characteristics, batteries are replaced by supercapacitors which have far better characteristics than batteries. The initial cost of supercapacitors is also high but due to their very long life cycle, less maintenance is needed and they have a much better performance than batteries, especially when high power is required for very short durations [36], and so the supercapacitor energy storage system (SCESS)-based STATCOM is more cost effective than the BESS-based STATCOM.
The structure of the paper is as follows: the proposed model for the STATCOM plus SCESS connected to a renewable energy-based grid is discussed in Section 2. Section 3 comprises the design and operation of the proposed controller for the SCESS-based STATCOM. The system simulation setup and comparison of the SCESS-based STATCOM with the BESS-based STATCOM for a grid-connected PV plant is presented in Section 4. Finally, conclusions are explained in Section 5.
2. Proposed Design
In this paper, a STATCOM with supercapacitors as an ESS is used in place of a conventional capacitor in a grid-connected renewable energy resource. In today’s modern era, the world is taking more interest in RERs due to their cleanliness, eco-friendliness, and greater reliability than the conventional methods of electricity generation. Among them, solar PV systems get more attention around the globe but their integration into utility grids is more challenging, as their output power is not stable in to varying weather conditions. Due to the connection of heavy loads and varying irradiance on the load side and the source side, respectively, voltage drops occur on the load side. To keep the load voltages constant, this design of an SC-based STATCOM is implemented. This kind of design is very important and beneficial for the constant electrification of remote areas and for those areas that need a constant power supply. Moreover, the SC-based STATCOM is more beneficial than a battery-based STATCOM due to its high power density, fast response, smaller size, etc. The salient features of this research are given below:
- A SCESS-based STATCOM model is designed to enhance the reliability and stability of electrical power systems that is actually based on renewable energy resources, i.e., PVs, in this system.
- The main idea of this SCESS-based STATCOM is to overcome the voltage drop due to heavy loads, the reduction of harmonics due to non-linear loads on the distribution side, or any type of fault that occurs both on the source side or on the load side, so that by using this technique, the power supply on the customer side is maintained in the event of faults or voltage drops both on the source side and load side by injecting or absorbing the required amount of Q.
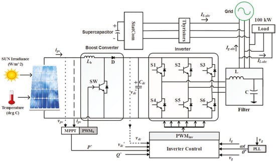
In the proposed model, a STATCOM plus SCESS is used for the grid-connected PV system in order to remove the voltage drops, harmonics, etc., both on the source side and the load side. The general single line diagram of the grid-connected SCESS/STATCOM is shown in Figure 1. The solar current IPV is fed to the inverter for the conversion of a DC solar current to a three-phase AC current IPV. This three-phase current IPV is then integrated into the grid using a three-phase filter in order to remove the harmonic contents produced due to the switching of insulated-gate bipolar transistors (IGBTs) in the inverter. The SCESS-based STATCOM is connected to the system through thyristors. For the operation of thyristors, their controller is designed, which regularly senses the load current. Whenever the load current increases beyond the normal limit, the controller senses it and generates pulses to switch the thyristors in order to connect the SCESS STATCOM to the system. For the efficient control of the STATCOM, its controller continuously senses the currents IPV, IL, and IS in order to generate the required pulses for the operation of the STATCOM whenever a voltage drop occurs.
Figure 1.
Static synchronous compensator plus supercapacitor energy storage system (STATCOM+SCESS) connected to a power system.
2.1. Characterisctics of PV Model
A 105 KW PV plant is designed as the main source in a MATLAB/Simulink environment. The designed PV model comprises 86 parallel connected strings. Every string comprises seven Sun Power SPR-415E modules connected in series.
2.2. Three-Phase DC-AC Converter
The DC-AC converter is designed by applying a three-level insulated gate bipolar transistor (IGBT) bridge pulse width modulation (PWM) controlled technique. The converter choke, RL, and a small harmonics filter, C, are utilized to filter the harmonics introduced by the IGBTs switches.
2.3. Inverter Control
The converter design consists of five main Simulink-based subsystems:
- Maximum power point tracking (MPPT) Controller: For the extraction of maximum power from PV arrays, a maximum power point tracking (MPPT) controller is used which is actually based on the “perturb and observe (P&O)” technique. This MPPT controller automatically changes the VDC reference signal of the converter’s VDC regulator intending to achieve the DC voltage which extracts maximum power from the PV arrays.
- VDC Regulator: It determines the required Id (active current) reference for the current regulator.
- Current Regulator: This regulator determines the required reference voltages for the converter based on the active, Id, and reactive, Iq, current references.
- Phase Locked Loop (PLL) and Measurements: Synchronization and current/voltage measurements are held in this subsystem.
- PWM Generator: Based on the required reference voltages, it generates the firing pulses to the IGBTs.
The detailed block diagram of the grid-connected PV plant is given in Figure 2.
Figure 2.
Block diagram of grid connected photovoltaic (PV) system.
The converted three-phase voltages are given below:
These output three-phase voltages of the PV plant are connected to the main grid. Now, the SCESS-based STATCOM model is connected at the distribution side to regulate the voltages, to reduce the harmonics that arise as a result of non-linear loads, and to overcome different types of faults that occur both on the source and the load side. The single line diagram of the proposed SCESS-based STATCOM design is presented in Figure 3.
Figure 3.
Block diagram of the STATCOM plus SCESS connected to the grid.
3. Design and Operation of the Proposed Controller for a SCESS-Based STATCOM
A supercapacitor-based STATCOM is designed which is used to supply both reactive power (VAR) and harmonic current to the load during different events, like voltage dip and a reactive power demand both on the source and the load side. There are basically two controllers used for the reliable operation of the STATCOM, which are given below:
- Voltage Controller: This controller is used to keep the DC link voltage of the STATCOM constant. The schematic diagram of this controller is given in Figure 4.
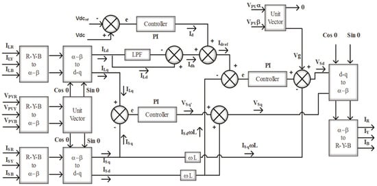
Figure 4. Block diagram of voltage controller. - d-q axis controller: This controller is actually the current controller which supplies both the harmonic current and the required amount of reactive current. It also absorbs the small active current to overcome the switching losses. The block diagram of the proposed controller is shown in Figure 5.
Figure 5. Block diagram of the d-q axis controller.
In the proposed controller, three-phase load currents are transformed to alpha-beta components which are in a stationary reference frame using Clarke’s transformation in order to simplify the analysis of the power system circuits. Then, the alpha-beta components are converted to dq0 components, which are actually in a rotating reference frame, by using Park’s transformation. Similarly, PV grid voltages and STATCOM currents are also transformed to alpha-beta stationary frame components in order to actually calculate the reference currents by converting d-q to alpha-beta and alpha-beta to three-phase R-Y-B using the inverse Clarke’s transformation. In the sinusoidal pulse width modulation (SPWM) block, the required pulses are generated for the three-phase inverter using relational operator blocks, so that the required amount of reactive current is supplied. Alpha-beta stationary frame equations using Clarke’s transformation for grid voltages and STATCOM and load currents are given below:
The STATCOM output three-phase voltage equations are given below:
where VSR, VSY, and VSB are STATCOM output three-phase voltages and VGR, VGY, and VGB are the grid’s three-phase voltages.
In the alpha-beta stationary reference frame, these equations can be written as:
So,
Combining Equations (10)–(12),
where
Now, we convert the alpha-beta components to the dq0 rotating reference frame using Park’s transformation.
So,
Similarly, for voltages
Now, we have an equation derived from Equation (13),
Put Equations (19) and (21) in the above equation, so
After rearranging and canceling out “ejθ” terms on both sides,
where
After rearranging and taking the Laplace transform of Equations (26) and (27), so
And
Figure 6.
Block diagram of the STATCOM d-reference current controller.
Figure 7.
Block diagram of the STATCOM q-reference current controller.
4. Results and Comparison of SCESS-Based STATCOM with BESS-Based STATCOM for Grid-Connected PV Plant
In order to examine the impact of the SCESS/STATCOM on the performance of the proposed system, a simulation is carried out and an analysis is done step by step. In order to show the effectiveness of the SCESS/STATCOM combination for stability improvement, a number of cases are simulated step by step and a brief comparison between both designs of the STATCOM is done successfully. The whole simulation is carried out in a MATLAB/Simulink environment. The system parameter specifications and supercapacitor parameter specifications are given in Table 1 and Table 2, respectively.
Table 1.
System parameters specifications.
Table 2.
Supercapacitor parameters specifications.
Different scenarios of the proposed simulation are given below:
Scenario 1: System without SCESS/STATCOM and BESS/STATCOM with no reduction in irradiance
In this case, a grid-connected PV system is simulated without having a SCESS/STATCOM and a BESS/STATCOM on the load side. The simulation is carried out for 3 s. In order to create a voltage dip, a load of 100 kW and 3 kVAR is connected at the load side through thyristor switches from between 0.5 s and 2 s. The three-phase voltages on the load side are given in Figure 8. From the zoomed in version shown in the subplots, we can easily see that due to the load connected, a voltage dip is created between 0.5 s and 2 s.
Figure 8.
Load voltages without STATCOMs.
Due to the voltage drop that occurs between 0.5 s and 2 s, there is an increased load current, which is depicted in Figure 9, given below:
Figure 9.
Load current without STATCOMs.
Now, due to the load connected at the load side, its effect is also examined at the source side, which is actually the PV. So, as the load is connected between 0.5 s and 2 s, there is also a reduction in the three-phase converted voltages of the PV, which is shown in Figure 10. Similarly, the source current is also increased, which can be easily seen in Figure 11, given below:
Figure 10.
Source voltages without STATCOMs.
Figure 11.
Source current without STATCOMs.
In Figure 10, it is clear that, due to the load connected between 0.5 s and 2 s, a voltage dip is created on the source side, and its zoomed in subplot clearly depicts the voltage dip. Similarly, due to a voltage dip on the source side, the source current is increased, which is shown in Figure 11.
The reduction in PV output DC voltage also occurs due to the load connected at the load side between 0.5 s and 2 s while keeping solar irradiance constant at 1000 W/m2, in this case. Figure 12 shows irradiance and PV output DC voltage.
Figure 12.
Irradiance of the PV plant and PV output DC voltage without STATCOMs.
Scenario 2: Comparison of SCESS/STATCOM with BESS/STATCOM with no reduction in irradiance
In this case, to overcome the voltage dip that occurs due to the presence of load between 0.5 s and 2 s, a SCESS-based STATCOM is connected at the load end in order to show its impact and efficiency. A SCESS-based STATCOM is fully designed in a Simulink environment. A supercapacitor module rated voltage of 48 V and 400 µF rated capacitance, as energy storage for the STATCOM, are selected. To achieve 800 V at the DC link, 17 supercapacitor modules are connected in series and one module is connected in parallel. The battery is initially fully charged, i.e., 100%. Now, the SCESS/STATCOM is connected to the power system at the same time as the voltage drop due to the load connected at the load side. A comparison is made between the results of the SCESS/STATCOM and the BESS/STATCOM to show the superiority of the proposed SCESS/STATCOM during the voltage drop. The performances of the SCESS/STATCOM and the BESS/STATCOM are compared in Figure 13 and their zoomed in versions are also given in the subplots, clearly showing their performances.
Figure 13.
Comparison of load voltages. (a) Load voltages with SCESS/STATCOM; (b) Load voltages with battery energy storage system (BESS)/STATCOM.
The above results, depicted in Figure 13a, clearly show the performance of the SCESS-based STATCOM at the beginning of the operation, when the performance of the SCESS/STATCOM is best and initially boosts the voltages due to its large power density, but as time proceeds, its density decreases. Meanwhile, in Figure 13b, the performance of the battery is initially poor, but as the simulation proceeds, the performance of the battery becomes better and it overcomes the voltage drop by stabilizing it. Similarly, the load current characteristics for both the STATCOMs are given in Figure 14.
Figure 14.
Load current with STATCOMs.
A comparison is also made between the required amount of Q supplied by the SCESS/STATCOM and BESS/STATCOM during the voltage drop, which is given in Figure 15. From the comparison, it can be easily seen in Figure 15a that the Q supplied by the battery based-STATCOM contains a very high distortion and harmonic content, while in Figure 15b, it can be seen that the Q supplied by the supercapacitor-based STATCOM is very smooth and contains no harmonic content.
Figure 15.
Comparison of reactive power supplied by the STATCOMs. (a) Reactive power supplied by the BESS/STATCOM; (b) Reactive power supplied by the SCESS/STATCOM.
Similarly, a comparison is also made between the active power supplied by the SCESS/STATCOM and BESS/STATCOM, which is given in Figure 16. From Figure 16a,b, it can be concluded easily that the performance of the battery-based STATCOM is very poor, as it contains a high amount of distortion and harmonic content, while the performance of the supercapacitor-based STATCOM is best, as it supplies a high active power initially due to its large power density characteristic and contains a negligible harmonic content.
Figure 16.
Comparison of active power supplied by STATCOMs. (a) Active power supplied by the BESS/STATCOM; (b) Active power supplied by the SCESS/STATCOM.
Now, moving to the source side, the impact of the SCESS/STATCOM is also discussed. The source voltages are given in Figure 17a,b, and its zoomed in versions given in the subplots clearly show the performances of the presented STATCOMs. From the results, it can be easily concluded that the presented STATCOMs have not stabilized the source voltages completely because the SCESS/STATCOM is connected at the load side and we are also only concerned that voltages on the customer side are stabilized when any heavy load connects to the system.
Figure 17.
Comparison of source voltages. (a) Source voltages with BESS/STATCOM; (b) Source voltages with SCESS/STATCOM.
Scenario 3: System without STATCOMs when the voltage drops due to a reduction in irradiance only
Now, in this case, a voltage drop occurs due to a reduction in irradiance, and when irradiance decreases, the solar output DC current decreases, and due to this, the solar output voltage decreases. Now, as these converted three-phase voltages are connected to the grid, so there is also a reduction in the voltages on the load side. The reduction in irradiance and PV output DC voltages without the STATCOMs are shown in Figure 18, given below:
Figure 18.
Reduction in irradiance (W/m2) and PV output DC voltages without STATCOMs.
From the above figure, it can be easily understanding that the solar irradiance drops from 1000 W/m2 to 600 W/m2 during between 0.5 s and 2 s. During this period, the output solar voltages also decreased, which is clearly shown in Figure 18.
The converted three-phase source voltages and the current of the source side are given in Figure 19 and Figure 20, respectively. The zoomed in version of the source voltages and current are also given in the subplots. At this point, one thing should be kept in mind, which is that there is also a reduction in source current between 0.5 s and 2 s, this is due to a reduction in solar output current, which is due to reduction in solar irradiance.
Figure 19.
Source voltages without STATCOMs.
Figure 20.
Source current without STATCOMs.
The load voltages and load currents without STATCOMs with a reduction in solar irradiance are shown in Figure 21 and Figure 22, respectively. The zoomed in version of load voltages and current are also given in the subplots, which clearly depict the voltage dip due to the solar irradiance reduction.
Figure 21.
Load voltages without STATCOMs.
Figure 22.
Load current without STATCOMs.
Scenario 4: Comparison of SCESS/STATCOM with BESS/STATCOM when voltage drops due to a reduction in irradiance only
Now, in this case, SCESS/STATCOM is introduced to the distribution side or load side to overcome the voltage drop that occurs due to a reduction in solar irradiance. The performance of the SCESS/STATCOM is very good because it has also stabilized the voltages on the load side when there is a reduction in solar irradiance.
The load voltages of the SCESS/STATCOM and BESS/STATCOM are compared in Figure 23 and their zoomed in versions are also given in the subplots.

Figure 23.
Comparison of load voltages with STATCOMs. (a) Load voltages with BESS/STATCOM; (b) Load voltages with SCESS/STATCOM.
Figure 23a, given above, clearly depicts that, at the beginning, when the STATCOM/BESS is connected, the performance of the battery is very poor, but as time passes, the performance of the battery improves and it finally stabilizes the voltages, while in Figure 23b, it is clear that initially the SCESS/STATCOM not only boosts the voltages but also stabilizes them and the system does not feel any fluctuations when the load is connected.
Now, a comparison is also made between the source voltages given in Figure 24, and their zoomed in versions are also given in the subplots. From Figure 24a,b, it can be clearly seen that the SCESS/STATCOM and BESS/STATCOM try to stabilize the voltages but not completely because the STATCOMs are connected at the load side and we only want customer side voltages to be fully stabilized, which is achieved successfully in this system.

Figure 24.
Comparison of source voltages with STATCOMs. (a) Source voltages with BESS/STATCOM; (b) Source voltages with SCESS/STATCOM.
5. Discussion
The proposed SCESS-based STATCOM, when connected at the load side, has not only the ability to overcome the voltage drop that occurs due to the connection of heavy loads or a reduction in solar irradiance on the load side and source side, respectively, but is also superior and fast compared to the BESS-based STATCOM. Figure 13a shows the superiority of the SCESS-based STATCOM, as the performance of the SCESS-based STATCOM at the time of connection (i.e., 0.5–2 s when the voltage drop occurs due to the connection of the load on the load side) is best because it not only stabilizes the three-phase voltages but also boosts them, while on the other hand, in Figure 13b, the performance of the BESS-based STATCOM at the starting of its action is poor, as it cannot stabilize the three-phase voltages promptly when the voltage drop occurs. The fast charging and discharging and high power density characteristics of SCs have made them superior to batteries, which have low charging and discharging and low power density characteristics. From Figure 23a, it is clearly seen that to overcome voltage drops that occur due to the reduction of solar irradiance, the performance of the BESS-based STATCOM is poor at the start of its action due to its slow discharging characteristic, while from Figure 23b, it is confirmed that at the start of the connection of the SCESS-based STATCOM, its performance is best as it not only stabilizes the three-phase voltages but also boosts them.
6. Conclusions
This paper describes the performance of a SCESS-based STATCOM for the voltage stability of a power system during voltage dips that occur for a short duration (i.e., between 0.5 s and 2 s) both on the load side and the source side due to the connection of a load and due to a reduction in solar irradiance, respectively. A SCESS-based STATCOM is designed which utilizes the energy of supercapacitors in an efficient way to enhance the effectiveness of the STATCOM during short periods of voltage dips in a power system. The d-q axis controller is utilized for the efficient control of the STATCOM. For the construction of an SC bank, 17 SCs are connected in series and one in shunt of rated capacitance (400 µF) and rated voltage (48 V) in order to achieve the desired results. A detailed comparison is done successfully in four main scenarios between the SCESS/STATCOM and the BESS/STATCOM in order to verify the performance of the proposed design by simulation results. In scenario 1, a load of 100 kW and 3 kVAR is connected at the load end to create the voltage dip. In scenario 2, the SCESS/STATCOM is introduced at the time of the voltage drop and the results are discussed. In scenario 3, a voltage dip is created between 0.5 s and 2 s due to a reduction in solar irradiance. In scenario 4, the SCESS/STATCOM is introduced during the voltage dip, which is created due to a reduction in solar irradiance, to overcome the voltage dip. Conclusively, the proposed design of the SCESS/STATCOM has successfully stabilized the voltage dip that occurs both on the load and the source side and is found to be superior to the BESS/STATCOM in every aspect.
Author Contributions
M.A.K. conceptualized the idea of this research work. S.B.R. developed the proposal to the funding body and reviewed the research idea. M.M.A. developed the simulations and designed the controller. M.A.S.H. helped M.M.A. in developing the SCESS-based STATCOM. Results were analyzed by A.W., W.U., and S.H. The paper was written by all the authors with different degrees of contribution. All authors have read and agreed to the published version of the manuscript.
Funding
This work was supported by “Development of Modular Green Substation and Operation Technology” of the Korea Electric Power Corporation (KEPCO).
Conflicts of Interest
The authors declare no conflict of interest.
References
- Pereira, R.M.M.; Ferreira, C.M.M.; Barbosa, F.M. Comparative study of STATCOM and SVC performance on Dynamic Voltage Collapse of an Electric Power System with Wind Generation. IEEE Lat. Am. Trans. 2014, 12, 138–145. [Google Scholar] [CrossRef]
- Chong, H.; Huang, A.Q.; Baran, M.E.; Bhattacharya, S.; Litzenberger, W.; Anderson, L.; Johnson, A.L.; Edris, A.A. STATCOM Impact Study on the Integration of a Large Wind Farm into a Weak Loop Power System. IEEE Trans. Energy Convers. 2008, 23, 226–233. [Google Scholar] [CrossRef]
- Khan, M.A.; Ko, B.; Alois Nyari, E.; Park, S.E.; Kim, H.-J. Performance Evaluation of Photovoltaic Solar System with Different Cooling Methods and a Bi-Reflector PV System (BRPVS): An Experimental Study and Comparative Analysis. Energies 2017, 10, 826. [Google Scholar] [CrossRef]
- Leon, A.E.; Mauricio, J.M.; Solsona, J.A.; Gomez-Exposito, A. Software Sensor-Based STATCOM Control Under Unbalanced Conditions. IEEE Trans. Power Deliv. 2009, 24, 1623–1632. [Google Scholar] [CrossRef]
- Freddy, T.K.S.; Abd Rahim, N. Photovoltaic inverter topologies for grid integration applications. In Advances in Solar Photovoltaic Power Plants, 1st ed.; Islam, M.R., Rahman, F., Xu, W., Eds.; Springer: Berlin/Heidelberg, Germany, 2016; pp. 13–42. [Google Scholar]
- Valderrabano, A.; Ramirez, J.M. Details on the implementation of a conventional StatCom’s control. In Proceedings of the 2008 IEEE/PES Transmission and Distribution Conference and Exposition: Latin America, Bogota, Colombia, 13–15 August 2008; pp. 1–7. [Google Scholar]
- Khan, M.A.; Zeb, K.; Sathishkumar, P.; Himanshu; Rao, S.S.; Gopi, C.V.V.M.; Kim, H.-J. A Novel Off-Grid Optimal Hybrid Energy System for Rural Electrification of Tanzania Using a Closed Loop Cooled Solar System. Energies 2018, 11, 905. [Google Scholar] [CrossRef]
- Varma, R.K.; Khadkikar, V.; Seethapathy, R. Nighttime Application of PV Solar Farm as STATCOM to Regulate Grid Voltage. IEEE Trans. Energy Convers. 2009, 24, 983–985. [Google Scholar] [CrossRef]
- Khan, M.A.; Zeb, K.; Uddin, W.; Sathishkumar, P.; Ali, M.U.; Hussain, S.; Ishfaq, M.; Himanshu; Subramanian, A.; Kim, H.-J. Design of a Building-Integrated Photovoltaic System with a Novel Bi-Reflector PV System (BRPVS) and Optimal Control Mechanism: An Experimental Study. Electronics 2018, 7, 119. [Google Scholar] [CrossRef]
- Suul, J.A.; Molinas, M.; Undeland, T. STATCOM-Based Indirect Torque Control of Induction Machines During Voltage Recovery After Grid Faults. IEEE Trans. Power Electron. 2010, 25, 1240–1250. [Google Scholar] [CrossRef]
- Slepchenkov, M.N.; Smedley, K.M.; Jun, W. Hexagram-Converter-Based STATCOM for Voltage Support in Fixed-Speed Wind Turbine Generation Systems. IEEE Trans. Ind. Electron. 2011, 58, 1120–1131. [Google Scholar] [CrossRef]
- Chakraborty, A.; Musunuri, S.K.; Srivastava, A.K.; Kondabathini, A.K. Integrating STATCOM and Battery Energy Storage System for Power System Transient Stability: A Review and Application. Adv. Power Electron. 2012, 2012, 1–12. [Google Scholar] [CrossRef]
- Ge, Y.; Du, W.; Littler, T. Applying STATCOM/BESS stabilizers in a real large-scale power system. In Proceedings of the 2nd IET Renewable Power Generation Conference (RPG 2013), Beijing, China, 9–11 September 2013; pp. 1–4. [Google Scholar]
- Muthusamy, M.; Kumar, C.S. New STATCOM control scheme for power quality improvement in wind farm. In Proceedings of the 2014 International Conference on Green Computing Communication and Electrical Engineering (ICGCCEE), Coimbatore, India, 6–8 March 2014; pp. 1–5. [Google Scholar]
- Lirong, Z.; Yi, W.; Heming, L.; Pin, S. Hybrid power control of cascaded STATCOM/BESS for wind farm integration. In Proceedings of the IECON 2013—39th Annual Conference of the IEEE Industrial Electronics Society, Vienna, Austria, 10–13 November 2013; pp. 5288–5293. [Google Scholar]
- Mohod, S.W.; Aware, M.V. A STATCOM-Control Scheme for Grid Connected Wind Energy System for Power Quality Improvement. IEEE Syst. J. 2010, 4, 346–352. [Google Scholar] [CrossRef]
- Singh, B.; Niwas, R.; Dube, S.K. Load Leveling and Voltage Control of Permanent Magnet Synchronous Generator-Based DG Set for Standalone Supply System. IEEE Trans. Ind. Inform. 2014, 10, 2034–2043. [Google Scholar] [CrossRef]
- Kanchanaharuthai, A.; Chankong, V.; Loparo, K.A. Transient Stability and Voltage Regulation in Multimachine Power Systems Vis-à-Vis STATCOM and Battery Energy Storage. IEEE Trans. Power Syst. 2015, 30, 2404–2416. [Google Scholar] [CrossRef]
- Liu, J.; Su, C.; Wang, X.; Fang, W.; Niu, S.; Cheng, L. Abnormality in power system transient stability control of BESS/STATCOM. J. Eng. 2017, 2017, 1040–1044. [Google Scholar] [CrossRef]
- Datta, U.; Kalam, A.; Shi, J. Battery Energy Storage System to Stabilize Transient Voltage and Frequency and Enhance Power Export Capability. IEEE Trans. Power Syst. 2019, 34, 1845–1857. [Google Scholar] [CrossRef]
- Rehman, A.; Guo, C.; Zhao, C. Coordinated Control for Operating Characteristics Improvement of UHVDC Transmission Systems under Hierarchical Connection Scheme with STATCOM. Energies 2019, 12, 945. [Google Scholar] [CrossRef]
- Tuzikova, V.; Tlusty, J.; Muller, Z. A Novel Power Losses Reduction Method Based on a Particle Swarm Optimization Algorithm Using STATCOM. Energies 2018, 11, 2851. [Google Scholar] [CrossRef]
- Tareen, W.; Aamir, M.; Mekhilef, S.; Nakaoka, M.; Seyedmahmoudian, M.; Horan, B.; Memon, M.; Baig, N. Mitigation of Power Quality Issues Due to High Penetration of Renewable Energy Sources in Electric Grid Systems Using Three-Phase APF/STATCOM Technologies: A Review. Energies 2018, 11, 1491. [Google Scholar] [CrossRef]
- Popavath, L.; Kaliannan, P. Photovoltaic-STATCOM with Low Voltage Ride through Strategy and Power Quality Enhancement in a Grid Integrated Wind-PV System. Electronics 2018, 7, 51. [Google Scholar] [CrossRef]
- Aware, M.V.; Virulkar, V.B. Comparative performance of BESS and SMES in distribution network to improve power quality. Int. J. Power Energy Convers. 2009, 1, 327–347. [Google Scholar] [CrossRef]
- Jalali, A.; Aldeen, M. Improving voltage stability margin using STATCOM-storage devices. In Proceedings of the 2016 IEEE PES Innovative Smart Grid Technologies Conference Europe (ISGT-Europe), Ljubljana, Slovenia, 9–12 October 2016; pp. 1–6. [Google Scholar]
- Choi, D.; Lee, S.H.; Kang, Y.C.; Park, J. Analysis on Special Protection Scheme of Korea Electric Power System by Fully Utilizing STATCOM in a Generation Side. IEEE Trans. Power Syst. 2017, 32, 1882–1890. [Google Scholar] [CrossRef]
- Islam, M.R.; Mahfuz-Ur-Rahman, A.; Islam, M.M.; Guo, Y.G.; Zhu, J.G. Modular medium-voltage grid-connected converter with improved switching techniques for solar photovoltaic systems. IEEE Trans. Ind. Electron. 2017, 64, 8887–8896. [Google Scholar] [CrossRef]
- Islam, M.R.; Guo, Y.; Zhu, J. A multilevel medium-voltage inverter for step-up-transformer-less grid connection of photovoltaic power plants. IEEE J. Photovolt. 2014, 4, 881–889. [Google Scholar] [CrossRef]
- Yu, S.; Fernando, T.; Chau, T.K.; Iu, H.H. Voltage Control Strategies for Solid Oxide Fuel Cell Energy System Connected to Complex Power Grids Using Dynamic State Estimation and STATCOM. IEEE Trans. Power Syst. 2017, 32, 3136–3145. [Google Scholar] [CrossRef]
- Khan, M.A.; Zeb, K.; Sathishkumar, P.; Ali, M.U.; Uddin, W.; Hussain, S.; Ishfaq, M.; Khan, I.; Cho, H.-G.; Kim, H.-J. A Novel Supercapacitor/Lithium-Ion Hybrid Energy System with a Fuzzy Logic-Controlled Fast Charging and Intelligent Energy Management System. Electronics 2018, 7, 63. [Google Scholar] [CrossRef]
- Hussain, S.; Ali, M.U.; Park, G.-S.; Nengroo, S.H.; Khan, M.A.; Kim, H.-J. A Real-Time Bi-Adaptive Controller-Based Energy Management System for Battery–Supercapacitor Hybrid Electric Vehicles. Energies 2019, 12, 4662. [Google Scholar] [CrossRef]
- Hussain, S.; Ali, M.U.; Nengroo, S.H.; Khan, I.; Ishfaq, M.; Kim, H.-J. Semiactive Hybrid Energy Management System: A Solution for Electric Wheelchairs. Electronics 2019, 8, 345. [Google Scholar] [CrossRef]
- Kun, Y.; Xiaoxiao, C.; Yue, W.; Lei, C.; Guozhu, C. PCC voltage stabilization by D-STATCOM with direct grid voltage control strategy. In Proceedings of the 2012 IEEE International Symposium on Industrial Electronics, Hangzhou, China, 28–31 May 2012; pp. 442–446. [Google Scholar]
- Soman, S.; Scaria, R. Power System Stability and LVRT Capability Enhancement of Grid Connected Hybrid System with UPFC and Energy Storage System. Int. J. Sci. Res. 2013, 5, 1310–1317. [Google Scholar]
- Kovaltchouk, T.; Ahmed, H.B.; Multon, B.; Aubry, J.; Venet, P. An aging-aware life cycle cost comparison between supercapacitors and Li-ion batteries to smooth Direct Wave Energy Converter production. In Proceedings of the 2015 IEEE Eindhoven PowerTech, Eindhoven, The Netherlands, 29 June–2 July 2015; pp. 1–6. [Google Scholar]
© 2020 by the authors. Licensee MDPI, Basel, Switzerland. This article is an open access article distributed under the terms and conditions of the Creative Commons Attribution (CC BY) license (http://creativecommons.org/licenses/by/4.0/).