The Conducted Emission Attenuation of Micro-Inverters for Nanogrid Systems
Abstract
1. Introduction
2. Literature Review
3. The Conducted Emission Measuring Method
4. The Conducted Emission of the Grid-Connected System
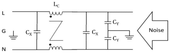
4.1. The EMI Filter Design for the Grid-Connected System
- fR,CM is the cut-off frequency of the CM (Hz)
- fR,DM is the cut-off frequency of the DM (Hz)
- LCM is the CM chock (H)
- Lleakge is the leakage inductance of the CM chock (H)
- LDM is the DM chock (H)
- LD is the DM inductance (H)
- CY is the CM capacitor (F)
- CX is the DM capacitor (CX = CX1 = CX2) (F)
- R is the resistor (Ω)
4.2. The Conducted Emission Attenuation of the Grid-Connected System
4.2.1. Conducted Emission
4.2.2. Common Mode and Differential Mode
5. The Conducted Emission of the Stand-alone System
- The input DC voltage was 24 V.
- The output AC voltage was 220 Vrms.
- The rated power was 300 W.
- The alternating output frequency was 50 Hz.
- The switching frequency of MOSFET was 20,000 Hz.
- The frequency modulation (mf) was 400 Hz. (20,000 /50)
- The modulated voltage (ma) was 220 Vrms. (Load)
5.1. The EMI Filter Design for the Stand-alone System
- Common Mode Choke: CM Choke: LC
- Differential Mode Choke: DM Choke: LD
- Common Mode Capacitor: CY
- Differential Mode Capacitor: CX
- Resistor: R
5.2. The Conducted Emission of the Stand-alone System
6. Conclusions
Author Contributions
Funding
Acknowledgments
Conflicts of Interest
References
- Yoomak, S.; Jettanasen, C.; Ngaopitakkul, A.; Bunjongjit, S.; Leelajindakrairerk, M. Comparative study of lighting quality and power quality for LED and HPS luminaires in a roadway lighting system. Energy Build. 2018, 159, 542–557. [Google Scholar] [CrossRef]
- Tannous, S.; Manneh, R.; Harajli, H.; Zakhem, H.E. Comparative cradle-to-grave life cycle assessment of traditional grid-connected and solar stand-alone street light systems: A case study for rural areas in Lebanon. J. Clean. Prod. 2018, 186, 963–977. [Google Scholar] [CrossRef]
- Panguloori, R.B.; Mishra, P.R.; Kumar, S. Power distribution architectures to improve system efficiency of centralized medium scale PV street lighting system. Sol. Energy 2013, 97, 405–413. [Google Scholar] [CrossRef]
- Roche, O.M.; Blanchard, R.E. Design of a solar energy centre for providing lighting and income-generating activities for off-grid rural communities in Kenya. Renew. Energy 2018, 118, 685–694. [Google Scholar] [CrossRef]
- Shaahid, S.M.; Elhadidy, M.A. Opportunities for utilization of stand-alone hybrid (photovoltaic+diesel+battery) power systems in hot climates. Renew. Energy 2003, 28, 1741–1753. [Google Scholar] [CrossRef]
- Shaahid, S.M.; Elhadidy, M.A. Prospects of autonomous/stand-alone hybrid (photovoltaic+ diesel+battery) power systems in commercial applications in hot regions. Renew. Energy 2004, 29, 165–177. [Google Scholar] [CrossRef]
- Ramadhani, F.; Bakar, K.A.; Hussain, M.A.; Erixno, O.; Nazir, R. Optimization with traffic-based control for designing standalone streetlight system: A case study. Renew. Energy 2017, 105, 149–159. [Google Scholar] [CrossRef]
- Hossain, M.; Mekhilef, S.; Olatomiwa, L. Performance evaluation of a stand-alone PV-wind-diesel-battery hybrid system feasible for a large resort center in South China Sea, Malaysia. Sustain. Cities Soc. 2017, 28, 358–366. [Google Scholar] [CrossRef]
- Milosavljević, D.D.; Pavlović, T.M.; Piršl, D.S. Performance analysis of A grid-connected solar PV plant in Niš, republic of Serbia. Renew. Sustain. Energy Rev. 2015, 44, 423–435. [Google Scholar] [CrossRef]
- Bhattacharya, P.; Dey, S.; Mustaphi, B. Some Analytical Studies on the Performance of Grid Connected Solar Photovoltaic System with Different Parameters. Procedia Mater. Sci. 2014, 6, 1942–1950. [Google Scholar] [CrossRef]
- Hasan, R.; Mekhilef, S.; Seyedmahmoudian, M.; Horan, B. Grid-connected isolated PV microinverters: A review. Renew. Sustain. Energy Rev. 2017, 67, 1065–1080. [Google Scholar] [CrossRef]
- Omar, M.A.; Mahmoud, M.M. Grid connected PV-home systems in Palestine: A review on technical performance, effects and economic feasibility. Renew. Sustain. Energy Rev. 2018, 82 Pt 3, 2490–2497. [Google Scholar] [CrossRef]
- Elkholy, A.; Fahmy, F.H.; El-Ela, A.A.; Nafeh AE, S.A.; Spea, S.R. Experimental evaluation of 8kW grid-connected photovoltaic system in Egypt. J. Electr. Syst. Inf. Technol. 2016, 3, 217–229. [Google Scholar] [CrossRef]
- Han, D.; Li, S.; Wu, Y.; Choi, W.; Sarlioglu, B. Comparative Analysis on Conducted CM EMI Emission of Motor Drives: WBG Versus Si Devices. IEEE Trans. Ind. Electron. 2017, 64, 8353–8363. [Google Scholar] [CrossRef]
- Satish Kumar, M.; Jhansi Rani, A. Reduction of conducted electromagnetic interference by using filters. Comput. Electr. Eng. 2018, 72, 169–178. [Google Scholar] [CrossRef]
- Nasser, N.Y. Practical Approach in Designing Conducted EMI Filter to Mitigate and Differenctail Mode Noises in SMPS. J. Eng. Dev. 2012, 16, 164–183. [Google Scholar]
- Chen, J.; Jiang, D.; Li, Q. Attenuation of conducted EMI for three-level inverters through PWM. CPSS Trans. Power Electron. Appl. 2018, 3, 134–145. [Google Scholar] [CrossRef]
- Hedayati, M.H.; John, V. Novel Integrated CM Inductor for Single-Phase Power Converters with Reduced EMI. IEEE Trans. Ind. Appl. 2017, 53, 1300–1307. [Google Scholar] [CrossRef]
- Jettanasen, C. Passive common-mode EMI filter adapted to an adjustable-speed AC motor drive. In Proceedings of the 2010 Conference Proceedings IPEC, Singapore, 27–29 October 2010; pp. 1025–1030. [Google Scholar]
- Akagi, H.; Shimizu, T. Attenuation of Conducted EMI Emissions from an Inverter-Driven Motor. IEEE Trans. Power Electron. 2008, 23, 282–290. [Google Scholar] [CrossRef]
- Zhang, H.; Yang, L.; Wang, S.; Puukko, J. Common-Mode EMI Noise Modeling and Reduction with Balance Technique for Three-Level Neutral Point Clamped Topology. IEEE Trans. Ind. Electron. 2017, 64, 7563–7573. [Google Scholar] [CrossRef]
- Maillet, Y.; Lai, R.; Wang, S.; Wang, F.; Burgos, R.; Boroyevich, D. High-Density EMI Filter Design for DC-Fed Motor Drives. IEEE Trans. Power Electron. 2010, 25, 1163–1172. [Google Scholar] [CrossRef]
- Mohammadi, F.; Nazri, G.A.; Saif, M.A. Bidirectional Power Charging Control Strategy for Plug-in Hybrid Electric Vehicles. Sustainability 2019, 11, 4317. [Google Scholar] [CrossRef]
- Mehdipour, C.; Mohammadi, F. Design and Analysis of a Stand-Alone Photovoltaic System for Footbridge Lighting. J. Sol. Energy Res. 2019, 4, 85–91. [Google Scholar]
- Ji, J.; Chen, W.; Yang, X.; Zhang, X.; Zhi, N. A layout method of passive EMI filter. In Proceedings of the 2017 IEEE Energy Conversion Congress and Exposition (ECCE), Cincinnati, OH, USA, 1–5 October 2017; pp. 2346–2349. [Google Scholar]
- Kotny, J.L.; Duquesne, T.; Idir, N. EMI Filter design using high frequency models of the passive components. In Proceedings of the 2011 IEEE 15th Workshop on Signal Propagation on Interconnects (SPI), Naples, Italy, 8–11 May 2011; pp. 143–146. [Google Scholar]
- Ji, J.; Chen, W.; Gu, Z.; Yang, X.; Zhang, X. A control method of digital active EMI filter. In Proceedings of the 2017 IEEE Applied Power Electronics Conference and Exposition (APEC), Tampa, FL, USA, 26–30 March 2017; pp. 1141–1145. [Google Scholar]
- Giglia, G.; Ala, G.; Di Piazza, M.C.; Giaconia, G.C.; Luna, M.; Vitale, G.; Zanchetta, P. Automatic EMI Filter Design for Power Electronic Converters Oriented to High Power Density. Electronics 2018, 7, 9. [Google Scholar] [CrossRef]
- Zhu, H.; Liu, D.; Zhang, X.; Qu, F. Reliability of Boost PFC Converters with Improved EMI Filters. Electronics 2018, 7, 413. [Google Scholar] [CrossRef]
- Wu, X.; Xu, D.; Wen, Z.; Okuma, Y.; Mino, K. Design, Modeling, and Improvement of Integrated EMI Filter With Flexible Multilayer Foils. IEEE Trans. Power Electron. 2011, 26, 1344–1354. [Google Scholar] [CrossRef]
- Subramaniam, U.; Bhaskar, S.M.; Almakhles, D.J.; Padmanaban, S.; Leonowicz, Z. Investigations on EMI Mitigation Techniques: Intent to Reduce Grid-Tied PV Inverter Common Mode Current and Voltage. Energy 2019, 12, 3395. [Google Scholar] [CrossRef]
- Yu, S.; Chen, N.; Gao, L.; Zhou, H.; Huang, Y. Suppressing Conducted DM EMI in an Active Power Filter via Periodic Carrier Frequency Modulation. Energy 2019, 12, 1903. [Google Scholar] [CrossRef]
- Zhai, L.; Zhang, T.; Cao, Y.; Yang, S.; Kavuma, S.; Feng, H. Conducted EMI Prediction and Mitigation Strategy Based on Transfer Function for a High-Low Voltage DC-DC Converter in Electric Vehicle. Energy 2018, 11, 1028. [Google Scholar] [CrossRef]
- Wang, Y. Comparison of Differential-Mode and Mixed-Mode Conducted Emission for Household Appliances in Power-Line Communication System. IEEE Trans. Electromagn. Compat. 2017, 59, 2023–2028. [Google Scholar] [CrossRef]
- Morris, C.T.; Han, D.; Sarlioglu, B. Reduction of Common Mode Voltage and Conducted EMI Through Three-Phase Inverter Topology. IEEE Trans. Power Electron. 2017, 32, 1720–1724. [Google Scholar] [CrossRef]
- Jiang, D.; Shen, Z.; Wang, F. Common-Mode Voltage Reduction for Paralleled Inverters. IEEE Trans. Power Electron. 2018, 33, 3961–3974. [Google Scholar] [CrossRef]
- Hedayati, H.; John, V. EMI and ground leakage current reduction in single-phase grid-connected power converter. IET Power Electron. 2017, 10, 938–944. [Google Scholar] [CrossRef]
- Jiraprasertwong, J.; Jettanasen, C. Practical Design of a Passive EMI Filter for Reduction of EMI Generation. In Proceedings of the International Multi Conference of Engineers and Computer Scientists 2015 Vol II, IMECS 2015, Hong Kong, 18–20 March 2015. [Google Scholar]
- Nave, M.J. The Effect of Duty Cycle on SMPS Common Mode Emissions: Theory and Experiment. Procedings of the National Symposium on Electromagnetic Compatibility, Denver, CO, USA, 23–25 May 1989; pp. 211–216. [Google Scholar]
- Ott, W.H.; Nave, M.J. Power Line Filter Design for Switched-Mode Power Supplies; Chapter 5; Van Nostrand Reinhold Co.: New York, NY, USA, 1991; pp. 102–110. [Google Scholar]
- IEEE Standard Association. American National Standard Dictionary of Electromagnetic Compatibility (EMC) including Electromagnetic Environmental Effects (E3). Available online: https://ieeexplore.ieee.org/document/7096895 (accessed on 20 December 2019).




























| Reference | Focus on | Attenuation by | Applied Device |
|---|---|---|---|
| 20, 23, 26, 28, 32 | CE (CM & DM) | Passive EMI filter | Power converter |
| 31 | CE | Passive EMI filter | Linear and non-linear load |
| 27, 33 | CE | Passive EMI filter | - |
| 22 | CE | CM inductor | Single-phase power converter |
| 30 | CE | Inductor, choke, PI filter | - |
| 21, 34 | CE | Harmonic injection method | Three-phase grid-tie inverter |
| 35 | CE | Active power filter | - |
| 36 | CE | Transfer function | High-low voltage DC-DC converter |
| 24 | CE | - | Motor drive inverter |
| This research | CE (CM & DM) | Grounding, Ferrite beads, Passive EMI filters | grid-connected and stand-alone micro-inverter |
| Frequency Range (MHz) | Quasi-peak Level (dB(μV)) | Average Level (dB(μV)) |
|---|---|---|
| Linear Level Scale with Decade Frequency Scale | ||
| 0.15–0.50 | 80–74 | 70–64 |
| 0.50–5.00 | 74 | 64 |
| 5.00–30.0 | 74 | 64 |
| Frequency Range (MHz) | Quasi-peak Level (dB(μV)) | Average Level (dB(μV)) |
|---|---|---|
| Linear Level Scale with Decade Frequency Scale | ||
| 0.15–0.50 | 66–56 | 59–46 |
| 0.50–5.00 | 56 | 46 |
| 5.00–30.0 | 60 | 50 |
| Order | Result Voltage Harmonic (%) | Limit Standard Voltage Harmonic (%) | Order | Result Voltage Harmonic (%) | Limit Standard Voltage Harmonic (%) |
|---|---|---|---|---|---|
| DC | 0.000 | 0.500 | THDV | 1.100 | 5.000 |
| 1 | 100.000 | 100.000 | 26 | 0.000 | 0.150 |
| 2 | 0.000 | 1.000 | 27 | 0.000 | 0.600 |
| 3 | 0.200 | 4.000 | 28 | 0.000 | 0.150 |
| 4 | 0.000 | 1.000 | 29 | 0.000 | 0.600 |
| 5 | 0.900 | 4.000 | 30 | 0.000 | 0.150 |
| 6 | 0.000 | 1.000 | 31 | 0.000 | 0.600 |
| 7 | 0.500 | 4.000 | 32 | 0.000 | 0.150 |
| 8 | 0.000 | 1.000 | 33 | 0.000 | 0.600 |
| 9 | 0.100 | 4.000 | 34 | 0.000 | 0.150 |
| 10 | 0.000 | 1.000 | 35 | 0.000 | 0.300 |
| 11 | 0.300 | 2.000 | 36 | 0.000 | 0.075 |
| 12 | 0.000 | 0.500 | 37 | 0.000 | 0.300 |
| 13 | 0.200 | 2.000 | 38 | 0.000 | 0.075 |
| 14 | 0.000 | 0.500 | 39 | 0.000 | 0.300 |
| 15 | 0.100 | 2.000 | 40 | 0.000 | 0.075 |
| 16 | 0.000 | 0.500 | 41 | 0.000 | 0.300 |
| 17 | 0.100 | 1.500 | 42 | 0.000 | 0.075 |
| 18 | 0.000 | 0.375 | 43 | 0.000 | 0.300 |
| 19 | 0.000 | 1.500 | 44 | 0.000 | 0.075 |
| 20 | 0.000 | 0.375 | 45 | 0.000 | 0.300 |
| 21 | 0.000 | 1.500 | 46 | 0.000 | 0.075 |
| 22 | 0.000 | 0.375 | 47 | 0.000 | 0.300 |
| 23 | 0.000 | 0.600 | 48 | 0.000 | 0.075 |
| 24 | 0.000 | 0.150 | 49 | 0.000 | 0.300 |
| 25 | 0.100 | 0.600 | 50 | 0.000 | 0.075 |
| Parameters of Passive EMI Filters | Passive EMI Filter Model | ||||
|---|---|---|---|---|---|
| Without LDM | With LDM | ||||
| 1 | 2 | 3 | 4 | 5 | |
| fR,CM (kHz) | 16.37 | 30.75 | 17.02 | 33.42 | 30.74 |
| fR,DM (kHz) | 14.25 | 35.67 | 9.35 | 23.86 | 15.99 |
| LCM (mH) | 14.51 | 6.04 | 17.22 | 3.42 | 6.04 |
| Lleakege (µH) | 218.00 | 90.60 | 258.00 | 50.13 | 90.60 |
| LDM (µH) | 0.00 | 0.00 | 179.61 | 74.67 | 180.00 |
| CX (µF) | 0.57 | 0.22 | 0.47 | 0.22 | 0.22 |
| CY (nF) | 3.26 | 2.22 | 2.54 | 3.32 | 2.22 |
| R (M.ohm) | 0.00 | 1.00 | 0.00 | 1.00 | 1.00 |
| Topic | Model | Same | Different | Note |
|---|---|---|---|---|
| With and without LDM and R | 1 and 3 | LCM, CX, CY | LDM | Model 1 have no LDM and R |
| 2 and 5 | LCM, CX, CY, R | LDM | Model 2 has no LDM | |
| Reduce some parameters | 4 and 5 | CX, CY, R | LCM, LDM | LCM and LDM of model 4 are half of model 5 |
| 1 and 2 | LDM | LCM, CX, CY, R | LCM, CX, and CY of model 2 are half of model 1 | |
| 3 and 5 | LDM, CY | LCM, CX, R | LCM, and CX of model 5 are one-third of model 3 |
| Order | Result Voltage Harmonic (%) | Standard Limit Voltage Harmonic (%) |
|---|---|---|
| DC | 0.034 | 0.500 |
| 1 | 100.000 | 100.000 |
| 2 | 0.895 | 1.000 |
| 3 | 1.955 | 4.000 |
| 4 | 0.840 | 1.000 |
| 5 | 0.555 | 4.000 |
| 6 | 0.595 | 1.000 |
| 7 | 0.850 | 4.000 |
| 8 | 0.525 | 1.000 |
| 9 | 0.680 | 4.000 |
| 10 | 0.410 | 1.000 |
| THDi | 3.035 | 5.000 |
| EMI Filter Parameter | LC (mH) | Lleakage (μH) | CX (μF) | CY (nF) | R (kΩ) |
|---|---|---|---|---|---|
| Value | 8.84 | 71.59 | 0.47 * | 4.70 ** | 680 |
| No. | Frequency (Hz) | Result | Margin | ||
|---|---|---|---|---|---|
| QP [dB(µV)] | AV [dB(µV)] | QP [dB] | AV [dB] | ||
| No EMI filter | |||||
| 1 | 0.15820 | 90.7 | 84.0 | −10.7 | −14.0 |
| 2 | 0.20111 | 91.7 | 84.9 | −11.7 | −14.9 |
| 3 | 7.02950 | 81.7 | 76.4 | −7.7 | −12.4 |
| EMI filter | |||||
| 1 | 0.16189 | 93.8 | 86.8 | −13.8 | −16.8 |
| 2 | 0.50266 | 77.9 | 70.3 | −3.9 | −6.3 |
| 3 | 6.32188 | 75.8 | 70.8 | −1.8 | −6.8 |
| EMI Filter with ground | |||||
| 1 | 0.16052 | 72.0 | 65.4 | 8.0 | 4.6 |
| 2 | 0.18129 | 69.4 | 61.9 | 10.6 | 8.1 |
| 3 | 14.04295 | 59.8 | 50.1 | 14.2 | 13.9 |
© 2019 by the authors. Licensee MDPI, Basel, Switzerland. This article is an open access article distributed under the terms and conditions of the Creative Commons Attribution (CC BY) license (http://creativecommons.org/licenses/by/4.0/).
Share and Cite
Jettanasen, C.; Ngaopitakkul, A. The Conducted Emission Attenuation of Micro-Inverters for Nanogrid Systems. Sustainability 2020, 12, 151. https://doi.org/10.3390/su12010151
Jettanasen C, Ngaopitakkul A. The Conducted Emission Attenuation of Micro-Inverters for Nanogrid Systems. Sustainability. 2020; 12(1):151. https://doi.org/10.3390/su12010151
Chicago/Turabian StyleJettanasen, Chaiyan, and Atthapol Ngaopitakkul. 2020. "The Conducted Emission Attenuation of Micro-Inverters for Nanogrid Systems" Sustainability 12, no. 1: 151. https://doi.org/10.3390/su12010151
APA StyleJettanasen, C., & Ngaopitakkul, A. (2020). The Conducted Emission Attenuation of Micro-Inverters for Nanogrid Systems. Sustainability, 12(1), 151. https://doi.org/10.3390/su12010151
