Transport Infrastructure Interdependency: Metro’s Failure Propagation in the Road Transport System in Mexico City
Abstract
1. Introduction
2. The Traveling Patterns and the Metro’s Failure and Its Aftermath
2.1. The Traveling Patterns in the Context of Mexico City
2.2. The Metro System Failure and Its Consequences
- At about 18:19 h, a fault in the track apparatus, which allows to change from one track to another failed, prompting the metro system line-C to a halt.
- Local authorities dispatched about 100 buses to assist the stranded commuters but were overwhelmed by the vast amount of people.
- Hundreds (if not thousands) of commuters in the city center heading to the north of the city did not have any choice but to walk.
- A chaotic situation was still seen at the entrance of BRT stations (e.g., Station 9, Figure 1b).
- At about 20:37 h, it is believed that commuters traveling from the north to the south of the city experienced delays for up to 50 min.
- As part of the existing emergency plan, Metrobus (the organization running the BRT system) sent fifteen BRT buses; however, nothing changed.
- It is believed that most (if not all) of the commuters reached their homes the following day early in the morning.
3. The Case Study and the SSMS Model
3.1. An Overview of the Mexico City Transport System
3.2. A Brief Description of the SSMS Model
- a)
- a structural organization which consists of a ‘basic unit’ in which it is necessary to achieve five functions associated with Systems 1–5, as described briefly below (Figure 4).
- b)
- a ‘recursive’ (i.e., layered) structure
- c)
- relative autonomy
- d)
- four organizational principles
- e)
- the concept of MRA (maximum risk acceptable) and acceptable range of risk
- f)
- the concept of ‘viability’ of a safety management system.
- g)
- The model is augmented by various sub-models or paradigms [43]; e.g., communication and control sub-models, ‘human factors paradigms’, etc. Such paradigms may be valuably employed as part of the overall approach.
3.3. Modeling the Case Study
- a)
- System 1: Metro Transport Operations (MTO), which comprises twelve metro lines; however, only eight are shown, including the metro line-C, where the incident occurred.
- b)
- System 1: BRTO, which comprises six BRT lines.
4. Results and Discussion
- a)
- An analysis on how the metro failure propagated at the level of Mexico City’s transport network (i.e., Recursion 1 and 2); see Section 4.1;
- b)
- An analysis on how the failure of the metro line-C affected the other metro lines of the metro network (i.e., Recursion 2 and 3); see Section 4.2, and
- c)
- An analysis on how the BRT system was affected by the metro incident (i.e., Recursion 2 and 3); see Section 4.3.
4.1. Failure Propagation in the City’s Transport Network (Recursion 1 and 2: MCT-SMU + MCTO, Figures 3–6)
4.1.1. Horizontal Interdependency (Operational and Managerial)
Operational Interdependency
Managerial Interdependency
4.1.2. Vertical Interdependency (Managerial)
4.2. Failure Propagation Within the Metro Transport Network (Recursion 2 and 3: MT-SMU+MTO, Figures 7 and 8)
4.2.1. Horizontal Interdependency (Operational and Managerial)
Operational Interdependency
Managerial Interdependency
4.2.2. Vertical Interdependency (Managerial)
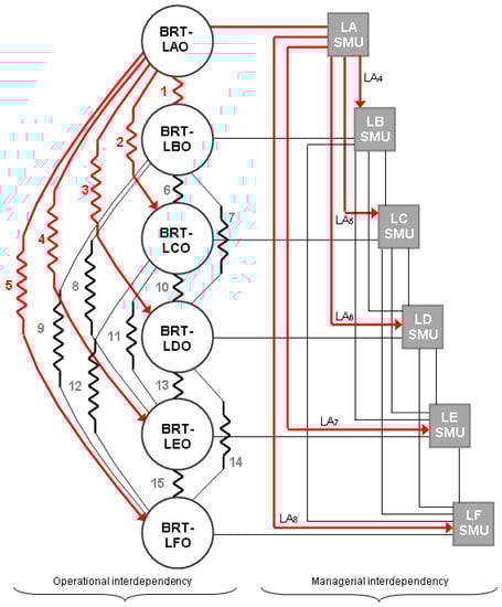
4.3. Failure Propagation within the BRT System Network (Recursion 2 and 3: BRT-SMU+BRTO, Figures 9 and 10)
4.3.1. Horizontal Interdependency (Operational and Managerial)
Operational Interdependency
Managerial Interdependency
4.3.2. Vertical Interdependency (Managerial)
4.4. Discussion
4.4.1. On the Commuter’s Destination Patterns
4.4.2. On the Failure Propagation
5. Conclusions
- a)
- Overall, the systemic model has demonstrated its potential to be employed in the analysis of critical infrastructure interdependency, such as the present case study. It has shown that the complexity of the Mexico City transport system, as a whole, can be reduced by mapping it onto the format of the ‘structural organization’ (i.e., System 1–5) of the model. Moreover, it has shown that the failure propagates vertically and horizontally. Furthermore, the model has highlighted that failure propagation amongst critical infrastructures has to do with a coordination function.
- b)
- In relation to the case study, it has been found that the actions taken by the key decision-makers that performed some of the functions related to System 2 (a coordination function) were less than adequate.
- c)
- The commuters traveling patterns should be considered when designing emergency plans in case of a disruption of the transport system.
- d)
- More generally, there is a need for designing a system to manage critical infrastructure protection in the context of Mexico.
Author Contributions
Funding
Conflicts of Interest
References
- UNSD. United Nations Sustainable Goals-Goal 11: Make cities inclusive, safe, resilient and sustainable. United Nations Sustainable Development. 2015. Available online: https://www.un.org/sustainabledevelopment/cities/ (accessed on 23 March 2019).
- BMZ. Urban Mobility-Strategies for Liveable Cities; Federal Ministry for Economic Cooperation and Development: Bonn, Germany, 2017. [Google Scholar]
- Rajé, F.; Tight, M.; Pope, F.D. Traffic pollution: A search for solutions for a city like Nairobi. Cities 2018, 82, 100–107. [Google Scholar] [CrossRef]
- Yua, Y.; Yang, X.; Li, K. Effects of the terms and characteristics of cadres on environmental pollution: Evidence from 230 cities in China. J. Environ. Manag. 2019, 232, 179–187. [Google Scholar] [CrossRef]
- Weisbrod, G.; Mulley, C.; Hensher, D. Recognising the complementary contributions of cost benefit analysis and economic impact analysis to an understanding of the worth of public transport investment: A case study of bus rapid transit in Sydney, Australia. Res. Transp. Econ. 2016, 9, 450–461. [Google Scholar] [CrossRef]
- Wöhrnschimmel, H.; Zuk, M.; Martínez-Villa, G.; Ceron, J.; Cardenas, B.; Rojas-Bracho, L.; Fernandez-Bremauntz, A. The impact of a Bus Rapid Transit system on commuter’s exposure to Benzene, CO, PM2.5 and PM10 in Mexico City. Atmos. Environ. 2008, 35, 8194–8203. [Google Scholar]
- Peprah, C.; Amponsah, O.; Oduro, C. A system view of smart mobility and its implications for Ghanian cities. Sustain. Cities Soc. 2019, 44, 739–747. [Google Scholar] [CrossRef]
- PCCIP (President’s Commission on Critical Infrastructure Protection). Critical Foundations: Protecting America’s Infrastructures. 1997. Available online: http://www.ciao.gov (accessed on 18 February 2018).
- Rehak, D.; Senovsky, P.; Hromada, M.; Lovecek, T.; Novotny, P. Cascading impact assessment in a critical infrastructure system. Int. J. Crit. Infrastruct. Prot. 2018, 22, 115–138. [Google Scholar] [CrossRef]
- Huang, C.N.; Liou, J.H.; Chuang, Y.C. A method for exploring the interdependencies and importance of critical infrastructures. Knowl. Based Syst. 2014, 55, 66–74. [Google Scholar] [CrossRef]
- Panzieri, S.; Setola, R. Failures propagation in critical interdependent infrastructures. Int. J. Model. Identif. Control 2008, 3, 69–78. [Google Scholar] [CrossRef]
- Rosato, V.; Issacharoff, L.; Tiriticco, F.; Meloni, S.; De Porcellini, S.; Setola, R. Modelling interdependent infrastructures using interacting dynamical models. Int. J. Crit. Infrastruct. 2008, 4, 63–79. [Google Scholar] [CrossRef]
- Singh, A.N.; Gupta, M.P.; Ojha, A. Identifying critical infrastructure sectors and their dependencies: An Indian scenario. Int. J. Crit. Infrastruct. Prot. 2014, 7, 71–85. [Google Scholar] [CrossRef]
- Santos-Reyes, J.; Padilla-Pérez, D.; Beard, A.N. Modelling critical infrastructure interdependency: The case of the Mexico City Metro transport system. Hum. Ecol. Risk Assess. Int. J. 2015, 21, 1428–1444. [Google Scholar] [CrossRef]
- Seppanen, H.; Luokkala, P.; Zhang, Z.; Torkki, P.; Virrantaus, K. Critical infrastructure vulnerability – A method for identifying the infrastructure service failure interdependencies. Int. J. Crit. Infrastruct. Prot. 2018, 22, 25–38. [Google Scholar] [CrossRef]
- CISA (Cybersecurity and Infrastructure Security Agency). Critical infrastructure sectors. 2019. Available online: https://www.dhs.gov/cisa/critical-infrastructure-sectors (accessed on 15 August 2019).
- CPNI (Centre for the Protection of National Infrastructure). Critical National Infrastructure. 2018. Available online: https://www.cpni.gov.uk/critical-national-infrastructure-0 (accessed on 15 August 2019).
- PSC (Public Safety Canada). National Cross Sector Forum-2018-2020 Action Plan for Critical Infrastructure. 2019. Available online: https://www.publicsafety.gc.ca/cnt/rsrcs/pblctns/pln-crtcl-nfrstrctr-2018-20/index-en.aspx#a11 (accessed on 15 August 2019).
- Hoterová, K.; Dvorák, Z.; Blaho, P. Objectification of criteria for a critical infrastructure elements in the rail transport sub-sector. Transp. Res. Procedia 2019, 40, 1349–1355. [Google Scholar] [CrossRef]
- Borradá, J.; Valdés, B. Strategic infrastructures. SeguriLatam-Integral Security Magazine, 2018; 10–12. (In Spanish) [Google Scholar]
- Calderon, J.L. Critical infrastructure in Mexico: The approach to the future. SeguriLatam-Integral Security Magazine, 2018; 10–12. (In Spanish) [Google Scholar]
- The Guardian. Available online: https://www.theguardian.com/uk-news/2018/jul/28/delays-to-flights-ferries-and-eurotunnel-after-storms-across-europe (accessed on 28 August 2019).
- Chunlei, W.; Lan, F.; Yiqi, D. National Critical Infrastructure Modeling and Analysis Based on Complex System Theory. In Proceedings of the 2011 First International Conference on Instrumentation, Measurement, Computer, Communication and Control, Beijing, China, 21–23 October 2011; pp. 832–836. [Google Scholar]
- Malandri, C.; Fonzone, A.; Cats, O. Recovery time and propagation effects of passanger transport disruptions. Phys. A 2018, 505, 7–17. [Google Scholar] [CrossRef]
- Gahemi, N.; Zilco, A.A.; Yan, F.; Cats, O.; Kurowicka, D.; Goverde, M.P. Impact of railway disruption predictions and rescheduling on passenger delays. J. Rail Transp. Plan. Manag. 2018, 8, 103–122. [Google Scholar]
- Sun, X.; Wandelt, S. Complementary strengths of airlines under network disruptions. Saf. Sci. 2018, 103, 76–87. [Google Scholar] [CrossRef]
- Santos-Reyes, J.; Beard, A.N. A Systemic Analysis of the Paddington Railway Accident. J. Rail Rapid Transit Proc. Imeche Part F 2006, 220, 121–151. [Google Scholar] [CrossRef]
- Santos-Reyes, J.; Beard, A.N. A systemic analysis of the Edge-Hill railway accident. Accid. Anal. Prev. 2009, 41, 1133–1144. [Google Scholar] [CrossRef]
- Santos-Reyes, J.; Beard, A.N. A Systemic Approach to Safety Management on the British Railway System. Civ. Eng. Environ. Syst. 2003, 20, 1–21. [Google Scholar] [CrossRef]
- Santos-Reyes, J.; Beard, A.N.; Smith, R.A. A Systemic Analysis of Railway Accidents. J. Rail Rapid Transit Proc. Imeche Part F 2005, 219, 47–65. [Google Scholar] [CrossRef]
- Santos-Reyes, J.; Beard, A.N. Applying the SDMS model to the analysis of the Tabasco flood disaster in Mexico. Hum. Ecol. Risk Assess. Int. J. 2011, 17, 646–677. [Google Scholar] [CrossRef]
- Santos-Reyes, J.; Beard, A.N. An analysis of the emergency response system of the 1996 channel tunnel fire. Tunn. Undergr. Space Technol. 2017, 65, 121–139. [Google Scholar] [CrossRef]
- Santos-Reyes, J.; Beard, A.N. An analysis of the 1996 Channel Tunnel fire. J. Rail Rapid Transit: Proc. ImechePart F 2017, 231, 850–876. [Google Scholar] [CrossRef]
- Santos-Reyes, J.; Beard, A.N. A systemic approach to safety management. J. Loss Prev. Process Ind. 2008, 21, 15–28. [Google Scholar] [CrossRef]
- Santos-Reyes, J.; Beard, A.N. A SSMS model with application to the oil gas industry. J. Loss Prev. Process Ind. 2009, 22, 958–970. [Google Scholar] [CrossRef]
- Santos-Reyes, J.; Beard, A.N. A systemic approach to fire safety management. Fire Saf. J. 2001, 36, 359–390. [Google Scholar] [CrossRef]
- INEGI. Origin-Destination Survey in Households of the Metropolitan Zone of Valley of Mexico; INEGI: Aguascalientes, México, 2017. (In Spanish) [Google Scholar]
- Padilla-Pérez, D.; Santos-Reyes, J. Report on the Failure of the Metro Line 3; SEPI- ESIME, Zac., Instituto Politécnico Nacional: Mexico City, Mexico, 2017. (In Spanish) [Google Scholar]
- UN (United Nations). World Urbanization Prospects: The 2003 Revision, Data, Tables and Highlights; United Nations: New York, NY, USA, 2004. [Google Scholar]
- FIMEVIC. Diagnosis of the Mobility of People in Mexico City; Mexico City Government: Mexico City, Mexico, 2017. (In Spanish) [Google Scholar]
- Metrobus. Mexico City’s Metrobus. 2019. Available online: Data.metrobus.cdmx.gob.mx/mapa.html (accessed on 23 March 2019).
- Beer, S. The Heart of Enterprise; Wiley: Chichester, UK, 1979. [Google Scholar]
- Fortune, J.; Peters, G. Learning from Failure; Wiley: Chichester, UK, 1995. [Google Scholar]
- C5. Mexico City’s C5. 2018. Available online: https://www.c5.cdmx.gob.mx/ (accessed on 23 March 2019).
- Allen, P.M.; Sanglier, M. Urban evolution, self-organization and decision making. Environ. Plan. A 1981, 13, 169–183. [Google Scholar] [CrossRef]
- Batty, M. Cities and Complexity: Understanding Cities with Cellular Automata, Agent-Based Models, and Fractals; MIT Press: Cambridge, MA, USA, 2005. [Google Scholar]
- Portugali, J. Complexity Cognition and the City; Springer: Heidelberg/Berlin, Germany, 2011. [Google Scholar]
- Janic, M. Modelling the resilience of an airline cargo transport network affected by a large-scale disruptive event. Transp. Res. Part D 2019. [Google Scholar] [CrossRef]
- Withnall, A. Waterloo disruption: London station in chaos as overrunning engineering works see all trains cancelled. Independent, 2019. Available online: https://www.independent.co.uk/news/uk/home-news/waterloo-disruption-delay-train-cancelled-london-engineering-works-a8834501.html (accessed on 23 March 2019).
- Xiang, H.; Jeong, C.E. Modeling the damage and recovery of interdependent critical infrastructure systems from natural hazards. Reliab. Eng. Syst. Saf. 2018, 177, 162–175. [Google Scholar]
- Kim, S.H.; Chung, J.H. Exploration on origin-destination-based travel time variability: Insights from Seoul metropolitan area. J. Transp. Geogr. 2018, 70, 104–113. [Google Scholar] [CrossRef]
- Zagattia, G.A.; Gonzaleza, M.; Avnerb, P.; Lozano-Gracia, N.; Brooks, C.J.; Albert, M.; Gray, J.; Antos, S.E.; Burcia, P.; zuErbach-Schoenberg, E.; et al. A trip to work: Estimation of origin and destination of commuting patterns in the main metropolitan regions of Haiti using CDR. Dev. Eng. 2018, 3, 133–165. [Google Scholar] [CrossRef]
- Pineda, C.; Schwarz, D.; Godoy, E. Comparison of passengers’ behaviour and aggregate demand levels on a subway system using origin-destination surveys and smart card data. Res. Transp. Econ. 2016, 59, 258–267. [Google Scholar] [CrossRef]
- Jain, S.; Singh-Jain, S.; Jain, G. Traffic congestion modelling based on origin destination. Procedia Eng. 2017, 187, 442–450. [Google Scholar] [CrossRef]
- Malone, T.V.; Crowston, K. The Interdisciplinary Study of Coordination. ACM Comput. Surv. 1994, 26, 87–119. [Google Scholar] [CrossRef]
- Janic, M. Modelling the resilience, friability and costs of an air transport network affected by a large-scale disruptive event. Transp. Res. Part A 2015, 71, 1–16. [Google Scholar]
- Tympakianaki, A.; Koutsopoulos, H.N.; Jenelius, E.; Cebecauer, M. Impact analysis of transport network disruptions using multimodal data: A case study for tunnel closures in Stockholm. Case Stud. Transp. Policy 2018, 6, 179–189. [Google Scholar] [CrossRef]










| Operations (‘Circles’ in Figure 4, Figure 5 and Figure 6) | Metro Transport Operations (MTO) | Taxi Operations (TXO) | BRT Operations (BRTO) | Private Cars Operations (PCO) | Public Buses Operations (PBO) | |||||
|---|---|---|---|---|---|---|---|---|---|---|
| S | W | S | W | S | W | S | W | S | W | |
| No. Zig-Zag Lines in Figure 5 | ||||||||||
| Metro Transport Operations (MTO) | 1 | 2 | 3 | 4 | ||||||
| a | b | c | d | |||||||
| Taxi Operations (TXO) | 5 | 6 | 7 | |||||||
| e | f | g | ||||||||
| BRT Operations (BRTO) | 8 | 9 | ||||||||
| h | i | |||||||||
| Private Cars Operations (PCO) | 10 | |||||||||
| j | ||||||||||
| Public Buses Operations (PBO) | ||||||||||
| Table 1. Id. | Description (See Figure 1 and Figure 2 and Section 2.1.) |
|---|---|
| a. | Commuters were desperately trying to get home; some of them used taxis (Figure 2b). |
| b. | Commuters boarded the BRT line-A (Figure 2b); the line runs parallel to the affected metro line-C. Both share the same geographic location of their terminals; it is here where Station No. 1 is located (Figure 1). |
| c. | Private motorcars were heavily affected by the traffic congestion due to a failure of the metro line-C (Figure 2a). |
| d. | Public buses were overtaken by the vastly number of commuters desperately to get home (Figure 2a). |
| e. | Taxis were not allowed to use the BRT lanes, which further contributed to traffic congestion. As the time passed by, they avoided the area. |
| f. | Given that most of the affected commuters were heading to the north of the city, taxis and private motorcars were heavily affected by traffic congestion. In some instances, some of them just avoided the area. |
| g. | Similarly, taxis and public transport buses were affected by traffic congestion. In particular, public transport buses were overtaken by those affected; as a consequence of this, many commuters boarded police buses and trucks (Figure 2a). |
| h. | During the emergency, private motorcars were not allowed to use the BRT lanes; because of this, they were affected by traffic congestion, and in most of the cases they just avoided the affected area. |
| i. | Public buses were not allowed to use BRT lanes; also, they avoided the affected area of the city. |
| j. | Both public buses and private motorcars shared the same road and not allowed to use the BRT lanes, which contributed to traffic congestion; also, they avoided the affected area of the city. |
| Operations (‘Circles’ in Figure 10) | BRT-LA Operations (BRT-LAO) | BRT-L BOperations (BRT-LBO) | BRT-LC Operations (BRT-LCO) | BRT-LD Operations (BRT-LDO) | BRT-LE Operations (BRT-LEO) | BRT-LF Operations (BRT-LFO) | ||||||||||||
|---|---|---|---|---|---|---|---|---|---|---|---|---|---|---|---|---|---|---|
| S | W | S | W | S | W | S | W | S | W | S | W | |||||||
| No. Zigzag Line in Figure 10 | ||||||||||||||||||
| BRT Line-A Operations (BRT-LAO) | 1 | 2 | 3 | 4 | 5 | |||||||||||||
| a | b | c | d | e | ||||||||||||||
| BRT Line- BOperations (BRT-LBO) | 6 | 7 | 8 | 9 | ||||||||||||||
| f | g | h | i | |||||||||||||||
| BRT Line-C Operations (BRT-LCO) | 10 | 11 | 12 | |||||||||||||||
| j | k | l | ||||||||||||||||
| BRT Line-D Operations (BRT-LDO) | 13 | 14 | ||||||||||||||||
| m | n | |||||||||||||||||
| BRT Line-E Operations (BRT-LEO) | 15 | |||||||||||||||||
| BRT Line-F Operations (BRT-LFO) | ||||||||||||||||||
| Table 3 Id. | Description (See Figure 1 and Figure 2 and Section 2.1) |
|---|---|
| a. | BRT lines A and B are interconnected and effectively commuters were affected; e.g., people working in the south of the city use line-B to connect to line-A to travel to the north where it is believed that most of them will take another bus to their homes. |
| b. | The affected commuters overloaded the BRT line-C given the interconnection of this line with the affected line-A. The connecting Stations 5 and 6 (Figure 1b) are the key ones that connect to BRT line-C which brings commuters to the north of the city. |
| c. | BRT line-A interconnects with lines C and D through Station 9 (Figure 1b), but also with a rail station. Literally, thousands of commuters were affected here. |
| d. | Although there is no direct connection with BRT line-A, however, Line-E has connections with BRT lines D and F, which in turn are connected with BRT line-A; that is, the affectation was not that significant. |
| e. | There is a key station that shared BRT lines A and F within the network. For example, commuters heading to their homes through BRT line-A station 1, simply could not do it; the line was heavily affected. |
| f. | Given the fact that most of the commuters were heading north of the city, there was not affectation of these lines. |
| g. | Same as in ‘f’. |
| h. | Same as in ‘f’. |
| i. | Same as in ‘f’. |
| j. | The affectation was in terms of a decrease in the number of users. |
| k. | There was not affectation with these lines. |
| l. | Same as in ‘j’. |
| m. | The affectation was in terms of a decreasing number of commuters using these lines. |
| n. | Same as in ‘m’ |
| o. | Same as in ‘m’. |
© 2019 by the authors. Licensee MDPI, Basel, Switzerland. This article is an open access article distributed under the terms and conditions of the Creative Commons Attribution (CC BY) license (http://creativecommons.org/licenses/by/4.0/).
Share and Cite
Santos-Reyes, J.; Padilla-Perez, D.; Beard, A.N. Transport Infrastructure Interdependency: Metro’s Failure Propagation in the Road Transport System in Mexico City. Sustainability 2019, 11, 4757. https://doi.org/10.3390/su11174757
Santos-Reyes J, Padilla-Perez D, Beard AN. Transport Infrastructure Interdependency: Metro’s Failure Propagation in the Road Transport System in Mexico City. Sustainability. 2019; 11(17):4757. https://doi.org/10.3390/su11174757
Chicago/Turabian StyleSantos-Reyes, Jaime, Diego Padilla-Perez, and Alan N Beard. 2019. "Transport Infrastructure Interdependency: Metro’s Failure Propagation in the Road Transport System in Mexico City" Sustainability 11, no. 17: 4757. https://doi.org/10.3390/su11174757
APA StyleSantos-Reyes, J., Padilla-Perez, D., & Beard, A. N. (2019). Transport Infrastructure Interdependency: Metro’s Failure Propagation in the Road Transport System in Mexico City. Sustainability, 11(17), 4757. https://doi.org/10.3390/su11174757
