Mechanical Properties of New Dry-Type Beam-Column Bolt Connection Joint
Abstract
1. Introduction
2. New Dry-Type Connection Joint
3. Tests Process
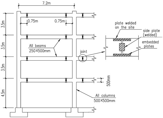
3.1. Specimen
3.2. Layout of Strain Measurement Gauges
3.3. Test Loading Scheme
3.4. Test Loading System
3.5. Test Results
4. Analysis and Comparison of Test Results
4.1. Joint Yield and Failure Load
4.2. Hysteretic Curve
4.3. Skeleton Curve
5. Analysis of New Dry-Type Connection Joint and Other Connection Joints
5.1. New Dry-Type Connection Joint and Pin Connection Joint
5.2. New Dry-Type Connection Joint and Welded Connection Joint
5.3. New Dry-Type Connection Joint and Ribbed Angle Iron Connection Joint
6. Conclusions and Future Research
6.1. Conclusions
6.2. Future Research
Author Contributions
Funding
Acknowledgments
Conflicts of Interest
References
- Boafo, F.; Kim, J.H.; Kim, J.T. Performance of Modular Prefabricated Architecture: Case Study-Based Review and Future Pathways. Sustainability 2016, 8, 558. [Google Scholar] [CrossRef]
- Jiang, R.; Wu, C.; Mao, C.; Shrestha, A. Ecosystem Visualization and Analysis of Chinese Prefabricated Housing Industry. Procedia Eng. 2016, 145, 436–443. [Google Scholar] [CrossRef]
- Zuo, J.; Zhao, Z.Y. Green building research–current status and future agenda: A review. Renew. Sustain. Energy Rev. 2014, 30, 271–281. [Google Scholar] [CrossRef]
- Yoo, M.; Kim, J.; Choi, C. Effects of BIM-Based Construction of Prefabricated Steel Framework from the Perspective of SMEs. Appl. Sci. 2019, 9, 1732. [Google Scholar] [CrossRef]
- Xu, W.; Yang, X.; Wang, F.; Chi, B. Experimental and numerical study on the seismic performance of prefabricated reinforced masonry shear walls. Appl. Sci. 2018, 8, 1856. [Google Scholar] [CrossRef]
- Tam, V.W.; Hao, J.L. Prefabrication as a mean of minimizing construction waste on site. Int. J. Constr. Manag. 2014, 14, 113–121. [Google Scholar] [CrossRef]
- Huang, Y.X.; Zhu, L.; Ye, Z.X. The research overview of the connection method of prefabricated concrete structure. Concrete 2013, 261, 120–126. [Google Scholar]
- Liu, T.Z.; Yan, S.H.; Wang, W. Research situation and outlook of assembled concrete structure. Shanxi Archit. 2016, 42, 55–57. [Google Scholar]
- Wu, D. Research overview of the connection method of assembled building joints. Chin. Overseas Archit. 2016, 67, 150–151. [Google Scholar]
- Wang, Y.C.; Li, J.F.; Jiang, S.l. Research of key connection technology in the design of assembled concrete structure design. Archit. Struct. 2016, 46, 91–94. [Google Scholar]
- Huang, X.H. Research on New Prefabricated Concrete Frame Joints; Southeast University: Nanjing, China, 2006. [Google Scholar]
- Yan, X.; Wang, S.; Huang, C.; Qi, A.; Hong, C. Experimental study of a new precast prestressed concrete joint. Appl. Sci. 2018, 8, 1871. [Google Scholar] [CrossRef]
- Hassane, O.; Yuji, I.; Hideki, K.; Tetsu, K.; Nobuyuki, Y.; Keijiro, O. Seismic Performance and Flexural Stiffness Variation of Assembled Precast Concrete Beam Jointed At Mid-span Using Transverse Bolts. J. Adv. Concr. Technol. 2009, 7, 205–216. [Google Scholar]
- Cheng, W.P.; Song, Y.P.; Wang, J. Experimental study on the seismic performance of prefabricated partial steel-reinforced concrete frame beam-column joints. J. Dalian Univ. Technol. 2015, 55, 171–178. [Google Scholar]
- Choi, H.K.; Choi, Y.C.; Choi, C.S. Development and testing of precast concrete beam-to-column connections. Eng. Struct. 2013, 56, 1820–1835. [Google Scholar] [CrossRef]
- Nzabonimpa, J.D.; Hong, W.K.; Park, S.C. Experimental investigation of dry mechanical beam-column joints for precast concrete based frames. Struct. Des. Tall Spec. Build. 2016, 26, e1337. [Google Scholar] [CrossRef]
- Pan, P.; Wang, H.S.; Guo, H.S. Experimental study on the seismic behavior of post-tensioned unbonded prestressing dry-type connected beam-column joints. J. Build. Struct. 2018, 39, 46–55. [Google Scholar]
- Cheng, D.H.; Tian, Y.H.; Zhang, L.Q.; Xu, P.C. Experimental study on static behavior of dry joint connected assembled concrete beam. J. Archit. Sci. Eng. 2017, 34, 31–38. [Google Scholar]
- Zhang, L.B.; Zhou, Z.H. Analysis of the shearing performance of a new assembled frame dry-type connection joints with dark corbel in core area. Shanxi Archit. 2018, 44, 33–35. [Google Scholar]
- Chen, W.; Xiong, F. Experimental study on seismic performance of dry-type connected assembled wall structure. J. Build. Struct. 2018, 39, 54–64. [Google Scholar]
- Liu, X.C.; Zhan, X.X.; Pu, S.H. Seismic performance study on slipping bolted truss-to-column connections in modularized prefabricated steel structures. Eng. Struct. 2018, 163, 241–254. [Google Scholar] [CrossRef]
- Code of Seismic Test for Buildings: JGJ/T101-2015; China Architecture & Building Press: Beijing, China, 2015.
- Tao, D.; Xiao, J.Z.; Zhang, Q.T.; Akbarnezhad, A. Experimental and numerical studies on design for deconstruction concrete connections: An overview. Adv. Struct. Eng. 2018, 21, 2198–2214. [Google Scholar]
- Ersoy, U.; Tankut, T. Precast concrete members with welded plate connections under reversed cyclic loading. PCI J. 1993, 38, 94–100. [Google Scholar] [CrossRef]
- Vidjeapriya, R.; Jaya, K.P. Experimental study on two simple mechanical precast beam-column connections under reverse cyclic loading. J. Perform. Constr. Facil. 2013, 27, 402–414. [Google Scholar] [CrossRef]













| Concrete Strength | 3 Days | 7 Days | 28 Days |
|---|---|---|---|
| C40 | 27.28 | 39.28 | 51.20 |
| C40 | 26.68 | 38.68 | 46.32 |
| C40 | 26.13 | 38.13 | 48.15 |
| C80 | 27.30 | 77.30 | 84.36 |
| C80 | 28.20 | 78.22 | 87.12 |
| C80 | 27.90 | 77.91 | 85.46 |
| Type | Rebar/Bolt Diameter d (mm) | Yield Strength fyk | Ultimate Strength fstk | Elongation δ |
|---|---|---|---|---|
| HPB300 | 8 | 327.6 | 447.1 | 26.3% |
| HPB300 | 10 | 344.9 | 468.3 | 24.6% |
| HRB400 | 12 | 465.2 | 577.3 | 21.6% |
| HRB400 | 14 | 447.4 | 567.6 | 23.2% |
| HRB400 | 16 | 437.6 | 620.4 | 23.2% |
| HRB400 | 18 | 456.4 | 589.6 | 22.6% |
| HRB400 | 22 | 421.3 | 571.9 | 19.6% |
| HRB400 | 25 | 456.6 | 605.7 | 20.2% |
| Grade8.8 | 30 | 618.7 | 785.2 | 11.4% |
| Specimen | Theoretical Bending Moment | Ultimate Bending Moment | Ultimate Displacement | Failure Mode |
|---|---|---|---|---|
| Beam | 456 | 266 | 134 | The concrete of T-shaped section where the beam end intersects the column is partially destroyed by punching first, and then the bending moment is destroyed |
© 2019 by the authors. Licensee MDPI, Basel, Switzerland. This article is an open access article distributed under the terms and conditions of the Creative Commons Attribution (CC BY) license (http://creativecommons.org/licenses/by/4.0/).
Share and Cite
Ma, W.; Li, Y.; Ding, K.; Cheng, B.; Liu, J.; Hao, J.; Tam, V.W.Y. Mechanical Properties of New Dry-Type Beam-Column Bolt Connection Joint. Sustainability 2019, 11, 3348. https://doi.org/10.3390/su11123348
Ma W, Li Y, Ding K, Cheng B, Liu J, Hao J, Tam VWY. Mechanical Properties of New Dry-Type Beam-Column Bolt Connection Joint. Sustainability. 2019; 11(12):3348. https://doi.org/10.3390/su11123348
Chicago/Turabian StyleMa, Wei, Yue Li, Kewei Ding, Baoquan Cheng, Jianhua Liu, Jianli Hao, and Vivian Wing Yan Tam. 2019. "Mechanical Properties of New Dry-Type Beam-Column Bolt Connection Joint" Sustainability 11, no. 12: 3348. https://doi.org/10.3390/su11123348
APA StyleMa, W., Li, Y., Ding, K., Cheng, B., Liu, J., Hao, J., & Tam, V. W. Y. (2019). Mechanical Properties of New Dry-Type Beam-Column Bolt Connection Joint. Sustainability, 11(12), 3348. https://doi.org/10.3390/su11123348

