Experimental Investigation on Establishing the HCCI Process Fueled by N-Heptane in a Direct Injection Diesel Engine at Different Compression Ratios
Abstract
1. Introduction
2. Test Procedure
2.1. Test Engine and Fuel
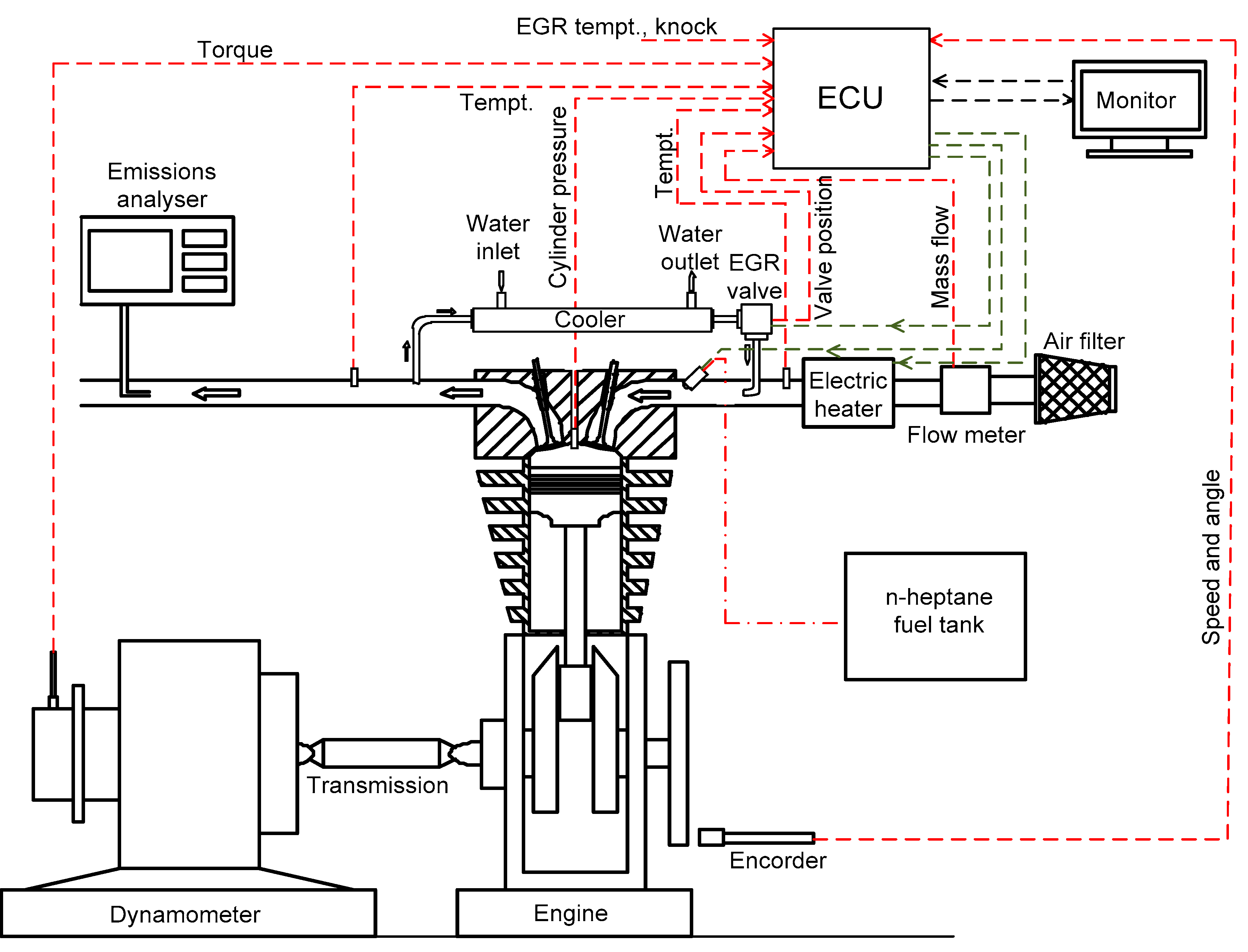
2.2. Test Equipment
3. Results and Discussion
3.1. The Rate of Heat Release (ROHR) and Start of Combustion Calculation
3.2. Combustion Characteristics
3.3. HCCI Engine Parameters at Different Compression Ratios
4. Summary and Conclusions
Author Contributions
Funding
Acknowledgments
Conflicts of Interest
References
- Hassan, A.O.; Abu-Jrai, A.; Al-Muhatseb, A.H.; Jamil, F. Impact of EGR and engine speed on HCCI engine performance and tail pipe emissions. Energy Procedia 2017, 136, 208–212. [Google Scholar] [CrossRef]
- Hadia, F.; Wadhah, S.; Ammar, H.; Ahmed, O. Investigation of combined effects of compression ratio and steam injection on performance, combustion and emissions characteristics of HCCI engine. Case Stud. Therm. Eng. 2017, 10, 262–271. [Google Scholar] [CrossRef]
- Um, S.; Park, S.W. Numerical Study on Combustion and Emission Characteristics of Homogeneous Charge Compression Ignition Engines Fueled with Biodiesel. Energy Fuels 2010, 24, 916–927. [Google Scholar] [CrossRef]
- Yousefi, A.; Gharehghani, A.; Birouk, M. Comparison study on combustion characteristics and emissions of a homogeneous charge compression ignition (HCCI) engine with and without pre-combustion chamber. Energy Convers. Manag. 2015, 100, 232–241. [Google Scholar] [CrossRef]
- Nishi, M.; Kanehara, M.; Iida, N. Assessment for innovative combustion on HCCI engine by controlling EGR ratio and engine speed. Appl. Therm. Eng. 2016, 99, 42–60. [Google Scholar] [CrossRef]
- Lü, X.C.; Chen, W.; Huang, Z. A fundamental study on the control of the HCCI combustion and emissions by fuel design concept combined with controllable EGR. Part 1. the basic characteristics of HCCI combustion. Fuel 2005, 84, 1074–1083. [Google Scholar] [CrossRef]
- Hasan, M.M.; Rahman, M.M.; Kadirgama, K.; Ramasamy, D. Numerical study of engine parameters on combustion and performance characteristics in an n-heptane fueled HCCI engine. Appl. Therm. Eng. 2018, 128, 1464–1475. [Google Scholar] [CrossRef]
- Machrafi, H.; Cavadiasa, S. An experimental and numerical analysis of the influence of the inlet temperature, equivalence ratio and compression ratio on the HCCI auto-ignition process of Primary Reference Fuels in an engine. Fuel Process. Technol. 2008, 89, 1218–1226. [Google Scholar] [CrossRef]
- Maurya, R.K.; Agarwal, A.K. Experimental investigations of performance, combustion and emission characteristics of ethanol and methanol fueled HCCI engine. Fuel Process. Technol. 2014, 126, 38–48. [Google Scholar] [CrossRef]
- Bhaduri, S.; Jeanmart, H.; Contino, F. Tar Tolerant HCCI Engine Fuelled with Biomass Syngas: Combustion Control Through EGR. Energy Procedia 2017, 105, 1764–1770. [Google Scholar] [CrossRef]
- Nobakht, A.Y.; Khoshbakhi Saray, R.; Rahimi, A. A parametric study on natural gas fueled HCCI combustion engine using a multi-zone combustion model. Fuel 2011, 90, 1508–1514. [Google Scholar] [CrossRef]
- Ravi, N.; Liao, H.H.; Jungkunz, A.F.; Widd, A.; Gerdes, J.C. Model predictive control of HCCI using variable valve actuation and fuel injection. Control Eng. Pract. 2012, 20, 421–430. [Google Scholar] [CrossRef]
- Kwon, O.S.; Lim, O.T. Effect of boost pressure on thermal stratification in HCCI engine using the multi-zone model. J. Mech. Sci. Technol. 2010, 24, 399–406. [Google Scholar] [CrossRef]
- Ge, J.C.; Kim, M.S.; Yoon, S.K.; Choi, N.J. Effects of pilot injection timing and egr on combustion, performance and exhaust emissions in a common rail diesel engine fueled with a canola oil biodiesel-diesel blend. Energies 2015, 8, 7312–7325. [Google Scholar] [CrossRef]
- Reitz, R.D.; Duraisamy, G. Review of high efficiency and clean reactivity controlled compression ignition (RCCI) combustion in internal combustion engines. Prog. Energy Combust. Sci. 2015, 46, 12–71. [Google Scholar] [CrossRef]
- Blomberg, C.K.; Wright, Y.M.; Boulouchos, K. A phenomenological HCCI combustion model in 0D and 3D-CFD. Fuel 2018, 226, 365–380. [Google Scholar] [CrossRef]
- Coskun, G.; Soyhan, H.S.; Demir, U.; Turkcan, A.; Ozsezen, A.N.; Canakci, M. Influences of second injection variations on combustion and emissions of an HCCI-DI engine: Experiments and CFD modelling. Fuel 2014, 136, 287–294. [Google Scholar] [CrossRef]
- Poorghasemi, K.; Saray, R.K.; Bahlouli, K.; Zehni, A. 3D CFD simulation of a natural gas fueled HCCI engine with employing a reduced mechanism. Fuel 2016, 182, 816–830. [Google Scholar] [CrossRef]









| Parameter | Value |
|---|---|
| Displaced volume | 273 cm3 |
| Type of engine | Direct Injection, naturally aspirated |
| Stroke | 57 mm |
| Bore | 78 mm |
| Compression ratio | 20:1 |
| Number of valves | 2 |
| Rated power/speed | 4.4 kW/3600 rpm |
| Max. Torque/speed | 13 Nm/2000 rpm |
| Properties | Unit | Test Method | Value |
|---|---|---|---|
| Viscosity at 40 °C | mm2/s | ASTM D445-00 | 0.567 |
| Flash point | °C | ASTM D93-02 | −4 |
| Density at 15 °C | g/cm3 | ASTM D1298-05 | 0.68873 |
| RVP at 37.8 °C | PSIG | ASTM D323-99 | 1.8 |
| Heating value | kcal/kg | ASTM D240-02 | 11,125 |
| n-heptan content | % | GC/MS | 97.5 |
| Cetane number | - | - | 56 |
| A/F ratio | - | - | 15.132 |
| Latent heat of evaporation | kJ/kg | - | 316.6 |
© 2018 by the authors. Licensee MDPI, Basel, Switzerland. This article is an open access article distributed under the terms and conditions of the Creative Commons Attribution (CC BY) license (http://creativecommons.org/licenses/by/4.0/).
Share and Cite
Anh, T.L.; Duy, V.N.; Thi, H.K.; Xa, H.N. Experimental Investigation on Establishing the HCCI Process Fueled by N-Heptane in a Direct Injection Diesel Engine at Different Compression Ratios. Sustainability 2018, 10, 3878. https://doi.org/10.3390/su10113878
Anh TL, Duy VN, Thi HK, Xa HN. Experimental Investigation on Establishing the HCCI Process Fueled by N-Heptane in a Direct Injection Diesel Engine at Different Compression Ratios. Sustainability. 2018; 10(11):3878. https://doi.org/10.3390/su10113878
Chicago/Turabian StyleAnh, Tuan Le, Vinh Nguyen Duy, Ha Khuong Thi, and Hoi Nguyen Xa. 2018. "Experimental Investigation on Establishing the HCCI Process Fueled by N-Heptane in a Direct Injection Diesel Engine at Different Compression Ratios" Sustainability 10, no. 11: 3878. https://doi.org/10.3390/su10113878
APA StyleAnh, T. L., Duy, V. N., Thi, H. K., & Xa, H. N. (2018). Experimental Investigation on Establishing the HCCI Process Fueled by N-Heptane in a Direct Injection Diesel Engine at Different Compression Ratios. Sustainability, 10(11), 3878. https://doi.org/10.3390/su10113878
